钢筋工程量计算例题
- 格式:doc
- 大小:294.50 KB
- 文档页数:8
例题4:梁钢筋的费用计算过程分析:本工程现浇混凝土梁钢筋:0104160011.钢筋工程量计算:(受力钢筋保护层厚度25mm)(1)梁上部通长钢筋:25锚固长度LaE=30d=750mm>500-25=475mm,应弯锚;平直段长度为500-25=475mm≥0.4LaE,弯段长度取15d可满足要求锚固长度要求。
L单根=7200+2×250-2×25+2×15×25=8400(mm)=8.4mN=2(根)(2)左、右负弯矩钢筋:25,负弯矩筋要求锚入支座并伸出Ln/3。
L单根=(7200-2×250)/3+500-25+15×25=3083(mm)=3.083mN=2×2=4(根)(3)梁下部钢筋:25L单根=7200+2×250-2×25+2×15×25=8400(mm)=8.4mN=6(根)(4)抗扭纵向钢筋:18锚固长度LaE=30d=540mm>500-25=475mm,应弯锚;平直段长度为500-25=475mm≥0.4LaE,弯段长度取15d可满足要求锚固长度要求。
L单根=7200+2×250-2×25+2×15×18=8190(mm)=8.19mN=2(根)(5)附加吊筋:14(如图)L 单根=250+2×50+2×(700-2×25)×1.414+2×20×14=2748.2(mm )=2.748m N=2(根)(6)箍筋:φ10(按03G101-1)根据抗震要求,箍筋端头为135°/135°弯钩,且弯钩平直段长度为10d ,所以每个箍筋弯钩增加长度为:10d+0.5D+d =13dL 单根=(300+700)×2-8×25+13×10×2=2117.4(mm )=2.117m12007005.122502720021100507005.1-⨯⨯-⨯-+⨯⎪⎭⎫ ⎝⎛+-⨯=箍筋根数 =44(根)另主次梁相交处应在主梁上沿次梁两边各附加3根箍筋,则:箍筋根数=44+6=50(根)钢筋长度汇总:L φ10=2.117×50=105.85(m )L14=2.748×2=5.496(m)L18=8.19×2=16.38(m)L25=8.4×2+3.083×4+8.4×6=79.532(m)钢筋清单工程量:Ⅰ级钢φ10以内(010*********):T=105.85×0.617=65.31(kg)=0.065(t)Ⅱ级钢综合(010*********):T=5.496×1.21+16.38×2.00+79.532×3.85=345.61(kg)=0.346(t)2.钢筋清单项目综合单价:(参考河南省《综合单价》)(1)Ⅰ级钢φ10以内(010*********):对应子目(4-168)实际工程量=清单工程量=0.065(t)人工费=443.76(元/t)材料费=3392.33(元/t)机械费=26.25(元/t)管理费=207.02(元/t)利润=103.51(元/t)综合单价=4172.87(元/t)填表(2)Ⅱ级钢综合(010*********):对应子目(4-170)实际工程量=清单工程量=0.346(t)人工费=291.11(元/t)材料费=3329.17(元/t)机械费=50.09(元/t)管理费=166.56(元/t)利润=112.45(元/t)综合单价=3949.38(元/t)填表3.钢筋清单项目费用填表(1)Ⅰ级钢φ10以内(010*********):费用=0.065×4172.87=271.24(元)(2)Ⅱ级钢φ10以上(010*********):费用=0.346×3949.38=1366.49(元)合计:271.24+1366.49=1637.73(元).。
框架梁钢筋算量例题及解析试计算图示C25框架梁砼和钢筋的工程量(三级抗震)解:1、砼工程量3-=⨯⨯V=⨯⨯=3.0m⨯++⨯127.09..2713.0)322.4(7.07.26.36.02、钢筋工程量依据砼C25、HRB335、三级抗震可得:受拉筋基本锚固长度lab=33d---- la=33d---- laE=1.05*33d=34.65dKL3上部通长筋 0.6-0.025=0.575 小于 34.65d=34.65*25=0.875 m2 25单根 L=4.2+4.2+2.7+3.6-0.6+(0.6-0.025+15*0.025)*2=16.00 m 1个接头负筋:左端支座 2 25 L=(4.2-0.6)/3+0.6-0.025+15*0.025=2.15m第一排)4 25 L=(4.2-0.6)/4+0.6-0.025+15*0.025=1.85m(第二排)第一二跨中间支座2 25 L=(4.2-0.6)/3+0.6+(4.2-0.6)/3=3.00 m (第一排)4 25 L=(4.2-0.6)/4+0.6+(4.2-0.6)/4=2.40 m (第一排)第二三跨中间支座2 25 L=(2.7+3.6-0.6)/3+0.6+(2.7+3.6-0.6)/3=4.40m (第一排)4 25 L=(2.7+3.6-0.6)/4+0.6+(2.7+3.6-0.6)/4=3.45 m (第二排)右端支座2 25 L=(2.7+3.6-0.6)/3+0.6-0.025+15*0.025=2.85m (第一排)4 25 L=(2.7+3.6-0.6)/4+0.6-0.025+15*0.025=2.38m (第二排)下部纵筋:第一跨 5 25 L=(0.6-0.025+15*25)+4.2-0.6+34.65*0.025=5.42m第二跨 8 25 L=4.2-0.6+34.65*0.025*2=5.33m第三跨 7 25 L=(0.6-0.025+15*25)+2.7+3.6-0.6+34.65*0.025=7.52m 构造筋:4 10 L=4.2+4.2+6.3-0.6+2*15*0.01=14.40m 1个接头抗扭钢筋 4 16 L=6.3-0.6+34.65*0.016+0.6-0.025+15*0.016=7.61m箍筋:L=(0.3+0.7)*2-8*0.025+18.55*0.01=1.99m根数第一跨:加密区 n=(1.05-0.05)/0.1+1=11 根非加密区 n=(4.2-0.6-1.05*2)/0.2-1=7根小计:29根第二跨:同第一跨 29根第三跨:加密区 n=11 根非加密区 n=(6.3-0.6-1.05*2)/0.2-1=17 根小计:39根合计:97根汇总:101625。
一、箍筋表示方法:⑴ φ10@100/200(2) 表示箍筋为φ10 ,加密区间距100,非加密区间距200,全为双肢箍。
⑵ φ10@100/200(4) 表示箍筋为φ10 ,加密区间距100,非加密区间距200,全为四肢箍。
⑶ φ8@200(2) 表示箍筋为φ8,间距为200,双肢箍。
⑷ φ8@100(4)/150(2) 表示箍筋为φ8,加密区间距100,四肢箍,非加密区间距150,双肢箍。
一、梁上主筋和梁下主筋同时表示方法(集中标注):⑴ 3Φ22;3Φ20 表示上部通长钢筋为3Φ22, 下部通长钢筋为3Φ20。
⑵ 2φ12;3Φ18 表示上部钢筋为2φ12, 下部钢筋为3Φ18。
⑶ 4Φ25;4Φ25 表示上部钢筋为4Φ25, 下部钢筋为4Φ25。
⑷ 3Φ25;5Φ25 表示上部钢筋为3Φ25, 下部钢筋为5Φ25。
二、梁上部钢筋表示方法:(标在梁上支座处即原位标注)⑴ 2Φ20 表示两根Φ20的钢筋,通长布置,用于双肢箍。
⑵ 2Φ22+(4Φ12)表示2Φ22 为通长,4φ12架立筋,用于六肢箍。
⑶ 6Φ25 4/2 表示上部钢筋上排为4Φ25,下排为2Φ25。
⑷ 2Φ22+ 2Φ22 表示只有一排钢筋,两根在角部,两根在中部,均匀布置。
三、梁腰中钢筋表示方法:⑴ G2φ12 表示梁两侧的构造钢筋,每侧一根φ12。
⑵ G4Φ14 表示梁两侧的构造钢筋,每侧两根Φ14。
⑶ N2Φ22 表示梁两侧的抗扭钢筋,每侧一根Φ22。
⑷ N4Φ18 表示梁两侧的抗扭钢筋,每侧两根Φ18。
四、梁下部钢筋表示方法:(标在梁的下部)⑴ 4Φ25 表示只有一排主筋,4Φ25 全部伸入支座内。
⑵ 6Φ25 2/4 表示有两排钢筋,上排筋为2Φ25,下排筋4Φ25。
⑶ 6Φ25 (-2 )/4 表示有两排钢筋,上排筋为2Φ25,不伸入支座,下排筋4Φ25,全部伸入支座。
⑷ 2Φ25 + 3Φ22(-3)/ 5Φ25 表示有两排筋,上排筋为5根。
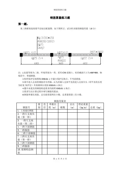
钢筋算量练习题第一题:某三跨框架连续梁平法标注配筋图,如下图所示,试分析该梁的钢筋用量(10分)注:1.抗震等级为二级,环境类别为一类,采用C30混凝土,柱的截面尺寸为600*600,轴线居中,普通钢筋.2.构件保护层按图集03G101-1中最小保护层执行;不考虑搭接.3.梁中进入支座的钢筋若为弯锚,认为其锚入支座平直段进入支座尽头(即平直段长度为柱宽-保护层)其他锚固长度按03G101-1执行.4.题中未提及的钢筋构造要求均按照03G101-1执行。
5.要求写出计算过程并填写钢筋用量表。
6.钢筋单根长度值、总长值保留两位小数,总重量保留三位小数。
第二题:某二跨框架连续梁平法标注配筋图,如下图所示,试计算该梁的钢筋用量。
注:混凝土强度等级梁保护层厚度柱保护层厚度抗震等级连接方式钢筋类型锚固长度C30 25㎜30㎜二级抗震对焊普通钢筋按03G101-1图集规定。
1、柱的截面尺寸为450×450,正常室内环境。
普通钢筋,对焊,不考虑梁中钢筋搭接。
2、构件保护层按图集03G101-1中最小保护层执行;。
3、箍筋长度计算公式:断面周长-8×箍筋保护层厚度+2×弯钩增加值;4、钢筋单根长度值按实际计算值取定,总长值保留两位小数,总重量值保留三位小数。
第三题:计算多跨楼层框架梁KL1的钢筋量,如图所示。
混凝土强度等级梁保护层厚度柱保护层厚度抗震等级连接方式钢筋类型锚固长度C30 25 30 一级抗震对焊普通钢筋按03G101-1图集度按外皮计算。
第四题(可以试做,竞赛时考的可能性极小):计算下图所示梁的钢筋量混凝土强度等级梁保护层厚度柱保护层厚度Lae 连接方式边节点C30 25 30 34d 对焊采用“梁包柱”钢筋单根长度值按实际计算值取定,总长值保留两位小数,总重量值保留三位小数。
箍筋长度按中心线算。
第五题:某钢筋混凝土框架梁平法标注如图所示,混凝土构件的环境类别为一类,梁的混凝土强度等级C30,结构的抗震等级为二级。
工程施工钢筋计算例题1. 背景介绍一座建筑工程离不开钢筋,钢筋是建筑的骨架,起着承重和支撑作用。
在施工中,对钢筋的计算是至关重要的,它关系到整个建筑的安全和稳定性。
下面我们以一个简单的钢筋计算例题来进行介绍。
2. 例题描述某建筑工程中,柱子的截面尺寸为400mm×400mm,柱子的高度为5m,要求柱子能够承受1000KN的垂直荷载。
现在要求计算出该柱子所需的钢筋数量和截面尺寸。
3.计算步骤(1)计算柱子的受力情况首先需要计算出柱子的受力情况,根据荷载的大小和柱子的尺寸可以得出柱子的受力情况。
在本例中,柱子的受力等于1000KN。
(2)计算柱子的截面面积根据柱子的截面尺寸,可以计算出柱子的截面面积。
在本例中,柱子的截面面积为400mm×400mm=160000mm²。
(3)计算钢筋的需量根据设计规范,钢筋的需量可以通过以下公式计算:As = P / (σs * fy)其中,As为钢筋的面积,P为柱子的受力大小,σs为钢筋的应力,fy为钢筋的屈服强度。
在一般情况下,σs取0.4,fy为360MPa。
(4)计算钢筋的截面尺寸根据钢筋的需量和柱子的截面面积,可以计算出钢筋的截面尺寸。
在本例中,钢筋的截面尺寸可以通过以下公式计算:As = π * (d/2)² * n其中,d为钢筋的直径,n为钢筋的根数。
(5)选择合适的钢筋配置方案根据计算结果,选择合适的钢筋配置方案,确保柱子的抗压能力符合设计要求。
4. 结论通过以上计算步骤,我们可以得出柱子所需的钢筋数量和截面尺寸,从而确保柱子的抗压能力符合设计要求。
在实际施工中,需要根据具体情况灵活运用计算方法,确保工程质量和安全。
以上就是关于工程施工钢筋计算例题的介绍,希望对大家有所帮助。
在实际工程中,钢筋计算是一个复杂而重要的环节,需要认真对待。
如果有任何疑问,欢迎留言交流。
梁钢筋算量例题及解析一、梁钢筋算量例题(一)例题咱就说有这么一个简单的梁啊,梁的长度是6米,截面尺寸是300mm×500mm(宽×高)。
混凝土强度等级是C30,抗震等级为二级。
梁的纵筋采用HRB400钢筋,箍筋采用HPB300钢筋。
梁的上部纵筋是2根直径为20mm的钢筋,下部纵筋是3根直径为22mm的钢筋,箍筋是直径为8mm的钢筋,加密区间距为100mm,非加密区间距为200mm。
那咱来算算这个梁的钢筋量。
(二)纵筋计算1. 上部纵筋纵筋长度计算呢,咱得考虑锚固长度。
对于HRB400钢筋,在C30混凝土、二级抗震等级下,锚固长度是按公式算的,这个公式有点复杂,不过咱们就按照规范来,锚固长度LaE取35d(d为钢筋直径)。
那20mm直径的钢筋,锚固长度就是35×20 = 700mm。
纵筋长度 = 梁长+ 2×锚固长度= 6000 + 2×700 = 7400mm。
2. 下部纵筋同样的道理,22mm直径的钢筋,锚固长度LaE = 35×22 = 770mm。
纵筋长度= 6000 + 2×770 = 7540mm。
纵筋重量计算呢,按照公式,重量 = 钢筋长度×每米重量。
每米重量可以查钢筋理论重量表,直径20mm的钢筋每米重量是2.47kg/m,直径22mm的钢筋每米重量是2.98kg/m。
上部纵筋重量= 7400×2.47÷1000 = 18.278kg(保留三位小数)。
下部纵筋重量= 7540×2.98÷1000 = 22.469kg(保留三位小数)。
(三)箍筋计算1. 加密区长度按照规范,二级抗震等级下,加密区长度为梁高的 1.5倍且大于等于500mm。
梁高500mm,1.5×500 = 750mm,所以加密区长度取750mm。
2. 加密区箍筋数量加密区箍筋数量=(加密区长度÷加密区间距+ 1)。
钢筋计算例题详解(精选五篇)第一篇:钢筋计算例题详解钢筋计算例题详解:某建筑物有3根现浇钢筋混凝土梁L1,配筋如下图,③、④号钢筋为45°弯起,⑤号箍筋按抗震结构要求,试计算各号钢筋下料长度及3根梁钢筋总重量,钢筋保护层厚度取25mm,。
注:各种钢筋单位长度的重量为:Φ6(0.222kg/m),Φ10(0.617kg/m),Φ20(2.47kg/m)1号钢筋:下部通长筋2根,单根长度=6+0.24-0.025*2=6.19m,2根重6.19*2*2.49=30.83kg 2号钢筋:上部通长筋2根,末端180°弯钩,单根长度=6+0.24-0.025*2+6.25d*2=6.315m,2根重量6.315*2*0.617=7.79kg 3号和4号钢筋长度相同,由图可知锚固长度为200,弯起钢筋增加长度=(500-25*2)*(1/sin45°-1)*2=373mm,则3号和4号钢筋长度均为6+0.24+0.025*2+0.2*2+0.373=6.963m,重量均为6.963*2.47=17.20kg 5号箍筋末端135°弯钩,双肢箍,根数=(6000-240-50*2)/200+1=30根,单根长度=【(0.5-0.025*2)+(0.2-0.025*2)】*2+4.9d*2=1.2588m,总重量为1.2588*30*0.222=8.38kg 以上全部加起来乘以3为三根梁钢筋的重量第二篇:计算案例题1.风险与保险风险衡量是在风险识别的基础上,通过对收集大量的损失资料加已分析,运用概率和数理统计,估测和预测风险发生的概率和损失程度。
损失概率:损失机会用分数或百分比来表示损失程度:发生一次风险事故平均损失额度预期损失:期望值损失变异性:损失幅度(方差或标准差)损失的期望值方差与标准差的计算损失的平均数=(10+20+30+40+50)/5=30方差=1000/5=200标准差=√200=14.142.技术说立足于保险的数理基础,认为保险是将处于同等可能发生机会的同类风险下的多数人和单位集中起来,测算事故发生率,根据概率计算保费,当偶发事件发生时,支付一定保险金额。
1、计算多跨楼层框架梁KL1的钢筋量,如图所示。
柱的截面尺寸为700×700,轴线与柱中线重合计算条件见表1和表2表1混凝土强度等级梁保护层厚度柱保护层厚度抗震等级连接方式钢筋类型锚固长度C302530三级抗震对焊普通钢筋按03G101-1图集及表2直径6810202225单根钢筋理论重量(kg/m)0.2220.3950.617 2.47 2.98 3.85钢筋单根长度值按实际计算值取定,总长值保留两位小数,总重量值保留三位小数。
2、已知某教学楼钢筋混凝土框架梁KL1的截面尺寸与配筋见图1,共计5根。
混凝土强度等级为C25。
求各种钢筋下料长度。
图1 钢筋混凝土框架梁KLl平法施工图3、某6m长钢筋混凝土简支梁(见下图),试计算各型号钢筋下料长度。
4、某抗震框架梁跨中截面尺寸b×h=250mm×500mm,梁内配筋箍筋φ6@150,纵向钢筋的保护层厚度c=25mm,求一根箍筋的下料长度。
5、某框架建筑结构,抗震等级为4级,共有10根框架梁,其配筋如图5.23所示,混凝土等级为C30,钢筋锚固长度LαE为30d。
柱截面尺寸为500mm x 500mm。
试计算该梁钢筋下料长度并编制配料单(参见混凝土结构平面整体表示方法03G10l-l构造详图)。
6、试编制下图所示5根梁的钢筋配料单。
各种钢筋的线重量如下:10(0.617kg/m);12(0.888kg/m);25(3.853kg/m)。
7、某建筑物第一层楼共有5根L1梁,梁的钢筋如图所示,要求按图计算各钢筋下料长度并编制钢筋配料单。
钢筋算量练习题钢筋算量练习题一、引言钢筋算量是建筑工程中非常重要的一项工作,它涉及到对建筑结构中的钢筋进行计算和估算。
在工程实践中,掌握钢筋算量的方法和技巧对于工程师和施工人员来说至关重要。
本文将通过一些练习题来帮助读者巩固和提高钢筋算量的能力。
二、练习题1. 一栋楼房的柱子高度为10米,柱子的截面为40cm×40cm,按照每根柱子的纵向钢筋间距为20cm,横向钢筋间距为30cm,柱子的钢筋算量是多少?解析:首先计算柱子的截面面积,即40cm×40cm=1600cm²。
然后计算纵向钢筋的数量,柱子高度为10米,即1000cm,纵向钢筋间距为20cm,所以纵向钢筋的数量为1000cm÷20cm=50根。
再计算横向钢筋的数量,柱子的截面面积为1600cm²,横向钢筋间距为30cm,所以横向钢筋的数量为1600cm²÷30cm=53.33根(取整数为53根)。
因此,柱子的钢筋算量为50根纵向钢筋和53根横向钢筋。
2. 一栋楼房的梁长为8米,梁的截面为30cm×60cm,梁的钢筋算量是多少?解析:首先计算梁的截面面积,即30cm×60cm=1800cm²。
然后计算梁的钢筋数量,梁长为8米,即800cm,假设纵向钢筋间距为20cm,所以纵向钢筋的数量为800cm÷20cm=40根。
因此,梁的钢筋算量为40根纵向钢筋。
3. 一栋楼房的楼板面积为200平方米,楼板厚度为15cm,楼板的钢筋算量是多少?解析:首先计算楼板的体积,楼板面积为200平方米,楼板厚度为15cm,所以楼板的体积为200平方米×15cm=3000立方米。
然后计算楼板的钢筋数量,假设楼板钢筋的间距为30cm,楼板的钢筋数量为3000立方米÷30cm=10000根。
因此,楼板的钢筋算量为10000根。
4. 一栋楼房的墙体长度为20米,墙体的高度为3米,墙体的厚度为30cm,墙体的钢筋算量是多少?解析:首先计算墙体的体积,墙体长度为20米,墙体高度为3米,墙体厚度为30cm,所以墙体的体积为20米×3米×30cm=180立方米。
1、计算多跨楼层框架梁KL1的钢筋量,如图所示。
柱的截面尺寸为700×700,轴线与柱中线重合计算条件见表1和表2混凝土强度等级梁保护层厚度表1柱保护层厚度抗震等级连接方式钢筋类型锚固长度按C302530三级抗震对焊普通钢筋03G101-1图集及表2直径6810202225单根钢筋理论重量0.2220.3950.617 2.47 2.98 3.85(kg/m)钢筋单根长度值按实际计算值取定,总长值保留两位小数,总重量值保留三位小数。
2、已知某教学楼钢筋混凝土框架梁KL1的截面尺寸与配筋见图1,共计5根。
混凝土强度等级为C25。
求各种钢筋下料长度。
图1钢筋混凝土框架梁KLl平法施工图3、某6m长钢筋混凝土简支梁(见下图),试计算各型号钢筋下料长度。
4、某抗震框架梁跨中截面尺寸b×h=250mm×500mm,梁内配筋箍筋φ6@150,纵向钢筋的保护层厚度c=25mm,求一根箍筋的下料长度。
5、某框架建筑结构,抗震等级为4级,共有10根框架梁,其配筋如图5.23所示,混凝土等级为C30,钢筋锚固长度LαE为30d。
柱截面尺寸为500mm x500mm。
试计算该梁钢筋下料长度并编制配料单(参见混凝土结构平面整体表示方法03G10l-l构造详图)。
6、试编制下图所示5根梁的钢筋配料单。
各种钢筋的线重量如下:10(0.617kg/m);12(0.888kg/m);25(3.853kg/m)。
7、某建筑物第一层楼共有5根L1梁,梁的钢筋如图所示,要求按图计算各钢筋下料长度并编制钢筋配料单。
一、箍筋表示方法:⑴ φ10@100/200(2) 表示箍筋为φ10 ,加密区间距100,非加密区间距200,全为双肢箍。
⑵ φ10@100/200(4)表示箍筋为φ10 ,加密区间距100,非加密区间距200,全为四肢箍.⑶ φ8@200(2)表示箍筋为φ8,间距为200,双肢箍.⑷ φ8@100(4)/150(2)表示箍筋为φ8,加密区间距100,四肢箍,非加密区间距150,双肢箍。
一、梁上主筋和梁下主筋同时表示方法(集中标注) :⑴ 3Φ22;3Φ20表示上部通长钢筋为3Φ22,下部通长钢筋为3Φ20。
⑵ 2φ12;3Φ18表示上部钢筋为2φ12,下部钢筋为3Φ18。
⑶ 4Φ25;4Φ25表示上部钢筋为4Φ25,下部钢筋为4Φ25。
⑷ 3Φ25;5Φ25表示上部钢筋为3Φ25,下部钢筋为5Φ25. 二、梁上部钢筋表示方法:(标在梁上支座处即原位标注)⑴ 2Φ20表示两根Φ20的钢筋,通长布置,用于双肢箍。
⑵ 2Φ22+(4Φ12)表示2Φ22 为通长,4φ12架立筋,用于六肢箍。
⑶ 6Φ25 4/2表示上部钢筋上排为4Φ25,下排为2Φ25。
⑷ 2Φ22+ 2Φ22表示只有一排钢筋,两根在角部,两根在中部,均匀布置。
三、梁腰中钢筋表示方法:⑴ G2φ12表示梁两侧的构造钢筋,每侧一根φ12.⑵ G4Φ14表示梁两侧的构造钢筋,每侧两根Φ14。
⑶ N2Φ22表示梁两侧的抗扭钢筋,每侧一根Φ22。
⑷ N4Φ18表示梁两侧的抗扭钢筋,每侧两根Φ18。
四、梁下部钢筋表示方法:(标在梁的下部)⑴ 4Φ25表示只有一排主筋,4Φ25 全部伸入支座内.⑵ 6Φ25 2/4表示有两排钢筋,上排筋为2Φ25,下排筋4Φ25。
⑶ 6Φ25 (-2 )/4 表示有两排钢筋,上排筋为2Φ25,不伸入支座,下排筋4Φ25,全部伸入支座。
⑷ 2Φ25 + 3Φ22(—3)/ 5Φ25表示有两排筋,上排筋为5根。
2Φ25伸入支座,3Φ22,不伸入支座。
梁的钢筋计算题一、问题描述某座建筑的梁跨度为8米,宽度为0.3米,高度为0.4米。
现需要计算该梁所需的钢筋数量和配筋方案。
二、计算钢筋数量首先,我们需要计算该梁的截面积,即横截面面积。
梁的横截面积 = 宽度 * 高度梁的横截面积 = 0.3 * 0.4 = 0.12 平方米接下来,我们需要确定该梁所需的钢筋配筋率。
配筋率是指钢筋的面积与梁截面的比值。
根据建筑设计规范,钢筋配筋率一般为0.1%至0.8%。
我们可以尝试不同的配筋率,根据计算结果选择合适的方案。
假设我们先使用较低的配筋率0.1%进行计算。
钢筋面积 = 梁的横截面积 * 配筋率钢筋面积 = 0.12 * 0.001 = 0.00012 平方米需要注意的是,钢筋的直径一般是固定的,常见的有6mm、8mm、10mm、12mm等规格。
我们需要根据设计要求选取合适的钢筋规格。
假设我们选择使用直径为10mm的钢筋。
钢筋数量 = 钢筋面积/ (π * (钢筋直径 / 2)^2)钢筋数量= 0.00012 / (3.14 * (0.01 / 2)^2) ≈ 380 根所以,当配筋率为0.1%时,该梁所需的钢筋数量约为380根。
三、钢筋配筋方案根据计算结果,我们可以选择合适的钢筋配筋方案。
对于梁的钢筋配筋,常见的有两种方式:主筋配筋和箍筋配筋。
主筋配筋是指在梁的底部设置一定数量的钢筋,用于承受梁的弯矩和剪力。
主筋的位置一般在梁的中心位置或靠近底边,距离一般为梁高度的1/6至1/4。
箍筋配筋是指在梁的两侧设置一定数量的钢筋,用于约束主筋,增加梁的抗弯能力。
箍筋的位置一般均匀分布在主筋附近。
根据设计要求,我们可以选择主筋数目、距离和箍筋数目、间隔。
对于本题,我们可以选择使用6根直径为10mm的主筋,将其均匀分布在梁底部,距离底边距离为0.4/6 = 0.067米。
同时,我们也可以选择使用直径为8mm的箍筋,将其均匀分布在主筋附近。
根据多年的经验,一般箍筋的间距约为主筋直径的4至6倍。
一、计算多跨楼层框架梁KL1的钢筋量,如图所示。
柱的截面尺寸为700×700,轴线与柱中线重合
计算条件见表1和表2
表1
混凝土强度等级梁保护层
厚度
柱保护层
厚度
抗震等级连接方式钢筋类型锚固长度
C30 25 30 三级抗震对焊普通钢筋按
03G101-1图集及
表2
直径 6 8 10 20 22 25
单根钢筋
理论重量
(kg/m)
0.222 0.395 0.617 2.47 2.98 3.85 钢筋单根长度值按实际计算值取定,总长值保留两位小数,总重量值保留三位小数。
解:
1.上部通常筋长度 2Φ25
单根长度L1=Ln+左锚固长度+右端下弯长度
判断是否弯锚:左支座hc-c=(700-30)mm =670mm<LaE=29d=29
×25=725mm,所以左支座应弯锚。
锚固长度=max(0.4LaE+15d,hc-c+15d,LaE)=max(0.4×725+15
×25,670+15×25,725)=max(665,1045,725)=1045mm=1.045m (见101图集54页)
右端下弯长度(悬挑板上部钢筋下弯收头):12d=12×25=300mm (见101图集66页)
L1=6000+6900+1800-375-25+1045+300=15645mm=1.5645m
由以上计算可见:本题中除构造筋以外的纵筋在支座处只要是弯锚
皆取1045mm,因为支座宽度和直径都相同。
2. 一跨左支座负筋第一排 2Φ25
单根长度L2=Ln/3+锚固长度=(6000-350×2)
/3+1045=2812mm=2.812m
(见101图集54页)
3. 一跨左支座负筋第二排 2Φ25
单根长度L3=Ln/4+锚固长度=(6000-350×2)/4+1045=2370mm=2.37m (见101图集54页)
4. 一跨下部纵筋 6Φ25(未说明,按照非通常计算)
单根长度L4=Ln+左端锚固长度+右端锚固长度=6000-700+1045×2=7390mm=7.39m(此处有误,右段锚固长度=max(0.5hc +5d,LaE)
=max(475mm,725mm))后面同类错误相同
(见101图集54页)
5.侧面构造钢筋 4Ф12
单根长度L5=Ln+15d×2=6000-700+15×12×2=5660mm=5.66m
(见101图集24页)
6.一跨右支座负筋第一排 2Φ25
单根长度L6=max(5300,6200)/3×2+700=4833mm=4.833m
(见101图集54页)
7.一跨右支座负筋第二排 2Φ25
单根长度L7= max(5300,6200)/4×2+700=3800mm=3.8m
(以上第一排负筋左右计算完后未计算中间搭接的架立筋,注意)8.一跨箍筋Φ10@100/200(2)按外皮长度
单根箍筋的长度L8=[(b-2c+2d)+ (h-2c+2d)]×2+2×[max(10d,
75)+1.9d]
= [(300-2×25+2×10)+ (700-2×25+2×10)]×2+2×[max(10×10,
75)+1.9×10]
=540+1340+38+200
=2118mm=2.118m
箍筋的根数=加密区箍筋的根数(三级抗震)+非加密区箍筋的根数
=[(1.5×700-50)/100+1]×2+(6000-700-1.5×700×
2)/200-1
=22+15=37根
(见101图集63页)
9. 第二跨右支座负筋第二排 2Φ25
单根长度L9= 6200/4+1045=2595mm=2.595m
11.第二跨底部纵筋 6Φ25
单根长度L11=6900-700+1045×2(这里延续前面的问题)
=8920mm=8.92m
12.侧面构造筋 4Ф12
单根长度L12=Ln+15d×2=6900-700+15×12×2=6560mm=6.56m 13.第二跨箍筋Φ10@100/200(2)按外皮长度
单根箍筋的长度L13=2.118m
箍筋的根数=加密区箍筋的根数+非加密区箍筋的根数
=[(1.5×700-50)/100+1]×2+(6900-700-1.5×700× 2)/200-1
=22+20=42根
15.悬挑跨上部负筋 2Φ25
L=1800-350=1450mm<4h b=4×700 不将钢筋在端部弯下(见101图集66页)
单根长度L15=6200/3+700+1800-350-25+12×25
=4492mm=4.492m
16.悬挑跨下部纵筋 4Φ25
单根长度L16=Ln+12d=1800-350-25+12×25=1725mm=1.725m 17.悬挑跨箍筋Φ10@100(2)
单根长度L17= (300-2×25+2×10)×2+ [ (700+500)/2-2×25+2×10)]×2+2×[max(10×10, 75)+1.9×10]
=1918mm=1.918m
根数n=(1800-350-25-50)/100+1=15根
试题五计算图示钢筋工程的工程量(满分20分。
单根长度末位数值二舍三入取0或5。
清单工程量保留3位小数。
)
根据所给图l及其有关设计要求,按《建设工程工程量清单计价规范》(GB50500-2008)的有关规定,在答题卷表5-l、表5-2中汁算完成:
(1)区格①~②/○A~○B内的一个标准层楼板的指定编号钢筋清单工程量;
(2)一个标准层内单根柱子的钢筋清单工程量(包括主筋、箍筋。
暂不考虑接头的清
公称直径(mm) 6.5 8 10 20 22
每米理论重量(kg/m)0.261 0.395 0.617 2.47 2.98
标准层结构平面配筋图(局部)
设计说明
1.单位均为mm。
2.板厚均为120.梁宽度均为250居中布置,砼强度等级C30,7度抗震设防。
3.混凝土保护层最小厚度:梁主筋25,柱主筋30,板主筋15,梁柱箍筋15,板分布筋10。
4.钢筋搭接长度为40d(当两根不同直径钢筋搭接时,d为较细钢筋直径)。
5.柱子主筋采用电渣压力焊接头。
6.未注明分布筋均为Φ6.5@300。
试题五计算图示钢筋工程的工程量(满分20分。
单根长度末位数值二舍三入取0或5。
清单工程量保留3位小数。
)
表5-1 计算区格①~②/○A~○B楼板内指定编号的钢筋
清单工程量
钢
筋编号简图
单根
长度
计算
式
根数计
算式
级
别、
直径
单根长
度(mm)
根数
(根)
清单工程
量
(t)
①5400+
6.25d×
2
(6300-
125×2-
50×2)
/150+1
Φ8
5555(5556)
或5500
41
0.090或
0.089
②6300+
6.25d×
2
(5400-
125×2-
50×2)
/150+1
Φ10
6495或
6425
35
0.140或
0.139
④250+
1500-
25+
(120
-15×
2)×2
(6300-
125×2-
50×2)
/200+1
Φ10 1905 31 0.036
横向分布筋5400-
125×2
-1500
×2+
40d×2
+6.25d
[(1700
-50)
/300+1]
×2
Φ6.5
2795(2797)
或2749
14 0.010
×2
纵向分布筋
6300-
125×2
-1700
×2+
40d×2
+6.25d
×2
[(1500
-50)
/300+1]
×2
Φ6.5
3295(3297)
或3249
12 0.010
合计
0.286或
0.284 表5-2 一个标准层内单根柱子的钢筋清单工程量
钢筋
名称简图单根
长度
计算
式
根数计算
式
级
别、
直径
单根长度
(mm)
根数
(根)清单工程量(t)
主筋3000 4 20 3000 4 0.030
箍筋
500×4
-8×
30+8
×8)+
2×
11.9d
3000/100 Φ8
2030
(2032)
30 0.024 合计0.054。