钢筋工程量计算例题
- 格式:doc
- 大小:2.14 MB
- 文档页数:6
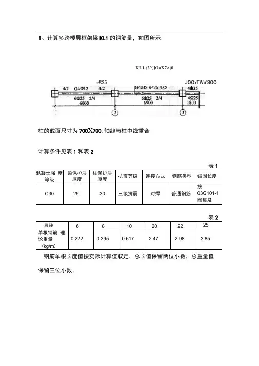
1、计算多跨楼层框架梁1的钢筋量,如图所示。
柱的截面尺寸为700×700,轴线与柱中线重合
计算条件见表1和表2
表1
表2
钢筋单根长度值按实际计算值取定,总长值保留两位小数,总重量值保留三位小数。
2、已知某教学楼钢筋混凝土框架梁1的截面尺寸与配筋见图1,共计5根。
混凝土强度等级为C25。
求各种钢筋下料长度。
图1 钢筋混凝土框架梁平法施工图
3、某6m长钢筋混凝土简支梁(见下图),试计算各型号钢筋下料长度。
4、某抗震框架梁跨中截面尺寸b×250×500,梁内配筋箍筋φ6@150,纵向钢筋的保护层厚度25,求一根箍筋的下料长度。
5、某框架建筑结构,抗震等级为4级,共有10根框架梁,其配筋如图5.23所示,混凝土等级为C30,钢筋锚固长度LαE为30d。
柱截面尺寸为500 x 500。
试计算该梁钢筋下料长度并编制配料单(参见混凝土结构平面整体表示方法03G10构造详图)。
6、试编制下图所示5根梁的钢筋配料单。
各种钢筋的线重量如下:10(0.617);12(0.888);25(3.853)。
7、某建筑物第一层楼共有5根L1梁,梁的钢筋如图所示,要求按图计算各钢筋下料长度并编制钢筋配料单。
钢筋工程量计算、计价案例案例1:某层高为4.20m的现浇框架结构建筑,抗震等级为四级,图为其中框架梁KL1,共10根。
砼标号为C30,保护层厚度为25mm。
请根据题图计算设计钢筋用量(除箍筋为Ⅰ级钢筋其余均为Ⅱ级钢筋月牙纹,且为满足最小设计用量。
伸入柱内锚固钢筋弯起部分按15d),并按三类工程套用04定额。
解题:(一)列表计算钢筋设计用量1.根据题图,按钢筋编号计算用量2.根据综合定额子目的步距,分别汇出工程量钢筋用量表编号规格简图根数单根长度计算式重量(kg)1 Φ18 20 15×0.018+6.25-2×0.025+0.40-2×0.025+20×0.018×2+1.414×0.35 =8.033212 Φ16 10 15×0.016+0.45-0.025+3.85/3=1.95313 Φ1620 3.85/3+0.45+1.50-0.025=3.21 1014 Φ1630 15×0.016×2+4.75-2×0.025=5.18 2465 Φ1620 15×0.016+1.50-0.025=1.73 556 Φ14 20 10×0.014×2+0.35×1.414×2+0.55=1.82447 Φ14 20 10×0.014×2+0.35×1.414×2+0.95=2.22548 Φ8 420 (0.40-2×0.025+2×0.008)×2+(0.25-2×0.025+2×0.008)×2+24×0.008=1.36226Σ: Φ12以内:226 kg Φ25以内:852 kg (二)根据工程量,套用综合定额单价4-1注:3421.48-330.46+330.46*1.03+(330.46*1.03+57.83)*(1+25%+12%)=4-2注:3241.82-166.14+166.14*1.03+(166.14*1.03+84.40)*(1+25%+12%)=案例2:如图所示,现浇钢筋混凝上梁100根,设②号筋弯起角度为45度,箍筋弯钧角度为135度,混凝上强度等级为C25。
钢筋计算例题详解(精选五篇)第一篇:钢筋计算例题详解钢筋计算例题详解:某建筑物有3根现浇钢筋混凝土梁L1,配筋如下图,③、④号钢筋为45°弯起,⑤号箍筋按抗震结构要求,试计算各号钢筋下料长度及3根梁钢筋总重量,钢筋保护层厚度取25mm,。
注:各种钢筋单位长度的重量为:Φ6(0.222kg/m),Φ10(0.617kg/m),Φ20(2.47kg/m)1号钢筋:下部通长筋2根,单根长度=6+0.24-0.025*2=6.19m,2根重6.19*2*2.49=30.83kg 2号钢筋:上部通长筋2根,末端180°弯钩,单根长度=6+0.24-0.025*2+6.25d*2=6.315m,2根重量6.315*2*0.617=7.79kg 3号和4号钢筋长度相同,由图可知锚固长度为200,弯起钢筋增加长度=(500-25*2)*(1/sin45°-1)*2=373mm,则3号和4号钢筋长度均为6+0.24+0.025*2+0.2*2+0.373=6.963m,重量均为6.963*2.47=17.20kg 5号箍筋末端135°弯钩,双肢箍,根数=(6000-240-50*2)/200+1=30根,单根长度=【(0.5-0.025*2)+(0.2-0.025*2)】*2+4.9d*2=1.2588m,总重量为1.2588*30*0.222=8.38kg 以上全部加起来乘以3为三根梁钢筋的重量第二篇:计算案例题1.风险与保险风险衡量是在风险识别的基础上,通过对收集大量的损失资料加已分析,运用概率和数理统计,估测和预测风险发生的概率和损失程度。
损失概率:损失机会用分数或百分比来表示损失程度:发生一次风险事故平均损失额度预期损失:期望值损失变异性:损失幅度(方差或标准差)损失的期望值方差与标准差的计算损失的平均数=(10+20+30+40+50)/5=30方差=1000/5=200标准差=√200=14.142.技术说立足于保险的数理基础,认为保险是将处于同等可能发生机会的同类风险下的多数人和单位集中起来,测算事故发生率,根据概率计算保费,当偶发事件发生时,支付一定保险金额。
1、计算多跨楼层框架梁KL1的钢筋量,如图所示
KL1 (2^)]OaX7<}0
2^25
r
―Ete —~ +
-・ -------
柱的截面尺寸为700X 700,轴线与柱中线重合
计算条件见表1和表2
表1
混凝土强 度等级
梁保护层 厚度 柱保护层
厚度 抗震等级
连接方式 钢筋类型 锚固长度
C30
25 30 三级抗震 对焊
普通钢筋 按
03G101-1
图集及
表2
直径 6 8 10 20 22 25 单根钢筋 理论重量 (kg/m )
0.222
0.395
0.617
2.47
2.98
3.85
钢筋单根长度值按实际计算值取定,总长值保留两位小数,总重量值 保留三位小数。
«®25
JOOxTWu'SOO
G4&I2 6^25 4X2
2、已知某教学楼钢筋混凝土框架梁 KL1的截面尺寸与配筋见图1, 共计5根。
混凝土强度等级为C25求各种钢筋下料长度
图1钢筋混凝土框架梁KLI 平法施工图
|KL2(1A)300X800
010-100/200(2) 2 A25
J ---------------------------------------
"■于 ------------------
300X600/400
500X500
t 150 2000
£4^25
3^25
500X500。
1、计算多跨楼层框架梁KL1的钢筋量,如图所示。
柱的截面尺寸为700×700,轴线与柱中线重合计算条件见表1和表2表1混凝土强度等级梁保护层厚度柱保护层厚度抗震等级连接方式钢筋类型锚固长度C302530三级抗震对焊普通钢筋按03G101-1图集及表2直径6810202225单根钢筋理论重量(kg/m)0.2220.3950.617 2.47 2.98 3.85钢筋单根长度值按实际计算值取定,总长值保留两位小数,总重量值保留三位小数。
2、已知某教学楼钢筋混凝土框架梁KL1的截面尺寸与配筋见图1,共计5根。
混凝土强度等级为C25。
求各种钢筋下料长度。
图1 钢筋混凝土框架梁KLl平法施工图3、某6m长钢筋混凝土简支梁(见下图),试计算各型号钢筋下料长度。
4、某抗震框架梁跨中截面尺寸b×h=250mm×500mm,梁内配筋箍筋φ6@150,纵向钢筋的保护层厚度c=25mm,求一根箍筋的下料长度。
5、某框架建筑结构,抗震等级为4级,共有10根框架梁,其配筋如图5.23所示,混凝土等级为C30,钢筋锚固长度LαE为30d。
柱截面尺寸为500mm x 500mm。
试计算该梁钢筋下料长度并编制配料单(参见混凝土结构平面整体表示方法03G10l-l构造详图)。
6、试编制下图所示5根梁的钢筋配料单。
各种钢筋的线重量如下:10(0.617kg/m);12(0.888kg/m);25(3.853kg/m)。
7、某建筑物第一层楼共有5根L1梁,梁的钢筋如图所示,要求按图计算各钢筋下料长度并编制钢筋配料单。
钢筋算量练习题钢筋算量练习题一、引言钢筋算量是建筑工程中非常重要的一项工作,它涉及到对建筑结构中的钢筋进行计算和估算。
在工程实践中,掌握钢筋算量的方法和技巧对于工程师和施工人员来说至关重要。
本文将通过一些练习题来帮助读者巩固和提高钢筋算量的能力。
二、练习题1. 一栋楼房的柱子高度为10米,柱子的截面为40cm×40cm,按照每根柱子的纵向钢筋间距为20cm,横向钢筋间距为30cm,柱子的钢筋算量是多少?解析:首先计算柱子的截面面积,即40cm×40cm=1600cm²。
然后计算纵向钢筋的数量,柱子高度为10米,即1000cm,纵向钢筋间距为20cm,所以纵向钢筋的数量为1000cm÷20cm=50根。
再计算横向钢筋的数量,柱子的截面面积为1600cm²,横向钢筋间距为30cm,所以横向钢筋的数量为1600cm²÷30cm=53.33根(取整数为53根)。
因此,柱子的钢筋算量为50根纵向钢筋和53根横向钢筋。
2. 一栋楼房的梁长为8米,梁的截面为30cm×60cm,梁的钢筋算量是多少?解析:首先计算梁的截面面积,即30cm×60cm=1800cm²。
然后计算梁的钢筋数量,梁长为8米,即800cm,假设纵向钢筋间距为20cm,所以纵向钢筋的数量为800cm÷20cm=40根。
因此,梁的钢筋算量为40根纵向钢筋。
3. 一栋楼房的楼板面积为200平方米,楼板厚度为15cm,楼板的钢筋算量是多少?解析:首先计算楼板的体积,楼板面积为200平方米,楼板厚度为15cm,所以楼板的体积为200平方米×15cm=3000立方米。
然后计算楼板的钢筋数量,假设楼板钢筋的间距为30cm,楼板的钢筋数量为3000立方米÷30cm=10000根。
因此,楼板的钢筋算量为10000根。
4. 一栋楼房的墙体长度为20米,墙体的高度为3米,墙体的厚度为30cm,墙体的钢筋算量是多少?解析:首先计算墙体的体积,墙体长度为20米,墙体高度为3米,墙体厚度为30cm,所以墙体的体积为20米×3米×30cm=180立方米。
例题1.计算多跨楼层框架梁KL1的钢筋量,如图所示。
柱的截面尺寸为700×700,轴线与柱中线重合计算条件见表1和表2混凝土强度等级梁保护层厚度柱保护层厚度抗震等级连接方式钢筋类型锚固长度C30 25 30 三级抗震对焊普通钢筋按03G101-1图集及直径 6 8 10 20 22 25 单根钢筋理论重量(kg/m)0.222 0.395 0.617 2.47 2.98 3.85钢筋单根长度值按实际计算值取定,总长值保留两位小数,总重量值保留三位小数。
解:1.上部通常筋长度 2Φ25单根长度L1=Ln+左锚固长度+右端下弯长度判断是否弯锚:左支座hc-c=(700-30)mm =670mm<LaE=29d=29×25=725mm,所以左支座应弯锚。
锚固长度=max(0.4LaE+15d,hc-c+15d)=max(0.4×725+15×25,670+15×25)=max(665,1045)=1045mm=1.045m(见101图集54页)右端下弯长度:12d=12×25=300mm (见101图集66页)L1=6000+6900+1800-375-25+1045+300=15645mm=1.5645m由以上计算可见:本题中除构造筋以外的纵筋在支座处只要是弯锚皆取1045mm,因为支座宽度和直径都相同。
2. 一跨左支座负筋第一排 2Φ25单根长度L2=Ln/3+锚固长度=(6000-350×2)/3+1045=2812mm=2.812m(见101图集54页)3. 一跨左支座负筋第二排 2Φ25单根长度L3=Ln/4+锚固长度=(6000-350×2)/4+1045=2370mm=2.37m(见101图集54页)4. 一跨下部纵筋 6Φ25单根长度L4=Ln+左端锚固长度+右端锚固长度=6000-700+1045×2=7390mm=7.39m (见101图集54页)5.侧面构造钢筋 4Ф12单根长度L5=Ln+15d×2=6000-700+15×12×2=5660mm=5.66m(见101图集24页)6.一跨右支座附近第一排 2Φ25单根长度L6=max(5300,6200)/3×2+700=4833mm=4.833m(见101图集54页)7.一跨右支座负筋第二排 2Φ25单根长度L7= max(5300,6200)/4×2+700=3800mm=3.8m8.一跨箍筋Φ10@100/200(2)按外皮长度单根箍筋的长度L8=[(b-2c+2d)+ (h-2c+2d)]×2+2×[max(10d,75)+1.9d]= [(300-2×25+2×10)+ (700-2×25+2×10)]×2+2×[max(10×10,75)+1.9×10]=540+1340+38+200=2118mm=2.118m箍筋的根数=加密区箍筋的根数+非加密区箍筋的根数=[(1.5×700-50)/100+1]×2+(6000-700-1.5×700×2)/200-1=22+15=37根(见101图集63页)9.一跨拉筋Φ10@400(见101图集63页)单根拉筋的长度L9=(b-2c+4d)+2×[max(10d,75)+1.9d]=(300-2×25+4×10)+ 2×[max(10×10, 75)+1.9×10]=528mm=0.528m根数=[(5300-50×2)/400+1]×2=28根(两排)10. 第二跨右支座负筋第二排 2Φ25单根长度L10= 6200/4+1045=2595mm=2.595m11.第二跨底部纵筋 6Φ25单根长度L11=6900-700+1045×2=8920mm=8.92m12.侧面构造筋 4Ф12单根长度L12=Ln+15d×2=6900-700+15×12×2=6560mm=6.56m13.第二跨箍筋Φ10@100/200(2)按外皮长度单根箍筋的长度L13=2.118m箍筋的根数=加密区箍筋的根数+非加密区箍筋的根数=[(1.5×700-50)/100+1]×2+(6900-700-1.5×700×2)/200-1=22+20=42根14.二跨拉筋Φ10@400单根拉筋的长度L14=0.528m根数=[(6200-50×2)/400+1]×2=34根(两排)15.悬挑跨上部负筋 2Φ25L=1800-350=1450mm<4h b=4×700 不将钢筋在端部弯下(见101图集66页)单根长度L15=6200/3+700+1800-350-25+12×25=4492mm=4.492m16.悬挑跨下部纵筋 4Φ25单根长度L16=Ln+12d=1800-350-25+12×25=1725mm=1.725m17.悬挑跨箍筋Φ10@100(2)单根长度L17= (300-2×25+2×10)×2+ [ (700+500)/2-2×25+2×10)]×2+2×[max(10×10, 75)+1.9×10]=1918mm=1.918m根数n=(1800-350-25-50)/100+1=15根造筋13.第二跨10 2.118 42箍筋14.第二跨10 0.528 34拉筋15.悬挑跨25 4.492 2上部纵筋16.悬挑跨25 1.725 4下部纵筋17.悬挑跨10 1.918 15箍筋例题2计算图示钢筋工程的工程量。
一、计算多跨楼层框架梁KL1的钢筋量,如图所示。
柱的截面尺寸为700×700,轴线与柱中线重合计算条件见表1和表2表1表2钢筋单根长度值按实际计算值取定,总长值保留两位小数,总重量值保留三位小数。
解:1.上部通常筋长度 2Φ25单根长度L1=Ln+左锚固长度+右端下弯长度判断是否弯锚:左支座hc-c=(700-30)mm =670mm<LaE=29d=29×25=725mm,所以左支座应弯锚。
锚固长度=max(0.4LaE+15d,hc-c+15d)=max(0.4×725+15×25,670+15×25)=max(665,1045)=1045mm=1.045m(见101图集54页)右端下弯长度:12d=12×25=300mm (见101图集66页)L1=6000+6900+1800-375-25+1045+300=15645mm=1.5645m由以上计算可见:本题中除构造筋以外的纵筋在支座处只要是弯锚皆取1045mm,因为支座宽度和直径都相同。
2. 一跨左支座负筋第一排 2Φ25单根长度L2=Ln/3+锚固长度=(6000-350×2)/3+1045=2812mm=2.812m(见101图集54页)3. 一跨左支座负筋第二排 2Φ25单根长度L3=Ln/4+锚固长度=(6000-350×2)/4+1045=2370mm=2.37m (见101图集54页)4. 一跨下部纵筋 6Φ25单根长度L4=Ln+左端锚固长度+右端锚固长度=6000-700+1045×2=7390mm=7.39m(见101图集54页)5.侧面构造钢筋 4Ф12单根长度L5=Ln+15d×2=6000-700+15×12×2=5660mm=5.66m(见101图集24页)6.一跨右支座附近第一排 2Φ25单根长度L6=max(5300,6200)/3×2+700=4833mm=4.833m(见101图集54页)7.一跨右支座负筋第二排 2Φ25单根长度L7= max(5300,6200)/4×2+700=3800mm=3.8m8.一跨箍筋Φ10@100/200(2)按外皮长度单根箍筋的长度L8=[(b-2c+2d)+ (h-2c+2d)]×2+2×[max(10d,75)+1.9d]= [(300-2×25+2×10)+ (700-2×25+2×10)]×2+2×[max(10×10, 75)+1.9×10] =540+1340+38+200=2118mm=2.118m箍筋的根数=加密区箍筋的根数+非加密区箍筋的根数=[(1.5×700-50)/100+1]×2+(6000-700-1.5×700× 2)/200-1=22+15=37根(见101图集63页)9.一跨拉筋Φ10@400(见101图集63页)单根拉筋的长度L9=(b-2c+4d)+2×[max(10d,75)+1.9d]=(300-2×25+4×10)+ 2×[max(10×10, 75)+1.9×10] =528mm=0.528m根数=[(5300-50×2)/400+1]×2=28根(两排)10. 第二跨右支座负筋第二排 2Φ25单根长度L10= 6200/4+1045=2595mm=2.595m11.第二跨底部纵筋 6Φ25单根长度L11=6900-700+1045×2=8920mm=8.92m12.侧面构造筋 4Ф12单根长度L12=Ln+15d×2=6900-700+15×12×2=6560mm=6.56m 13.第二跨箍筋Φ10@100/200(2)按外皮长度单根箍筋的长度L13=2.118m箍筋的根数=加密区箍筋的根数+非加密区箍筋的根数=[(1.5×700-50)/100+1]×2+(6900-700-1.5×700× 2)/200-1=22+20=42根14.二跨拉筋Φ10@400单根拉筋的长度L14=0.528m根数=[(6200-50×2)/400+1]×2=34根(两排)15.悬挑跨上部负筋 2Φ25L=1800-350=1450mm<4h b=4×700 不将钢筋在端部弯下(见101图集66页)单根长度L15=6200/3+700+1800-350-25+12×25=4492mm=4.492m16.悬挑跨下部纵筋 4Φ25单根长度L16=Ln+12d=1800-350-25+12×25=1725mm=1.725m 17.悬挑跨箍筋Φ10@100(2)单根长度L17= (300-2×25+2×10)×2+ [ (700+500)/2-2×25+2×10)]×2+2×[max(10×10, 75)+1.9×10]=1918mm=1.918m根数n=(1800-350-25-50)/100+1=15根总的计算钢筋表格试题五计算图示钢筋工程的工程量(满分20分。
例题 1. 计算多跨楼层框架梁KL1 的钢筋量,如图所示。
柱的截面尺寸为700× 700,轴线与柱中线重合计算条件见表1和表 2表 1 混凝土强梁保护层柱保护层抗震等级连接方式钢筋类型锚固长度度等级厚度厚度按C30 25 30 三级抗震对焊普通钢筋03G101-1图集及表 2 直径 6 8 10 20 22 25单根钢筋理论重量0.222 0.395 0.617 2.47 2.98 3.85(kg/m)钢筋单根长度值按实际计算值取定,总长值保留两位小数,总重量值保留三位小数。
解:1.上部通常筋长度 2 Φ 25单根长度L1=Ln+左锚固长度 +右端下弯长度判断是否弯锚:左支座 hc-c= ( 700-30 ) mm =670mm<LaE=29d=29× 25=725mm,所以左支座应弯锚。
锚固长度 =max( 0.4LaE+15d ,hc-c+15d ) =max(0.4 × 725+15× 25, 670+15×25) =max( 665, 1045) =1045mm=1.045m(见 101 图集 54 页)右端下弯长度:12d=12× 25=300mm (见 101 图集 66 页)L1=6000+6900+1800-375-25+1045+300=15645mm=1.5645m由以上计算可见:本题中除构造筋以外的纵筋在支座处只要是弯锚皆取1045mm,因为支座宽度和直径都相同。
2.一跨左支座负筋第一排 2 Φ 25单根长度 L2=Ln/3+ 锚固长度 =( 6000-350 × 2) /3+1045=2812mm=2.812m(见 101 图集 54 页)3.一跨左支座负筋第二排2 Φ 25单根长度L3=Ln/4+ 锚固长度 =( 6000-350 × 2) /4+1045=2370mm=2.37m(见 101 图集 54 页)4.一跨下部纵筋 6 Φ 25单根长度L4=Ln+左端锚固长度 +右端锚固长度=6000-700+1045 × 2=7390mm=7.39m (见 101 图集 54 页)5.侧面构造钢筋 4 Ф12单根长度 L5=Ln+15d× 2=6000-700+15 ×12× 2=5660mm=5.66m(见 101 图集 24 页)6.一跨右支座附近第一排 2 Φ25单根长度 L6=max( 5300, 6200) /3 × 2+700=4833mm=4.833m(见 101 图集 54 页)7.一跨右支座负筋第二排 2 Φ25单根长度 L7= max(5300 , 6200) /4 × 2+700=3800mm=3.8m8.一跨箍筋Φ 10@100/200(2)按外皮长度单根箍筋的长度L8=[(b-2c+2d)+ (h-2c+2d)] ×2+2× [max(10d , 75)+1.9d]= [(300-2 × 25+2× 10)+ (700-2 × 25+2× 10)] ×2+2× [max(10 × 10,75)+1.9 × 10]=540+1340+38+200=2118mm=2.118m箍筋的根数 =加密区箍筋的根数+非加密区箍筋的根数=[( 1.5 × 700-50 ) /100+1] × 2+(6000-700-1.5× 700×2)/200-1=22+15=37根(见 101 图集 63 页)9.一跨拉筋Φ 10@400(见101图集63页)单根拉筋的长度L9=( b-2c+4d ) +2× [max(10d ,75)+1.9d]=(300-2× 25+4× 10)+ 2× [max(10× 10,75)+1.9× 10]=528mm=0.528m根数 =[ ( 5300-50 × 2) /400+1] × 2=28 根(两排)10.第二跨右支座负筋第二排2 Φ 25单根长度L10= 6200/4+1045=2595mm=2.595m11.第二跨底部纵筋 6 Φ 25单根长度L11=6900-700+1045 × 2=8920mm=8.92m12.侧面构造筋 4 Ф12单根长度L12=Ln+15d× 2=6900-700+15 × 12× 2=6560mm=6.56m13.第二跨箍筋Φ10@100/200(2)按外皮长度单根箍筋的长度L13=2.118m箍筋的根数 =加密区箍筋的根数+非加密区箍筋的根数=[( 1.5 × 700-50 ) /100+1] × 2+(6900-700-1.5× 700×2)/200-1=22+20=42根14.二跨拉筋Φ 10@400单根拉筋的长度L14=0.528m根数 =[ ( 6200-50 × 2) /400+1] × 2=34 根(两排)15.悬挑跨上部负筋 2 Φ 25L=1800-350=1450mm< 4h b=4× 700不将钢筋在端部弯下(见101图集66页)单根长度L15=6200/3+700+1800-350-25+12× 25=4492mm=4.492m16.悬挑跨下部纵筋 4 Φ 25单根长度L16=Ln+12d=1800-350-25+12 × 25=1725mm=1.725m17.悬挑跨箍筋Φ10@100(2)单根长度L17= (300-2 × 25+2× 10) × 2+ [ (700+500)/2-2× 25+2×10)]× 2+2× [max(10×10, 75)+1.9× 10]=1918mm=1.918m根数 n=( 1800-350-25-50 ) /100+1=15 根总的计算钢筋表格单根钢筋总单根钢筋总重钢筋号直径根数理论重量长度( m)长( kg)(kg/m)1.上部通25 1.045 2长钢筋2.一跨左支座负筋25 2.812 2第一排3.一跨左25 2.37 2支座负筋第二排4.一跨下25 7.39 6部纵筋5.侧面构12 5.66 4造钢筋6.一跨右25 4.833 2支座附近第一排7.一跨右支座负筋25 3.8 2第二排8.一跨箍8 2.118筋9.一跨8 0.528拉筋10.第二跨右支座负25 2.595 2筋第二排11.第二跨25 8.92 6底部纵筋造筋13.第二跨箍筋14.第二跨拉筋15.悬挑跨上部纵筋16.悬挑跨下部纵筋17.悬挑跨10 2.11842 100.52834 25 4.492 2 25 1.725 4箍筋10 1.91815例题 2 计算图示钢筋工程的工程量。
一、计算多跨楼层框架梁KL1的钢筋量,如图所示。
柱的截面尺寸为700×700,轴线与柱中线重合计算条件见表1和表2表1表2钢筋单根长度值按实际计算值取定,总长值保留两位小数,总重量值保留三位小数。
解:1.上部通常筋长度 2Φ25单根长度L1=Ln+左锚固长度+右端下弯长度判断是否弯锚:左支座hc-c=(700-30)mm =670mm<LaE=29d=29×25=725mm,所以左支座应弯锚。
锚固长度=max(0.4LaE+15d,hc-c+15d)=max(0.4×725+15×25,670+15×25)=max(665,1045)=1045mm=1.045m(见101图集54页)右端下弯长度:12d=12×25=300mm (见101图集66页)L1=6000+6900+1800-375-25+1045+300=15645mm=1.5645m由以上计算可见:本题中除构造筋以外的纵筋在支座处只要是弯锚皆取1045mm,因为支座宽度和直径都相同。
2. 一跨左支座负筋第一排 2Φ25单根长度L2=Ln/3+锚固长度=(6000-350×2)/3+1045=2812mm=2.812m(见101图集54页)3. 一跨左支座负筋第二排 2Φ25单根长度L3=Ln/4+锚固长度=(6000-350×2)/4+1045=2370mm=2.37m (见101图集54页)4. 一跨下部纵筋 6Φ25单根长度L4=Ln+左端锚固长度+右端锚固长度=6000-700+1045×2=7390mm=7.39m(见101图集54页)5.侧面构造钢筋 4Ф12单根长度L5=Ln+15d×2=6000-700+15×12×2=5660mm=5.66m(见101图集24页)6.一跨右支座附近第一排 2Φ25单根长度L6=max(5300,6200)/3×2+700=4833mm=4.833m(见101图集54页)7.一跨右支座负筋第二排 2Φ25单根长度L7= max(5300,6200)/4×2+700=3800mm=3.8m8.一跨箍筋Φ10@100/200(2)按外皮长度单根箍筋的长度L8=[(b-2c+2d)+ (h-2c+2d)]×2+2×[max(10d,75)+1.9d]= [(300-2×25+2×10)+ (700-2×25+2×10)]×2+2×[max(10×10, 75)+1.9×10] =540+1340+38+200=2118mm=2.118m箍筋的根数=加密区箍筋的根数+非加密区箍筋的根数=[(1.5×700-50)/100+1]×2+(6000-700-1.5×700× 2)/200-1=22+15=37根(见101图集63页)9.一跨拉筋Φ10@400(见101图集63页)单根拉筋的长度L9=(b-2c+4d)+2×[max(10d,75)+1.9d]=(300-2×25+4×10)+ 2×[max(10×10, 75)+1.9×10] =528mm=0.528m根数=[(5300-50×2)/400+1]×2=28根(两排)10. 第二跨右支座负筋第二排 2Φ25单根长度L10= 6200/4+1045=2595mm=2.595m11.第二跨底部纵筋 6Φ25单根长度L11=6900-700+1045×2=8920mm=8.92m12.侧面构造筋 4Ф12单根长度L12=Ln+15d×2=6900-700+15×12×2=6560mm=6.56m 13.第二跨箍筋Φ10@100/200(2)按外皮长度单根箍筋的长度L13=2.118m箍筋的根数=加密区箍筋的根数+非加密区箍筋的根数=[(1.5×700-50)/100+1]×2+(6900-700-1.5×700× 2)/200-1=22+20=42根14.二跨拉筋Φ10@400单根拉筋的长度L14=0.528m根数=[(6200-50×2)/400+1]×2=34根(两排)15.悬挑跨上部负筋 2Φ25L=1800-350=1450mm<4h b=4×700 不将钢筋在端部弯下(见101图集66页)单根长度L15=6200/3+700+1800-350-25+12×25=4492mm=4.492m16.悬挑跨下部纵筋 4Φ25单根长度L16=Ln+12d=1800-350-25+12×25=1725mm=1.725m 17.悬挑跨箍筋Φ10@100(2)单根长度L17= (300-2×25+2×10)×2+ [ (700+500)/2-2×25+2×10)]×2+2×[max(10×10, 75)+1.9×10]=1918mm=1.918m根数n=(1800-350-25-50)/100+1=15根总的计算钢筋表格试题五计算图示钢筋工程的工程量(满分20分。
例题1.计算多跨楼层框架梁KL1的钢筋量,如图所示。
柱的截面尺寸为700×700,轴线与柱中线重合计算条件见表1和表2表1混凝土强度等级梁保护层厚度柱保护层厚度抗震等级连接方式钢筋类型锚固长度C30 25 30 三级抗震对焊普通钢筋按03G101-1图集及表2直径 6 8 10 20 22 25 单根钢筋理论重量(kg/m)0.222 0.395 0.617 2.47 2.98 3.85钢筋单根长度值按实际计算值取定,总长值保留两位小数,总重量值保留三位小数。
解:1.上部通常筋长度 2Φ25单根长度L1=Ln+左锚固长度+右端下弯长度判断是否弯锚:左支座hc-c=(700-30)mm =670mm<LaE=29d=29×25=725mm,所以左支座应弯锚。
锚固长度=max(0.4LaE+15d,hc-c+15d)=max(0.4×725+15×25,670+15×25)=max(665,1045)=1045mm=1.045m(见101图集54页)右端下弯长度:12d=12×25=300mm (见101图集66页)L1=6000+6900+1800-375-25+1045+300=15645mm=1.5645m由以上计算可见:本题中除构造筋以外的纵筋在支座处只要是弯锚皆取1045mm,因为支座宽度和直径都相同。
2. 一跨左支座负筋第一排 2Φ25单根长度L2=Ln/3+锚固长度=(6000-350×2)/3+1045=2812mm=2.812m(见101图集54页)3. 一跨左支座负筋第二排 2Φ25单根长度L3=Ln/4+锚固长度=(6000-350×2)/4+1045=2370mm=2.37m(见101图集54页)4. 一跨下部纵筋 6Φ25单根长度L4=Ln+左端锚固长度+右端锚固长度=6000-700+1045×2=7390mm=7.39m (见101图集54页)5.侧面构造钢筋 4Ф12单根长度L5=Ln+15d×2=6000-700+15×12×2=5660mm=5.66m(见101图集24页)6.一跨右支座附近第一排 2Φ25单根长度L6=max(5300,6200)/3×2+700=4833mm=4.833m(见101图集54页)7.一跨右支座负筋第二排 2Φ25单根长度L7= max(5300,6200)/4×2+700=3800mm=3.8m8.一跨箍筋Φ10@100/200(2)按外皮长度单根箍筋的长度L8=[(b-2c+2d)+ (h-2c+2d)]×2+2×[max(10d,75)+1.9d]= [(300-2×25+2×10)+ (700-2×25+2×10)]×2+2×[max(10×10,75)+1.9×10]=540+1340+38+200=2118mm=2.118m箍筋的根数=加密区箍筋的根数+非加密区箍筋的根数=[(1.5×700-50)/100+1]×2+(6000-700-1.5×700×2)/200-1=22+15=37根(见101图集63页)9.一跨拉筋Φ10@400(见101图集63页)单根拉筋的长度L9=(b-2c+4d)+2×[max(10d,75)+1.9d]=(300-2×25+4×10)+ 2×[max(10×10, 75)+1.9×10]=528mm=0.528m根数=[(5300-50×2)/400+1]×2=28根(两排)10. 第二跨右支座负筋第二排 2Φ25单根长度L10= 6200/4+1045=2595mm=2.595m11.第二跨底部纵筋 6Φ25单根长度L11=6900-700+1045×2=8920mm=8.92m12.侧面构造筋 4Ф12单根长度L12=Ln+15d×2=6900-700+15×12×2=6560mm=6.56m13.第二跨箍筋Φ10@100/200(2)按外皮长度单根箍筋的长度L13=2.118m箍筋的根数=加密区箍筋的根数+非加密区箍筋的根数=[(1.5×700-50)/100+1]×2+(6900-700-1.5×700×2)/200-1=22+20=42根14.二跨拉筋Φ10@400单根拉筋的长度L14=0.528m根数=[(6200-50×2)/400+1]×2=34根(两排)15.悬挑跨上部负筋 2Φ25L=1800-350=1450mm<4h b=4×700 不将钢筋在端部弯下(见101图集66页)单根长度L15=6200/3+700+1800-350-25+12×25=4492mm=4.492m16.悬挑跨下部纵筋 4Φ25单根长度L16=Ln+12d=1800-350-25+12×25=1725mm=1.725m17.悬挑跨箍筋Φ10@100(2)单根长度L17= (300-2×25+2×10)×2+ [ (700+500)/2-2×25+2×10)]×2+2×[max(10×10, 75)+1.9×10]=1918mm=1.918m根数n=(1800-350-25-50)/100+1=15根造筋13.第二跨10 2.118 42箍筋14.第二跨10 0.528 34拉筋15.悬挑跨25 4.492 2上部纵筋16.悬挑跨25 1.725 4下部纵筋17.悬挑跨10 1.918 15箍筋例题2计算图示钢筋工程的工程量。
例题4:梁钢筋的费用计算过程分析:本工程现浇混凝土梁钢筋:0104160011.钢筋工程量计算:(受力钢筋保护层厚度25mm)(1)梁上部通长钢筋:25锚固长度LaE=30d=750mm>500-25=475mm,应弯锚;平直段长度为500-25=475mm≥0.4LaE,弯段长度取15d可满足要求锚固长度要求。
L单根=7200+2×250-2×25+2×15×25=8400(mm)=8.4mN=2(根)(2)左、右负弯矩钢筋:25,负弯矩筋要求锚入支座并伸出Ln/3。
L单根=(7200-2×250)/3+500-25+15×25=3083(mm)=3.083mN=2×2=4(根)(3)梁下部钢筋:25L单根=7200+2×250-2×25+2×15×25=8400(mm)=8.4mN=6(根)(4)抗扭纵向钢筋:18锚固长度LaE=30d=540mm>500-25=475mm,应弯锚;平直段长度为500-25=475mm≥0.4LaE,弯段长度取15d可满足要求锚固长度要求。
L单根=7200+2×250-2×25+2×15×18=8190(mm)=8.19mN=2(根)(5)附加吊筋:14(如图)L 单根=250+2×50+2×(700-2×25)×1.414+2×20×14=2748.2(mm )=2.748m N=2(根)(6)箍筋:φ10(按03G101-1)根据抗震要求,箍筋端头为135°/135°弯钩,且弯钩平直段长度为10d ,所以每个箍筋弯钩增加长度为:10d+0.5D+d =13dL 单根=(300+700)×2-8×25+13×10×2=2117.4(mm )=2.117m12007005.122502720021100507005.1-⨯⨯-⨯-+⨯⎪⎭⎫ ⎝⎛+-⨯=箍筋根数 =44(根)另主次梁相交处应在主梁上沿次梁两边各附加3根箍筋,则:箍筋根数=44+6=50(根)钢筋长度汇总:L φ10=2.117×50=105.85(m )L14=2.748×2=5.496(m)L18=8.19×2=16.38(m)L25=8.4×2+3.083×4+8.4×6=79.532(m)钢筋清单工程量:Ⅰ级钢φ10以内(010*********):T=105.85×0.617=65.31(kg)=0.065(t)Ⅱ级钢综合(010*********):T=5.496×1.21+16.38×2.00+79.532×3.85=345.61(kg)=0.346(t)2.钢筋清单项目综合单价:(参考河南省《综合单价》)(1)Ⅰ级钢φ10以内(010*********):对应子目(4-168)实际工程量=清单工程量=0.065(t)人工费=443.76(元/t)材料费=3392.33(元/t)机械费=26.25(元/t)管理费=207.02(元/t)利润=103.51(元/t)综合单价=4172.87(元/t)填表(2)Ⅱ级钢综合(010*********):对应子目(4-170)实际工程量=清单工程量=0.346(t)人工费=291.11(元/t)材料费=3329.17(元/t)机械费=50.09(元/t)管理费=166.56(元/t)利润=112.45(元/t)综合单价=3949.38(元/t)填表3.钢筋清单项目费用填表(1)Ⅰ级钢φ10以内(010*********):费用=0.065×4172.87=271.24(元)(2)Ⅱ级钢φ10以上(010*********):费用=0.346×3949.38=1366.49(元)合计:271.24+1366.49=1637.73(元).。
1、计算多跨楼层框架梁KL1的钢筋量,如图所示。
柱的截面尺寸为700×700,轴线与柱中线重合
计算条件见表1和表2
表1
混凝土强度等级
梁保
护层厚度
柱保
护层厚度
抗震
等级
连接
方式
钢筋
类型
锚固
长度
C302530
三级
抗震
对焊
普通
钢筋
按
03G101-1
图集及
表2
直径68
1
2
2
2
2
5
单根
钢筋理论
重量(kg/m)
0.
222
0.
395
0.
617
2.
47
2.
98
3
.85
钢筋单根长度值按实际计算值取定,总长值保留两位小数,总重
量值保留三位小数。
2、已知某教学楼钢筋混凝土框架梁KL1的截面尺寸与配筋见图1,共计5根。
混凝土强度等级为C25。
求各种钢筋下料长度。
图1 钢筋混凝土框架梁KLl平法施工图
3、某6m长钢筋混凝土简支梁(见下图),试计算各型号钢筋下料长度。
4、某抗震框架梁跨中截面尺寸b×h=250mm×500mm,梁内配筋箍筋φ6@150,纵向钢筋的保护层厚度c=25mm,求一根箍筋的下料长度。
5、某框架建筑结构,抗震等级为4级,共有10根框架梁,其配筋如图5.23所示,混凝土等级为C30,钢筋锚固长度LαE为30d。
柱截面尺寸为500mm x 500mm。
试计算该梁钢筋下料长度并编制配料单(参见混凝土结构平面整体表示方法03G10l-l构造详图)。
6、试编制下图所示5根梁的钢筋配料单。
各种钢筋的线重量如下:10(0.617kg/m);12(0.888kg/m);25(3.853kg/m)。
7、某建筑物第一层楼共有5根L1梁,梁的钢筋如图所示,要求按图计算各钢筋下料长度并编制钢筋配料单。