煤制烯烃工艺流程简图
- 格式:docx
- 大小:67.25 KB
- 文档页数:2
现代煤化工工艺路线总图煤化工工艺路线图煤制甲醇典型工艺路线图1、合成甲醇的化学反应方程式:(1)主反应:CO+2H2=CH3OH+102.5KJ/mol(2)副反应2CO+4H2=CH3OCH3+H2O+200.2 KJ/molCO+3H2=CH4+H2O+115.6 KJ/mol4CO+8H2=C4H9OH+3H2O+49.62 KJ/molCO2+H2=CO+H2O-42.9 KJ/mol2、甲醇合成气要求氢碳比f=(H2-CO2)/(CO+CO2)≈2.05~2.10,由于煤炭气化所得到的水煤气CO含量较高,H2含量较低,因此水煤气须经脱硫、变换、脱碳调整气体组成,以达到甲醇合成气的要求。
3、CO变换反应CO+H2O(g)=CO2+H2 (放热反应)4、水煤气组分与甲醇合成气组分对比气体种类气体组分(%)CO H2CO2CH4水煤气37.350.0 6.50.3甲醇合成29.9067.6429.900.1气天然气制甲醇工艺流程图1、合成甲醇的化学反应方程式:CH4+H2O=CH3OH+H22、甲醇合成气要求氢碳比f=(H2-CO2)/(CO+CO2)≈2.05~2.10,由于天然气甲烷含量较高,因此要对天然气进行蒸汽转化,生成以H2、CO和CO2位主要成分的转化气。
由于蒸汽转化反应是强吸热反应,因此还要对天然气进行纯氧部分氧化以获取热量,使得蒸汽转化反应正常连续进行,最终达到甲醇合成气的要求。
3、蒸汽转化反应CH4+H2O(g)=CO+H2(强吸热反应)4、纯氧部分氧化反应2CH4+O2=2CO+4H2+35.6kJ/molCH4+O2=CO2+2H2+109.45 kJ/molCH4+O2=CO2+H2O+802.3 kJ/mol5、天然气组分与甲醇合成气组分对比气体种气体组分(%)类CO H2CO2CH4天然气----------- 3.296.2甲醇合29.9067.6429.900.1成气石油化工、煤炭化工产品方案对比(生产烯烃)以天然气(或煤气)为原料的MTO技术流程煤制烯烃主要工艺流程以天然气(或煤炭)为原料的MTP技术流程煤液化是把固体煤通过化学加工过程,使其转化成为液体燃料、化工原料和产品的先进洁净煤技术。
煤制烯烃工艺路线及技术可行性分析一、煤制烯烃工艺路线以煤为原料经甲醇制取低碳烯烃的工艺技术包括煤气化、合成气净化、甲醇合成及甲醇制烯烃四项核心技术。
工艺路线为煤在高温高压下通过纯氧部分氧化反应生成主要成份为CO和H2的粗合成气,粗合成气经过部分耐硫变换及净化然后合成甲醇,最后甲醇转化为低碳烯烃。
目前,煤气化、合成气净化和甲醇合成技术均已实现商业化,有多套大规模装置在运,甲醇制烯烃技术已日趋成熟,具备工业化条件。
二、煤气化技术煤气化技术已有100多年的历史,但煤气化技术的发展由于多种原因开始比较缓慢;直至20世纪70年代世界石油危机的出现,促使西方发达国家投入巨资开展了煤气化技术的研究与应用开发,开发出先进的气流床气化技术并于20世纪80年代开始由应用研究转入大规模商业应用。
该技术具有高温、高压、大型化、节能、环保、合成气质量高等特点,产品气可适用于化工合成、制氢和联合循环发电。
目前,世界上最先进的气流床气化工艺技术主要有三种,分别是美国GE水煤浆加压气化(原Texaco)技术、荷兰壳牌粉煤加压气化(Shell)技术和德国未来能源粉煤加压气化(GSP)技术,均实现了大规模工业化生产。
与此同时国内经过多年努力研究,也开发出了具有自主知识产权的气流床煤气化技术。
这些先进的气流床煤气化技术为现代煤化工产业的发展提供了强有力的技术支撑三、合成气净化技术目前,世界上大型煤气化装置产生的合成气净化普遍采用低温甲醇洗(Rectisol)技术。
该工艺是采用冷甲醇作为溶剂脱除酸性气体的物理吸收方法,是由德国林德公司和鲁奇公司联合开发的一种有效的气体净化工艺,具有技术成熟可靠、能耗较低、气体净化度高等特点,可将C02脱至10μg/L以下,H2S小于0.1μg/L;溶剂价格便宜,吸收能力大,循环量小,操作费用低。
目前,国外低温甲醇洗工艺有林德工艺和鲁奇工艺两种流程,二者在基本原理上没有根本区别,都有多套商业化装置运行经验。
图解|煤制烯烃(CTO)生产工艺《现代煤化工产业系列研究报告》六大现代煤化工产业——煤制烯烃煤制乙二醇煤制乙醇煤制油煤制天然气甲醇,《现代煤化工政策汇编及解读》咨询微信:2303823240烯烃生产工艺烯烃主要用于生产聚烯烃。
烯烃意指含有双键的碳氢化合物,其中最常见及用途最广的两种烯烃为乙烯和丙烯,分别主要用来合成聚乙烯(PE)和聚丙烯(PP)。
其中,聚乙烯主要可以分为高密度聚乙烯(HDPE)、低密度聚乙烯(LDPE)和线性低密度聚乙烯(LLDPE)三类,而聚丙烯则主要分为粉料及粒料两种。
这两大类聚烯烃产品也是生产生活中最为常见塑料制品的原材料,如塑料袋、瓶、管材、玩具及家具等。
按照上游原材料,烯烃生产工艺可分为油头、煤头和气头三大类。
油头工艺是最传统、最常见的烯烃生产方式,主要使用石脑油或柴油来进行裂解和催化裂化(FCC),生产出的乙烯、丙烯收率普遍较低,且会产生较多的油品副产物。
受原料供应限制,油头工艺装置一般作为炼厂下游配套设施建设,几乎无法单独投建。
气头工艺主要是指利用乙烷、丙烷等烷烃生产烯烃的工艺,该类工艺烯烃收率较高,产品选择性较好,其中乙烷裂解制乙烯及丙烷脱氢(PDH)制丙烯的收率均能达到80%以上,副产物主要为可燃碳氢化合物及氢气,但我国丙烷及乙烷进口依赖度较高,该类工艺产能相对较低。
煤头工艺在我国应用较广,主要以CTO的形式存在。
该工艺需要依托丰富的煤炭资源并往往形成从煤炭到聚烯烃的产业链一体化格局。
CTO烯烃收率较高,乙烯、丙烯及少部分丁二烯的产率合计高达85%以上。
甲醇制烯烃(MTO)通常是CTO工艺中的一环且位于煤制甲醇装置下游,也可不依附于CTO,直接外购甲醇进行烯烃生产,但当甲醇价格较高时,该路线往往盈利性较差。
煤制烯烃生产流程煤制烯烃CTO流程包括煤制甲醇和甲醇制乙烯。
CTO(Coal to Olefin)的主要流程为:煤→合成气→甲醇→烯烃。
由煤生产甲醇的技术称为CTM(Coal to Methanol),而由甲醇生产烯烃的技术则统称MTO(Methanol to Olefin),当其产物仅为丙烯时则称为MTP (Methanol to Propylene)。
煤制烯烃的工艺及催化剂的选择煤制烯烃即煤基甲醇制烯烃,是指以煤为原料合成甲醇后再通过甲醇制取乙烯、丙烯等烯烃的技术。
煤经甲醇制烯烃工艺主要由煤气化制合成气、合成气制取甲醇、甲醇制烯烃三项技术组成。
1、煤气化制合成气1.1 煤气化工艺煤气化是指煤与气化剂在一定的温度、压力等条件下发生反应而转化为煤气的工艺过程,且一般是指煤的完全气化,即将煤中的有机质最大限度地转变为有用的气态产品,而气化后的残留物只是灰渣。
几种煤气化工艺技术性能综合比较见表1。
表1 不同气化工艺技术性能比较1.1.1煤浆制备由煤运系统送来的原料煤干基(<25mm)或焦送至煤贮斗,经称重给料机控制输送量送入棒磨机,加入一定量的水,物料在棒磨机中进行湿法磨煤。
为了控制煤浆粘度及保持煤浆的稳定性加入添加剂,为了调整煤浆的PH值,加入碱液。
出棒磨机的煤浆浓度约65%,排入磨煤机出口槽,经出口槽泵加压后送至气化工段煤浆槽。
煤浆制备首先要将煤焦磨细,再制备成约65%的煤浆。
磨煤采用湿法,可防止粉尘飞扬,环境好。
用于煤浆气化的磨机现在有两种,棒磨机与球磨机;棒磨机与球磨机相比,棒磨机磨出的煤浆粒度均匀,筛下物少。
煤浆制备能力需和气化炉相匹配,本项目拟选用三台棒磨机,单台磨机处理干煤量43~53t/h,可满足60万t/a甲醇的需要。
为了降低煤浆粘度,使煤浆具有良好的流动性,需加入添加剂,初步选择木质磺酸类添加剂。
煤浆气化需调整浆的PH值在6~8,可用稀氨水或碱液,稀氨水易挥发出氨,氨气对人体有害,污染空气,故本项目拟采用碱液调整煤浆的PH值,碱液初步采用42%的浓度。
为了节约水源,净化排出的含少量甲醇的废水及甲醇精馏废水均可作为磨浆水。
1.1.2 气化在本工段,煤浆与氧进行部分氧化反应制得粗合成气。
煤浆由煤浆槽经煤浆加压泵加压后连同空分送来的高压氧通过烧咀进入气化炉,在气化炉中煤浆与氧发生如下主要反应:CmHnSr+m/2O2—→mCO+(n/2-r)H2+rH2SCO+H2O—→H2+CO2反应在6.5MPa(G)、1350~1400℃下进行。
煤制烯烃厂丙烷回收利用工艺摘要:煤制烯烃工艺的主要产品为聚乙烯、聚丙烯,副产品为C4、C5、甲醇油等。
随着近几年煤制烯烃工艺发展日趋成熟,不断有新的副产品产出,提高了能源利用率。
本文主要介绍了煤制烯烃工艺中丙烷回收的工艺技术改造。
丙烷为煤制烯烃工艺中烯烃分离装置的副产品。
脱乙烷塔塔釜C3物料经丙烯精馏塔分离成聚合级丙烯产品和丙烷物料,丙烷为丙烯精馏塔塔釜采出物料,一部分作为丙烷冲洗液进入脱甲烷塔,剩余部分进入全厂燃料气系统。
全厂燃料气系统主要包括甲烷、乙烷、丙烷、氢气等,通过调整工况,降低丙烷在燃料气系统中含量,从而实现丙烷作为副产品输出,实现增收。
关键词:丙烷工艺改造回收利用输出工艺一、引言煤制烯烃项目是以煤炭为原料,通过水煤浆气化制备合成气,通过合成气CO变换和低温甲醇洗来净化合成气,合成气催化转化合成甲醇,甲醇催化转化制低碳烯烃,烯烃分离等工艺路线来生产聚合级的乙烯、丙烯等物料。
由甲醇制乙烯、丙烯等低碳烯烃是替代石脑油为原料制烯烃的工艺路线,甲醇制烯烃技术的工业化有利于改变传统煤化工的产品格局,实现煤化工向石油化工延伸发展的有效途径。
除乙烯、丙烯主要产品外,还产出混合C4、C5、甲醇油等副产品。
目前丙烷产品的主要来源是原油催化裂化制乙烯、丙烯的副产品,主要用于制备基础石化产品的原料、充当燃料或加压气体、生产丙醇等用途。
随着煤制低碳烯烃技术项目的成功运行,开辟了一条全新的生产乙烯、丙烯等低碳烯烃的生产路线。
二、燃料气系统概况丙烷由丙烯精馏系统产出。
丙烯精馏系统接收脱乙烷塔釜物料,在丙烯精馏塔顶分离出合格的液相聚合级丙烯产品,塔釜获得丙烷组分。
丙烯精馏塔塔釜抽出的丙烷被分成两股物流,一部分16.5t/h,在系统内循环利用,剩余的大约3.5 t/h 丙烷在尾气换热器中换热后送到界区外的燃料气系统。
混合烯烃中分离出的燃料气含有氢气、甲烷、乙烷、丙烷等组分,具有高热值,进入全厂燃料气管网,为全厂的生活、生产提供燃料。
第一段:煤制烯煌概述煤炭作为一种重要的化工原材料,其转化成燃料和化工产品的过程已经成为全球能源技术研究的焦点之一。
煤制烯燃作为目前煤化工领域发展的趋势之一,因其在聚合物、精细化工等领域的广泛应用价值而备受关注。
煤制烯燃是通过将煤转化为低碳烯燃,然后进行加氢裂解制备的。
本文将详细介绍煤制烯燃生产流程原理和发展趋势。
第二段:煤制烯烧生产流程原理煤制烯燃的生产流程分为两个步骤:煤的转化和烯燃的加氢裂解。
煤转化是将固体煤转化为气态或液态燃,主要是通过气化和热解两个过程实现的。
气化将煤在高温、高压、缺少氧气的环境下转化成气态的合成气,包括一氧化碳(CO),氢气(H2)和少量的甲烷(CH4)等。
热解将煤在高温下通过裂解反应得到液态或气态的垃。
、1.煤气化过程煤气化是将固体煤在高温、高压、缺少氧气的环境下转化成气态的合成气的过程。
合成气主要由一氧化碳、氢气和少量的甲烷等组成。
这个过程可以分为三个阶段:干气化、半水蒸汽气化和全水蒸汽气化。
在干气化阶段,煤被加热到高温,以提高反应速率;在半水蒸汽气化阶段,氧气与水蒸汽混合后加入反应器中,进一步提高了反应温度和反应效率;在全水蒸汽气化阶段,全部反应物都是水蒸汽,使得反应更趋完全。
2.热解过程热解是在高温下通过裂解反应得到液态或气态的炫的过程。
在煤气化的产物中,一氧化碳和水蒸汽是热解产物的主要原料。
热解过程需要在高温下进行,初步生成的烧类产物也需要继续热解,从而得到更多的烯燃等有用物质。
3.加氢裂解过程加氢裂解是利用催化剂在高温和一定压力下将烯燃分子裂解成低碳烯燃的过程。
常用的催化剂有钉、铝等过渡金属的氧化物、钉金属及其离子等。
烯烧被加氢后,转化成低碳烯燃。
这种反应在现代工业中广泛应用,并且具有高效、环保等优点。
总的来说,煤制烯燃生产流程涉及多个步骤,其中包括煤气化、热解和加氢裂解等关键的原理。
通过这些步骤的协同作用,煤可以转化为烯崎,从而实现对煤资源的高效利用和化石能源的替代,具有广阔的应用前景和巨大的经济价值。
煤质烯烃的工艺技术煤质烯烃是指从煤炭中提取出来的烯烃类化合物,具有重要的工业应用价值。
煤质烯烃的工艺技术主要包括煤液化和煤气化两种方法。
1. 煤液化技术煤液化是将煤炭在高温高压下通过催化剂或溶剂作用,将煤中的有机物质转化为液体产品的过程。
煤液化技术可分为直接液化和间接液化两种方法。
直接液化是指将煤炭与溶剂和催化剂混合后,在高温高压下进行反应,通过催化剂的作用将煤转化为液体产品。
在直接液化过程中,溶剂可起到催化剂的作用,帮助提高反应速率和产物收率。
间接液化是指先将煤炭气化生成合成气,再通过催化剂的作用进行反应生成液体产品。
煤液化技术的关键步骤包括煤炭粉碎、石油溶剂提取和催化剂添加等。
煤炭粉碎可以增加煤与溶剂催化剂的接触面积,有利于反应进行。
溶剂的选择对于反应速率和产物性质有重要影响,通常选择具有较高活性和选择性的溶剂。
催化剂的选择和添加方式也会影响反应的进行和产物的性质。
2. 煤气化技术煤气化是指将煤炭在高温下与气化剂(通常为氧气和水蒸气)反应,生成合成气的过程。
合成气主要包括一氧化碳和氢气,可以用作燃料或化工原料。
煤气化技术可分为固定床气化、流化床气化和床层气化等方法。
固定床气化是最传统的煤气化技术,将煤炭放置在反应器中,通过控制气化剂的供气量和反应条件,使煤炭与气化剂反应生成合成气。
流化床气化是指将煤炭破碎成较小的颗粒,通过气流作用使其悬浮在反应器中,与气化剂反应生成合成气。
床层气化是将煤炭放置在床层中,通过控制气化剂的上下供气或其他传质方式使煤炭与气化剂充分接触反应,生成合成气。
煤气化技术的关键步骤包括煤炭预处理、气化剂准备和气化反应等。
煤炭预处理主要包括煤炭粉碎和煤炭干燥,以提高煤与气化剂的接触面积和反应速率。
气化剂的准备包括氧气和水蒸气的供应和净化。
气化反应的温度和压力及气化剂的供气量等条件对反应进行和产物分布有重要影响。
总之,煤质烯烃的工艺技术主要包括煤液化和煤气化两种方法。
煤液化通过催化剂或溶剂作用,将煤中的有机物质转化为液体产品。
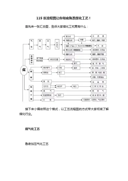
115张流程图让你彻底熟悉煤化工艺!首先来一张汇总图,告诉大家煤化工究竟有什么:接下来小编依照这个模式,以工艺流程图的方式带大家彻底了解煤化行业。
煤气化工艺鲁奇加压气化工艺鲁奇炉造气工艺流程简图BGL气化(液态排渣鲁奇炉)BGL气化工艺流程简图德士古气化工艺a、直接淬冷(激冷流程)适用于制NH3和H2 (因为这种流程易于和变换反应器配套,激冷产生蒸气可满足变换的需要)b、间接冷却(废锅流程)壳牌气化工艺多喷嘴对置气化工艺多喷嘴对置气化工艺流程图航天炉气化工艺航天炉气化工艺流程图恩德炉气化工艺恩德炉的气化工艺流程GSP气化工艺GSP气化工艺流程图SE-东方炉气化工艺SE-东方炉气化工艺流程温克勒气化工艺加压灰熔聚流化床粉煤气化工艺加压灰熔聚流化床粉煤气化技术流程图U-Gas灰熔聚气化工艺U-Gas灰熔聚气化工艺流程图多元浆料新型气化技术多元浆料气化工艺流程图熔铁气化工艺熔盐气化工艺熔渣气化工艺煤气净化工艺煤气净化工艺煤气净化工艺原则性工艺流程图低温甲醇洗工艺低温甲醇洗工艺流程图两段式低温甲醇洗工艺两段式低温甲醇洗工艺流程图煤制合成氨造气净化阶段合成气变换工段变换气精炼阶段氨合成工段煤制天然气煤制天然气工艺流程图直接甲烷化间接甲烷化煤制乙二醇合成气草酸酯制乙二醇工艺流程图烯烃制乙二醇工艺流程图草酸二甲酯制乙二醇工艺流程图煤制甲醇煤制甲醇工艺流程图固定床煤制甲醇工艺流程气流床煤制甲醇工艺流程焦炉气制甲醇工艺流程氨醇联产工艺流程甲醇制烯烃工艺Lurgi公司的MTP工艺MTP工艺流程图POU/Hydro公司的MTO工艺MTO工艺流程图大连物化所DMTO工艺DMTO工艺流程图中石化的SMTO工艺SMTO工艺流程图清华大学的FMTP工艺FMTP工艺流程惠生自主研发MTO烯烃分离技术MTO烯烃分离工艺流程图煤制油:煤间接液化典型的煤间接液化工艺流程南非的萨索尔(Sasol)费托合成法SASOL生产工艺流程示意图SASOL煤气化工艺流程图1)固定床煤间接液化工艺2)SSPD浆态床煤间接液化工艺美国的Mobil的MTG工艺(甲醇制汽油法)Mobil甲醇转化为汽油工艺流程固定床工艺流程图Lurgi公司甲醇制汽油工艺流程图荷兰SHELL的中质馏分合成(SMDS)工艺中科院山西煤化所低温煤间接液化工艺MFT工艺流程图SMFT合成工艺流程图兖矿集团的间接液化工艺1)低温煤间接液化工艺2)高温煤间接液化工艺煤制油:煤直接液化煤炭直接液化工艺流程图美国SCR溶剂精炼煤工艺美国SCR溶剂精炼煤工艺流程图美国EDS工艺美国EDS工艺流程图美国H-Coal工艺美国H-Coal工艺流程图德国IGOR 工艺德国IGOR 工艺流程图日本NEDOL工艺日本NEDOL工艺流程图日本褐煤液化(BCL)工艺日本BCL工艺流程图催化两段液化工艺(CTSL工艺)CTSL工艺流程图HTI工艺HTI工艺流程图俄罗斯FFI低压加氢液化工艺FFI低压加氢液化工艺流程图神华煤直接液化工艺神华煤直接液化工艺流程图延长煤油混炼技术延长煤油混炼工艺流程图煤干馏工艺气体热载体直立炉工艺三段炉流程图SJ 低温干馏工艺流程MRF工艺MRF 工艺流程示意图DG工艺大连理工大学DG工艺流程示意图BJY工艺济南锅炉厂循环流化床循环灰作为固体热载体的“热电煤气多联产”工艺示意图BT工艺ZDL工艺浙江大学流化床热解联产工艺Garrent工艺Garrent工艺最初由美国Garrent公司开发,其工艺过程为:将煤粉碎至200目以下,用高温半焦(650℃~870℃)作为热载体将煤粉在两秒钟内加热到500℃以上,由于停留时间很短有效地防止了焦油的二次分解。
第一部分 MTO装置介绍1.MTO装置主要组成部分MTO装置可年处理180万吨甲醇,年生产60万吨烯烃产品。
其以甲醇为原料,经过MTO反应单元,在催化剂作用下,生成多种烃类、水、和其它杂质,反应后物料进入急冷塔和水洗塔,裂解气中水在急冷塔和水洗塔脱除后,裂解气进入烯烃分离单元,裂解气在烯烃单元被进一步除去杂质,并经过冷却、精馏,分离出乙烯、丙烯、碳四、碳五、燃料气。
其中液体产品进入烯烃罐区储存,燃料气进入瓦斯管网供各用户使用。
MTO装置包括三部分,即甲醇制烯烃单元、烯烃分离单元和烯烃罐区。
2.MTO装置平面布置MTO主装置位于煤制烯烃项目用地的东面,东邻第三循环水厂,西邻PP装置,北面为净水厂,占地面积390×200m2。
烯烃罐区东邻第一循环水厂,北为MTO装置二期预留地,具体位置如下。
:3.技术来源和承包商MTO装置甲醇制烯烃单元可年处理180万吨甲醇,占地面积110×200m2。
甲醇制烯烃单元采用中国科学院大连化学物理研究所、陕西新兴煤化工科技发展有限公司和中国石化集团洛阳石油化工工程公司共同开发的DMTO技术,承包商为中国石化集团洛阳石油化工工程公司,由其进行工艺包设计和工程设计。
其工艺流程类似催化裂化工艺,进料为含水5%(wt%)甲醇,甲醇由甲醇罐区供应。
烯烃分离单元可年产60万吨烯烃(乙烯+丙烯)产品,占地面积255×110m2。
烯烃分离单元采用Lummus前脱丙烷后加氢、丙烷洗工艺技术,由Lummus进行工艺包设计和基础工程设计。
同时Lummus将部分基础工程设计工作转包给中石化上海工程公司。
此工艺与常规乙烯分离工艺相比较简单,主要区别有:此工艺无前冷系统;无乙烯制冷系统。
烯烃罐区为MTO装置的配套设施,由中国石化上海工程公司进行工程设计。
4.MTO装置设备情况5.MTO技术的发展和特点传统的乙烯、丙烯的制取路线是通过石脑油裂解生产,其缺点是过分依赖石油。
神华包头煤制烯烃项目工艺总流程神华包头煤化工有限企业将在内蒙古包头市九原区建设神华包头煤制烯烃项目,建设 180 万吨 / 年煤制甲醇、 60 万吨 / 年 MTO、30 万吨聚乙烯、 30 万吨 / 年聚丙烯、产汽 1440 吨/ 小时(发电 100MW)自备热电站、 4 套 6 万标立空分装置以及公用工程、协助生产设备、厂外工程 .1气化、净化气化妆置采纳 GE 企业水煤浆加压气化技术,变换由天辰企业设计,低温甲醇洗技术根源于林德工程企业。
原煤由火车运输入厂,进入卸车间卸车,翻车机卸煤进入受煤深地槽。
地槽的贮煤经叶轮给煤机、地槽带式输送机、进入料场储存。
料场的煤经仓下叶轮给煤机、仓底带式输送机输送进入环锤破裂机破裂。
破裂合格后,经圆管带式输送机、带式输送机分别输送到煤气化和热电站系统。
由煤运系统送来的原料煤(干)送至煤贮斗,经称量给料机控制输送量送入棒磨机,出棒磨机的煤浆浓度约 60%,经出料槽泵加压后送至气化工段煤浆槽。
煤浆由煤浆槽经煤浆给料泵加压后,连同空分送来的高压氧经过烧咀进入气化炉,气化反响在 (G) 、 1350~ 1400℃下进行。
反响生成 CO、H2、CO2、H2O和少许 CH4、H2S等气体。
走开气化炉反响段的热气体和熔渣进入激冷室水浴,被水淬冷后温度降低并被水蒸汽饱和后出气化炉;气体经文丘里清洗器、碳洗塔清洗除尘冷却后送至变换工段。
气化炉反响中生成的熔渣进入激冷室水浴后被分别出来,排入锁斗,准时排入渣池,由捞渣机捞出后装车外运。
气化炉及碳洗塔等排出的清洗水(称为黑水)送往灰水办理,办理后的水循环使用。
由气化碳洗塔来的粗水煤气送至变换工段,经气液分别器分别掉气体夹带的水分后,进入变换炉,与自己携带的水蒸汽在耐硫变换催化剂作用下进行变换反应,出变换炉的高温气体经热量回收后进入低温甲醇洗系统,挨次脱除H2S+COS、CO2后,净化气中 CO2 含量小于 3%,H2S+COS<,压力约为,送到甲醇合成系统。
煤基合成气直接制烯烃的工艺过程分析【摘要】我国“富煤、缺油、少气”能源结构特征,与煤炭资源相比,石油、天然气资源相对缺乏,石油资源缺短已成为制约我国烯烃工业发展的主要瓶颈之一。
因此,从能源结构分析,开发新一代的煤炭洁净利用技术,以煤炭替代石油生产合成气、甲醇/二甲醚为基础,制取乙烯、丙烯和汽油等产品,延长产业链是煤化工发展的战略需要。
如果在我国煤炭资源丰富的地区,加快煤基烯烃工艺的工业发展,实现以乙烯、丙烯为代表的低碳烯烃生产原料多元化,是解决我国石油资源紧张,促进我国低碳烯烃工业快速发展之最有效途径,也有利于实现我国内地产煤大省实现煤炭资源优势转化。
采用煤制烯烃技术代替石油制烯烃技术具有重要的战略意义,减少我国石油资源对外的过度依赖,有效缓解国内石油资源的不足,促进低碳烯烃工业快速转型发展,实现煤炭资源的高效转化利用,而且对推动富煤地区的工业发展,合理的利用我国煤炭资源都具有重要的战略意义。
【关键词】煤基合成气;煤基烯烃;水汽变换;工艺装置;热力学分析;进料比;产物分布0 引言目前制取低碳烯烃的方法按原料可以划分为3大类:石油路线、天然气路线和煤炭路线。
采用轻油裂解的方法,即石油路线来制取低碳烯烃的方法为世界上大多数国家所采用,约占烯烃产量的65%左右。
以天然气为原料,通过氧化偶联或本森法制取低碳烯烃技术,在催化剂的筛选和反应机理的研究方面已经取得了较大进展,但C2的单程回收率低于25%,甲烷氧化偶联制乙烯过程中甲烷的转化率为25%,反应流出物中乙烯含量只有4.9%,丙烯0.4%。
产品中主要是以乙烯为主,丙烯的产量较低。
以煤基合成气经甲醇制烯烃的研究也取得了迅速发展,已在国内建了多套工艺装置。
1 煤基合成气经甲醇制烯烃的路线煤基合成气经甲醇制烯烃的路线,主要反应有两步。
首先净化后的合成气转化成甲醇,纯化后的甲醇在合适的催化剂下合成烯烃和烷烃。
主要反应方程如式(1)、(2)所示:CO+2H2→CH3OH(1)nCH3OH→CnH2n+nH2O(2)若将甲醇合成和烯烃合成的两步反应合并成一步,即将式(1)和式(2)相加得到如式(3),即合成气直接制烯烃的主反应。
工艺路线制备丙烯的传统方法是采用轻油(石脑油、轻柴油)裂解工艺,但石油储量有限,所以世界各国开始致力于非石油路线制乙烯和丙烯类低碳烯烃的开发。
其中,以煤或天然气为原料制甲醇,再由甲醇制低碳烯烃的工艺受到重视。
目前,国际上有几种领先的甲醇制烯烃工艺,如美国UOP公司与挪威海德鲁(Lydro)公司的甲醇制烯烃工艺(MTO)、德国鲁奇(Lurgi)公司的甲醇制丙烯工艺(MTP)、美国AtoFina与UOP公司的烯烃裂解工艺等,其中Lurgi公司的MTP工艺已经在国内的生产装置上应用,将在2010年最先实现工业化。
MTO工艺甲醇制烯烃(Methanol to Olefins,MTO)是由合成气经过甲醇转化为低碳烯烃的工艺,国际上一些著名的石化公司,如埃克森美孚公司(Exxon-Mobil)、巴斯夫公司(BASF)、环球石油公司(UOP)和海德鲁公司(Norsk Hydro)都投入大量资金和人员,进行了多年的研究。
1995年,UOP与挪威Norsk Hydro 公司合作建成一套甲醇加工能力0.75t/d的示范装置,连续运转90天,甲醇转化率接近100%,乙烯和丙烯的碳基质量收率达到80%。
UOP/Hydro公司MTO工艺采用流化床反应器和再生器设计,反应热通过产生的蒸汽带出并回收,失活的催化剂被送到流化床再生器中烧炭再生,然后返回流化床反应器继续反应。
在整个产物气流混合物分离之前,需要通过一个特制的进料气流换热器,其中大部分的水分和惰性物质被清除,然后气体产物经气液分离塔进一步脱水、碱洗塔脱CO2、干燥后进入产品回收段。
该工段流经脱甲烷塔、脱乙烷塔、乙炔饱和塔、乙烯分离塔、丙烯分离塔、脱丙烷塔和脱丁烷塔。
含氧化合物也在压缩工段中被除去。
该工艺除反应段(反应-再生系统)的热传递不同之外,其它都非常类似于炼油工业中成熟的催化裂化技术,且操作条件的苛刻度更低,技术风险处于可控之内。
而其产品分离段与传统石脑油裂解制烯烃工艺类似,且产物组成更为简单,杂质种类和含量更少,更易实现产品的分离回收。
乙烯、丙烯重要的化工原料制作工艺流程图文详解
本文
导读
小7:众所周知,低碳烯烃主要包含:乙烯、丙烯等重要的基本有机化工原料,它们也是现代化学工业的基石。
结合我国“富煤缺油少气”的能源结构特点,以煤为原料,走“煤-甲醇-烯烃-聚烯烃”的工艺路线更符合国家能源政策需要,是非油基烯烃的主流路线。
今天,小7介绍的是甲醇制低碳烯烃的三种主要工艺,让我们先来认识一下这几种烯烃产品:
乙烯、丙烯、丁烯都有哪些用途?
乙烯
乙烯是合成纤维、合成橡胶的基本化工原料,也用于制造氯乙烯、
苯乙烯、环氧乙烯、乙酸、乙醛、乙醇和炸药等,还可用作水果和蔬菜的催熟剂。
乙烯的生产量是衡量一个国家化工水平高低的重要指标。
丙烯
丙烯用以生产多种重要的有机化工原料、生成合成树脂、合成橡胶及多种精细化学品等,其用量最大的是生产聚丙烯。
丙烯颜料是用一种化学合成胶乳剂与颜色微粒混合而成的新型绘画颜料。
丁烯
丁烯是重要的基础化工原料之一,主要用于制造各种塑料、作润滑油添加剂、树脂等。
以丁二烯为原料制取的精细化学品主要有杀虫剂、固化剂、增塑剂。
另外,丁二烯在合成香料、表面活性剂、润滑油添加剂方面也有着重要用途。
了解了几种烯烃产品的重要性,下面小7开始介绍三种主要的生
产工艺:
甲醇制烯烃的工艺流程
1技术路线
2Lurgi公司的MTP工艺
工艺流程图
3UOP/Hydro公司的MTO工艺
工艺流程图
4大连物化所DMTO工艺
影响烯烃收率的工艺条件
工艺路线选择经济性对比
工艺技术的选择。