形位公差练习
- 格式:doc
- 大小:200.50 KB
- 文档页数:3
4-19 试述边界和边界尺寸的含义以及不同的相关要求所规定的边界和边界尺寸的名称?4一20 试述独立原则的含义、在图样上的表示方法和主要应用场合?4-21 试述包容要求的含义、在图样上的表示方法和主要应用场合?4-22 试述最大实体要求应用于被测要素的含义、在图样上的表示方法和主要应用场合?4-23 最大实体要求应用于基准要素时,如何确定基准要素应遵守的边界?基准符号的字母如何在位置公差框格中标注?说明最大实体要求应用于基准要素的含义。
4←24 试述最小实体要求应用于被测要素的含义、在图样上的表示方法和主要应用场合?4-25 最小实体要求应用于基准要素时,如何确定基准要素应遵守的边界?基准符号的字母如何在位置公差框格中标注?说明最小实体要求应用于基准要素的含义。
4-26 何谓最大实体要求的零形位公差?何谓最小实体要求的零形位公差?4-27 试述可逆要求用于最大实体要求和最小实体要求的含义和在图样上的表示方法?4-28 被测要素的形位精度设计中包括哪几方面的内容?4-29 比较独立原则与包容要求的优缺点。
4-30 GB/T1184-1996《形状和位置公差未注公差值》对各项形位公差的未注公差值作了哪些规定?采用GB/T1184-1996规定的形位公差未注公差值时,在图样上如何表示?4-31 测量形位误差时,实际要素如何体现?4-32 试述最小条件和最小包容区域的含义,试述定向最小包容区域和定位最小包容区域的含义?4-33 试述给定平面内直线度误差最小包容区域的判别准则,如何按两端点连线法评定直线度误差值?4-34 试述平面度误差最小包容区域的判别准则,如何按对角线平面法和三远点平面法评定平面度误差值?4-35 试述圆度误差最小包容区域的判别准则?4-36 试述面对面平行度、垂直度和倾斜度误差的定向最小包容区域的判别准则?4-37 试述形位误差的五种检测原则的名称和要领,并举例说明。
形状和位置公差习题4-1 试将下列各项形位公差要求标注在图1-4.1所示的齿轮坯图上。
第三章形位公差——随堂练习(测验2)
试将下列各项形位公差要求标注在下图上,并描述(1)(2)(4)(5)(6)的公差带。
(1)左端面的平面度公差0.01mm;
(2)右端面对左端面的平行度公差0.04mm;
(3)Φ70孔采用H7遵守包容要求,Φ210外圆柱面采用h7遵守独立原则;
(4)Φ70孔心线对左端面的垂直度公差0.02mm;
(5)Φ210外圆柱面轴线对Φ70孔的同轴度公差0.03mm;
(6)4×Φ20H8孔心线对左端面(第一基准)及Φ70孔心线的位置度公差为Φ0.15mm(要求均布),被测孔心线位置度公差与Φ20H8尺寸公差
的关系采用最大实体要求。
1
2 形位公差带四要素的描述
(1)平面度公差带:
(2)平行度公差带:
(4)垂直度公差带:
(5)同轴度公差带:
(6)位置度公差带:
Φ20时,位置度误差值可达Φ mm 若Φ20H8孔的实际尺寸为 Φ20+0.033时,位置度误差可达Φ mm。
形位公差标注练习题在机械工程领域中,形位公差是一种重要的标注方式,用于规定零件的形状和位置要求。
形位公差要求零件的几何特征在特定的范围内,以确保零件能够正常工作。
本文将提供一些形位公差标注练习题,以帮助读者更好地理解和掌握这一概念。
1. 零件图纸如下图所示,请根据图纸上的标注要求,确定以下特征的形位公差:a) 两个孔的中心线间距离符号和公差;b) 孔的直径符号和公差;c) 斜线与基准面的垂直度符号和公差;d) 斜线的长度符号和公差。
答案分析:a) 中心线间距离的形位公差可以使用符号"A"来表示,公差为0.1mm;b) 孔的直径的形位公差可以使用符号"B"来表示,公差为±0.05mm;c) 斜线与基准面的垂直度的形位公差可以使用符号"C"来表示,公差为0.1mm;d) 斜线的长度的形位公差可以使用符号"D"来表示,公差为±0.2mm。
2. 零件图纸如下图所示,请根据图纸上的标注要求,确定以下特征的形位公差:a) 孔的中心线和基准面直线的距离符号和公差;b) 孔的直径符号和公差;c) 孔的轴线与基准面的平行度符号和公差。
答案分析:a) 孔的中心线和基准面直线的距离的形位公差可以使用符号"E"来表示,公差为±0.1mm;b) 孔的直径的形位公差可以使用符号"B"来表示,公差为±0.05mm;c) 孔的轴线与基准面的平行度的形位公差可以使用符号"F"来表示,公差为0.2mm。
3. 零件图纸如下图所示,请根据图纸上的标注要求,确定以下特征的形位公差:a) 两个孔中心线的位置和基准直线的距离符号和公差;b) 孔的直径符号和公差;c) 孔中心线和基准直线的夹角符号和公差。
答案分析:a) 两个孔中心线的位置和基准直线的距离的形位公差可以使用符号"G"来表示,公差为±0.1mm;b) 孔的直径的形位公差可以使用符号"B"来表示,公差为±0.05mm;c) 孔中心线和基准直线的夹角的形位公差可以使用符号"H"来表示,公差为±0.5°。
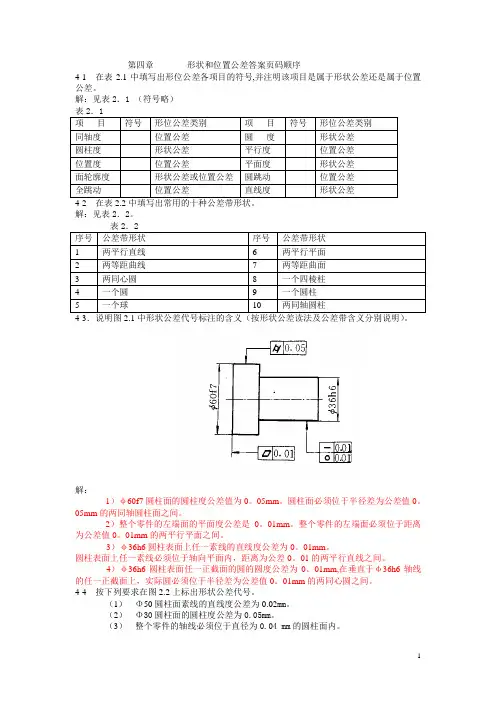
第四章形状和位置公差答案页码顺序4-1 在表2.1中填写出形位公差各项目的符号,并注明该项目是属于形状公差还是属于位置公差。
解:见表2.1 (符号略)表2.1项目符号形位公差类别项目符号形位公差类别同轴度位置公差圆度形状公差圆柱度形状公差平行度位置公差位置度位置公差平面度形状公差面轮廓度形状公差或位置公差圆跳动位置公差全跳动位置公差直线度形状公差4-2 在表2.2中填写出常用的十种公差带形状。
解:见表2.2。
表2.2序号公差带形状序号公差带形状1 两平行直线 6 两平行平面2 两等距曲线7 两等距曲面3 两同心圆8 一个四棱柱4 一个圆9 一个圆柱5 一个球10 两同轴圆柱4-3.说明图2.1中形状公差代号标注的含义(按形状公差读法及公差带含义分别说明)。
解:1)φ60f7圆柱面的圆柱度公差值为0。
05mm。
圆柱面必须位于半径差为公差值0。
05mm的两同轴圆柱面之间。
2)整个零件的左端面的平面度公差是0。
01mm。
整个零件的左端面必须位于距离为公差值0。
01mm的两平行平面之间。
3)φ36h6圆柱表面上任一素线的直线度公差为0。
01mm。
圆柱表面上任一素线必须位于轴向平面内,距离为公差0。
01的两平行直线之间。
4)φ36h6圆柱表面任一正截面的圆的圆度公差为0。
01mm,在垂直于φ36h6轴线的任一正截面上,实际圆必须位于半径差为公差值0。
01mm的两同心圆之间。
4-4 按下列要求在图2.2上标出形状公差代号。
(1)Φ50圆柱面素线的直线度公差为0.02mm。
(2)Φ30圆柱面的圆柱度公差为0.05mm。
(3)整个零件的轴线必须位于直径为0.04 mm的圆柱面内。
解:按要求在图2.1上标出形状公差代号图2.14-5 将下列技术要求用代号表注在图2.5上。
(1)Φ20d7圆柱面任一素线的直线度公差为0.05mm。
(或Φ20d7圆柱面任一素线必须位于轴向平面内距离为公差值0.05mm的两平行直线之间。
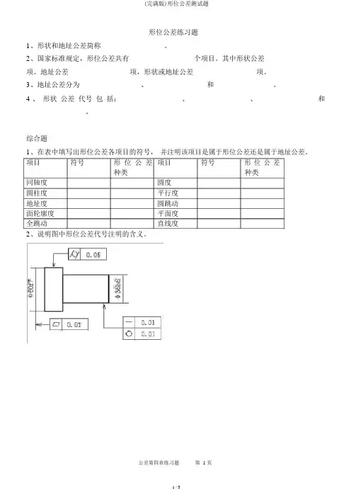
形位公差练习题1、形状和地址公差简称 _______________。
2、国家标准规定,形位公差共有_______________个项目。
其中形状公差 _______________项。
地址公差 _______________项,形状或地址公差 _______________项。
3、地址公差分为 _______________、_______________和_______________。
4 、形状公差代号包括: _______________、 _______________、 _______________和_______________。
综合题1、在表中填写出形位公差各项目的符号,并注明该项目是属于形位公差还是属于地址公差。
项目符号形位公差项目符号形位公差种类种类同轴度圆度圆柱度平行度地址度圆跳动面轮廓度平面度全跳动直线度2、说明图中形位公差代号注明的含义。
3、按以下要求在习题图上标出形位公差代号。
(1)φ 50mm 圆柱面素线的直线度公差值为0.02mm。
(2)φ 30mm 圆柱面的圆柱度公差值为0.05mm。
(3)整个零件的轴线必定位于直径0.04mm 的圆柱面内。
4、说明图中形位公差代号注明的含义(按形位公差读法及公差带含义两种方法说明)。
5、将以下技术要求用代号注明在习题图上。
(1)φ 20d7圆柱面任一素线的直线度公差值为 0.05mm。
(2)φ 40m7 轴线相对于φ 20d7 轴线的同轴度公差值为φ 0.01mm。
(3)φ 10H6槽的两平行平面中任一平面对另一平面的平行度公差值为0.015mm。
(4)φ 10H6槽的中心平面对φ 40m7 轴线的对称度公差值为 0.01mm。
(5)φ 20d7圆柱面的轴线对φ 40m7 圆柱右端面的垂直度公差值为φ 0.02mm。
6、说明形位公差注明的含义。
四、综合题1.改正图1中各项形位公差标注上的错误(不得改变形位公差项目).图12.改正图2中各项形位公差标注上的错误(不得改变形位公差项目)。
图23.改正图3中各项形位公差标注上的错误(不得改变形位公差项目)。
图3 4.改正图4中各项形位公差标注上的错误(不得改变形位公差项目)。
图45.改正图5中各项形位公差标注上的错误(不得改变形位公差项目).图56.改正图6中各项形位公差标注上的错误(不得改变形位公差项目).图6 7.将下列技术要求标注在图7上.(1)φ100h6圆柱表面的圆度公差为0。
005mm。
(2)φ100h6轴线对φ40P7孔轴线的同轴度公差为φ0。
015mm。
(3)φ40P7孔的圆柱度公差为0.005mm。
(4)左端的凸台平面对φ40P7孔轴线的垂直度公差为0。
01 mm。
(5)右凸台端面对左凸台端面的平行度公差为0。
02 mm.图78.将下列技术要求标注在图8。
(1)圆锥面的圆度公差为0.01 mm,圆锥素线直线度公差为0.02 mm。
(2)圆锥轴线对φd1和φd2两圆柱面公共轴线的同轴度为0.05 mm。
(3)端面Ⅰ对φd1和φd2两圆柱面公共轴线的端面圆跳动公差为0.03 mm.(4)φd1和φd2圆柱面的圆柱度公差分别为0.008 mm和0。
006 mm.图8 9.将下列技术要求标注在图9上。
(1)左端面的平面度公差为0.01 mm,右端面对左端面的平行度公差为0。
04 mm。
(2)φ70H7孔的轴线对左端面的垂直度公差为0.02mm。
(3)φ210h7轴线对φ70H7孔轴线的同轴度公差为φ0.03mm。
(4)4-φ20H8孔的轴线对左端面(第一基准)和φ70H7孔轴线的位置度公差为φ0。
15mm。
图910.试将下列技术要求标注在图10上.(1)2-φd轴线对其公共轴线的同轴度公差为φ0。
02mm。
(2)φD轴线对2-φd公共轴线的垂直度公差为100 :0.02 mm.(3)槽两侧面对称中心面对φD轴线的对称度公差为0.02图1011.试将下列技术要求标注在图11上.(1)圆锥面a的圆度公差为0.1 mm。
形状和位置公差一、基本内容:1、形位公差的标注:被测要素、公差框格、指引线(垂直于框格引出,指向公差带宽度方向)、基准(分清轮廓要素和中心要素,字母放正,单一基准和组合基准)2、公差带的特点(四要素)大小、方向、形状、位置3、公差原则基本概念最大、最小实体状态和实效状态:(1)最大和最小实体状态MMC:含有材料量最多的状态。
孔为最小极限尺寸;轴为最大极限尺寸。
LMC:含有材料量最小的状态。
孔为最大极限尺寸;轴为最小极限尺寸。
MMS=Dmin;dmaxLMS=Dmax;dmin(2)最大实体实效状态最大实体实效状态MMVC:是指实际尺寸达到最大实体尺寸且形位误差达到给定形位公差值时的极限状态。
最大实体实效尺寸MMVS:在实效状态时的边界尺寸。
A)单一要素的实效尺寸是最大实体尺寸与形状公差的代数和。
对于孔:最大实体实效尺寸MMVSh=最小极限尺寸—形状公差对于轴:最大实体实效尺寸MMVSs=最大极限尺寸+形状公差B)关联要素的实效尺寸是最大实体尺与位置公差的代数和。
对于孔:最大实体实效尺寸MMVSh=最小极限尺寸—位置公差对于轴:最大实体实效尺寸MMVSs=最大极限尺寸+ 位置公差理想边界理想边界是设计时给定的,具有理想形状的极限边界。
(1)最大实体边界(MMC边界)当理想边界的尺寸等于最大实体尺寸时,该理想边界称为最大实体边界。
(2)最大实体实效边界(MMVC边界)当理想边界尺寸等于实效尺寸时,该理想边界称为实效边界。
包容原则(遵守MMC边界)○E(1)定义:要求被测实际要素的任意一点,都必须在具有理想形状的包容面内,该理想形状的尺寸为最大实体尺寸。
即当被测要素的局部实际尺寸处处加工到最大实体尺寸时,形位误差为零,具有理想形状。
(2)包容原则的特点A、要素的作用尺寸不得超越最大实体尺寸MMS。
B、实际尺寸不得超越最小实体尺寸LMS 。
按包容原则要求,图样上只给出尺寸公差,但这种公差具有双重职能,即综合控制被测要素的实际尺寸变动量和形状误差的职能。
形位公差巩固练习题
1、试将下列各项形位公差要求标注在如图1所示的图形上。
01)φ100h圆柱面对φ40H7孔轴线的径向圆跳动公差为0.018mm。
02)φ40H7孔遵循包容要求,圆柱度公差为0.007mm。
03)左右两凸台端面对φ40H7孔轴线的圆跳动公差均为0.012mm。
04)轮毂键槽对称中心面对φ40H7孔轴线的对称度公差为0.02mm。
图1
2、试将下列各项形位公差要求标注在如图2所示的图形上。
01)2×φd轴线对其公共轴线的同轴度公差均为0.02mm。
02)ΦD轴线对2×φd公共轴线的垂直度公差均为0.01/100mm。
03)ΦD轴线对2×φd公共轴线的对称度公差为0.02mm。
3、试将下列各项形位公差要求标注在下图所示的图形上。
01)圆锥面A的圆度公差为0.006mm、圆锥素线的直线度公
差为0.005mm,圆锥面A轴线对φd轴线的同轴度公差为φ
0.01mm。
02)Φd圆柱面的圆柱度公差为0.009mm,φd轴线的直线
度公差为φ0.012mm。
03)右端面B对φd轴线的圆跳动公差为0.01mm。
4、试将下列形位公差要求标注在下图所示的图上。
1)φ30圆柱面对两个φ20轴颈的公共轴线的径向圆跳动公差为
0.015mm。
2)两个φ20轴颈的圆柱度公差为0..01mm。
3)φ30左、右端面对两个φ20轴颈的公共轴线的端面圆跳动公
差为0.02mm。
4)键槽(宽10mm)的中心平面对φ30轴线的对称度公差为
0.015mm。