形位公差测试题
- 格式:doc
- 大小:60.50 KB
- 文档页数:3
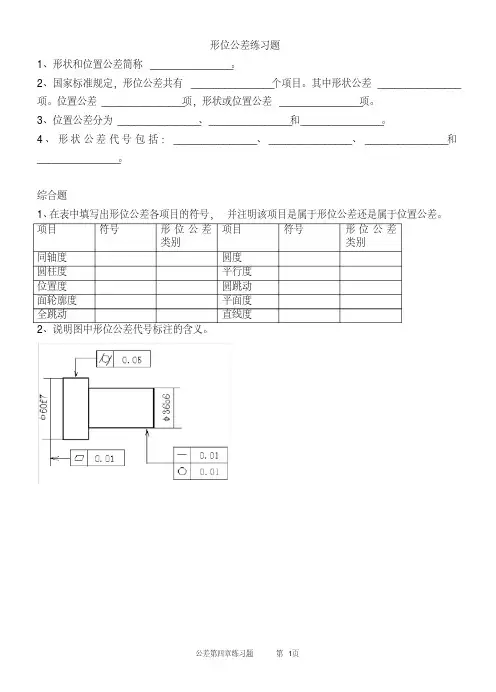
形位公差练习题1、形状和位置公差简称_______________。
2、国家标准规定,形位公差共有_______________个项目。
其中形状公差_______________项。
位置公差_______________项,形状或位置公差_______________项。
3、位置公差分为_______________、_______________和_______________。
4、形状公差代号包括:_______________、_______________、_______________和_______________。
综合题1、在表中填写出形位公差各项目的符号,并注明该项目是属于形位公差还是属于位置公差。
项目符号形位公差类别项目符号形位公差类别同轴度圆度圆柱度平行度位置度圆跳动面轮廓度平面度全跳动直线度2、说明图中形位公差代号标注的含义。
3、按下列要求在习题图上标出形位公差代号。
(1)φ50mm圆柱面素线的直线度公差值为0.02mm。
(2)φ30mm圆柱面的圆柱度公差值为0.05mm。
(3)整个零件的轴线必须位于直径0.04mm的圆柱面内。
4、说明图中形位公差代号标注的含义(按形位公差读法及公差带含义两种方法说明)。
5、将下列技术要求用代号标注在习题图上。
(1)φ20d7圆柱面任一素线的直线度公差值为0.05mm。
(2)φ40m7轴线相对于φ20d7轴线的同轴度公差值为φ0.01mm。
(3)φ10H6槽的两平行平面中任一平面对另一平面的平行度公差值为0.015mm。
(4)φ10H6槽的中心平面对φ40m7轴线的对称度公差值为0.01mm。
(5)φ20d7圆柱面的轴线对φ40m7圆柱右端面的垂直度公差值为φ0.02mm。
6、说明形位公差标注的含义。
.28。
按表2-5中的内容,说明图2—22中形位公差代号的含义。
表2—527.按表2—4中的内容,说明图2-21中形位公差代号的含义。
表2-4图2-2130.被测要素为一封闭曲线式(圆),如图2—24所示,采用圆度公差和线轮廓度公差两种不同标注有何不同?32.试将图2-26按表列要求填入表2—6中。
a) b) c)图2—2633.试将图2—27按表列要求填入表2-7中。
a) b) c)图2—2726.按表2—3中的内容,说明图2—20中的代号的含义。
表2-3图2—2041.分析计算图2-35所注零件的中心距变化范围。
图2—3542.如图2-36所示,(1)采用什么公差原则?(2)被测要素的同轴度公差是在什么状态下给定的?(3)当被测要素尺寸为φ30。
021mm,基准要素尺寸为φ20.013mm时,同轴度允许的最大公差可达多少?(基准要素未注直线度公差值为0.03mm)图2-3623.试将下列技术要求标注在图2—17上。
(1)φd圆柱面的尺寸为φ30 0 -0.025 mm,采用包容要求,φD圆柱面的尺寸为φ50 0—0.039 mm,采用独立原则。
(2)φd表面粗糙度的最大允许值为R a=1.25μm,φD表面粗糙度的最大允许值为R a=2μm。
(3)键槽侧面对φD轴线的对称度公差为0.02 mm。
(4)φD圆柱面对φd轴线的径向圆跳动量不超过0.03 mm,轴肩端平面对φd轴线的端面圆跳动不超过0.05 mm。
图2-1724.按表2—1的内容,说明图2—18中形位公差代号的含义。
表2—122.试将下列技术要求标注在图2-16上。
(1)大端圆柱面的尺寸要求为φ45 0 -0。
02,并采用包容要求。
(2)小端圆柱面轴线对大端圆柱面轴线的同轴度公差为0.03mrn。
(3)小端圆柱面的尺寸要求为φ25土0.007mrn,素线直线度公差为0.01mrn,并采用包容要求.(4)大端圆柱面的表面粗糙度R a值不允许大于0.8μrn,其余表面R a值不允许大于1.6μrn 。
一、选择题(将下列题目中所有正确的论述选择出来)1.属于形状公差的有__。
A.圆柱度。
B.平面度。
C.同轴度。
D.圆跳动。
E.平行度。
2.属于位置公差的有__。
A.平行度。
B.平面度。
C.端面全跳动。
D.倾斜度。
E.圆度。
3.圆柱度公差可以同时控制__。
A.圆度。
B.素线直线度。
C.径向全跳动。
D.同轴度。
E.轴线对端面的垂直度。
4.下列论述正确的有__。
A.给定方向上的线位置度公差值前应加注符号“Φ”。
B.空间中,点位置度公差值前应加注符号“球Φ”。
C.任意方向上线倾斜度公差值前应加注符号“Φ”。
D.标注斜向圆跳动时,指引线箭头应与轴线垂直。
E.标注圆锥面的圆度公差时,指引线箭头应指向圆锥轮廓面的垂直方向。
5.形位公差带形状是直径为公差值t的圆柱面内区域的有__。
A.径向全跳动。
B.端面全跳动。
C.同轴度。
D.任意方向线位置度。
E.任意方向线对线的平行度。
E.面对面的平行度。
6.对于端面全跳动公差,下列论述正确的有__。
A.属于形状公差。
B.属于位置公差。
C.属于跳动公差。
D.与平行度控制效果相同。
E.与端面对轴线的垂直度公差带形状相同。
27.下列公差带形状相同的有__。
A.轴线对轴线的平行度与面对面的平行度。
B.径向圆跳动与圆度。
C.同轴度与径向全跳动。
D.轴线对面的垂直度与轴线对面的倾斜度。
E.轴线的直线度与导轨的直线度mm○E则__。
8.某轴Φ10 0-0.015A.被测要素遵守MMC边界。
B.被测要素遵守MMVC边界。
C.当被测要素尺寸为Φ10 mm时,允许形状误差最大可达0.015 mm。
D.当被测要素尺寸为Φ9.985mm时,允许形状误差最大可达0.015 mm。
E.局部实际尺寸应大于等于最小实体尺寸。
9.表面粗糙度代(符)号在图样上应标注在__。
A.可见轮廓线上。
B.尺寸界线上。
C.虚线上。
D.符号尖端从材料外指向被标注表面。
E.符号尖端从材料内指向被标注表面。
二、填空题1.圆柱度和径向全跳动公差带相同点是__,不同点是__。
形位公差巩固练习题
1、试将下列各项形位公差要求标注在如图1所示的图形上。
01)φ100h圆柱面对φ40H7孔轴线的径向圆跳动公差为0.018mm。
02)φ40H7孔遵循包容要求,圆柱度公差为0.007mm。
03)左右两凸台端面对φ40H7孔轴线的圆跳动公差均为0.012mm。
04)轮毂键槽对称中心面对φ40H7孔轴线的对称度公差为0.02mm。
图1
2、试将下列各项形位公差要求标注在如图2所示的图形上。
01)2×φd轴线对其公共轴线的同轴度公差均为0.02mm。
02)ΦD轴线对2×φd公共轴线的垂直度公差均为0.01/100mm。
03)ΦD轴线对2×φd公共轴线的对称度公差为0.02mm。
3、试将下列各项形位公差要求标注在下图所示的图形上。
01)圆锥面A的圆度公差为0.006mm、圆锥素线的直线度公
差为0.005mm,圆锥面A轴线对φd轴线的同轴度公差为φ
0.01mm。
02)Φd圆柱面的圆柱度公差为0.009mm,φd轴线的直线
度公差为φ0.012mm。
03)右端面B对φd轴线的圆跳动公差为0.01mm。
4、试将下列形位公差要求标注在下图所示的图上。
1)φ30圆柱面对两个φ20轴颈的公共轴线的径向圆跳动公差为
0.015mm。
2)两个φ20轴颈的圆柱度公差为0..01mm。
3)φ30左、右端面对两个φ20轴颈的公共轴线的端面圆跳动公
差为0.02mm。
4)键槽(宽10mm)的中心平面对φ30轴线的对称度公差为
0.015mm。
配合公差和形位公差试题
一、配合公差主要描述的是什么?
A. 零件尺寸的实际偏差
B. 零件形状的实际偏差
C. 零件尺寸和形状的实际偏差
D. 零件尺寸与配合件之间的允许偏差(答案:D)
二、形位公差中的“平行度”是指什么?
A. 零件表面与基准面之间的尺寸差异
B. 零件表面与基准面之间的角度差异
C. 零件表面与基准面之间的平行程度
D. 零件表面与基准面之间的垂直程度(答案:C)
三、以下哪项不属于配合公差的基本类型?
A. 间隙配合
B. 过盈配合
C. 过渡配合
D. 紧密配合(答案:D)
四、形位公差中的“圆度”是用来描述什么的?
A. 圆的直径大小
B. 圆的周长
C. 圆截面的形状精度
D. 圆的半径(答案:C)
五、在配合公差中,“基孔制”是指什么?
A. 以孔的尺寸为基准,轴的尺寸可以有一定偏差
B. 以轴的尺寸为基准,孔的尺寸可以有一定偏差
C. 孔和轴的尺寸都有严格规定,不能有任何偏差
D. 孔和轴的尺寸都可以随意变化(答案:A)
六、形位公差中的“垂直度”是用来控制什么的?
A. 零件表面的平整度
B. 零件表面的倾斜度
C. 零件表面与基准面之间的垂直程度
D. 零件表面的粗糙度(答案:C)
七、以下哪项不是形位公差的主要特点?
A. 控制零件的形状精度
B. 控制零件的位置精度
C. 控制零件的尺寸大小
D. 控制零件的表面精度(答案:C)
八、在配合公差的选择中,主要考虑的因素不包括?
A. 零件的功能要求
B. 零件的加工精度
C. 零件的材料性质
D. 零件的重量(答案:D)。
形位公差测试题公差第四章练习题73、形状和位置公差简称_______________。
74、国家标准规定,形位公差共有_______________个项目。
其中形状公差_______________项。
位置公差_______________项,形状或位置公差_______________项。
75、位置公差分为_______________、_______________和_______________。
76、形状公差代号包括:_______________、_______________、_______________和_______________。
77、基准代号由_______________、_______________、_______________和_______________。
78、构成零件几何特征的_____________为要素。
79、零的几何要素,按存在的状态分为_____________和_____________;按在形位公差中所处的地位分为_____________和_____________;按几何特性分为_____________和_____________。
80、被测要素分为_____________和_____________两种。
81、当被测要素为中心要素时,形位公差代号_____________应与该要素的尺寸线_____________。
82、如果被测实际要素与其_____________能完全重合,表明形状误差为零。
83、用以限制实际要素变动的区域称为_____________。
84、被测实际要素在_____________内(或之间)为合格,反之为不合格。
85、用来确定被测要素的方向或位置的要素称为_____________.86形位公差带由_____________、_____________、_____________和_____________四要素组成。
.28 。
按表2-5 中的内容,说明图2-22 中形位公差代号的含义。
表2-527 .按表2-4 中的内容,说明图2-21 中形位公差代号的含义。
表2-430 .被测要素为一封闭曲线式(圆),如图 2-24 所示,采用圆度公差和线轮廓度公差两 种不同标注有何不同?a) b) c)图 2-26表图例 采用公差原则 边界及边界尺 寸给定的形位公差 值 可能允许的最大形位误差值 abc33 .试将图 2-27 按表列要求填入表 2-7 中。
32 .试将图 2-26 按表列要求填入表 2-6a) b) c)图 2-27表2-7图例 采用公差原则 边界及边界尺寸 给定的形位公差 值可能允许的最大形位误差值 abc26 .按表 2-3 中的内容,说明图 2-20 中的代号的含义。
表 2-342 .如图 2-36 所示,(1 )采用什么公差原则?图 2-20 41 . 分析计算图 2-35所注零件的中心距变化范围。
(2 )被测要素的同轴度公差是在什么状态下给定的?(3 )当被测要素尺寸为φ30.021mm ,基准要素尺寸为φ20.013mm 时,同轴度允许的最大公差可达多少?(基准要素未注直线度公差值为0.03mm )图2-3623 .试将下列技术要求标注在图2-17 上。
(1)φd圆柱面的尺寸为φ30 0 -0.025 mm ,采用包容要求,φD圆柱面的尺寸为φ50 0 -0.039 mm ,采用独立原则。
(2)φd表面粗糙度的最大允许值为R a =1.25 μm,φD表面粗糙度的最大允许值为R a =2 μm。
(3 )键槽侧面对φD轴线的对称度公差为0.02 mm。
(4 )φD圆柱面对φd轴线的径向圆跳动量不超过0.03 mm ,轴肩端平面对φd轴线的端面圆跳动不超过0.05 mm 。
图2-1724 .按表2-1 的内容,说明图2-18 中形位公差代号的含义。
表2-122 .试将下列技术要求标注在图2 -16 上。
一、判断题〔正确的打√,错误的打X〕1.某平面对基准平面的平行度误差为0.05mm,那么这平面的平面度误差一定不大于0.05mm。
()2.某圆柱面的圆柱度公差为0.03 mm,那么该圆柱面对基准轴线的径向全跳动公差不小于0.03mm。
()3.对同一要素既有位置公差要求,又有形状公差要求时,形状公差值应大于位置公差值。
()4.对称度的被测中心要素和基准中心要素都应视为同一中心要素。
()5.某实际要素存在形状误差,则一定存在位置误差。
()mm孔,如果没有标注其圆度公差,那么它的圆度误差值可任意确6.图样标注中Φ20+定。
()7.圆柱度公差是控制圆柱形零件横截面和轴向截面内形状误差的综合性指标。
()8.线轮廓度公差带是指包络一系列直径为公差值t的圆的两包络线之间的区域,诸圆圆心应位于理想轮廓线上。
()9.零件图样上规定Φd实际轴线相对于ΦD基准轴线的同轴度公差为Φ0.02 mm。
这表明只要Φd实际轴线上各点分别相对于ΦD基准轴线的距离不超过0.02 mm,就能满足同轴度要求。
()10.若某轴的轴线直线度误差未超过直线度公差,则此轴的同轴度误差亦合格。
()11.端面全跳动公差和平面对轴线垂直度公差两者控制的效果完全相同。
()12.端面圆跳动公差和端面对轴线垂直度公差两者控制的效果完全相同。
()13.尺寸公差与形位公差采用独立原则时,零件加工的实际尺寸和形位误差中有一项超差,则该零件不合格。
()14.作用尺寸是由局部尺寸和形位误差综合形成的理想边界尺寸。
对一批零件来说,若已知给定的尺寸公差值和形位公差值,则可以分析计算出作用尺寸。
()15.被测要素处于最小实体尺寸和形位误差为给定公差值时的综合状态,称为最小实体实效状态。
()16.当包容要求用于单一要素时,被测要素必须遵守最大实体实效边界。
()17.当最大实体要求应用于被测要素时,则被测要素的尺寸公差可补偿给形状误差,形位误差的最大允许值应小于给定的公差值。
公差73、形状和位置公差简称_______________。
74、国家标准规定,形位公差共有_______________个项目。
其中形状公差_______________项。
位置公差_______________项,形状或位置公差_______________项。
75、位置公差分为_______________、_______________和_______________。
76、形状公差代号包括:_______________、_______________、_______________和_______________。
77、基准代号由_______________、_______________、_______________和_______________。
78、构成零件几何特征的_____________为要素。
79、零的几何要素,按存在的状态分为_____________和_____________;按在形位公差中所处的地位分为_____________和_____________;按几何特性分为_____________和_____________。
80、被测要素分为_____________和_____________两种。
81、当被测要素为中心要素时,形位公差代号_____________应与该要素的尺寸线_____________。
82、如果被测实际要素与其_____________能完全重合,表明形状误差为零。
83、用以限制实际要素变动的区域称为_____________。
84、被测实际要素在_____________内(或之间)为合格,反之为不合格。
85、用来确定被测要素的方向或位置的要素称为_____________.86形位公差带由_____________、_____________、_____________和_____________四要素组成。
87、独立原则是图样上给定的_____________与_____________相互无关并分别满足要求的公差原则。
习题一、判断题〔正确的打√,错误的打X〕9.某平面对基准平面的平行度误差为0.05mm,那么这平面的平面度误差一定不大于0.05mm。
()10.某圆柱面的圆柱度公差为0.03 mm,那么该圆柱面对基准轴线的径向全跳动公差不小于0.03mm。
()11.对同一要素既有位置公差要求,又有形状公差要求时,形状公差值应大于位置公差值。
()12.对称度的被测中心要素和基准中心要素都应视为同一中心要素。
()13.某实际要素存在形状误差,则一定存在位置误差。
()14.图样标注中Φ20+0.021mm孔,如果没有标注其圆度公差,那么它的圆度误差值可任意确定。
()15.圆柱度公差是控制圆柱形零件横截面和轴向截面内形状误差的综合性指标。
()16.线轮廓度公差带是指包络一系列直径为公差值t的圆的两包络线之间的区域,诸圆圆心应位于理想轮廓线上。
()17.零件图样上规定Φd实际轴线相对于ΦD基准轴线的同轴度公差为Φ0.02 mm。
这表明只要Φd实际轴线上各点分别相对于ΦD基准轴线的距离不超过0.02 mm,就能满足同轴度要求。
()18.若某轴的轴线直线度误差未超过直线度公差,则此轴的同轴度误差亦合格。
()19.端面全跳动公差和平面对轴线垂直度公差两者控制的效果完全相同。
()20.端面圆跳动公差和端面对轴线垂直度公差两者控制的效果完全相同。
()21.尺寸公差与形位公差采用独立原则时,零件加工的实际尺寸和形位误差中有一项超差,则该零件不合格。
()22.作用尺寸是由局部尺寸和形位误差综合形成的理想边界尺寸。
对一批零件来说,若已知给定的尺寸公差值和形位公差值,则可以分析计算出作用尺寸。
()23.被测要素处于最小实体尺寸和形位误差为给定公差值时的综合状态,称为最小实体实效状态。
()24.当包容要求用于单一要素时,被测要素必须遵守最大实体实效边界。
()25.当最大实体要求应用于被测要素时,则被测要素的尺寸公差可补偿给形状误差,形位误差的最大允许值应小于给定的公差值。
形状和位置公差试题一、填空题1、形状和位置公差简称_______________。
2、美标ASME Y14.5-2009标准规定,形位公差共有_______________个项目。
其中形状公差_______________项。
位置公差_______________项,形状或位置公差_______________项。
3、位置公差分为_______________、_______________和_______________。
4、形状公差代号包括:_______________、_______________、_______________和_______________。
5、基准代号由_______________、_______________、_______________和_______________。
6、构成零件几何特征的_____________为要素。
7、零的几何要素,按存在的状态分为_____________和_____________;按在形位公差中所处的地位分为_____________和_____________;按几何特性分为_____________和_____________。
8、被测要素分为_____________和_____________两种。
9、当被测要素为中心要素时,形位公差代号_____________应与该要素的尺寸线_____________。
10、如果被测实际要素与其_____________能完全重合,表明形状误差为零。
11、用以限制实际要素变动的区域称为_____________。
12、被测实际要素在_____________内(或之间)为合格,反之为不合格。
13、用来确定被测要素的方向或位置的要素称为_____________.14、形位公差带由_____________、_____________、_____________和_____________四要素组成。
一、判断题1.√2.√3.×4.×5.×6.×7.√8.√9.× 10.× 11.√ 12.× 13.√ 14.× 15.√ 16.× 17.× 18.√ 19.× 20.√二、选择题1. A;B2. A;C;D3. A;B4. B;C5. B;C;E6. B;D7. C;D;E8. A;C;E9.B;C;E 10.B;D 11. A;D;E 12. B;C;D 13. B;D 14. B;C 15. A;C三、填空题2.公差带形状相同前者公差带轴线位置浮动而后者轴线的位置是固定的。
3.距离为公差值t的两平行平面直径为公差值t的圆柱面内4.半径差为公差值t的两同心圆之间的区域半径差为公差值t的两同轴圆柱面之间的区域5.距离为公差值t,且相对基准中心平面(或中心线、轴线)对称配置的两平行平面之间的区域6.距离分别为公差值t1 、t2的两对平行平面之间的区域7.径向全跳动误差径向全跳动误差8.内凹或中凸9.满足其功能要求10.相同固定浮动11.直径为公差值t,且与基准平面成理论正确角度的圆柱面内的区域直径为公差值t,且以线的理想位置为轴线的圆柱面内的区域12.0.02513.给定任意方向的线相对第一基准B,第二基准A的位置度公差为Ф0.1,且遵守最小实体要求。
14.Ф40.03 Ф40.119 Ф40.08715.Ф40.041 Ф4.0046 Ф40.03316.0.01 Ф40.11917.MMC(最大实体边界)Ф20 018.最小实体状态Ф9.972 0.0219.在满足使用功能的前提下,选用最经济的公差值四、综合题答案图2-9 10.见答案图2-10。
答案图2-10 11.见答案图2-11。
答案图2-11 12.见答案图2-12。
答案图2-12 13.见答案图2-13。
答案图2-13 14.见答案图2-14。
形位公差练习题一、填空题(每题4分,共20分)1、确定形位公差带的四个要素分别是:方向、、位置、大小;2、一般将形状公差和简称形位公差;3、形位公差带的用以体现形状、位置精度要求的高低;4、在形位公差中,构成零件外形的点、线、面是要素;5、在形位公差中,表示轮廓要素的对称中心的点、线、面是要素。
二、选择题(每题5分,共35分)1、形状公差带是用来限制被测实际要素形状变动的();A、区域B、大小C、范围D、位置2、关于任意方向的直线度公差要求,下列说法中错误的是();A、公差带形状为圆柱面B、任意方向实质上就是没有方向要求C、此项公差要求常用于回转类零件的轴线D、标注时公差值前加“Φ”3、直线度公差带比平面度公差带要复杂些,主要原因是();A、就几何要素讲,线比面要简单B、直线在空间的位置比平面复杂C、被测直线可以是轮廓要素也可以是中心要素,而被测平面只能为轮廓要素D、直线度公差的被测方向比平面度公差多4、圆度公差和圆柱度公差的关系是();A、圆度公差可以控制圆柱度误差B、圆柱度公差可以控制圆度误差C、两者可以替代使用D、两者的公差带形状不同,相互独立,没有关系5、关于被测要素,下列说法中正确的是();A、零件上给出了形状公差要求的点、线、面,非检测对象B、被测要素是具有几何意义的要素C、被测要素表示组成要素的对称中心的点、线、面D、被测要素也就是指引线箭头指向的点、线、面6、同轴度公差属于()A、形状公差B、定位公差C、定向公差D、跳动公差7、()公差的公差带形状是唯一的。
A、直线度B、同轴度C、垂直度D、平行度二、读图题(每空2分,共45分)在下面形位公差标注中,将形位公差的含义填写在下表中。
机械形位公差试题及答案一、单选题(每题2分,共20分)1. 机械加工中,形位公差是指零件的()。
A. 尺寸精度B. 形状精度C. 位置精度D. 形状和位置精度答案:D2. 形位公差中,直线度是指()。
A. 直线的直线程度B. 直线的弯曲程度C. 直线的倾斜程度D. 直线的扭曲程度答案:A3. 圆度公差是指()。
A. 圆的圆周长度B. 圆的直径大小C. 圆的圆心位置D. 圆的圆周上各点到圆心的距离一致性答案:D4. 平行度公差是指()。
A. 两个平面的平行程度B. 两个平面的垂直程度C. 两个平面的倾斜程度D. 两个平面的接触程度答案:A5. 垂直度公差是指()。
A. 两个平面的垂直程度B. 两个平面的平行程度C. 两个平面的倾斜程度D. 两个平面的接触程度答案:A6. 同轴度公差是指()。
A. 两个轴线的平行程度B. 两个轴线的垂直程度C. 两个轴线的倾斜程度D. 两个轴线的同轴程度答案:D7. 倾斜度公差是指()。
A. 直线的倾斜程度B. 直线的弯曲程度C. 直线的扭曲程度D. 直线的直线程度答案:A8. 位置度公差是指()。
A. 点的位置精度B. 线的位置精度C. 面的位置精度D. 点、线、面的位置精度答案:D9. 同心度公差是指()。
A. 两个圆的圆心位置一致性B. 两个圆的直径大小C. 两个圆的圆周长度D. 两个圆的圆周上各点到圆心的距离一致性答案:A10. 跳动公差是指()。
A. 零件在旋转时的跳动程度B. 零件在旋转时的振动程度C. 零件在旋转时的倾斜程度D. 零件在旋转时的扭曲程度答案:A二、多选题(每题3分,共15分)1. 形位公差包括以下哪些类型?()A. 直线度B. 圆度C. 平行度D. 垂直度E. 同轴度答案:ABCDE2. 下列哪些是形状公差?()A. 直线度B. 圆度C. 平行度D. 垂直度E. 同轴度答案:AB3. 下列哪些是位置公差?()A. 直线度B. 圆度C. 平行度D. 垂直度E. 同轴度答案:CDE三、判断题(每题2分,共10分)1. 形位公差是零件加工中非常重要的参数。
极限第二章形位公差测试题班级姓名分数学号一、选择题(每题2分)1.属于形状公差的是()A.圆柱度B.圆跳动C.同轴度D.平行度2.在图样标注时,当被测要素是()时,公差框格指引线箭头与尺寸线对齐。
A.轴线B.圆柱面C.圆锥面D.轮廓面3.对于孔和轴,最大实体尺寸是指()A.孔和轴的最大极限尺寸B.孔和轴的最小极限尺寸C.孔的最大极限尺寸和轴的最小极限尺寸D.孔的最小极限尺寸和轴的最大极限尺寸4.对于径向全跳动公差,下列叙述正确的是()A.属于形状公差B.属于定向公差C.属于跳动公差D.属于定位公差5.某孔标注为45H7φ E 时,表明其对应要素遵守()要求。
A.最大实体B.最小实体C.独立D.包容6.属于位置公差的有A.圆柱度B.圆度C.同轴度D.平面度7.在图样标注时,公差框格指引线的箭头需与尺寸线对齐的要素是A.中心要素B.轮廓要素C.关联要素D.理想要素8.某公差框格为,表明其对应要素遵守____要求。
A.最大实体B.最小实体C.公差D.包容9.径向圆跳动的被测要素是A.圆柱面B.轴心线或圆柱面C.垂直轴线的任一圆截面D.轴心线10.形位公差带四要素不包括A.形状B.大小C.位置D.精度11.评定位置公差的项目有A.6项B.14项C.8项D.10项12.形位公差标注时,基准线与尺寸线对齐的要素是A.轮廓要素B.实际要素C.单一要素D.中心要素13.某实际被测轴线相对于基准轴线的最近点距离为,最远点距离为,则该实际被测轴线对基准轴线的同轴度误差为A.B.C.D.14.图样上给出的形状公差为○M,表示被测要素遵守A.最大实体要求B.包容原则C.最小实体要求D.独立原则15.径向全跳动公差带的形状和公差带的形状相同。
A.同轴度B.圆度C.圆柱度D.位置度16.公差原则是指A.确定公差值大小的原则B.制定公差与配合标准的原则C.形状公差与位置公差的关系D.尺寸公差与形位公差的关系17.如果某轴一横截面实际轮廓由直径分别为540.0φmm和0340.φmm的两个同心圆包容而形成最小包容区域,则该横截面的圆度误差为A.B.C.D.18.下列形位公差项目中,必须有基准要求的是A.线轮廓度B.平面度C.圆度D.同轴度19.在图样上标注形位公差要求,当形位公差前面加注φ时,则被测要素的公差带形状应为A.两同心圆B.圆形或球形C.两同轴线圆柱面D.圆形或圆柱形20.最大实体尺寸是指A.孔和轴的最大极限尺寸B.孔和轴的最小极限尺寸C.孔的最小极限尺寸和轴的最大极限尺寸D.孔的最大极限尺寸和轴的最小极限尺寸21.轴的直径为φ 0-0.0330mm,其轴线直线度公差在图样上标注为φ0.01○M mm,则直线度公差的最大值可为A.φ0.01mm B.φ0.02mmC.φ0.03mm D.φ0.04mm23.属于形状公差的是A.圆柱度B.平行度C.同轴度D.圆跳动24.某公差标注中出现了○L ,表明其对应要素遵守要求。
百度文库- 让每个人平等地提升自我!
111
第三章形位公差——随堂练习(测验2)
试将下列各项形位公差要求标注在下图上,并描述(1)(2)(4)(5)(6)
的公差带。
(1)左端面的平面度公差0.01mm;
(2)右端面对左端面的平行度公差0.04mm;
(3)Φ70孔采用H7遵守包容要求,Φ210外圆柱面采用h7遵守独立原则;
(4)Φ70孔心线对左端面的垂直度公差0.02mm;
(5)Φ210外圆柱面轴线对Φ70孔的同轴度公差0.03mm;
(6)4×Φ20H8孔心线对左端面(第一基准)及Φ70孔心线的位置度公差为Φ0.15mm(要求均布),被测孔心线位置度公差与Φ20H8尺寸公差
的关系采用最大实体要求。
形位公差带四要素的描述
序号项目名称公差带大小公差带的方向公差带的位置公差带的形状(1)平面度
(2)平行度
(4)垂直度
(5)同轴度/
(6)位置度理想位置
(2)平行度公差带:
(4)垂直度公差带:
(5)同轴度公差带:
(6)位置度公差带:
Φ20时,位置度误差值可达Φmm
若Φ20H8孔的实际尺寸为
Φ20+0.033时,位置度误差可达Φmm
222。
形位公差练习题
1、形状和位置公差简称_______________。
2、国家标准规定,形位公差共有_______________个项目。
其中形状公差_______________项。
位置公差_______________项,形状或位置公差_______________项。
3、位置公差分为_______________、_______________和_______________。
4、形状公差代号包括:_______________、_______________、_______________和_______________。
综合题
1、在表中填写出形位公差各项目的符号,并注明该项目是属于形位公差还是属于位置公差。
项目符号形位公差
类别项目符号形位公差
类别
同轴度圆度圆柱度平行度位置度圆跳动面轮廓度平面度全跳动直线度2、说明图中形位公差代号标注的含义。
3、按下列要求在习题图上标出形位公差代号。
(1)φ50mm圆柱面素线的直线度公差值为0.02mm。
(2)φ30mm圆柱面的圆柱度公差值为0.05mm。
(3)整个零件的轴线必须位于直径0.04mm的圆柱面内。
4、说明图中形位公差代号标注的含义(按形位公差读法及公差带含义两种方法说明)。
5、将下列技术要求用代号标注在习题图上。
(1)φ20d7圆柱面任一素线的直线度公差值为0.05mm。
(2)φ40m7轴线相对于φ20d7轴线的同轴度公差值为φ0.01mm。
(3)φ10H6槽的两平行平面中任一平面对另一平面的平行度公差值为0.015mm。
(4)φ10H6槽的中心平面对φ40m7轴线的对称度公差值为0.01mm。
(5)φ20d7圆柱面的轴线对φ40m7圆柱右端面的垂直度公差值为φ0.02mm。
6、说明形位公差标注的含义。