形位公差习题.docx
- 格式:docx
- 大小:439.41 KB
- 文档页数:24
一、单项选择题1. 可以根据具体情况规定不同形状的公差带的形位公差特征项目是(A )。
A 直线度B 平面度C 圆度D 同轴度2. 被测轴线的直线度公差与它对基准轴线的同轴度公差的关系应是(C )。
A 前者一定等于后者B 前者一定大于后者C 前者不得大于后者D 前者不得小于后者3. 若某轴一横截面内实际轮廓由直径分别为φ20.05mm 与φ20.03mm 的两同心圆包容面形成最小包容区域。
则该轮廓的圆度误差值为(B )。
A 0.02mmB 0.01mmC 0.015mmD 0.005mm4. 在图样上标注被测要素的形位公差,若形位公差值前面加“φ”,则形位公差带的形状为(C )。
A 两同心圆B 两同轴圆柱C 圆形或圆柱形D 圆形、圆柱形或球5. 孔的轴线在任意方向上的位置度公差带的形状是(B );圆度公差带的形状是(A )。
A 两同心圆B 圆柱C 两平行平面D 相互垂直的两组平行平面二、多项选择题1.某轴标注00.02120φ-○E ,则__A 、D__。
A .被测要素尺寸遵守最大实体边界B .当被测要素尺寸为20mm φ,允许形状误差最大可达0.021mmC .被测要素遵守实效边界D .被测要素尺寸为19.979mm φ时,允许形状误差最大可达0.021mm2.最大实体要求用于被测要素时___ABC__。
A .位置公差值的框格内标注符号○MB .实际被测要素偏离最大实体尺寸时,形位公差值允许增大C .实际被测要素处于最大实体尺寸时,形位公差为给定的公差值D .被测要素遵守的是最大实体边界3.符号0.0160.027120.06M φφ---圈 说明__C_。
A.最大实体尺寸为11.973mmB.遵守包容原则C.可能补偿的最大形位公差值是0.011mm三、判断题1.最大实体状态就是尺寸最大时的状态。
(×)2.实际要素处于最大极限尺寸且相应的中心要素的形位误差达到最大允许值时的状态称为最大实体实效状态。
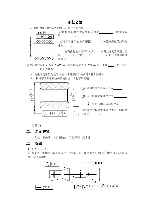
形位公差1、根据下图中形位公差的标注,回答下列问题①该标注的形位公差项目名称是,被测要素是。
②该零件采用的公差原则为;该原则遵循的边界尺寸为。
③内孔的最大实体尺寸为,此时允许的直线度公差为;最小实体尺寸为,此时允许的直线度公差为;○4当孔的实际尺寸为φ20.025mm,直线度误差为0.035mm时,工件(是、否)合格?为什么?2、写出下列形位公差的符号(14种形位公差项目名称和符号)3、根据下面图中形位公差的标注,回答下列问题:○1外圆的最大实体尺寸为;○2内孔的最大实体尺寸为;○3零件采用的公差原则是,当外圆尺寸取最大实际尺寸时,同轴度公差为。
4、习题4-6二、名词解释公差、互换性、表面粗糙度、公差原则、尺寸链三、标注1、P121 4-142、改正图1中各项形位公差标注上的错误,将正确的形位公差标注到图2上,(不得改变形位公差项目3、将下列技术要求标注在图上1. Φ20h6轴轴线的直线度公差0.01 mm;2. 外圆锥面对Φ20h6轴线的斜向圆跳动公差0.03 mm;3. 外圆锥面素线的直线度公差0.01 mm4. 外圆锥面的圆度公差0.015 mm;5. Φ20h6轴素线的直线度公差0.02 mm;1.合理的确定与正确进行是保证产品质量,实现互换性生产的两个必不可少的前提和手段2.表面粗糙度值越,则零件表面越光滑。
3.一个完整的测量包括__________、_________、___________、___________四要素。
4.测量误差按其性质可分为、和。
5.尺寸链具有和两个特性。
6.尺寸链计算的主要目的是进行计算和计算。
7.由于包括了圆柱度误差和同轴度误差,当不大于给定的圆柱度公差值时,可以肯定圆柱度误差不会超差。
8.对于轴类零件,公差检测方便,故应优先采用。
一、基本内容:1、形位公差的标注:被测要素、公差框格、指引线(垂直于框格引出,指向公差带宽度方向)、基准(分清轮廓要素和中心要素,字母放正,单一基准和组合基准)2、公差带的特点(四要素)大小、方向、形状、位置3、公差原则基本概念作用尺寸:单一要素的作用尺寸简称作用尺寸MS。
是实际尺寸和形状误差的综合结果。
作用尺寸:Dms=Da—误差dms=da+误差最大、最小实体状态和实效状态:(1)最大和最小实体状态MMC:含有材料量最多的状态。
孔为最小极限尺寸;轴为最大极限尺寸。
LMC:含有材料量最小的状态。
孔为最大极限尺寸;轴为最小极限尺寸。
MMS=Dmin;dmaxLMS=Dmax;dmin(2)最大实体实效状态最大实体实效状态MMVC:是指实际尺寸达到最大实体尺寸且形位误差达到给定形位公差值时的极限状态。
最大实体实效尺寸MMVS:在实效状态时的边界尺寸。
A)单一要素的实效尺寸是最大实体尺寸与形状公差的代数和。
对于孔:最大实体实效尺寸MMVSh=最小极限尺寸—形状公差对于轴:最大实体实效尺寸MMVSs=最大极限尺寸+形状公差B)关联要素的实效尺寸是最大实体尺与位置公差的代数和。
对于孔:最大实体实效尺寸MMVSh=最小极限尺寸—位置公差对于轴:最大实体实效尺寸MMVSs=最大极限尺寸+ 位置公差理想边界理想边界是设计时给定的,具有理想形状的极限边界。
(1)最大实体边界(MMC边界)当理想边界的尺寸等于最大实体尺寸时,该理想边界称为最大实体边界。
(2)最大实体实效边界(MMVC边界)当理想边界尺寸等于实效尺寸时,该理想边界称为实效边界。
包容原则(遵守MMC边界)○E(1)定义:要求被测实际要素的任意一点,都必须在具有理想形状的包容面内,该理想形状的尺寸为最大实体尺寸。
即当被测要素的局部实际尺寸处处加工到最大实体尺寸时,形位误差为零,具有理想形状。
(2)包容原则的特点A、要素的作用尺寸不得超越最大实体尺寸MMS。
一、判断题〔正确的打√,错误的打X〕1.某平面对基准平面的平行度误差为0.05mm,那么这平面的平面度误差一定不大于0.05mm。
()2.某圆柱面的圆柱度公差为0.03 mm,那么该圆柱面对基准轴线的径向全跳动公差不小于0.03mm。
()3.对同一要素既有位置公差要求,又有形状公差要求时,形状公差值应大于位置公差值。
()4.对称度的被测中心要素和基准中心要素都应视为同一中心要素。
()5.某实际要素存在形状误差,则一定存在位置误差。
()mm孔,如果没有标注其圆度公差,那么它的圆度误差值可任意确6.图样标注中Φ20+定。
()7.圆柱度公差是控制圆柱形零件横截面和轴向截面内形状误差的综合性指标。
()8.线轮廓度公差带是指包络一系列直径为公差值t的圆的两包络线之间的区域,诸圆圆心应位于理想轮廓线上。
()9.零件图样上规定Φd实际轴线相对于ΦD基准轴线的同轴度公差为Φ0.02 mm。
这表明只要Φd实际轴线上各点分别相对于ΦD基准轴线的距离不超过0.02 mm,就能满足同轴度要求。
()10.若某轴的轴线直线度误差未超过直线度公差,则此轴的同轴度误差亦合格。
()11.端面全跳动公差和平面对轴线垂直度公差两者控制的效果完全相同。
()12.端面圆跳动公差和端面对轴线垂直度公差两者控制的效果完全相同。
()13.尺寸公差与形位公差采用独立原则时,零件加工的实际尺寸和形位误差中有一项超差,则该零件不合格。
()14.作用尺寸是由局部尺寸和形位误差综合形成的理想边界尺寸。
对一批零件来说,若已知给定的尺寸公差值和形位公差值,则可以分析计算出作用尺寸。
()15.被测要素处于最小实体尺寸和形位误差为给定公差值时的综合状态,称为最小实体实效状态。
()16.当包容要求用于单一要素时,被测要素必须遵守最大实体实效边界。
()17.当最大实体要求应用于被测要素时,则被测要素的尺寸公差可补偿给形状误差,形位误差的最大允许值应小于给定的公差值。
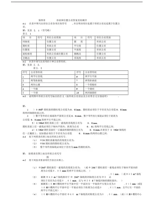
第四章形状和位置公差答案页码顺序4-1在表中填写出形位公差各项目的符号, 并注明该项目是属于形状公差还是属于位置公差。
解:见表2. 1 (符号略)表 2. 1项目符号形位公差类别项目符号形位公差类别同轴度位置公差圆度形状公差圆柱度形状公差平行度位置公差位置度位置公差平面度形状公差面轮廓度形状公差或位置公差圆跳动位置公差全跳动位置公差直线度形状公差4-2在表中填写出常用的十种公差带形状。
解:见表2. 2。
表2. 2序号公差带形状序号公差带形状1两平行直线6两平行平面2两等距曲线7两等距曲面3两同心圆8一个四棱柱4一个圆9一个圆柱5一个球10两同轴圆柱4-3 .说明图中形状公差代号标注的含义(按形状公差读法及公差带含义分别说明)。
解:1)φ 60f7 圆柱面的圆柱度公差值为 0。
05mm。
圆柱面必须位于半径差为公差值 0。
05mm 的两同轴圆柱面之间。
2)整个零件的左端面的平面度公差是0。
01mm。
整个零件的左端面必须位于距离为公差值 0。
01mm的两平行平面之间。
3)φ 36h6 圆柱表面上任一素线的直线度公差为0。
01mm。
圆柱表面上任一素线必须位于轴向平面内,距离为公差4)φ 36h6 圆柱表面任一正截面的圆的圆度公差为0。
01 的两平行直线之间。
0。
01mm,在垂直于φ 36h6 轴线的任一正截面上,实际圆必须位于半径差为公差值0。
01mm的两同心圆之间。
4-4按下列要求在图上标出形状公差代号。
(1)Φ50 圆柱面素线的直线度公差为。
(2)Φ30 圆柱面的圆柱度公差为。
(3)整个零件的轴线必须位于直径为mm的圆柱面内。
解:按要求在图上标出形状公差代号图4-5将下列技术要求用代号表注在图上。
(1)Φ20d7 圆柱面任一素线的直线度公差为。
(或Φ 20d7圆柱面任一素线必须位于轴向平面内距离为公差值0 . 05 mm的两平行直线之间。
)(2)被测Φ40 m7轴线相对于Φ 20d7 轴线的同轴度公差为Φ0. 01 mm。
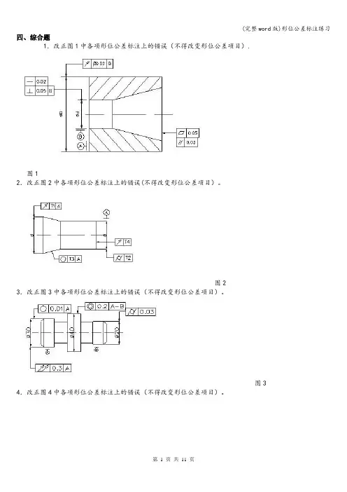
四、综合题1.改正图1中各项形位公差标注上的错误(不得改变形位公差项目).图12.改正图2中各项形位公差标注上的错误(不得改变形位公差项目)。
图23.改正图3中各项形位公差标注上的错误(不得改变形位公差项目)。
图3 4.改正图4中各项形位公差标注上的错误(不得改变形位公差项目)。
图45.改正图5中各项形位公差标注上的错误(不得改变形位公差项目).图56.改正图6中各项形位公差标注上的错误(不得改变形位公差项目).图6 7.将下列技术要求标注在图7上.(1)φ100h6圆柱表面的圆度公差为0。
005mm。
(2)φ100h6轴线对φ40P7孔轴线的同轴度公差为φ0。
015mm。
(3)φ40P7孔的圆柱度公差为0.005mm。
(4)左端的凸台平面对φ40P7孔轴线的垂直度公差为0。
01 mm。
(5)右凸台端面对左凸台端面的平行度公差为0。
02 mm.图78.将下列技术要求标注在图8。
(1)圆锥面的圆度公差为0.01 mm,圆锥素线直线度公差为0.02 mm。
(2)圆锥轴线对φd1和φd2两圆柱面公共轴线的同轴度为0.05 mm。
(3)端面Ⅰ对φd1和φd2两圆柱面公共轴线的端面圆跳动公差为0.03 mm.(4)φd1和φd2圆柱面的圆柱度公差分别为0.008 mm和0。
006 mm.图8 9.将下列技术要求标注在图9上。
(1)左端面的平面度公差为0.01 mm,右端面对左端面的平行度公差为0。
04 mm。
(2)φ70H7孔的轴线对左端面的垂直度公差为0.02mm。
(3)φ210h7轴线对φ70H7孔轴线的同轴度公差为φ0.03mm。
(4)4-φ20H8孔的轴线对左端面(第一基准)和φ70H7孔轴线的位置度公差为φ0。
15mm。
图910.试将下列技术要求标注在图10上.(1)2-φd轴线对其公共轴线的同轴度公差为φ0。
02mm。
(2)φD轴线对2-φd公共轴线的垂直度公差为100 :0.02 mm.(3)槽两侧面对称中心面对φD轴线的对称度公差为0.02图1011.试将下列技术要求标注在图11上.(1)圆锥面a的圆度公差为0.1 mm。
2013学年第二学期期中试卷(2014.4)职一《零件测量与质量控制技术》班级姓名成绩一、填空题(共16空,每空1分)1.图样上给出形状或位置公差要求的要素称为___________要素,用来确定被测要素方向或位置的要素称为______________要素。
2.根据零件的功能要求分,可分为给出在、和的直线度要求三种类型。
3.位置度包括、和的位置度。
4.圆度误差的近似测量方法有和两种。
5.平行度误差常用的检测方法是。
6.对于大型设备中表面较长零件的直线度误差,应该采用来测量,它的主要工作部分是。
7.对于较小平面,可以采用法检测平面度,对于较大平面,可以采用法检测平面度,对于中型平面,可以采用法检测平面度。
二、选择题(共10题,每题3分)1. 对一些零件的重要工作面和轴线,常规定其形位误差的。
A.最小允许值 B.平均值 C.最大允许值 D.无所谓2. 形位误差值相应的形位公差值,则认为零件合格。
A.小于 B.小于或等于 C.大于 D.大于或等于3. 零件上的被测要素可以是。
A.理想要素和实际要素B.理想要素和轮廓要素C.理想要素和中心要素D.中心要素和轮廓要素4.用打表法测量直线度时,百分表测头应压在被测表面。
A.平行B.直接C.垂直D.水平5.形位公差的基准代号中字母应。
A.垂直方向书写B.水平方向书写C.应和基准符号的方向一致D.任意方向书写6.平面度公差带的形状是间的区域。
A.两平行直线B.两平行平面C.圆柱面D.两同轴圆柱面7.公差带形状是指半径为公差值t的圆柱面内区域。
A.直线度B.平面度C.圆度D.圆柱度8.下面不能被直线度所限制的选项是。
A.平面外的直线B. 平面内的直线C.直线回转体上的素线D.平面与平面的交线9.用打表法测量直线度时,适当的百分表压缩量为。
A.1.5~2圈B. 1~2圈C. 2~2.5圈D. 2.5~3圈10.测量平面度误差需要可调千斤顶建立测量基面。
A.2个B. 3个C. 4个D.5个11.当孔为被测要素或基准要素时,通常常用作为辅助测量工具。
第四章形状与位置公差班级_________________________ 姓名 ____________________ 学号___________________________ 1. 如图所示将下列形位公差要求标注在图上:(1) 圆锥截面圆度公差为0.006mm ;(2) 圆锥素线直线度公差为7级(L=50mm),并且只允许材料向外凸起;(3) 80H7遵守包容要求,80H7孔表面的圆柱度公差为0.005mm ;⑷圆锥面对80H7轴线的斜向圆跳动公差为0.02mm ;(5)右端面对左端面的平行度公差为0.005mm。
6Gft2. 将下列形位公差要求,分别标注在图4-5a、b 上:(1)标注在图a上的形位公差要求:0 01) 40工.03圆柱面对两25』021公共轴线的圆跳动公差为0.015mm ;2) 两25 q021轴颈的圆度公差为0.01mm ;0 03) 40 a03左、右端面对2-25工.021公共轴线的端面圆跳动公差为0.02mm ;0 04) 键槽10 q036中心平面对40』03轴线的对称度公差为0.015mm。
1 一1a) b)(2)标注在图b上的形位公差要求:1) 底平面的平面度公差为0.012mm ;0.0212) 20 0两孔的轴线分别对它们的公共轴线的同轴度公差为0.015mm ;0.0213) 20 0两孔的轴线对底面的平行度公差为0.01mm,两孔表面的圆柱度公差为0.008mm。
3. 将下列技术要求标注在习题图3-3上。
(1)100h6圆柱表面的圆度公差为0.005mm。
(2)100h6轴线对$ 40P7孔轴线的同轴度公差为$ 0.015mm。
(3)40P7孔的圆柱度公差为0.005mm。
(4)左端的凸台平面对40P7孔轴线的垂直度公差为0.01 mm。
(5)右凸台端面对左凸台端面的平行度公差为0.02 mm。
4. 试将下列技术要求标注在图上(1) $门圆柱面的尺寸为 $ 30b.Q25 mm,采用包容要求,$。
公差第四章练习题73、形状和位置公差简称_________________ o74、国家标准规定,形位公差共有______________________ 个项目。
其中形状公差_______________ 项。
位置公差_______________________ 项,形状或位置公差项。
75、位置公差分为_______________ 、________________ 和_________________ o76、形状公差代号包括:_________________ 、 _________________ 、_______________ 和________________ O77、基准代号由___________________ 、__________________ 、_________________ 和78、构成零件几何特征的____________ 为要素。
79、零的几何要素,按存在的状态分为_______________ 和______________ ;按在形位公差中所处的地位分为___________________ 和 ______________ ;按几何特性分为_____________ 和_____________ O80、被测要素分为____________ 和_______________ 两种。
81、当被测要素为中心要素时,形位公差代号_______________ 应与该要素的尺寸线82、如果被测实际要素与其_______________ 能完全重合,表明形状误差为零。
83、用以限制实际要素变动的区域称为_______________ ©84、被测实际要素在______________ 内(或之间)为合格,反之为不合格。
85、用来确定被测要素的方向或位置的要素称为________________ •86 形位:公差带由_____________ 、______________ 、_____________ 和_____________ 四要素组成。
百度文库- 让每个人平等地提升自我!
111
第三章形位公差——随堂练习(测验2)
试将下列各项形位公差要求标注在下图上,并描述(1)(2)(4)(5)(6)
的公差带。
(1)左端面的平面度公差0.01mm;
(2)右端面对左端面的平行度公差0.04mm;
(3)Φ70孔采用H7遵守包容要求,Φ210外圆柱面采用h7遵守独立原则;
(4)Φ70孔心线对左端面的垂直度公差0.02mm;
(5)Φ210外圆柱面轴线对Φ70孔的同轴度公差0.03mm;
(6)4×Φ20H8孔心线对左端面(第一基准)及Φ70孔心线的位置度公差为Φ0.15mm(要求均布),被测孔心线位置度公差与Φ20H8尺寸公差
的关系采用最大实体要求。
形位公差带四要素的描述
序号项目名称公差带大小公差带的方向公差带的位置公差带的形状(1)平面度
(2)平行度
(4)垂直度
(5)同轴度/
(6)位置度理想位置
(2)平行度公差带:
(4)垂直度公差带:
(5)同轴度公差带:
(6)位置度公差带:
Φ20时,位置度误差值可达Φmm
若Φ20H8孔的实际尺寸为
Φ20+0.033时,位置度误差可达Φmm
222。
、判断题〔正确的打√,错误的打X〕1. 某平面对基准平面的平行度误差为0.05mm ,那么这平面的平面度误差一定不大于0. 05mm。
( )2. 某圆柱面的圆柱度公差为0. 03 mm,那么该圆柱面对基准轴线的径向全跳动公差不小于0. 03mm。
( )3. 对同一要素既有位置公差要求,又有形状公差要求时,形状公差值应大于位置公差值。
( )4. 对称度的被测中心要素和基准中心要素都应视为同一中心要素。
( )5. 某实际要素存在形状误差,则一定存在位置误差。
( )6. 图样标注中Φ 2 0 +00.021mm 孔,如果没有标注其圆度公差,那么它的圆度误差值可任意确定。
( )7. 圆柱度公差是控制圆柱形零件横截面和轴向截面内形状误差的综合性指标。
( )8. 线轮廓度公差带是指包络一系列直径为公差值t 的圆的两包络线之间的区域,诸圆圆心应位于理想轮廓线上。
( )9. 零件图样上规定①d实际轴线相对于①D基准轴线的同轴度公差为①0. 02 mm。
这表明只要①d实际轴线上各点分别相对于①D基准轴线的距离不超过0. 02 mm ,就能满足同轴度要求。
( )10. 若某轴的轴线直线度误差未超过直线度公差,则此轴的同轴度误差亦合格。
( )11. 端面全跳动公差和平面对轴线垂直度公差两者控制的效果完全相同。
( )12. 端面圆跳动公差和端面对轴线垂直度公差两者控制的效果完全相同。
( )13. 尺寸公差与形位公差采用独立原则时,零件加工的实际尺寸和形位误差中有一项超差,则该零件不合格。
( )14. 作用尺寸是由局部尺寸和形位误差综合形成的理想边界尺寸。
对一批零件来说,若已知给定的尺寸公差值和形位公差值,则可以分析计算出作用尺寸。
( )15. 被测要素处于最小实体尺寸和形位误差为给定公差值时的综合状态,称为最小实体实效状态。
( )16. 当包容要求用于单一要素时,被测要素必须遵守最大实体实效边界。
( )17. 当最大实体要求应用于被测要素时,则被测要素的尺寸公差可补偿给形状误差,形位误差的最大允许值应小于给定的公差值。
( )18. 被测要素采用最大实体要求的零形位公差时,被测要素必须遵守最大实体边界。
()19. 最小条件是指被测要素对基准要素的最大变动量为最小。
( )20. 可逆要求应用于最大实体要求时,当其形位误差小于给定的形位公差,允许实际尺寸超出最大实体尺寸。
( )、选择题(将下列题目中所有正确的论述选择出来1. __________________ 属于形状公差的有。
A .圆柱度。
B .平面度。
C. 同轴度。
D .圆跳动。
E.平行度。
2. __________________ 属于位置公差的有。
A .平行度。
B .平面度。
C.端面全跳动。
D •倾斜度。
E.圆度。
3•圆柱度公差可以同时控制—。
A .圆度。
B •素线直线度。
C.径向全跳动。
D .同轴度。
E.轴线对端面的垂直度。
4. 下列论述正确的有___ 。
A•给定方向上的线位置度公差值前应加注符号“①”B •空间中,点位置度公差值前应加注符号“球①”C.任意方向上线倾斜度公差值前应加注符号“①”D .标注斜向圆跳动时,指引线箭头应与轴线垂直。
E.标注圆锥面的圆度公差时,指引线箭头应指向圆锥轮廓面的垂直方向。
5. 对于径向全跳动公差,下列论述正确的有 ___ 。
A .属于形状公差。
B •属于位置公差。
C.属于跳动公差。
D .与同轴度公差带形状相同。
E.当径向全跳动误差不超差时,圆柱度误差肯定也不超差。
6. 形位公差带形状是半径差为公差值t的两圆柱面之间的区域有— A .同轴度。
B .径向全跳动。
C.任意方向直线度。
D .圆柱度。
E.任意方向垂直度。
7. 形位公差带形状是直径为公差值t的圆柱面内区域的有—。
A .径向全跳动。
B .端面全跳动。
C.同轴度。
D .任意方向线位置度。
E.任意方向线对线的平行度。
&形位公差带形状是距离为公差值t的两平行平面内区域的有________ 。
A .平面度。
B .任意方向的线的直线度。
C.给定一个方向的线的倾斜度。
D .任意方向的线的位置度。
E.面对面的平行度。
9. 对于端面全跳动公差,下列论述正确的有_。
A .属于形状公差。
B .属于位置公差。
C.属于跳动公差。
D .与平行度控制效果相同。
E .与端面对轴线的垂直度公差带形状相同。
10. _______________________ 下列公差带形状相同的有 。
A .轴线对轴线的平行度与面对面的平行度。
B .径向圆跳动与圆度。
C .同轴度与径向全跳动。
D .轴线对面的垂直度与轴线对面的倾斜度。
E .轴线的直线度与导轨的直线度11. _______________________ 某轴 ① 10 θo.oi5 mm ©则 。
A .被测要素遵守 MMC 边界。
B .被测要素遵守 MMVC 边界。
C .当被测要素尺寸为 ①10 mm 时,允许形状误差最大可达 0. 015 mm 。
D .当被测要素尺寸为 ①9.985mm 时,允许形状误差最大可达 0. 015 mm 。
E .局部实际尺寸应大于等于最小实体尺寸。
12. _____________________________________ 被测要素采用最大实体要求的零形位公差时 _______________________________________________ 。
A .位置公差值的框格内标注符号O E 。
B .位置公差值的框格内标注符号①0O 。
C .实际被测要素处于最大实体尺寸时,允许的形位误差为零。
D .被测要素遵守的最大实体实效边界等于最大实体边界。
E .被测要素遵守的是最小实体实效边界。
13. 符号∣~∣丄[①0O∏A ]说明_。
A .被测要素为单一要素。
B .被测要素遵守最小实体要求。
C .被测要素遵守的最小实体实效边界不等于最小实体边界。
D .当被测要素处于最小实体尺寸时,允许的垂直度误差为零。
E .在任何情况下,垂直度误差为零。
14. 下列论述正确的有_ A .孔的最大实体实效尺寸 B .孔的最大实体实效尺寸 C .轴的最大实体实效尺寸 D .轴的最大实体实效尺寸E .最大实体实效尺寸=最大实体尺寸。
15.某孔① 10 +00.015mm O 则 ________________________________ 。
A .被测要素遵守 MMC 边界。
B .被测要素遵守 MMVC 边界。
C. 当被测要素尺寸为 ①10 mm 时,允许形状误差最大可达D. 当被测要素尺寸为 ①10. 01 mm 时,允许形状误差可达E. 局部实际尺寸应大于或等于最小实体尺寸。
三、填空题 1. 属于较高和中等精度的公差等级有—,用于精密配合或重要配合处。
2.圆柱度和径向全跳动公差带相同点是—,不同点是—。
=D maX — 形位公差。
=最大实体尺寸一形位公差. =d max 十形位公差。
=实际尺寸十形位误差.0. 015mm 。
0. 01 mm 。
3. 在形状公差中,当被测要素是一空间直线,若给定一个方向时,其公差带是—之间的区域。
若给定任意方向时,其公差带是—区域。
4. 圆度的公差带形状是—,圆柱度的公差带形状是—。
5. 当给定一个方向时,对称度的公差带形状是—。
6. 轴线对基准平面的垂直度公差带形状在给定两个互相垂直方向时是 ___ 。
7. 由于—包括了圆柱度误差和同轴度误差,当—不大于给定的圆柱度公差值时, 可以肯定圆柱度误差不会超差。
8. 当零件端面制成—时,端面圆跳动可能为零。
但却存在垂直度误差。
9.径向圆跳动在生产中常用它来代替轴类或箱体零件上的同轴度公差要求, 其使用前坦阜 提是 ___ 。
10. 径向圆跳动公差带与圆度公差带在形状方面—, 但前者公差带圆心的位置是—而后者公差带圆心的位置是—11. 在任意方向上,线对面倾斜度公差带的形状是—, 线的位置度公差带形状是—C12. 图样上规定健槽对轴的对称度公差为 0. 05mm ,贝U 该键槽中心偏离轴的轴线距离不得大于 ___ mm c14.某孔尺寸为①40+0.030mm ,轴线直线度公差为①0.005 mm ,实测得其局部尺寸为 ①40. 09 mm ,轴线直线度误差为 ①0.003 mm ,则孔的最大实体尺寸是.17.某轴尺寸为①40:0.041mm (E ,实测得其尺寸为 ①40.03 mm ,则允许的形位误差数值2.改正图2-2中各项形位公差标注上的错误(不得改变形位公差项目)13.「-①).1 (E) A 含义是.mm ,最小实体尺寸是. m m ,作用尺寸是. mm 。
15.某轴尺寸为①40+0.030mm ,轴线直线度公差为 ①0.005 mm ,实测得其局部尺寸为 ①40. 031 mm ,轴线直线度误差为 ①0.003 mm ,则轴的最大实体尺寸是. mm ,最大实体实效尺寸是 ___ mm ,作用尺寸是. 16.某孔尺寸为①40+0.139mm (E ,实测得其尺寸为 ①40.09 mm ,则其允许的形位误差数 mm 。
+0.119l+0.030值是 ___ m m ,当孔的尺寸是.mm 时,允许达到的形位误差数值为最大。
是—mm ,该轴允许的形位误差最大值为. mm 。
18.某轴尺寸为①20-0.1 mm E ,遵守边界为 __________ ,边界尺寸为20 mm 时,允许的形位误差为.mm ,实际尺寸为①mm 。
19.某轴尺寸为①1 0-0.028 mm ,被测要素给定的尺寸公差和形位公差采用最小实体要求,则垂直度公差是在被测要素为—时给定的。
当轴实际尺寸为 垂直度误差达最大,可达 __20.形位公差值选择总的原则是—。
四、综合题mm 是,允许的mm 。
1.改正图2-1中各项形位公差标注上的错误(不得改变形位公差项目)图2-13. 改正图2-3中各项形位公差标注上的错误(不得改变形位公差项目)图2-34 •改正图2-4中各项形位公差标注上的错误(不得改变形位公差项目)5. 改正图2-5中各项形位公差标注上的错误(不得改变形位公差项目)丄OJ35图2-2T图2-4--Ll A图2-56. 改正图2-6中各项形位公差标注上的错误(不得改变形位公差项目)图2-67. 改正图2-7中各项形位公差标注上的错误(不得改变形位公差项目)图2-7&改正图2-8中各项形位公差标注上的错误(不得改变形位公差项目)X∣0.0-2 RHIQ f l0QQi 三图2-89. 将下列技术要求标注在图2-9上。
(1)φ 100h6圆柱表面的圆度公差为0.005mm。
(2)φ 100h6轴线对φ 40P7孔轴线的同轴度公差为φ 0.015mm。