浆水平衡计算过程
- 格式:pdf
- 大小:242.82 KB
- 文档页数:13
浆水平衡计算1.浆水平衡计算说明造纸车间浆水平衡计算是物料平衡的一种特殊形式,通常以1t成品纸为计算基础,从完成成品起,逆流计算各部的浆料和药品。
在浆水平衡中,填料没有当做纤维计算,如浓缩机浓缩后浆料浓度较高,需加水稀释,由于不影响计算结果,计算时所取浓度为稀释后的浓度。
2.浆水平衡有关定额和工艺参数3.3浆水平衡计算(1)复卷,完成整理部 已知:成纸水分为8%,即c 1=c 2=c 3=92% 以1t 成品纸为计算基础,0=1000.0000, 成品率k 1=96%。
计算:成品率k 1=V0/V 22=V 0/K 1=1000.0000/96% 1=V 2-V 0=1041.6667-10002=V 2c 2=1041.6667×92%=958.3334 Q 1=Q 2-Q 0=958.3334-920 =38.3334已知:c 2=c 3=c 4=92%, 2=958.3334, 2=1041.6667, 抄造率K 2=97%,干损纸率d 1=1.5%. 计算:抄造率k 2= 抄纸损纸包括干损纸、湿损纸两部分设X=抄造量+抄造损纸量 成品库%100⨯+抄造损纸量抄造量抄造量则X=V 2/k 2=1041.6667/97% =1073.8832设Y 为X 中绝干纤维量,则 Y=Q 2/k 2=958.3334/97% =987.9726Q 3=Y ·d 1=987.9726×1.5% =14.8196V 3=Q 3/c 3=14.8196/92%=16.1083 Q 4=Q 2+Q 3=958.3334+14.8196=973.1530 V 4=V 3+V 2=16.1083+1041.6667=1057.7750(3)干燥部已知:进干燥部纸页干度c 5=42%,4=973.1530 4=1057.7750 4=92%计算:Q 5=Q 4=973.15305=Q 5/c 5=973.1530/42%=2317.0310 1=V 5-V 4=2317.0310-1057.7750=1259.2560(4)压榨部已知:c 5=42%,c 8=21%, Q 5=973.1530, 5=2317.0310, 压榨部湿损纸率d 2=0.5%, 压榨部带出纤维量d 3=0.15% 计算:Q 7=Y ·d 2=987.9726×0.5% 设湿损纸的平均干度为30%,压榨部 压光、卷取真空伏辊 伏损池 压榨白水 8V Q 7即c 7=30%,则 V 7=Q 7/c 7=4.9399/30% =16.4663压榨带出纤维量:Q 6=Q 8×d 3,且Q 8=Q 5+Q 6+Q 7,则:Q 8=(Q 5+Q 7)/(1-d 3)=(973.1530+4.9399)/(1-0.15%)=979.5622 Q 6=979.5622×0.15%=1.4693 V 8=Q 8/c 8=4664.5819 V 6=V 8-V 7-V 5=2331.0847(5)真空伏辊已知:Q 8=979.5622,V 8=4664.5819,c 8=21%,c 11=12%, 伏辊带出纤维率d 4=0.2%,冲边水W 5=2600, 伏辊湿损纸率d 5=1.0%计算:冲边宽度:b=2×20(mm ),横向收缩率ε=4.5%,抄宽:B m =3190mm,则: 湿纸宽度B n =%5.41-Bm=3298湿纸边占整个湿纸幅宽比率r=329840202+⨯=1.1983%所以,进入伏损池的湿边纸占进入伏辊纸页的1.1983%。
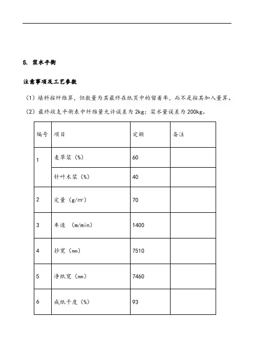
5. 浆水平衡注意事项及工艺参数(1)填料按纤维算,但数量为其最终在纸页中的留着率,而不是按其加入量算。
(2)最终收支平衡表中纤维量允许误差为2kg;浆水量误差为200kg。
浆水平衡计算[说明] 以1吨成品纸为计算基准,单位为kg.在计算过程中将填料视为纤维,而将AKD、胶体硅、染料液视为清水.从成品按流程顺序逆向推算。
1、成品库平衡:已知:成纸水分7%V0=Q0=" 1C 0 = C 1’= C 1”=93% 合格率K 1=97%计算:由于合格率K 1=所以合格产品量V 1’=V 0K 1=V 1”= V 0-V 1’= Q 1’= V 1’C 1’=×93%= Q 1”=V 1”C 1”=30×93%=2、完成复卷部平衡:已知:Q 1’=Q 1”= V 1’= V 1”=C 3 = C 1’= C 1”=C 2=93% 成品率K 2=95%计算:由于成品率K 2=所以,抄造量V 3=V 0/K 2 = Q 3=V 3C 3=×93%=100%⨯全部产品量合格产品100%)()(30⨯V V 抄造量全部产品V 2= V 3-V 1’ -V 1”= Q 2=Q 3-Q 1’-Q 2’’= 3、卷取部平衡:已知:Q 3=V 3=C 3 = C 4= C 5=93%抄造率K 3=97% 干损纸率d 1=% 干燥部计算:设G=抄造量+抄造损纸量, 所以:G=V 3/K 3=设G 中绝干纤维为H=Q 3/K 3=假设干损纸全部出在压光卷取部,则Q 4=Hd 1= V 4=Q 4/C 4= Q 5=Q 3 +Q 4= V 5=V 3+V 4=4干燥部平衡:已知:进干燥部的纸页干度C 6=48%Q 5= , V 5=计算:Q 6= Q 5=444C V 水力碎555C VV 6 = Q 6/ C 6=W 1= V 6-V 5 = 真空伏辊5压榨部平衡: 伏损 已知:进压榨部干度C 9=20%,进干燥部的纸页干度C 6=48%压榨部湿损纸率d 2=%(对理论抄造量) 混合压榨部带出纤维率d 3=%(对进浆) 白水池 Q 6=, V 6=计算:湿损纸进入伏损池,则Q 8=Hd 2=×%=设湿损纸平均干度为35%,即C 8=35%,因此V 8= Q 8/ C 8= Q 9= (Q 6+Q 8)/(1- d 3)= V 9= Q 9/ C 9= Q 7= Q 9-Q 6-Q 8= V 7= V 9-V 6-V 8=6、真空伏辊平衡: 真空箱已知:Q 9= V 9=进真空伏辊纸页干度C 12=14% 水针W 2 伏损池伏辊带出纤维率d 4=%(对进浆) 冲边水W 3 C 10伏辊湿损纸率d 5=%(对理论抄造量) 混合白水池999C V Q888C V Q777C V Q666C V Q真空1212C V Q12横向收缩率ε=%伏辊水封水W4 C11冲边水W3=伏辊水封水W4= C9冲边宽度b=2×25mm 抄宽Bm=7510mm 压榨部计算:纸页在压榨和干燥过程中,随着纸页中水分的除去而不断收缩,因此,网上纸页的宽度比实际抄宽要宽.而为了获得在伏辊上的冲边量,必须求出时纸页在网上的宽度。
浆水平衡计算过程【说明】以一吨成品纸为计算基准,单位为kg 从成品按流程顺序逆向推算1、复卷完成部已知:成纸水分=7%V0=1000.0000Q0=930.0000C0=C1=C2=93%成品率=95%201V1=V2-V0=1052.6316-1000.0000=52.6316Q2=V2×C2=1052.6316×93%=978.9474Q1=Q2-Q0=978.9474-930.0000=48.94742、压光卷取部从进入干燥部后都可以视为干损纸,所有干损纸都算在卷取部,所有湿损纸都算在真空伏棍处已知:Q2=978.94742=1052.63162=C3=C4=93%抄造率=k2=97%干湿损纸比率为1:1 设x= =1085.1872抄造量(V2)抄造率(k2)抄造损纸量为1085.1872-1052.6316=32.5556干损纸量V 3=32.5556×50%=16.2778Q 3=V 3×C 3=16.2778×93%=15.1384Q 4=Q 3+Q 2=15.1384+978.9474=994.0858V 4=V 3+V 2=16.2778+1052.6316=1068.90943、后干燥部进后干燥部纸页干度C 5=55% 4=994.0858 4=1068.9094 4=93%54 V 5=Q 5/C 5=994.0858/55%=1807.4287W 1=V 5-V 4=1807.4287-1068.9094=738.51934、表面施胶部干度C 6=80% 5=994.08585=1807.4287 5=55%65 V 6=Q 6/C 6=994.0858/80%=1242.6073W 2=V 5-V 6=1807.4287-1242.6073=564.82145、前干燥部C 7=43% 6=994.0858 6=1242.6073 6=80%76 V 7=Q 7/C 7=994.0858/43%=2311.8274W3=V 7-V 6=2311.8274-1242.6073=1069.22016、压榨部:出伏辊时纸页干度为C 8=20% 7=994.0858 7=2311.8274 7=43%0.2%(相对成品量) 计算:压榨白水纤维损失量Q 9=0.2%×Q 0=0.2%×930.0000=1.8600 Q 8=Q 7+Q 9=994.0858+1.8600=995.9458V 8=Q 8/C 8=995.9458/20%=4979.7290V 9=V 8-V 7=4979.7290-2311.8274=2667.9016C 9=Q 9/V 9=1.8600/2667.9016=0.0697%7、真空伏辊已知:水封槽白水纤维损失量1%(相对成品量)Q 8=995.9458V 8=4979.7290W 4=500.0000W5=2000.0000切边损失纸页干度C13=20%切边宽度2×50mm湿损纸纸页干度C12=20%出伏辊时纸页干度C8=20%进伏辊时纸页干度C10=14%横向收缩率ε=2%抄宽Bm=2680mm干湿损纸比率为1:1123湿纸页宽度Bn=Bm/(1-ε)=2680/(1-2%)=2735mm单位长度湿纸页的纤维量为G=(Q8+Q12)/Bn所以切边损失量Q13=2×50×G=2×50×(995.9458+15.1384)/2735=36.9683 Q11=1%×Q0=1%×930.0000=9.3000Q10=Q11+Q12+Q13+Q8=9.3000+15.1384+36.9683+995.9458=1057.3525 V13=Q13/C13=36.9683/20%=184.8415V12=Q12/C12=15.1384/20%=75.6920V10=Q10/C10=1057.3525/14%=7552.5179V11=V10+W4+W5-V12-V13-V8=7552.5179+500.0000+2000.0000-75.6920-184.8415-4979.7290 =4812.2554C11=Q11/V11=9.3000/4812.2554=0.1933%8、真空吸水箱已知:水封槽白水中纤维损失量3%(相对成品量) W 6=500.0000Q 10=1057.3525V 10=7552.5179C 10=14%进真空吸水箱纸页干度C 14=2%计算:150 Q 14=Q 15+Q 10=27.9000+1057.3525=1085.2525 V 14=Q 14/C 14=1085.2525/2%=54262.6250 V 15=V 14+W 6-V 10=54262.6250+500.0000-7552.5179=47210.1071 C 15=Q 15/V 15=27.9000/47210.1071=0.0591%9、成形板案板已知:白水纤维损失量30%(相对成品量) 上网浓度C 15=0.7%W7=2000.0000Q14=1085.2525V14=54262.6250C14=2%计算:Q16=30%×Q0=30%×930.0000=279.0000Q15=Q16+Q14=279.0000+1085.2525=1364.2525V15=Q15/C15=1364.2525/0.7%=194893.2143V16=V15+W7-V14=194893.2143+2000.0000-54262.6250 =142630.5893C16=Q16/V16=279.0000/142630.5893=0.1956%。
摘要要完成了30t/日(70g/m2)胶版纸造纸车间的初步设计。
首先对设计方案论证,确定工艺参数,根据所选的参数进行浆水平衡计算,然后根据计算的结果并结合工厂的生产实践进行设备选型,根据选型的结果进行绘制车间平面布置图, ,最后进行经济概算,并给出了工艺流程图。
设计中采用了ZW24型1760纸机,设计车速为200m/min。
为了便于纸机的运行,车间的设计采用了两层布置,面积为2991.4m2,其中长127.3m,宽18 m。
工艺方面,采用了20%麦草浆、30%阔叶浆和50%针叶浆三种原料进行抄造,并进行了打浆、AKD中性施胶、加填、和表面施胶等。
设计的总投资为3866.61万元,回收期为4.8年。
关键词:胶版纸造纸车间工艺平衡计算车间平面布置前言 (1)1.总论 (2)1.2设计范围 (2)1.3设计指导思想 (2)2.工艺论证及流程设计 (3)2.1技术指标 (3)2.2纤维原料的选择与配比 (4)2.3打浆工艺 (5)2.3辅料的选择 (6)2.3.1施胶剂的选择 (6)2.3.2干强剂的选择 (7)2.3.3助留剂的选择 (7)2.3.4填料的选择 (7)2.3.5调色剂的选择 (8)2.3.6表面施胶剂选择 (9)2.3.7辅料的使用及加入方式 (9)2.4供浆系统 (10)2.4.1浆料混合 (10)2.4.2浆料贮存 (10)2.4.3冲浆稀释 (11)2.4.4浆料净化筛选 (12)2.5网部 (12)2.6压榨部 (13)2.7干燥部 (13)2.8白水回收 (13)2.9损纸的处理 (14)2.10工艺方框流程图 (15)3.浆水平衡 (15)3.1注意事项及工艺参数 (15)3.2浆水平衡计算 (18)3.3浆水平衡收支总表 (30)4.设备选型计算 (31)4.1打浆工段 (31)4.1.1打浆设备 (31)4.1.2辅助设备 (33)4.2抄纸工段 (42)4.2.1纸机选型 (42)4.2.2网案非标池系列 (44)4.2.3非真空泵系列 (46)4.2.4三段通汽设备系列 (47)4.2.5真空泵系列 (47)4.3完成工段 (49)4.3.1七辊压光机 (49)4.3.2圆筒卷纸机 (49)4.3.3复卷机 (49)4.3.4打包机 (49)4.3.5电动葫芦 (50)4.3.6其它设备 (50)4.4白水回收 (50)4.4.1气浮池 (50)4.4.2溶气罐 (50)4.4.4清水池 (51)4.4.5射流器 (51)4.5辅料工段 (52)4.5.1填料贮存槽 (52)4.5.2填料泵 (52)4.5.3淀粉糊化槽 (52)4.5.4电动葫芦 (52)4.5.5P V A胶液槽 (52)4.5.6淀粉胶液槽 (52)4.5.7胶液高位槽 (53)4.5.8胶液混合贮槽 (53)5.车间布置设计 (53)5.1车间设备布置原则 (53)5.2生产设备布置设计的步骤与注意事项 (53)5.2.1步骤 (53)5.2.2注意事项 (54)5.3车间跨度及高度的确定 (54)5.3.1确定的原则 (54)5.3.2跨度与高度 (54)6.经济概算 (55)6.1固定资产投资 (55)6.1.1土建部分 (55)6.1.2设备部分 (56)6.1.3其他费用 (56)6.2成本核算 (57)6.2.1构成产品的直接费用 (57)6.2.2成本回收年限 (59)总结 (59)参考文献 (60)随着经济的快速发展,书刊需求量急增,全国各地不同程度地存在购书难的现象,为此1983年国务院发出《关于加强出版工作的决定》的通知。
纸板厂设计中的浆水平衡计算李录云【摘要】以某纸板生产线项目的设计为例,对浆水平衡在纸板生产线设计方案制定中所起的作用进行了探讨.%Taking a paperboard project as example,the importance of the calculation of the balances of pulp and water to the determination of the capacity and the design improvement in pulp and paper industry was illustrated in this paper.【期刊名称】《中国造纸》【年(卷),期】2013(032)006【总页数】6页(P40-45)【关键词】浆水平衡;纸板;产品品种;定量【作者】李录云【作者单位】武汉凯迪研究总院,湖北武汉,430223【正文语种】中文【中图分类】TS78在设计造纸生产线的过程中,浆水平衡计算的结果为生产流程的优化、设备选型、管道计算、管件选择等提供理论依据,进而会影响到项目的经济性与合理性[1]。
可以说,浆水平衡计算贯穿于整个设计项目的生命周期,包括项目的策划、建设、运行、改造直至结束[2]。
浆水平衡计算说起来是一个非常庞大和繁杂的内容。
笔者以某纸板生产线项目在策划阶段所进行的浆水平衡计算工作为例,来谈谈浆水平衡计算对项目前期的影响。
1 项目条件本项目位于我国的东部地区,拟建设一条产能为25 万t/a、产品为白纸板的生产线。
主要原料为漂白商品木浆、日本废纸(以下简称日废)、混合废纸以及旧报纸。
产品定量200 ~450 g/m2,产品的品种是白底白纸板和灰底白纸板两种,根据市场变化进行灵活调整。
2 项目分析项目的主要难点在于产能大,原料、产品品种及定量多样。
因此,首先要分析纸板各层原料使用状况;接下来要计算每种产品在不同情况下原料的使用量;根据原料的使用量来确定制浆车间各系统的生产能力;再根据各系统的生产能力分析及优化方案。
浆水平衡作业(1)国内某造纸工厂以原木为原料,采用化学制浆方法生产漂白化学木浆,年产量为50万吨(漂白风干浆计),各生产工段工艺流程如下图1-1,1-2,1-3,1-4所示,请根据我们所学的专业知识,作该车间浆水平衡计算,要求列出计算工艺技术指标表和工艺参数表,详细计算步骤,并列出物料(浆水平衡)明细表和平衡总表。
一、化学制浆系统生产工艺流程图1.备料系统工艺流程图图1-1 原木备料系统生产流程简图2.蒸煮系统工艺流程图图1-2 木片蒸煮生产流程简图3. 洗涤、筛选和净化、浓缩系统流程图图1-3 洗涤、筛选和净化、浓缩生产流程简图4.漂白系统流程图图1-4 漂白系统生产流程简图干部教育培训工作总结[干部教育培训工作总结] 年干部教育培训工作,在县委的正确领导下,根据市委组织部提出的任务和要求,结合我县实际,以兴起学习贯彻“三个代表”重要思想新高潮为重点,全面启动“大教育、大培训”工作,取得了一定的成效,干部教育培训工作总结。
现总结报告如下:一、基本情况全县共有干部**人,其中中共党员**人,大学本科以上学历**人,大专学历**人,中专学历**人,高中及以下学历**人。
**年,以县委党校、县行政学校为主阵地,举办各类培训**期,培训在职干部**人,占在职干部总数的**.*%,培训农村党员、干部**人,其中:举办科级领导干部轮训班*期,培训**人;举办科级领导干部“三个代表”重要思想专题学习班*期,培训**人;举办科级以下公务员培训班*期,培训**人;举办企业经营管理者培训班*期,培训**人;举办专业技术人员培训班*期,培训**人;举办非中共党员干部培训班*期,培训**人;举办理论骨干培训班*期,培训**人;举办妇女干部培训班*期,培训**人;举办基层团干培训班*期,培训**人;举办农村党支部书记、村主任培训班各*期,培训**人,达到了每年培训在职干部五分之一的要求,超额完成了培训任务。
另外,上派了*名县级领导干部、**名科级领导干部、*名中级以上职称的专业技术人员参加盛市委党校的培训,有**名县级领导参加了市委组织部、市委党校举办的“三个代表”重要思想轮训班,全面完成了上级的调学任务。
浆水平衡计算1.浆水平衡计算说明造纸车间浆水平衡计算是物料平衡的一种特殊形式,通常以1t成品纸为计算基础,从完成成品起,逆流计算各部的浆料和药品。
在浆水平衡中,填料没有当做纤维计算,如浓缩机浓缩后浆料浓度较高,需加水稀释,由于不影响计算结果,计算时所取浓度为稀释后的浓度。
2.浆水平衡有关定额和工艺参数3.3浆水平衡计算(1)复卷,完成整理部 已知:成纸水分为8%,即c 1=c 2=c 3=92% 以1t 成品纸为计算基础,0=1000.0000, 成品率k 1=96%。
计算:成品率k 1=V0/V 22=V 0/K 1=1000.0000/96% 1=V 2-V 0=1041.6667-10002=V 2c 2=1041.6667×92%=958.3334 Q 1=Q 2-Q 0=958.3334-920 =38.3334已知:c 2=c 3=c 4=92%, 2=958.3334, 2=1041.6667, 抄造率K 2=97%,干损纸率d 1=1.5%. 计算:抄造率k 2= 抄纸损纸包括干损纸、湿损纸两部分设X=抄造量+抄造损纸量 成品库%100⨯+抄造损纸量抄造量抄造量则X=V 2/k 2=1041.6667/97% =1073.8832设Y 为X 中绝干纤维量,则 Y=Q 2/k 2=958.3334/97% =987.9726Q 3=Y ·d 1=987.9726×1.5% =14.8196V 3=Q 3/c 3=14.8196/92%=16.1083 Q 4=Q 2+Q 3=958.3334+14.8196=973.1530 V 4=V 3+V 2=16.1083+1041.6667=1057.7750(3)干燥部已知:进干燥部纸页干度c 5=42%,4=973.1530 4=1057.7750 4=92%计算:Q 5=Q 4=973.15305=Q 5/c 5=973.1530/42%=2317.0310 1=V 5-V 4=2317.0310-1057.7750=1259.2560(4)压榨部已知:c 5=42%,c 8=21%, Q 5=973.1530, 5=2432.8825, 压榨部湿损纸率d 2=0.5%, 压榨部带出纤维量d 3=0.15% 计算:Q 7=Y ·d 2=987.9726×0.5% 设湿损纸的平均干度为30%,压榨部 压光、卷取真空伏辊 伏损池 压榨白水 8V Q 7即c 7=30%,则 V 7=Q 7/c 7=4.9399/30% =16.4663压榨带出纤维量:Q 6=Q 8×d 3,且Q 8=Q 5+Q 6+Q 7,则:Q 8=(Q 5+Q 7)/(1-d 3)=(973.1530+4.9399)/(1-0.15%)=979.5622 Q 6=979.5622×0.15%=1.4693 V 8=Q 8/c 8=4664.5819 V 6=V 8-V 7-V 5=2331.0847(5)真空伏辊已知:Q 8=979.5622,V 8=4664.5819,c 8=21%,c 11=12%, 伏辊带出纤维率d 4=0.2%,冲边水W 5=2600, 伏辊湿损纸率d 5=1.0%计算:冲边宽度:b=2×20(mm ),横向收缩率ε=4.5%,抄宽:B m =3190mm,则: 湿纸宽度B n =%5.41-Bm=3298湿纸边占整个湿纸幅宽比率r=329840202+⨯=1.1983%所以,进入伏损池的湿边纸占进入伏辊纸页的1.1983%。
毕业设计日产300吨OCC废纸制浆工艺设计1课程设计的目的(1)它是高等学校学生在学完基础课程和专业课程理论后,进行的最后一个实践性教学环节,设计过程中,课复习和巩固所学知识,练就综合应用所学相关知识的能力,创造性的投放接下来的实际生产。
(2)它是造纸学院针对毕业生实际情况,对毕业设计的一次提前演练和专业知识的巩固。
具有很高的针对性和实际作用,保证学生在以后的毕业设计能力更高效的完成。
2课题的任务(1)确定生产工艺流程方案,画出方框图。
(2)在选择一个方案与所设计的主方案进行比较,说明所选定工艺流程的合理性与先进性。
(3)选择所设计的主方案的工艺参数。
(4)浆水平衡计算。
(5)主要设备选型。
(6)用AutoCAD画出工艺流程图和浆水平衡图。
3课题的国内外现状我国造纸工业废纸回收与利用现状我国的废纸利用率随着造纸工业的发展而迅速上升。
从图3-1和表3-1可以看出:废纸浆消耗量从2001年的1310万吨上升到2007年的4017万吨,增长了207%;废纸浆的利用率从2001年的44.0%提高到2007年的59.3%,增长了15个百分点。
废纸浆中进口废纸所占的比例明显增长。
2007年废纸进口量2256万吨,占全年废纸消耗量的44.9%,而2001年废纸进口量624万吨,占当年废纸消耗量的38.1%,2007年比2001年增加了6.8个百分点。
废纸消耗量增长的主要驱动力来源于纸和纸板消费量的快速增长。
2007年纸和纸板消费量7290万吨,比2001年的消费量3683万吨增加了3607万吨,上升了98%,几乎翻了一番。
但是由于我国木浆资源缺乏,加上进口木浆价格上扬,尽管2007年进口木浆量达到845万吨(表2),比2001年进口量490万吨增加了72.4%,但进口木浆仅占纸浆消耗总量的12.5%,而国产非木浆产量无大变化,虽维持在1300万吨/年左右,但其所占纸浆消耗总量的比例呈下降的趋势。
因此,在纸浆消费结构不断优化和环保要求不断提高的背景下,纸浆消费量的缺口主要通过大量增加废纸消耗量和适量增加国产木浆消耗量来弥补。