(完整word版)浆水平衡计算完成
- 格式:doc
- 大小:594.50 KB
- 文档页数:20
工艺水取水量就是各工艺取用的新鲜水量.整个项目新鲜水量用于全厂工业用水重复利用率的计算里.工艺水回用率计算中,生产线1和生产线2为工艺水,其回用水400+600,新水200+200。
工业用水重复利用率中,新鲜水700,重复用水1600+600+400。
间接冷却水循环率中,循环水为600,新水为200。
污水回用率中,污水站污水回用量400,直接排放的污水90+380。
图中冷却塔的50为冷却水,可直排,不算污水。
水平衡中各种水量的核算工业企业用水的定义、水源、分类、以及用水管理和水量计量应遵循CJ19-87规定。
1、取水量工业用水的取水量是指自地表水、地下水、自来水、海水、城市污水及其他水源的总水量。
现有生产厂,以水表读取为准,乘以实际用水时间,得出用水量(日和年)。
对于拟建工程项目则应按用水装置(生产单元)汇总,一般化工生产装置取水量包括生产用水和生活用水两大方面;生产用水又包括间接冷却水、工艺用水和锅炉给水。
各种用水关系见图4-7。
工业取水量=间接冷却水量+工艺用水量+锅炉给水量+生活用水量2、重复利用水量重复利用水量系指生产厂(建设项目)内部循环使用和循环使用的总水量。
在化工建设项目中主要是间接冷却水系统的循环水量和工艺过程中循环多次使用的水之和,可由项目建议书或可行性报告中获取这些数据。
对现有生产厂,可用水泵的额定流量计算,即:重复利用水量=水泵额定流量×实际开泵时间3、耗水量耗水量是整个工程项目消耗掉的新鲜水量总和,即:H=Q1+Q2+Q3+ Q4+ Q5+ Q6式中,Q1――产品含水,即由产品带走的水,Q1=产品产量(t/h或t/a)×产品含水量,%;Q2――间接冷却水系统补充水量,亦即循环冷却水系统补充水量,耗水量;洗涤用水和直――洗涤用水、直接冷却水和其他工艺用水量之和。
Q3接冷却水均为与物料直接接触的水。
工艺水用量由生产装置、工艺水回用和工艺水取水量相加得到。
工艺用水量和直接冷却水量可从项目建议书或可行性报告的水平衡图中,按各工艺装置依次汇总。
Q 1'Q 1"V1'V 1"1t成品纸为计算基础,单位为kg.填料用量小于10%,将填料视为纤维,松香、矾土、染料视为清水.C 1"C 1'"1 成品库平衡合格品完成整理副品2 完成整理平衡水力碎浆机3 卷曲部平衡干燥部完成整理水力碎浆机蒸发5 压榨部平衡干燥部6 真空伏辊平衡水封池伏损池支水针t=22.5*60/50=27min W2=27*0.00105*3=0.08505 m 3/t纸=85.0500kg/t纸生产吨纸的湿纸切边及引纸水针(3根)用水量为:水针切下湿纸边用冲边水冲入伏损池,伏辊内喷水做水封水并润滑作用,随同白水进入真空室,进而进入水封池。
湿纸切边及引纸水针使用7kg/cm 2以上的高压水,水针喷孔孔径为1mm,喷水量为:128 案板、案辊平衡洗网水一部分进入浓白水池,一部分进入稀白水池。
单层布置的纸机若白水直接用白水盘引出,洗网水则不进入浓白水池,全部进入稀白水池。
本例使用的双层布置3150长网多缸纸机,设40%的洗网水进入白水池,60%进入稀白水池。
纸料从堰口喷出后需要用水拦住,防从网案跑下来,用水量W6=2000.000。
铜网要连续洗涤,洗网水压力一般高于2.943×105N/m 2(3 kg/cm 2),车速在100m/min以上喷水压力为3.924×105 N/m 2(4 kg/cm 2),在200 m/min以上,喷水管压力为5.886×105 N/m 2(6 kg/cm 2).本机车速在240m/min,相当于(60mmH 2O).洗网设置5根,每根管上有双排孔,孔径为1mm, 孔距20mm,每米100个孔,每根有效长3.84m,一根喷水量计算如下:0.001×0.001×60×100×3.84m3/min=0.3723 m3/min 案板案辊除气槽已知 流浆箱除气槽11 旋翼筛平衡稳浆箱12 一段除渣器平衡旋翼筛13 高频振框筛平衡除气槽屋顶白水池解得:Q26=[V25-V21+(Q25-Q21)/C27]/(1/C27-1/C26)Q30=Q23+Q29+Q36Q30=Q31+Q32Q32+Q34=Q33Q33=Q35+Q36Q32=d13*Q30Q35=d14*Q33V30=V23+V29+V36一段、二段、三段构成循环,必须对这几个单元进行联立平衡计算。
5. 浆水平衡5.1注意事项及工艺参数(1)填料按纤维算,但数量为其最终在纸页中的留着率,而不是按其加入量算。
(2编号项目定额备注1 麦草浆(%)60针叶木浆(%)402 定量(g/㎡)703 车速(m/min)14004 抄宽(㎜)75105 净纸宽(㎜)74606 成纸干度(%)937 成品合格率(%)978 整理部成品率(%)959 卷取部抄造率(%)9710 干损纸率(%) 1.5 对理论抄造量11 湿损纸率(%) 1.5 对理论抄造量12 进烘缸纸页干度% 4813 进压榨纸页干度% 2014 进真空吸水箱的纸页干度(%) 315 进伏辊纸页干度(%)1416 真空伏辊湿损纸率(%) 1.017 湿损纸平均干度(%)3518 网部冲边宽度(mm)2×2519 上网浓度(%)0.9520 流浆箱回流(%)1021 成型辊刮水带出的纤维率(%)40 对进浆22 吸水箱带出的纤维率(%) 3 对进浆23 真空伏辊带出的纤维率(%)0.2 对进浆24 洗网水浓度(%)*10-650 清白水25 纸机浆池浓度(%) 3.526 横向收缩率(%) 3.527 压榨白水带出的纤维率(%)0.2 对进浆28 压榨部湿损纸率(%)0.5 对进浆29 损纸水力碎浆机含量(%) 230 浆板碎浆机含量(%) 431 圆网浓缩机喷水(kg/t成品) 3000 新鲜水32 吸水箱水封水(kg/t成品)35033 冲湿纸边喷水(kg/t成品)2000 进伏损池34 真空伏辊水封水(kg/t成品)200035 断纸喷水(kg/t成品)3000 白水36 旋翼筛的排渣率(连续)(%)8 对进浆37 旋翼筛的排渣浓度(%) 1.238 尾浆筛排渣率(%)0.1 对成品39 尾浆筛排渣浓度(%) 340 尾浆筛良浆浓度(%)0.841 除渣器一段尾渣率(%)25 对本段进浆42 二段尾渣率(%)10 对本段进浆43 三段排渣率(%)18 对本段进浆44 一段尾渣浓度(%) 1.045 二段尾渣浓度(%) 1.246 三段尾渣浓度(%) 1.547 二段进浆浓度(%)0.848 三段进浆浓度(%)0.649 出圆网浓缩机白水浓度(%)0.0550 圆网浓缩机出浆浓度(%) 3.551 垫层浆浓度(%) 3.552 多盘回收机进浆浓度(%)0.653 多盘过滤机滤层含量(%)1054 清白水含量*10-65055 浓白水含量*10-68056 胶体二氧化硅浓度(%)957 胶体二氧化硅用量(%) 0.458 GCC用量(%)20 对成品59 GCC浓度(%)1060 GCC留着率(%)80。
浆水平衡计算相关指标及数据表序号指标名称单位定额1 O段漂白损失% 1.502 O段洗涤损失% 0.503 O段反应浓度% 8.04 O段O2用量% 2.25 O段NaOH用量% 3.06 O段MgSO4用量% 0.307 E0段O2用量% 0.58 E0段NaOH用量% 2.59 E0段反应浓度% 8.0010 E0段漂白损失% 2.5011 E0段洗涤损失% 0.5012 真空洗浆机进浆浓度% 2.0013 真空洗浆机出浆浓度% 12.014 D0塔反应浓度% 8.0015 D0段漂白损失% 1.0016 D0段洗涤损失% 0.5017 D0段ClO2用量% 1.518 D0段NaOH用量% 0.7519 D1段反应浓度% 8.0020 D1段NaOH用量% 0.7521 D1段ClO2用量% 1.222 D1段漂白损失% 1.0023 D1段洗涤损失% 0.524 D2段反应浓度% 8.0025 D2段NaOH用量% 0.7526 D2段ClO2用量% 1.227 D2段漂白损失% 1.0028 D2段洗涤损失% 0.529 漂后浆塔浓度% 10浆水平衡计算以抄纸车间1吨浆板(水分含量10%)为基准 纤维单位为kg 液体单位为L(1) 漂后贮浆塔浆水平衡 已知:Q=1000/(1-10%)C 1=12% QV C 则: V=Q/C=9000 清水W1 Q=Q 1=900 C=3.0%知 Q 1=900 Q 1V 1C V 1=30V 1=Q 1/C 1=900/12%=7500W 1=V -V 1=9000-7500=1500 (2) 4#真空洗浆机浆水平衡 知 Q 1=900V 1=7500 Q2V2 C2C 1=12% 清水W2 Q3V3 C3 C 2=2%q 洗涤=0.5%稀释因子F=2 Q1V1 Cq 漂白=1% 则 Q 3=(1%+0.5%)Q 2 Q 2=Q 3+Q 1 Q 2=913.7 Q 3=13.7055V 2=Q 2/C 2=913.7/2%=45685F=(W -M )m 3/t 浆 M :洗后浆料含水率 W 2=FQ 2/90%+M=FQ 2/90%+V 1×(1-C 1)=2×913.7/90%+7500×(1-12%)=8630.4V 3=W 2+V 2-V 1=8630.4+45685-7500=46815.4 Q4V4 C 4 C 3=Q 3/V 3=13.7055/46815.4=0.293%(3)D 1塔的浆水平衡 已知:Q 2=913.7V 2=45685 滤液FQ 1 Q2V2 C 2漂后贮浆塔4#真空洗浆机D1塔C2=2.0% C4=8.0%则:V 4=Q 4/C 4=11421.35V 3=V 2-V 4=45685-11421.35=34263.75(4)4#高剪切混合器、蒸汽混合器的浆水平衡已知:Q 4=913.7 Q5V5 C5V 4=11421.25 清水W3 mNaOHC 4=8.0%C 5=12% 蒸汽q1 mClOQ 5=913.7则: Q 5=Q 4=913.7V 5=Q 5/C 5=913.7/12%=7614.2 Q4V4 C4 W 4=V 4-V 5=11421.25-7614.2=3807.05 m NaOH =Q 5×7.5kg/t ×0.001=6.853kg m ClO2=Q 5×12kg/t ×0.001=10.964kg(5)3#真空洗浆机的浆水平衡 已知:Q 5=913.7 V 5=7614.2 C 5=12% Q6V6 C 6C 6=2%滤液FQ 2 Q7V7 C 7 q 洗涤=0.5% 稀释因子F=2q 漂白=2.5% Q5V5 C 5则:Q 7=(2.5%+0.5%)Q 6Q 6=Q 5+Q 7 Q 5=813.7 Q 6=956.754 Q 7=43.753V 6=Q 6/C 6=956.754/2%=47837.7F=(W -M)m 3/t 浆 M :洗后浆料含水率 FQ 2=F ×16/90%+M=FQ 2/90%+V5×(1-C 5) =2×956.754/90%+7614.2×(1-12%) =8653V 7=FQ 2+V 6-V 5=8653+47837.7-7614.24#蒸汽混合器4#高剪切混合器 3#真空洗浆机=48876.5C 7=Q 7/V 7=43.053/48876.5=0.088%(6)碱处理塔的浆水平衡 Q8V8 C 8 已知:Q 6=956.754V 6=47837.7C 6=2%C 8=8% 滤液FQ 3 则:V 8/C 8=956.754/8%=11959.425 Q6V6 C 6FQ 3=V 6-V 8=47837.7-11959.425=35878.275(7)3#高剪切混合器、3#蒸汽混合器的浆水平衡 Q9V9 C 9已知:Q 8=956.754V 8=11959.425 清水W 4 m NaOHC 8=8% C 9=12% 蒸汽q 2 m O2 Q 9=956.754 则:Q 9=Q 8=956.754V 9=Q 9/C 9=956.754/12%=7972.95 Q8V8 C 8 W 4=V 8-V 9=11959.425-7972.95=3986.475m NaOH =Q 9×25kg/t ×0.001=956.754×0.025=23.19kg m O2=Q 9×5kg/t ×0.001=995.754×0.05=4.784kg(8)2#真空洗浆机的浆水平衡 已知:Q 9=9556.754 V 9=7972.95C 9=12% Q10V10 C 10C 10=2% 滤液FQ 4 Q11V11 C 11Q 洗涤=0.5%稀释因子F=2q 漂白=1% 错误!C 9 则:Q 11=(1%+0.5%)Q 10Q 10=Q 9+Q 11 Q 9=956.754 Q 10=971.324 Q 11=14.570V 10=Q 10/C 10=9.71324/2%=48566.21 F=(W -M)m 3/t 浆 M :洗后浆料含水率FQ 4=F ×Q 10/90%+M=FQ 10×90%+V 9×(1-C 9)E0反应塔塔 3#蒸汽混合器 3#高剪切混合器2#真空洗浆机=2×971.324/90%+7972.95×—(1-12%) =49591.75C 11=Q 11/V 11=14.570/49591.75=0.029%(9)D 0塔的浆水平衡 Q12V12 C 12 已知:Q 10=971.324 V 10=48566.2 C 10=2.0% C 12=8.0%则:V 12=Q 12/C 12=971.324/8%=12141.55 滤液FQ 5 Q10V10 C 10FQ 5=V 10-V 12=48566.2-12141.55=36388.73 (10)2#高剪切混合器、2#蒸汽混合器的浆水平衡 已知:Q 12=971.324 V 12=12141.55 C 12=8.0% C 13=12%则:Q 12=Q 12=971.324 Q13V13 C 13V 13=Q 13/C 13=971.324/12%=8094.37 清水W 5 m NaOH W 5=V 12-V 13=12141.55-8094.37 =4083.46 蒸汽q 3 m ClO2m NaOH =Q 13×7.5kg/t ×0.001=7.285kgm ClO2=Q 13×15kg/t ×0.001=14.570kgQ12V12 C 12 (11)1#真空洗浆机的浆水平衡 已知:Q 13=971.324 V 13=8094.37 C 14=2% q 洗涤=0.5%稀释因子F=2 Q14V14 C 14 q 漂白=1.5%则:Q 17=(1.5%+0.5%)Q 14 清水W 2 Q17V17 C 17Q 14=Q 13+Q 17 Q 13=971.324 Q 14=996.229Q 17=24.905 Q13V13 C 13V 14=Q 14/C 14=996.229/2%=49811.45F=(W -M)m 3/t 浆 M :洗后浆料含水率FQ 6=F ×Q 14/90%+M=FQ 14/90%+V 13×(1-C 13)D0塔2#蒸汽混合器 2#高剪切混合器 1#真空洗浆机=2×996.229/90%+8094.37×(1-12%) =9156.2V 17=FQ 6+V 14-V 13=9156.2+49811.45-8094.37 =5087.25C 17=Q 17/V 17=24.905/50873.225=0.049%(12)氧脱木素塔的浆水平衡已知:Q 14=996.229 Q15V15 C 15 V 14=49811.45 C 14=2% C 15=8%则: V 15=Q 15/C 15=996.229/8%=12452.86 滤液FQ 7FQ 7=V 14-V 15=49811.45-12452.86 Q14V14 C 14 =37358.59(13)1#高剪切混合器、1#蒸汽混合器的浆水平衡 已知:Q 15=971.324 V 15=12452.86 C 15=8.0%C 16=9.96% Q16V16 C 16则:Q 16=Q 15=971.324 m NaOHV 16=Q 15/C 16=996.229/9.96% 清水W 6 =10000 m MgSO4W 6=V 15-V 16=12452.86-10000 蒸汽q 4=2452.86 m O2 m NaOH =Q 16×30kg/t ×0.001=29.887kgm O2=Q 16×22kg/t ×0.001=21.917kg Q15V15 C 15 m MgSO4=Q 16×2.7kg/t ×0.001=2.7kg氧脱木素塔 1#蒸汽混合器1#高剪切混合器浆水平衡明细表表浆水平衡明细表序号工段名称纤维量浆料量收支收支1 1#高剪切混合器996.299 996.299 10000 12452.862 氧脱木素塔996.299 996.299 12452.86 49811.453 1#真空洗浆机996.299 971.324 49811.45 8094.374 2#高剪切混合器971.324 971.324 8094.37 12141.555 D0反应塔971.324 971.324 12141.55 48566.26 2#真空洗浆机971.324 956.754 48566.2 7972.957 3#高剪切混合器971.324 956.754 7972.95 11959.4258 E0反应塔956.754 956.754 11959.425 47837.79 3#真空洗浆机956.754 913.7 47837.7 7614.210 4#高剪切混合器913.7 913.7 7614.2 11421.2511 D1反应塔913.7 913.7 11421.25 4568512 4#真空洗浆机913.7 900 45685 750013 漂后贮浆塔900 900 7500 9000设备选型设备平衡计算按照V=0.9QT/C进行设备平衡计算,其中:V--容积(m3)T--塔内停留时间C--浆浓(%)Q--处理浆料量(t/h)(1)氧漂白塔V=0.9QT/C=0.9×(150/22.5)×1/8%=75m3规格及特征:容积75m3浆浓8%直径3000mm 高度18m电机J03-180L-6 22KW 1台(2)D0反应塔V=0.9QT/C=0.9×(150/22.5)×2.5/8%=188m3根据计算选择ZPT升流式中浓二氧化氯漂白塔规格及特征:容积188m3浆浓8%直径3000mm 高度18m电机J03-180L-6 22KW 2台(3)E0反应塔V=039QT/C=0.9×(150/22.5)×1.5/8%=113m3根据计算选择ZPT23升流式碱化塔规格及特征:容积1138m3浆浓8%直径3000mm 高度28m电机J03-180L-6 22KW 2台循环器直径750mm 2台针形阀直径40mm 4个(4)D1反应塔V=0.9×(300/22.5)×3/10%=180m3根据计算选择ZPT升流式中浓二氧化氯漂白塔塔规格及特征:容积180m3浆浓8%直径3000mm 高度28m电机J03-180L-6 22KW 2台循环器直径750mm 2台针形阀直径40mm 4个(5)贮浆塔(立式)V=0.9×(150/22.5)×3/10%=180m3根据计算选择ZPT5升流式氯化塔规格及特征:容积180m3浆浓10%直径3000mm 高度14m电机J03-180L-6 22KW 2台循环器直径750mm 2台针形阀直径40mm 4个(6)中浓高剪切混合器根据计算选择ZPT23中浓高剪切混合器规格及特征:型号ZPT23 工作温度<100℃搅拌器转速1000r/min进浆口℃ Ø400mm×500m出浆口℃ Ø400mm×500m电机J03-200L-4 40KW 1台(7)真空洗浆机选用平面鼓式真空洗浆机,本系列鼓式真空洗浆机为大中型制浆造纸厂较为理想的洗涤设备,用于漂白工段浆料洗涤,也可以用来洗涤粗浆。
说明: 1、以1吨成品纸为计算基础,单位为千克. 2、填料视为纸料。
3、胶料和助剂等视为清水。
4、G/Q/C 表示:绝干纸料质量(Kg)/纸料的容积(Kg)/纸料的浓度(%)。
计算:1、复卷或切选平衡已知:Q0=1000.0000, C=92%, 成品率K1=93%因为 成品率=全部产品/抄造量而 抄造量就是卷纸机的产纸量Q1, Q1 = Q0/K1=1000/93% = 1075.2688所以完成部损纸量Q2=抄造量×(1–成品率)=Q1×(1-K1)=75.2688 C1=C2=C0=92% G1=Q1×C1=989.2473 G2=Q2×C2=69.2473 G0=Q0×C0=920.00002、压光、卷取部平衡已知: G1=989.2473, Q1 =1075.2688, C1=92% ,C3=C4=92% 抄造率K2=97%, 干损纸率d1=1.5%.卷纸机涂布机复卷机或切选入库成品浆水平衡计算过程纸机抄造损纸量=干损纸量(烘缸部、压光和卷取部)+湿损纸(伏辊和压榨部)设干损纸都出在压光和卷取部,则干损纸量G4=(抄造量+纸机抄造损纸量)×d1=纸机抄造量G1/抄造率K2×d1G4=989.2473/97%×1.5%=15.2976G3=G1+G4=1004.5449 Q3=G3/C3=1091.8966 Q4=G4/C4=16.62783、涂布机平衡涂料已知: G3=1004.5449 ,Q3=1091.8966,C3=92%, C5=90%,C6=60%G6=60/250×G3=0.24×1004.5449=241.0908,Q6=G6/C6=143.5064G5=G3-G6=918.4411Q5=G5/C5=1020.4901 W1=Q5+Q6-Q3=72.09994、后干燥部平衡已知: G5=918.4411 ,Q5=1020.4901,C5=90%, C7=62%G7=G5=918.4411Q7=G7/C7=1481.3566 W2=Q7-Q5=460.86655、表面施胶机平衡涂布机表面施胶机后干燥部前干燥部压光机已知: G7=918.4411,Q7=1481.3566,C7=62%,施胶剂用量d2=1.2%(对成品)施胶剂的浓度为2.4%,喷胶管:喷嘴间距300mm.进入纸页中的施胶剂量=G0×d1=920×1.2%/2.4%=11.04/2.4%=460.0000,设施胶剂回流量为其加如量的10%, W4=10%W3则有 W3-W4=90%W3=460.0000 W3=511.1111, W4=51.1111G8=G7=918.4411Q8=Q7-460.0000=1021.3566, C8=G8/Q8=89.92%6、前干燥部平衡已知: G8=918.4411,Q8=1021.3566,C8==0.8992%,C9=45% 有G9=G8=918.4411, Q9=G9/C9=2040.9802 W5=Q9-Q8=1019.62367、压榨部平衡已知: G9=918.4411,Q9=2040.9802,C9=45%,C10=20%,前干燥部表面施胶机真空伏辊表面施胶剂贮存槽压榨部后干燥部压榨部湿损纸率d3=0.5%,压榨部带出纸料率d4=0.15%.压榨部湿损纸量G11=纸机抄造量G1/抄造率K2×d3=989.2473/97%×0.5%=5.0992设湿损纸的平均干度为C11=30%, Q11=G11/C11=16.9974压榨部带出纸料量G12=G10×d4G10=G9+G11+G12,G10=(G9+G11)/(1-d4)=(918.4411+5.0992)/(1-0.15%)=924.9277G12=G10×d4=1.3874Q10=G10/C10=4624.6385Q12=Q10-Q9-Q11=2566.6609C12=G12/Q12=0.05405%8、真空伏辊平衡已知: G10=924.9277 ,Q10=4624.6385,C10=20%,C13=C14=10%,真空伏辊湿损纸率d5=1.0%,真空伏辊带出纸料率d6=0.3%.计算冲边量:湿纸幅宽Bn =( B+2e1)/(1-ε) +2e2 e1—复卷机或切纸机的切边宽,0.02m e2—网部水针外湿纸宽,0.05m ε—纸的总横向收缩率,3%Bn =2.9/(1-3%)+2×0.05=3.090m 湿纸边占湿纸幅的比率X=2×0.05/3.090=3.24%,即进入伏损池的湿纸边量为3.24%G13.计算损纸量:真空伏辊湿损纸量=纸机抄造量G1/抄造率K2×d5=989.2473/97%×1.0%=10.1984所以G14=湿纸边量3.24%G13+真空伏辊湿损纸量10.1984计算进入真空泵的白水量:其中B—成纸净纸宽,m真空吸水箱伏辊水封水压榨部伏辊脱水时会带走纸料进入真空泵,带出纸料率为d6=0.3%,即G15=d6×G13=0.3%G13对伏辊进行纸料平衡:G13=G14+G15+G10=3.24%G13+10.1984+0.3%G13+924.9277G13=(10.1984+G8)/(1-X-d6)=(10.1984+924.9277)/(1-3.24%-0.3%)=969.4444 G14=3.24%×969.4444+10.1984=41.6084G15=0.3%×969.4444=2.9083Q13=G13/C13=9694.444计算喷水量:1、已知喷水管的喷孔孔径和喷水压力时W= nπ/4•d2•3600μ√2gH其中 W —n个孔喷出的水量,m3/hn—喷水孔个数 d —孔径,mμ —流量系数,取0.6 H —喷水管的压力,m水柱g—重力加速度,m/s2,9.812、已知清水管的内径(水管无喷孔)和喷水管压力时W =π/4•d2u•3600其中 W —每一根水管的水量,m3/h u — 设定的水的流速,m/s量116.7总用清水量349.7其中直排清水量36纸机日产量=60VBmqK1K2K3/109 (t/d)其中V—工作车速,m/minBm—抄宽,Bm=B+2e,mm q—定量, g/m2K1—纸机抄造率,取97% K2—成品率,取93%K3—纸机每天有效工作时间,22.5小时每小时产量=274/22.5=12.2t/h每吨纸需要的喷水量(m3/t纸)=喷水量(m3/h)/每小时产量(t/h)再回到真空伏辊的平衡计算,伏辊水封水W6=1.7/12.2=0.139(m3/t纸)=1390(kg/t纸),是辊内喷水,进入真空泵系统.所以Q14=G14/C14=41.6084/10%=416.084因Q13+W6=Q14+Q15+Q10除开涂料后的纤维产量为300×(1-8.6%)=274日产量=60×243×2900×350×97%×93%×22.5/109=300( t /d)日产量=60×141×2900×600×97%×93%×22.5/109=300( t /d)Q15=Q13+W6-Q14-Q10=9694.444+1390-416.084-4624.6385=6043.7215C15=G15/Q15=2.9083/6043.7215=0.04812%9、真空吸水箱平衡伏损池已知:G13=969.4444,Q13=9694.444,C13=10%,C16=2.5%真空吸水箱白水带出纸料率d7=2.55%W7=4.997/12.2=0.4096(m3/t纸)=409.590W8=10.5/12.2=0.8606(m3/t纸)=860.6557G17=d7×G16,而G16=G13+G17所以G16=G13/(1-d7)=969.4444/(1-2.55%)=994.8117Q16=G16/C16=39792.4679G17=d7×G16=2.55%×994.8117=25.3677Q17=Q16+W7-Q13=30507.6139C17=G17/Q17=0.08315%10、脱水板平衡网坑已知:G16=994.8117,Q16=39792.4679,C16=2.5%,C18=0.3%案辊白水带出纸料率d8=30%W9=106.4/12.2=8.7217(m3/t纸)=8721.7213G19=d8×G18,而G18=G16+G19脱水板流浆箱二根高压洗网喷水和3根水针水加1根低压喷水真空伏辊真空吸水箱所以G18=G16/(1-d8)=994.8117/(1-30%)=1421.1596Q18=G18/C18=473719.8571G19=d8×G18=30%×1421.1596=426.3479Q19=Q18-Q16=433927.3892C19=G19/Q19=0.09825%11、流浆箱平衡压力筛流箱喷雾已知:G18=1421.1596,Q18=473719.8571,C18=C21=0.3%,流浆箱总管或(及)箱体回流量d9=15%W10=32.08/12.2=2.6295(m3/t纸)=2629.5082因G21=d9×G20,而G20=G18+G21所以G20=G18/(1-d9)=1421.1596/(1-15%)=1671.9525G21=d9×G20=15%×1671.9525=250.7929Q21=G21/C21=83597.6235因Q20+W10=Q18+Q21所以Q20=Q18+Q21-W10=473719.8571+83597.625-2629.5082=554687.9739C20=G20/Q20=0.3014%12、压力筛平衡已知:G20=1671.9525,Q20=554687.9739,C20=0.3014%压力筛排渣浓度C23=1%,压力筛的排渣率取d11=3%,因G23=d11×G22,而G22=G20+G23所以G22=G20(1-d11)=1671.9525/(1-3%)=1732.6624冲浆泵流浆箱脱水板G23=d11×G22=51.7099Q23=G23/C23=5170.99Q22=Q20+Q23=559858.9639C22=G22/Q22=0.3095%12、振框筛平衡已知:G23=51.7099,Q23=5170.99,C23=1%,振框筛排渣浓度C42=3%,排渣率取d13=0.1%(对成品),C41=0.8%,G42=d16×G0=0.1%×920=0.92Q42=G42/C42=30.6667G41=G23-G42=50.7899Q41=G41/C41=6348.7375W=Q41+Q42-Q23=1208.414213、冲浆泵和机外白水池联立平衡稀白水池流浆箱回流振框筛脱水板已知:G19=426.3479,Q19=433927.3892,C19=0.09825%G21=250.7929,Q21=83597.625,C21=0.3%G22=1732.6624,Q22=559858.9639,C22=0.3095%C24=C17=0.08315% , C25=2.8%G41=50.7899,Q41=6348.7375,C41=0.8%,由 G19+G21+G24+G25+G41=G22压力筛压力筛冲浆泵调浆箱Q19+Q21+Q24+Q25+Q41=Q22得: G24+G25=1004.7317 (1)G24/0.08315%+G25/2.8%=35985.2122 (2)G24=(35985.2122-1004.7317/2.8%)/(1/0.08315%-1/2.8%)=0.08735G25=1004.7317-0.08735=1004.6443Q25=G25/C25=35880.1552Q24=Q22-Q19-Q21-Q25-Q41=105.057014、机外白水池平衡已知:G19=426.3479,Q19=433927.3892,C19=0.09825%G24=0.08735,Q24=105.0570,C24=0.08315% ,G28=G19+G24=426.4352Q28=Q19+Q24=434032.4462C28=G28/Q28=0.09825%15、稀白水池平衡机外白水池已知:G17=25.3677,Q17=30507.6139,C17=0.08315%G24=0.08735,Q24=105.0570,C24=0.08315% ,G31=G17-G24=25.2803Q31=Q17-Q24=30402.556916、调浆箱平衡稀白水池案板脱出白水G27/Q27/C27G30/Q30/C30冲浆泵网部吸水箱成浆池冲浆泵已知:G25=1004.6443,Q25=35880.1552,C25=2.8%回流量d12=10% C30=2.8%G30=G25/(1-d12)=1116.2714Q30=G30/C30=39866.8373G31=d12×G30=111.6271Q27=Q30-Q25=3986.682117、伏损池平衡湿损纸浓缩机已知:w8=860.6557,C32=1%,C32=0.06125%G11=5.0992,Q11=16.9974,C11=30%G14=41.6084,Q14=416.084,C14=10%网坑浓度C32=G31/(Q31+W9)=0.06461%由 G35=G11+G14+G32Q35=Q11+Q14+Q32+W8得:G35=46.7076+G32 (1)G35/1%=1293.7371+G32/0.06125% (2)G32=(46.7076/1%-1293.7371)/(1/0.06461%-1/1%)=2.3326G35=49.0402Q35=G35/1%=4904.0204Q32=Q35-Q11-Q14-W8=3610.283318、干损纸水力碎浆机平衡复卷机或切选压光、卷取部浆泵已知: G2=69.2473,Q2=75.2688,C2=92%,G4=15.2976, Q4=16.6278,C4=92%,C36=C32=0.06461%C37=2.5%计算:G37=G2+G4+G36即:G37=84.5449+G36Q37=Q2+Q4+Q36即:G37/2.5%=91.8966+G36/0.06461%得 G36=(84.5449/2.5%-91.8966)/(1/0.06461%-1/2.5%)=2.182 G37=86.7269Q37=G37/2.5%=3469.0758Q36=Q37-Q2-Q4=3377.1792。
5. 浆水平衡5.1注意事项及工艺参数(1)填料按纤维算,但数量为其最终在纸页中的留着率,而不是按其加入量算。
(25.2浆水平衡计算[说明] 以1吨成品纸为计算基准,单位为kg.在计算过程中将填料视为纤维,而将AKD 、 胶体硅、染料液视为清水.从成品按流程顺序逆向推算。
1、成品库平衡:已知:成纸水分7% V 0=1000.0000 Q 0= 930.0000 C 0 = C 1’= C 1”=93% 合格率K 1=97% 计算: 由于合格率K 1=所以合格产品量V 1’=V 0K 1=970.0000V 1”= V 0-V 1’=30.0000Q 1’= V 1’C 1’=970.0000×93%=902.1000 Q 1”=V 1”C 1”=30×93%=27.90002、完成复卷部平衡:已知:Q 1’=902.1000Q 1”=27.9000 V 1’=970.0000 V 1”=30.0000C 3 = C 1’= C 1”=C 2=93% 成品率K 2=95% 计算:由于成品率K 2=所以,抄造量V 3=V 0/K 2 =1052.6316 Q 3=V 3C 3=1052.6316×93%=978.9474100%⨯全部产品量合格产品100%)()(30⨯V V 抄造量全部产品"1Q 成品出库V 2= V 3-V 1’ -V 1”=52.6316Q 2=Q 3-Q 1’-Q 2’’=48.9474 3、卷取部平衡:已知:Q 3=978.9474 V 3=1052.6316 C 3 = C 4= C 5=93%抄造率K 3=97%干损纸率d 1=1.5%干燥部计算:设G=抄造量+抄造损纸量,所以:G=V 3/K 3=1085.1872设G 中绝干纤维为H=Q 3/K 3=1009.2241假设干损纸全部出在压光卷取部,则 Q 4=Hd 1=15.1384 V 4=Q 4/C 4=16.2778 Q 5=Q 3 +Q 4=994.0858 V 5=V 3+V 4=1068.90944干燥部平衡:已知:进干燥部的纸页干度C 6=48%Q 5=994.0858 , V 5=1068.9094 计算:Q 6= Q 5=994.0858V 6 = Q 6/ C 6=2071.0121W 1= V 6-V 5 = 1002.1027 5压榨部平衡: 已知:进压榨部干度C 9=20%,进干燥部的纸页干度C 6=48%压榨部湿损纸率d 2=0.5%压榨部带出纤维率d 3=0.2%(对进浆) Q 6=994.0858, V 6=2071.0121 计算:湿损纸进入伏损池,则 Q 8=Hd 2=1009.2241×0.5%=5.0461设湿损纸平均干度为35%,即C 8=35%V 8= Q 8/ C 8=14.4175 Q 9= (Q 6+Q 8)/(1- d 3)= 1001.1342 V 9= Q 9/ C 9= 5005.6708 Q 7= Q 9-Q 6-Q 8=2.0023 V 7= V 9-V 6-V 8=2920.2412444C V 水力碎浆机555C V6、真空伏辊平衡: 真空箱 已知:Q 9=1001.1342 V 9=5005.6708 进真空伏辊纸页干度C 12=14% 水针W 2 伏损池 伏辊带出纤维率d 4=0.2%(对进浆) 冲边水W 3 C 10 伏辊湿损纸率d 5=1.0%(对理论抄造量) 混合白水池 横向收缩率ε=3.5% 伏辊水封水W 4 C 11 冲边水W 3=2000.0000伏辊水封水W 4=2000.0000 C 9 冲边宽度b=2×25mm 抄宽Bm=7510mm 压榨部 计算:纸页在压榨和干燥过程中,随着纸页中水分的除去而不断收缩,因此,网上纸页的宽度比实际抄宽要宽.而为了获得在伏辊上的冲边量,必须求出时纸页在网上的宽度。
浆水平衡计算相关指标及数据表浆水平衡计算以抄纸车间1吨浆板(水分含量10%)为基准 纤维单位为kg 液体单位为L(1) 漂后贮浆塔浆水平衡 已知:Q=1000/(1-10%)C 1=12%QV C 则:V=Q/C=9000Q=Q 1=900 C=3.0%知 Q 1=900 Q 1V 1C V 1=30V 1=Q 1/C 1=900/12%=7500W 1=V -V 1=9000-7500=1500 (2) 4#真空洗浆机浆水平衡 知 Q 1=900V 1=7500 C2C 1=12% 清水W2 Q3V3 C3 C 2=2%q 洗涤=0.5%稀释因子F=2 Cq 漂白=1% 则 Q 3=(1%+0.5%)Q 2 Q 2=Q 3+Q 1 Q 2=913.7 Q 3=13.7055V 2=Q 2/C 2=913.7/2%=45685F=(W -M )m 3/t 浆 M :洗后浆料含水率 W 2=FQ 2/90%+M=FQ 2/90%+V 1×(1-C 1)=2×913.7/90%+7500×(1-12%)=8630.4V 3=W 2+V 2-V 1=8630.4+45685-7500=46815.4 C 4 C 3=Q 3/V 3=13.7055/46815.4=0.293%(3)D 1塔的浆水平衡 已知:Q 2=913.7V 2=45685 滤液FQ 1 Q2V2 C 2C2=2.0% C4=8.0%则:V 4=Q 4/C 4=11421.35V 3=V 2-V 4=45685-11421.35=34263.75(4)4#高剪切混合器、蒸汽混合器的浆水平衡已知:Q 4=913.7Q5V5 C5V 4=11421.25 mNaOHC 4=8.0%C 5=12% mClOQ 5=913.7则: Q 5=Q 4=913.7V 5=Q 5/C 5=913.7/12%=7614.2 W 4=V 4-V 5=11421.25-7614.2=3807.05 m NaOH =Q 5×7.5kg/t ×0.001=6.853kg m ClO2=Q 5×12kg/t ×0.001=10.964kg(5)3#真空洗浆机的浆水平衡 已知:Q 5=913.7 V 5=7614.2 C 5=12%Q6V6 C 6 C 6=2%滤液FQ 2 Q7V7 C7 q 洗涤=0.5%稀释因子F=2q 漂白=2.5% C 5则:Q 7=(2.5%+0.5%)Q 6Q 6=Q 5+Q 7 Q 5=813.7 Q 6=956.754 Q 7=43.753V 6=Q 6/C 6=956.754/2%=47837.7F=(W -M)m 3/t 浆 M :洗后浆料含水率 FQ 2=F ×16/90%+M=FQ 2/90%+V5×(1-C 5) =2×956.754/90%+7614.2×(1-12%) =8653V 7=FQ 2+V 6-V 5=8653+47837.7-7614.2=48876.5C 7=Q 7/V 7=43.053/48876.5=0.088%(6)碱处理塔的浆水平衡C 8 已知:Q 6=956.754V 6=47837.7C 6=2%C 8=8% 则:V 8/C 8=956.754/8%=11959.425 FQ 3=V 6-V 8=47837.7-11959.425=35878.275(7)3#高剪切混合器、3#蒸汽混合器的浆水平衡 Q9V9 C 9已知:Q 8=956.754V 8=11959.425C 8=8% C 9=12% Q 9=956.754 则:Q 9=Q 8=956.754V 9=Q 9/C 9=956.754/12%=7972.95 C 8 W 4=V 8-V 9=11959.425-7972.95=3986.475m NaOH =Q 9×25kg/t ×0.001=956.754×0.025=23.19kg m O2=Q 9×5kg/t ×0.001=995.754×0.05=4.784kg(8)2#真空洗浆机的浆水平衡 已知:Q 9=9556.754 V 9=7972.95C 9=12% Q10V10 C 10C 10=2% 滤液FQ 4 Q11V11 Q 洗涤=0.5% 稀释因子F=2q 漂白=1% Q9V9 C 9则:Q 11=(1%+0.5%)Q 10Q 10=Q 9+Q 11 Q 9=956.754 Q 10=971.324 Q 11=14.570V 10=Q 10/C 10=9.71324/2%=48566.21 F=(W -M)m 3/t 浆 M :洗后浆料含水率FQ 4=F ×Q 10/90%+M=FQ 10×90%+V 9×(1-C 9)=2×971.324/90%+7972.95×—(1-12%) =49591.75C 11=Q 11/V 11=14.570/49591.75=0.029%(9)D 0塔的浆水平衡C 12 已知:Q 10=971.324V10=48566.2 C 10=2.0% C 12=8.0%则:V 12=Q 12/C 12=971.324/8%=12141.55 滤液FQ 5 Q10V10 C 10FQ 5=V 10-V 12=48566.2-12141.55=36388.73 (10)2#高剪切混合器、2#蒸汽混合器的浆水平衡 已知:Q 12=971.324 V 12=12141.55 C 12=8.0% C 13=12%则:Q 12=Q 12=971.324 C 13V 13=Q 13/C 13=971.324/12%=8094.37 W 5=V 12-V 13=12141.55-8094.37 =4083.46 m ClO2m NaOH =Q 13×7.5kg/t ×0.001=7.285kgm ClO2=Q 13×15kg/t ×0.001=14.570kgC 12 (11)1#真空洗浆机的浆水平衡 已知:Q 13=971.324 V 13=8094.37 C 14=2% q 洗涤=0.5%稀释因子F=2 Q14V14 C 14 q 漂白=1.5%则:Q 17=(1.5%+0.5%)Q 14 Q17V17 C 17Q 14=Q 13+Q 17 Q 13=971.324 Q 14=996.229Q 17=24.905 Q13V13 C 13V 14=Q 14/C 14=996.229/2%=49811.45F=(W -M)m 3/t 浆 M :洗后浆料含水率FQ 6=F ×Q 14/90%+M=FQ 14/90%+V 13×(1-C 13)=2×996.229/90%+8094.37×(1-12%) =9156.2V 17=FQ 6+V 14-V 13=9156.2+49811.45-8094.37 =5087.25C 17=Q 17/V 17=24.905/50873.225=0.049%(12)氧脱木素塔的浆水平衡已知:Q 14=996.229Q15V15 C 15V 14=49811.45 C 14=2% C 15=8%则: V 15=Q 15/C 15=996.229/8%=12452.86 滤液FQ 7FQ 7=V 14-V 15=49811.45-12452.86 Q14V14 C 14 =37358.59(13)1#高剪切混合器、1#蒸汽混合器的浆水平衡 已知:Q 15=971.324 V 15=12452.86 C 15=8.0%C 16=9.96% Q16V16 C 16则:Q 16=Q 15=971.324 m NaOHV 16=Q 15/C 16=996.229/9.96% =10000 W 6=V 15-V 16=12452.86-10000 =2452.86 m NaOH =Q 16×30kg/t ×m O2=Q 16×22kg/t ×0.001=21.917kg m MgSO4=Q 16×2.7kg/t ×0.001=2.7kg浆水平衡明细表设备选型设备平衡计算按照V=0.9QT/C进行设备平衡计算,其中:V--容积(m3)T--塔内停留时间C--浆浓(%)Q--处理浆料量(t/h)(1)氧漂白塔V=0.9QT/C=0.9×(150/22.5)×1/8%=75m3规格及特征:容积75m3浆浓8%直径3000mm 高度18m电机J03-180L-6 22KW 1台(2)D0反应塔V=0.9QT/C=0.9×(150/22.5)×2.5/8%=188m3 根据计算选择ZPT升流式中浓二氧化氯漂白塔规格及特征:容积188m3浆浓8%直径3000mm 高度18m电机J03-180L-6 22KW 2台(3)E0反应塔V=039QT/C=0.9×(150/22.5)×1.5/8%=113m3根据计算选择ZPT23升流式碱化塔规格及特征:容积1138m3浆浓8%直径3000mm 高度28m电机J03-180L-6 22KW 2台循环器直径750mm 2台针形阀直径40mm 4个(4)D1反应塔V=0.9×(300/22.5)×3/10%=180m3根据计算选择ZPT升流式中浓二氧化氯漂白塔塔规格及特征:容积180m3浆浓8%直径3000mm 高度28m电机J03-180L-6 22KW 2台循环器直径750mm 2台针形阀直径40mm 4个(5)贮浆塔(立式)V=0.9×(150/22.5)×3/10%=180m3根据计算选择ZPT5升流式氯化塔规格及特征:容积180m3浆浓10%直径3000mm 高度14m电机J03-180L-6 22KW 2台循环器直径750mm 2台针形阀直径40mm 4个(6)中浓高剪切混合器根据计算选择ZPT23中浓高剪切混合器规格及特征:型号ZPT23 工作温度<100℃搅拌器转速1000r/min进浆口℃ Ø400mm×500m出浆口℃ Ø400mm×500m电机J03-200L-4 40KW 1台(7)真空洗浆机选用平面鼓式真空洗浆机,本系列鼓式真空洗浆机为大中型制浆造纸厂较为理想的洗涤设备,用于漂白工段浆料洗涤,也可以用来洗涤粗浆。
浆水平衡计算过程【说明】以一吨成品纸为计算基准,单位为kg 从成品按流程顺序逆向推算1、复卷完成部已知:成纸水分=7%V0=1000.0000Q0=930.0000C0=C1=C2=93%成品率=95%201V1=V2-V0=1052.6316-1000.0000=52.6316Q2=V2×C2=1052.6316×93%=978.9474Q1=Q2-Q0=978.9474-930.0000=48.94742、压光卷取部从进入干燥部后都可以视为干损纸,所有干损纸都算在卷取部,所有湿损纸都算在真空伏棍处已知:Q2=978.94742=1052.63162=C3=C4=93%抄造率=k2=97%干湿损纸比率为1:1 设x= =1085.1872抄造量(V2)抄造率(k2)抄造损纸量为1085.1872-1052.6316=32.5556干损纸量V 3=32.5556×50%=16.2778Q 3=V 3×C 3=16.2778×93%=15.1384Q 4=Q 3+Q 2=15.1384+978.9474=994.0858V 4=V 3+V 2=16.2778+1052.6316=1068.90943、后干燥部进后干燥部纸页干度C 5=55% 4=994.0858 4=1068.9094 4=93%54 V 5=Q 5/C 5=994.0858/55%=1807.4287W 1=V 5-V 4=1807.4287-1068.9094=738.51934、表面施胶部干度C 6=80% 5=994.08585=1807.4287 5=55%65 V 6=Q 6/C 6=994.0858/80%=1242.6073W 2=V 5-V 6=1807.4287-1242.6073=564.82145、前干燥部C 7=43% 6=994.0858 6=1242.6073 6=80%76 V 7=Q 7/C 7=994.0858/43%=2311.8274W3=V 7-V 6=2311.8274-1242.6073=1069.22016、压榨部:出伏辊时纸页干度为C 8=20% 7=994.0858 7=2311.8274 7=43%0.2%(相对成品量) 计算:压榨白水纤维损失量Q 9=0.2%×Q 0=0.2%×930.0000=1.8600 Q 8=Q 7+Q 9=994.0858+1.8600=995.9458V 8=Q 8/C 8=995.9458/20%=4979.7290V 9=V 8-V 7=4979.7290-2311.8274=2667.9016C 9=Q 9/V 9=1.8600/2667.9016=0.0697%7、真空伏辊已知:水封槽白水纤维损失量1%(相对成品量)Q 8=995.9458V 8=4979.7290W 4=500.0000W5=2000.0000切边损失纸页干度C13=20%切边宽度2×50mm湿损纸纸页干度C12=20%出伏辊时纸页干度C8=20%进伏辊时纸页干度C10=14%横向收缩率ε=2%抄宽Bm=2680mm干湿损纸比率为1:1123湿纸页宽度Bn=Bm/(1-ε)=2680/(1-2%)=2735mm单位长度湿纸页的纤维量为G=(Q8+Q12)/Bn所以切边损失量Q13=2×50×G=2×50×(995.9458+15.1384)/2735=36.9683 Q11=1%×Q0=1%×930.0000=9.3000Q10=Q11+Q12+Q13+Q8=9.3000+15.1384+36.9683+995.9458=1057.3525 V13=Q13/C13=36.9683/20%=184.8415V12=Q12/C12=15.1384/20%=75.6920V10=Q10/C10=1057.3525/14%=7552.5179V11=V10+W4+W5-V12-V13-V8=7552.5179+500.0000+2000.0000-75.6920-184.8415-4979.7290 =4812.2554C11=Q11/V11=9.3000/4812.2554=0.1933%8、真空吸水箱已知:水封槽白水中纤维损失量3%(相对成品量) W 6=500.0000Q 10=1057.3525V 10=7552.5179C 10=14%进真空吸水箱纸页干度C 14=2%计算:150 Q 14=Q 15+Q 10=27.9000+1057.3525=1085.2525 V 14=Q 14/C 14=1085.2525/2%=54262.6250 V 15=V 14+W 6-V 10=54262.6250+500.0000-7552.5179=47210.1071 C 15=Q 15/V 15=27.9000/47210.1071=0.0591%9、成形板案板已知:白水纤维损失量30%(相对成品量) 上网浓度C 15=0.7%W7=2000.0000Q14=1085.2525V14=54262.6250C14=2%计算:Q16=30%×Q0=30%×930.0000=279.0000Q15=Q16+Q14=279.0000+1085.2525=1364.2525V15=Q15/C15=1364.2525/0.7%=194893.2143V16=V15+W7-V14=194893.2143+2000.0000-54262.6250 =142630.5893C16=Q16/V16=279.0000/142630.5893=0.1956%。
浆水平衡计算相关指标及数据表序号指标名称单位定额1 O段漂白损失% 1.502 O段洗涤损失% 0.503 O段反应浓度% 8.04 O段O2用量% 2.25 O段NaOH用量% 3.06 O段MgSO4用量% 0.307 E0段O2用量% 0.58 E0段NaOH用量% 2.59 E0段反应浓度% 8.0010 E0段漂白损失% 2.5011 E0段洗涤损失% 0.5012 真空洗浆机进浆浓度% 2.0013 真空洗浆机出浆浓度% 12.014 D0塔反应浓度% 8.0015 D0段漂白损失% 1.0016 D0段洗涤损失% 0.5017 D0段ClO2用量% 1.518 D0段NaOH用量% 0.7519 D1段反应浓度% 8.0020 D1段NaOH用量% 0.7521 D1段ClO2用量% 1.222 D1段漂白损失% 1.0023 D1段洗涤损失% 0.524 D2段反应浓度% 8.0025 D2段NaOH用量% 0.7526 D2段ClO2用量% 1.227 D2段漂白损失% 1.0028 D2段洗涤损失% 0.529 漂后浆塔浓度% 10浆水平衡计算以抄纸车间1吨浆板(水分含量10%)为基准 纤维单位为kg 液体单位为L(1) 漂后贮浆塔浆水平衡 已知:Q=1000/(1-10%)C 1=12% QV C 则: V=Q/C=9000 清水W1 Q=Q 1=900 C=3.0%知 Q 1=900 Q 1V 1C V 1=30V 1=Q 1/C 1=900/12%=7500W 1=V -V 1=9000-7500=1500 (2) 4#真空洗浆机浆水平衡 知 Q 1=900V 1=7500 Q2V2 C2C 1=12% 清水W2 Q3V3 C3 C 2=2%q 洗涤=0.5%稀释因子F=2 Q1V1 Cq 漂白=1% 则 Q 3=(1%+0.5%)Q 2 Q 2=Q 3+Q 1 Q 2=913.7 Q 3=13.7055V 2=Q 2/C 2=913.7/2%=45685F=(W -M )m 3/t 浆 M :洗后浆料含水率 W 2=FQ 2/90%+M=FQ 2/90%+V 1×(1-C 1)=2×913.7/90%+7500×(1-12%)=8630.4V 3=W 2+V 2-V 1=8630.4+45685-7500=46815.4 Q4V4 C 4 C 3=Q 3/V 3=13.7055/46815.4=0.293%(3)D 1塔的浆水平衡 已知:Q 2=913.7V 2=45685 滤液FQ 1 Q2V2 C 2漂后贮浆塔4#真空洗浆机D1塔C2=2.0% C4=8.0%则:V 4=Q 4/C 4=11421.35V 3=V 2-V 4=45685-11421.35=34263.75(4)4#高剪切混合器、蒸汽混合器的浆水平衡已知:Q 4=913.7 Q5V5 C5V 4=11421.25 清水W3 mNaOHC 4=8.0%C 5=12% 蒸汽q1 mClOQ 5=913.7则: Q 5=Q 4=913.7V 5=Q 5/C 5=913.7/12%=7614.2 Q4V4 C4 W 4=V 4-V 5=11421.25-7614.2=3807.05 m NaOH =Q 5×7.5kg/t ×0.001=6.853kg m ClO2=Q 5×12kg/t ×0.001=10.964kg(5)3#真空洗浆机的浆水平衡 已知:Q 5=913.7 V 5=7614.2 C 5=12% Q6V6 C 6C 6=2%滤液FQ 2 Q7V7 C 7 q 洗涤=0.5% 稀释因子F=2q 漂白=2.5% Q5V5 C 5则:Q 7=(2.5%+0.5%)Q 6Q 6=Q 5+Q 7 Q 5=813.7 Q 6=956.754 Q 7=43.753V 6=Q 6/C 6=956.754/2%=47837.7F=(W -M)m 3/t 浆 M :洗后浆料含水率 FQ 2=F ×16/90%+M=FQ 2/90%+V5×(1-C 5) =2×956.754/90%+7614.2×(1-12%) =8653V 7=FQ 2+V 6-V 5=8653+47837.7-7614.24#蒸汽混合器4#高剪切混合器 3#真空洗浆机=48876.5C 7=Q 7/V 7=43.053/48876.5=0.088%(6)碱处理塔的浆水平衡 Q8V8 C 8 已知:Q 6=956.754V 6=47837.7C 6=2%C 8=8% 滤液FQ 3 则:V 8/C 8=956.754/8%=11959.425 Q6V6 C 6FQ 3=V 6-V 8=47837.7-11959.425=35878.275(7)3#高剪切混合器、3#蒸汽混合器的浆水平衡 Q9V9 C 9已知:Q 8=956.754V 8=11959.425 清水W 4 m NaOHC 8=8% C 9=12% 蒸汽q 2 m O2 Q 9=956.754 则:Q 9=Q 8=956.754V 9=Q 9/C 9=956.754/12%=7972.95 Q8V8 C 8 W 4=V 8-V 9=11959.425-7972.95=3986.475m NaOH =Q 9×25kg/t ×0.001=956.754×0.025=23.19kg m O2=Q 9×5kg/t ×0.001=995.754×0.05=4.784kg(8)2#真空洗浆机的浆水平衡 已知:Q 9=9556.754 V 9=7972.95C 9=12% Q10V10 C 10C 10=2% 滤液FQ 4 Q11V11 C 11Q 洗涤=0.5%稀释因子F=2q 漂白=1% 错误!C 9 则:Q 11=(1%+0.5%)Q 10Q 10=Q 9+Q 11 Q 9=956.754 Q 10=971.324 Q 11=14.570V 10=Q 10/C 10=9.71324/2%=48566.21 F=(W -M)m 3/t 浆 M :洗后浆料含水率FQ 4=F ×Q 10/90%+M=FQ 10×90%+V 9×(1-C 9)E0反应塔塔 3#蒸汽混合器 3#高剪切混合器2#真空洗浆机=2×971.324/90%+7972.95×—(1-12%) =49591.75C 11=Q 11/V 11=14.570/49591.75=0.029%(9)D 0塔的浆水平衡 Q12V12 C 12 已知:Q 10=971.324 V 10=48566.2 C 10=2.0% C 12=8.0%则:V 12=Q 12/C 12=971.324/8%=12141.55 滤液FQ 5 Q10V10 C 10FQ 5=V 10-V 12=48566.2-12141.55=36388.73 (10)2#高剪切混合器、2#蒸汽混合器的浆水平衡 已知:Q 12=971.324 V 12=12141.55 C 12=8.0% C 13=12%则:Q 12=Q 12=971.324 Q13V13 C 13V 13=Q 13/C 13=971.324/12%=8094.37 清水W 5 m NaOH W 5=V 12-V 13=12141.55-8094.37 =4083.46 蒸汽q 3 m ClO2m NaOH =Q 13×7.5kg/t ×0.001=7.285kgm ClO2=Q 13×15kg/t ×0.001=14.570kgQ12V12 C 12 (11)1#真空洗浆机的浆水平衡 已知:Q 13=971.324 V 13=8094.37 C 14=2% q 洗涤=0.5%稀释因子F=2 Q14V14 C 14 q 漂白=1.5%则:Q 17=(1.5%+0.5%)Q 14 清水W 2 Q17V17 C 17Q 14=Q 13+Q 17 Q 13=971.324 Q 14=996.229Q 17=24.905 Q13V13 C 13V 14=Q 14/C 14=996.229/2%=49811.45F=(W -M)m 3/t 浆 M :洗后浆料含水率FQ 6=F ×Q 14/90%+M=FQ 14/90%+V 13×(1-C 13)D0塔2#蒸汽混合器 2#高剪切混合器 1#真空洗浆机=2×996.229/90%+8094.37×(1-12%) =9156.2V 17=FQ 6+V 14-V 13=9156.2+49811.45-8094.37 =5087.25C 17=Q 17/V 17=24.905/50873.225=0.049%(12)氧脱木素塔的浆水平衡已知:Q 14=996.229 Q15V15 C 15 V 14=49811.45 C 14=2% C 15=8%则: V 15=Q 15/C 15=996.229/8%=12452.86 滤液FQ 7FQ 7=V 14-V 15=49811.45-12452.86 Q14V14 C 14 =37358.59(13)1#高剪切混合器、1#蒸汽混合器的浆水平衡 已知:Q 15=971.324 V 15=12452.86 C 15=8.0%C 16=9.96% Q16V16 C 16则:Q 16=Q 15=971.324 m NaOHV 16=Q 15/C 16=996.229/9.96% 清水W 6 =10000 m MgSO4W 6=V 15-V 16=12452.86-10000 蒸汽q 4=2452.86 m O2 m NaOH =Q 16×30kg/t ×0.001=29.887kgm O2=Q 16×22kg/t ×0.001=21.917kg Q15V15 C 15 m MgSO4=Q 16×2.7kg/t ×0.001=2.7kg氧脱木素塔 1#蒸汽混合器1#高剪切混合器浆水平衡明细表表浆水平衡明细表序号工段名称纤维量浆料量收支收支1 1#高剪切混合器996.299 996.299 10000 12452.862 氧脱木素塔996.299 996.299 12452.86 49811.453 1#真空洗浆机996.299 971.324 49811.45 8094.374 2#高剪切混合器971.324 971.324 8094.37 12141.555 D0反应塔971.324 971.324 12141.55 48566.26 2#真空洗浆机971.324 956.754 48566.2 7972.957 3#高剪切混合器971.324 956.754 7972.95 11959.4258 E0反应塔956.754 956.754 11959.425 47837.79 3#真空洗浆机956.754 913.7 47837.7 7614.210 4#高剪切混合器913.7 913.7 7614.2 11421.2511 D1反应塔913.7 913.7 11421.25 4568512 4#真空洗浆机913.7 900 45685 750013 漂后贮浆塔900 900 7500 9000设备选型设备平衡计算按照V=0.9QT/C进行设备平衡计算,其中:V--容积(m3)T--塔内停留时间C--浆浓(%)Q--处理浆料量(t/h)(1)氧漂白塔V=0.9QT/C=0.9×(150/22.5)×1/8%=75m3规格及特征:容积75m3浆浓8%直径3000mm 高度18m电机J03-180L-6 22KW 1台(2)D0反应塔V=0.9QT/C=0.9×(150/22.5)×2.5/8%=188m3根据计算选择ZPT升流式中浓二氧化氯漂白塔规格及特征:容积188m3浆浓8%直径3000mm 高度18m电机J03-180L-6 22KW 2台(3)E0反应塔V=039QT/C=0.9×(150/22.5)×1.5/8%=113m3根据计算选择ZPT23升流式碱化塔规格及特征:容积1138m3浆浓8%直径3000mm 高度28m电机J03-180L-6 22KW 2台循环器直径750mm 2台针形阀直径40mm 4个(4)D1反应塔V=0.9×(300/22.5)×3/10%=180m3根据计算选择ZPT升流式中浓二氧化氯漂白塔塔规格及特征:容积180m3浆浓8%直径3000mm 高度28m电机J03-180L-6 22KW 2台循环器直径750mm 2台针形阀直径40mm 4个(5)贮浆塔(立式)V=0.9×(150/22.5)×3/10%=180m3根据计算选择ZPT5升流式氯化塔规格及特征:容积180m3浆浓10%直径3000mm 高度14m电机J03-180L-6 22KW 2台循环器直径750mm 2台针形阀直径40mm 4个(6)中浓高剪切混合器根据计算选择ZPT23中浓高剪切混合器规格及特征:型号ZPT23 工作温度<100℃搅拌器转速1000r/min进浆口℃ Ø400mm×500m出浆口℃ Ø400mm×500m电机J03-200L-4 40KW 1台(7)真空洗浆机选用平面鼓式真空洗浆机,本系列鼓式真空洗浆机为大中型制浆造纸厂较为理想的洗涤设备,用于漂白工段浆料洗涤,也可以用来洗涤粗浆。
完整版浆水平衡计算浆水平衡计算是一种在纸浆制备工艺中常用的计算方法,用于确定经过各个生产环节后纸浆中各组分的含量。
通过计算不同环节中的产量和各组分的损失,可以帮助生产过程进行优化,提高生产效率和产品质量。
纸浆的制备包括多个重要的生产环节,如原料制备、纤维解聚、筛选分离、漂白等。
在每个环节中,纸浆中的组分会发生改变,包括纤维、杂质、水分等。
浆水平衡计算的目的就是要确定每个环节中的产量和组分的变化,以确保最终纸浆的质量和组分符合要求。
浆水平衡计算一般分为两个方面:质量平衡和量平衡。
质量平衡是指在每个环节中,纸浆中各组分的含量发生改变时,总质量的变化情况。
量平衡是指在每个环节中,纸浆的总产量和组分的损失情况。
在进行浆水平衡计算时,首先需要确定每个环节中纸浆的进料量和出料量,以及各组分的含量。
然后,根据质量平衡和量平衡的原理进行计算。
具体的计算方法包括:1.原料制备环节:在原料制备环节中,需要确定原料的质量和含水率。
如果原料中还有其他组分,比如杂质或化学品,也需要进行计算。
计算原料的进料量和含量,以及出料量和含量的变化情况。
2.纤维解聚环节:纤维解聚是将原料中的纤维分散开来,形成纸浆的过程。
在这个环节中,需要计算纤维从原料中的损失和纤维的进料量。
同时,纤维的质量和含水率也会发生变化,需要进行计算。
3.筛选分离环节:筛选分离环节是将纸浆中的纤维和杂质进行分离的过程。
在这个环节中,需要计算纤维的产量和含量,以及杂质的产量和含量。
同时,还需要计算纤维和杂质在纸浆中的比例变化情况。
4.漂白环节:漂白环节是将纸浆中的色素和其他有害物质去除的过程。
在这个环节中,需要计算纸浆中色素的含量和漂白剂的进料量。
同时,还需要计算漂白后纸浆的产量和组分的变化情况。
通过以上的计算,可以得到每个环节中纸浆的产量和各组分的含量。
根据这些数据,可以确定每个环节中纸浆的变化情况,并进行分析和优化。
通过浆水平衡计算,可以帮助纸浆制备过程进行控制,并提高生产效率和产品质量。
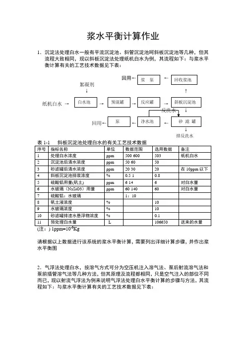
浆水平衡作业(1)国内某造纸工厂以原木为原料,采用化学制浆方法生产漂白化学木浆,年产量为50万吨(漂白风干浆计),各生产工段工艺流程如下图1-1,1-2,1-3,1-4所示,请根据我们所学的专业知识,作该车间浆水平衡计算,要求列出计算工艺技术指标表和工艺参数表,详细计算步骤,并列出物料(浆水平衡)明细表和平衡总表。
一、化学制浆系统生产工艺流程图1.备料系统工艺流程图图1-1 原木备料系统生产流程简图2.蒸煮系统工艺流程图图1-2 木片蒸煮生产流程简图3. 洗涤、筛选和净化、浓缩系统流程图图1-3 洗涤、筛选和净化、浓缩生产流程简图4.漂白系统流程图图1-4 漂白系统生产流程简图干部教育培训工作总结[干部教育培训工作总结] 年干部教育培训工作,在县委的正确领导下,根据市委组织部提出的任务和要求,结合我县实际,以兴起学习贯彻“三个代表”重要思想新高潮为重点,全面启动“大教育、大培训”工作,取得了一定的成效,干部教育培训工作总结。
现总结报告如下:一、基本情况全县共有干部**人,其中中共党员**人,大学本科以上学历**人,大专学历**人,中专学历**人,高中及以下学历**人。
**年,以县委党校、县行政学校为主阵地,举办各类培训**期,培训在职干部**人,占在职干部总数的**.*%,培训农村党员、干部**人,其中:举办科级领导干部轮训班*期,培训**人;举办科级领导干部“三个代表”重要思想专题学习班*期,培训**人;举办科级以下公务员培训班*期,培训**人;举办企业经营管理者培训班*期,培训**人;举办专业技术人员培训班*期,培训**人;举办非中共党员干部培训班*期,培训**人;举办理论骨干培训班*期,培训**人;举办妇女干部培训班*期,培训**人;举办基层团干培训班*期,培训**人;举办农村党支部书记、村主任培训班各*期,培训**人,达到了每年培训在职干部五分之一的要求,超额完成了培训任务。
另外,上派了*名县级领导干部、**名科级领导干部、*名中级以上职称的专业技术人员参加盛市委党校的培训,有**名县级领导参加了市委组织部、市委党校举办的“三个代表”重要思想轮训班,全面完成了上级的调学任务。
浆水平衡计算1.浆水平衡计算说明造纸车间浆水平衡计算是物料平衡的一种特殊形式,通常以1t成品纸为计算基础,从完成成品起,逆流计算各部的浆料和药品。
在浆水平衡中,填料没有当做纤维计算,如浓缩机浓缩后浆料浓度较高,需加水稀释,由于不影响计算结果,计算时所取浓度为稀释后的浓度。
2.浆水平衡有关定额和工艺参数3.3浆水平衡计算(1)复卷,完成整理部 已知:成纸水分为8%,即c 1=c 2=c 3=92% 以1t 成品纸为计算基础,0=1000.0000, 成品率k 1=96%。
计算:成品率k 1=V0/V 22=V 0/K 1=1000.0000/96% 1=V 2-V 0=1041.6667-10002=V 2c 2=1041.6667×92%=958.3334 Q 1=Q 2-Q 0=958.3334-920 =38.3334已知:c 2=c 3=c 4=92%, 2=958.3334, 2=1041.6667, 抄造率K 2=97%,干损纸率d 1=1.5%. 计算:抄造率k 2= 抄纸损纸包括干损纸、湿损纸两部分设X=抄造量+抄造损纸量 成品库%100⨯+抄造损纸量抄造量抄造量则X=V 2/k 2=1041.6667/97% =1073.8832设Y 为X 中绝干纤维量,则 Y=Q 2/k 2=958.3334/97% =987.9726Q 3=Y ·d 1=987.9726×1.5% =14.8196V 3=Q 3/c 3=14.8196/92%=16.1083 Q 4=Q 2+Q 3=958.3334+14.8196=973.1530 V 4=V 3+V 2=16.1083+1041.6667=1057.7750(3)干燥部已知:进干燥部纸页干度c 5=42%,4=973.1530 4=1057.7750 4=92%计算:Q 5=Q 4=973.15305=Q 5/c 5=973.1530/42%=2317.0310 1=V 5-V 4=2317.0310-1057.7750=1259.2560(4)压榨部已知:c 5=42%,c 8=21%, Q 5=973.1530, 5=2432.8825, 压榨部湿损纸率d 2=0.5%, 压榨部带出纤维量d 3=0.15% 计算:Q 7=Y ·d 2=987.9726×0.5% 设湿损纸的平均干度为30%,压榨部 压光、卷取真空伏辊 伏损池 压榨白水 8V Q 7即c 7=30%,则 V 7=Q 7/c 7=4.9399/30% =16.4663压榨带出纤维量:Q 6=Q 8×d 3,且Q 8=Q 5+Q 6+Q 7,则:Q 8=(Q 5+Q 7)/(1-d 3)=(973.1530+4.9399)/(1-0.15%)=979.5622 Q 6=979.5622×0.15%=1.4693 V 8=Q 8/c 8=4664.5819 V 6=V 8-V 7-V 5=2331.0847(5)真空伏辊已知:Q 8=979.5622,V 8=4664.5819,c 8=21%,c 11=12%, 伏辊带出纤维率d 4=0.2%,冲边水W 5=2600, 伏辊湿损纸率d 5=1.0%计算:冲边宽度:b=2×20(mm ),横向收缩率ε=4.5%,抄宽:B m =3190mm,则: 湿纸宽度B n =%5.41-Bm=3298湿纸边占整个湿纸幅宽比率r=329840202+⨯=1.1983%所以,进入伏损池的湿边纸占进入伏辊纸页的1.1983%。
浆水平衡计算1.浆水平衡计算说明造纸车间浆水平衡计算是物料平衡的一种特殊形式,通常以1t成品纸为计算基础,从完成成品起,逆流计算各部的浆料和药品。
在浆水平衡中,填料没有当做纤维计算,如浓缩机浓缩后浆料浓度较高,需加水稀释,由于不影响计算结果,计算时所取浓度为稀释后的浓度。
2.浆水平衡有关定额和工艺参数3.3浆水平衡计算(1)复卷,完成整理部 已知:成纸水分为8%,即c 1=c 2=c 3=92% 以1t 成品纸为计算基础,0=1000.0000, 成品率k 1=96%。
计算:成品率k 1=V0/V 22=V 0/K 1=1000.0000/96% 1=V 2-V 0=1041.6667-10002=V 2c 2=1041.6667×92%=958.3334 Q 1=Q 2-Q 0=958.3334-920 =38.3334已知:c 2=c 3=c 4=92%, 2=958.3334, 2=1041.6667, 抄造率K 2=97%,干损纸率d 1=1.5%. 计算:抄造率k 2= 抄纸损纸包括干损纸、湿损纸两部分设X=抄造量+抄造损纸量 成品库%100⨯+抄造损纸量抄造量抄造量则X=V 2/k 2=1041.6667/97% =1073.8832设Y 为X 中绝干纤维量,则 Y=Q 2/k 2=958.3334/97% =987.9726Q 3=Y ·d 1=987.9726×1.5% =14.8196V 3=Q 3/c 3=14.8196/92%=16.1083 Q 4=Q 2+Q 3=958.3334+14.8196=973.1530 V 4=V 3+V 2=16.1083+1041.6667=1057.7750(3)干燥部已知:进干燥部纸页干度c 5=42%,4=973.1530 4=1057.7750 4=92%计算:Q 5=Q 4=973.15305=Q 5/c 5=973.1530/42%=2317.0310 1=V 5-V 4=2317.0310-1057.7750=1259.2560(4)压榨部已知:c 5=42%,c 8=21%, Q 5=973.1530, 5=2317.0310, 压榨部湿损纸率d 2=0.5%, 压榨部带出纤维量d 3=0.15% 计算:Q 7=Y ·d 2=987.9726×0.5% 设湿损纸的平均干度为30%,压榨部 压光、卷取真空伏辊 伏损池 压榨白水 8V Q 7即c 7=30%,则 V 7=Q 7/c 7=4.9399/30% =16.4663压榨带出纤维量:Q 6=Q 8×d 3,且Q 8=Q 5+Q 6+Q 7,则:Q 8=(Q 5+Q 7)/(1-d 3)=(973.1530+4.9399)/(1-0.15%)=979.5622 Q 6=979.5622×0.15%=1.4693 V 8=Q 8/c 8=4664.5819 V 6=V 8-V 7-V 5=2331.0847(5)真空伏辊已知:Q 8=979.5622,V 8=4664.5819,c 8=21%,c 11=12%, 伏辊带出纤维率d 4=0.2%,冲边水W 5=2600, 伏辊湿损纸率d 5=1.0%计算:冲边宽度:b=2×20(mm ),横向收缩率ε=4.5%,抄宽:B m =3190mm,则: 湿纸宽度B n =%5.41-Bm=3298湿纸边占整个湿纸幅宽比率r=329840202+⨯=1.1983%所以,进入伏损池的湿边纸占进入伏辊纸页的1.1983%。
由于伏辊处湿 损纸率是对抄造量和全部损纸量而言,即: Q 10=Y ·d 5+r ·Q 11, 而Q 9=d 4·Q 11故Q 11=Q 8+Q 9+Q 10=(Y ×d 5+Q 8)/(1-d 4-r)=1003.4722Q 10=Y ·d 5+r ·Q 1=987.9726×1.0%+1.1983%×1003.4722=21.9030真空箱压榨部水封槽 伏损池Q 9=d 4·Q 11=1003.4722×0.2%=2.0069 V 11=Q 11/c 11=1003.4722/12%=8362.2679 伏辊处用水量计算公式w=gp d 26.042⨯⨯⨯⨯μπ。
其中p=1MPa ,d=1mm,所以W=0.001252 设有三根水针,日产500t ,每天工作22.5h ,t=500605.22⨯=2.7(min) 所以W 2=2.7×0.00105×3×1000=8.5050 V 10=W 2+W 3+Q 10/c 8+W 5=3269.2751 V 9=V 11+W 4-Q 10/c 8-V 8=4956.6160 c 10=Q 10/V 10=0.6700% c 9=Q 9/V 9=0.04049%(6)真空箱平衡已知:Q 11=1003.4722, V 11=8362.2679, c 13=3.0%,真空箱白水带出纤维率d 6=3.0%, 真空箱水封水W 6=47.1420 计算:由于Q 13=Q 11+Q 12,Q 12=d 6·Q 13, 则:Q 13=Q 11/(1-d 6)=1034.5074 13=Q 13/c 13=34483.5790真空箱水封水W 16进入水封池,所以V 12=V 13+W 6-V 11=26168.4631Q 12=d 6·Q 13=31.0352 c 12=Q 12/V 12=0.1186%案板真空伏辊(7)成形板、案板已知:Q13=1034.507413=34483.579015=0.7%案板带出纤维d7=43%7=1600.0000计算:Q15=Q13+Q14,而Q14=d7·Q15,故Q15=Q13/(1-d7)=1814.9252V15=Q15/c15=259275.0302Q14=d7·Q15=780.4178V14=V15-V13+W7=226391.4512c14=Q14/V14=0.3447%(8)流浆箱已知:Q15=1814.9252,15=259275.0302,8=5%(流浆箱回流率),15=c16=0.7%,9=3500.0000,8=326.7000计算:由于Q17=Q16+Q15,而Q16=d8·Q17所以Q17=Q15/(1-d8)=1910.4476Q16=95.5224V16=Q16/c16=13646.0542V17=V15+V16-W8-W9=269094.3845流浆箱真空箱冲浆泵成形板、案板c 17=Q17/V17=0.7100%(9)旋翼筛已知:Q17=1910.4476V17=269094.3845旋翼筛排渣率d9=7%旋翼筛排渣浓度c18=1.3%计算:因为Q18=d9·Q19Q19=Q18+Q17所以Q19=Q17/(1-d9)=2054.2447 Q18=143.7971V18=Q18/c18=11061.3177V19=V17+V18=280115.7022c19=Q19/V19=0.7333% (10)2#冲浆泵已知:Q19=2054.244719=280115.702210=2.000010’’=1000×70%=700计算:Q21=Q19=2054.244721=V19-W10- W10’’21=Q21/V21=0.7351% (11)除气器2#冲浆泵流浆箱cVQ191919cVQ1818171717cVQ21振框式平筛已知:Q21=2054.2447,21=279453.7022,24=0.7%,12=10%( 除气器回流量)计算:由于Q21+Q23=Q24,Q23=d12·Q24故Q24=Q21/(1-d12)=2282.494123=228.249424=Q24/c24=326070.5908W11=d11·V24=163.0353V23=V24-V21-W11=46453.8533c23=Q23/V23=0.4913%(12)振框平筛已知:c25=0.7%,18=143.7971,18=11061.3177,排渣浓度c26=4%,排渣率d13=0.1%计算:c27=c14=0.3447%26=1000×92%×0.1%=0.9226=Q26/c26=23.0000Q18+Q27=Q25+Q26V18+Q27/c27=V26+Q25/c25得出Q27=63.6485,Q25=206.5256V27=Q27/c27=18464.8970,V25=Q25/c25=29503.6571(13)一段锥形除渣器一段除渣器1#冲浆泵旋翼筛已知:Q 24=2282.494124=326070.5908 一段除渣器排渣率d14=15% 一段除渣器渣浆浓度c 28= 计算:由于Q 29=Q 28+Q 24 而Q 28=d 14·Q 29则:Q 29=Q 24/(1-d 14) =2685.2872Q 28=402.7931 V 28=Q 28/C 28=40279.3083 V 29=V 24+V 28=366349.8990 c 29=Q 29/V 29=0.7330%(14)除渣器除渣部分平衡已知:Q 28=402.7931,V 28=40279.3083,c 30=c 34=c 27=0.3447% 二段除渣器进浆浓度c 31=0.8% 二段除渣器渣浆浓度c 33=1.2% 二段除渣器排渣率d 15=18% 三段除渣器进浆浓度c 35=0.6% 三段除渣器渣浆浓度c 37=1.5%除气器 机外白水池c V363636三段除渣器排渣率d 16=20%计算: Q 28+Q 30+Q 36=Q 31 Q 31=Q 33+Q 32 Q 33+Q 34=Q 35 Q 35=Q 36+Q 37 Q 33=d 15·Q 31 Q 37=d 16·Q 35 V 28+V 30+V 36=V 31 V 35=V 33+V 34V 35=V 36+V 37联立方程,解得:Q 30=8.2321,V 30=2388.0503, Q 31=541.6850,V 31=67710.6250,Q 32=444.1817,V 32=59585.3500,Q 33=97.5033,V 33=8125.2750, Q 34=68.8215,V 34=19094.1623,Q 35=163.3248,V 35=27220.8000 Q 36=130.6598,V 36=25043.2664,Q 37=32.6650,V 37=2177.6667 (15)2#冲浆泵已知:Q 23=228.2494,Q 16=95.5224, Q 25=206.5256,Q 29=2685.2872 Q 32=444.1817,V 16=13646.0542,V 23=48627.1533白水池 高位箱一段除渣器c VQ 292929V25=29503.6571,V29=366349.8990,V32=59585.3500高位箱浆浓c38=3.0%,c39=0.3447%计算:Q29=Q16+Q23+Q25+Q32+Q38+Q39V29=V16+V23+V25+V32+V38+V39带入数据得Q39=615.1758,Q38=1095.6323V39=Q39/c39=178456.3791V38=Q38/c38=36521.0767(16)高位箱已知:W12=1000×1%/1%=1000,高位箱回流量d17=5%,38=1095.6323,38=36521.0767,计算:由于Q40=d17·Q41,Q41=Q38+Q40故Q41=Q38/(1-d17)=1153.279240=57.6649,由于c38=c40=3.0%所以V40=Q40/c40=1922.161941=V40+V38-W12=37443.2386c41=Q41/V41=3.0801%(20)伏损池已知:W13=1300.0000,7=4.9397,7=16.4663,Q10=21.9030,10=3269.2751,计算:Q42=Q10+Q7+Q44+Q47=107.5358成浆池2#冲浆泵40VQ77圆网浓缩机真空伏辊42机外白水池V 42=V 10+V 7+W 13+V 44+V 47=12632.9514 c 42=Q 42/V 42=0.8512%19.2#水力碎浆机已知:Q 1=38.3334,1=41.6667, 3=14.8196, 3=16.1083,45=0.3447%,44=4.5%,计算:由于Q 44=Q 1+Q 3+Q 45 V 44=V 1+V 3+V 45代入数据得Q 44=57.3446,Q 45=4.1936 V 44=Q 44/c 44=1274.3689,V 45=Q 45/c 45=1216.5216 (18)机外白水池已知:Q 14=780.4178,Q 27=63.6485,Q 30=8.2321,Q 34=65.8215Q 39=615.1758,Q 45=4.1936,V 14=226391.4512 V 27=18463.7966,V 30=2388.0503,V 34=19094.1623机外白水池 压光卷取白水盘 消泡剂振框平筛 伏损池 1#水力碎浆机二段除渣器三段除渣器冲浆泵27V 39=178456.3791,V 45=1216.5216,W 14=0.3000 计算:Q 47=Q 14-Q 27-Q 30-Q 34-Q 39-Q 45 V 47=V 14+W 14-V 27-V 30-V 34-V 39-V 45代入数据得Q 47=23.3463,V 47=6772.8413(20) 圆网浓缩机已知:W 15=3000.0000,42=107.5358,V 42=12632.9514, c 43=3.5%,c 46=0.05%, 计算:由于 Q 42=Q 46+Q 43 V 42+W 15=V 46+V 43代入数据得Q 46=6.3716,Q 43=101.1642 V 46=Q 46/c 46=12743.1478,V 43=Q 43/c 43=2890.4057 (21)损纸池,调浆箱平衡已知:调浆箱回流率d 18=10%, c 43=c 49=c 50=c 51=3.5% Q 43=101.1642,V 43=2890.4057 51=Q 43,V 51=V 43 计算:由于 Q 49=Q 50+Q 51Q 50=Q 49·d 18所以Q 49=Q 51/(1-d 18) 49=Q 49/c 49=3211.5619 50=11.2405 50=Q 50/c 50=321.1571伏损池 白水回收池喷水损纸池c V Q 464646圆网浓缩机成浆池(22)成浆池已知:Q51=101.164251=2890.4057,40=57.6649,40=1922.1619,41=1153.2972,41=37443.2386,计算:Q41=Q40+Q51+Q5241=V40+V51+V52带入数据得Q52=994.4681,V52=32630.6710,c52=Q52/V52=3.0476% .(23)配浆箱已知:配浆箱回流量d19=10%c52=c53=c54=3.0476%52=994.4681V52=32630.6710计算:由于Q53=Q54+Q52且Q54=d19·Q53代入数据得53=1104.9646Q54=110.4965V53=Q53/c53=36256.7754,V54=Q54/c54=3625.6775因为芦苇浆:桨板=9:1分别设1#,2#,叩后池到配浆箱的绝干纤维量为Q55,Q56,,配浆箱回流至叩后池的绝干纤维分别为Q57,Q58。