现代电气控制系统安装与调试
- 格式:doc
- 大小:3.69 MB
- 文档页数:11
现代电气控制系统安装与调试虚拟仿真软件软件说明书北京欧倍尔软件技术开发有限公司2020 年10 月地址:北京海淀区清河永泰园甲1号建金商厦515-516室邮编:100085地址:北京海淀区清河永泰园甲1号建金商厦515-516室 邮编:100085目录一、软件介绍 ............................................................................................................................. 3 二、功能介绍 .. (3)1.软件场景 .......................................................................................................................... 3 2.知识点预习...................................................................................................................... 4 3.思考题功能...................................................................................................................... 5 4.设备展示 .......................................................................................................................... 5 5.帮助功能 .......................................................................................................................... 6 6.录像功能 .......................................................................................................................... 7 7.返回主页 .......................................................................................................................... 8 8.评分功能 .......................................................................................................................... 8 9.博图通讯 .......................................................................................................................... 9 三、操作步骤 (10)1.安装模式 ........................................................................................................................ 10 2.连线模式 ........................................................................................................................ 10 3.运行模式 ........................................................................................................................ 12 四、实训内容 (13)(一)三相交流异步电动机的点动控制电路实验 ...................................................... 13 (二)三相交流异步电动机的单向连续转动的控制电路实验 .................................. 17 (三)接触器联锁的三相交流异步电动机正、反转控制电路实验 .......................... 21 (四)按钮联锁的三相交流异步电动机正、反转控制电路的实验 .......................... 25 (五)按钮、接触器联锁的三相交流异步电动机正、反转控制电路实验.............. 29 (六)两地控制电路实验 .............................................................................................. 34 (七)电动机往返行程控制电路实验 .......................................................................... 38 (八)普通车床控制电路的实验 .................................................................................. 43 (九)点动与连续转动电路实验 .................................................................................. 47 (十)多台(3台电动机)电动机的顺序控制电路实验 ........................................... 51 (十一)三相交流异步电动机Y-△(手动切换)启动控制电路实验 ..................... 56 (十二)PLC 控制交通灯的实训 .................................................................................. 60 (十三)控制电机顺序启动实验 .................................................................................. 63 (十四)控制三相异步电动机Y-△启动电路实验 .. (65)地址:北京海淀区清河永泰园甲1号建金商厦515-516室 邮编:100085 一、软件介绍北京欧倍尔软件研发的现代电气控制系统安装与调试虚拟仿真软件,可仿真现代电气控制和自动生产线实训操作的各类控制环节,学生可在博图、三菱等配套软件中进行PLC 编程,在仿真软件内搭建好相关场景后,通过与PLC 编程软件的通讯,在仿真软件内对各类实验进行相关调试,可重复操作直至得出满意结果,该实训系统用于技能大赛的训练可提升参赛选手的操作熟练度和技能水平,改变了传统的受限于设备数量和场地大小的教学模式,极大地提升了学生的学习热情和学习效果。
《现代电气控制系统安装与调试》实训报告提纲
(注:打印封面)
一、实训目的与意义
以SX-606H机械设备装调与控制实训装置为基础,通过本实训使学生掌握现代电气控制系统的硬件组成结构;学会根据工业生产现场需要,构建基于PLC的电动机速系统,会传感器选型和安装调试;掌握基于PLC和触摸屏的交流伺服电动机定位系统的构建,会对具体的二维运动控制系统进行定位精度检测;全面了解和掌握现代电气控制系统的内容,并应用于工业生产领域。
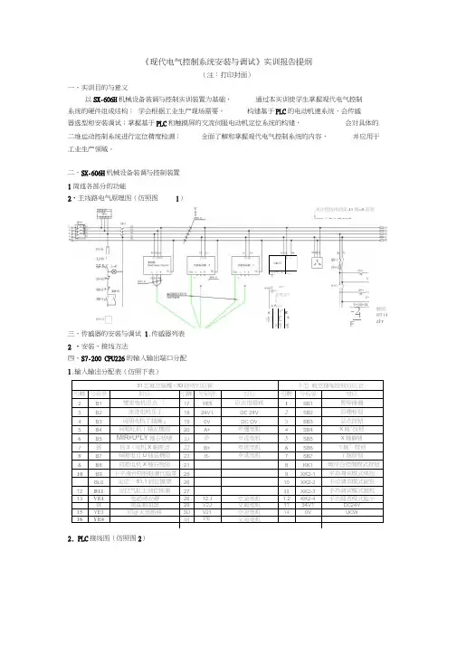
二、SX-606H机械设备装调与控制装置
1.简述各部分的功能
2.主线路电气原理图(仿照图1)
图1
三、传感器的安装与调试
1.传感器列表
2.安装、接线方法
四、S7-200 CPU226的输入输出端口分配
1.输入输出分配表(仿照下表)
2. PLC接线图(仿照图2)
图2
五、步进、伺服、变频器的接线
1.元件列表
2. 控制系统的控制接线图(仿照图3,变频器连接图自行画出)
六、总结
总结2周来的安装、接线、通电的心得体会。
(不少于400字)。
现代电气控制系统安装与调试实训考核装置随着现代电气控制系统的广泛应用,对于电气工程技术人员的要求也越来越高。
为了培养学生在电气控制系统的安装与调试方面的实际操作能力,我们设计了一套实训考核装置。
该实训考核装置主要包括以下几个部分:电气控制柜、电动机、传感器、PLC控制器以及人机界面。
通过这些部件的组合和配合,学生可以进行电气控制系统的安装与调试实践。
在实训考核装置中,电气控制柜是整个系统的核心。
它集成了各种电气元件,如断路器、接触器、继电器等,用于控制电动机的启停、正反转以及速度调节等功能。
学生需要根据电气图纸和相关标准,正确地布置和连接这些电气元件,确保电气控制柜的安全可靠。
电动机是电气控制系统的执行元件,它负责将电能转化为机械能,驱动各种设备的运行。
在实训考核装置中,我们使用了不同类型和功率的电动机,以满足学生对不同应用场景下电动机的安装和调试要求。
学生需要根据电动机的技术参数和安装要求,正确地安装电动机,并进行电气连接和机械调试。
传感器是电气控制系统中的重要组成部分,它可以感知各种物理量,并将其转化为电信号,供PLC控制器进行处理。
在实训考核装置中,我们使用了温度传感器、压力传感器、光电传感器等不同类型的传感器,以模拟实际工程中的各种测量需求。
学生需要正确地安装和接线传感器,并通过调试和校准,确保传感器的准确可靠。
PLC控制器是现代电气控制系统的核心部件,它具有强大的数据处理和逻辑控制能力。
在实训考核装置中,我们使用了常见的PLC控制器,如西门子S7-1200系列、施耐德Modicon系列等,以满足学生对不同PLC控制器的应用要求。
学生需要根据控制要求,编写PLC程序,并进行调试和优化,确保控制系统的稳定和可靠。
人机界面是电气控制系统与操作人员之间的交互界面,它提供了操作和监控系统的功能。
在实训考核装置中,我们使用了触摸屏、按钮、指示灯等人机界面元件,以模拟实际工程中的操作和监控需求。
学生需要根据系统要求,设计和布置人机界面,并进行调试和测试,确保操作的便捷和信息的准确。
现代电气控制系统安装与调试赛题1. 引言现代电气控制系统是工业自动化领域的关键技术之一,它广泛应用于各种工业设备、机器人、交通系统等领域。
安装与调试是电气控制系统建设的重要环节,对于确保系统安全稳定运行至关重要。
本文将介绍现代电气控制系统的安装与调试过程,以及相关注意事项。
2. 安装准备在进行电气控制系统的安装与调试之前,需要进行一系列的准备工作,以确保安装与调试的顺利进行。
以下是一些常见的准备工作:2.1 设计与规划在进行安装与调试之前,需要对电气控制系统进行设计与规划。
这包括确定系统的功能需求、布置图纸、电气元件的选型与配置等。
设计与规划阶段的工作将直接影响后续的安装与调试过程,因此必须认真对待。
2.2 所需材料和设备准备在进行安装与调试之前,需要准备所需的材料和设备。
这包括电气控制元件、电缆、导线、工具等。
根据设计与规划阶段的结果,提前准备好所需材料和设备,以确保安装与调试的顺利进行。
3. 安装过程安装是电气控制系统建设的重要环节,它直接影响到系统的安全可靠性。
以下是电气控制系统安装的一般步骤:3.1 安装电缆和导线首先,需要按照设计图纸的要求进行电缆和导线的敷设。
这包括选择合适的电缆和导线规格、连接插头,按照正确的方式布置和固定。
3.2 安装电气控制元件安装电气控制元件是电气控制系统安装的关键步骤之一。
根据设计与规划阶段确定的布置图纸,将电气控制元件安装到相应的位置。
在安装过程中,需要注意正确的连接方式和固定方式,确保元件的安全可靠。
3.3 接地和绝缘在安装过程中,需要进行接地和绝缘的处理。
接地是保证电气系统安全运行的重要环节,需要按照规定的方式进行接地连接。
绝缘是保证电气系统运行的稳定性和安全性的关键技术,需要进行正确的绝缘处理。
4. 调试过程安装完成后,需要进行电气控制系统的调试工作。
调试是确保系统正常运行的重要环节,一般包括以下步骤:4.1 检查接线和连接首先,需要仔细检查电气控制系统的接线和连接是否正确。
电气设备控制系统的安装与调试电气设备控制系统是现代工业生产中必不可少的一部分,它能够监控和控制各种电气设备,保障生产线的正常运行。
安装与调试是电气设备控制系统投入使用前的重要环节,下面我们来介绍一下电气设备控制系统的安装与调试流程。
一、安装前的准备工作1.确定安装位置:根据生产线的具体情况和工艺要求,确定电气设备控制系统的安装位置,保证设备安装后的布局合理,并且方便日后的维护和操作。
2.准备设备及工具:准备好需要安装的控制系统设备,包括主控制柜、PLC、变频器、接线端子等,同时准备好所需的安装工具和材料。
3.检查设备完整性:检查所购买的设备是否完整,若有损坏或遗漏,及时联系供货商解决。
4.制定安装计划:根据设备安装的具体情况和技术要求,制定详细的安装计划,包括安装步骤、安装人员及时间安排等。
二、安装过程1.安装控制柜:首先安装主控制柜,确认柜体水平并且固定牢固,接通地线并接好电源线。
2.安装PLC及相应模块:根据设备布置图,按照正确的位置安装PLC及相应模块,确保正确接线并牢固固定。
3.安装变频器及控制面板:根据实际情况,安装变频器及控制面板,连接好控制线路,做好固定和接地工作。
4.接线及接地:按照电气原理图的要求,对各个设备进行接线和接地,确保接线准确牢固,并且接地稳定可靠。
5.系统联调:安装完成后,需要进行电气系统的联调,确保各个设备之间的信号传输正常,并且可以实现联动控制。
6.设备调试:完成联调后,对各个设备进行单独调试,包括PLC逻辑程序的编写和调试,变频器参数的设置及控制功能测试等。
三、调试及验收1.系统调试:对整个电气设备控制系统进行系统调试,确保系统的稳定性和可靠性。
2.功能测试:对各个设备进行功能测试,按照生产线的实际工艺要求,模拟各种情况,测试设备的各项功能。
3.验收测试:对电气设备控制系统进行全面的验收测试,包括主控制柜的运行状态、PLC程序的执行情况、变频器的工作稳定性等。
电气设备控制系统的安装与调试电气设备控制系统是现代化工厂的核心设备之一,它不仅可以实现自动化控制,提高生产效率,而且可以确保生产过程的安全性和稳定性。
因此,电气设备控制系统的安装和调试是非常重要的环节,本文将从三个方面介绍电气设备控制系统的安装和调试过程。
一、前期准备工作在安装和调试电气设备控制系统之前,必须进行一系列的前期准备工作。
1.设计方案设计方案是电气设备控制系统安装和调试过程中的重要依据,需要制定合理的控制方案、布线方案、设备选型方案等,并确定各个设备的安装位置和布局。
设计方案也需要考虑设备的安全问题和后期的维护方案。
2.设备检查在安装设备之前,需要检查设备的外观是否完好、各项指标是否达标,包括电压、电流、频率和阻抗等。
此外还需要检查设备内部的接线和组装是否正确,以避免在调试过程中出现问题。
3.模拟调试在正式调试之前,可以进行模拟调试,通过软件模拟测试程序,检验控制逻辑是否正确,是否满足实际控制需求。
二、安装工作1.设备安装按照设计方案,对设备进行安装,需要注意各种设备的接线方式,以及地线、零线和保护线的连接方式。
对于过程仪表和传感器等设备,需要正确安装,定位准确,以满足实际控制需求。
2.连线工作在设备安装完成之后,进行连线工作,需要注意电脑控制和现场仪表之间的连线方式和现场设备之间的连线方式,以确保信号的正确传输。
在连线过程中,需要注意线缆的规格和长度,并避免电磁干扰。
3.电源接入将电气设备控制系统与电源相连,需要遵循特定的安全措施,如将各个回路逐一接通电源,以防止电源过载。
三、调试工作在完成安装工作之后,需要进行调试工作,进行各项功能测试,以确保电气设备控制系统的正常运行。
1.回路测试在电气设备控制系统的调试过程中,需要进行回路测试,包括现场回路和控制回路测试,在测试时需要检查每个回路的信号是否能够正常传输。
2.功能测试将计算机控制系统与现场仪表联通,进行联调测试,测试通讯协议是否正确、传输速率是否达标,以确保无线通讯无误。
《现代电气控制系统安装与调试》实训报告提纲(注:打印封面)一、实训目的与意义以SX-606H 机械设备装调与控制实训装置为基础, 通过本实训使学生掌握现代电气控制 系统的硬件组成结构; 学会根据工业生产现场需要,构建基于PLC 的电动机速系统,会传感器选型和安装调试;掌握基于PLC 和触摸屏的交流伺服电动机定位系统的构建, 会对具体的 二维运动控制系统进行定位精度检测; 全面了解和掌握现代电气控制系统的内容,并应用于工业生产领域。
二、SX-606H 机械设备装调与控制装置 1简述各部分的功能2•主线路电气原理图(仿照图1)三、传感器的安装与调试 1.传感器列表 2 •安装、接线方法四、S7-200 CPU226的输入输出端口分配 1.输入输出分配表(仿照下表)31芯就空插權<fD 按统对应崔卜芯.軌空抽哑按戢对应衣 引脚 号码管肘应引脚 号码管对应 引脚 号码曽 对应2 B1 燮流电机臣点 : 17 YE5 臣点电磁铁1 SB1暂停搔翹 3B2 涉进电机乐T 18 24V1 DC 24V 2 SB2启硼检钮 4B3 词朋电机丫轴廉』 19 0V DC OV3 SB3 总点按钮5B4 间眼吐机丫轴左機限20 A+步邊电机 4SB4 X 轴"按钮 6B5MIR F U^LY 轴右极嗫2J萨步进电机 5SB5 X 轴巔钮1弼伺3(电机X 轴匪点 22B+ 步进电机 6SB6 丫轴”按钮 8B7 阀眼电日U 柚忌機限 23 B-步诜电机7 SB7 丫轴按钮&B8 伺眼电机X 柚右极限218 KK1 :堆平合控制模式按钮 10B9 卜字滑台物料轻测代感眾 259XK2-1 乎功凋试模式铢祖BL0定位亠51.1到位撷測 2610XK2-2 手动调试模式錠徂 12 B11 定拉气缸士到位怖测2711XK2-3手功调试模式雄机 13VE1 电皑离壮霽 26 12 J 空渝电机 1.2 KK2-4 乎功関直模式監小惬电區制曲器 29 V2J 交龍电机 1? 34V1 DC24V 15 YE3同定火电船铁3UV21 空流电机 140VUCW16YE4胡PE交滥电机2. PLC 接线图(仿照图2)S&-0£■441. K.I l-v | 1 叫A' 占 n* H-虹£ *X1 1卜|I FKH-I-2□KM-0触按HT14zi -r未注明线祎削采.11側=0.荷沏MWT歩携电机A-六、总结总结2周来的安装、接线、通电的心得体会。
全国职业院校技能大赛高职组现代电气控制
系统安装与调试
近年来,随着现代化生产和自动化控制的不断发展,电气自动化
行业得到了快速发展。
为了提高职业院校学生相关专业技能,增强其
实际操作能力,全国职业院校技能大赛高职组现代电气控制系统安装
与调试应运而生。
现代电气控制系统是自动化生产的重要组成部分,涉及到控制元
器件、可编程控制器、PLC控制、电气装置等多个方面。
学生需要通过对自动化控制系统的理论学习和实践操作,掌握现代电气控制系统的
设计、安装、调试等技能。
本次比赛以现代电气控制系统安装与调试为主题,要求选手们做
好系统规划和布局设计,并进行现场安装和调试。
同时,还要求选手
们运用技术手段进行系统的维护和升级,确保系统的稳定性和可靠性。
比赛评判将基于选手的任务完成度、操作规范性、安全可靠性、问题
处理能力等方面进行。
此次比赛旨在提高职业院校学生现代电气控制系统安装与调试水平,推动电气自动化行业的发展,加强各地区之间的技术交流和合作。
希望参赛选手们能够发挥自己的实际操作能力和创新能力,为电气自
动化事业的繁荣做出贡献。
全国职业院校技能大赛赛项规程一、赛项名称赛项编号:XG-130赛项名称:现代电气控制系统安装与调试英语翻译:Modern electric control system installation anddebugging赛项组别:高职组赛项归属产业:现代装备制造业、工业自动化二、竞赛目的本赛项适应现代产业转型升级需求,覆盖电气自动化技术、机电一体化技术、工业网络技术、电气设备应用与维护、机电设备维修与管理、电机与电器、供用电技术、农村电气化技术等众多专业的专项技术和专业核心技术技能,通过竞赛引领教育与产业、学校与企业、课程设置与职业岗位的深度衔接,引领全国职业院校机电大类、自动化大类专业建设、实训基地建设、师资队伍的提升、课程教学的改革和优化,培养有精湛现代电气控制系统安装与调试的实践能力、创新能力的高端技能型专门人才。
通过此项比赛,考核选手电工基本技能、电机与电气控制、PLC 应用技术、电工测量与仪表调试、电力电子技术、交直流调速、组态控制技术、工业现场网络等核心技术技能,同时可考核参赛选手工作效率、质量意识、安全意识、节能环保意识和规范操作等职业素养。
三、竞赛内容竞赛时长:完成本赛项工作任务的规定时间为4小时。
竞赛内容的组成与比重:(1)控制系统电路设计(10%)参赛选手按工作任务书给定的现代电气控制系统的工作要求,计算选型设备参数,选择正确的元器件,设计、绘制现代电气控制系统中的部分电路的控制原理图、接线图、元件表等。
(2)控制系统电路布置、连接工艺与调试(20%)参赛选手按工作任务书给定的现代电气控制系统的施工图和你所设计绘制的电气原理图、接线图,安装选择的电器元件,完成现代电气控制系统的线路连接,并进行初步调试。
(3)工作单元独立功能完成情况(30%)参赛选手按任务书给定的现代电气控制系统的功能要求完成PLC 编程、触摸屏组态、网络通讯设置、驱动器参数设置等,能实现局部工作单元调试运行。
电气设备控制系统的安装与调试一、引言电气设备控制系统是现代工业生产中不可或缺的一部分,它通过对设备进行监控和指令控制,实现了生产过程的自动化和智能化。
在工业生产中,电气设备控制系统的安装与调试是至关重要的环节,只有正确的安装和精密的调试,才能确保系统的正常运行和稳定性。
本文将详细介绍电气设备控制系统的安装与调试步骤,以帮助大家更好地理解这一过程。
二、电气设备控制系统安装1. 设备位置选择在进行电气设备控制系统的安装之前,首先需要考虑设备的安装位置。
要选择一个干燥、通风良好、安全可靠的位置,避免系统受到外界环境的影响。
2. 设备布局规划根据设备控制系统的实际情况和要求,进行系统布局规划。
合理安排设备与控制柜的位置,确保设备之间的连接线路短、排列整齐,方便后期的维护和管理。
3. 设备安装固定根据设备的尺寸、重量等特性,采取合适的安装方式,将设备牢固地安装在指定位置。
并且要注意设备的水平度和垂直度,以确保其正常运行。
4. 电气连接进行设备的电气连接。
根据设备的电气原理图,将设备的电源线、控制线、信号线等进行正确的连接,确保系统的电气连通。
5. 接地保护对设备进行接地保护。
接地是保证设备安全运行的重要环节,要严格按照相关规范进行接地保护,并进行接地电阻测试,确保接地装置的质量符合要求。
6. 现场验收进行设备的现场验收。
对已经安装好的设备进行全面的检查,确保设备安装符合规范和要求,没有遗漏和错误。
1. 系统软件配置进行电气设备控制系统软件的配置。
根据设备的要求和功能,合理配置系统的软件设置,包括参数设定、控制逻辑编程、联锁保护等。
2. 系统硬件连接对系统硬件进行连接调试。
包括各种传感器、执行器、控制模块等的连接调试,确保系统的硬件部分正常运行。
3. 系统功能测试进行系统功能测试。
根据系统的控制逻辑和功能要求,逐一进行功能测试,确保系统的各项功能符合要求,不存在故障和问题。
进行系统的安全性测试。
包括对系统的联锁保护、过载保护、过压保护等进行测试,确保系统在各种异常情况下能够有效地保护设备和人员的安全。
年全国职业院校“现代电气控制系统安装与调试”竞赛样题中国·天津年 1 月共 14 页年全国职业院校现代电气控制系统安装与调试竞赛任务书工作任务与规定请你根据赛场提供旳亚龙 YL-158-GA 电工技术实训考核设备,参照图一所示旳电源进线开关、触摸屏、批示灯、主令开关等布置图,图二所示旳变频器、 PLC 及扩展模块、交流伺服驱动器、步进电机驱动器等布置图和图三所示旳小车运动装置、接触器、继电器等布置图,图五为机床电路故障考核挂板。
请你在五小时内完毕如下“电气系统安装与调试”旳工作任务:一、电气系统安装与调试 1. 请根据技术规定绘制完毕图十一中虚线框内旳部分主电路和并对图十进行 PLC 改造,实现与此有关旳 PLC 旳输入和输出电路(选择空余旳 I/O 口,自行定义),并编写编号。
使图十一成为一份完整旳图纸。
接下来以完毕如下工作任务。
2. 根据完整旳图十一“××加工设备电气控制原理图” ,在亚龙 YL-158-GA 电工技术实训考核设备中选择有关模块上需要旳元器件并进行检查与确认,以便顺利完毕××加工设备电气控制系统电路旳连接。
3. 根据完整旳图十一“××加工设备电气控制原理图” ,按规定完毕××加工设备电气控制系统电路旳连接,并能实现规定旳功能。
(1)但凡你连接旳导线,必须压接接线头(插针)、套上写有编号旳编号管(使用赛场提供旳异型号码管和记号笔书写),实物编号和图纸编号要一致。
(2)亚龙 YL-158-GA 电工技术实训考核设备上各接触器线圈、电动机、指示灯、PLC、变频器等系统连接线,必须放入线槽内;对从主令电气元件和批示灯元件箱等引入、引出线缆在出箱和到线槽间使用缠绕带进行防护、按工艺规定需通过过度端子进行接线旳应连接。
4. 请你仔细阅读 ××加工设备旳有关阐明、时序图、参照电路和图十一“× 共 14 页 2年全国职业院校现代电气控制系统安装与调试竞赛任务书 ×加工设备电气控制原理图” ,并根据你对设备及其工作过程旳对旳理解,设定变频器、步进电机驱动器、伺服驱动器、热继电器、时间继电器等器件旳技术参数,在计算机中编写PLC 控制程序和制作触摸屏旳基本操作界面。
电气设备控制系统的安装与调试一、引言随着科技的不断发展,电气设备控制系统在各个行业中得到了广泛应用,比如工业生产、交通运输、建筑等领域。
电气设备控制系统具有自动化、高效、精准的特点,能够提高生产效率、降低成本、提高安全性。
要想让电气设备控制系统正常运行,需要经过严谨的安装与调试过程。
本文将详细介绍电气设备控制系统的安装与调试步骤,以及注意事项。
二、电气设备控制系统的安装1. 设备准备在进行电气设备控制系统的安装之前,首先需要进行设备准备工作。
这包括购买所需的电气设备、控制器、传感器等,保证设备的品质和兼容性。
需要准备好安装所需的工具和材料,确保安装过程顺利进行。
2. 环境检查在进行安装之前,需要对安装环境进行检查。
确保安装区域符合安全要求,没有潮湿、高温、有害气体等因素影响设备的正常运行。
还需要检查电气布线和通风系统是否符合要求,保证设备能够正常运行。
3. 安装电气设备在准备工作完成后,开始进行电气设备的安装。
首先按照设备说明书或者相关标准进行安装布线。
在进行布线时,要注意线头的连接方式、保护措施和接地要求,保证电气设备的安全可靠。
还需要进行电气设备的固定和支架的搭建,确保设备稳定性和安全性。
4. 控制系统的安装在电气设备安装完成后,需要进行控制系统的安装。
首先需要对控制设备进行固定和接线,将控制器与电气设备相连。
随后,进行系统的调试和校准,确保控制器能够正常运行和控制设备。
5. 安装完成检查在安装完成后,需要对整个系统进行全面的检查。
包括检查设备的连接是否牢固、电气设备是否符合标准、控制系统是否能够正常运行等,确保设备安装完全符合要求。
3. 调试程序在参数设置完成后,需要对控制系统的程序进行调试。
首先进行设备的手动操作,检查设备是否能够正常启停、调速、转向等。
然后进行自动调试,通过控制器对设备进行自动化操作,检查系统是否能够自动运行、调节、监控等。
在调试过程中,需要对系统的运行情况进行实时监控,并及时处理异常情况。
电气控制系统装接与调试电气控制系统是现代制造领域中应用最广泛的产品之一。
许多现代设备能够良好的作用主要得益于电气控制系统的装接与调试,一个良好的电气控制系统的装接与调试至关重要。
本文将从以下几个方面入手,详细的介绍如何进行电气控制系统的装接与调试,并展示如何保证电气控制系统的正常运行,确保设备的正常工作。
第一步:准备工作在进行电气控制系统的装接与调试之前,需要进行一些准备工作。
首先需要了解设备的常规情况,了解设备所需的电源和电源要求,检查设备的程序和电路是否已安全过电气装置检查,并做好备份工作。
其次应准备好相应的工具和材料,包括电线、端子、接线盒和调试工具等。
此外,需要进行设备的标准化配置,预先编制好设备的布线图和接线图,并设置好设备的电气参数。
第二步:电气控制系统的安装电气控制系统的安装是一个非常复杂的过程,在此过程中需要以实际情况为基础,根据实际设计固定设备的参数和参数的值。
首先需要根据接线图在设备上安装控制电线路。
在安装时应注意电缆的安装高度、长度和布线情况,以确保电线线路的正确性和安全性。
在进行标准化配置时,一定要讲究实际情况,充分调整电线线路,确保设备的合理使用。
接着安装继电器、断路器、照明等电源,在连接电源时需要注意安全电压,确保电流的传导正常。
在连接电源之前,需要对电气接触点进行检查,检查是否存在老化、腐蚀或开路等问题,需要及时排除。
安装完毕后,应通过电路测试仪进行测试,以确保设备安全可靠。
第三步:电气控制系统的调试电气控制系统的调试非常重要,可以帮助确定设备的惟一性,并确保设备的正常运行。
首先,需要进行设备的组装和供电,确认系统的组装和接线是否正确。
随后,检查电气系统的控制器是否能够进行控制,并测试设备的各种传感器和控制元件的工作正常。
在检查各个部件的同时,应注意检查各部件的电气参数是否符合设备所需的标准。
继而通过软件调试,确保系统的控制和输入输出正确。
在这个阶段应检查控制程序的正确性和精确性,并进行必要的修改,以保证系统的正常运行。
电气设备控制系统的安装与调试概述电气设备控制系统是现代工业生产中不可或缺的一部分,它是指通过电气设备和控制器等组成的系统,用于控制和监测工业过程中的各种设备。
电气设备控制系统的安装与调试是确保系统正常运行的关键环节,本文将详细介绍电气设备控制系统的安装与调试过程。
一、安装1. 材料准备在安装电气设备控制系统之前,需要准备一些必要的材料和工具,包括电气设备、控制器、接线端子、导线、开关、插座等。
根据实际需要选择合适的规格和型号,保证安装质量和系统性能。
2. 组织布线根据系统的电气图纸和工艺要求,合理规划和布置电气设备的布线。
将各个设备按照一定的顺序连接起来,确保信号和电力线路的正确连接。
还需要考虑设备的有序摆放和整齐布线,便于后期维护和操作。
3. 连接设备根据设备的接线图和接口标记,将各个设备之间的导线和接线端子连接起来,确保信号的正常传输和设备之间的互联互通。
特别要注意导线的颜色和标识,不同的颜色和标识代表不同的电气信号,要按照规范进行正确连接。
4. 固定设备在连接设备之后,需要将设备牢固地固定在设备架或墙壁上,以防止设备在运行过程中出现移动或晃动。
使用螺丝和螺母等固定件将设备稳固地固定在合适的位置上。
二、调试1. 功能测试在安装完电气设备控制系统后,需要对系统进行全面的功能测试,确保各个设备和控制器能够正常工作。
根据系统的要求和流程,逐一进行功能测试,检查设备的各项功能是否正常,并进行必要的调整和修复。
2. 参数设置根据系统的要求和实际需要,对设备的参数进行设置。
包括输入输出信号的范围、传感器的灵敏度、控制器的工作模式等。
根据不同的工艺需求,调整参数的数值以达到最佳的控制效果。
3. 故障排查在进行调试过程中,有可能会出现一些问题和故障,需要进行故障排查和修复。
根据故障现象和系统的原理,逐一进行检查和排除,找出故障的原因并修复。
4. 调试记录在进行调试过程中,需要对各个设备的调试情况进行记录,包括设备的参数设置、参数调整过程、故障排查和修复过程等。
亚龙YL-158GA1现代电气控制系统安装与调试 用户说明书V1.0(三菱)浙江亚龙教育装备股份有限公司目录基础篇 (3)实验一、三相交流异步电动机的点动控制电路连接 (3)实验二、三相交流异步电动机的单向连续转动的控制电路连接 (4)实验三、接触器联锁的三相交流异步电动机正、反转控制电路的连接 (5)实验四、按钮联锁的三相交流异步电动机正、反转控制电路的连接 (6)实验五、按钮、接触器联锁的三相交流异步电动机正、反转控制电路的连接 (7)实验六、万能转换开关控制三相交流异步电动机的正反转 (8)实验七、三相交流异步电动机Y-△(手动切换)启动控制电路的连接 (9)实验八、三相交流异步电动机Y-△(时间继电器切换)启动控制电路的连接 (10)实验九、两地控制电路的连接 (11)实验十、离心开关配合的反接制动控制电路的连接 (12)实验十一、电动机往返行程控制电路连接 (14)实验十二、普通车床控制电路的连接 (16)实验十三、电动葫芦控制电路的连接 (17)实验十四、点动与连续转动电路连接 (19)实验十五、按钮切换的双速电动机调速控制电路连接 (20)实验十六、时间继电器切换的双速电动机调速控制电路的连接 (21)实验十七、多台(3台电动机)电动机的顺序控制电路的连接 (22)应用篇 (23)实验一、温度控制器的参数设置 (23)实验二、温度控制器的使用 (27)实验三、变频器面板功能参数设置和操作实训 (30)实验四、变频器对电机点动控制、启停控制 (32)实验五、电机转速多段控制 (33)实验六、工频、变频切换控制 (35)实验七、基于模拟量控制的电机开环调速 (37)实验八、基于面板操作的电机开环调速 (38)实验九 、变频器的保护和报警功能实训 (39)实验十、基于PLC的变频器开环调速 (40)实验十一、 PLC控制交通灯的实训 (42)实验十二、PLC控制电机顺序启动 (45)实验十三、PLC控制三相异步电动机Y-△启动电路 (48)实验十四、触摸屏的参数设置 (51)实验十五、触摸屏的简单界面制作 (52)实验十六、触摸屏、变频器、PLC的综合实训 (53)实验十七、 三相混合式步进电机的开环位置控制实训 (55)实验十八、 编码器的使用 (57)实验十九、 交流伺服电机的位置控制实训 (61)提高篇 (68)实验一、 PLC的普通并联通讯 (68)实验二、 PLC的N:N通讯 (71)实验三、 PLC与变频器的通讯 (81)基础篇实验一、三相交流异步电动机的点动控制电路连接一、实验目的1. 通过将点动控制线路的安装接线,掌握通过原理图安装接线的技能;2. 通过实验掌握及加深理解点动控制线路。
现代电气控制系统安装与调试————————————————————————————————作者:————————————————————————————————日期:2015年全国职业院校技能大赛现代电气控制系统安装与调试【样题】(总时间:240分钟)工作任务书场次号工位号请按要求在4个小时内完成以下工作任务:一、按“标签打印系统控制说明书”,设计电气控制原理图,并按图完成器件选型计算、器件安装、电路连接(含主电路)和相关元件参数设置。
二、按“标签打印系统控制说明书”,编写PLC程序及触摸屏程序,完成后下载至设备PLC及触摸屏,并调试该电气控制系统达到控制要求。
三、参考╳╳╳床电气原理图,排除╳╳╳床电气控制电路板上所设置的故障,使该电路能正常工作,同时完成维修工作票。
请注意下列事项:一、在完成工作任务的全过程中,严格遵守电气安装和电气维修的安全操作规程。
二、电气安装中,低压电器安装按《电气装置安装工程低压电器施工及验收规范(GB50254-96)》验收。
三、不得擅自更改设备已有器件位置和线路,若现场设备安装调试有疑问,须经设计人员(赛场评委)同意后方可修改。
四、所编PLC程序保存到计算机的D盘文件夹中,文件夹名称以工位号命名,选手需按指定路径将程序存盘。
标签打印系统控制说明书一、标签打印系统运行说明标签打印系统是用于工业、商业、超市、零售业、物流、仓储、图书馆等需要的条形码、二维码等标签制作,具有采用准确控制、高速运行、一体制作等要求的系统。
标签打印系统由以下电气控制回路组成:打码电机M1控制回路【M1为双速电机,需要考虑过载、联锁保护】。
上色电机M2控制回路【M2为三相异步电机(不带速度继电器),只进行单向正转运行】。
传送带电机M3控制回路【M3为三相异步电动机(带速度继电器),由变频器进行多段速控制,变频器参数设置为第一段速为15Hz,第二段速为30Hz,第三段速为40Hz、第四段速为50Hz,加速时间0.2秒,减速时间0.3秒】。
热封滚轮电机M4控制回路【M4为三相异步电机(不带速度继电器),只进行单向正转运行】。
上色喷涂进给电机M5控制回路【M5为伺服电机;伺服电机参数设置如下:伺服电机旋转一周需要1000个脉冲,正转/反转的转速可为1圈/秒~3圈/秒;正转对应上色喷涂电机向下进给】。
以电动机旋转“顺时针旋转为正向,逆时针旋转为反向”为准。
二、标签打印系统安装方案要求1、本系统使用三台PLC,网络指定Q0CPU/S7-300/S7-1500为主站,2台FX3U/S7-200Smart/S7-1200为从站,分别以CC_Link 或工业以太网的形式组网。
2、MCGS触摸屏应连接到系统中主站PLC上(三菱系统中触摸屏连接到QPLC的RS232端口;西门子系统中触摸屏连接到S7-300/S7-1500的以太网端口,不允许连接到交换机)。
3、电机控制、I/O、HMI与PLC组合分配方案(其余自行定义):方案电机三菱Q系列+FX3U系列方案西门子S7-300+S7-200Smart方案西门子S7-1500+S7-1200方案HMI Q00UCPU S7-300 CPU 1511 M1、M2、M4SB1~SB6 HL1~HL3 FX3U-48MRS7-200Smart6ES7288-1SR40-0AA0CPU 1212C6ES7212-1BE40-0XB0M3、M5、编码器SQ1~SQ5 FX3U-48MTS7-200Smart6ES7288-1ST30-0AA0CPU 1212C6ES7212-1AE40-0XB04、根据本说明书设计电气控制原理图,根据所设计的电路图连接电路,不允许借用机床考核单元电气回路。
把2台从站PLC电气原理图绘制在标准图纸上,并标注I/O定义功能和变频器、伺服驱动器主要参数及功能,不需要绘制其他电机主电路。
在“设计”栏中填入选手工位号,在“制图”栏中填入PLC品牌型号。
5、三台PLC和变频器安装位置要求如图2所示,不允许自行定义位置,不得擅自更改设备已有器件位置和线路,其余器件位置自行定义。
从站:三菱FX3U-48MT/西门子S7-200Smart(6ES7288-1ST30-0AA0)/ 西门子CPU1212C变频器:三菱FR-E740/西门子MM420(a )正面(b )正面图1 PLC 和变频器安装位置示意图三、标签打印系统控制要求标签打印系统设备具备两种工作模式,模式一:调试模式;模式二:加工模式。
设备上电后设备自动进入调试模式。
1、调试模式设备自动进入调试模式后,触摸屏出现调试画面,如图2。
通过按下“选择调试按钮”,可依次选择需要调试的电机,当前电机指示灯亮,按下SB1按钮,选中的电机将进行调试运行。
每个电机调试完成后,对应的指示灯消失。
从站:三菱FX3U-48MR/西门子S7-200Smart(6ES7288-1SR40-0AA0)/西门子CPU1212C(6ES7212-1BE40-0XB0) 主站:三菱Q00UCPU/西门子S7-300/西门子S7-1500图2 调试模式画面(1)打码电机M1调试过程按下启动按钮SB1后,打码电机低速运行6秒后停止,再次按下启动按钮SB1后,高速运行4秒,打码电机M1调试结束。
M1电机调试过程中,HL1以1Hz闪烁。
(2)上色喷涂电机M2调试过程按下启动按钮SB1后,上色喷涂电机启动运行4秒后停止,上色喷涂电机M2调试结束。
M2电机调试过程中,HL1长亮。
(3)传送带电机(变频电机)M3调试过程按下SB1按钮,M3电动机以15Hz启动,再按下SB1按钮M3电动机30Hz运行,再按下SB1按钮M3电动机40Hz运行,再按下SB1按钮M3电动机50Hz运行,按下停止按钮SB2,M3停止。
M3电机调试过程中,HL2以1Hz闪烁。
(4)热封滚轮电机M4调试过程按下SB1按钮,电机M4启动,3秒后M4停止,2秒后又自动启动,按此周期反复运行,可随时按下SB2停止。
电机M4调试过程中,HL2长亮。
(5)上色喷涂进给电机(伺服电机)M5调试过程初始状态断电手动调节回原点SQ1,按下SB1按钮,上色喷涂电机M5正转向左移动,当SQ2检测到信号时,停止旋转,停2秒后,电机M5反转右移,当SQ1检测到信号时,停止旋转,停2秒后,又向正转左移动至SQ3后停2秒,电机M5反转右移回原点,至此上色喷涂电机M5调试结束。
M5电机调试过程中,M5电机正转和反转转速均为1圈/秒,HL1和HL2同时以2Hz闪烁。
图3 上色喷涂进给电机结构示意图所有电机(M1~M5)调试完成后将自动切换进入到加工模式。
在未进入工作模式时,单台电机可以反复调试。
2、加工模式自动切换进入到加工模式后,触摸屏自动进入加工模式画面,如图4所示,触摸屏画面主要包含:各个电机的工作状态指示灯、按钮、设置加工参数、当日生产数量(停止或失电时都不会被清零)等信息。
图4 加工模式画面加工模式时初始状态:上色喷涂进给电机在原点SQ1、传送带上各检测点(SB3~SB6)常开、所有电机(M1~M5)停止等。
(1)设置加工数量后,按下启动按钮SB1,设备运行指示灯HL3闪烁等待放入工件(0.5Hz),当入料传感器(SB3)检测到A点传送带上有标签工件,则HL1长亮,设备开始加工过程,M3电机正转启动,以50Hz运行,带动传送带上的工件移动。
(2)当工件移动到达B点(由SB4给出信号)后M3电机变换成15Hz正转运行,同时打码电机M1高速正转,4秒后变为低速正转,4秒后打码电机M1停止(代表第一次打码结束);传送带立即以30Hz反转,传送工件重新回到B点,M3电机变换成15Hz正转运行,打码机进行第二次打码,同样先高速正转4秒后变为低速正转,4秒后打码电机M1 停止。
(3)两次打码结束后,传送带继续以50Hz前行,当工件移动到达C点(由SB5给出信号)后开始上色,传送带降为15Hz正转运行;先上色喷涂进给电机M5以3圈/秒速度从原点前进SQ2,此时上色电机M2启动运行;再以2圈/秒速度进给至SQ3位置后停止,3秒后M5反转以3圈/秒速度进给SQ2,上色电机M2停止运行,M5反转以1圈/秒速度回到原点,上色工作结束。
(4)上色工作结束后,传送带继续以50Hz前行,同时开启热封滚轮加热(HL3代表加热动作),当工件移动到达D点(由SB6给出信号)后先检测滚轮温度(温度控制器+热电阻Pt100),温度超过30℃开始热封(否则传送带停止运行),传送带以15Hz正转运行,同时热封滚轮电机M4运行2秒→停2秒,循环3次后热封结束。
2015年全国高职院校技能大赛现代电气控制系统安装与调试赛项(5)一个标签打印结束后,才能重新在入料扣放入下一个标签工件,循环运行。
在运行中按下停止按钮SB2后,设备将完成当前工件的加工后停止,同时HL1熄灭。
在运行中按下急停按钮后,各动作立即停止(人工取走标签后),设备重新启动开始运行。
3、非正常情况处理当上色喷涂进给电机M5出现越程(左、右超行程位置开关分别为两侧微动开关SQ4、SQ5),伺服系统自动锁住,并在触摸屏自动弹出报警画面“报警画面,设备越程”,解除报警后,系统重新从原点初始态启动。
当工件移动到达D点(由SB6给出信号),10秒内检测滚轮温度未超过30℃,10秒后自动弹出报警画面“加热器损坏,检测设备”,手动关闭窗口后再次自动进入10秒温度检测。
8。