可动心轨单开道岔检查记录
- 格式:xls
- 大小:13.00 KB
- 文档页数:1
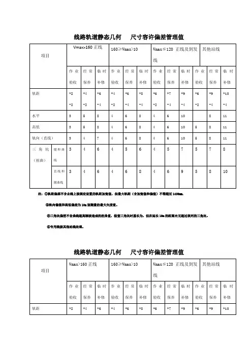
线路轨道静态几何尺寸容许偏差管理值Vmax>160 正线160≥ Vmax>10 Vmax≦120 正线及到发其他站线项目线作业经常临时作业经常临时作业经常临时作业经常临时验收保养补修验收保养补修验收保养补修验收保养补修轨距+2 +4 +6 +4 +6 +8 +6 +7 +9 +6 +9 +10 -2 -2 -4 -2 -4 -4 -2 -4 -4 -2 -4 -4 水平 3 5 8 4 6 8 4 6 10 8 11 高低 3 5 8 4 6 8 4 6 10 5 8 11 轨向(直线) 3 4 7 4 6 8 4 6 10 5 8 11 三角坑缓和曲 3 4 6 4 5 6 4 5 7 5 7 8 (扭曲)线直线和 3 4 6 4 6 8 4 6 9 5 8 10圆曲线注:①轨距偏差不含去线上按规定设置的轨距加宽值,但最大轨距(含加宽值和偏值)不得超过1456mm.②轨向偏值和高低偏差为10m弦测量的最大矢度值。
③三角坑偏差不含曲线超高顺坡造成的扭曲值,检查三角坑时基长为,但在延长18m的距离内无超过表列的三角坑。
④专用线按其他站线处理。
线路轨道静态几何尺寸容许偏差管理值Vmax>160正线160≥ Vmax>10Vmax≦120 正线及到发其他站线项目线作业经常临时作业经常临时作业经常临时作业经常临时验收保养补修验收保养补修验收保养补修验收保养补修轨距+2+4+6+4+6+8+6+7+9+6+9+10-2 -2 -4 -2 -4 -4 -2 -4 -4 -2 -4 -4水平 3 5 8 4 6 8 4 6 10 8 11高低 3 5 8 4 6 8 4 6 10 5 8 11轨向(直线) 3 4 7 4 6 8 4 6 10 5 8 11三角坑缓和曲 3 4 6 4 5 6 4 5 7 5 7 8(扭曲)线直线和 3 4 6 4 6 8 4 6 9 5 8 10圆曲线注:①轨距偏差不含去线上按规定设置的轨距加宽值,但最大轨距(含加宽值和偏值)不得超过1456mm.②轨向偏值和高低偏差为10m弦测量的最大矢度值。
北 京 地 铁 5 号 线 轨 道单开道岔检测记录表编号:铺轨记—5 工程地点 太平庄车辆段 道岔编号 21 道岔类型 50kg/m 7号单开道岔 1检查人:记录人:北 京 地 铁 5 号 线 轨 道单开道岔检测记录表 编号:铺轨记—5工程地点 太平庄车辆段 道岔编号 22 道岔类型 50kg/m 7号单开道岔 1检查人:记录人:北 京 地 铁 5 号 线 轨 道单开道岔检测记录表 编号:铺轨记—5工程地点 太平庄车辆段 道岔编号 18 道岔类型 50kg/m 7号单开道岔 1检查人:记录人:单开道岔检测记录表 编号:铺轨记—5北 京 地 铁 5 号 线 轨 道工程地点 太平庄车辆段 道岔编号 19 道岔类型 50kg/m 7号单开道岔 1检查人:记录人:单开道岔检测记录表 编号:铺轨记—5北 京 地 铁 5 号 线 轨 道工程地点 太平庄车辆段 道岔编号 25 道岔类型 50kg/m 7号单开道岔 1检查人:记录人:单开道岔检测记录表 编号:铺轨记—5北 京 地 铁 5 号 线 轨 道工程地点 太平庄车辆段 道岔编号 26 道岔类型 50kg/m 7号单开道岔 1检查人:记录人:工程地点 太平庄车辆段 道岔编号 30 道岔类型 50kg/m 7号单开道岔 1北 京 地 铁 5 号 线 轨 道单开道岔检测记录表 编号:铺轨记—5检查人:记录人:北 京 地 铁 5 号 线 轨 道单开道岔检测记录表 编号:铺轨记—5工程地点 太平庄车辆段 道岔编号 32 道岔类型 50kg/m 7号单开道岔 1检查人:记录人:。
单开道岔检查作业指导书1 适用范围本指导书适用于单开道岔的检查作业。
2 所需材料和工器具3 操作程序及要领1 准备工作1.1 检查轨距尺、支距尺、扭力扳手检定合格有效期,照明灯具状态。
1.2 校对轨距尺水平(水泡),检查弦线长度。
1.3 检查所携带的工器具是否齐全。
2 检查单开道岔轨道几何尺寸状态2.1 轨距、水平及间隔尺寸的检查顺序、检查部位及内容2.1.1 检查部位:尖轨尖轨距前顺坡终点(基本轨接头);检查内容:轨距、水平;2.1.2 检查部位:尖轨尖;检查内容:轨距、水平,尖轨动程;2.1.3 检查部位:尖轨中(刨切点处);检查内容:轨距(直向或侧向)、框距;2.1.4 检查部位:直向尖轨跟端;检查内容:轨距、水平、直向尖轨跟间隔铁轮缘槽;2.1.5 检查部位:侧向尖轨跟端;检查内容:轨距、水平、侧向尖轨跟间隔铁轮缘槽;2.1.6 检查部位:直向连接部分前(尖轨跟有轨距加宽时,位于其顺坡终点处;尖轨跟无加宽时位于距尖轨跟后2~3m处);检查内容:轨距、水平;2.1.7 检查部位:导曲线前(对应“直向连接部分前”处);检查内容:轨距、水平;2.1.8 检查部位:导曲线中(导曲轨接头位臵处);检查内容:轨距、水平;2.1.9 检查部位:直向连接中(直向连接轨接头位臵处);检查内容:轨距、水平;2.1.10 检查部位:直向连接后(对应“导曲线后”处);检查内容:轨距、水平;2.1.11 检查部位:导曲线后(导曲线有轨距加宽时,位于其顺坡起点处;导曲线无加宽时位于岔趾前2~3m处);检查内容:轨距、水平;2.1.12 检查部位:侧股辙岔前(侧股岔趾接头);检查内容:轨距、水平及侧股护轨的前开口端、前咽喉端轮缘槽;2.1.13 检查部位:侧股辙岔中(心轨顶宽20~30mm处);检查内容:轨距、查照间隔(1391mm)、护背距离(1348mm)及侧股护轨的平直段轮缘槽;2.1.14 检查部位:侧股辙岔跟(侧股岔跟接头);检查内容:轨距、水平及侧股护轨的后开口端、后咽喉端轮缘槽;2.1.15 检查部位:直股辙岔跟(直股岔跟接头);检查内容:轨距、水平及直股护轨的后开口端、后咽喉端轮缘槽;2.1.16 检查部位:直股辙岔中(心轨顶宽20~30mm处);检查内容:轨距、查照间隔(1391mm)、护背距离(1348mm)及直股护轨的平直段轮缘槽;2.1.17 检查部位:直股辙岔前(直股岔趾接头);检查内容:轨距、水平及直股护轨的前开口端、前咽喉端轮缘槽。
线路轨道静态几何尺寸容许偏差管理值注:①轨距偏差不含去线上按规定设置的轨距加宽值,但最大轨距(含加宽值和偏值)不得超过1456mm.②轨向偏值和高低偏差为10m弦测量的最大矢度值。
③三角坑偏差不含曲线超高顺坡造成的扭曲值,检查三角坑时基长为6.25m,但在延长18m的距离内无超过表列的三角坑。
④专用线按其他站线处理。
线路轨道静态几何尺寸容许偏差管理值注:①轨距偏差不含去线上按规定设置的轨距加宽值,但最大轨距(含加宽值和偏值)不得超过1456mm.②轨向偏值和高低偏差为10m弦测量的最大矢度值。
③三角坑偏差不含曲线超高顺坡造成的扭曲值,检查三角坑时基长为6.25m,但在延长18m的距离内无超过表列的三角坑。
④专用线按其他站线处理。
道岔轨道静态几何尺寸容许偏差管理值注:①支距偏差为现场支距与计算支距之差。
②导曲线下股高于上股的限值:作业验收为0,经常保养为2mm,临时补修为3mm。
③三角坑偏差不含曲线超高顺坡造成的扭曲值,检查三角坑时基长为6.25m,但在延长18m的距离内无超过表列的三角坑。
④尖轨尖处的作业验收的容许偏差管理值为+-1mm。
⑤专用线道岔按其他站线道岔办理。
道岔轨道静态几何尺寸容许偏差管理值注:①支距偏差为现场支距与计算支距之差。
②导曲线下股高于上股的限值:作业验收为0,经常保养为2mm,临时补修为3mm。
③三角坑偏差不含曲线超高顺坡造成的扭曲值,检查三角坑时基长为6.25m,但在延长18m的距离内无超过表列的三角坑。
④尖轨尖处的作业验收的容许偏差管理值为+-1mm。
⑤专用线道岔按其他站线道岔办理。
道岔检查记录簿站名______ 道岔编号_________ 型号_________道岔检查记录簿站名______ 道岔编号_________ 型号_________线路检查记录簿正线____km至__km 站线______股道曲线半径____m 超高____m 顺坡率____%线路检查记录簿正线____km至__km 站线______股道曲线半径____m 超高____m 顺坡率____%线路检查记录簿济南铁路局________________________工务段____________车间____________工区年月日线路检查记录簿济南铁路局________________________工务段____________车间____________工区年月日固定性道岔检查记录簿济南铁路局________________________工务段____________车间____________工区年月日固定性道岔检查记录簿济南铁路局________________________工务段____________车间____________工区年月日。
TG/GW116-2013中华人民共和国铁道部高速铁路有砟轨道线路维修规则(试行)2013年2月前言线路养护维修技术是高速铁路技术体系的重要组成部分,为指导我国高速铁路有砟轨道线路养护维修,满足线路高可靠性、高稳定性、高平顺性的要求,特制定本规则。
本规则在总结高速铁路有砟轨道相关研究成果和国内外养护维修技术基础上编制而成。
在编写过程中,得到了南昌、武汉铁路局的大力支持。
本规则共分九章和十二个附录,阐述了高速铁路有砟轨道线路主要设备技术标准和维修要求,规定了线路设备检查内容和周期、维修标准、维修作业要求、线路质量评定及精测网应用与维护要求等。
在执行本规则过程中,希望各单位结合工作实践,认真总结经验、积累资料,如有需要补充和完善之处,请及时将意见和有关资料反馈铁道部运输局工务部(北京市复兴路10号,邮政编码:100844),供今后修订时参考。
本规则技术总负责人:康高亮、郭福安、曾宪海、赵有明。
本规则编制单位:中国铁道科学研究院,高速铁路轨道维护管理技术组。
本规则主要起草人:吴细水、肖俊恒、王邦胜、姚冬、刘丙强、江成、黎国清、姜子清、田新宇、段剑峰、万坚、张银花、王长进、邹定强、杨桉、吕关仁、吴仕凤、李传勇、肖卫军、马德东、蒋金洲、王树国、周清跃、李力、黎连修、田常海、高睿、宋贲。
本规则主要审查人:康高亮、郭福安、曾宪海、赵有明、张军政、侯文英、沈榕、杨忠吉、许有全、刘建基、田斌、郭良浩、寇东华、梁春方、张冠军、乔连军、张金龙、谭敦枝、胡永乐、杨厚昌。
本规则由铁道部运输局工务部负责解释。
目录第一章总则 (7)第二章线路设备维修工作内容及计划 (9)第一节工作分类 (9)第二节工作内容 (9)第三节管理组织 (11)第四节工作计划 (11)第三章线路设备标准和修理要求 (13)第一节线路平面 (13)第二节线路纵断面 (15)第三节道床 (16)第四节轨枕 (17)第五节钢轨 (17)第六节扣件 (21)第七节道岔及调节器 (24)第八节无缝线路 (28)第九节标志标识 (31)第四章线路设备检查 (33)第一节一般要求 (33)第二节线路动态检查 (33)第三节线路静态检查 (34)第四节钢轨检查 (36)第五节量具检查 (39)第五章线路设备维修主要作业要求 (41)第一节一般要求 (41)第二节钢轨修理 (41)第三节扣件维修及轨道几何尺寸调整作业 (46)第四节轨枕修理作业 (49)第五节道岔及调节器作业 (49)第六节大型养路机械起拨道、捣固、稳定作业 (51)第七节无缝线路作业 (52)第八节冻害整治作业 (55)第六章线路设备维修标准 (57)第一节线路设备维修周期 (57)第二节轨道静态几何尺寸容许偏差管理标准 (57)第三节轨道动态不平顺管理值 (61)第四节车辆动力学指标管理值 (63)第五节作业验收办法 (63)第七章线路质量评定 (65)第一节线路设备状态评定 (65)第二节线路设备保养质量评定 (65)第八章精密测量控制网 (72)第一节一般要求 (72)第二节精测网构成及主要技术标准 (72)第三节精测网维护和应用 (75)第九章维修工机具、常备材料与作业车辆停留线 (78)附录一道岔检查工具及方法 (79)附录二可动心轨单开道岔检查记录 (83)附录三钢轨伸缩调节器检查记录 (84)附录四无缝线路、道岔及调节器钢轨位移观测记录 (85)附录五钢轨外观及表面伤损检查记录 (88)附录六伤损钢轨月报 (89)附录七轨距调整配置表 (90)附录八无缝线路胀轨跑道情况登记表 (92)附录九线路设备状态评定统计报告 (93)附录十有砟轨道线路维修工机具 (94)附录十一有砟轨道常备材料 (97)附录十二本规则用词说明 (99)第一章总则第1.0.1条为适应高速铁路运营要求,做好有砟轨道线路设备维修管理,提高维修技术水平,满足线路高可靠性、高稳定性、高平顺性的要求,特制定本规则。
线路轨道静态几何尺寸容许偏差管理值注:①轨距偏差不含去线上按规定设置的轨距加宽值,但最大轨距(含加宽值和偏值)不得超过1456mm.②轨向偏值和高低偏差为10m弦测量的最大矢度值。
③三角坑偏差不含曲线超高顺坡造成的扭曲值,检查三角坑时基长为,但在延长18m的距离内无超过表列的三角坑。
④专用线按其他站线处理。
线路轨道静态几何尺寸容许偏差管理值注:①轨距偏差不含去线上按规定设置的轨距加宽值,但最大轨距(含加宽值和偏值)不得超过1456mm.②轨向偏值和高低偏差为10m弦测量的最大矢度值。
③三角坑偏差不含曲线超高顺坡造成的扭曲值,检查三角坑时基长为,但在延长18m的距离内无超过表列的三角坑。
④专用线按其他站线处理。
道岔轨道静态几何尺寸容许偏差管理值注:①支距偏差为现场支距与计算支距之差。
②导曲线下股高于上股的限值:作业验收为0,经常保养为2mm,临时补修为3mm。
③三角坑偏差不含曲线超高顺坡造成的扭曲值,检查三角坑时基长为,但在延长18m的距离内无超过表列的三角坑。
④尖轨尖处的作业验收的容许偏差管理值为+-1mm。
⑤专用线道岔按其他站线道岔办理。
道岔轨道静态几何尺寸容许偏差管理值注:①支距偏差为现场支距与计算支距之差。
②导曲线下股高于上股的限值:作业验收为0,经常保养为2mm,临时补修为3mm。
③三角坑偏差不含曲线超高顺坡造成的扭曲值,检查三角坑时基长为,但在延长18m的距离内无超过表列的三角坑。
④尖轨尖处的作业验收的容许偏差管理值为+-1mm。
⑤专用线道岔按其他站线道岔办理。
道岔检查记录簿站名______ 道岔编号_________ 型号_________道岔检查记录簿站名______ 道岔编号_________ 型号_________线路检查记录簿正线____km至__km 站线______股道曲线半径____m 超高____m 顺坡率____%线路检查记录簿正线____km至__km 站线______股道曲线半径____m 超高____m 顺坡率____%线路检查记录簿济南铁路局________________________工务段____________车间____________工区年月日线路检查记录簿济南铁路局________________________工务段____________车间____________工区年月日固定性道岔检查记录簿济南铁路局________________________工务段____________车间____________工区年月日固定性道岔检查记录簿济南铁路局________________________工务段____________车间____________工区年月日。
普通单开道岔检查一、普通单开道岔各部分轨距编号检查地点说明1 尖轨前顺坡终点S基2 尖轨尖端S尖3 尖轨中部S尖中4 尖轨跟端直股S跟直5 尖轨跟端曲股S跟曲导曲线起点处6 尖轨跟端后直股S直(前)距跟端1.5米7 导曲线前部S导曲(前)距导曲线起点3米8 导曲线中部S导曲(中)9 直股中部S直(中)10 直股后部S直(后)11 导曲线后部S导曲(后)距导曲线终点4米12 辙叉曲股前S叉曲(前)13 辙叉曲股中S叉曲(中)同时量查找间隔和护背距离14 辙叉曲股后S叉曲(后)15 辙叉直股后S叉直(后)16 辙叉直股中S叉直(中)同时量查找间隔和护背距离17 辙叉直股前S叉直(前)二、道岔上轨距加宽递减三、50kg/m钢轨12号单开道岔标记设置示意图菱形道岔检查方法菱形道岔的检查除普通单开道岔的检查内容要求除外,还必须检查前后锐角辙叉的叉前,叉后端的轨距、水平,以及叉心中的轨距,查照间隔,护背距离及轨距;钝角辙叉前、后半部的叉前,叉后端的轨距、水平和叉心中的查照间隔,护背距离及轨距。
编号检查地点说明1前锐角辙叉叉后端同时量查找间隔和护背距离2 叉心中3 叉前端4钝角辙叉前半部叉后端同时量查找间隔和护背距离5 前半部叉心中6 后半部叉心中7 后半部叉后端8后锐角辙叉叉前端同时量查找间隔和护背距离9 叉心中10 叉后端复式交分道岔的检查方法一、交道岔检查的甲、乙股方向确定:站在岔跟端脸向车站、分左右、左股为甲、右股为乙,检查的起点为始端。
以该端左侧(面向钝角部分)一股线路为甲股的检查走向,该端右侧(面向钝角部分)线路为乙股的检查走向。
二、甲股与乙股检查走向的范围划分:(见下图)三、检查水平时的基准股确定:(见下图)当基准股高于非基准股时,水平为正“+”;反之,当基准股低于非基准股时,水平为负“—”。
序号检查地点测点实际轨距尺寸水平备注9号12号测点9 121 甲股前锐角辙叉跟S1 1435 1435 H1 02 甲股前锐角辙叉中S2143591-48143591-48××辙叉心宽50至心宽20mm断面处3 甲股前尖轨距顺坡终点S3 1435 1435 H2 09#复交该处距直线尖轨尖端2273mm12#复交该处距直线尖轨尖端2170mm五、复式交发分道岔开口、支距、动程、矢距、正矢等项目的检查位置:甲、乙两股导曲线均由短轴中分为两个部分,起点方向为前部,终点向为导曲线后部。
道岔的检查与评定是工务日常工作中的一项基本内容,多年以来,总认为其很简单,没有成册的必要。
今年上半年北京局春季技术比武,通过现场选手的表现,我才发现自己其实相当然的认为是错误的。
道岔的检查与评定,不是不需要培训,而是很有必要。
工务线路工班长在日常工作中,如何能系统的完成道岔的全面检查与评定,是科学评判道岔质量的关键。
编写本手册的出发点,就是让工班长通过这本手册,能按《修规》标准,在规定的时间内,全面规范检查道岔,并依据检查结果,给出正确的评判。
本手册总结归纳“三往返、八节点、全项目、流水检查法”,掌握这一方法,就能确保在25分钟之内,通过来回三次,将八大类全部项目检查完,道岔评定要求的全部项目。
道岔的检查与评定,是线路工技能考评和日常考核中的一项基本项目,同时也是工务工班长必须熟练掌握并应用的基本技能。
本节主要讲述普通单开道岔的检查与评定,并通过实例讲解在检查与评定中,应重点关注的事项。
一、考核总时限正式检查时间为20分钟。
计时从正式操作开始,到操作完毕结束。
规定时间内提前不加分,超1分钟扣0.5分,总超时5分钟停止作业(根据道岔整体状态,在考核过程中,时间或增加或缩短,一般在20~40分钟间)。
二、考核评分关键项点1、考评人数:不少于3人。
2、评分点:(1)、几何尺寸的检查记录全面正确。
(2)、检查项目齐全、检查顺序井然有序。
3、评分规则与总分方法:(1)、各项配分扣完为止,不出现负分。
(2)、考评员各自打分,取平均值为总分。
第一部分单开道岔检查的准备及要求一、准备工量器具序名称数量规格备注1轨距尺112支距尺133方尺134单开道岔记录本1或记录纸1、25石笔1超限标记1、26笔11、27钢卷尺15m1、28扭力扳手1接头39弦绳1大于10m2、310木折尺11、211直钢尺1150mm1、212塞尺11、213超高板1万能道尺时可不携带114扒镐1315检查锺13二、单开道岔检查评定技术要求(1)、道岔轨距、水平、高低、轨向等几何尺寸检查,以及岔枕状态、道床脏污情况,尖轨、基本轨伤损,零配件缺少失效,警冲标、标识及电务附属设备等病害的检查。
9号单开道岔检查记录表□检查□维修□验收站行道岔编号道岔类型作业人员日期年月 / 日检查项目转辙部分导曲线部分辙叉部分支距护轨轮缘槽尺寸直股护轨曲股护轨尖轨前顺坡终点尖轨尖端处尖轨中尖轨跟端直线导曲线叉心前叉心中叉心后查照间隔(91-94)护背距离(46-48)180 802365 654542 426742 42直曲前中后前中后直曲直曲直曲直曲直曲检轨距限位器直65 65 查水平×××××××曲80 80轨向、高低及其它问题滑床板离缝123456789101112131415直曲联结零件接头螺栓合格□/不合格□不合格说明:护轨螺栓合格□/不合格□不合格说明:其它螺栓合格□/不合格□不合格说明:临时保养其他说明位置 1 2 3 4 5 6 7 8 9 10 11 12 标准1435 1440 1440/1435 1435 1440 1435 1440 1440 1435 1435 1440 1435 位置13 14 15 16 17 Z1 Z2 Z3 Z4 Z5 Z6 Z7 标准1435 1435 1435 1435 1435 328 450 593 755 938 1141 1241项目保养维修标准第一动程160±5第二动程84±5尖轨与基本轨密贴≤1尖轨跟端轮缘槽宽度允许偏差[+3,-1]尖轨开口允许偏差[+3,-1]尖轨底与滑床板间隙≤1顶铁与尖轨靠贴间隙≤1查照间隔1391—1394护背距离1348—1346物料名称带入数量带出数量备注轨距尺支距尺平铲钢丝刷扫帚扳手扭力矩扳手联接零件润滑油棉布其他容许误差轨距(mm)水平(mm)高低(mm)轨向(mm)一般位置尖轨尖端直线支距保养标准+3-2±1 ±4 ±4 ±4 ±2维修标准+3-2±1 ±3 ±3 ±3 ±2Z1Z2Z3Z7Z4Z5Z692120002000200020002000。
道岔、线路检查记录本(总6页)--本页仅作为文档封面,使用时请直接删除即可----内页可以根据需求调整合适字体及大小--线路轨道静态几何尺寸容许偏差管理值注:①轨距偏差不含去线上按规定设置的轨距加宽值,但最大轨距(含加宽值和偏值)不得超过1456mm.②轨向偏值和高低偏差为10m弦测量的最大矢度值。
③三角坑偏差不含曲线超高顺坡造成的扭曲值,检查三角坑时基长为,但在延长18m的距离内无超过表列的三角坑。
④专用线按其他站线处理。
线路轨道静态几何尺寸容许偏差管理值注:①轨距偏差不含去线上按规定设置的轨距加宽值,但最大轨距(含加宽值和偏值)不得超过1456mm.②轨向偏值和高低偏差为10m弦测量的最大矢度值。
③三角坑偏差不含曲线超高顺坡造成的扭曲值,检查三角坑时基长为,但在延长18m的距离内无超过表列的三角坑。
④专用线按其他站线处理。
道岔轨道静态几何尺寸容许偏差管理值注:①支距偏差为现场支距与计算支距之差。
②导曲线下股高于上股的限值:作业验收为0,经常保养为2mm,临时补修为3mm。
③三角坑偏差不含曲线超高顺坡造成的扭曲值,检查三角坑时基长为,但在延长18m的距离内无超过表列的三角坑。
④尖轨尖处的作业验收的容许偏差管理值为+-1mm。
⑤专用线道岔按其他站线道岔办理。
道岔轨道静态几何尺寸容许偏差管理值注:①支距偏差为现场支距与计算支距之差。
②导曲线下股高于上股的限值:作业验收为0,经常保养为2mm,临时补修为3mm。
③三角坑偏差不含曲线超高顺坡造成的扭曲值,检查三角坑时基长为,但在延长18m的距离内无超过表列的三角坑。
④尖轨尖处的作业验收的容许偏差管理值为+-1mm。
⑤专用线道岔按其他站线道岔办理。
道岔检查记录簿站名______ 道岔编号_________ 型号_________道岔检查记录簿站名______ 道岔编号_________ 型号_________线路检查记录簿正线____km至__km 站线______股道曲线半径____m 超高____m 顺坡率____%线路检查记录簿正线____km至__km 站线______股道曲线半径____m 超高____m 顺坡率____%线路检查记录簿济南铁路局________________________工务段____________车间____________工区年月日线路检查记录簿济南铁路局________________________工务段____________车间____________工区年月日固定性道岔检查记录簿济南铁路局________________________工务段____________车间____________工区年月日固定性道岔检查记录簿济南铁路局________________________工务段____________车间____________工区年月日。
单开道岔的检查工作大家知道单开道岔有哪些检查工作吗?其实道岔的种类有很多,单开道岔只是其中的一种,由于单开道岔关系到行车安装问题,为了保障单开道岔的安全行车,因此要经过详细的检查,在确定安全后才能通车,那么单开道岔有哪些检查工作呢,下面中煤小编根据老员工的知识就来简单的介绍一下。
1.检校道尺用干卷尺校验道尺中轨距是否符合标准,误差在1mm范围内,校正水平,将道尺左右股调换,检查误差控制在1mm范围内。
2.前顺坡终点轨距值为1435mm,检查地点:在基本轨接头后110mm-130mm处测量。
3.尖轨轨距值:1/9道岔:1450;1/12道岔(不含60kg/m—1/12AT尖轨):1445mm;60kg/m—1/12AT尖轨:1437mm;50kg/m—1/18道岔:1435mm;60kgAT—1/12Ⅱ型提速道岔、60kg—1/18可动心轨辙岔1435mm。
检查地点:在尖轨前20-40mm处测量。
4.尖轨中轨距值:60kg/m—1/12AT尖轨:1435mm;50kg/m—1/18道岔:1435mm;1/9道岔:1445mm;1/12道岔:1442mm。
检查地点:尖轨长度的1/2处测量(刨切点)。
5. 尖轨根端直向轨距,除60kg/m—1/12AT尖轨和1/18道岔为:1435mm,其余43kg/m,50kg/m 单开道岔均为:1439mm。
检查地点:43kg/m,50kg/m等跟端结构为间隔铁式道岔在跟端轨缝后螺栓孔处测量;60kg/m—1/12道岔在尖轨后接头螺栓孔处测量。
6.尖轨根侧向轨距:轨距值与第四处相等。
检查地点:在第四处测量点相对应出。
7.直线前轨距:各类单开道岔均为1435mm。
检查地点:尖轨跟端轨缝后1.5m处测量。
8.导曲前轨距,直尖轨时:1/9道岔为1450mm:1/12道岔为1445mm;曲尖轨时,不加宽均为:1435mm。
检查地点:尖轨根跟端后3m处测量。
为了保障单开道岔的安全行车,需要对每个细节进行详细的检查,任何一个地方都不能放过,它直接关系到我们的人身安全,马虎不得。