单开道岔检查演示幻灯片
- 格式:ppt
- 大小:7.21 MB
- 文档页数:2
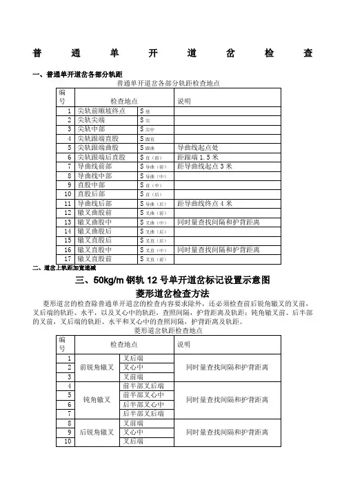
普通单开道岔检查一、普通单开道岔各部分轨距编号检查地点说明1 尖轨前顺坡终点S基2 尖轨尖端S尖3 尖轨中部S尖中4 尖轨跟端直股S跟直5 尖轨跟端曲股S跟曲导曲线起点处6 尖轨跟端后直股S直(前)距跟端1.5米7 导曲线前部S导曲(前)距导曲线起点3米8 导曲线中部S导曲(中)9 直股中部S直(中)10 直股后部S直(后)11 导曲线后部S导曲(后)距导曲线终点4米12 辙叉曲股前S叉曲(前)13 辙叉曲股中S叉曲(中)同时量查找间隔和护背距离14 辙叉曲股后S叉曲(后)15 辙叉直股后S叉直(后)16 辙叉直股中S叉直(中)同时量查找间隔和护背距离17 辙叉直股前S叉直(前)二、道岔上轨距加宽递减三、50kg/m钢轨12号单开道岔标记设置示意图菱形道岔检查方法菱形道岔的检查除普通单开道岔的检查内容要求除外,还必须检查前后锐角辙叉的叉前,叉后端的轨距、水平,以及叉心中的轨距,查照间隔,护背距离及轨距;钝角辙叉前、后半部的叉前,叉后端的轨距、水平和叉心中的查照间隔,护背距离及轨距。
编号检查地点说明1前锐角辙叉叉后端同时量查找间隔和护背距离2 叉心中3 叉前端4钝角辙叉前半部叉后端同时量查找间隔和护背距离5 前半部叉心中6 后半部叉心中7 后半部叉后端8后锐角辙叉叉前端同时量查找间隔和护背距离9 叉心中10 叉后端复式交分道岔的检查方法一、交道岔检查的甲、乙股方向确定:站在岔跟端脸向车站、分左右、左股为甲、右股为乙,检查的起点为始端。
以该端左侧(面向钝角部分)一股线路为甲股的检查走向,该端右侧(面向钝角部分)线路为乙股的检查走向。
二、甲股与乙股检查走向的范围划分:(见下图)三、检查水平时的基准股确定:(见下图)当基准股高于非基准股时,水平为正“+”;反之,当基准股低于非基准股时,水平为负“—”。
序号检查地点测点实际轨距尺寸水平备注9号12号测点9 121 甲股前锐角辙叉跟S1 1435 1435 H1 02 甲股前锐角辙叉中S2143591-48143591-48××辙叉心宽50至心宽20mm断面处3 甲股前尖轨距顺坡终点S3 1435 1435 H2 09#复交该处距直线尖轨尖端2273mm12#复交该处距直线尖轨尖端2170mm五、复式交发分道岔开口、支距、动程、矢距、正矢等项目的检查位置:甲、乙两股导曲线均由短轴中分为两个部分,起点方向为前部,终点向为导曲线后部。
普通单开道岔检查一、普通单开道岔各部分轨距
三、50kg/m钢轨12号单开道岔标记设置示意图
菱形道岔检查方法
菱形道岔的检查除普通单开道岔的检查内容要求除外,还必须检查前后锐角辙叉的叉前,叉后端的轨距、水平,以及叉心中的轨距,查照间隔,护背距离及轨距;钝角辙叉前、后半部的叉前,叉后端的轨距、水平和叉心中的查照间隔,护背距离及轨距。
注:乙股检查地点比照甲股进行
复式交分道岔的检查方法
一、交道岔检查的甲、乙股方向确定:
站在岔跟端脸向车站、分左右、左股为甲、右股为乙,检查的起点为始端。
以该端左侧(面向钝角部分)一股线路为甲股的检查走向,该端右侧(面向钝角部分)线路为乙股的检查走向。
二、甲股与乙股检查走向的范围划分:(见下图)
三、检查水平时的基准股确定:(见下图)
当基准股高于非基准股时,水平为正“+”;反之,当基准股低于非基准股时,水平为负“—”。
五、复式交发分道岔开口、支距、动程、矢距、正矢等项目的检查位置:
甲、乙两股导曲线均由短轴中分为两个部分,起点方向为前部,终点向为导曲线后部。
在前后两锐角辙叉的跟端,分别量取其后开口的中点;于该两中点之间
拉一弦线(即长轴线)为基准线,以短轴与该弦线的交点为支距原点0,分别量取甲股导曲线前后部及乙股导曲线前、后部各支距点的支距,如下图所
六、复交道岔的检查记录及其记录表
1、复交道岔的检查记录,应根据现场检查的实际地点正确点对应到记录表上填写。
2、复交道岔的检查记录表(见附表)。