桥梁设计水文计算
- 格式:doc
- 大小:40.50 KB
- 文档页数:2
公式(1):能量型公式⎥⎥⎦⎤⎢⎢⎣⎡⎪⎭⎫ ⎝⎛∆+-⎪⎪⎭⎫ ⎝⎛=∆∑2222Z h h b B g V Z ξα 式中:α——动能校正系数,一般取α=1.1;ξ——过水面积收缩系数,取ξ=0.85-0.95,本次取0.85;B ——无桥墩时水面宽;V ——建桥前断面平均流速;h ——建桥前断面平均水深;△Z ——最大壅水高度;∑b ——建桥后过水断面总宽(河宽减去桥墩总宽)。
该公式主要考虑了建桥前后过水断面宽度变化,而未考虑建桥后对天然河道过水断面减小的影响。
公式中水位壅高值采用迭代法计算。
公式(2):铁路工程水文勘测设计规范公式)(202V V Z M -=∆η 式中:Z ∆——桥前最大壅水高度(m );η——阻水系数;M V ——桥下平均流速(m/s ); 0V ——断面平均流速(m/s )。
公式(3):铁科院曹瑞章公式⎪⎭⎫ ⎝⎛-=∆2022.m V m V g K Z 式中:V m ——桥下平均流速,V m =K p Q p /A j ;Q p ——设计流量;A j ——桥下净过水面积;K p ——考虑冲刷引起的流速折减系数;K p =1/[1+A(p-1)]P ——冲刷系数,取P=1.0;A ——河床粒径系数,A=0.5×d 50-0.25;d 50——桥下河床中值粒径,mm ;V 0m ——天然状态下平均流速,V 0m =Q 0m /A 0m ;Q 0m ——天然状态下通过的设计流量;A 0m ——桥下过水面积;K ——壅水系数,K=2/(V m /V 0m -1)0.5;g ——重力加速度。
其它符号同公式(1),该公式考虑建桥后河道过水面积影响,并考虑了建桥后流速增加对河床冲刷的影响。
公式(4):铁科院李付军公式()g V KV R Z OM M 21182.122--=∆式中:V m ——桥下平均流速,V m =Q/A J ;Q ——计算流量;A J ——扣除桥墩和桥台阻水面积后的桥下净过水面积;V 0m ——计算流量时建桥前桥孔部分天然状态下平均流速,V 0m =Q 0m /A 0m ; Q 0m ——计算流量时建桥前从桥孔部分通过的流量;A 0m ——计算流量时建桥前桥孔部分天然过水面积;R ——考虑桥墩和桥台影响的反映桥孔压缩程度的系数,R= V m / V 0m ; K ——考虑冲刷影响的流速(动能)折减系数,取K=0.9。
桥涵水文分析与计算一、概述桥涵水文分析与计算,包括河流水文资料的调查搜集整理与计算,推求出我们桥涵所需要的设计水位和流量,拟定出桥长孔径、桥高和基础埋设深度。
由于桥位所处的地理位置不同以及其它复杂因素,包括天然的和人为因素如潮汐、泥石流、修水库、开挖渠道等。
我们调查搜集洪水流量的计算方法各有不同。
水文计算从大的方面来分:有水文(雨量)观测资料和无水文观测资料的水文计算。
从各河段特殊情况的不同又可分为,有水库的水文计算,倒灌河流的水文计算,平原或者山丘区的水文计算,还有潮汐河段、岩溶河段、泥石流河段等。
不同情况的河流我们要有针对性的调查,搜集有关资料调查搜集资料很辛苦,跑路多收效有时还很小,但工作必需要做,要有耐心。
需要调查搜集的资料综合起来有:水系图,县志和水利志、地形图、形态断面、水文站(气象站)资料水库资料,倒灌资料、河道演度、河床淤积、雨力资料、洪水调查及比降的测量,原有桥涵的调查等,通过调查为下步洪水设计流量提供有关参数。
另外还要进行地质地貌调查,有些设计流量的计算参数也和土的颗粒组成、土壤的分类、密实度吸水率熔洞泥石流等有关,有的与设计流量无关,但与桥的安全性有关如土体稳定性、山体滑坡、湿陷性黄土软土地基等,一般野外采用看挖钻的方法,下面介绍一下土壤分类的一般常识,分为三类:1.粘性土:塑性指数p I >1 亚砂土或轻亚粘土1<p I ≤7; 亚粘土 7<I ≤17; 粘土 p I ≥17;塑性指数p I =l W (液限)-p W (塑限);而粘性土壤的状态用液性指数(即稠度系数)l I 分为四级,l I =pl p o w w w w --;o W —天然含水量;l I <0为坚硬半坚硬 标贯>3.5; 0≤l I <0.5为硬塑 标贯>-3.5; 0.5≤l I <1为软塑 标贯<-7;l I ≥1 为极软 标贯<2;淤泥是极软状态的粘性土,其含水量接近或大于液限,对于孔隙比大于1的轻亚粘土或亚粘土和孔隙比大于1.5的粘土均称淤泥。
高速公路跨江大桥的水文计算分析摘要:高速公路设计中,桥涵水文计算是桥梁设计的主要工作之一,它是在实地调查和勘测的基础上,运用水文统计法和水力学公式计算出设计洪水位和设计流量,由此推算出桥孔孔径、墩台冲刷深度和桥面标高等。
作为一个桥涵设计工作者,只有了解水文计算的整个过程,才能够对其进行详细、准确的分析。
本文以广东省潮惠高速公路为背景,对水唇榕江特大桥桥位处进行水文计算分析,供相关设计人员参考。
关键词:桥梁设计;水文计算;设计流量;设计水位;孔径;冲刷中图分类号:u442.5+9文献标识码:a文章编号:项目背景广东省潮州至惠州高速公路位于广东省的东翼地区。
项目所在区域主要河流分别为榕江、螺河及其支流,榕江为潮汕第二大河流,由南、北两河汇合而成。
路线分别于揭西县大溪镇井美新寨、陆河县水唇镇黄塘村跨越榕江。
本文即以水唇榕江特大桥为例,详细介绍桥梁水文计算的过程及要点。
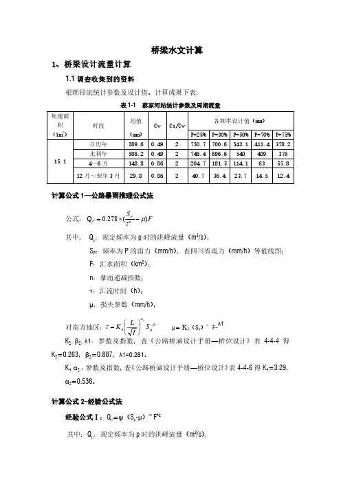
流量计算目前,对于大、中河流,具有足够的实测流量资料时,主要采用数理统计法(水文统计法),而缺乏实测资料时,则多采用间接方法或经验公式计算,若具有足够的实测暴雨资料时,也可以利用暴雨资料,通过成因分析,进行计算。
水唇榕江特大桥桥位处汇水面积为173.5 km2,不能采用《公路工程水文勘测设计规范(jtgc30-2002)》等规范来计算该河设计流量。
因此本桥位处计算该河流量采用《广东省暴雨径流计算差算图表使用手册》中推理公式法(1988年修订)。
2.1基本资料集水区域工程特征:汇水面积f=173.5km2,干流长度l=26.89km,河床坡降j=0.0045,集水区域特征参数θ=l/j1/3=162.87,洪水频率p=1/300。
本工程集水区域位于《广东省暴雨径流查算图表》分区的粤东沿海,应采用粤东沿海设计雨型。
暴雨高区αt~t~f关系图。
广东省分区产流参数,取“粤东沿海,珠江三角洲区”。
大陆地区推理公式(1988年修订)汇流参数m~θ关系,取“大陆山区”曲线。
年河桥梁计算书(含水文、荷载、桩长、挡墙的计算)**本计算书中包括桥涵水文的计算、恒荷载计算、活荷载计算桩长、以及挡墙的计算。
荷载标准:公路Ⅱ级乘0.8的系数桥面宽度:净4.5+2×0.5m跨度:13孔×13m1、工程存在问题年河桥位于长江下游1000m处,建于1982年,为钢筋砼双排架式桥墩,预制拼装型板梁桥面,17孔,每跨8.85m。
总长150.45m,宽5.3m。
该桥运行20多年,根据***省水利建设工程质量监测站检验测试报告检测结果如下:(1)桥墩A.桥墩基础桥墩基础为抛石砼,设计强度等级为150#,钻芯法检测砼现有强度代表值为16.4MPa。
B.排架立柱及联系梁立柱设计强度等级为200#,超声回弹综合法检测砼现有强度代表值为14.0~18.3MPa。
联系梁设计强度等级为200#,超声回弹综合法检测砼现有强度代表值为14.7MPa。
立柱外观质量总体较差,局部区域麻面较重。
立柱砼碳化深度最大值为31mm,最小值为5mm,平均值为14mm。
立柱钢筋保护层实测厚度为20mm,钢筋目前未锈,但碳化深度平均值已接近钢筋保护层厚度。
通过普查,全桥64根立柱中有12根35处箍筋锈胀外露,有6处联系梁主筋外露。
C.盖梁盖梁设计强度等级为200#,超声回弹综合法检测砼现有强度代表值为17.4~21.5MPa。
盖梁外观质量一般,梁体砼总体感觉较疏松。
盖梁砼碳化深度最大值为24mm,最小值为9mm,平均值为18mm。
,盖梁主筋侧保护层实测厚度为9~13mm,底保护层实测厚度29~42mm,砼碳化深度已超过钢筋侧保护层厚度,盖梁主筋已开始锈蚀。
通过普查,全桥32根盖梁中共有14根15处主筋锈蚀膨胀,表层砼脱落,主筋外露,长度15~70cm;有28处箍筋锈胀外露。
(2)T型梁T型梁设计强度等级为200#,每跨中间两根T型外观较好,两边T型梁外观较差。
T型梁砼碳化深度最大值为20mm,最小值为7mm,平均值为14mm。
桥梁受力水力计算摘要:1.桥梁受力水力计算的背景和意义2.桥梁受力水力计算的基本原理3.桥梁受力水力计算的具体方法和步骤4.桥梁受力水力计算在实际工程中的应用和案例分析5.桥梁受力水力计算的发展趋势和挑战正文:桥梁受力水力计算在桥梁设计和施工中具有重要的意义。
随着我国交通事业的快速发展,对于桥梁工程的要求也越来越高,桥梁的安全性、稳定性和耐久性成为设计和施工的关键因素。
桥梁受力水力计算是评估桥梁承载能力和安全性的重要手段之一。
本文将从桥梁受力水力计算的背景和意义、基本原理、具体方法和步骤、实际工程应用以及发展趋势等方面进行介绍。
一、桥梁受力水力计算的背景和意义随着我国基础设施建设的快速发展,桥梁工程在交通运输、水利、城市建设等领域中发挥着日益重要的作用。
桥梁受力水力计算作为桥梁工程的一个重要环节,对于保证桥梁的安全稳定运行至关重要。
通过对桥梁受力水力进行计算,可以评估桥梁在各种受力条件下的承载能力和安全性,为桥梁设计和施工提供科学依据。
二、桥梁受力水力计算的基本原理桥梁受力水力计算是基于流体力学和结构力学的原理,分析河流中水流对桥梁产生的各种受力。
主要包括以下几个方面:1.水流对桥梁产生的静水压力2.水流对桥梁产生的动水压力3.水流对桥梁产生的冲击力4.桥梁结构自重和活载引起的内力三、桥梁受力水力计算的具体方法和步骤桥梁受力水力计算的具体方法和步骤主要包括以下几个方面:1.收集和分析水文资料,确定设计洪水标准2.建立桥梁受力分析模型,包括桥梁结构模型和水流模型3.计算水流对桥梁产生的各种受力4.评估桥梁的承载能力和安全性5.根据计算结果,提出桥梁设计和施工的优化方案四、桥梁受力水力计算在实际工程中的应用和案例分析桥梁受力水力计算在实际工程中具有广泛的应用。
例如,在长江大桥、黄河大桥等大型桥梁工程的设计和施工过程中,都需要进行详细的受力水力计算,以确保桥梁的安全稳定运行。
通过对实际工程案例的分析,可以发现桥梁受力水力计算在桥梁工程中的重要作用。
桥梁工程水文计算一、洪水水文计算洪水水文计算是指在设计桥梁时,对于洪水特性进行研究和计算,以确定桥梁所需的洪水设计标准,具体计算内容包括设计洪水流量、洪水位、洪水频率等。
洪水水文计算是桥梁设计的基础,对于保证桥梁的安全性和合理性非常重要。
洪水水文计算可以分为统计计算和物理计算两种方法。
统计计算是根据历史洪水数据进行计算,通过统计学方法进行频率分析,确定设计洪水频率和设计洪水位。
物理计算是根据河流水文特征和流域特征,利用水文模型进行计算,确定设计洪水流量。
二、流量计算流量计算是指在桥梁设计和施工过程中,对于水流运动特性进行研究和计算,以确定桥梁所需的流量参数,具体计算内容包括河流流量、水流速度等。
流量计算是桥梁设计和施工中的必要步骤,能够帮助设计人员合理确定桥梁尺寸和建设材料。
流量计算可以分为一维流量计算和二维流量计算两种方法。
一维流量计算是通过水流流量方程,根据河流横截面形态和水面坡降等参数,计算河流流量。
二维流量计算是利用水力学原理,通过数字水动力模型进行计算,可以考虑河流的复杂性和水流的流向变化。
三、水面稳定计算水面稳定计算是指在桥梁设计过程中,对于水面平稳度进行研究和计算,以确定桥梁所需的水面稳定参数,具体计算内容包括水面高程、水面波浪等。
水面稳定计算对于确保桥梁施工和使用过程中的安全性非常重要。
水面稳定计算可以通过水理学模型进行计算,考虑河流水位变化和水流变化对于桥梁水面的影响。
具体计算内容包括根据河流流量和横截面形态,确定水面高程和水面波浪高度,以及确定桥墩和桥梁结构的安全系数。
综上所述,桥梁工程水文计算是桥梁设计和施工过程中不可或缺的一部分,包括洪水水文计算、流量计算和水面稳定计算等内容。
水文计算能够帮助设计人员合理确定桥梁的水文参数,确保桥梁的安全性和合理性。
为了保证桥梁的安全性,设计人员应该选取合适的水文计算方法,并且根据实际情况进行合理的参数设定。
桥梁水文计算算例桥梁水文计算主要包括两个方面的内容:洪水过程确定和水流计算。
首先,需要确定设计桥梁所需考虑的洪水过程,即确定设计所需考虑的洪水等级和发生频率。
一般来说,常用的设计洪水等级有常年最大洪水、50年一遇洪水、100年一遇洪水等。
考虑到桥梁的安全性和可靠性,一般设计时会选择100年一遇洪水作为设计洪水等级。
根据地理环境、气象数据等因素,可以通过统计分析、实地调查等方法确定设计洪水的流量。
洪水过程确定后,需要进行水流计算。
水流计算主要是通过流量-水位曲线,计算洪水来临时的水位和流量。
水文计算中常用的方法有有限差分法、水力学模型计算法等。
接下来,我们将通过一个简单的例子来演示如何进行桥梁水文计算。
假设有一座跨越一条河流的桥梁,需要进行水文计算以确定桥梁的水位和流量。
首先,我们需要确定设计洪水等级。
在这个例子中,我们选择设计洪水等级为100年一遇洪水。
其次,需要获取相关的洪水数据。
假设我们已经获得了历年来的洪水流量数据,并进行了统计分析,确定了100年一遇洪水的流量为5000立方米/秒。
接下来,我们需要根据洪水流量来绘制流量-水位曲线。
流量-水位曲线是桥梁水文计算中非常重要的一个工具。
它可以通过历年来的河流流量数据和对应的水位数据,来确定洪水来临时的水位和流量。
在绘制流量-水位曲线时,我们需要根据洪水流量数据,找到对应的水位数据。
假设我们已经完成了这一步骤,并绘制了流量-水位曲线。
在绘制流量-水位曲线后,我们可以利用这个曲线来进行水位和流量的计算。
根据设计要求,我们需要确定100年一遇洪水来临时的水位和流量。
假设我们需要计算100年一遇洪水来临时的水位,我们可以通过100年一遇洪水的流量来查找对应的水位。
在这个例子中,我们可以得到100年一遇洪水来临时的水位为10米。
同样地,我们也可以通过流量-水位曲线来确定100年一遇洪水来临时的流量。
这样,我们就完成了桥梁水文计算中的主要步骤。
通过水文计算,我们确定了100年一遇洪水来临时的水位和流量。
水文计算书ZKX+XXX XXX大桥KX+XXX XXX大桥水文计算书一概况该处为XXX大桥,属于蒙江水系,蜿蜒曲折,河道自然坡降大,径流补给以雨水为主,桥址处覆盖层为粉质粘土,较厚,基层为泥灰岩夹页岩。
此沟汇水。
面积3.942km,沟长2.52km,平均比降5.55000二参阅文献及资料1、《公路工程水文勘测设计规范》(JTG C30-2015)2、《公路桥位勘测设计规范》3、《公路小桥涵设计示例》——刘培文等编4、《公路桥涵设计手册(涵洞)》5、《桥涵水文》——高冬光6、《公路涵洞设计细则》(D65-04-2007)7、《贵州省小桥涵设计暴雨洪峰流量研究报告》——贵州省交通规划勘察设计院三水文计算该项目水文计算共采用四种不同的方法进行水文计算,通过分析比较确定流量。
方法1:交通部公路科学研究所暴雨径流公式推算设计流量;方法2:交通部公路科学研究所暴雨推理公式推算设计流量;方法3:简化公式;方法4:贵州省交通雨洪法(H 法)经验公式。
(1) 交通部公路科学研究所暴雨径流公式:βγδφ5423)(F z h Q p -= (3-1)φ ——地貌系数,根据地形、汇水面积F 、主河沟平均坡度决定,取0.1 h ——径流厚度(mm ),取44mmZ ——被植被或坑洼滞留的径流厚度(mm ),取10mmF ——汇水面积(km 2),取3.94β ——洪峰传播的流量折减系数,取1γ ——汇水区降雨量不均匀的折减系数,取1δ——湖泊或小水库调节作用影响洪峰流量的折减系数,取1p Q ——规定频率为p 时的洪水设计流量(m 3/s )将各参数带入公式3-1,可得βγδφ5423)(F z h Q p -==59.34(m 3/s )(2)交通部公路科学研究所暴雨推理公式:F S Q np p )(278.0μτ-= (3-2) p Q ——频率为p 的设计流量(3/m s )p S ——暴雨力(/mm h )查暴雨等值线图(p =1%),得01.0S =80mm/hτ——汇流时间(h )采用公式23K ατ⎛⎫=,L 为河沟长度 2.52(km ),z I 为主河沟平均坡度5.55(000),3K =0.193,2α=0.713, τ=0.55(h )。
松潘县镇江关中桥建设项目水文计算一、桥梁设计高程1、桥梁设计洪水位根据所指定的设计洪水标准及相应的设计洪峰流量,利用各评价河段横断面计算出相应的水位流量关系曲线,然后在相应的水位流量关系曲线上查出现实河道相应频率的设计洪水位。
再根据河道在建桥后相应断面过水面积有所减小以及综合分析桥梁的雍水高度,从而计算出建桥后的各桥梁设计洪水位。
2、桥梁设计高程桥梁设计高程应为桥梁设计洪水位、桥下净空安全值、桥梁上部构造建造高度、壅水、浪高等之和,见下式:H min=H s+∑Δh+Δh j式中:H min—桥梁底最低高程(m);H s—设计水位(m);∑Δh—考虑壅水、浪高、波浪雍高、河湾超高、水拱、局部股流雍高、床面淤高、漂浮物高度等诸因素的总和(m);Δh j—桥下净空安全值;桥下净空安全值根据《公路工程水文勘测设计规范》(JTG C30- 2002)规定梁底以下应有0.5m的安全值。
∑Δh的值本报告采用桥前最大壅水高度(0.09m)加浪高及波浪雍高(经计算取0.2m)加其他因素(取0.1m)。
超高取值表表2-1桥梁名称桥前最大壅水高度(m)0.15 浪高及波浪雍高及其他因素(m)0.30桥下净空安全值(m)0.50镇江关中桥镇江关中桥的设计桥梁高程见下表:桥梁设计高程计算表表2-2超高(m)0.95 论证桥梁底最低高程(m)设计桥梁梁底最低高程(m)桥梁名称设计洪水位(m)2347.7镇江关中桥2348.65 2349.82镇江关中桥右岸的桥面设计高程2351.432m,左岸岸的桥面设计高程2351.140m,通过上表计算可以看出,镇江关中桥的桥梁设计高程大于桥面最低设计高程,完全满足五十年一遇洪水位行洪的要求。
二、桥梁冲刷计算及分析1、桥梁墩台冲刷计算及分析桥梁墩台冲刷,除河床自然演变冲刷外,还有桥孔压缩水流和墩台阻水所引起的冲刷变形。
桥长、壅水和桥下冲刷是相互影响的整体。
自然界一切物质运动都不是孤立进行的,洪水现象更是如此,对整体问题采用整体解央,无疑是更为合理的,也是发展的方向。
格曲河2号小桥资料:铺砌基础高程为4014.650,横坡1%,右侧流水汇水面积;79平方公里方法一:“青海省水文分区经验公式”法格曲河中桥桥址区控制流域面积约为F=795km2:桥位处属于“黄河上游”水文分区:Q2%=0.58×F0.76=0.58×790.76=16.1m3/sQ 4%=Q2%/1.25=16.1/1.25=12.9 m3/s桥梁二十五年一遇设计流量为Q4%=13m3/s。
方法二:形态断面法根据外业调查资料,桥址处历史洪水位3635.00,根据桥址处河槽断面及河道比降推求设计流量如下表:糙率m=40桥梁水文计算情况汇总表形态断面法反算桥位处桥梁二十五年一遇设计流量为Q4%=23m3/s。
从工程安全角度出发,最终选用形态断面法计算的设计流量14.2m3/s为本次桥梁设计的设计流量。
桥孔设计根据《公路工程水文勘测设计规范》(JTG C30-2002)要求,应根据桥位断面的设计流量和设计水位,推算桥孔的最小长度和桥面中心最低标高,为确定桥孔设计方案,提供设计依据。
桥孔长度的拟定Lj==23×10/(0.85×3.83)=4.93m,最终选用1-8m的桥梁跨径方案。
采用1-8m 跨径方案扣除桥梁墩台所占河床后桥梁净跨径=(8-2×0.5)=7m >Lj(4.93m)。
桥梁水文计算表4.3计算参数的选取情况4.3.1桥面标高的计算桥面标高依据《公路工程水文勘测设计规范》的 6.4.1-1公式(Hmin=Hs+∑△h+△hj+△h0)进行计算。
注:小桥采用河床铺砌及截水墙来抵抗冲刷,故冲刷未做计算。
,计算流量Q4%=13m3/sX形态断面法计算:小桥孔径计算按照宽丁堰理论计算:。
例谈跨河桥梁水文计算1 背景磨刀溪地处重庆万州,为长江上游下段右岸的一级支流,其地理位置介于东经180°14'~109°01'、北纬30°11'~30°56'之间。
发源于四川省石柱县武陵山北麓的杉树坪,经湖北省利川县境至万州市境的石板滩与官渡河汇合,在大滩口右岸纳入罗田河,至赶场右岸汇入龙驹河后始称磨刀溪,再经云阳县龙角镇右岸纳入泥溪河后,在新津口注入长江。
河道全长170km,流域面积3170km2,万州境内流域面积2790 km2。
据统计,流域多年平均雨量为1100~1400mm,暴雨中心多出现在石板滩以上地区,一次较大暴雨可笼罩全流域,且暴雨强度较大,最大日暴雨量可达300mm。
据万州气象站1955年1月至今的资料统计:多年平均年降水量为1207.1mm;多年平均气温为18℃,极端最高气温为42.1℃,极端最低气温为-3.7℃;多年平均风速0.7m/s,最大风速可达33.3m/s;多年平均相对湿度为81%。
在磨刀溪河段中部,有一座水库电站,参考万县(州)水库电站资料,整理各频率洪水成果如表1所示。
桥位区发育两条河流,一条名为磨刀溪,河谷呈"U",桥位区河谷平面形态呈"S"型。
勘察时河床宽63.5m左右,水面宽度约8-10m,,常年水位241.01m。
一条名为二道河,桥位区河谷呈南北走向,河床宽20.2m左右,水面宽度约1-3m,水深约0.5-2m,常年水位243.99m。
两条河均穿过冉家坝大桥,二道河作为支流汇入磨刀溪。
磨刀溪对冉家坝大桥的3至9号墩产生冲刷。
冉家坝大桥与河流交叉示意图2 设计流量推算2.1 方法一F=1854.3km2,水力坡度J=0.0092。
设计流量采用全国水文分区经验公式计算:??KFn (1)式中:F --流域面积(km2);K、n'为参数,取值由全国水文分区经验公式表查得。
一、设计洪水流量计算
1、已知资料
该桥上游流域面积2.607KM2,桥址以上干流长度2.40KM(见地形图附后),河道干流坡降0.03464,该河道上游为山区,下游则为丘陵区。
根据《水利水电工程等级划分及洪水标准》SK252-2000,该河道应按20年一遇洪水设计。
2、根据水文图集,该流域多年平均降雨量682毫米,多年平均24小时降雨量120毫米,
最大年降雨1466毫米。
流域特性参数K=L/J1/3×F2/5=2.40/0.250×1.467=6.571Cv=0.62。
3、20年一遇KP=2.24,H24均=120mm,
20年一遇H24均=120×2.24=268.8,
根据q m-H24-K曲线查得q m=14.0M3/S,
二十年一遇的最大洪峰流量Q=q m×F=14.0×2.40=33.6M3/S,
4、50年一遇KP=2.83,
50年一遇H24均=2.83×120=339.6,
Qm=23.5M3/S
五十年一遇的最大洪峰流量Q=23.5×2.40=56.4M3/S,
二、桥孔的宽度确定
按无底坎宽顶堰计算桥孔过水能力,按水深1.2米,进行计算宽度B
B=Q/1.5H3/2=33.8/1.5×1.23/2=20.0米
设计过水断面宽30-1.2×2=27.6米。
50年一遇校核水深H=[56.4÷(1.5×27.6)]2/3=1.59米。
三、冲刷计算
1、一般冲刷按以下公式计算
h p=(AQ S/UL j Ed1/6)3/5h max/h cp
式中h p桥下河槽一般冲刷后最大水深(m)
Q s设计流量为56.4m3/s
L j桥孔净长27.6m
h max计算断面下河槽的最大水深=1.8m
h cp计算断面桥下河槽的平均水深=1.2m
d河床泥砂的平均粒径d=3mm
μ压缩系数μ=0.850
E与汛期含砂量有关的参数E=0.66
A为单宽流量集中系数A=(B1/2/H)0.15=(91/2/1.2)0.15=1.15
h p=(AQ S/UL j Ed1/6)3/5h max/h cp=[1.15×56.4/(0.850×27.6×0.66×31/6)]3/5×1.8/1.2=3.17(m)
2、局部冲刷
采用公式:V=V z=Ed1/6Hp2/3=0.66×31/6×3.172/3=1.71(m/s)
V0=(h p/d)0.14[29d+0.000000605(10+h p)/d0.72]1/2=(3.17/0.003)0.14×[29×0.003+0.000000605×(10+3.17)、0.0030.72]1/2=0.78(m/s)
1
V=0.75(d/h p)0.1(V0/Kξ)=0.75×(0.003/3.17)0.1×(0.78/0.98)=0.30(m/s)
Kξ为墩型系数。
V>V0 采用h b=KξKη1B0.6(V0-1
V)(V/V0) η1
K η1= 1
1220.4 1.90.4 1.92.160.11 2.160.11 1.18633d
d ⎛⎫⎛⎫+=+= ⎪ ⎪⎝⎭⎝⎭ η1= ()0.150.150.230.2d 01
10.78V 1.67V 0.80⨯==⎛⎫
⎛⎫ ⎪ ⎪⎝⎭⎝⎭
h b =K ξK η1 0.61B V 0-10V )(V/V 0) η1 =0.98×1.186×1.20.6×(0.78-0.30) ×
(1.71/0.78)0.78=1.15(m)
总冲刷深度:h s =h p +h b =3.17+1.15=4.32m ,
墩台最低冲刷线标高:H m =H s -h s =52.8-4.32=48.48m
五、定型设计及结论
一般冲刷标高52.8-3.17=49.63m
局部冲刷标高52.8-4.32=48.48m
根据地质条件,需做桥底铺砌,上35厘米M7.5砂浆浆砌片石,下铺砌15厘米砂砾垫层以防止对基底冲刷。
根据《桥规》规定:铺砌顶应距基础底至少1m 。
综合以上计算:该桥采用正交桥,定为3空10m 钢筋混凝土现浇板桥,下部实体式桥墩、台,基础扩大基础。
桥面板长30米,宽度30米,水泥砂浆砌石桥墩,简支混凝土空心面板,共3孔,每孔至中长10米,桥面高程55.85米,河底高程53.00米,上下游采用扭坡与原河堤连接,河道边坡1.50。