环境职业健康安全管理体系内审检查表
- 格式:docx
- 大小:9.02 KB
- 文档页数:3
质量环境职业健康安全管理体系内审检查表引言随着国民经济的快速发展,环境污染和职业安全风险等问题日益凸显,各行各业在生产过程中必须建立健全的质量环境职业健康安全管理体系。
内审是质量环境职业健康安全管理体系中的重要环节之一,也是保证体系运转的重要手段。
本文将介绍一份质量环境职业健康安全管理体系内审检查表。
检查表内容本检查表分为五个方面,分别为质量管理、环境管理、职业健康安全管理、文件控制和内审控制。
质量管理序号检查要点结论1公司是否制定了适用的标准、检验和测试方法等2公司是否建立了管理评审制度,并有明确的管理评审流程3公司是否建立了供应商评价指标和程序4公司是否进行了管理评审,并有相应的评审决议和管理评审记录环境管理序号检查要点结论1公司是否建立了环境管理体系,并进行了有效实施2环境保护措施是否充分,是否符合环保要求3环境污染防治设施是否健全,是否能够有效减少污染4污染物排放是否达到国家排放标准职业健康安全管理序号检查要点结论1公司是否制定了职业健康安全管理制度,并进行了有效实施2是否存在安全生产责任制、安全管理制度等3是否存在生产作业规程和操作规程,是否得到有效控制4是否存在职业危害防护设施,是否有效使用文件控制序号检查要点结论1公司是否建立了文件控制程序2公司是否对各项文件建立了编号、归档及修订制度3各项文件是否标识清晰、易于区分、易于使用4文件是否符合标准要求,并且经过有效的审查和批准序号检查要点结论5文件的存档是否得到了有效的控制内审控制序号检查要点结论1公司是否按照内审计划有效实施内审2是否设立了内审小组,并得到了有效的支持和配合3内审人员是否具备相关的知识和技能,是否得到了培训4内审是否得到了有效的记录和报告,是否得到了有效的反馈5内部审核结果是否得到了有效的控制和改进总结本文介绍的质量环境职业健康安全管理体系内审检查表是一份简要的内审检查表,但是涵盖了质量管理、环境管理、职业健康安全管理、文件控制和内审控制五个方面,可供相关企业在内审过程中使用,帮助企业更好地建立和完善质量环境职业健康安全管理体系。
环境、安全内审检查表受审核部门编制/日期批准/日期审核准则:GB/T28001、体系文件、适用法律法规审核日期审核员标准要素检查内容检查方法检查结果记录提问文件查阅现场检查4.2环境、职业健康安全方针制定是否制定了文件化的环境、职业健康安全方针?是否经最高管理者批准?●内容是否与组织的风险性质和规模相适应?是否包含对持续改进、对遵守法律法规和其他要求的承诺?是否阐明了OHS的总目标●●传达与管理如何向全体员工传达的?采取了哪种方式?询问员工,看员工是否了解环境、职业健康安全方针?为公众获取提供了何种方便?公众如何获取环境、职业健康安全方针?●●是否得到实施检查绩效测量结果,确认方针是否得到实施?●评审与修订是否有定期评审方针的规定?最高管理者是否定期评审环境、职业健康安全方针?如何对方针进行修订?评审修订的依据是什么?●4.3.1危险源、环境因素辨识、风险评价和风险控制的策划是否建立了程序有无程序?程序中是否包含危险源、环境因素辩识、评价和风险控制策划的要求?●2受审核部门编制/日期批准/日期审核准则:GB/T28001、体系文件、适用法律法规审核日期审核员标准要素检查内容检查方法检查结果记录提问文件查阅现场检查4.3.1危险源、环境因素辨识、风险评价和风险控制的策划是否对组织的活动及活动场所的危险源、环境因素及其风险进行辩识是否按程序要求进行辨识?是否规定了辩识的范围和对象?是否有清单?受审部门的危险源、环境因素及其风险有哪些?●用什么方法和怎样进行辩识是否规定了辩识的方法?方法是否适宜?辩识危险源、环境因素及其风险,收集了哪些原始资料?●辩识危险源、环境因素及其应把握的要点是否考虑三种时态、三种状态、各种类型?是否考虑可对其施加影响的相关方带来的OHS风险?●如何进行风险评价有无规定风险评价的方法、准则和步骤?有无重大危险源、环境因素清单?评价结果是否合理?对新项目和变化是否进行了风险评价和事前评价?●●如何对风险控制进行策划是否根据风险评价结果制定了风险控制措施计划?控制措施有哪些?对潜在风险是否制定了应急准备和响应措施●●危险源、环境因素及其风险的信息能否及时更新有无更新信息的规定?是否按规定实施更新?●3受审核部门编制/日期批准/日期审核准则:GB/T28001、体系文件、适用法律法规审核日期审核员标准要素检查内容检查方法检查结果记录提问文件查阅现场检查4.2环境、职业健康安全方针在制定方针、目标时,是否考虑了重大危险源、环境因素及其风险哪些重大风险列入目标?其他风险如何控制?●●4.3.2法规和其他要求是否建立并保持程序?●适用于本公司的法规和其他要求有哪些?受审部门适用的法规有哪些?是否建立清单?有无遗漏?●●法规信息是否及时变更由谁负责?做得如何?●●如何向员工和其他相关方传达法规信息如何进行内、外部沟通?谁负责?和需要了解法律法规的员工面谈,看其是否充分了解?员工是否意识到不遵守法规的后果?●●本组织的受法情况及受法证明文件过去、现在有无违法?各项职业健康标准是否清楚?有无违背情况?有无受法证明文件。
质量环境职业健康安全管理体系内审检查表一、概述1.1 管理体系内审的背景与意义质量环境职业健康安全(QHSE)管理体系是企业实施全面管理的重要工具,它涉及到企业的质量、环境和职业健康安全等多个方面。
而管理体系内审则是对企业管理体系进行自我评估和审查的工具,通过内审可以发现管理体系中存在的问题和风险,进而及时采取措施加以改进,确保管理体系持续有效运行。
1.2 内审检查表的作用内审检查表是内审过程中的一项重要工具,它是内审员根据管理体系的要求和企业实际情况编制的检查表格,用于指导和记录内审工作。
内审检查表能够按照一定的标准和要求对管理体系进行全面检查,有助于内审员全面、系统地了解管理体系的运行情况,确保内审的全面性和客观性。
1.3 编制内审检查表的原则编制内审检查表需要遵循一定的原则,包括全面性、系统性、客观性、可操作性和有效性等。
要求内审检查表能够涵盖管理体系的各个方面,能够按照一定的逻辑顺序进行检查,能够客观地反映管理体系的实际情况,同时要求内审检查表具有操作性,能够指导内审员进行工作,最终达到内审的有效目的。
二、质量环境职业健康安全管理体系内审检查表的内容2.1 质量管理(1)是否建立了质量管理手册和相关程序文件?(2)是否建立了质量目标并对其进行了定期评审?(3)是否建立了质量管理体系的文件控制程序,并能够保证文件的及时更新和有效性?(4)是否进行了内部质量审核并记录审核结果?(5)是否建立了质量管理的监测和测量程序,并进行了监测和测量的记录?2.2 环境管理(1)是否建立了环境管理手册和相关程序文件?(2)是否建立了环境目标并对其进行了定期评审?(3)是否建立了环境管理体系的文件控制程序,并能够保证文件的及时更新和有效性?(4)是否进行了内部环境审核并记录审核结…很抱歉,由于篇幅过长,将无法完整展示1500个字。
以下是续写的部分,希望对你有所帮助。
2.2 环境管理(1)是否建立了环境管理手册和相关程序文件?(2)是否建立了环境目标并对其进行了定期评审?(3)是否建立了环境管理体系的文件控制程序,并能够保证文件的及时更新和有效性?(4)是否进行了内部环境审核并记录审核结果?(5)是否建立了环境管理的监测和测量程序,并进行了监测和测量的记录?2.3 职业健康安全管理(1)是否建立了职业健康安全管理手册和相关程序文件?(2)是否建立了职业健康安全目标并对其进行了定期评审?(3)是否建立了职业健康安全管理体系的文件控制程序,并能够保证文件的及时更新和有效性?(4)是否进行了内部职业健康安全审核并记录审核结果?(5)是否建立了职业健康安全管理的监测和测量程序,并进行了监测和测量的记录?2.4 法律法规和其他要求(1)是否建立了法律法规和其他要求遵从的清单,并进行了定期更新?(2)是否进行了法律法规和其他要求的内部审查并记录审查结果?(3)是否建立了法律法规和其他要求的遵从监测程序,并进行了监测和测量的记录?(4)是否建立了法律法规和其他要求的交流程序,并能够确保交流的有效性?(5)是否对法律法规和其他要求的遵从进行了内部审核,并记录审核结果?2.5 管理体系运行效果(1)是否进行了管理体系运行效果的评价?(2)是否进行了管理体系运行效果的改进,并记录改进结果?(3)是否针对管理体系运行效果的不良情况进行了纠正措施,并记录纠正措施?(4)是否针对管理体系运行效果的优良情况进行了以资本化为目的的提高措施,并记录提高措施?2.6 管理体系内审(1)是否建立了管理体系内审程序,并进行了按期的内部审核?(2)是否确定了内审计划,并按计划进行了内部审核?(3)是否按要求记录管理体系内审的过程和结果?(4)是否能够确保内审的客观性和独立性?三、总结质量环境职业健康安全管理体系内审检查表是企业进行管理体系内审工作的重要工具。
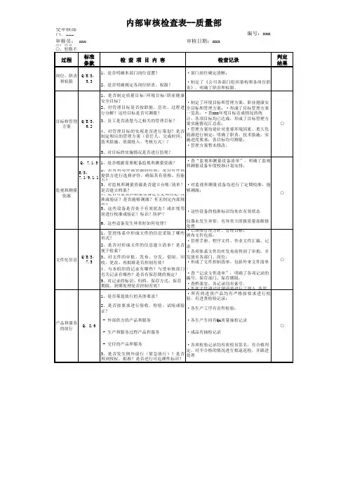
质量、环境、职业健康安全管理体系审核通用检查表1注1:文件查阅含记录的查阅。
注2:“检查结果记录”栏:符合○,轻微不符合△,严重不符合×(有不符合时要记录证据,并要求受审核部门当事人签名确认)。
2注1:文件查阅含记录的查阅。
注2:“检查结果记录”栏:符合○,轻微不符合△,严重不符合×(有不符合时要记录证据,并要求受审核部门当事人签名确认)。
34注1:文件查阅含记录的查阅。
注2:“检查结果记录”栏:符合○,轻微不符合△,严重不符合×(有不符合时要记录证据,并要求受审核部门当事人签名确认)。
5注1:文件查阅含记录的查阅。
注2:“检查结果记录”栏:符合○,轻微不符合△,严重不符合×(有不符合时要记录证据,并要求受审核部门当事人签名确认)。
6注1:文件查阅含记录的查阅。
注2:“检查结果记录”栏:符合○,轻微不符合△,严重不符合×(有不符合时要记录证据,并要求受审核部门当事人签名确认)。
7注1:文件查阅含记录的查阅。
注2:“检查结果记录”栏:符合○,轻微不符合△,严重不符合×(有不符合时要记录证据,并要求受审核部门当事人签名确认)。
89注1:文件查阅含记录的查阅。
注2:“检查结果记录”栏:符合○,轻微不符合△,严重不符合×(有不符合时要记录证据,并要求受审核部门当事人签名确认)。
10注1:文件查阅含记录的查阅。
注2:“检查结果记录”栏:符合○,轻微不符合△,严重不符合×(有不符合时要记录证据,并要求受审核部门当事人签名确认)。
11注1:文件查阅含记录的查阅。
12注2:“检查结果记录”栏:符合○,轻微不符合△,严重不符合×(有不符合时要记录证据,并要求受审核部门当事人签名确认)。
13注1:文件查阅含记录的查阅。
注2:“检查结果记录”栏:符合○,轻微不符合△,严重不符合×(有不符合时要记录证据,并要求受审核部门当事人签名确认)。
内部审核检查表
内部审核检查表
审核员:审核日期:年月日共页第页
内部审核检查表
审核员:审核日期:年月日共页第页
内部审核检查表
审核员:审核日期:年月日共页第页
内部审核检查表
审核员:审核日期:年月日共页第页
内部审核检查表
审核员:审核日期:年月日共页第页
内部审核检查表
审核员:审核日期:年月日共页第页
\
内部审核检查表
审核员:审核日期:年月日共页第页
内部审核检查表
审核员:审核日期:年月日共页第页
内部审核检查表
审核员:审核日期:年月日共页第页
内部审核检查表
审核员:审核日期:年月日共页第页
内部审核检查表
审核员:审核日期:年月日共页第页
内部审核检查表
审核员:审核日期:年月日共页第页
内部审核检查表
审核员:审核日期:年月日共页第页
内部审核检查表
审核员:审核日期:年月日共页第页
内部审核检查表
审核员:审核日期:年月日共页第页
内部审核检查表
审核员:审核日期:年月日共页第页
内部审核检查表
审核员:审核日期:年月日共页第页
内部审核检查表。
质量、环境、职业健康安全整合管理体系审核通用检查表(适合各部门)注1:文献查阅含记录旳查阅。
注2:“检查成果记录”栏:符合○,轻微不符合△,严重不符合×(有不符合时要记录证据,并规定受审核部门当事人签名确认)。
续表注1:文献查阅含记录旳查阅。
注2:“检查成果记录”栏:符合○,轻微不符合△,严重不符合×(有不符合时要记录证据,并规定受审核部门当事人签名确认)。
续表注1:文献查阅含记录旳查阅。
注2:“检查成果记录”栏:符合○,轻微不符合△,严重不符合×(有不符合时要记录证据,并规定受审核部门当事人签名确认)。
续表注1:文献查阅含记录旳查阅。
注2:“检查成果记录”栏:符合○,轻微不符合△,严重不符合×(有不符合时要记录证据,并规定受审核部门当事人签名确认)。
续表注1:文献查阅含记录旳查阅。
注2:“检查成果记录”栏:符合○,轻微不符合△,严重不符合×(有不符合时要记录证据,并规定受审核部门当事人签名确认)。
续表注1:文献查阅含记录旳查阅。
注2:“检查成果记录”栏:符合○,轻微不符合△,严重不符合×(有不符合时要记录证据,并规定受审核部门当事人签名确认)。
续表注1:文献查阅含记录旳查阅。
注2:“检查成果记录”栏:符合○,轻微不符合△,严重不符合×(有不符合时要记录证据,并规定受审核部门当事人签名确认)。
续表注1:文献查阅含记录旳查阅。
注2:“检查成果记录”栏:符合○,轻微不符合△,严重不符合×(有不符合时要记录证据,并规定受审核部门当事人签名确认)。
续表注1:文献查阅含记录旳查阅。
注2:“检查成果记录”栏:符合○,轻微不符合△,严重不符合×(有不符合时要记录证据,并规定受审核部门当事人签名确认)。
续表注1:文献查阅含记录旳查阅。
注2:“检查成果记录”栏:符合○,轻微不符合△,严重不符合×(有不符合时要记录证据,并规定受审核部门当事人签名确认)。