质量部绩效考核制度
- 格式:doc
- 大小:35.00 KB
- 文档页数:5
质量部门绩效考核方案背景在企业中,质量部门绩效考核是一项非常重要的工作。
通过质量部门绩效考核,可以有效地评估质量部门的绩效,提高质量部门的工作效率和质量水平,进而提高整个企业的绩效。
因此,制定一套科学合理的质量部门绩效考核方案,对企业的发展非常有益。
目的本文旨在制定一套科学合理的质量部门绩效考核方案,以提高质量部门的工作效率和质量水平,进而提高整个企业的绩效。
考核指标质量部门绩效考核的指标应该全面、科学、合理,与企业的发展目标和战略相一致。
以下是建议的考核指标:1.质量目标完成情况包括年度质量目标完成情况、产品质量检验合格率、客户满意度、投诉率等。
2.质量管理工作完成情况指质量管理体系的运行情况以及日常质量管理工作的开展情况、质量管理措施的有效性等。
3.质量创新与改进指质量方面的创新和改进,如新产品的开发、技术改进、质量成本降低等。
4.质量培训和人员素质提升指质量人员培训情况以及人员素质的提升情况。
考核方法1.权重分配以上考核指标应根据其重要性和企业目标的需要,适当分配权重。
2.指标得分根据考核指标的达成情况,给出相应的得分。
3.总体评价将以上得分相加,得到绩效考核得分。
根据得分的高低,对质量部门进行总体评价。
考核周期质量部门绩效考核一般以年度为周期。
在每个考核周期结束后,应当对本周期的绩效考核进行总结和反思,以不断完善质量部门的绩效考核方案。
结语一个科学合理的质量部门绩效考核方案不仅能够提高质量部门的工作效率和质量水平,还能够对整个企业的绩效产生积极的影响。
本文提出的考核指标和考核方法可以供企业参考,但具体实施还需根据企业的实际情况进行调整和完善。
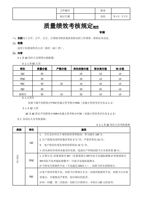
质量绩效考核规定制作审核一、目的为了公开、公平、公正、合理地考核质量部各职员的工作绩效,特制定本办法。
二、范围适用于质量部所有人员(除经(副)理)。
三、内容3.1各QC岗位人员绩效分值配置:3.1.2班长直接下属平均绩效分*70%+直属主管考核分*30%(直属主管的考评分见3.2.2)3.1.3QC主管QC及QC班长平均绩效分*30%+直属主管考核分*70%(直属主管的考评分见3.2.3)3.2各岗位人员考核基准:3.2.3组长考核基准:3.2.4QE考核标准:3.2.5DCC人员考核标准:3.3绩效考核每天考核,每月算平均分。
3.4以上考核标准,如与公司内部公告有冲突,依最新内部公告执行3.5请假规定:3.5.1国定假(婚假/丧假/三八妇女节/五一劳动节/春节/国庆节/哺乳假)和年休假绩效核算时不算在总天数内,即:本月的绩效总分三实际出勤天数。
3.5.2病假/婚假/丧假(不包含国定的婚假和丧假,但要有证明,否则作事假处理),绩效核算时要算在总天数内,即:本月绩效总分三(实际出勤天数+病假/婚假/丧假天数)。
3.5.3事假扣3分/天,绩效考核时要算在总天数内,即:本月的绩效总分三(实际出勤天数+事假天数)。
3.6试用期员工的绩效核算:3.6.1试用期内的员工当月没有绩效奖金,试用期满合格录用后方可领取绩效奖金,如有跨月的新进员工,例如:张三于4月16日进厂,试用期满为5月16日,即5月17日开始就可领取绩效金,本月具体考核方法为:5月17日(含)后的绩效总分三本月总天数。
3.7绩效奖金的发放:3.7.1每月绩效得分低于70分以下,不予发放绩效奖金。
3.7.2奖罚规定:3.7.2.1各QC能及时发现批量性重大异常,挽回公司损失者奖励20分/次。
3.7.2.2能主动帮助新进员工,协助他人完成任务者奖励10分/次。
3.7.2.3针对质量异常问题,能够提案改善者奖励30分/次。
3.7.2.4每月评出QC前三名绩效得分者,分别给予200元,100元,50元的奖励。
考核管理制度1。
目的:激励技术质量部全体人员,实现品质和强化管理;为员工晋级、晋职、评选先进、培训、聘用、评审等考核工作提供客观公正的、科学的考核依据;体现为员工创造机会的企业宗旨.2.原则:绩效考核工作遵循“科学、公平、公正、公开”的原则.考核以逐级考核原则进行,不高民主评议。
对考核结果员工可以向考核者或上一级申请复核。
3。
考核范围:管理人员、业务人员以及技术人员等.4.绩效考核实施细则编制: 审核:批准:5。
考核办法:依据公司有关规章制度,对每位员工所在岗位的素质态度、知识能力和业绩情况等进行考核。
考核基础分为80分,其中业绩占60分,素质态度10分,知识能力10分。
以绩效考核实施细则为考核依据,先有员工自己对每一季度的工作进行小结及自评。
然后,由直接上级根据该员工的综合情况,对其进行综合评议。
自评和上级综合评议都是在素质态度,知识能力和业绩的基础分上进行相应的加减,并以具体分数的形式填写在《员工绩效考核评分表》上,直接上级对下级安排的工作需记入《员工季度工作情况记录表》。
根据各位员工的考核得分情况,分为优良(A),称职(B),基本称职(C)和不称职(D)四个等级.其中(A≥90, 80≤B≤90, 70≤C≤80,D<70)。
各员工的最终绩效考核结果以A、B、C、D形式填写在《员工绩效考核评分表》和“评议结果”栏内.附件:员工绩效考核评分表姓名:员工季度绩效考核记录表(月)员工季度工作情况记录表(月)6。
考核结果及处置:每季底考核以当季度25日前员工将自评报告上报给部门主管。
部门主管在本季度末将考核结果公布并上报给主管副总.本部员工季度绩效考核排名前几名的,为推荐申报公司的先进个人的评选资格.员工本季度效益奖金收放同月度绩效考核结果直接挂钩。
员工的升职及其它升迁机会,原则上从季度、年度考核为“优良"的员工中选拔。
而末尾淘汰的员工将从季度绩效考核为“不称职”的员工中进行淘汰。
质检部绩效考核制度质检部门的绩效考核制度是对质检人员进行绩效评估和奖惩的一套规范和程序。
该制度的目的是激励员工积极工作,提高质检工作的效率和质量。
下面我将详细介绍质检部绩效考核制度的内容和运作。
一、考核目标和指标1.工作质量:包括质检工作的准确性、全面性、规范性和及时性等。
2.工作效率:包括工作完成的速度、办事能力和执行力等。
3.问题解决能力:包括处理质量问题的能力和解决问题的方法。
4.团队合作:包括与团队成员的配合和支持、共同完成任务等。
以上是一些常用的指标,根据具体情况,可以根据实际情况进行细化和调整。
二、考核流程1.定期评估:每个月或每个季度,质检部门根据绩效考核指标对质检人员进行绩效评估。
在评估前,需要明确评估的依据和标准,并通知员工绩效考核的时间和流程。
2.考核评分:针对每个指标,质检人员会得到一个相应的分数。
分数可以根据工作情况和绩效表现进行评定。
评分通常采用百分制,也可以根据需求进行设置。
3.绩效报告:质检部门会根据绩效考核结果,编制每个员工的绩效报告。
该报告包括每个指标的得分和评估意见,用于员工和管理层之间的沟通交流。
4.奖惩措施:根据绩效考核结果,质检部门会采取相应的奖惩措施。
表现优秀的员工会得到奖励和表彰,如加薪、奖金或晋升;表现不佳的员工会接受培训或处罚,如降薪、降职或解雇。
三、考核依据和权威性1.考核依据:质检部绩效考核的主要依据是员工的工作表现、完成的任务和达到的目标。
同时,考核也可以参考其他相关部门的评估和意见。
2.考核权威性:质检部门的绩效考核制度应该得到管理层的认可和支持,并建立一个公平公正、透明的考核机制。
考核的标准和程序要明确,并进行公示和解释,以确保考核的权威性和有效性。
四、考核结果的运用和改进1.培训和提升:针对不足的地方,质检部门可以开展培训和提升计划,提高员工的职业素质和工作能力。
2.测评标准优化:根据实际情况和员工的反馈,质检部门可以不断完善和优化考核指标和标准,使其更贴近实际工作,更具操作性。
质量部QC绩效考核制度质量控制(Quality Control,简称QC)是指为了使产品或服务达到一定的质量标准而采取的各种控制措施。
质量控制部(QC部)负责制定、执行和监督企业的质量控制标准,并对质量进行检测和评估。
为了促进QC部的工作有效性和员工的工作积极性,建立一套科学严谨的QC绩效考核制度是非常重要的。
本文将详细介绍一套适用于质量部QC绩效考核的制度。
一、考核指标体系1.效率指标(1)质量检测合格率:衡量QC部门在质量检测方面的能力和水平。
(2)问题解决速度:衡量QC部门处理质量问题的速度和效率。
(3)质量问题的发生率:衡量QC部门的工作质量,通过控制质量问题的发生率来提升产品和服务的质量。
2.质量指标(1)质量改进计划的执行情况:衡量QC部门制定和执行的质量改进计划的效果。
(2)质量管理体系运行情况:衡量QC部门负责的质量管理体系运行情况,包括文件的更新和人员的培训。
3.团队合作指标(1)团队协作能力:衡量QC部门内部团队成员的协作能力和团队精神。
(2)部门间协调能力:衡量QC部门与其他部门之间的协调和配合能力。
二、考核方法1.定期考核每个季度对QC部门进行一次绩效考核,由部门负责人和相关部门领导参与评估。
2.考核内容(1)定量指标:根据上述考核指标体系,通过数据分析和质量报告评估QC部门的表现。
(2)定性指标:通过面谈、问卷调查和员工反馈等方式,评估QC部门的团队合作能力和个人素质。
3.考核评分(1)根据各项指标的权重,给出相应的评分。
(2)根据评分计算绩效得分。
三、激励机制1.绩效奖金根据绩效得分,设立相应的绩效奖金,激励QC部门成员的积极性和工作的投入度。
2.荣誉称号对于表现突出的QC部门成员,给予相应的荣誉称号和奖励,鼓励他们在工作中不断创新和提升。
3.职业发展机会优秀的QC部门成员有机会参加培训、学术会议和学术交流活动,提升他们的专业能力和知识水平。
四、改进措施1.定期回顾和评估绩效考核制度的有效性,根据实际情况进行调整和改进。
质量管控员工绩效考核制度绩效管理是企业通过一定的方法和制度确保企业对其子系统(部门,流程,工作团队和员工个人)的绩效成果能够与企业的战略目标保持一致,并促进企业战略目标实现的过程,下面是由作者给大家带来的质量管控员工绩效考核制度5篇,让我们一起来看看!质量管控员工绩效考核制度篇1一、目的为充分调动制造部员工工作进取性,提高劳动生产效率,建立起以岗位为基础,以工作绩效考核为核心的正向激励机制,把员工的薪酬与岗位职责、工作绩效密切结合起来,实现薪酬管理与分配的制度化,规范化。
二、适用范围适用于各制造部副经理以下所有从事非计件制及计件制工作的员工。
三、员工薪资构成及分配办法根据公司《员工薪资定级标准与考核原则》相关规定,本部门员工薪资由职级工资、工龄工资、点工工资及各项福利补(津)贴三部分构成,其中,职级工资包括“基本工资”和“考核工资”两部分。
1.职级工资由各制造部制定内部员工薪资定级评价指标体系,结合岗位关键度、个人工作本事等考量因素,参照《员工薪资定级标准与考核原则》之2.10《各制造部岗位、职级及薪资范围表》确定。
1.1基本工资该部分以职级工资总额的50%为限。
作为保障员工基本生活之部分,只与当月员工个人出勤状况相挂钩。
1.2考核工资以各制造部岗位性质不一样,该考核工资细分为非计件制考核工资和计件制考核工资两大类,该部分不以职级工资总额的50%为限。
各制造部自行制定部门内考核实施细则。
1.2.1非计件制考核工资原则上非计件制工作岗位应依据岗位标准设立周严性关键业绩指标予以考核。
1.2.2计件制考核工资(1)计件制岗位应在完成劳动定额基础上实施产量计件制考核。
(2)公司根据各制造部当月交库计件产品的制造工资成本对各制造部计件工资进行总额控制,并于每月底汇总当月各制造部计件工资总额。
酒类资料对由于各工序计件产量与各制造部交库产量不一致造成的当月各制造部计件工资总额与应发计件工资总额不一致的情形,根据实际情景放在次月调剂。
质量部绩效考核制度第一部分:岗位职责1. 检查员组长职责1.1负责现场检验(进厂原材料、半成品、成品)的工作的组织与协调;1.2负责本工序检查员的岗位管理与考勤工作;1.3负责检查员的岗位培训工作;1.4督促检查员及时、有效地检验,认真、准确地填写质量报表;1.5负责检查员的测量工具和试验设备的有效性监督;1.6负责质量日报的整理收集与传达工作;1.7参与纠正预防措施小组工作;1.8负责不合格品的跟踪与控制;1.9负责本工段的检验标识的制作与保持工作;1.10及时、准确的向部门领导传递检验工作和出现的问题;1.11负责本工序各种工作材料的计划,领用与管理;1.12配合质量工程师与其他检查员组长的工作。
2. 检查员职责2.1严格按检验标准对进货,过程和最终产品进行检验和试验工作;2.2监督本工序的工艺执行情况;2.3不合格品的控制工作;2.4质量状况的统计,初步分析,总结工作;2.5质量信息的收集与传递工作;2.6纠正、预防措施的跟踪验证工作;2.7质量记录的填写,保存工作。
3. 职责详细要求和工作流程按《质量部岗位细则》执行第二部分:工作要点1. 质量控制1.1 熟悉并掌握本岗位检验指导书要求内容,严格按照半成品检验指导书进行质量控制, 并监督工艺执行情况;1.2 依据检验工艺(包括书面检验工艺、样件、计算机模板等)对产品进行及时、准确的首检、巡检、终检;1.5质量记录和报表,要及时、准确;记录不允许涂改,如涂改需签字或盖章。
如果没有合适的记录本及时申请,并以自制表格记录;1.6检查员对于本工序出现质量问题及其他异常时,要及时向组长、质量工程师、工艺员汇报,并以信息反馈单的形式记录事情经过,要求字迹清晰,叙述简洁明了,记录真实准确,必要时可要求工序负责人或当事人签字确认,严禁隐瞒不报。
组长应及时将信息反馈单传递至质量部长,并能详细叙述清楚信息反馈单的描述情况;1.7检查员组长能在相关部门、人员的配合下做好质量问题的追溯工作。
公司质量管理部门员工绩效考核管理规定(范文)公司质量管理部门员工绩效考核管理规定一、目的:为了不断提高产品质量,强化公司全体员工质量意识,要求“人人具有质量意识,个个参与质量管理”,调动员工的工作积极性,明确产品质量的责任。
按“谁生产,谁负责”、“谁检验,谁负责”的原则。
实行每日绩效考核,让你的工作一目了然,有据可依、有章可循。
特制订本管理规定。
二、考核范围和考核人:1、目检员工2、质检(QC)3、车间主任和副主任、组长4.、质量管理部门员工的绩效考核由质量部长(主管)、厂长、生产部长共同考核。
三、考核方法:1、绩效考核直接与工资挂钩。
2、每位员工当天的考核基数,不得超出考核标准值,直到扣完为止。
(行政处罚除外)3、按指定的考核内容的各项分值,合计计算出当天的总分值,可算出当天的考核金额。
4、考核人在下班前十分钟,必须完整填好被考核人的考核内容和分值。
5、现场员工、目检员工、车间主任、副主任、组长、厂长、生产部长等参与双向考核,即拿出当月绩效工资的40%参与质量考核(60%参与现场考核)。
质检员工、质检、质量主管、质量部长,拿当月绩效工资的60%参与质量考核,即,质量绩效部分总额除以当月的实际上班时间(上班天数)得出每天的考核基数。
例如:当月绩效工资600元员工,质检的质量绩效为360元,现场考核240元。
那么质量考核每个上班工作日拿出8元作为一天的质检质量考核标准。
其余的360元作为现场考核的部分。
7、员工的考核的结果报表由公司文员半个月计算一次并收集整理保存、入档。
四、考核细则(质检质量现场):1、机台生产出的产品通过质检检验不合格,质检提示车间主任或者副主任、组长,在5分钟内未进行处理、调整,或者敷衍了事(该清洗模具的、该调整模具等),仍为解决实际问题的、置之不理、拖延时间一次扣1分。
2、新产品或者更换模具调试阶段产品(有油污、破损、黑点、异常、没有吹起来、变形等),没有区别分开,流入到半成品检验区,车间主任(副主任、组长)一次扣1分,目检人员扣2分。
质量部员工绩效考核制度企业对员工进行绩效考核是企业对员工的提薪、晋升和简历供应的客观依据,对员工的各方面进行评估。
下面是由我给大家带来的质量部员工绩效考核制度5篇,让我们一起来看看!质量部员工绩效考核制度篇1一、考评原则:公开、公正、公正。
二、考评流程:每月5日进行。
各部门员工由部门经理负责考评,部门经理由主管副总经理负责考评,副总经理以上人员由总经理负责考评。
三、考评方法:按考评5项内容计分,95分以上为优,94~80为良,79~60为中,60分以下为差。
四、奖惩条例:1、嘉奖:凡符合以下条例之一者,公司将酌情赐予嘉奖;⑴季平均考评分值在95分以上者;⑵工作业绩突出,对公司业务有重大贡献者;⑶工作乐观主动、团结互助,受到好评者;⑷对工程项目存在的隐患或不合理准时实行措施,避开经济损失者;⑸对公司进展提出合理化建议,并有肯定经济效益者;⑹合理掌握各项费用支出,防止“跑、冒、滴、漏”,有显著成果者;⑺爱护公司财产(设备、资金、资料、声誉等),见义勇为者。
嘉奖方法分为:口头表扬、书面表扬、经济嘉奖。
2、惩罚条例:消失以下状况,由部门经理上报主管领导,酌情处理;⑴季平均考评分低于80分,每低一分扣季度奖金额德一个百分点(即季度奖金额÷100)季平均考评分低于60分,调岗或解聘;⑵无故迟到一次扣发当月工资5元,二次扣发当月工资10元,累计迟到三次按旷工半天计;无故早退一次扣发当月工资10元,二次扣发当月工资20元,累计早退三次按旷工半天计;旷工半天扣发一天工资,旷工一天扣发三天工资,旷工三天或累计三天,予以除名。
⑶对外不遵纪守法、对内不遵守公司的各项规章制度;⑷制造事端、破坏团结、不听从合理的工作支配;⑸工作中不顾及公司声誉,言行恶劣,给公司造成损失;⑹私自或指使他人涂改、销毁、伪造原始凭证或资料,影响公司利益;⑺私留公司各类资料不交或向外界泄漏公司机密并给公司造成损失;⑻因工作渎职造成公司财产、经济损失并造成极坏影响。
工程质量部绩效考核方案背景工程质量部是企业工作中至关重要的部门,工程质量直接影响企业的声誉和利益。
因此,为了进一步提高工程质量部门的工作效率、优化绩效考核,制定了本方案。
目的和意义本方案的目的是为了激励工程质量部全员积极进取,不断提升工作质量和效率,达到以下几个方面的意义:1.建立科学的绩效考核体系,为工程质量部门员工提供明确的绩效考核指标,做到实事求是,公正公开,激发员工的积极性和工作热情,提高工程质量部门的绩效水平。
2.加强企业文化建设,推行卓越绩效的理念,在工程质量部内部形成良好的竞争氛围,促进部门之间的交流和合作精神,提高团队协作效率,推进企业创新和发展。
3.将绩效考核结果与薪酬、晋升和培训挂钩,形成有机衔接的工作流程。
绩效考核指标1. 工作效率指标•项目完成进度:完成项目的进度比例;•项目结项质量:结项报告是否符合规范要求;•专项工作计划:按照工作计划执行情况;•工作质量:工作成果的规范和质量。
2. 协作精神指标•与其他部门间的沟通协作能力:与其他部门员工沟通协作的能力;•团队合作精神:团队精神的体现;•具备分享和交流经验的能力:能否将工作经验和成果分享和交流。
3. 经验能力指标•工作经验积累:从中总结经验,提出有建设性的意见;•工作独立能力:具有独立工作的能力;•创新能力:创新意识和积极性。
4. 管理能力指标•工作质量控制能力:对工作流程的控制能力;•工作计划组织实施能力:组织实施工作计划的能力;•人员管理能力:对下属员工的管理协调能力。
绩效考核期间和权重绩效考核期间为一年,按年度绩效考核使用。
考核结果进行综合测评,依据职级系数、绩效系数以及绩效奖金计算标准进行奖励。
评价指标权重:工作效率指标(40%)、协作精神指标(20%)、经验能力指标(20%)和管理能力指标(20%)。
确定绩效考核结果的分级标准本方案绩效考核的分级标准如下(满分为100分):•优秀:80分及以上;•良好:70-79分;•一般:60-69分;•较差:60分以下。
第一章总则第一条为确保公司产品质量安全,提高员工质量安全意识,激励员工积极履行质量安全职责,特制定本制度。
第二条本制度适用于公司全体员工,包括但不限于生产、质量、技术、采购、销售等相关部门。
第二章考核原则第三条考核遵循公平、公正、公开的原则,以实际工作表现和结果为导向。
第四条考核内容应全面覆盖员工在质量安全工作中的职责和行为。
第三章考核内容第五条质量安全意识与培训:1. 员工对质量安全法律法规、公司质量安全制度的了解程度。
2. 员工参加质量安全培训的积极性及培训效果。
第六条生产过程管理:1. 生产过程中遵守操作规程的情况。
2. 生产过程中的质量检测、检验记录的准确性、完整性。
3. 对生产过程中发现的质量问题及时报告和处理的情况。
第七条质量监控与改进:1. 质量监控工作的执行情况,包括定期检查、抽样检验等。
2. 对质量问题分析、改进措施的制定和实施情况。
3. 对不合格品的处理和纠正措施的执行情况。
第八条供应链管理:1. 供应商质量管理体系审核的执行情况。
2. 采购物料的质量检验和验收情况。
3. 对供应商的质量改进措施的跟踪和评价。
第九条客户反馈与投诉处理:1. 对客户反馈和投诉的及时响应和处理情况。
2. 对客户投诉原因分析及改进措施的制定和实施情况。
第四章考核方法第十条考核采取定量与定性相结合的方式。
第十一条定量考核:1. 根据工作职责,设定具体考核指标和权重。
2. 指标数据来源于生产记录、质量检测报告、客户反馈等。
第十二条定性考核:1. 由直接上级或相关部门对员工的质量安全行为进行评价。
2. 评价内容主要包括工作态度、责任心、团队合作等。
第五章考核结果与应用第十三条考核结果分为优秀、良好、合格、不合格四个等级。
第十四条对考核结果为优秀和良好的员工,给予一定的物质和精神奖励。
第十五条对考核结果为不合格的员工,进行约谈、培训或调整工作岗位。
第六章附则第十六条本制度由公司质量安全管理部门负责解释。
第十七条本制度自发布之日起实施。
质量部检验员绩效考核方案LEKIBM standardization office【IBM5AB- LEKIBMK08- LEKIBM2C】一.目的:为提高质量部各岗位人员的责任心和质量意识,确保各岗位人员严格按照工艺流程作业,减少人为因素造成的质量损失,激发其参与公司品质改善活动,特对质量部内部员工实施绩效考核,并制定此绩效考核办法。
二、核算办法绩效奖=基数*绩效总分=100分绩效基数=可针对岗位不同,绩效基数也不同,视劳动强度决定三、职责:进货检(IQC)3.1.1 及时性进货检验员工不能及时进行入库检验,导致相关工作延误一次扣除绩效5分;(共计10分)3.1.2 有效性检验员检验合格的物料在生产中出现异常(异常批次百分率大于5%)一次扣除绩效10分(特采除外);(共计40分)3.1.3 专业性对原材料检验规范不熟悉,检验项目不明确未按公司资源可行条件进行全面检验的一次扣除绩效5分;(共计10分)3.1.4 责任心质量记录不健全或发现异常物料未通知和监督仓库进行隔离一次扣除绩效5分;(共计20分)3.1.5 持续改进对已经发现问题的物料未书面向供方提交投诉跟踪改善措施和效果验证的一次扣除绩效5分;(共计10分)3.1.6 团队凝聚力文明素养、心态积极、团结同事、能遵守公司规章规制服从领导安排;10分制程控制(IPQC)指产品从物料投入生产到品质最终包装过程的品质控制3.2.1 及时性检验员未按公司规定定时定量对进程进行巡检、擅自离岗,一次扣除绩效5分;(共计10分);3.2.2 有效性检验员不能发现生产过程异常,导致公司损失如交期延误、批量返工、客诉投诉等一次扣除绩效10分;(共计40分)3.2.3 专业性对过程检验规范不熟悉,检验项目不明确,相应的仪器仪表不熟悉使用扣除绩效5分;(共计10分)3.2.3 责任心质量记录不全或对已发现的制程不良未给出书面报告通知到生产部或未及时叫停导致不良后果发生一次扣除绩效5分;(共计20分)3.2.4 持续改进对已经发生的制程不良未做改善后的跟踪和验证一次扣除绩效5分(领导特批除外);发生此类事件需审批领导在出具的不合格品通知单中签字确认。
质量部,绩效管理规定质量部绩效考核管理规定一.目的:通过绩效考核实现客观定量化评定员工的工作效率和质量,为员工工作表现评价提供数据,鼓励员工高效优质工作,实现多劳多得,从而推动公司业绩的提升。
二.适用范围:品管部全体检验员三.考核方法及细那么:对员工在工作能力、态度、5S、考勤、工作质量等方面的表现按重要程度划分权重配相应分值,然后将各项汇总成百分制,按分值乘以绩效奖金。
(例如某员工考核基数为 600 元,当月绩效得分90 分,那么当月该员工的实际绩效奖金为 600x90%=540 元)说明:考核工程及分值占比:考核工程分值占比 1. 工作能力 10% 2. 态度 20% 3. 5S 10% 4. 考勤 10% 5. 工作质量 50% 3.1 工作能力的考核方法:3.1.1 从办公自动化运用、专业技能、沟通能力、分析思维能力、控制能力五个评估工程对员工的工作能力进行考核,总分值 10 分; 3.1.2 每个评估工程权重为 2 分,分四级,A 级为 2*1,B 级为 2*0.8,C 级为 2*0.6,D 级为 2*0.3; 3.1.3 五个评估工程的实际得分之和为该员工工作能力的实际总得分。
3.2 工作态度的考核方法:3.2.1 从责任感、合作意识、乐于承受任务、主动性四个评估工程对员工进行考核,总分值 20 分; 3.2.2 责任感权重为 6 分,合作意识权重 4 分,乐于承受任务权重 6 分,主动性权重 4 分;3.2.3 每项评分分四级,A 级得分为单项权重*1,B 级为单项权重*0.8,C 级为单项权重*0.6,D 级为单项权重*0.3; 3.2.4 四个评估工程的实际得分之和为该员工工作态度的实际总得分。
S 3.3 5S 的考核方法:3.3.1 从整顿、清扫清洁、平安素养三个方面进行考核,总分值 10 分; 3.3.2 整顿权重为 3 分,清扫清洁权重为 3 分,平安素养权重为 4 分; 3.3.3 每项评分分四级,A 级得分为单项权重*1,B 级为单项权重*0.8,C 级为单项权重*0.6,D 级为单项权重*0.3;1. 四个评估工程的实际得分之和为该员工工作态度的实际总得分。
工程质量部绩效考核方案一、绩效考核的背景和意义随着市场经济的不断发展,企业之间的竞争变得日益激烈,产品质量成为企业能否立足市场和赢得消费者信任的关键因素之一。
在这样的背景下,工程质量部的绩效考核显得尤为重要,它不仅可以帮助企业监控和评估质量管理工作的有效性和效率,还可以激励员工提高自身的工作质量和效率,提升企业的整体竞争力。
二、绩效考核的原则和目标1. 公平公正:绩效考核要以事实为依据,客观公正地评估员工的工作表现,不能出现任何形式的歧视和偏袒。
2. 清晰可行:绩效考核目标要明确具体,考核标准要合理可行,并且能够被员工理解和接受。
3. 激励导向:绩效考核要以激励为宗旨,通过奖励和激励措施,驱动员工积极主动地提高工作绩效。
4. 连续改进:绩效考核要与质量管理体系相结合,以促进持续改进为目标,不断提高企业的综合质量水平。
三、绩效考核的内容和指标1. 完成工程质量目标的情况:包括工程质量达标率、不合格产品率、客户投诉率等指标。
2. 完成工程质量管理任务的情况:包括工程质量管理文件的编制和实施情况、工程质量管理活动的开展情况等指标。
3. 参与内部和外部审核的情况:包括参与内部审核和外部审核的次数、审核成绩和审核意见的整改情况等指标。
4. 完成工程质量技能培训的情况:包括参加工程质量相关培训的次数、培训成绩、培训效果的应用情况等指标。
四、绩效考核的流程和方法1. 制定绩效考核计划:工程质量部应在每年初制定绩效考核方案,并向各部门和员工进行公示,明确考核内容、指标和考核流程。
2. 绩效考核指标的设定:工程质量部应结合企业的质量管理体系和实际情况,明确绩效考核的指标和权重,并定期进行调整和优化。
3. 考核对象的评价:工程质量部应根据各部门和员工的实际工作情况,进行绩效考核评价,并将评价结果进行公示。
4. 绩效考核结果的奖惩:工程质量部应根据绩效考核的结果,对员工进行奖励和激励,并对绩效较差的员工进行必要的惩罚和纠正。
质量管理部考核管理办法一、部门及班组绩效考核指标1.01、部门绩效考核指标序号考核指标权重(%)数据提供指标说明1过程控制质量上不封顶质量管理部/生产部/饲料部/物流部每1个不合格检验批次奖励10分2体系运行监控质量5(基数)质量管理部/各部门每发现1个轻微不符合项奖励2分,每发现1个严重不符合项奖励5分,同时在相关责任部门考核总分中扣除相应分数3市场产品投诉次数20人力资源与公共事务部产品出厂后被主管部门检查不合格、暴光或因产品原因被客户投诉。
4工作满意度10人力资源与公共事务部外部往来单位和公司各部门对本部门投诉次数。
合计100 1.02、中心实验室考核指标1.03、中心实验室班组考核指标1.04、在线质控绩效考核指标序号考核指标权重(%)数据提供指标说明1过程、库存质量抽查有效整改率40(封顶60)生产部门、物流部、饲料事业部以30分为基数,当月未出现质量问题为30分,提出有效整改措施的加2分(经部门认可)出现质量事故扣3分/次2市场产品投诉次数25人力资源与公共事务部根据客户投诉数量按照标准进行考评。
产品出厂后因感官质量(气味、色泽、包装质量等)/定量包装原因被客户投诉或上级检查不合格3样品管理、标识管理差错次数10部门经理/体系管理员样品存放/处理的可追溯性,按照样品管理操作规程和现场产品标识管理,违反扣分4工作满意度15相关部门根据与相关部门的配合情况按照评估标准评估5体系运行效果10体系管理员随机抽查和内部、外部审核序号考核指标权重(%)数据提供指标说明1检测检验结果差错率30生产部/ 贸易部/饲料部/在线质控漏项、数据检测结果差错率,每2%扣1分2检测检验结果延误次数15生产部/ 贸易部/饲料部/在线质控未及时出具结果,每10次扣1分3实验室体系运行状况/质检文件资料管理15体系管理员/外部审核机构检测设备、技术标准(制定与执行)、员工培训、检测计划与实施、随机抽查和反馈报告;报表、报告等文件的有效控制4检测设备管理15部门经理检测设备的维修保养计划、使用维护校准记录的检查/误差考察/设备完好率/5工作满意度10各部门及客户外部往来单位和公司各部门、内部其它岗位对中心实验室投诉次数65S 现场管理及安全155S 事务局及公司安全办根据检查办法合计100序号考核指标权重(%)数据提供指标说明1检测检验结果差错率40生产部/ 贸易部/饲料部/在线质控/漏项、数据检测结果差错率,每1%次扣1分2检测检验结果延误次数20生产部/贸易部/饲料部/在线质控未及时出具结果,每8次扣1分3质量记录管理15体系管理员随机抽查和反馈报告。
质量部部门业务绩效考核办法、细则、制度,建议收藏阅读导航→01 质量部绩效考核管理制度02 产品质量检验⼯作考核细则03 质量成本控制考核管理制度⼀、质量部绩效考核管理制度质量部绩效考核管理制度第1章总则第1条⽬的为了规范公司质量部绩效考核管理⼯作,改善并提⾼质量部员⼯的⼯作绩效,建⽴符合公司发展战略的⼈员队伍,特制定本制度。
第2条适⽤范围本制度适⽤于质量部的正式员⼯的绩效考核管理⼯作。
第2章考核管理第3条明确考核主体员⼯绩效考核主体如下表所⽰。
质量部员⼯绩效考核主体考核主体负责⼯作员⼯的直接上级◆负责下属员⼯⼯作情况收集与整理◆负责对下属员⼯的⼯作绩效进⾏考核◆负责同员⼯进⾏绩效⾯谈员⼯的同事◆协助员⼯的直接上级对同级员⼯的⼯作态度的情况进⾏考核员⼯个⼈◆对⼯作业绩等内容进⾏⾃评⼈⼒资源部◆负责绩效考核⼯作的组织、协调与监控第4条确定考核周期质量部员⼯考核分为季度考核和年度考核两类,具体如下所⽰。
1.季度考核的考核时间为每季度最后⼀个⽉的⽇~⽇。
2.年度考核的考核时间为次年1⽉的⽇~⽇。
第5条确定考核内容质量部员⼯绩效考核内容包括员⼯⼯作能⼒、员⼯⼯作态度及员⼯⼯作业绩三部分,具体如下表所⽰。
质量部员⼯绩效考核内容⼀览表考核内容员⼯⼯作能⼒员⼯⼯作态度员⼯⼯作业绩权重25%10%65%◆专业知识◆专业技能◆考勤◆来料质量检验合格率◆质量控制具体内容◆计划能⼒◆判断决策能⼒◆发展潜⼒◆创新能⼒◆责任感◆⼯作主动性◆⼯作协调性◆质量检查◆产品质量问题处理◆质量改进考核⼈员◆员⼯直接主管◆员⼯直接主管◆员⼯同事◆员⼯直接主管◆员⼯⾃评第6条制定考核标准⼈⼒资源部应根据质量部员⼯绩效考核要求及具体的考核指标,确定绩效考核的标准,具体内容如下表所⽰。
质量部绩效考核标准考核内容考核标准⼯作能⼒(25分)专业知识与技能◆在质量管理培训结业考试中得分在分以上;在⽇常⼯作中,能够熟练运⽤所掌握的知识与技能,顺利展开⼯作,得分◆在质量管理培训结业考试中得分在分~分之间;在⽇常⼯作中,能够运⽤所掌握的知识与技能,顺利展开⼯作,得分◆在质量管理培训结业考试中得分在分以下;在⽇常⼯作中,难以运⽤所掌握的知识与技能,顺利展开⼯作,得分质量管理计划编制及时率◆质量管理计划编制及时率=◆指标值为 %,得满分为分;指标值每降低 %,该项扣分;指标值低于 %时,该项不得分质量管理计划通过率◆质量管理计划通过率◆指标值为 %,得满分为分;指标值每降低 %,该项扣分;指标值低于 %时,该项不得分员⼯⼯作态度(10分)质量问题识别与报告情况◆能够及时发现质量问题,并报相关管理⼈员处理,同时能够提出有效的处理意见,得分◆不能及时识别存在出质量问题,或未能将质量问题及时报相关⼈员进⾏处理,得分违反⼯作纪律的次数◆考核期内,员⼯没有违反⼯作纪律,得满分分;违规⼀次,扣分;当违规次数超过分,该项不得分迟到、早退次数◆考核期内,员⼯迟到和早退次数为0次,得满分分;迟到或早退⼀次,扣分;迟到和早退次数和超过次,该项不得分员⼯⼯作业绩(65分)质检⼯作及时完成率◆质检⼯作及时完成率◆指标值为 %,得满分为分;指标值每降低 %,该项扣分;指标值低于 %时,该项不得分制程检验准确率◆制程检验准确率◆指标值为 %,得满分为分;指标值每降低 %,该项扣分;指标值低于 %时,该项不得分批次产品质量投诉率◆批次产品质量投诉率◆指标值为 %,得满分为分;指标值每⾼于 %,该项扣分;指标值⾼于 %时,该项不得分质量改进⽬标达成率◆质量改进⽬标达成率◆指标值为 %,得满分为分;指标值每降低 %,该项扣分;指标值低于 %时,该项不得分第7条实施考核⼈⼒资源部应根据公司的相关规定组织相关⼈员对质量部员⼯进⾏考核,并根据考核结果填写绩效考核表。
质检部绩效考核制度
第一部分:岗位职责
1.部长职责
1.1负责现场检验(进厂原材料、半成品、成品)的工作的组织与协调;
1.2负责本工序质检员的岗位管理与工作安排;
1.3负责质检员的岗位培训工作;
1.4督促质检员及时、有效地检验,认真、准确地填写质量报表;
1.5负责质检员的测量工具和试验设备的有效性监督;
1.6负责质量日报的整理收集与传达工作;
1.7参与纠正预防措施小组工作;
1.8负责不合格品的跟踪与控制;
1.9负责全公司的检验标识的制作与保持工作;
1.10及时、准确的向部门领导传递检验工作和出现的问题;
1.11负责质检部各种工作材料的计划,领用与管理;
1.12配合技术部与生产部、售后服务部的工作。
2.质检员职责
2.1严格按检验标准对进货,过程和最终产品进行检验和试验工作;
2.2监督本工序的工艺执行情况;
2.3不合格品的控制工作;
2.4质量状况的统计,初步分析,总结工作;
2.5质量信息的收集与传递工作;
2.6纠正、预防措施的跟踪验证工作;
2.7质量记录的填写,保存工作。
3.职责详细要求和工作流程按《质量部岗位细则》执行
第二部分:工作要点
1.质量控制
1.1熟悉并掌握本岗位检验指导书要求内容,严格按照半成品检验指导书进行质量控制,
并监督工艺执行情况;
1.2依据检验工艺(包括书面检验工艺、样件、计算机模板等)对产品进行及时、准确
的首检、巡检、终检;
1.3统一标准,严禁各班组之间的检查尺度不一,对产品质量负责;
1.4不合格品控制:本工序发现不合格品时,及时填写不合格品处置单;在不合格品处
理单结果未传达下来时,要监督不合格品的隔离,严禁私自放行转序,并监督不合格品处理意见的执行情况;严禁上、下工序间相互推脱;
1.5质量记录和报表,要及时、准确;记录不允许涂改,如涂改需签字或盖章。
如果没
有合适的记录本及时申请,并以自制表格记录;
1.6检查员对于本工序出现质量问题及其他异常时,要及时向组长、质量工程师、工艺
员汇报,并以信息反馈单的形式记录事情经过,要求字迹清晰,叙述简洁明了,记录真实准确,必要时可要求工序负责人或当事人签字确认,严禁隐瞒不报。
组长应及时将信息反馈单传递至质量部长,并能详细叙述清楚信息反馈单的描述情况;
1.7检查员组长能在相关部门、人员的配合下做好质量问题的追溯工作。
2.夜班制度
2.1质检部实施夜班值班制度,值班人员由质量部长审批的值班表确定,串班需提前申
请。
2.2值班人员在夜班有管理车间所有检查人员的权力。
同时必须完成签到,现场巡检(分
别在20点以前,24点之前,3点之前和3点至8点之间完成四次巡检),解决突发事件,做好值班记录的工作。
2.3对值班人员无法解决的情况或无权解决的情况应找公司总值班解决,并做好记录。
3.早会制度
每班早9点质检人员到指定地点开早会,由部长布置新的工作要求、公司部门通知及检查工作中的注意事项。
4.交接班制度
对于当班时间内出现的一切问题,及注意事项须向下一班交待,并以文字形式记录在交接班记录上;严禁不交接就下班现象发生,以免质量问题延误。
第三部分:劳动纪律
1.严格遵守公司、车间及各部门下发的通知:如进入车间必须穿工作服,按照工位要求配
戴劳保用品,不准将私人物品带入工位等,并保持本工位卫生,不准将公司物品带出厂外等;
2.遵守劳动时间:按照车间铃声进行作息安排,不允许迟到、早退,保证工作时间饱满。
工作时间内不准无故离开工位。
按照车间要求实行交接班,如在规定时间内下班人员未
到达,要将工作交接给部长。
3.遵守考勤制度:有事请假者须事前向部长请假。
不允许私自不来上班或用别人捎假、替
请假、电话请假无效,倒班人员不允私自串班,严禁替代打卡现象发生。
4.严禁工作时间内做一切与工作无关的事:工作时间内严禁脱岗办私人事情,不允许在生
产现场打电话,无事闲聊及其它与工作无关的事情。
5.爱护公司财物和劳动工具,不允许不经工具领用人同意就使用他人工具。
第四部分:奖罚条例
1.奖励:
1.1对提出合理化建议的质检部员工,根据公司规定予以奖励,并在质检部年终优秀员
工评选中优先考虑。
1.2对公司有其他特殊贡献者,按实际情况予以奖励。
2.处罚:
2.1触犯公司相关规定的处罚
违反公司、车间及其它部门规定者,按相关规定处罚;
无故旷工者或非提前请假者按公司相关规定处理,私自替班按替代打卡处理;
2.2 对于违反现场纪律者将给予相应的罚款,具体条约如下:
工作时间内有出勤记录但未到岗者视时间而定罚款金额。
工作时间内无故离岗超过5分钟者将给予10元罚款;超过10分钟者将视具体情况给
予相应的罚款。
将私人物品带入现场者,将给予10-20元罚款;
工作区域脏乱者,将给予10-20元罚款,对当月内发生两次以上该类问题的,处罚部
长10元;
有需向下班人员转告通知的事情却未做交接,将给予10-20元罚款,如有交接不清,
两班互相推脱将对两班加倍罚款处理并根据实际情况处罚部长;
工作时间与同事闲谈与工作无关之事者,将给予10-20元罚款,影响工作的从重处罚;
下班前未按时间签到者,将给予10-20元罚款;
工作时间内没穿工作服,并无充分理由者,将给予20元罚款;
2.3对于工作不认真,未按要求完成工作者将给予相应的罚款,具体条约如下:
检查记录涂改并无盖章确认者,将给予10-20元罚款。
相关部门投诉工作不配合,结予20-50元罚款;
安排工作没有及时完成者,将给予20-50元罚款;
不按工艺检验者给予20-500元罚款;
记录不认真、报表数据有误,结予20-200元罚款;
工作中玩忽职守,造成公司千元以内损失者,给予20-50元罚款。
造成公司千元以上损失者,将给予50-500元罚款,情节严重者开除;
2.4 对于影响车间秩序,造成不良影响者将给予开除处理,具体如下:
与同事发生口角且无充分理由者将给予50-200元罚款,与同事发生打架者开除;
与工人共同隐瞒质量事故不上报者,开除;
车间内工作区域吸烟者、喝酒闹事者,开除;
接受本工序工人馈赠者,开除;
2.5 出现以上规定内未包括的情况,根据实际情况予以处理。
本制度自发布之日起实施。
质量检验部
2014-1-10
.。