(完整版)内墙腻子涂料施工方案及施工工艺流程.docx
- 格式:docx
- 大小:23.07 KB
- 文档页数:2
内墙涂料及内墙腻子施工方案一、施工前准备1.确定施工区域和施工时间,保证在干燥通风的环境下进行施工。
2.清理施工区域,包括清除灰尘、油污、杂物等。
3.对墙面进行检查,修补裂缝、开裂、起皮等问题。
4.如果有旧漆,需进行处理,可砂磨或使用油漆清洗剂进行清洗。
5.确保施工区域没有风沙,否则需要搭建临时屏障。
二、腻子工艺1.将腻子粉末按照说明书的比例与水混合,搅拌均匀,以免出现结块。
2.将腻子涂刀深入到壁面裂缝中,进行刮涂,刮涂过程中注意按照多次往返的原则,确保腻子的均匀性和密实性。
3.需要注意的是,每次涂腻子后应等待腻子干燥后再进行下一次涂刮。
4.对于较大的裂缝或洞眼,可以使用腻子填塞或配合增强网进行处理。
5.腻子干燥后需使用砂纸进行打磨,使表面光滑,无明显凸凹。
三、涂料工艺1.选择合适的内墙涂料,根据需求和风格选择颜色。
2.使用滚筒或刷子对墙面进行涂刷,切忌厚涂,应保持均匀的厚度。
刷涂过程中要注意力度,以免造成涂层不均匀。
3.涂刷过程中要避免涂料流淌和飞溅到其他地方,可以使用胶带或塑料薄膜进行遮挡保护。
4.第一道涂料干燥后,可进行第二道涂料的施工,以提升涂层的质感和覆盖性。
5.涂料施工完毕后,等待涂料干燥后进行查漏补缺,对涂层进行检查,如有需要可进行修补处理。
四、施工注意事项1.施工过程中应保持通风良好,避免涂料的气味对施工者健康的影响。
2.施工时应注意安全,避免高空作业,严禁在施工区域吸烟或使用明火。
3.施工前应为周边物体进行有效的保护措施,以防涂料溅落。
4.施工现场应保持整洁,结束施工后及时清理工具和材料。
5.涂料施工完毕后,应等待足够的时间使涂料干燥,以免影响下一道工序的进行。
五、施工结果的保养1.完成后的施工需要等待一段时间以保证干燥,避免人为损坏。
2.在日常保养中,避免使用刺激性、腐蚀性强的清洁剂,以避免对涂层造成伤害。
3.如发现有局部裂缝、起皮等问题,及时进行维修处理,以保持内墙涂料的整体美观。
内墙腻子涂料施工方案及施工工艺流程一、材料及机具准备涂料、填充料、高凳、脚手板、腻子托板、滚筒、刷子、排笔、小漆桶、砂纸、橡皮刮板、腻子槽、擦布、棉丝、半截大桶等。
二、作业条件1、面应基本干燥,基层含水率不得大于10%。
2、抹灰作业已全部完成,过墙管道、洞口、阴阳角等提前处理完毕。
3、门窗玻璃应提前安装完毕。
4、大面积施工前应做好样板,经验收合格后方可进行大面积施工。
三、质量要求水性涂料涂饰工程质量要求符合《建筑装饰装修工程施工质量验收规范》(GB50210-2001)的规定。
四、工艺流程基层处理→修补墙面→第一遍刮腻子,磨平→护角条→第二遍刮腻子,磨平→刷第一遍涂料→刷第二遍涂料五、施工工艺1、刮腻子前在混凝土墙面上先喷、刷一道胶水(水:乳液为5:1)要喷刷均匀,不得有遗漏。
2、满刮腻子,刮腻子时应横竖刮,即第一遍腻子横向刮,第二遍腻子竖向刮。
注意按搓和收头时腻子要刮净,每道腻子干燥后应用砂纸打磨,将腻子磨平后并将浮尘擦净。
3、护角条,用腻子制作膏状桨料,搅拌均匀,将桨料抹在墙角的两边,并且保持一定的厚度;将护角条紧贴墙角,找准水平垂直,刮去孔洞溢出的桨料;干燥后用砂纸打磨。
4、涂刷第一遍涂料,涂刷时应先上后下。
干燥后复补腻子,待复补腻子干燥后用砂纸磨光。
隔1天后,可涂刷第二遍。
5、在第二遍操作时不宜来回多次涂刷,以避免溶松第一遍漆膜,或出现显着的漆刷涂饰痕迹,影响质量。
注意涂料遮盖力情况,以便随时掌握和调整涂饰的松紧,确保涂料色泽的均匀性。
六、成品保护1、施涂时首先清理好周围环境,防止粉尘飞扬而影响涂饰质量。
2、不得污染窗台、门窗、玻璃等已完成的分项工程。
3、涂饰墙面完工后,要妥善保护,不得磕碰、污染墙面。
七、安全措施1、所有工人应严格执行并避守安全操作规程,加强职业健康安全意识,上架施工时佩藏个人防护用品。
尤其注意要系好安全带。
2、外架使用前应对整个架体进行检查和检修,验收合格后方可使用。
内墙腻子涂料施工方案一、背景介绍二、施工流程1.基层处理:清除墙面的灰尘、浮尘等杂质,修补墙面的裂缝和凹陷部位,确保基层平整、无明显破损。
2.砂浆抹灰:根据墙面的情况,选择适合的砂浆进行抹灰处理,保持墙面的平整度和垂直度。
3.等干处理:等待砂浆完全干燥后,进行下一步的处理。
通常需要等待2-3天。
4. 第一遍腻子涂抹:使用质量可靠的腻子涂料,采用刮板均匀地涂抹在墙面上。
涂抹的厚度根据需要进行调整,一般在2-3mm之间。
5.第二遍腻子涂抹:在第一遍腻子涂抹完全干燥后,进行第二遍腻子涂抹,以进一步提高墙面的光滑度和平整度。
6.打磨处理:使用砂纸或打磨机对涂抹的腻子进行打磨处理,使墙面更加光滑细致。
7.清洁处理:清除墙面上的灰尘和浮尘,确保墙面干净无尘。
8.检查验收:对施工完成的墙面进行全面检查,确保无破损、无瑕疵。
三、材料准备1.腻子涂料:选择可靠品牌的腻子涂料,质量稳定,施工效果好。
根据施工需要,选择适合的腻子涂料种类,如普通腻子、耐碱腻子等。
2.基层处理材料:包括砂浆、补漆剂、修补胶等,用于修补墙面的裂缝和凹陷部位。
3.打磨工具:砂纸、打磨机等,用于对施工完成的腻子进行打磨处理。
4.玻璃纸、腻子刀、抹刀等:用于涂抹腻子涂料,平整墙面。
四、施工注意事项1.确保基层处理完全干燥后再进行腻子涂料的施工,以防止墙面开裂等问题的发生。
2.涂抹腻子涂料时,要避免出现刀口和刷痕,保持涂料的均匀和平滑。
3.腻子涂料需要进行两遍的施工,第二遍施工时要保证第一遍完全干燥。
4.打磨时要注意力度和方向,避免过量打磨,以免影响墙面的光滑度。
5.在施工过程中,要注意墙面的垂直度和水平度,保持墙面的整齐和规整。
6.施工结束后,要对施工部位进行全面的检查,确保无破损、无瑕疵。
五、施工总结内墙腻子涂料的施工是一个较为复杂的过程,需要仔细的操作和耐心的等待。
合理选择施工材料和工具,正确操作施工流程,能够确保施工效果的质量和持久性。
在施工过程中要注意细节,确保墙面的光滑度和平整度,以提高装饰效果。
*******项目内墙及天棚腻子涂料工程技术方案编制:审核:批准:一、工程概况 (2)二、编制依据 (2)三、施工准备 (2)四、施工工艺与工艺流程 (3)4.1腻子工程工艺流程 (3)4.2涂料施工工艺 (4)五、质量要求与检验标准 (5)六、安全生产与文明现场施工 (6)一、工程概况********************************************************************* ********************************************************************* ****** 概况内容二、编制依据《建筑工程施工质量验收统一标准》(GB 50300-2001)《建筑涂饰工程施工及验收规程》(JGJ/T29-2003)《住宅装饰装修工程施工规范》(GB50327-2001)《建筑装饰装修工程质量验收规范》(GB50210-2001)三、施工准备1.本分项工程所需用的材料(根据甲方要求)、成品、半成品等按照材料的质量标准要求,具备材料合格证书并进行现场抽样复试检测,合格后方可使用。
2.堆料场地——用于摆设各种材料和工具。
要求面积大约50平方米,无渗水、漏水,门窗牢固安全。
3.水暖、通风、空调、设备安装等专业的预留洞已封堵安装完毕。
4.混凝土顶棚上的支模丝杆铁件割除完毕,结构露筋缺陷已处理,混凝土构件胀缩模处剔除修补到位。
5.墙面抹灰已完成并通过隐蔽验收,墙面抹灰层完成须经过14d后或干燥后方进行刮腻子施工。
(并必须经交接验收合格后方可施工)6.本分项工程所用工具准备就绪。
四、施工工艺与工艺流程4.1腻子工程工艺流程1.顶棚刮腻子工艺流程:基层验收(工序交接检)→基层清理→结构板底弹线做标点→顶棚四周阴角找平直→顶棚局部找平→满刮腻子一遍→打磨→面层腻子满刮→扫尾修头2.墙面刮腻子工艺流程:基层验收(工序交接检)→基层清理→预留贴脚线上口弹线→满刮腻子一遍→打磨→面层腻子满刮→贴脚线施工→扫尾修头。
第1篇一、施工准备1. 材料准备:内墙腻子粉、清水、胶水、细砂纸、刮板、抹子、搅拌器、水桶、钢片刮板等。
2. 工具准备:电钻、水管、刷子、灰刀、卷尺、水平尺等。
3. 人员准备:施工人员应具备一定的施工经验和技能。
二、施工流程1. 基层处理(1)清扫墙面,清除灰尘、油污等杂质。
(2)检查墙面裂缝、孔洞等缺陷,进行修补。
(3)用水管将整个房屋的墙面、吊顶浇一遍水,过半小时部分腻子会顺着掉下来,随之进行基层清理,将部分容易脱落的用刮刀刮掉。
2. 基层修补(1)根据墙面凹凸情况,选用合适的腻子膏进行填补。
(2)修补后的墙面应平整,无明显凹凸。
3. 基层打磨(1)用细砂纸对修补后的墙面进行打磨,使墙面表面光滑。
(2)打磨过程中,注意保护墙面的平整度。
4. 基层上胶水(1)将胶水按比例兑水,搅拌均匀。
(2)用刷子将胶水均匀涂刷在墙面上。
5. 满刮腻子(1)将腻子粉按水粉比例1:2左右加入清水中,浸泡15分钟后,用电钻充分搅拌。
(2)用刮板、抹子将配好的浆料批嵌至作业面上,批刮次数不可过多,以免影响腻子层强度。
(3)第一层腻子干固后,进行第二层施工。
6. 腻子层打磨(1)腻子层干固后,用细砂纸进行打磨,使墙面表面平整、光滑。
(2)打磨过程中,注意保护墙面的平整度。
7. 浇水养护(1)腻子层完成24小时干固后,视温湿度状况可进行浇水养护。
(2)浇水养护2-3天,以保证腻子层强度。
8. 涂刷涂料(1)腻子层完成7天后,方可进行涂料施工。
(2)根据涂料要求,进行涂刷。
三、施工注意事项1. 施工过程中,注意保持室内通风,防止腻子层受潮。
2. 腻子层施工时,避免腻子层过厚,以免影响墙面强度。
3. 施工过程中,注意保护墙面的平整度,确保墙面质量。
4. 腻子层施工完成后,进行浇水养护,以保证腻子层强度。
5. 涂料施工前,确保腻子层干燥,避免涂料施工时出现剥落现象。
通过以上内墙腻子分施工程序,可以确保施工质量,提高墙面美观度。
第1篇一、施工准备1. 材料准备:根据设计要求,选用符合国家《建筑内墙用腻子》行业标准要求的腻子材料。
同时准备腻子搅拌机、刮板、砂纸、梯子、刷子、手套、防护眼镜等施工工具。
2. 工具准备:检查腻子搅拌机、刮板、砂纸等工具是否完好,确保施工过程中使用。
3. 施工人员准备:对施工人员进行培训,确保其熟悉腻子施工工艺及注意事项。
二、施工工艺流程1. 基层处理(1)清理墙面:用扫帚、刷子等工具将墙面浮尘、油污等杂物清理干净。
(2)修补裂缝:对墙面的裂缝进行修补,使用嵌缝腻子或石膏腻子将裂缝填平。
(3)打磨墙面:使用砂纸对墙面进行打磨,确保墙面平整。
2. 刷胶水或界面漆(1)刷胶水:在基层处理完成后,用刷子将胶水均匀涂抹在墙面上,增强腻子与基层的粘结力。
(2)刷界面漆:在胶水干燥后,刷一层界面漆,进一步提高腻子的粘结性能。
3. 刮腻子(1)搅拌腻子:将腻子材料按照比例加水搅拌均匀。
(2)满刮腻子:使用刮板将腻子均匀涂抹在墙面上,注意刮板要往返两次,确保墙面平整。
(3)第二遍刮腻子:待第一遍腻子干燥后,进行第二遍刮腻子,继续确保墙面平整。
(4)第三遍刮腻子:根据需要,进行第三遍刮腻子,直至达到设计要求。
4. 打磨墙面(1)检查墙面:在腻子干燥后,检查墙面是否平整,是否存在气泡、裂纹等问题。
(2)打磨墙面:使用砂纸对墙面进行打磨,去除气泡、裂纹等问题。
(3)清理墙面:打磨完成后,清理墙面浮尘,确保墙面干净。
5. 刷底漆和面漆(1)刷底漆:在墙面处理完成后,刷一层底漆,提高面漆的附着力。
(2)刷面漆:底漆干燥后,刷一层或两层面漆,达到设计要求。
三、施工注意事项1. 施工过程中,注意施工人员的安全,佩戴防护眼镜、手套等防护用品。
2. 施工时,确保腻子搅拌均匀,避免出现气泡、裂纹等问题。
3. 施工过程中,注意墙面的平整度,确保施工质量。
4. 施工完成后,检查墙面是否平整,是否存在气泡、裂纹等问题,如有问题,及时进行处理。
内墙腻子涂料工程施工方案一、总体概述为了确保内墙腻子涂料工程的施工质量和进度,特编制此施工方案。
本方案包括施工前的准备工作、腻子涂料施工工艺流程、质量控制和安全措施。
二、施工前的准备工作1. 施工前的准备(1) 仔细阅读相关建筑设计及图纸,了解工程的基本要求和技术标准。
(2) 安排好施工人员,确保人员熟悉腻子涂料施工工艺和安全操作规程。
(3) 采购所需的腻子涂料及施工工具,确保质量符合要求并检查是否齐全。
(4) 定期检查施工现场,保证施工场地、设施和设备的完好性。
2. 施工环境的准备(1) 确保施工现场的地面和墙面已经完成基础工程,并且表面平整、无明显裂缝。
(2) 清除施工现场杂物,确保施工场地清洁,避免影响施工质量和效率。
(3) 设置施工现场的警示标志,确保周围人员的安全。
三、腻子涂料施工工艺流程1. 基层处理基层处理是腻子涂料施工的关键步骤,包括以下几个方面:(1) 清洁基层表面:清理基层表面的尘土和油污等杂物,确保基层表面干净。
(2) 基层封闭处理:对基层表面进行封闭处理,以提高腻子涂料的附着力和平整度。
(3) 基层处理完成后,进行检查,确保基层表面平整、无裂缝、无松动。
2. 腻子涂料施工腻子涂料施工分为多道封闭、两道封闭和单道封闭。
根据不同的墙面状况和要求,选择相应的施工工艺。
(1) 多道封闭:对基层表面进行两道以上的腻子封闭,确保基层表面平整、无明显瑕疵。
(2) 二道封闭:基层表面要求较高的情况下,进行两道腻子封闭,确保墙面平整度和光滑度。
(3) 单道封闭:对基层表面要求较低的情况下,进行一道腻子封闭,确保墙面平整度和光滑度。
3. 涂装腻子涂料(1) 在腻子封闭完成后,进行腻子涂料的涂装。
先将腻子涂料搅拌均匀,然后用专用工具将腻子涂料均匀涂刷在墙面上。
(2) 涂刷腻子涂料时,要求操作人员持续均匀的力度和速度,确保涂刷表面光滑平整。
(3) 对施工完成的腻子涂料表面进行检查,确保表面平整、无明显瑕疵。
内墙腻子施工方案(终版)
一、施工前准备
在进行内墙腻子施工之前,首先要确保墙面已经完成基础处理工作,包括清理、填补裂缝、打磨等环节。
此外,还需要准备好以下工具和材料:
1.腻子刀;
2.批刀;
3.砂纸;
4.涂料桶;
5.打磨机;
6.腻子原料;
7.玻璃纤维网格布等。
二、腻子涂抹
1.将腻子原料倒入涂料桶中,按照说明书上的比例加水搅拌均匀,直至
获得适合施工的稀薄状腻子;
2.用批刀将腻子涂抹在墙面上,注意不要过多或过少,避免造成浪费或
施工不均匀;
3.将腻子均匀地涂抹在墙面上,确保整个墙面都被覆盖,并做好无遗漏
的施工;
4.等待腻子完全干透后,用砂纸进行打磨,使墙面光滑平整。
三、玻璃纤维网格布处理
1.如果墙面存在裂缝或凹陷,可以在涂抹第一层腻子后,将玻璃纤维网
格布铺设在需要处理的部位;
2.用批刀将腻子涂抹在网格布上,使其与墙面完全结合;
3.等待腻子完全干透后,用砂纸进行打磨,使墙面光滑平整。
四、修补和润饰
1.检查施工后的墙面,如有未完全覆盖或施工不均匀的地方,可以进行
修补;
2.根据需要,可以进行润饰处理,如刷涂料、贴壁纸等。
五、清理和保养
1.施工完成后,要及时清理工具和施工现场,保持环境整洁;
2.对新施工的墙面要进行适当的保养,避免外力损伤或污染。
通过以上施工步骤,内墙腻子施工工程得以完成,可以获得平整、光滑的墙面效果,提升室内空间的美观度和舒适度。
内墙腻子涂料施工方案及施工工艺流程Document serial number【KK89K-LLS98YT-SS8CB-SSUT-SST108】内墙腻子涂料施工方案及施工工艺流程一、材料及机具准备涂料、填充料、高凳、脚手板、腻子托板、滚筒、刷子、排笔、小漆桶、砂纸、橡皮刮板、腻子槽、擦布、棉丝、半截大桶等。
二、作业条件1、面应基本干燥,基层含水率不得大于10%。
2、抹灰作业已全部完成,过墙管道、洞口、阴阳角等提前处理完毕。
3、门窗玻璃应提前安装完毕。
4、大面积施工前应做好样板,经验收合格后方可进行大面积施工。
三、质量要求水性涂料涂饰工程质量要求符合《建筑装饰装修工程施工质量验收规范》四、工艺流程基层处理→修补墙面→第一遍刮腻子,磨平→护角条→第二遍刮腻子,磨平→刷第一遍涂料→刷第二遍涂料五、施工工艺1、刮腻子前在混凝土墙面上先喷、刷一道胶水(水:乳液为5:1)要喷刷均匀,不得有遗漏。
2、满刮腻子,刮腻子时应横竖刮,即第一遍腻子横向刮,第二遍腻子竖向刮。
注意按搓和收头时腻子要刮净,每道腻子干燥后应用砂纸打磨,将腻子磨平后并将浮尘擦净。
3、护角条,用腻子制作膏状桨料,搅拌均匀,将桨料抹在墙角的两边,并且保持一定的厚度;将护角条紧贴墙角,找准水平垂直,刮去孔洞溢出的桨料;干燥后用砂纸打磨。
4、涂刷第一遍涂料,涂刷时应先上后下。
干燥后复补腻子,待复补腻子干燥后用砂纸磨光。
隔1天后,可涂刷第二遍。
5、在第二遍操作时不宜来回多次涂刷,以避免溶松第一遍漆膜,或出现显着的漆刷涂饰痕迹,影响质量。
注意涂料遮盖力情况,以便随时掌握和调整涂饰的松紧,确保涂料色泽的均匀性。
六、成品保护1、施涂时首先清理好周围环境,防止粉尘飞扬而影响涂饰质量。
2、不得污染窗台、门窗、玻璃等已完成的分项工程。
3、涂饰墙面完工后,要妥善保护,不得磕碰、污染墙面。
七、安全措施1、所有工人应严格执行并避守安全操作规程,加强职业健康安全意识,上架施工时佩藏个人防护用品。
*******项目内墙及天棚腻子涂料工程技术方案编制:审核:批准:一、工程概况 (2)二、编制依据 (3)三、施工准备 (3)四、施工工艺与工艺流程 (3)4.1腻子工程工艺流程 (3)4.2涂料施工工艺 (5)五、质量要求与检验标准 (6)六、安全生产与文明现场施工 (7)一、工程概况********************************************************************* ********************************************************************* ****** 概况内容二、编制依据《建筑工程施工质量验收统一标准》(GB 50300-2001)《建筑涂饰工程施工及验收规程》(JGJ/T29-2003)《住宅装饰装修工程施工规范》(GB50327-2001)《建筑装饰装修工程质量验收规范》(GB50210-2001)三、施工准备1.本分项工程所需用的材料(根据甲方要求)、成品、半成品等按照材料的质量标准要求,具备材料合格证书并进行现场抽样复试检测,合格后方可使用。
2.堆料场地——用于摆设各种材料和工具。
要求面积大约50平方米,无渗水、漏水,门窗牢固安全。
3.水暖、通风、空调、设备安装等专业的预留洞已封堵安装完毕。
4.混凝土顶棚上的支模丝杆铁件割除完毕,结构露筋缺陷已处理,混凝土构件胀缩模处剔除修补到位。
5.墙面抹灰已完成并通过隐蔽验收,墙面抹灰层完成须经过14d后或干燥后方进行刮腻子施工。
(并必须经交接验收合格后方可施工)6.本分项工程所用工具准备就绪。
四、施工工艺与工艺流程4.1腻子工程工艺流程1.顶棚刮腻子工艺流程:基层验收(工序交接检)→基层清理→结构板底弹线做标点→顶棚四周阴角找平直→顶棚局部找平→满刮腻子一遍→打磨→面层腻子满刮→扫尾修头2.墙面刮腻子工艺流程:基层验收(工序交接检)→基层清理→预留贴脚线上口弹线→满刮腻子一遍→打磨→面层腻子满刮→贴脚线施工→扫尾修头。
内墙腻子涂料施工方案及施工工艺流程一、材料及机具准备涂料、填充料、高凳、脚手板、腻子托板、滚筒、刷子、排笔、小漆桶、砂纸、橡皮刮板、腻子槽、擦布、棉丝、半截大桶等。
二、作业条件1、面应基本干燥,基层含水率不得大于10%。
2、抹灰作业已全部完成,过墙管道、洞口、阴阳角等提前处理完毕。
3、门窗玻璃应提前安装完毕。
4、大面积施工前应做好样板,经验收合格后方可进行大面积施工。
三、质量要求水性涂料涂饰工程质量要求符合《建筑装饰装修工程施工质量验收规范》四、工艺流程基层处理→修补墙面→第一遍刮腻子,磨平→护角条→第二遍刮腻子,磨平→刷第一遍涂料→刷第二遍涂料五、施工工艺1、刮腻子前在混凝土墙面上先喷、刷一道胶水(水:乳液为5:1)要喷刷均匀,不得有遗漏。
2、满刮腻子,刮腻子时应横竖刮,即第一遍腻子横向刮,第二遍腻子竖向刮。
注意按搓和收头时腻子要刮净,每道腻子干燥后应用砂纸打磨,将腻子磨平后并将浮尘擦净。
3、护角条,用腻子制作膏状桨料,搅拌均匀,将桨料抹在墙角的两边,并且保持一定的厚度;将护角条紧贴墙角,找准水平垂直,刮去孔洞溢出的桨料;干燥后用砂纸打磨。
4、涂刷第一遍涂料,涂刷时应先上后下。
干燥后复补腻子,待复补腻子干燥后用砂纸磨光。
隔1天后,可涂刷第二遍。
5、在第二遍操作时不宜来回多次涂刷,以避免溶松第一遍漆膜,或出现显著的漆刷涂饰痕迹,影响质量。
注意涂料遮盖力情况,以便随时掌握和调整涂饰的松紧,确保涂料色泽的均匀性。
六、成品保护1、施涂时首先清理好周围环境,防止粉尘飞扬而影响涂饰质量。
2、不得污染窗台、门窗、玻璃等已完成的分项工程。
3、涂饰墙面完工后,要妥善保护,不得磕碰、污染墙面。
七、安全措施1、所有工人应严格执行并避守安全操作规程,加强职业健康安全意识,上架施工时佩藏个人防护用品。
尤其注意要系好安全带。
2、外架使用前应对整个架体进行检查和检修,验收合格后方可使用。
3、在脚手架上施工,面砖及小型工其等应放在不易掉落的地方,以免离空落物伤人。
内墙腻子涂料施工方案及施工工艺流程精编W O R D版IBM system office room 【A0816H-A0912AAAHH-GX8Q8-GNTHHJ8】内墙腻子涂料施工方案及施工工艺流程一、材料及机具准备涂料、填充料、高凳、脚手板、腻子托板、滚筒、刷子、排笔、小漆桶、砂纸、橡皮刮板、腻子槽、擦布、棉丝、半截大桶等。
二、作业条件1、面应基本干燥,基层含水率不得大于10%。
2、抹灰作业已全部完成,过墙管道、洞口、阴阳角等提前处理完毕。
3、门窗玻璃应提前安装完毕。
4、大面积施工前应做好样板,经验收合格后方可进行大面积施工。
三、质量要求水性涂料涂饰工程质量要求符合《建筑装饰装修工程施工质量验收规范》(GB50210-2001)的规定。
四、工艺流程基层处理→修补墙面→第一遍刮腻子,磨平→护角条→第二遍刮腻子,磨平→刷第一遍涂料→刷第二遍涂料五、施工工艺1、刮腻子前在混凝土墙面上先喷、刷一道胶水(水:乳液为5:1)要喷刷均匀,不得有遗漏。
2、满刮腻子,刮腻子时应横竖刮,即第一遍腻子横向刮,第二遍腻子竖向刮。
注意按搓和收头时腻子要刮净,每道腻子干燥后应用砂纸打磨,将腻子磨平后并将浮尘擦净。
3、护角条,用腻子制作膏状桨料,搅拌均匀,将桨料抹在墙角的两边,并且保持一定的厚度;将护角条紧贴墙角,找准水平垂直,刮去孔洞溢出的桨料;干燥后用砂纸打磨。
4、涂刷第一遍涂料,涂刷时应先上后下。
干燥后复补腻子,待复补腻子干燥后用砂纸磨光。
隔1天后,可涂刷第二遍。
5、在第二遍操作时不宜来回多次涂刷,以避免溶松第一遍漆膜,或出现显着的漆刷涂饰痕迹,影响质量。
注意涂料遮盖力情况,以便随时掌握和调整涂饰的松紧,确保涂料色泽的均匀性。
六、成品保护1、施涂时首先清理好周围环境,防止粉尘飞扬而影响涂饰质量。
2、不得污染窗台、门窗、玻璃等已完成的分项工程。
3、涂饰墙面完工后,要妥善保护,不得磕碰、污染墙面。
七、安全措施1、所有工人应严格执行并避守安全操作规程,加强职业健康安全意识,上架施工时佩藏个人防护用品。
内墙腻子涂料施工方案一、施工前准备。
在进行内墙腻子涂料施工前,首先需要对施工现场进行清理和整理,确保墙面干净整洁。
同时,要对墙面进行检查,确保墙面没有裂缝和凹凸不平的情况。
如果有裂缝,需要先进行修补,确保墙面平整。
另外,还需要准备好腻子涂料、刮刀、砂纸、扇形砂轮机等施工工具和材料。
二、腻子涂料施工步骤。
1. 墙面打磨处理。
首先,对墙面进行打磨处理,去除墙面的浮灰和松散的底材,确保墙面干净平整。
可以使用砂纸或扇形砂轮机进行打磨,打磨后用清洁布擦拭墙面,确保墙面无灰尘。
2. 腻子涂料调制。
将腻子涂料倒入容器中,加入适量清水进行搅拌,直至腻子涂料呈现出均匀的稠度。
注意,搅拌时要均匀用力,确保腻子涂料的质地均匀。
3. 腻子涂料施工。
将调制好的腻子涂料涂抹在墙面上,用刮刀均匀地刮开,形成一层薄薄的腻子层。
在施工过程中,要注意力度的掌握,确保腻子层的厚度均匀一致。
4. 腻子层打磨。
待腻子层干燥后,使用砂纸对腻子层进行打磨,去除表面的粗糙和不平整,使墙面更加光滑平整。
打磨后,用清洁布擦拭墙面,确保墙面干净。
5. 腻子涂料二次施工。
根据需要,可以进行腻子涂料的二次施工,重复以上的施工步骤,直至墙面达到所需的效果为止。
在施工过程中,要注意腻子涂料的厚度和均匀度,确保墙面的质地一致。
6. 防水处理(可选)。
如果需要对墙面进行防水处理,可以在腻子涂料施工完成后,进行防水涂料的涂刷,确保墙面具有良好的防水性能。
三、施工注意事项。
1. 施工环境要求干燥通风,避免施工过程中墙面受潮或受阳光直射。
2. 施工时要注意保护好施工现场周边的物品,避免腻子涂料溅落到其他物品上造成污染。
3. 施工完毕后,要对施工工具进行清洗,确保下次使用时工具干净。
四、施工完成后的验收。
施工完成后,要对墙面进行仔细的验收,确保墙面平整光滑,无裂缝和凹凸不平的情况。
同时,要检查墙面的颜色和质地是否符合要求,确保施工效果达到预期。
以上就是内墙腻子涂料施工方案的全部内容,希望能对您有所帮助。
内墙腻子涂料工程施工方案一、项目概述内墙腻子涂料工程是指在建筑内部墙面上进行腻子处理和涂料施工的过程。
该工程是建筑装饰的重要环节,直接影响到房屋的整体美观程度和使用寿命。
因此,在进行内墙腻子涂料工程时,必须按照标准规范和施工要求进行施工,确保施工质量和效果。
二、施工前准备工作1. 确定施工计划:根据施工合同和设计要求,确定内墙腻子涂料工程的开始时间和施工周期。
2. 编制施工方案:根据设计要求和实际情况,编制内墙腻子涂料工程的具体施工方案,包括施工工艺、材料要求和质量验收标准等内容。
3. 准备施工材料:根据设计要求和施工方案,准备好所需要的腻子、底漆、面漆等施工材料。
4. 检查施工现场:对施工现场进行检查,确保施工场地干净整洁,没有堆放杂物,保证施工顺利进行。
5. 安全措施:制定相关安全措施,确保施工过程中工人安全。
6. 施工设备:准备好施工所需的腻子刮刀、批刀、电动混凝土搅拌机等设备。
7. 施工人员:确保施工人员具备相应的岗位资质和经验,能够按照设计要求进行施工。
三、施工流程1. 打磨处理:在进行腻子涂料施工之前,需要对墙面进行打磨处理,去除墙面上的灰尘、污垢和砂粒。
2. 填补裂缝:对墙面上的裂缝和凹洞进行填补处理,使用腻子将裂缝和凹洞填平,保证墙面平整。
3. 底漆涂刷:在填补裂缝后,需要对墙面进行底漆涂刷,加强底层附着力,提高腻子和涂料的附着性能。
4. 腻子处理:根据设计要求,在墙面上进行腻子处理,通过多次刮涂,使墙面表面平整光滑,确保涂料的附着性和美观度。
5. 面漆涂刷:在腻子处理完成后,对墙面进行面漆涂刷,选择合适的颜色和涂料,保证内墙装饰效果达到设计要求。
6. 质量验收:施工结束后进行质量验收,检查腻子和涂料的平整度、光泽度和颜色是否符合设计要求,确保施工质量合格。
四、施工注意事项1. 施工环境:施工时应保持施工环境干燥通风,避免大风和雨天施工,以免影响施工效果。
2. 施工质量:确保施工质量符合相关标准和要求,避免出现腻子开裂、漏底、脱落等现象。
内墙腻子涂料施工方案1. 简介内墙腻子涂料是一种常用的室内装饰材料,具有平整度高、覆盖力强、修补性好等特点。
本文档将详细介绍内墙腻子涂料的施工方案及注意事项。
2. 施工准备在进行内墙腻子涂料施工之前,需要进行以下准备工作:2.1 材料准备准备好以下材料: - 内墙腻子涂料 - 砂纸或砂布 - 打磨机 - 刷子或滚筒 - 粉刷工具2.2 表面处理清理墙面,确保墙面干净、光滑,无油污、灰尘等杂质。
如有旧涂层,需先清除旧涂层,使墙面光滑均匀。
3. 施工步骤以下为内墙腻子涂料的施工步骤:3.1 打磨墙面使用砂纸或砂布梳理墙面,去除粗糙和不平整的部分。
可以使用打磨机加快处理速度,确保墙面平整。
3.2 涂刷底漆在墙面上涂刷一层底漆,提高腻子涂料的附着力,并防止墙面产生渗透性问题。
底漆需要等待干燥后才能进行下一步操作。
3.3 腻子涂料施工使用刷子或滚筒,将腻子涂料均匀地涂刷在墙面上。
涂刷时要注意用力均匀,避免涂刷过厚或过薄,以免影响最终效果。
待腻子涂料干燥后,可以根据需要进行第二遍施工。
3.4 打磨处理待腻子涂料干燥完全后,使用砂纸或砂布轻轻打磨墙面。
打磨的目的是使墙面光滑均匀,消除涂料表面的瑕疵。
打磨后要及时清理灰尘,保持墙面的整洁。
3.5 二次腻子施工(可选)根据需要,可以进行第二遍腻子涂料的施工。
重复步骤3.3和3.4,直到墙面达到预期效果为止。
3.6 最终涂料施工等待腻子涂料干燥后,可以进行最终的涂料施工。
选择适合的墙面涂料进行涂刷,根据涂料的使用说明进行操作。
涂刷涂料时,要遵循涂料的施工原则,保证涂料的均匀覆盖,避免出现刷痕和滴落。
4. 注意事项在进行内墙腻子涂料施工时,需要注意以下事项:1.施工过程中要保持通风良好,避免吸入有害气体。
2.涂刷涂料时,要避免在高温、潮湿或冷冻条件下施工,影响涂料的质量。
3.所用材料要符合国家标准,并从正规渠道购买,确保质量可靠。
4.施工过程中要注意保护好工具,避免污染和损坏。
第1篇一、施工准备1. 工具准备:刮刀、砂纸、毛刷、滚筒、腻子粉、油漆、脱漆剂、清洁剂等。
2. 材料准备:根据墙面、家具等实际情况选择合适的腻子粉、油漆、脱漆剂等。
3. 环境准备:确保施工现场通风良好,避免在潮湿、阴冷、高温等不良环境下施工。
二、施工步骤1. 基层处理:检查墙面、家具等基层是否存在裂缝、凹凸、污渍等问题,如有问题需进行处理。
2. 脱漆:对于需要重新刷漆的墙面或家具,先用脱漆剂将旧漆去除,然后用砂纸打磨平整。
3. 打磨:用砂纸对墙面、家具表面进行打磨,去除浮尘、毛刺,使表面光滑。
4. 刮腻子:根据墙面、家具的实际情况选择合适的腻子粉,按照以下步骤进行操作:a. 按照腻子粉的调配比例,将腻子粉与清水、胶水等材料混合均匀。
b. 将调好的腻子涂刷在墙面、家具表面,用刮刀进行刮平。
c. 等腻子干燥后,检查墙面、家具表面是否有凹凸不平的地方,如有,需进行第二次刮腻子。
d. 重复以上步骤,直至墙面、家具表面平整、光滑。
5. 打磨腻子:待腻子干燥后,用砂纸对墙面、家具表面进行打磨,去除多余的腻子,使表面更加光滑。
6. 刷底漆:在墙面、家具表面均匀涂刷底漆,增加附着力,防止油漆脱落。
7. 刷油漆:按照以下步骤进行操作:a. 将油漆搅拌均匀。
b. 用毛刷或滚筒将油漆涂刷在墙面、家具表面。
c. 待油漆干燥后,检查墙面、家具表面是否有油漆脱落、起泡等问题,如有,需进行修补。
d. 重复以上步骤,直至墙面、家具表面油漆均匀、光滑。
8. 抛光:待油漆干燥后,用抛光蜡对墙面、家具表面进行抛光,使表面更加光滑、亮丽。
三、施工注意事项1. 施工过程中要保持施工现场整洁,避免污染墙面、家具等。
2. 刮腻子、刷油漆时,注意用力均匀,避免出现凹凸不平、油漆脱落等问题。
3. 施工过程中要确保通风良好,避免油漆、腻子等材料挥发对人体造成伤害。
4. 施工结束后,对施工现场进行清理,确保无污染、无残留。
5. 施工过程中要严格遵守施工规范,确保工程质量。
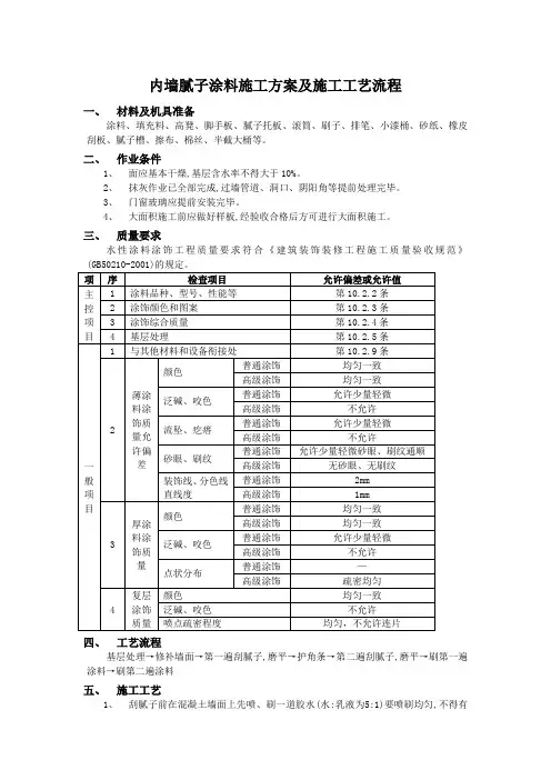
内墙腻子涂料施工方案及施工工艺流程
一、材料及机具准备
涂料、填充料、高凳、脚手板、腻子托板、滚筒、刷子、排笔、小漆桶、砂纸、橡皮
刮板、腻子槽、擦布、棉丝、半截大桶等。
二、作业条件
1、面应基本干燥,基层含水率不得大于10%。
2、抹灰作业已全部完成, 过墙管道、洞口、阴阳角等提前处理完毕。
3、门窗玻璃应提前安装完毕。
4、大面积施工前应做好样板, 经验收合格后方可进行大面积施工。
三、质量要求
水性涂料涂饰工程质量要求符合《建筑装饰装修工程施工质量验收规范》(GB50210-2001) 的规定。
项序检查项目
主1涂料品种、型号、性能等
控2涂饰颜色和图案
项3涂饰综合质量
目4基层处理
1与其他材料和设备衔接处
颜色
薄涂
泛碱、咬色
料涂
2饰质
流坠、疙瘩量允
许偏
砂眼、刷纹
一差
般装饰线、分色线项直线度
目
颜色
厚涂
3料涂
泛碱、咬色饰质
量
点状分布复层颜色
4涂饰泛碱、咬色
质量喷点疏密程度
允许偏差或允许值
第 10.2.2条
第 10.2.3条
第 10.2.4条
第 10.2.5条
第 10.2.9条
普通涂饰均匀一致
高级涂饰均匀一致
普通涂饰允许少量轻微
高级涂饰不允许
普通涂饰允许少量轻微
高级涂饰不允许
普通涂饰允许少量轻微砂眼、刷纹通顺高级涂饰无砂眼、无刷纹
普通涂饰2mm
高级涂饰1mm
普通涂饰均匀一致
高级涂饰均匀一致
普通涂饰允许少量轻微
高级涂饰不允许
普通涂饰—
高级涂饰疏密均匀
均匀一致
不允许
均匀,不允许连片
四、工艺流程
基层处理→修补墙面→第一遍刮腻子 , 磨平→护角条→第二遍刮腻子 , 磨平→刷第一遍涂料→刷第二遍涂料
五、施工工艺
1、刮腻子前在混凝土墙面上先喷、刷一道胶水( 水 : 乳液为 5:1) 要喷刷均匀 , 不得有
遗漏。
2、满刮腻子 , 刮腻子时应横竖刮 , 即第一遍腻子横向刮 , 第二遍腻子竖向刮。
注意按
搓和收头时腻子要刮净, 每道腻子干燥后应用砂纸打磨, 将腻子磨平后并将浮尘
擦净。
3、护角条,用腻子制作膏状桨料,搅拌均匀,将桨料抹在墙角的两边,并且保持一
定的厚度 ; 将护角条紧贴墙角,找准水平垂直,刮去孔洞溢出的桨料;干燥后用砂
纸打磨。
4、涂刷第一遍涂料 , 涂刷时应先上后下。
干燥后复补腻子, 待复补腻子干燥后用砂纸
磨光。
隔 1天后 , 可涂刷第二遍。
5、在第二遍操作时不宜来回多次涂刷, 以避免溶松第一遍漆膜, 或出现显著的漆刷
涂饰痕迹 , 影响质量。
注意涂料遮盖力情况, 以便随时掌握和调整涂饰的松紧, 确
保涂料色泽的均匀性。
六、成品保护
1、施涂时首先清理好周围环境, 防止粉尘飞扬而影响涂饰质量。
2、不得污染窗台、门窗、玻璃等已完成的分项工程。
3、涂饰墙面完工后, 要妥善保护 , 不得磕碰、污染墙面。
七、安全措施
1、所有工人应严格执行并避守安全操作规程, 加强职业健康安全意识, 上架施工时
佩藏个人防护用品。
尤其注意要系好安全带。
2、外架使用前应对整个架体进行检查和检修, 验收合格后方可使用。
3、在脚手架上施工 , 面砖及小型工其等应放在不易掉落的地方, 以免离空落物伤人。
施工时不得出现立体交叉作业。
项目经理签名:项目总工签名:
现场施工员签名:班组长签名:
年月日。