ISO体系专员岗位职责说明书
- 格式:doc
- 大小:75.00 KB
- 文档页数:1
iso专员岗位职责想从事iso专员这个岗位吗,那你了解这个岗位吗。
下面是为您提供的3篇关于iso专员的岗位职责范文,希望能够帮助到有需要的朋友!iso专员岗位职责范文一1、客户来厂审查的陪同与处理;2、客户审查不合格事项的回复与跟踪确认;3、客户要求提交环保资料的确认;4、我司相關环保信息向供货商的传达;5、要求供货商提交的环保资料之确认;6、管理评審相关事项的跟进;7、内部审查的制定、确认与监督执行;8、外部审查的准备与陪同及不合格项的改善跟踪与回复;9、内部体系的宣传培训及监督执行;10、体系文件的管控与修定;11、文控中心事務的处理;12、内部稽核不合格事项的回复跟踪与效果确认;13、体系资料的收集等。
iso专员岗位职责范文二1、组织体系文件的编写、修改。
2、日常体系运行的维护、监督及检查。
3、内审计划的编制、内审总结。
4、管理评审计划的编制、会议记要起草。
5、公司方针修改意见方案建议稿。
6、协调几个主管部门之间的关系(如质量、安全、环境、计量等)。
7、ISO的培训计划。
8、管理者代表交办的任务。
9、同审核机构的沟通和联系。
10、体系持续改进方案的提出。
11、不合格或不符合监督验证(对验证的验证)。
12、跟踪标准的变化及新标准出台的动态。
13、其他相关方的。
iso专员岗位职责范文三1、每月对部长、主任及员工做两次营销管理及市场营销等相关知识培训。
2、每月参加企划培训一次,努力提高自身企划水平,重视个人学习以适应市场发展需求。
3、每日以电话形式与省外分公司沟通一次,及时传达推广部会议精神,帮他们找出问题,并拿出解决方案。
4、从客观实际出发,制定分配各分公司的每月销售任务。
5、监督、督促各分公司营销计划及各项工作落实情况,并随时加以鼓励,指正。
6、做好各部门及总经理之间的沟通,将公司最新营销技巧及重要指示传达于各分公司。
7、每月15日及下月1日向总经理递交工作总结及工作计划。
8、每周日3:00以前将本周工作总结汇报于总经理。
体系专员岗位职责说明书一、岗位概述体系专员是企业内部体系管理部门的核心职位,主要负责制定、实施、监控体系管理体系,并确保其符合国际标准化组织(ISO)和其他相关标准的要求。
岗位要求专业知识扎实,能够独立负责企业体系管理工作。
二、岗位职责1. 负责企业体系规划、制定和实施。
2. 确保体系文件的更新及审核,做好文件控制工作。
3. 组织体系内部审核和第三方审核准备工作,并配合审核人员进行审核。
4. 确保体系管理的有效性、可靠性、可持续性,推动持续改善。
5. 监控体系相关业务的执行情况,各部门的目标达成情况并及时发现问题、纠正和预防问题的发生。
6. 为公司内部培训体系知识和优化改进流程提供支持。
7. 协助上级主管完成其他相关工作。
三、岗位要求1. 具备较强的组织协调能力、沟通能力和团队合作能力。
2. 具有良好的计划与管理能力,精通项目管理方法和工具的使用。
3. 熟练掌握企业管理体系标准,如ISO9001、ISO14001和ISO45001等。
4. 熟悉企业相关业务流程,了解各业务流程的操作规范和标准。
5. 具有较强的学习和实践能力。
6. 具有优秀的英语基础,能够熟练阅读ISO标准和其他相关文件。
7. 本科及以上学历,相关专业优先。
四、岗位考核标准1. 完成企业体系规划、制定和实施工作。
2. 完成体系文件的更新及审核、文件控制工作。
3. 完成各类审核的准备工作。
4. 推动体系改进工作,提高体系管理的执行效果。
5. 按照公司要求完成其他作业。
五、发展前景体系专员是企业内部体系管理部门的核心岗位,独立开展工作,技能和职位成长空间大。
能够继续深入了解国内外标准的实施和发展,参与优秀体系实施项目,也可升职至体系主管或撰写国家/国际标准。
体系专员岗位职责说明书体系专员是企业体系建设中的核心人才,其岗位职责是保证企业体系规范化、标准化、有效性的实施,以期达到提高企业管理水平、优化业务流程、提高工作效率,从而促进企业的可持续发展。
一、建立和完善体系文件体系专员需要对企业体系文件进行编写、修订和发布,包括但不限于质量体系文件、环境、职业健康安全等方面文件。
对于新的法规、标准和规范做出更新,规范化管理体系文件的编写,并且负责统计、归档、备案、报表上报等相关工作。
二、组织和安排内部审核体系专员要负责对企业内部各种体系审核的组织和安排。
他们在审核过程中要依据内部审核计划、内部审核程序和审核标准等,对各项管理体系进行检查、评估,如发现问题,要及时跟进整改。
三、指导和支持业务部门体系专员还需要对业务部门进行指导和支持,帮助他们了解质量、环境等方面的影响因素,以便在工作中加以考虑和改进。
体系专员还要对业务部门的规范化管理进行定期检查,并提供必要的支持与帮助,确保业务部门的管理质量。
四、协助外部审核为保证企业体系的标准化执行,体系专员还需要与国际或者国内的认证机构进行交流,确定外部审核的时间和方式。
专员需要在外部审核的准备阶段提供必要的文件和证据,以及应对可能出现的风险和问题。
五、合作与贡献体系专员还需要合作和贡献,参与内部和外部,以及国家和国际的体系标准活动。
此举在帮助企业形成自身核心优势和全面竞争实力的同时,也有利于加强专业技能的培养。
六、关注和引领变革体系专员应认识到不断变化的市场环境带来的各种影响和机遇,关注各种标准和法规的变化。
专员还应引领企业不断变革,促进企业体系标准化的优化、满足客户需求。
总结体系专员是企业体系管理的中坚力量,他们的工作直接关系到企业的管理效率和质量,也是企业实现社会经济效益和社会贡献的重要保障。
广泛应用体系专员人才,有利于企业不断提高自身管理体系水平,激励内部员工积极参与企业的管理、创新和创造,该专业也是当今社会急需的人才之一。
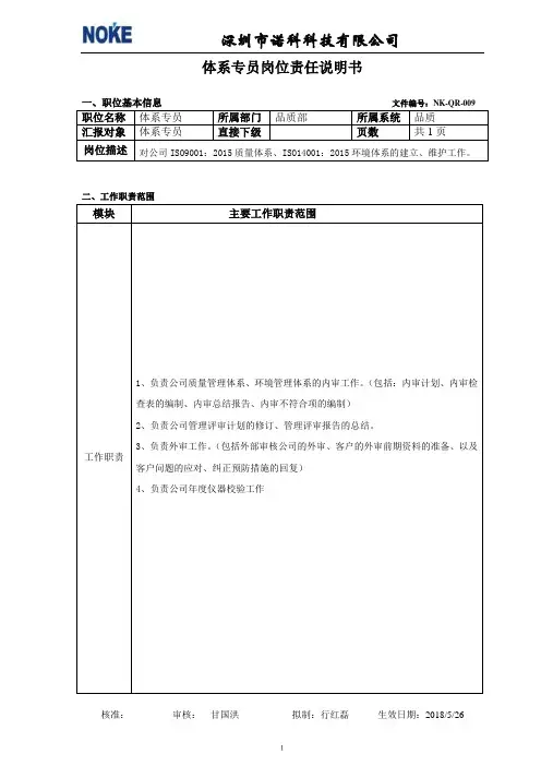
质量体系专员岗位说明书一、岗位基本信息岗位名称质量体系专员岗位编号所属部门质控部岗位定员1人岗位序列岗位层级职业发展规划质控部长直接上级岗位名称质控部长直接下属岗位名称及人数二、工作目的维护ISO质量管理体系、特种设备制造、安装质量保证体系;制定内审及管理评审计划并组织实施;检查监督质量体系运行;三、主要工作职责概述内容描述考核权重管理方面1.维护ISO9000质量管理体系、特种设备制造、安装质量保证体系;制定内审及管理评审计划并组织实施;检查监督质量体系运行;2.参与制定、修改企业质量管理文件;职责方面3.配合工艺责任师每周一次工艺纪律检查,监督生产车间规范生产,检查生产现场人、机、物、料、法等各环节是否得到有效控制;4.质量信息的统计与分析,文件的起草与录入;5.其他体系相关职责及上级领导临时交办的相关工作。
概述内容描述考核权重费用控制方面1.加强质量体系管理,为降低生产成本和服务成本创造条件。
2.严格执行公司财务管理制度,培养员工节约习惯,控制日常费用支出。
四、主要工作权限业务类1、有权对任何工艺检查不合格的工作项目予以禁止,进行分析并提出处理意见,直至合格;2、有权对工作相关部门提出纠正和预防措施建议;3、有履行所属部门职权范围内的一切权利。
五、主要工作关系职位关系示意图内部工作关系沟通方式部门及岗位沟通内容形式汇报质控部长各种质量体系相关问题书面、口头协调其它部门内部联络单书面、口头外部工作关系行政主管文件资料申报、联系,法律法规外审外审文件资料申报、联系联络材料检验员质控内勤质控部长工序成品检验质量体系专员六、工作特征与工作条件时间要求特殊情况下加班工作设备电脑,电话。
工作环境室内七、任职资格最低学历大专专业要求理工科相关专业工作经验两年以上制造业质检或质量管理工作,具有ISO9000内审员资格;资格证书具有ISO内审员资格专业知识ISO质量体系认证管理知识、企业管理、财务管理、质量管理、制造管理等专业技能熟悉质检的相关标准上岗培训要求法规、制度、体系等能力素质要求1.具有与公司企业文化一致的思想和价值观:原则性强、正直诚信、宽容大度;2.具有良好的沟通能力、分析判断和决策能力;3.具有极强的沟通表达能力和逻辑思维能力;4.优秀的组织策划和带领团队工作能力。
职位概要:
环境管理系统、品质管理系统的维护,协助主管对品质系统推行、维护与完善;工作内容:
▲顾客环境管理系统要求收集确认,主导顾客有害物质管理系统稽核;
▲落实执行上级要求事项并反馈呈报;
▲负责维护公司环境系统的持续性;
▲组织公司每年两次的内审工作;
▲管理评审报告、环境绩效的评估即合规性评价;
▲协助主管对新系统的推行、维护工作及召集各部门文件编写人员做资料整理;
▲顾客来访稽核及处理顾客要求完成的系统自评资料;
▲顾客稽核缺失的回复与追踪;
▲协助主管处理第三方审核的工作及协调沟通;
▲部门环境因素的识别与评价、紧急因素的预防与处理、废弃物的分类管理;
▲明确环境法律,法规及其他要求;明确顾客环保要求;
任职资格:
教育背景:
◆大专学历。
培训经历:
◆受过ISO标准化知识、APQP、SPC、QC七大手法等方面的培训。
经验:
◆2年以上相关工作经验。
技能技巧:
◆熟悉公司环境管理程序文件及规范;
◆具有协调沟通及统筹安排能力;
态度:
◆性格外向,擅于与人沟通;人际关系良好,具备责任心及发挥团队协作精神。
晋升方向间接下属轮转岗位品保部
直接下属
系统工程师
版本(次)
所属部门
品保部岗位职掌说明书
A
权限:绩效指标:文件编号
职位名称
职等职级填写日期直属上级品保部主任薪金标准。
iso专员岗位职责iso专员岗位职责在当下社会,许多地方都会使用到岗位职责,任何岗位职责都是一个责任、权力与义务的综合体,有多大的权力就应当担当多大的责任,有多大的权力和责任应当尽多大的义务,任何割裂开来的做法都会发生问题。
拟起岗位职责来就毫无头绪?以下是我细心整理的iso 专员岗位职责,仅供参考,欢迎大家阅读。
iso专员岗位职责1职责描述:一、岗位职责1.贯彻执行国家、省、市有关城市管理的方针、政策、法律法规。
2.贯彻执行公司的'质量方针和目标。
3.协作及执行公司质量规章制度及文件内容。
4.负责公司内部对市政管理部检查工作的跟进。
5.负责跟进公司品质部发给市政管理部的整改单及不合格处理单等工作。
6.负责制定部门工作流程。
7.负责部门iso文件(如岗位职责、管理制度、工作表格)的制定和准时更新。
8.负责记录部门工作会议纪要。
9.完成上级领导支配的其他任务。
二、岗位目标依据公司的质量方针和目标,执行公司质量管理制度,完成领导交付的工作任务。
三、职位要求1、吃苦耐劳,仔细乐观,处事公正公正,有较强的工作责任心。
2、良好的口头表达力量和书面表达力量。
3、应变力量强,具有较强的沟通和协调力量4、有较为丰富的物业管理理论学问及具备肯定的物业管理实操作力量,了解、熟识行业状况,娴熟把握iso9001质量管理体系的运作。
5、具有一年以上物业管理同职工作阅历;有iso内审员证书优先6、具有良好的职业操守,听从领导支配。
7、大专以上学历。
岗位要求:学历要求:大专语言要求:不限年龄要求:不限工作年限:1年iso专员岗位职责2职位描述:1、负责企业iso9001及iso14001两体系的运作、持续改进等工作组织。
2、负责体系文件的编制,流程规范。
3、负责全部制度的文件管控。
4、负责监督与推动公司的制度执行,并定期提出、策划体系内部审核流程。
5、定期对文件进行检查、评审(使用状态、相宜性、是否按规定执行等)。
6、负责外来文件的分发、核查与管理监控。
ISO岗位责任书一、岗位名称:ISO专员二、岗位职责:1.确保公司ISO管理体系的有效运行和持续改进:a. 协助制定、修订和完善ISO管理体系相关文件;b. 定期对公司ISO管理体系进行内部审核,确保其符合标准要求;c. 组织并参与外部审核,确保顺利通过ISO认证;d. 对公司各部门ISO执行情况进行监督和检查,提出改进建议。
2.文件管理:a. 负责ISO文件的编制、审核、归档和更新工作;b. 确保ISO文件与实际操作的一致性,及时调整文件内容;c. 负责ISO文件的借阅、归还等管理工作。
3.培训与宣传:a. 对新员工进行ISO管理体系的培训;b. 定期组织ISO管理体系的内外部培训和交流活动;c. 宣传ISO管理体系的理念和方法,提高员工的ISO意识。
4.协调与沟通:a. 协调公司各部门之间的关系,确保ISO管理体系的有效实施;b. 与认证机构保持良好沟通,及时了解和反馈信息;c. 负责与其他企业或组织的ISO交流与合作。
5.其他工作:a. 参与公司质量目标的制定和实施;b. 协助其他部门开展质量管理工作;c. 完成领导交办的其他任务。
三、工作要求:1.不断提高自己的工作效率和进度,确保按时完成工作任务;2.严格遵守公司规章制度,保证自己的工作质量和标准;3.保持良好的工作态度和心态,积极主动地解决问题;4.具备一定的专业能力和技能,不断学习和提升自己的知识水平。
四、考核与奖惩:1.公司将定期对ISO专员的工作进行考核,考核结果将作为晋升、调薪的重要依据;2.对于工作表现优秀的ISO专员,公司将给予相应的奖励和表彰;3.对于工作表现不佳的ISO专员,公司将进行辅导、培训,如仍未改善,将予以调岗或辞退处理。
五、专业能力和技能要求:1.熟练掌握ISO9001、ISO14001、ISO45001等管理体系标准,了解其核心理念和应用方法;2.具备良好的文件编写能力,能够独立编制、修订ISO管理体系文件;3.熟悉企业质量、环境、职业健康安全等方面的管理流程和业务流程;4.具有较强的沟通、协调和组织能力,能够与各部门保持良好的合作关系;5.了解质量工具和方法,如FMEA、SPC、MSA等,能够运用这些工具进行问题分析和解决;6.具备一定的培训和指导能力,能够对其他员工进行ISO管理体系的培训和指导。
体系专员工作岗位职责要求部门行政部岗位名称体系专员人员配置1直属上司行政主管直属下属文控中心第一代理人文控第二代理人人事工作职责工作内容工作要求1.ICTIISO9001,ISO14000体系的推行及认证主导ICTI的验厂和推行ISO9001和ISO14000的管理体系和各种文件表格编号的管理持续跟进2.ICTI程序文件的完善和推行落实ICTI程序文件并监督执行持续提出预防措施并跟进结果按要求3.建立ISO9001和ISO14000管理体系对程序文件实施文件控制管理按要求体系的运作培训实施和监督随时管理体系的修订和内审的主导按要求4.文件的控制和管理文件的控制按要求文件的修订报废及控管每天5、体系文件及程序的培训和推行各程序文件的培训和现场指导按要求组织体系的评审和体系的适合性讨论随时程序运作的指导和培训按要求各种相关的培训的实施6.主持培训及安排培训的安排和主持按要求培训内容的准备按要求7.客户验厂的安排对各户验厂的准备工作和资料审查按要求对不合格项的纠正预防措施的跟进及时验厂后的跟踪和处理按要求____日常事务总经办临时安排的事宜准时任职资格:1.男女不限____岁以上2.大专以上文化程度,有ICTI和ISO9001及ISO14000工作经验经验____年以上,FQC岗位职责说明书部门品管部岗位名称直属上司部门主管直属下属第一代理人员工第二代理人员工工作职责工作内容工作要求1.最后工序的全检对所有新上线的产品进行检验,确认合格后方可放行,保证不良品流如下道工序和出货随时2.记录不良数量统计不良数量报QC持续提出不良原因给QC,QC作好记录,并提出预防措施每天下班前3.听从组长的安排接受组长的安排每时了解产品的检验标准对流程卡转入下个工序的签字确认准时4.新产品的试装。
生产的配件必要时跟踪试装和测试按要求做好各工序的检验工作每天5、品质部提供检验标准图纸和技术资料按辞工时间交接完后,开放行条操作作业知道书随时工模夹具及时潜在的质量状况及时上报6.生产中报废的统计检验不良的数量统计按要求报废数量的统计按要求7.对每个产品的质量负责全检标准实施及时不良品的上报确认按要求____日常事务准时任职资格:1.男女不限____岁以上2.高中以上文化程度,有工作经验经验____年以上,OQC岗位职责说明书部门品管部岗位名称人员配置____人直属上司品质主管直属下属第一代理人IPQC第二代理人工作职责工作内容1.成品的检验。
体系专员工作岗位职责要求范本体系专员是企业或组织中负责制定、实施和优化管理体系的专业人员。
他们在确保组织的各个方面符合相关标准和法规的同时,还负责协调各个部门之间的沟通和合作。
以下是体系专员在工作岗位上的职责要求范本。
1. 负责制定和修订管理体系相关的政策、规程和操作指南,确保其符合当地法规和标准的要求。
2. 组织并参与体系审核,包括内部审核、外部审核和认证审核,确保公司的体系符合相关的国际标准和客户要求。
3. 跟踪和监测体系的执行情况,定期进行数据分析和评估,并提出改善措施以优化体系效能。
4. 协调各个部门的沟通和合作,确保管理体系在全公司范围内有效落实和执行。
5. 提供培训和指导,确保公司员工对体系的要求和流程有正确的理解和应用。
6. 处理与管理体系相关的投诉和纠纷,进行调查并及时采取必要的纠正和预防措施。
7. 跟踪和评估管理体系的风险,制定风险管理计划,并持续监控和改进管理体系的风险控制措施。
8. 协助公司进行质量、环境、职业安全健康等方面的认证和评审工作。
9. 参与公司的改进项目,为公司的持续改进提供支持和建议。
10. 跟踪和了解相关的法规和标准的最新动态,及时调整和完善管理体系的相关政策和程序。
11. 与客户、供应商和监管机构进行沟通和协调,确保公司的体系满足外部利益相关方的要求。
12. 提供管理体系方面的咨询和支持,协助公司解决管理体系方面的问题和难题。
13. 积极参与体系认证和评审的准备工作,并全力支持体系认证和评审的顺利进行。
体系专员在工作岗位上承担着重要的责任,并且需要具备一定的专业知识和技能。
除了以上列举的职责要求,体系专员还应具备良好的沟通和协调能力,能够与不同部门和不同层级的人员进行有效的沟通和合作。
此外,他们还需要具备良好的分析能力和问题解决能力,能够快速发现问题并采取合适的措施进行解决。
最后,体系专员还应具备较强的自我管理能力和学习能力,能够不断提升自己的专业水平和业务能力。
体系专员岗位职责说明书一、岗位概述体系专员是负责组织和管理企业内部的体系建设和运作的专业人员。
他们负责制定、实施和监督各项体系管理标准,并确保企业的工作流程和运作符合相关法规和国际标准。
本文将详细介绍体系专员的职责和要求。
二、职责细则1. 制定和完善企业体系管理标准:体系专员应了解有关的法规和国际标准,结合企业实际情况,制定和完善体系管理标准,并定期进行更新和修订。
2. 组织体系培训和宣贯:体系专员负责组织内部培训,向员工介绍和普及体系管理标准,确保员工对体系要求有清楚的了解,并能够准确执行。
3. 管理体系文件和记录:体系专员应负责管理体系文件和记录,确保文件完整、准确,能够为体系审核、考核等提供支持。
4. 监督体系执行情况:体系专员应监督体系执行情况,定期进行内部审核,确保体系的有效运行,并及时发现和纠正问题。
5. 协助体系审核和认证:体系专员应协助进行体系审核和认证工作,与审核机构进行沟通和协商,确保审核工作的顺利进行,并及时跟进整改措施。
6. 监测体系运行效果:体系专员负责监测体系运行效果,收集并分析各项指标数据,提出改进建议,并协助相关部门进行改进措施的制定和实施。
7. 维护体系运行的信息系统:体系专员应维护体系运行的信息系统,确保数据的准确性和安全性,并及时解决系统故障和问题。
8. 参与体系培训和学习:体系专员应持续学习和更新相关知识,参加培训和研讨会,提高自身的专业素质和能力。
三、职责要求1. 熟悉体系管理标准:体系专员需要具备扎实的体系管理知识,熟悉ISO9001、ISO14001、ISO45001等相关标准,能够灵活运用于实际工作。
2. 具备良好的沟通能力:体系专员需要与各部门进行良好的沟通,分享体系管理标准,并能够倾听和解决相关问题,促进企业体系的有效运行。
3. 具备较强的组织和协调能力:体系专员需要对各项工作进行有效组织和协调,能够平衡各项任务的优先级,并按时完成任务。
4. 注重细节,具备严谨的工作态度:体系专员需要对体系文件和记录保持高度的准确性和完整性,并严格按照标准要求进行工作,保证体系的有效性。
体系专员工作岗位职责要求范文体系专员是企业或组织中负责制定、实施和优化管理体系的专业人员。
他们在确保组织的各个方面符合相关标准和法规的同时,还负责协调各个部门之间的沟通和合作。
以下是体系专员在工作岗位上的职责要求范本。
1. 负责制定和修订管理体系相关的政策、规程和操作指南,确保其符合当地法规和标准的要求。
2. 组织并参与体系审核,包括内部审核、外部审核和认证审核,确保公司的体系符合相关的国际标准和客户要求。
3. 跟踪和监测体系的执行情况,定期进行数据分析和评估,并提出改善措施以优化体系效能。
4. 协调各个部门的沟通和合作,确保管理体系在全公司范围内有效落实和执行。
5. 提供培训和指导,确保公司员工对体系的要求和流程有正确的理解和应用。
6. 处理与管理体系相关的投诉和纠纷,进行调查并及时采取必要的纠正和预防措施。
7. 跟踪和评估管理体系的风险,制定风险管理计划,并持续监控和改进管理体系的风险控制措施。
8. 协助公司进行质量、环境、职业安全健康等方面的认证和评审工作。
9. 参与公司的改进项目,为公司的持续改进提供支持和建议。
10. 跟踪和了解相关的法规和标准的最新动态,及时调整和完善管理体系的相关政策和程序。
11. 与客户、供应商和监管机构进行沟通和协调,确保公司的体系满足外部利益相关方的要求。
12. 提供管理体系方面的咨询和支持,协助公司解决管理体系方面的问题和难题。
13. 积极参与体系认证和评审的准备工作,并全力支持体系认证和评审的顺利进行。
体系专员在工作岗位上承担着重要的责任,并且需要具备一定的专业知识和技能。
除了以上列举的职责要求,体系专员还应具备良好的沟通和协调能力,能够与不同部门和不同层级的人员进行有效的沟通和合作。
此外,他们还需要具备良好的分析能力和问题解决能力,能够快速发现问题并采取合适的措施进行解决。
最后,体系专员还应具备较强的自我管理能力和学习能力,能够不断提升自己的专业水平和业务能力。
ISO专员岗位说明书
ISO专员岗位说明书
职位名称:
iso专员、职位代码、所属部门、品质部、职等职级、直接上级、核准人、品质部经理、直接下属、文控文员、间接下属、晋升方向职位概要:
建立、完善和维护公司的质量和环境管理体系,主导iso系列的认证以及内、外审工作。
工作内容:
①负责公司整个的iso体系的建立、实施、运行与监督;
②负责相关文件的编写、修订与发布,监督质量与环境体系文件和记录的管理工作;
③对公司相关人员进行质量与环境管理体系知识的培训和宣传;
④主导公司的质量、环境管理体系的内审工作以及有关于体系方面与客户的联络工作,发现问题并及时改善;
⑤向公司最高管理者报告管理体系的业绩与需改进的建议;
⑥组织对环境因素的识别与评价,组织制定公司环境与质量目标;
⑦完成上级交代的其他工作。
任职资格:
背景:
◆理工科专业大专以上学历。
培训经历:
◆参加过系统的质量和环境体的知识的.培训;
◆有过大中型企业的iso体系建立和内部审核的培训经历;
◆接受过沟通协调能力以及初步的管理能力的培训。
经验:
◆企业中同等职位两年以上工作经验,取得内审员资格证书。
技能技巧:
◆非常熟悉iso体系的标准和知识;
◆熟悉企业通过iso认证的工作流程和内部审核流程;
◆良好的沟通和协调能力,能组织开展iso相关知识的培训。
态度:
◆优秀的敬业精神和职位道德;
◆优秀的团队合作精神和执行力;
◆很轻的计划性及实施执行的能力。
工作条件:
工作场所:办公室。
环境状况:舒适。
危险性:无危险,无职业病危险。