汽车电子控制基础之输出接口电路
- 格式:ppt
- 大小:503.00 KB
- 文档页数:30
四川省2016年10月高等教育自学考试汽车电子控制技术试题答案一、单项选择题:(每题只有一个正确答案,共60题;每题1分,共60分)1.汽车中电子控制单元又称:()。
[单选题] *A.CPUB.ECU(正确答案)C.ABSD.ASR2.车轮滑移成分在车轮纵向运动中所占的比例可用滑动率S来表示,当车轮滑移时()。
[单选题] *A.S=0B.S=100%C.0<S<100%(正确答案)D.S>100%3.制动防抱死系统的主要作用是把滑动率控制在()。
[单选题] *A.0~10%B.10%~20%(正确答案)C.20%~30%D.30%~40%4.汽车三通道防抱死制动系统中,一般对前轮进行___,后轮进行___。
() [单选题] *A.独立控制、一同控制(正确答案)B.一同控制、独立控制C.独立控制、独立控制D.一同控制、一同控制5.半主动悬架系统中减振器阻尼力的改变是通过()改变的。
[单选题] *A.改变弹簧的机械刚度B.改变控制阀节流孔的流通面积(正确答案)C.改变液控油缸中的油压D.改变控制阀调整螺钉的长度6.电子控制电动式转向系统采用()。
[单选题] *A.液压装置B.电动机(正确答案)C.气动装置D.电磁阀7.驱动防滑控制系统的作用是通过减小发动机转矩对汽车实施制动等措施,把滑转率控制在()之间。
[单选题] *A.5%~10%B.5%~15%(正确答案)C.10%~20%D.20%~30%8.Ne信号指发动机()信号。
[单选题] *A.凸轮轴转角B.车速传感器C.曲轴转角(正确答案)D.空调开关9.只有在自动变速器的换挡杆位于()挡位时,才能起动发动机。
[单选题] *A.D位B.L位C.R位D.P位(正确答案)10.制动效能最好的ABS控制方式是()。
[单选题] *A. 四传感器四通道,四轮独立控制(正确答案)B. 四传感器四通道,前轮独立,后轮选择控制C. 四传感器三通道,前轮独立,后轮选择控制D. 三传感器三通道,前轮独立,后轮低选控制11.不属于电子控制悬架系统的传感器是()。
汽车电器设备总线路1 / 55深圳通达汽车培训中心 1汽车电器实物图车顶线束车身线束仪表板线束后线束连接器盒后车门线束燃油线束前线束ABS线束蓄电池电缆 A/C线束控制线束前车门线束2 / 55深圳通达汽车培训中心 2电路诊断流程深圳通达汽车培训中心 33 / 55诊断流程深圳通达汽车培训中心 44 / 555 / 55 进厂•诊断故障代码 (DTC)•冻结数据组 (FFD)车辆故障诊断流程是否检查DTC/FFD打印 DTC/FFD清除 DTC/FFD检查症状复制 DTC 是否无 DTCDTC基于症状的诊断/维修基于 DTC的诊断/维修故障模拟测试/维修深圳通达汽车培训中心 5最终检查汽车电器设备总线路汽车电系采用12V(或24V)、单线制、负极搭铁。
1、电源电路(蓄电池)2、起动电路(起动机)3、充电电路(发电机)4、点火电路(点火线圈、分电器等)5、仪表电路(仪表、警告灯)6、照明电路(小灯、大灯等)7、辅助电路(例如:空调、音响、导航等)6 / 55深圳通达汽车培训中心 6电路图常见缩写语深圳通达汽车培训中心77 / 558 / 55 配线颜色代码颜色 代码 颜色 代码B L O PR SB T V黑 蓝 橙粉红 红 BR DL DG GY G 褐深蓝 深绿 灰 天蓝黄褐 紫 W Y 绿 白LB LG浅蓝 浅绿 黄深圳通达汽车培训中心8汽车导线的色标深圳通达汽车培训中心99 / 55主要车系的线色代码深圳通达汽车培训中心1010 / 55各线色代表的电路系统深圳通达汽车培训中心1111 / 55德国汽车的接线代码深圳通达汽车培训中心1212 / 55深圳通达汽车培训中心1313 / 55深圳通达汽车培训中心1414 / 55常用电路符号3深圳通达汽车培训中心1515 / 55常用电路符号4深圳通达汽车培训中心1616 / 55电导线的主、辅色标深圳通达汽车培训中心1717 / 55接插件、屏蔽线深圳通达汽车培训中心1818 / 55插头、插座接线编号深圳通达汽车培训中心1919 / 55接线盒导线标识深圳通达汽车培训中心2020 / 55汽车电路和保护装置熔断器易熔线断电器深圳通达汽车培训中心2121 / 55汽车上的保险丝(插片式)深圳通达汽车培训中心2222 / 55插式保险所保护的电流更大深圳通达汽车培训中心2323 / 55汽车保险丝的规格深圳通达汽车培训中心2424 / 55易熔线对电路的保护作用易熔线的安装位置接近电源。
模块一汽车电子控制系统基础知识一、教学目标1.掌握汽车电控系统的基本组成、类型、功能;2.了解应用在汽车上的电控系统;3.知道OBD-Ⅱ代码的规定;二、课时分配本项目共2个课题,安排2课时。
三、教学重点通过本模块的学习,让学生掌握汽车电子控制系统的组成和类型;理解汽车电控系统的基本功能和各部分作用;了解应用在汽车上的电子控系统。
四、教学难点1.掌握OBD-Ⅱ诊断插座主要端子的作用及位置。
2.了解汽车电子控单元的检测方法。
五、教学内容课题一汽车电子控制系统的组成一、汽车电子控制系统的组成、类型与功能1.汽车电控系统的基本组成汽车电子控制系统(简称电控系统)是指采用计算机等电子设备作为控制装置的自动控制系统。
电控系统基本组成桑塔纳时代超人电子控制系统2.电控系统的类型汽车电子控制系统有两种基本类型:开环控制和闭环控制。
3.汽车电子控制系统的功能汽车电控系统的功用是提高汽车的整体性能,包括动力性、经济性、安全性、舒适性和排放性能等。
(1)动力系统电子控制(Powertrain Control)用于实现低油耗、低污染、减小动力传动系统的冲击,提高汽车的动力性、经济性和舒适性。
(2)底盘系统的电子控制(Vehicle Control)用于提高汽车的舒适性、安全性和动力性等。
(3)车身系统的电子控制(Body Control)用于增强汽车的安全、舒适和方便性。
(4)信息通讯系统的电子控制(Information & Communication)用于和社会联系,以及协调整车各部分的电子控制功能。
二、应用在汽车上的微机控制系统微机对整车各个系统的控制,按其功能可分为四大部分。
在汽车众多的控制系统中,因发动机是汽车的“心脏”,它集中了较多的控制功能,故又称主控制系统,简称为发动机ECU。
三、汽车电子控制系统各部分的作用1.传感器传感器是一种信号转换装置,它可以将非电信号转换成电信号,并输入到控制运算电路,以使其维持最适当的运作模式。
第二篇汽车电子控制技术第八章电子控制原理基础一.名词解释1.ROM:只读存储器2.RAM:随机存储器3.A/D转换器:数据模拟转换器,将模拟信号转换为数字信号然后被微处器接受。
二.填空题1.曲轴位置传感器一般有磁电式、霍尔式、光电式等多种。
2.氧传感器的作用是:(1)通过检测排气中的氧含量,检测发动机的空燃比;(2)在闭环控制用于喷油脉宽的修正;(3)检测催化转换器的转换效率。
3.爆震传感器的作用是:用来检测发动机是否发生爆震。
4.模拟信号是一个连续变化的电量,往往用信号电压的幅值来表示信号的量值。
5.在发动机ECU中I/O表示:输入/输出接口。
6.在发动机ECU中A/D表示:模数转换器。
三.思考题1.发动机转速与曲轴位置传感器的作用是什么?答:采集曲轴转动角度和发动机转速信号并输入控制单元(ECU),电子控制器根据此信号确定点火正时和喷油正时、产生点火和喷油控制脉冲、控制燃油泵工作等。
在无分电器电子控制点火系统和控制各缸工作顺序喷油的燃油喷射系统中,曲轴位置传感器还用于识别气缸。
2.试述各种空气流量传感器的结构与工作原理。
答:1)翼片式空气流量传感器结构:主要由检测部件、电位计、调整部件、接线插座和进气温度传感器5部分组成。
工作原理:当吸入发动机的空气流过传感器主进气道时,传感器翼片就会受到空气气流压力产生的推力力矩和复位弹力力矩的作用,当空气流量增大时,气流压力对翼片产生的推力力矩增大,推力力矩客服弹力力矩使翼片偏转角度α增大,直到推力力矩与弹力力矩平衡为止。
进气量越大,翼片转角α也就越大。
2)量芯式空气流量传感器结构:量芯、电位计、进气温度传感器和线束插座组成。
工作原理(与翼片式传感器相似)。
3)热丝式与热膜式空气流量传感器结构:1】热丝式结构:由铂金丝、控制电路等组成。
工作原理:传感器工作时,铂金属丝将被控制电路提供的电流加热到高于进气温度的120℃,由于进气温度变化会使热丝的温度发生变化,而影响进气量的测量精度。
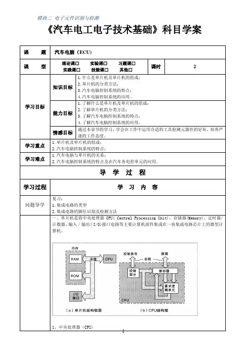
《汽车电工电子技术基础》科目学案课题汽车电脑(ECU)课型理论课□实验课□习题课□实践课□技能课□其他□课时 2学习目标知识目标1.什么是单片机及单片机的组成;2.单片机的分类方法;3.汽车电脑控制系统的特点;4.汽车电脑控制系统的应用。
能力目标1.了解什么是单片机及单片机的组成;2.了解单片机的分类方法;3.了解汽车电脑控制系统的特点;4.了解汽车电脑控制系统的应用。
情感目标通过本章节的学习,学会在工作中运用合适的工具检测元器件的好坏,培养严谨的工作态度。
学习重点1.单片机及单片机的组成;2.汽车电脑控制系统的特点;学习难点1.汽车电脑与单片机的关系;2.汽车电脑控制系统的特点及在汽车各电控单元的应用。
导学过程学习过程学习内容问题导学复习:1.集成电路的类型2.集成电路的脚位识别及检测方法一、单片机是将中央处理器CPU( Central Processing Unit)、存储器(Memory)、定时器/计数器、输入/输出( I/O)接口电路等主要计算机部件集成在一块集成电路芯片上的微型计算机。
知识掌握中央处理器(CPU)是具有译码指令和数据处理能力的电子部件,是汽车电子控制单元的核心,基本结构如图2-4-6(b)所示,由运算器(Calculator)、寄存器(Register)和控制器( Controller)组成。
运算器是计算机的运算部件,用于实现数学运算和逻辑运算。
汽车上各种电控系统(燃油喷射系统EFI、防抱死制动系统ABS、安全气囊系统SRS、自动变速器ECT控制系统)ECU内部的数据运算与逻辑判断都在这里进行。
寄存器用于暂时存储数据或程序指令。
控制器是计算机的指挥控制部件,其功用是按照监控程序和应用程序使计算机各部分动协助调工作。
2、存储器( Memory)在单片机或微型计算机中,存储器是用来存储程序指令和数据的部件。
存储器是由许多具有记忆功能的存储电路构成的,每个记忆存储电路存储1个二进位信息(0或1),称为存储器的存储位( Bit)。
1、请说明CAN数据传输系统的优点主要体现在哪几个方面?答:数据总线与其他部件组合在一起就成为数据传输系统,CAN数据传输系统的优点是: 1.将传感器信号线减至最少,使更多的传感器信号进行高速数据传递。
2.电控单元和电控单元插脚最小化应用,节省电控单元的有限空间。
3.如果系统需要增加新的功能,仅需软件升级即可。
4.各电控单元的监测对所连接的CAN总线进行实时监测,如出现故障该电控单元会存储故障码。
5.CAN数据总线符合国际标准,以便于一辆车上不同厂家的电控单元间进行数据交换。
2、说明典型车载网络系统的组成。
答:典型的汽车车载网络系统的结构有ABS模块、动力系统控制模块(PCM)、电子自动温度控制(EATC)、集成控制板(ICP)、虚像组合仪表、照明控制模块(LCM)、驾驶员座椅模块(DSM)、驾驶员车门模块(DDM)、移动电话模块、汽车动态模块。
3、解释CAN、多路传输、数据总线的含义。
答:1).CAN-BUS(控制局域网),是国际上应用最广泛的现场总线之一。
最初,CAN被设计作为汽车环境中的微控制器通信,在车载各电控装置ECU之间交换信息,形成汽车电子控制网络。
2).数据总线是模块间运行数据的通道,数据总线可以实现在一条数据线上传递的信号可以被多个系统(控制单元)共享,从而最大限度地提高系统整体效率,充分利用有限的资源。
如果系统可以发送和接收数据,则这样的数据总线就称之为双向数据总线。
3).多路传输用SWS表示,是指在同一通道或线路上同时传输多条信息,事实上,数据信息是依次传输的,但速度非常快,似乎就是同时传输的。
4、什么是通信协议?车载网络协议标准有那些?答:通信协议是指通信双方控制信息交换规则的标准、约定的集合,即指数据在总线上的传输规则。
车载网络协议标准有:A类,低速、<10k bit/s、应用于只需传输少量数据的场合,如控制行李箱开启和关闭。
B类中速,10~125 Kbit/s、应用于一般的信息传输场合,例如仪表。
汽车电子模块常用接口电路
1.低电流/信号输出电路
1.1OC 门输出的应用电路
1.2自带上拉的OC输出应用电路
【评注】这个电路经常用于多路负载并联的应用中,比如通常一个模块的输出信号,需要被多个其他模块作为信号输入使用时,采用该电路。
例如:应用多路唤醒输出;汽车安全气囊的碰撞信号输出。
1.3LSD 输出应用电路
通常用于车用继电器的驱动。
2.输入电路
通常汽车电子的接口电路规格如下:
Min Type max 5V MCU系统逻辑高电平9 12 16 分压比
1/2.5 逻辑低电平0 3.6V 1/2.5
2.1 LSD 输入应用电路
2.2 HSD 输入应用电路
2.3 隔离OC 门输出输入应用电路
3. HSD 功率输出应用电路
4. 安全气囊输出应用电路 4.1 PWM 输出类型
NON-firing 输出信号
Firing 输出信号
PUT
4.2高电平输出类型
5.CANBUS 接口电路
6.RF 输入应用电路
7.功率输出应用电路
8.雨刮电机应用电路
9.组合开关应用电路
11. LIN BUS 驱动接口电路。
汽车电子设计概论—接口篇3(一)C3信号的来源最早什么时候、什么人、为什么向我提及C3信号,已经记不清楚了。
但有关C3信号问题的时间跨度却有10年了,总有人时不时的向我询问C3信号的情况。
还有同我争辩,试图说服我,C3应该是怎么怎么样。
为了这么个C3信号,常常免不了费一番口舌,希望读者看了这篇文章后不要再在C3上纠结了。
那么C3信号到底是个什么东西呢?C3只是一个车速信号而已。
一个车速信号为什么取了个这么个抽象的名字呢?因为它最早来源于VDO车速表的插座C的引脚3,一个普通的车速输出引脚逐渐被人作为信号名字引用了。
那么一个车速表为什么要输出一个车速信号呢?我们知道,车速信号是车上的非常重要的一个信号,很多电器设备都要用到车速信号。
首先车速表要用到车速信号,否则车速怎么指示?其他还有那些地方要用到车速信号呢?(1)发动机,用于车辆限速或巡航定速。
(2)门控制器,门控制器一旦检测到车速大于一定程度后(一般是5km/k),会采取两个动作,一是自动关门(出口欧盟的车普遍要的功能),二是禁止开门。
(3)空气悬架控制器,一般需要车速来自动调节车身的高度,车速一旦起来后(一般设定在15km/h到35km/h),将车身自动降下来,重心低了,车辆更为安全,但在低速时,可以将车身提起来,以避免底盘磕碰障碍物(在回避障碍物时,司机一般都会小心而降低车速的)。
(4)电涡流缓速器,这里简称缓速器(配备自动变速箱的车辆,可能还有液力缓速器,但我们这里所说的缓速器均指电涡流缓速器),缓速器是大型车辆的辅助制动器,它有两个明显优势,一是因为缓速器靠磁力制动,没有因机械接触而带来的磨损,因而寿命长,同时也延长主制动器的寿命;二是适合长距离的连续制动(行驶在山区下坡时),此时可以少用主制动器,长时间使用主制动器,要对其做冷却处理,否则高温下,制动器会失效,导致车毁人亡。
但缓速器耗电非常之大,一般在30A至120A。
缓速器除可以手动控制外,还可以和脚制动联动。
汽车电子模块常用接口电路LSI 低电平输入有效 HIS 高电平输入有效 HSD 高电平驱动有效LSD 低电平驱动有效 OC 开漏集电极输出低电流/信号输出电路OC 门输出的应用电路自带上拉的OC输出应用电路【评注】这个电路经常用于多路负载并联的应用中,比如通常一个模块的输出信号,需要被多个其他模块作为信号输入使用时,采用该电路。
例如:应用多路唤醒输出;汽车安全气囊的碰撞信号输出。
LSD 输出应用电路通常用于车用继电器的驱动。
随着汽车自我诊断和自我保护特性的要求(高温,过载,短路,过压,ESD),专用IC 集成了LSD 的驱动。
这里ST ,Infineon, ONSEMI 等具有此应用的IC.图片引用【文献1】继电器的特性:在乘用车汽车应用中,12V 电压下,继电器的电气特性参数:继电器电路通常由一个串行电感和电阻,附加并联一个电阻所构成。
串行电阻代表铜线圈得阻抗,汽车应用12V的继电器典型电阻值为 60欧姆到 90 欧姆在室温下,而电感范围从400mH 至 600mH . 如果有附加的内置的并行电阻,则该值范围通常从460 欧姆到 680 欧姆。
【文献1】。
给出一个OMRON 车用继电器的电气参数供参考:OMRON小型功率继电器--- MK的高容量型*图片引用—OMRON 官方网站性能公差为AC额定电流+15%、-20%,DC线圈电阻±15%。
注2. 动作特性指的是线圈温度为+23℃时的值。
注3. 最大容许电压指的是继电器操作电源的电压容许变动范围的最大值,环境温度为+23℃时的值。
不是连续容许值。
性能* 1. 测量条件:根据DC5V 1A电压下降法。
* 2. 测量条件:外加额定操作电压时不包括接点跳动环境温度条件:+23℃* 3. 测量条件:用DC500V兆欧表测量与耐压项目相同的部位。
* 4. 环境温度条件:+23℃*5. 此值为开关频率在60次/min时的值。
UL标准认证额定值UL508(文件号No.E41515)小型驱动IC智能型驱动IC TLE7244SLL99MC6因为电感型负载,会产生瞬间感应电压,可能击穿DMOS 管,或许另外接一些电容和TVS 加以保护。
一文看懂汽车电路原理图一、熟悉(汽车电路)绘制的规则在汽车的全车电路图中,各电器采用从左到右(供电电源在左,用电设备在右,在局部电路的原理图中,(信号)输入端在左,信号输出端在右)、从上到下(火线在上,搭铁线在下)的顺序进行布置,且各(电气)系统的电路尽可能绘制在一起。
二、熟悉汽车电路元件符号及含义熟悉汽车电路图的名称,明确电气符号、文字标注、代码及缩略语的含义,建立(元器件)和图形符号间一一对应的关系。
01电气符号汽车上所有的电器在电路图中都是用电气符号来表示的。
电气符号是简单的图形符号,只大概地表示出电器外形,在图形符号上或旁边用文字加以说明电器名称。
各汽车生产厂家绘制的电气符号各有不同,有的是简单的,有的是复杂的。
举例:图1是大众/ 奥迪/ 斯柯达车系的符号,它是最常见的发动机电控单元的符号。
图1图2、图3分别是通用车系和宝马车系的符号,在电控单元处画出了简单的内部电路。
图2图3图4是奔驰车系的符号,在电控单元处用英文字母标明该端子的作用,并用箭头符号标明信号是输入还是输出。
图4图5是北京现代车系的符号,在电控单元处标注出了信号的名称和类型,从图中可以看出是供电、搭铁、输入信号还是控制信号。
图5图6是丰田车系的符号,在电控单元处用英文字母标明该端子的作用。
图6图7是本田车系的符号,在电控单元处画出了简单的内部电路并用英文字母对端子进行了标注。
图7有的电气符号也简单地表达出电器内部的(工作原理)和电路,如下图所示的起动机的符号,从图中可以看到起动机、电磁开关线圈、电磁开关触点以及它们之间线路的连接关系。
02电器端子标注为了方便查找和(维修)汽车电路,在电路图中用一定数字、字母对电器的接线端子进行了标注,了解这些端子的标注,可准确地找到导线和相应的接线端子。
各国汽车制造厂家对端子的标注方法不尽相同,下表所示为德国汽车电路设备端子的部分标注说明。
03汽车电路中的缩略语由于电路图幅面有限,对各元器件的解释大量采用缩略语。
五种车载充电器电路分析对比随着电动汽车的普及和电子产品的应用越来越广泛,汽车充电设备也变得越来越重要。
车载充电器是其中之一,通过将汽车电源转换为适合电子设备的电源,为电子设备充电提供了很大的便利。
本文将介绍五种常见的车载充电器电路,包括线性稳压电路、开关电源电路、闪光LED电路、USB直接充电电路、并联降压充电电路,并分析它们的优缺点和适用范围。
线性稳压电路线性稳压电路是最简单的车载充电器电路之一。
它采用了一个稳压器,将汽车电源的电压稳定到所需要的电压。
该电路的优点是结构简单、成本低廉,适用于较小的电子设备的充电。
以下是线性稳压电路的电路图:┌───┬──┬───┐ ┌───────┐│VIN├──┤R1 ├──+─VOUT┤ │└───┴──┴───┘ | └───────┘─┴── GND其中VIN是汽车电源电压,R1是电流限制电阻,VOUT是输出电压。
电路图中的稳压器可以是任何类型的稳压器,如LM317、LM7805等。
稳压器的输入电压应该高于稳定的输出电压,并根据所需的输出电流选择不同的稳压器。
为了保护充电器以及所充电设备,可以在电路中加入保险丝和输入输出滤波电容。
线性稳压电路的缺点是效率较低,由于稳压器需要消耗多余的电压,因此此类电路在输出大于2V的电压时效率很低。
此外,稳压器的散热问题也需要特别注意,因为稳压器的热损耗很大,所以需要选择合适的散热方式。
开关电源电路开关电源电路是一种高效的车载充电器电路,它采用了开关管、电感和电容等各种元件组成的电路,将汽车电源的电压转换为适合电子设备的电源。
开关电源电路的优点是高效、体积小、重量轻、适用性广。
以下是开关电源电路的电路图:┌─────┐┌───┐ │Q1 │ ┌─────┐│VIN├──┤ ├──┬┤L1 │├───┤ │┌───┐│ ├┤ ├│C1 ├─┬─┤│ ├┤ ├┤C2 │└───┘ │ │ ││ │└─────┘│ │ ││ ││ │ ││ ││ └───┘│ │└──────┴──┘VOUT其中VIN是汽车电源电压,Q1是开关管,L1是电感,C1和C2是电容。