钢格栅计算
- 格式:xlsx
- 大小:257.89 KB
- 文档页数:3
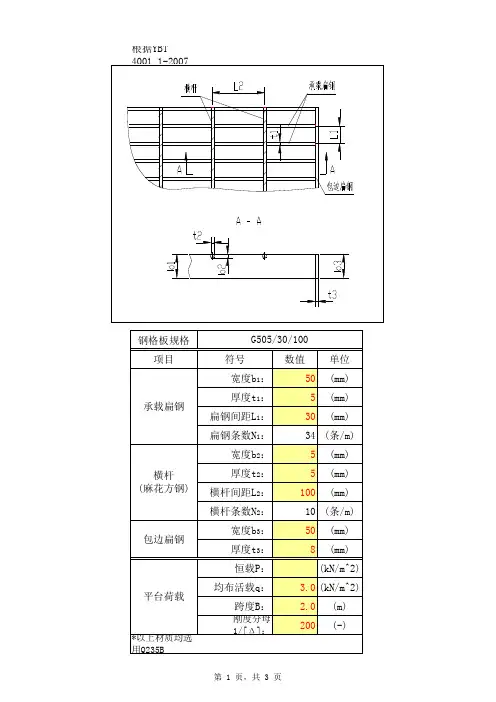
根据YBT 4001.1-2007《钢格栅板》计算
第 1 页,共 3 页
1、钢格板特性①钢格板理论重量
= 79.47(kg/m^2)其中
②承载扁钢截面惯性矩:
52083.3(mm^4)
承载扁钢截面模量:
2083.3(mm^3)
2、钢格板安全荷载①计算强度
则,计算强度:
= 21176.5(kN/m^2)<
[f]
②当前跨度下,钢格板安全均布荷载
24.08(kN/m^2)
③当前跨度下,钢格板安全线荷载
24.08(kN/m)
3、刚度计算检验
①施加活荷载时,钢格板变形:
2.2(mm)
则,刚度分母值为:1/Δ= B/D q =
905
>1/[
Δ]
计算强度满足要求!
6
3322211110)2(-⨯++
=ρμt b N t b N t b W t =
=6/211b t W
=
=12/311b t I 第 2 页,共 3 页
其中
②未施加荷载时,仅考虑自重,钢格板变形:
0.5(mm)
则,施加荷载和相邻未施加荷载钢格板间的间距:ΔD = D q -D w =
1.7(mm)
<
4(mm)
4、结果判定
钢格板变形满足要求!钢格板变形满足要求!选型钢格板满足强度及变形要求!
第 3 页,共 3 页。
钢格板计算重量公式
钢格板是一种常用的建筑材料,具有高强度、耐腐蚀、重量轻等特点。
在实际工程中,需要计算钢格板的重量,以方便施工和运输。
下面介绍钢格板计算重量的公式及注意事项。
一、钢格板的重量公式
钢格板的重量计算公式如下:
钢格板重量(kg)=板厚(mm)×(3.14×(板宽(mm)-间距
(mm))×(板长(mm)-间距(mm))÷1000000)×钢板密度(kg/m³)
其中,钢板密度一般为7850kg/m³。
例如,一块2mm厚、宽1m、长4m、间距50mm的钢格板的重量计算如下:
2×(3.14×(1000-50)×(4000-50)÷1000000)×7850=153.27kg
二、注意事项
1. 应该注意单位统一,如钢格板长、宽、厚的单位为mm,密度单位为kg/m³,计算结果为kg。
2. 在上述公式中,间距为指钢格板之间的间距,而不是钢格板中间的
空隙。
如果计算中遇到空隙较大的情况,需要修改公式进行计算。
3. 钢格板的计算重量不包括铺设支架和附件等重量,需要根据实际情
况进行修正。
4. 不同厂家的钢格板厚度和间距可能有所不同,需要按照厂家提供的
数据进行计算。
总之,钢格板重量的计算是施工过程中必不可少的一环,只有准确计
算出钢格板的重量,才能保证施工的顺利进行。
建议在计算过程中注
意单位统一、间距的定义、附件重量等因素,确保计算结果的准确性。
钢格板荷载验算根据图纸要求暂定选用的钢格板型号为S655/40/100G (扁钢中心距30mm ,每米有26条扁钢)以图纸梁跨距最大的钢格板尺寸为例: 1005*1960LB均布载荷要求:750kg/m 2 集中荷载要求:1000kg/m 2钢格板选型均布荷载是否满足测算如下:1、 §=758.5/(KN/m 2)2、 D (变形挠度,mm )根据以往工程经验以保守点出发最大许用挠度为1/200,即1960mm/200=9.8mm3、 P u (外加均布载荷)=750*9.8/1000=7.35KN/m 24、 P 0(钢格板自重载荷)=150*9.8/1000=1.47KN/m 25、 B (负载扁钢中心距)40mm6、 b (负载扁钢厚度)4.75mm7、 t (负载扁钢宽度)65mm8、 型号:S655/30/100G ,负载扁钢宽度65mm ,厚度4.75mm ,及钢格板自重为1.47KN/m 2按钢格板行业标准YB/T4001-2007中公式计算如下(P U +P O )BL 4 (7.35+1.47)X40X1.964 D max =§ bt 3=758.5 4.75X653 =3.03mm<9.8mm因此型号S655/40/100G 钢格板可以承载均布载荷750kg/m 2满足设计要求 钢格板选型集中荷载是否满足测算如下:1、§=758.5/(KN/m 2) ζ=1213.6(KN/m 2)2、D (变形挠度,mm )根据以往工程经验以保守点出发最大许用挠度为1/200,即1960mm/200=9.8mm3、P 0(钢格板自重载荷)=150*9.8/1000=1.47KN/m 2验4、L(钢梁跨距)1.96m5、B (负载扁钢中心距)40mm6、b (负载扁钢厚度)4.75mm7、t (负载扁钢宽度)65mm8、P L (外加线载荷) 1000Kg*9.8= 9.8 KN/m按钢格板行业标准YB/T4001-2007中公式计算如下BL 3(ζP L +§P O L ) 40X1.963(1213.6x5+758.5x1.47x1.96) D max = bt 3 4.75X653=3.3mm<9.8mm 因此型号S655/40/100G 钢格板可以承载集中载荷1000kg/m 2满足设计要求。
钢塑土工格栅计算公式摘要:一、钢塑土工格栅概述二、钢塑土工格栅计算公式1.弹性模量计算公式2.剪切模量计算公式3.泊松比计算公式4.抗拉强度计算公式三、计算实例及应用四、结论与建议正文:一、钢塑土工格栅概述钢塑土工格栅是一种应用于土工工程中的土工合成材料,以高分子聚合物为基材,通过钢塑复合工艺制成。
它具有较高的抗拉强度、弹性模量、剪切模量和抗冲击性能,广泛应用于路基、路面、桥梁、隧道等土木工程结构中,以提高土体的工程性能和稳定性。
二、钢塑土工格栅计算公式1.弹性模量计算公式钢塑土工格栅的弹性模量(E)可用以下公式计算:E = (σ_l / ε_l) × (πD^4 / 32)其中,σ_l为钢塑土工格栅的拉伸强度,ε_l为拉伸应变,D为钢塑土工格栅的直径。
2.剪切模量计算公式钢塑土工格栅的剪切模量(G)可用以下公式计算:G = (σ_t / ε_t) × (πD^4 / 32)其中,σ_t为钢塑土工格栅的剪切强度,ε_t为剪切应变,D为钢塑土工格栅的直径。
3.泊松比计算公式钢塑土工格栅的泊松比(μ)可用以下公式计算:μ= (ε_l - ε_t) / (2 × ε_l)其中,ε_l为钢塑土工格栅的拉伸应变,ε_t为剪切应变。
4.抗拉强度计算公式钢塑土工格栅的抗拉强度(σ_l)可用以下公式计算:σ_l = F / (πD × d)其中,F为钢塑土工格栅承受的拉力,D为钢塑土工格栅的直径,d为钢塑土工格栅的厚度。
三、计算实例及应用以下为一个计算实例:假设某钢塑土工格栅的直径D为100mm,厚度d为5mm,拉伸强度σ_l 为500MPa,剪切强度σ_t为300MPa,拉伸应变ε_l为1%,剪切应变ε_t为0.5%。
根据上述公式,计算得到:弹性模量E = (500 / 0.01) × (π × 100^4 / 32) ≈ 5.24 × 10^6 MPa剪切模量G = (300 / 0.01) × (π × 100^4 / 32) ≈ 2.62 × 10^6 MPa 泊松比μ= (0.01 - 0.005) / (2 × 0.01) ≈ 0.25在实际工程应用中,钢塑土工格栅的计算结果可用于设计参数的选择、施工方案的制定以及工程质量的评估。
钢格栅路面工程量计算公式钢格栅路面工程是一种常见的道路铺设方式,它具有良好的排水性能、耐久性和承载能力,因此在道路建设中得到了广泛应用。
在进行钢格栅路面工程量计算时,需要考虑到各种因素,包括路面的尺寸、材料的规格、铺设方式等。
下面将介绍钢格栅路面工程量计算的公式及相关内容。
一、钢格栅路面工程量计算公式。
1. 钢格栅板数量计算公式。
钢格栅板数量 = 路面长度(m)×路面宽度(m)/ 钢格栅板长度(m)×钢格栅板宽度(m)。
2. 钢格栅板总面积计算公式。
钢格栅板总面积 = 钢格栅板数量×钢格栅板长度(m)×钢格栅板宽度(m)。
3. 钢格栅板支架数量计算公式。
钢格栅板支架数量 = 钢格栅板数量× 2(每块钢格栅板需要两个支架)。
4. 钢格栅板支架总长度计算公式。
钢格栅板支架总长度 = 钢格栅板支架数量×钢格栅板宽度(m)。
5. 钢格栅板连接件数量计算公式。
钢格栅板连接件数量 = 钢格栅板数量×(钢格栅板长度(m)1)×(钢格栅板宽度(m)1)。
6. 钢格栅板连接件总长度计算公式。
钢格栅板连接件总长度 = 钢格栅板连接件数量× 4(每个连接件需要4个)。
以上公式是钢格栅路面工程量计算中常用的计算公式,通过这些公式可以比较准确地计算出钢格栅路面所需的材料数量和长度。
二、钢格栅路面工程量计算注意事项。
1. 路面尺寸的准确测量。
在进行钢格栅路面工程量计算时,首先需要对路面的长度和宽度进行准确的测量,以确保计算结果的准确性。
尺寸测量过程中需要考虑到路面的实际形状和弯曲度,避免因为测量不准确而导致材料的浪费或不足。
2. 材料规格的选择。
钢格栅板的长度和宽度是根据实际需要进行选择的,通常情况下会根据路面的尺寸和承载能力要求来确定合适的规格。
在选择材料规格时需要考虑到材料的强度、耐腐蚀性和使用寿命等因素,以确保路面的质量和安全性。
钢格板的规格与牌号[来源:安平县金泰钢格板厂][作者:钢格板专家] [日期:09-04-13] [热度:402]钢格板的牌号与规格如 DG255/30/100 表示:横杆中心间距100mm;扁钢中心间距 30mm;扁钢厚度为 5mm;扁钢宽度为 25mm。
另外,可在规格后添加字母“S”表示齿型钢格板,或字母“I”表示工字型钢格板,也可同时使用以表示工字齿型钢格板。
如 DG325/30/50I 表示:横杆中心间距50mm;扁钢中心间距 30mm;扁钢宽度为 32mm的工字型扁钢。
订货所需提供信息1. 首先应确定所需的钢格板规格。
2. 在定购标准压焊钢格板时需指定所需的钢格板的面积,并提供尺寸和件数,在需要大面积钢格板时,必须提供平面图,并指出:所有尺寸;表面处理形式;支承梁的截面尺寸和位置;需开孔的位置和尺寸。
3. 钢格板长度与钢格板宽度:(详见词汇表)4. 需要指出钢格板的计价是按面积计算的,并且是按照钢格板的包容面积予以计价,即:计价面积=长×宽(L×W),下图为几种典型的钢格板面积计算示意钢格栅板重量是如何计算的?[来源:安平县金泰钢格板厂] [作者:钢格板] [日期:09-04-22] [热度:422]钢格栅板的重量,是指经过包边和表面处理(非表面处理的除外)后的理论重量。
由于包边、开孔和切口的不同,实际重量与理论重量会出现差异。
在工业平台钢格栅板自重计算及钢格栅板交付结算中,统一以理论重量为计算依据。
对于长度小于1米的钢格栅板(例如沟盖板)或者需要作特殊包边的钢格栅板,由于包边板的增加,重量会随着增加。
用平面型扁钢包边,钢格栅板长度不小于1米时,按下面公式计算钢格栅板理论重量:Wt=(b1t1N1+b2t2N2+2b3t3)ρµ式中:Wt—钢格栅板重量, g/m2t1—负载扁钢宽度, mmb1--负载扁钢厚度, mmN1—每米钢格栅板中负载扁钢条数t2—横杆宽度, mmb2—横杆厚度, mmN2—每米钢格栅板中横杆条数t3—包边扁钢宽度, mmb3--包边扁钢厚度, mmρ—材料密度, g/mm3钢材密度按mm3计算µ--表面处理增重系数热浸锌增重按计算如您还有任何问题请致电我们。
钢格栅计算方法
钢格栅板重量是如何计算的?
钢格栅板的重量,是指经过包边和表面处理(非表面处理的除外)后的理论重量。
由于包边、开孔和切口的不同,实际重量与理论重量会出现差异。
在工业平台钢格栅板自重计算及钢格栅板交付结算中,统一以理论重量为计算依据。
对于长度小于1米的钢格栅板(例如沟盖板)或者需要作特殊包边的钢格栅板,由于包边板的增加,重量会随着增加。
用平面型扁钢包边,钢格栅板长度不小于1米时,按下面公式计算钢格栅板理论重量:
Wt=(b1t1N1+b2t2N2+2b3t3)ρμ
式中:
Wt—钢格栅板重量,g/m2
t1—负载扁钢宽度,mm
b1--负载扁钢厚度,mm
N1—每米钢格栅板中负载扁钢条数
t2—横杆宽度,mm
b2—横杆厚度,mm
N2—每米钢格栅板中横杆条数
t3—包边扁钢宽度,mm
b3--包边扁钢厚度,mm
ρ—材料密度,g/mm3
钢材密度按7.85g/mm3计算
μ--表面处理增重系数
热浸锌增重按1.08计算
如您还有任何问题请致电我们。
格栅的设计计算(1)栅条的间隙数nmax Q n ehv= 式中 Qmax ——最大设计流量,m 3/sα——格栅倾角,度,取α=600h ——栅前水深,m ,取h=0.4me ——栅条间隙,m ,取e=0.02mn ——栅条间隙数,个v ——过栅流速,m/s ,取v=1.0m/s格栅设两组,按两组同时工作设计,一格停用,一格工作校核。
则:max 230.02*0.4*1.0Q n ehv ==≈个 (2)栅槽宽度B栅槽宽度一般比格栅宽0.2-0.3米,取0.2米。
设栅条宽度S=10mm则栅槽宽度(1)B S n bn =-+0.01*(231)0.02*230.68m=-+≈ (3)通过格栅的水头损失h10h h k =20sin 2v h g ξα= 43()s bξβ= 式中 1h ——过栅水头损失,m+0h ——计算水头损失,mg ——重力加速度,9.82/m sk ——系数,格栅受污物堵塞后,水头损失增大的倍数,一般采用k=3ξ——阻力系数,与栅条断面形状有关,43()s e ξβ=,当为矩形断面时,β=2.42。
S=栅条的宽度 b=栅条的间隙 24103()sin 2s v h h k k b gβα== 20430.01 1.02.42*()sin 60*30.022*9.8= 0.13m =(4)栅后槽总高度H设栅前渠道超高20.3h m =120.40.130.30.83H h h h m =++=++=(5)栅槽总长度L进水渠道渐宽部分的长度L 1,设进水渠宽B 1=0.45m ,其渐宽部分展开角度α1=200,进水渠道内的流速为0.77m/s 。
11010.680.450.362tan 2tan 20B B L m α--==≈ 栅槽与出水渠道连接处的渐窄部分长度2L120.360.1822L L m ==≈ 112 1.00.5tan H L L L α=++++ 式中 1H 为栅前渠道深,12H h h =+00.40.30.360.180.5 1.0tan 60L +=++++2.44m =(6)每日栅渣量Wmax 1864001000ZQ W W K = 式中 W ——每日栅渣量3/m d 1W ——栅渣量(333/10m m 污水)取0.1-0.01,粗格栅用小值,细格栅用大值,中格栅用中值 Z K ——生活污水流量总变化系数 386400*0.2*0.050.6/1000*1.5W m d ==。
格栅的宽度计算公式格栅是一种常见的建筑材料,用于构建建筑物的外墙、天花板、楼梯等部分。
格栅的宽度是一个重要的参数,它直接影响着格栅的使用效果和美观度。
因此,正确计算格栅的宽度是非常重要的。
本文将介绍格栅的宽度计算公式,帮助读者更好地理解格栅的设计和使用。
格栅的宽度计算公式可以通过以下步骤得出:1.确定格栅的用途,首先,需要确定格栅的具体用途,例如用于建筑外墙、天花板还是楼梯。
不同的用途会对格栅的宽度有不同的要求。
2.测量安装空间,接下来,需要测量格栅将要安装的空间的尺寸,包括长度、宽度和高度等。
这些尺寸将直接影响格栅的宽度。
3.考虑格栅的结构,格栅的结构包括横杆和纵杆的数量和间距等。
这些结构参数也会对格栅的宽度产生影响。
4.计算格栅的宽度:根据上述参数,可以使用以下公式计算格栅的宽度:格栅宽度 = 安装空间的宽度结构参数的影响。
其中,安装空间的宽度是指格栅将要安装的空间的宽度,结构参数的影响是指格栅的结构参数对宽度的影响。
通过这个公式,可以得出格栅的合适宽度。
5.考虑实际情况,最后,需要考虑实际情况对格栅宽度的影响。
例如,如果格栅将要安装在一个弯曲的表面上,那么格栅的宽度可能需要进行调整。
总的来说,格栅的宽度计算公式是一个比较简单的公式,但是在实际应用中需要考虑很多因素。
因此,在进行格栅设计和安装时,建议找到专业的设计师和安装工程师,他们会根据具体情况进行合理的计算和调整,确保格栅的宽度能够满足使用要求。
格栅的宽度对于建筑物的外观和功能都有着重要的影响。
正确的宽度计算可以确保格栅的安装效果和使用效果。
希望本文的介绍能够帮助读者更好地理解格栅的设计和使用,为建筑物的装饰和装修提供参考。
宁波平台钢格栅板计算公式钢格栅板是一种广泛应用于工业和民用建筑的重要材料,它具有高强度、耐腐蚀、耐磨损等优点,因此在各种平台、楼梯、桥梁等场所得到了广泛的应用。
而在使用钢格栅板的过程中,计算其承载能力是非常重要的一环。
本文将介绍宁波平台钢格栅板的计算公式及其应用。
首先,我们需要了解一些基本的概念。
钢格栅板的承载能力主要取决于其材料的强度和结构的设计。
在计算钢格栅板的承载能力时,需要考虑到板材的厚度、间距、横梁的尺寸和材质等因素。
一般来说,钢格栅板的承载能力可以通过以下公式进行计算:Q = K × S × f。
其中,Q为钢格栅板的承载能力(单位,N/m2),K为系数,S为钢格栅板的面积(单位,m2),f为材料的抗弯强度(单位,N/m2)。
在实际应用中,系数K的取值一般根据不同的情况而定,一般情况下,可以取1.5左右。
而材料的抗弯强度f可以通过相关的材料手册或者实验室测试得到。
在计算钢格栅板的承载能力时,还需要考虑到板材的支撑情况。
一般来说,钢格栅板的支撑方式可以分为四种,自支撑、支撑在两端、支撑在四端、支撑在四端并且有边框。
不同的支撑方式会对钢格栅板的承载能力产生不同的影响,因此在计算时需要进行相应的修正。
除了承载能力的计算,还需要考虑到钢格栅板的安装和固定。
一般来说,钢格栅板的固定方式可以采用焊接、螺栓连接等方式。
在进行固定时,需要考虑到板材的热膨胀系数和变形情况,以保证其在使用过程中的稳定性和安全性。
在实际的工程应用中,钢格栅板的计算和设计往往需要考虑到更多的因素,比如载荷的分布情况、板材的疲劳寿命、板材的防滑性能等。
因此,在进行钢格栅板的计算和设计时,需要充分考虑到实际的使用情况,并结合相关的规范和标准进行综合分析和评估。
总之,钢格栅板的计算公式是一个比较复杂的问题,需要考虑到材料的性能、结构的设计、支撑方式、固定方式等多个因素。
在实际应用中,需要进行综合分析和评估,以保证钢格栅板在使用过程中的安全性和稳定性。
钢格栅重量计算公式钢格栅重量计算公式钢格栅是一种常见的建筑和工业材料,其重量计算公式可以用于确定钢格栅的重量,帮助工程师和设计师进行结构设计和材料选用。
本文将列举相关计算公式,并举例解释说明。
1. 单元面积重量公式钢格栅的重量通常是通过计算其单元面积的重量来得到的。
单元面积重量公式可以根据钢格栅的材料和尺寸进行计算。
以下是常见的单元面积重量公式:•钢格栅的重量(kg)= 钢格栅的长度(m)* 钢格栅的宽度(m)* 钢格栅的厚度(mm)* 单位重量(kg/m^2)其中,单位重量是指材料的每平方米的重量,可以从相应的材料参考表中获得。
2. 实际重量公式钢格栅的实际重量可以通过单元面积重量与实际面积的乘积计算得出。
实际重量公式如下:•钢格栅的实际重量(kg)= 单元面积重量(kg/m2)* 钢格栅的实际面积(m2)实际面积可以根据钢格栅的形状进行计算,例如矩形的钢格栅可以使用长度和宽度来计算,其他形状的钢格栅可以根据实际情况进行求解。
3. 举例说明假设有一块矩形的钢格栅,长度为3m,宽度为,厚度为5mm,单位重量为30kg/m^2。
根据上述公式,可以计算出该钢格栅的重量和实际重量。
1.计算单元面积重量:钢格栅的重量(kg)= 3m * *5mm * 30kg/m^2 钢格栅的重量 =2.计算实际重量:钢格栅的实际重量(kg)= * 实际面积(实际面积根据钢格栅的形状计算)通过以上计算,可以得到该矩形钢格栅的重量和实际重量。
根据具体的应用和设计要求,可以通过这些计算公式来选择合适的钢格栅材料和尺寸,满足结构设计和使用需求。
以上是钢格栅重量计算公式的相关内容,希望对读者有所帮助。
注意:以上计算公式仅作为参考,实际情况可能因材料属性、制造工艺等因素而有所差异。
在实际工程中,应根据具体情况和相关标准进行计算和选择。
4. 其他影响因素除了钢格栅的尺寸和材料,还有一些其他因素也会对其重量产生影响。
下面是一些常见的影响因素:•材料密度:不同材料的密度不同,同样尺寸的钢格栅重量也会有所差异。
格栅板踏步强度计算全文共四篇示例,供读者参考第一篇示例:格栅板是一种常用的建筑材料,用于用于工业场所、市政道路、桥梁以及其他公共设施的地面上。
格栅板通常由压焊成型的金属条或钢板组成,具有良好的承重性能、抗压性和防滑性能,因此被广泛应用于各种场合。
在实际使用中,格栅板需要承受不同程度的载荷和踏步力,因此其强度计算显得非常重要。
格栅板的踏步强度计算是指在给定的载荷下,格栅板在不发生破坏或变形的情况下能够承受的最大压力。
踏步强度计算是保证格栅板在使用过程中不会发生变形或破坏,确保其安全可靠性的重要手段。
踏步强度计算的关键参数主要包括载荷、格栅板尺寸、材料和结构等因素。
在进行强度计算时,首先需要确定格栅板的载荷情况,包括静态载荷、动态载荷及不同方向的载荷等。
要考虑到格栅板的尺寸和结构,包括网格间距、杆件尺寸和连接方式等,这些参数直接影响着格栅板的承载能力和强度。
格栅板的材料也是影响其踏步强度的重要因素。
常见的格栅板材料包括钢板、不锈钢、碳钢等。
不同材料的强度、硬度和耐腐蚀性能各有不同,因此在进行强度计算时需要根据实际情况选择合适的材料类型,确保格栅板能够承受所施加的载荷。
在进行格栅板的踏步强度计算时,通常采用有限元分析或理论计算的方法。
通过有限元分析可以模拟格栅板在各种载荷下的应力分布和变形情况,从而确定其在不同载荷下的安全承载能力。
理论计算方法主要是基于格栅板的基本力学性质和公式进行计算,通过分析格栅板的结构和材料特性来确定其踏步强度。
在踏步强度计算中,还需考虑格栅板的实际使用环境和条件。
例如在潮湿、腐蚀性或高温环境下,格栅板的耐腐蚀性能和热稳定性也是需要考虑的因素。
格栅板的安装方式和支撑结构等也会对其踏步强度产生影响,因此在进行强度计算时需要考虑这些因素。
格栅板的踏步强度计算是保证其安全可靠性的重要环节。
通过合理的材料选择、结构设计和强度计算,可以确保格栅板在不同载荷下具有良好的承载能力和使用性能,保证其在各种场合下能够安全、稳定地使用。
预设条件选取截水沟盖板(横断沟模型,i=0.4)计算,GT350-50钢格板型号为G503/35/100钢格栅材质:承载扁钢高度:50mm承载扁钢厚度:3mm承载扁钢中心间距B:35mm横杆中心间距:100mm胎压长度a:200mm胎压宽度b:160mm胎压面积:32000mm^2支撑距离(跨度)L:350mm根据P15页荷载级别可知可知,当车辆满载为4000KG时,后单轮荷载为16KN。
车辆满载质量m:4000Kg后单轮荷载G:16000N钢材弹性模量E:206000N/mm^2矩形截面惯性矩I:b*t^3/12=31250mm^4扁钢截面抵抗矩W:b*h^2/6=1250mm^3q=GB/ab =17.5N/mm=0.60N/mm^2=0.05mm允许挠度L/500=0.7mm abW L c Bc i G 8)/2()1(-+=σEIqcL D 3843=选取集水井盖板(横断沟模型,i=0.4)计算,GT2200-50钢格板型号为G503/35/100钢格栅材质:承载扁钢高度:50mm承载扁钢厚度:5mm承载扁钢中心间距B:20mm横杆中心间距:100mm胎压长度a:200mm胎压宽度b:160mm胎压面积:32000mm^2支撑距离(跨度)L:2150mm根据P15页荷载级别可知可知,当车辆满载为4000KG时,后单轮荷载为16KN。
车辆满载质量m:4000Kg后单轮荷载G:16000N钢材弹性模量E:206000N/mm^2矩形截面惯性矩I:b*t^3/12=52083mm^4扁钢截面抵抗矩W:b*h^2/6=2083mm^3q=GB/ab =10.00N/mm=0.26N/mm^2= 3.86mm 允许挠度L/500= 4.3mm abW L c Bc i G 8)/2()1(-+=σEIqcL D 3843=。
第一章 工艺设计和计算一. 格栅的计算设计说明格栅是一组(或多组)相互平行的金属栅条与框架组成,倾斜安装在进水渠道,以控制水中粗大悬浮物及杂质,对下面的微滤机和水泵其保护作用,拟采用细格姗,格栅间距取16mm.设计流量:最大流量s m d m Q /092.0/800033max ==设计参数:栅条间距d=16.00mm,栅前水深h=0.3m,过栅流速v=0.6m/s ,安装倾角α=6001.栅条的间隙数n2.栅槽的有效宽度b.取¢10圆钢为栅条,即s=0.01m,栅槽宽度一般要比格姗宽0.2-0.3m,这里取0.2 m.3.通过格栅的水头损失h 2,m设栅条断面为锐边圆形断面,取阻力系数β=1.83,k=3.36v-1.32=3.36*0.6-1.32=0.7,则4.栅后槽总高度H ,m设栅前渠道超高h 1=0.3m.,有H=h+h 1+h 2=0.3+0.3+0.02=0.62 m ,5.格姗的总建设长度L1l ----进水渠道渐宽部分的长度(m), 设进水渠宽b 1=0.23 m ,其渐宽部分展开角度α=200 l 2----栅槽与出水渠道连接处的渐窄部分长度(m),一般l 2=0.5 l 1则)(306.03.0016.060sin 092.0sin 0max 个≈⨯⨯==bhv Q n α)(97.02.030016.0)130(01.02.0)1(m dn n s b ≈+⨯+-=++-=)(02.060sin 7.08.926.083.1sin 20221m k g v h ≈⨯⨯⨯⨯==αβαtg H l l L 1215.00.1++++=)(42.2603.03.05.00.125.05.05.00.10121m tg tg H l l L =+++++=++++=α)(5.020223.097.02011m tg tg b b l ≈-=-=α6.每日的栅渣量w设栅渣量w1为0.10(m 3 /103m 3污水),变化系数kz=1.6则所以采用机械清渣7.选型与决定根据拦截污泥量,采用机械清渣,选用WGS-50高链式格栅除污机一台,该格栅水槽高0.62m,有效宽0.97m,长度2.42m,占地面积L*b=2.42*0.59=1.43㎡二. 沉砂池沉砂池的作用是去除废水中比重较大的无机颗粒(如泥沙,煤渣等),一般设在水泵和沉淀池前,以减轻水泵和管道的磨损,防止后续处理的构筑物管道的堵塞,提高污泥有机成分的含量.本研究采用平流沉砂池⑴长度L ,m设污水在池内流速v=0.3 m/s,停留时间t=30s ,L=vt=0.3×30=9m⑵水流断面积A ,m 2⑶池总长度B ,m设n=2格,每格宽b=0.6m ,则:⑷有效水深h 2,m⑸沉砂斗所需容积V ,m 3设排砂时间间隔T=2 d ,城市污水的沉砂量X=30 (m 3 /106m 3污水)则:⑹每个沉砂斗容积V 0,m 3设每个分格有2个沉砂斗,即共有4个沉砂斗,则:)/(2.0)/(50.06.1100010.0092.086400100086400331max d m d m k w Q w z >=⨯⨯⨯==)(31.03.0092.02max m v Q A ≈==)(2.16.02m nb B =⨯==)(26.02.131.02m B A h ≈==)(30.0106.186400230092.010********max m k T X Q V z =⨯⨯⨯⨯=⋅⋅⋅⋅=⑺沉砂斗各部分尺寸设斗底宽a 1=0.5 m ,斗壁与水平面的倾角600,斗高h 3′=0.3m ,则:砂斗上口宽a ,m沉砂斗容积V 0,m 3⑻沉砂室高度h 3,m设采用重力排砂,设池底坡度为i=0.06,坡向砂斗,沉砂室含两部分:一部分为沉砂斗,另一部分为沉砂池坡向沉砂斗的过渡部分。
钢格栅重量计算公式
摘要:
1.钢格栅概述
2.钢格栅重量计算公式介绍
3.钢格栅重量计算实例
正文:
钢格栅是一种广泛应用于工业、建筑、交通等领域的金属制品,具有通风、散热、防滑等功能。
钢格栅的规格和类型繁多,因此,了解钢格栅重量计算公式对于选购和施工非常重要。
钢格栅重量计算公式如下:
钢格栅重量(kg)= 钢格栅面积(m)× 钢格栅厚度(mm)× 钢格栅材质单位质量(kg/m)
其中,钢格栅面积是指钢格栅的实际使用面积,即长乘以宽。
钢格栅厚度是指钢格栅的垂直于承载方向的实际厚度。
钢格栅材质单位质量会因材料不同而有所差异,例如,普通的低碳钢单位质量约为7.85kg/m,不锈钢单位质量约为10kg/m左右。
以一个具体的钢格栅为例,假设其规格为:长1000mm,宽500mm,厚度为5mm,材质为普通低碳钢。
我们可以按照如下步骤计算其重量:
1.计算面积:1000mm × 500mm = 500000mm = 0.05m
2.计算钢格栅重量:0.05m × 5mm × 7.85kg/m = 1.96kg
因此,这个钢格栅的重量为1.96kg。
钢格板荷载计算【最新版】目录1.钢格板的概述2.钢格板荷载计算的必要性3.钢格板荷载计算的方法4.钢格板荷载计算的注意事项5.结论正文一、钢格板的概述钢格板,又称钢格栅,是由一定规格的扁钢和横杆按照一定的间距进行交叉排列,并通过焊接或压锁等方式固定成型的钢结构件。
钢格板具有重量轻、强度高、通风透光、耐腐蚀、易于安装等优点,广泛应用于建筑、桥梁、船舶、化工、冶金等行业。
二、钢格板荷载计算的必要性钢格板在使用过程中,会受到不同方向和大小的荷载作用,如人员行走、设备安装等。
为了确保钢格板的安全使用,需要对其进行荷载计算,以确定钢格板的承载能力和使用限制。
三、钢格板荷载计算的方法1.钢格板荷载计算公式:钢格板的荷载计算通常采用以下公式:Q = F × L其中,Q 表示荷载,F 表示荷载强度,L 表示钢格板的跨度。
2.荷载强度的确定:荷载强度 F 包括集中荷载和均布荷载。
集中荷载通常根据实际设备重量或人员荷载进行计算;均布荷载一般取为 1.5kN/m。
3.钢格板跨度的确定:钢格板的跨度 L 是指钢格板两端支承点之间的距离。
在计算荷载时,应根据实际情况确定钢格板的跨度。
四、钢格板荷载计算的注意事项1.钢格板荷载计算应根据实际情况进行,包括考虑使用环境、钢格板的材质和规格等因素。
2.在进行钢格板荷载计算时,应遵循相关设计规范和标准,以确保计算结果的准确性。
3.在使用钢格板时,应严格按照计算结果进行荷载布置,避免超载使用,确保钢格板的安全稳定。
五、结论钢格板荷载计算是确保钢格板安全使用的重要环节。
通过合理的荷载计算,可以为钢格板的设计、施工和使用提供科学依据。