钢格栅板规格计算方法
- 格式:doc
- 大小:61.50 KB
- 文档页数:2
钢格板计算重量公式
钢格板是一种常用的建筑材料,具有高强度、耐腐蚀、重量轻等特点。
在实际工程中,需要计算钢格板的重量,以方便施工和运输。
下面介绍钢格板计算重量的公式及注意事项。
一、钢格板的重量公式
钢格板的重量计算公式如下:
钢格板重量(kg)=板厚(mm)×(3.14×(板宽(mm)-间距
(mm))×(板长(mm)-间距(mm))÷1000000)×钢板密度(kg/m³)
其中,钢板密度一般为7850kg/m³。
例如,一块2mm厚、宽1m、长4m、间距50mm的钢格板的重量计算如下:
2×(3.14×(1000-50)×(4000-50)÷1000000)×7850=153.27kg
二、注意事项
1. 应该注意单位统一,如钢格板长、宽、厚的单位为mm,密度单位为kg/m³,计算结果为kg。
2. 在上述公式中,间距为指钢格板之间的间距,而不是钢格板中间的
空隙。
如果计算中遇到空隙较大的情况,需要修改公式进行计算。
3. 钢格板的计算重量不包括铺设支架和附件等重量,需要根据实际情
况进行修正。
4. 不同厂家的钢格板厚度和间距可能有所不同,需要按照厂家提供的
数据进行计算。
总之,钢格板重量的计算是施工过程中必不可少的一环,只有准确计
算出钢格板的重量,才能保证施工的顺利进行。
建议在计算过程中注
意单位统一、间距的定义、附件重量等因素,确保计算结果的准确性。
格栅计算公式格栅计算公式是一种用于计算格栅参数的数学公式。
格栅是一种由平行或交叉的纵横相等的线或条带组成的结构,常见于建筑、工程和设计中。
格栅计算公式通过数学运算来确定格栅的尺寸、间距、角度和形状,帮助设计师和工程师准确地构建格栅结构。
一、格栅计算公式的基本原理格栅计算公式基于几何和数学原理,通过计算不同参数的数值,确定格栅的相关尺寸和形状。
常见的格栅计算公式包括计算格栅间距、格栅角度和格栅尺寸的公式。
1. 格栅间距计算公式格栅间距是指相邻格栅线之间的距离,通常以毫米或英寸为单位。
格栅间距的计算公式可以根据设计需求和格栅线的数量来确定。
例如,如果要设计一个平行格栅,格栅线的数量为n,总长度为L,则格栅间距可以通过公式D = L / (n-1)来计算,其中D表示格栅间距。
2. 格栅角度计算公式格栅角度是指格栅线与水平或垂直方向之间的夹角。
格栅角度的计算公式可以根据设计需求和格栅线的排列方式来确定。
例如,如果要设计一个平行格栅,格栅线与水平方向平行,则格栅角度为0度。
如果要设计一个交叉格栅,格栅线与水平方向垂直,则格栅角度为90度。
3. 格栅尺寸计算公式格栅尺寸是指格栅的宽度、长度和高度等尺寸参数。
格栅尺寸的计算公式可以根据设计需求和格栅的形状来确定。
例如,如果要设计一个矩形格栅,格栅的宽度为W,长度为L,则格栅的面积可以通过公式A = W * L来计算,其中A表示格栅的面积。
二、格栅计算公式的应用格栅计算公式广泛应用于建筑、工程和设计领域。
它可以帮助设计师和工程师准确地确定格栅的参数,确保格栅结构的稳定性和美观性。
1. 建筑设计中的格栅计算公式在建筑设计中,格栅常用于立面设计和遮阳系统。
通过格栅计算公式,设计师可以确定格栅的间距、角度和尺寸,以实现建筑外观的效果和功能需求。
2. 工程设计中的格栅计算公式在工程设计中,格栅常用于管道、通风系统和输电线路等。
通过格栅计算公式,工程师可以确定格栅的间距、角度和尺寸,以满足工程系统的要求和安全标准。
钢格栅板规格型号及尺寸1. 引言钢格栅板是一种常用于工业、建筑和公共设施中的结构材料,具有高强度、耐腐蚀和防滑等特点。
钢格栅板有多种规格型号及尺寸,不同的种类适用于不同的场景和用途。
本文将详细介绍钢格栅板的规格型号及尺寸,帮助读者了解并选择适合自己需求的钢格栅板。
2. 钢格栅板的分类根据不同的制造工艺和用途,钢格栅板可以分为不锈钢格栅板、热浸镀锌钢格栅板和热浸镀锌钢格栅板三种主要类型。
2.1 不锈钢格栅板不锈钢格栅板是以不锈钢为原材料制造而成的,具有良好的耐腐蚀性能和抗老化能力。
常见的不锈钢格栅板规格型号有以下几种:•规格型号:SGS-01–板厚:3mm–横向间距:30mm–纵向间距:30mm•规格型号:SGS-02–板厚:5mm–横向间距:40mm–纵向间距:40mm2.2 热浸镀锌钢格栅板热浸镀锌钢格栅板是将钢格栅板浸入熔融的锌液中,使钢格栅板表面镀上一层锌,起到防腐蚀的作用。
常见的热浸镀锌钢格栅板规格型号有以下几种:•规格型号:HZG-01–板厚:4mm–横向间距:30mm–纵向间距:30mm•规格型号:HZG-02–板厚:6mm–横向间距:40mm–纵向间距:40mm2.3 热浸镀锌钢格栅板热镀锌钢格栅板是在冷轧或热轧的钢板表面涂覆一层锌,并经过加热处理,使锌涂层与钢板表面发生化学反应并形成合金层。
常见的热镀锌钢格栅板规格型号有以下几种:•规格型号:HDG-01–板厚:5mm–横向间距:40mm–纵向间距:40mm•规格型号:HDG-02–板厚:8mm–横向间距:50mm–纵向间距:50mm3. 钢格栅板的尺寸和重量钢格栅板的尺寸和重量是选择合适规格型号的重要参考因素。
3.1 尺寸钢格栅板的尺寸一般以长度和宽度来表示。
常见的钢格栅板长度有1m、2m、3m等不同尺寸,宽度一般为1m。
当然,具体的尺寸还可以根据用户的需求进行定制。
3.2 重量钢格栅板的重量主要取决于板厚、间距、长度和宽度等因素。
钢格栅路面工程量计算公式钢格栅路面工程是一种常见的道路铺设方式,它具有良好的排水性能、耐久性和承载能力,因此在道路建设中得到了广泛应用。
在进行钢格栅路面工程量计算时,需要考虑到各种因素,包括路面的尺寸、材料的规格、铺设方式等。
下面将介绍钢格栅路面工程量计算的公式及相关内容。
一、钢格栅路面工程量计算公式。
1. 钢格栅板数量计算公式。
钢格栅板数量 = 路面长度(m)×路面宽度(m)/ 钢格栅板长度(m)×钢格栅板宽度(m)。
2. 钢格栅板总面积计算公式。
钢格栅板总面积 = 钢格栅板数量×钢格栅板长度(m)×钢格栅板宽度(m)。
3. 钢格栅板支架数量计算公式。
钢格栅板支架数量 = 钢格栅板数量× 2(每块钢格栅板需要两个支架)。
4. 钢格栅板支架总长度计算公式。
钢格栅板支架总长度 = 钢格栅板支架数量×钢格栅板宽度(m)。
5. 钢格栅板连接件数量计算公式。
钢格栅板连接件数量 = 钢格栅板数量×(钢格栅板长度(m)1)×(钢格栅板宽度(m)1)。
6. 钢格栅板连接件总长度计算公式。
钢格栅板连接件总长度 = 钢格栅板连接件数量× 4(每个连接件需要4个)。
以上公式是钢格栅路面工程量计算中常用的计算公式,通过这些公式可以比较准确地计算出钢格栅路面所需的材料数量和长度。
二、钢格栅路面工程量计算注意事项。
1. 路面尺寸的准确测量。
在进行钢格栅路面工程量计算时,首先需要对路面的长度和宽度进行准确的测量,以确保计算结果的准确性。
尺寸测量过程中需要考虑到路面的实际形状和弯曲度,避免因为测量不准确而导致材料的浪费或不足。
2. 材料规格的选择。
钢格栅板的长度和宽度是根据实际需要进行选择的,通常情况下会根据路面的尺寸和承载能力要求来确定合适的规格。
在选择材料规格时需要考虑到材料的强度、耐腐蚀性和使用寿命等因素,以确保路面的质量和安全性。
钢格板计算重量公式钢格板的重量可以通过以下公式计算:重量 = 长度 ×宽度 ×厚度 ×单位重量其中,长度、宽度和厚度分别表示钢格板的尺寸,单位重量表示每平方米的钢格板重量。
钢格板通常有不同的型号和规格,不同型号的钢格板具有不同的单位重量。
因此,需要根据具体的钢格板型号来确定单位重量。
在具体应用中,可以根据需要将钢格板的尺寸转换为米。
如果尺寸已经是米,则可以直接使用。
以下是一个示例:假设钢格板的尺寸为6米 × 1米 × 0.1米,单位重量为25千克/平方米。
重量 = 6米 × 1米 × 0.1米 × 25千克/平方米= 15千克因此,这个示例中的钢格板的重量为15千克。
需要注意的是,在实际应用中,还需要考虑其他因素,如连接件、支撑结构等,因为这些因素会影响钢格板的重量计算。
扩展和深入分析:钢格板是一种常用的建筑材料,广泛应用于工业、交通等领域。
计算钢格板重量的公式可以帮助我们在工程设计和施工中确定所需材料的数量和重量,以便进行合理的安装和支撑。
除了上述公式,还有一些其他的计算方法可以用于钢格板的重量计算。
例如,可以使用体积法来计算钢格板的重量,即将钢格板视为一个长方体,通过计算其体积来得出重量。
此外,还可以根据钢格板材料的密度和尺寸来计算重量,密度是指单位体积的质量。
在工程中,选择合适的钢格板型号和规格对于确保建筑物的结构强度和稳定性至关重要。
不同型号和规格的钢格板具有不同的承重能力和耐久性,因此需要根据具体的应用要求选择适当的材料。
此外,在计算钢格板重量时,还需要考虑加工和制造过程中的浪费和损耗。
由于钢格板的生产和切割过程中会有一定的浪费,所以在计算所需材料时需要考虑这一因素,以确保购买的材料能够满足实际需求。
总之,钢格板重量的计算公式可以帮助我们在工程设计和施工中准确确定所需材料的数量和重量。
了解钢格板的重量可以帮助我们选择适当的材料,确保建筑物的结构强度和稳定性。
钢格板重量表及公式一下为常见钢格板理论重量:规格重量(公斤/平米) 规格重量(公斤/平米) G203/30/100 17.543 G203/30/50 19.543 G204/30/100 23.195 G204/30/50 25.195 G205/30/100 28.847 G205/30/50 30.847 G253/30/100 21.42875 G253/30/50 23.42875 G255/30/100 35.55875 G255/30/50 37.55875 G254/30/100 28.49375 G254/30/50 30.49375 G323/30/100 26.8688 G323/30/50 28.868 G325/30/100 44.9552 G325/30/50 46.9552 G353/30/100 29.20025 G353/30/50 31.20025 G354/30/100 39.09125 G354/30/50 41.0912 G355/30/100 48.98225 G355/30/50 50.98225 G403/30/100 33.086 G403/30/50 35.086 G404/30/100 44.39 G404/30/50 46.39 G405/30/100 55.694 G405/30/50 57.69 G455/30/100 62.40575 G455/30/50 64.40575 G503/30/100 40.8575 G503/30/50 42.8575 G504/30/100 54.9875 G504/30/50 56.987 G505/30/100 69.1175 G505/30/50 71.117 G555/30/100 75.82925 G555/30/50 77.82925 G605/30/100 82.541 G605/30/50 84.541 G655/30/10089.25275G655/30/5091.25275二、钢格板G405/30/50w 每平米重量的计算按照公式:Wt=(b1t1N1+b2t2N2+2b3t3)ρμ×10-6。
钢格栅板规格型号及尺寸一、钢格栅板的定义及用途钢格栅板是由钢材经过加工制成的一种网状结构的板材,通常用于建筑物、工业设备、市政工程等领域中作为地面覆盖物或者隔离栏杆。
其特点是具有极高的承重能力和抗压性能,同时具有良好的透气性和防滑性能。
二、钢格栅板的材质1.碳素钢:碳素含量在0.06%~0.25%,强度较高,价格相对较低。
2.不锈钢:主要成分为铬和镍,具有耐腐蚀性能,适用于潮湿环境。
3.铝合金:密度小、强度高、抗腐蚀性能好。
三、钢格栅板的规格型号1.按承重能力分为:(1)轻型:承重50kg/m2以下。
(2)中型:承重50kg/m2~200kg/m2。
(3)重型:承重200kg/m2以上。
2.按形状分类:(1)平面式(2)齿形式(3)I形式(4)T形式3.按表面处理分类:(1)镀锌(2)喷涂(3)热浸镀锌四、钢格栅板的尺寸1.标准尺寸:995mm×5800mm、1000mm×6000mm。
2.定制尺寸:根据客户需求,可以定制不同的尺寸,常见的有:(1)宽度:1000mm、1200mm、1500mm等。
(2)长度:3000mm、4000mm、5000mm等。
(3)厚度:25mm、30mm、40mm等。
五、钢格栅板的制作工艺1.钢材切割成一定大小的坯料。
2.在冲床上进行冲孔或者切割成所需形状。
3.将坯料焊接成网状结构,形成钢格栅板。
4.对钢格栅板进行表面处理,如镀锌、喷涂等。
5.经过检验合格后包装出厂。
六、钢格栅板的质量标准1.承重能力符合国家标准GB/T700-2006中规定的要求。
2.外观质量符合国家标准GB/T9787-2008中规定的要求。
3.表面处理符合国家标准GB/T13912-2002中规定的要求。
4.焊接质量符合国家标准GB/T3323-2005中规定的要求。
七、钢格栅板的安装方法1.将钢格栅板放置于支撑物上,用螺栓或者焊接固定。
2.在钢格栅板四周设置边框,以确保其稳固性。
钢格栅重量计算公式钢格栅重量计算公式钢格栅是一种常见的建筑和工业材料,其重量计算公式可以用于确定钢格栅的重量,帮助工程师和设计师进行结构设计和材料选用。
本文将列举相关计算公式,并举例解释说明。
1. 单元面积重量公式钢格栅的重量通常是通过计算其单元面积的重量来得到的。
单元面积重量公式可以根据钢格栅的材料和尺寸进行计算。
以下是常见的单元面积重量公式:•钢格栅的重量(kg)= 钢格栅的长度(m)* 钢格栅的宽度(m)* 钢格栅的厚度(mm)* 单位重量(kg/m^2)其中,单位重量是指材料的每平方米的重量,可以从相应的材料参考表中获得。
2. 实际重量公式钢格栅的实际重量可以通过单元面积重量与实际面积的乘积计算得出。
实际重量公式如下:•钢格栅的实际重量(kg)= 单元面积重量(kg/m2)* 钢格栅的实际面积(m2)实际面积可以根据钢格栅的形状进行计算,例如矩形的钢格栅可以使用长度和宽度来计算,其他形状的钢格栅可以根据实际情况进行求解。
3. 举例说明假设有一块矩形的钢格栅,长度为3m,宽度为,厚度为5mm,单位重量为30kg/m^2。
根据上述公式,可以计算出该钢格栅的重量和实际重量。
1.计算单元面积重量:钢格栅的重量(kg)= 3m * *5mm * 30kg/m^2 钢格栅的重量 =2.计算实际重量:钢格栅的实际重量(kg)= * 实际面积(实际面积根据钢格栅的形状计算)通过以上计算,可以得到该矩形钢格栅的重量和实际重量。
根据具体的应用和设计要求,可以通过这些计算公式来选择合适的钢格栅材料和尺寸,满足结构设计和使用需求。
以上是钢格栅重量计算公式的相关内容,希望对读者有所帮助。
注意:以上计算公式仅作为参考,实际情况可能因材料属性、制造工艺等因素而有所差异。
在实际工程中,应根据具体情况和相关标准进行计算和选择。
4. 其他影响因素除了钢格栅的尺寸和材料,还有一些其他因素也会对其重量产生影响。
下面是一些常见的影响因素:•材料密度:不同材料的密度不同,同样尺寸的钢格栅重量也会有所差异。
钢塑土工格栅计算公式
钢塑土工格栅计算公式包括以下几个关键参数:
1. 格栅尺寸:格栅的长度、宽度和高度,单位为米;
2. 格栅材质的抗压强度:表示格栅所能承受的最大压力,单位为兆帕(MPa)或牛顿/平方米(N/m²);
3. 格栅的设计荷载:表示在格栅上施加的最大荷载,单位为千牛顿(kN)或吨(t);
4. 格栅的应力分布:计算格栅所受的最大应力和应力分布方向。
计算格栅的公式可以根据实际工程需求进行调整和修正,以下是一个常见的计算格栅荷载的公式示例:
格栅荷载 = 格栅的设计荷载 / 格栅的承载力
格栅的承载力可以根据格栅的几何参数和材质的抗压强度来计算,具体的计算公式可以根据实际情况进行选择和确定。
值得注意的是,钢塑土工格栅的设计和计算需要考虑诸如地质条件、土壤性质和使用环境等因素,因此,在进行具体计算之前,需要进行详细的工程调研和设计分析。
预设条件选取截水沟盖板(横断沟模型,i=0.4)计算,GT350-50钢格板型号为G503/35/100钢格栅材质:承载扁钢高度:50mm承载扁钢厚度:3mm承载扁钢中心间距B:35mm横杆中心间距:100mm胎压长度a:200mm胎压宽度b:160mm胎压面积:32000mm^2支撑距离(跨度)L:350mm根据P15页荷载级别可知可知,当车辆满载为4000KG时,后单轮荷载为16KN。
车辆满载质量m:4000Kg后单轮荷载G:16000N钢材弹性模量E:206000N/mm^2矩形截面惯性矩I:b*t^3/12=31250mm^4扁钢截面抵抗矩W:b*h^2/6=1250mm^3q=GB/ab =17.5N/mm=0.60N/mm^2=0.05mm允许挠度L/500=0.7mm abW L c Bc i G 8)/2()1(-+=σEIqcL D 3843=选取集水井盖板(横断沟模型,i=0.4)计算,GT2200-50钢格板型号为G503/35/100钢格栅材质:承载扁钢高度:50mm承载扁钢厚度:5mm承载扁钢中心间距B:20mm横杆中心间距:100mm胎压长度a:200mm胎压宽度b:160mm胎压面积:32000mm^2支撑距离(跨度)L:2150mm根据P15页荷载级别可知可知,当车辆满载为4000KG时,后单轮荷载为16KN。
车辆满载质量m:4000Kg后单轮荷载G:16000N钢材弹性模量E:206000N/mm^2矩形截面惯性矩I:b*t^3/12=52083mm^4扁钢截面抵抗矩W:b*h^2/6=2083mm^3q=GB/ab =10.00N/mm=0.26N/mm^2= 3.86mm 允许挠度L/500= 4.3mm abW L c Bc i G 8)/2()1(-+=σEIqcL D 3843=。
第一章 工艺设计和计算一. 格栅的计算设计说明格栅是一组(或多组)相互平行的金属栅条与框架组成,倾斜安装在进水渠道,以控制水中粗大悬浮物及杂质,对下面的微滤机和水泵其保护作用,拟采用细格姗,格栅间距取16mm.设计流量:最大流量s m d m Q /092.0/800033max ==设计参数:栅条间距d=16.00mm,栅前水深h=0.3m,过栅流速v=0.6m/s ,安装倾角α=6001.栅条的间隙数n2.栅槽的有效宽度b.取¢10圆钢为栅条,即s=0.01m,栅槽宽度一般要比格姗宽0.2-0.3m,这里取0.2 m.3.通过格栅的水头损失h 2,m设栅条断面为锐边圆形断面,取阻力系数β=1.83,k=3.36v-1.32=3.36*0.6-1.32=0.7,则4.栅后槽总高度H ,m设栅前渠道超高h 1=0.3m.,有H=h+h 1+h 2=0.3+0.3+0.02=0.62 m ,5.格姗的总建设长度L1l ----进水渠道渐宽部分的长度(m), 设进水渠宽b 1=0.23 m ,其渐宽部分展开角度α=200 l 2----栅槽与出水渠道连接处的渐窄部分长度(m),一般l 2=0.5 l 1则)(306.03.0016.060sin 092.0sin 0max 个≈⨯⨯==bhv Q n α)(97.02.030016.0)130(01.02.0)1(m dn n s b ≈+⨯+-=++-=)(02.060sin 7.08.926.083.1sin 20221m k g v h ≈⨯⨯⨯⨯==αβαtg H l l L 1215.00.1++++=)(42.2603.03.05.00.125.05.05.00.10121m tg tg H l l L =+++++=++++=α)(5.020223.097.02011m tg tg b b l ≈-=-=α6.每日的栅渣量w设栅渣量w1为0.10(m 3 /103m 3污水),变化系数kz=1.6则所以采用机械清渣7.选型与决定根据拦截污泥量,采用机械清渣,选用WGS-50高链式格栅除污机一台,该格栅水槽高0.62m,有效宽0.97m,长度2.42m,占地面积L*b=2.42*0.59=1.43㎡二. 沉砂池沉砂池的作用是去除废水中比重较大的无机颗粒(如泥沙,煤渣等),一般设在水泵和沉淀池前,以减轻水泵和管道的磨损,防止后续处理的构筑物管道的堵塞,提高污泥有机成分的含量.本研究采用平流沉砂池⑴长度L ,m设污水在池内流速v=0.3 m/s,停留时间t=30s ,L=vt=0.3×30=9m⑵水流断面积A ,m 2⑶池总长度B ,m设n=2格,每格宽b=0.6m ,则:⑷有效水深h 2,m⑸沉砂斗所需容积V ,m 3设排砂时间间隔T=2 d ,城市污水的沉砂量X=30 (m 3 /106m 3污水)则:⑹每个沉砂斗容积V 0,m 3设每个分格有2个沉砂斗,即共有4个沉砂斗,则:)/(2.0)/(50.06.1100010.0092.086400100086400331max d m d m k w Q w z >=⨯⨯⨯==)(31.03.0092.02max m v Q A ≈==)(2.16.02m nb B =⨯==)(26.02.131.02m B A h ≈==)(30.0106.186400230092.010********max m k T X Q V z =⨯⨯⨯⨯=⋅⋅⋅⋅=⑺沉砂斗各部分尺寸设斗底宽a 1=0.5 m ,斗壁与水平面的倾角600,斗高h 3′=0.3m ,则:砂斗上口宽a ,m沉砂斗容积V 0,m 3⑻沉砂室高度h 3,m设采用重力排砂,设池底坡度为i=0.06,坡向砂斗,沉砂室含两部分:一部分为沉砂斗,另一部分为沉砂池坡向沉砂斗的过渡部分。
钢格栅重量计算和面积计算
钢格栅重量计算和面积计算
在钢格栅的报价当中,钢格栅板所用材料的重量直接影响他的报价,所以如果想搞清楚钢格栅板的报价就必须要搞清楚钢格栅板的重量是怎么算出来的,其次才能算出产品的报价是多少!为了让用户更加了解钢钢格栅的重量和报价我们特意整理了一下相关的计算公式,以方便用户对自已的预算和运输提前做好准备!
钢格栅板的重量计算
钢格板的重量,经包边和热浸锌表面处理后,重量会增加,根据前表之规定,对一般工业平台,负载扁钢间距为30mm的钢格板增重约12,;负载扁钢间距为40mm的钢格板增重约14,。
钢格栅的重量应为:面积X单重,见前表,X系数。
钢格栅的面积计算
1、在没有图纸、按用户规定尺寸加工的,面积为实际交付钢格板的数量乘以宽度和长度的总和,它包含开孔和切口部分。
2、提供图纸为用户设计的,面积按图纸上总的外围尺寸计算,它包括开孔和切口部分。
3、对于异钢格板,如图所示面积为宽,W,×长,L,,不扣除切口部分。
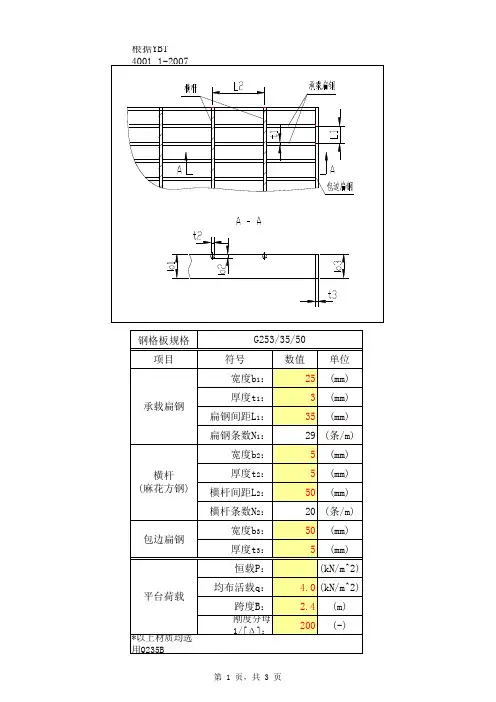
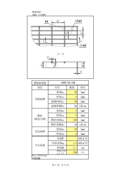
钢格板的牌号与规格
钢格板的牌号与规格
如DG255/30/100 表示:横杆中心间距100mm;扁钢中心间距30mm;扁钢厚度为5mm;扁钢宽度为25mm。
另外,可在规格后添加字母“S”表示齿型钢格板,或字母“I”表示工字型钢格板,也可同时使用以表示工字齿型钢格板。
如DG325/30/50I 表示:横杆中心间距50mm;扁钢中心间距30mm;扁钢宽度为32mm 的工字型扁钢。
钢格板的理论计算方法
钢格栅板的重量,是指经过包边和表面处理(非表面处理的除外)后的理论重量。
由于包边、开孔和切口的不同,实际重量与理论重量会出现差异。
在工业平台钢格栅板自重计算及钢格栅板交付结算中,统一以理论重量为计算依据。
对于长度小于1米的钢格栅板(例如沟盖板)或者需要作特殊包边的钢格栅板,由于包边板的增加,重量会随着增加。
用平面型扁钢包边,钢格栅板长度不小于1米时,按下面公式计算钢格栅板理论重量:
Wt=(b1t1N1+b2t2N2+2b3t3)ρμ
式中:
Wt—钢格栅板重量,g/m2
t1—负载扁钢宽度,mm
b1--负载扁钢厚度,mm
N1—每米钢格栅板中负载扁钢条数
t2—横杆宽度,mm
b2—横杆厚度,mm
N2—每米钢格栅板中横杆条数
t3—包边扁钢宽度,mm
b3--包边扁钢厚度,mm
ρ—材料密度,g/mm3
钢材密度按7.85g/mm3计算
μ--表面处理增重系数
热浸锌增重按1.08计算。
钢格栅重量计算公式
【原创实用版】
目录
1.钢格栅的概述
2.钢格栅重量计算公式的推导
3.钢格栅重量计算的实例
4.结论
正文
一、钢格栅的概述
钢格栅,又称钢格板,是由一定规格的扁钢和横杆按照一定的间距进行交叉排列,并通过焊接或压锁等方式固定成型的钢结构件。
钢格栅具有重量轻、强度高、通风透光性好、耐腐蚀、不易积尘等优点,广泛应用于建筑、平台、桥梁、走道、排水沟等工程中。
二、钢格栅重量计算公式的推导
钢格栅的重量计算公式为:重量(kg)= 面积(m)×厚度(mm)×密度(kg/m)
其中,面积可以通过钢格栅的长度和宽度相乘得到;厚度通常为扁钢的高度;密度一般取为 78.5 kg/m,这是普通碳钢的密度。
三、钢格栅重量计算的实例
假设一块钢格栅的长为 2m,宽为 1m,厚度为 50mm,我们可以按照以下步骤计算其重量:
1.计算面积:面积 = 长×宽 = 2m × 1m = 2m
2.计算重量:重量 = 面积×厚度×密度 = 2m × 50mm × 78.5 kg/m = 785 kg
因此,这块钢格栅的重量为 785 千克。
四、结论
钢格栅的重量计算公式为:重量(kg)= 面积(m)×厚度(mm)×密度(kg/m)。
通过这个公式,我们可以方便地计算钢格栅的重量,为工程设计和施工提供参考依据。
钢格板的牌号与规格
钢格板的牌号与规格
如DG255/30/100 表示:横杆中心间距100mm;扁钢中心间距30mm;扁钢厚度为5mm;扁钢宽度为25mm。
另外,可在规格后添加字母“S”表示齿型钢格板,或字母“I”表示工字型钢格板,也可同时使用以表示工字齿型钢格板。
如DG325/30/50I 表示:横杆中心间距50mm;扁钢中心间距30mm;扁钢宽度为32mm 的工字型扁钢。
钢格板的理论计算方法
钢格栅板的重量,是指经过包边和表面处理(非表面处理的除外)后的理论重量。
由于包边、开孔和切口的不同,实际重量与理论重量会出现差异。
在工业平台钢格栅板自重计算及钢格栅板交付结算中,统一以理论重量为计算依据。
对于长度小于1米的钢格栅板(例如沟盖板)或者需要作特殊包边的钢格栅板,由于包边板的增加,重量会随着增加。
用平面型扁钢包边,钢格栅板长度不小于1米时,按下面公式计算钢格栅板理论重量:
Wt=(b1t1N1+b2t2N2+2b3t3)ρμ
式中:
Wt—钢格栅板重量,g/m2
t1—负载扁钢宽度,mm
b1--负载扁钢厚度,mm
N1—每米钢格栅板中负载扁钢条数
t2—横杆宽度,mm
b2—横杆厚度,mm
N2—每米钢格栅板中横杆条数
t3—包边扁钢宽度,mm
b3--包边扁钢厚度,mm
ρ—材料密度,g/mm3
钢材密度按7.85g/mm3计算
μ--表面处理增重系数
热浸锌增重按1.08计算。