三、四等轮机各职务实操试题
- 格式:doc
- 大小:43.00 KB
- 文档页数:5
测试题四1.大功率筒状柴油机的活塞冷却方式大多采用____。
A.循环冷却B. 振荡冷却C. 开式冷却D. A+B2.中小型柴油机的活塞多选用铝合金材料的主要原因是____。
A. 导热系数大,散热性好B. 摩擦系数小,耐磨性好C. 膨胀系数小,变形小D. 重量轻,惯性力大3.有关活塞环下列论述中错误的是____。
A. 整个活塞环圆周漏光弧度相加不得超过90°B. 搭口处两侧30°范围内不漏光C. 活塞环搭口相应错开180°D. 将活塞环置于缸套中部测量搭口间隙4.活塞环的搭口形式有___。
A. 直搭口B. 斜搭口C. 重叠搭口D. A+B+C5.活塞环的平面间隙是指____。
A. 环内圆面与环槽底圆面之间的间隙B. 环工作面与缸壁之间的间隙C. 环端面与环槽上或下面之间的间隙D. 环工作状态的搭口间隙6.活塞环搭口间隙的正确测量方法是把活塞环放在____。
A. 气缸上部B. 气缸下部C. 中部D. 任意放置7.活塞环的材料通常采用__。
A.灰口铸铁B.白口铸铁C.球墨铸铁D.低碳铸钢。
8.根据活塞销的工作条件,对它的要求是__ __。
A. 有足够的强度与刚度B. 耐冲击和表面耐磨性C. 较高的尺寸精度与表面粗糙度D. A+B+C9.活塞常见裂纹及裂缝故障,多数出现在____。
A. 活塞顶部B. 活塞裙部C. 销孔及环槽处D. A+C10.运行中活塞环局部工作面发黑表示____。
A. 缸内燃烧不良B. 活塞环漏气C. 润滑不良D. 环腐蚀11.筒形活塞的裙部在工作中产生的变形是___。
A. 在侧推力作用下使裙部直径沿活塞销轴线方向伸长B. 裙部销座附近金属堆积多,受热后沿销轴方向有较大的热胀变形C. 作用在活塞顶上的气体力使裙部直径沿销轴线方向伸长D. A+B+C12.关于下列四冲程柴油机气缸套功用中不正确的是————。
A.与气缸盖、活塞组成燃烧室 B.承担活塞的侧推力C.开有气口构成扫气通道D.与气缸体形成冷却水通道13.气缸套内壁表面气缸油槽的布置通常是____。
读书破万卷下笔如有神三等轮机各职务实操试题三等轮机长试题(一)一、机电设备操作管理1、轴系的扭转振动有哪些危害?二、故障判断分析与排除1、供油提前角太大或太小,对柴油机工作有何影响?2、提高功率因数的意义和方法?三、应急应变措施1、船舶火警警报发出后,轮机部人员该怎样行动?四、机电设备拆装调试1、试述坞修中应对螺旋桨作哪些检查2、齿轮泵的拆检注意事项(现场拆卸、装配)?五、量具仪表使用测量三等轮机长试题(二)一、电设备操作管理1、水线工程主要内容有哪些?二、故障判断分析与排除1、柴油机运转中润滑油温度过高的主要原因有哪些?2、可否用热继电器代替熔断器来实现短路保护?为什么?三、应急应变措施1、主机调速器损坏时应怎样进行应急处理?2、机舱失火应采取哪些紧急措施?四、机电设备拆装调试1、齿轮泵的拆检注意事项(现场拆卸、装配)2、试述绕线式粗滤器的拆卸、清洗和装复程序。
五、量具仪表使用测量6135型柴油机汽缸套测量记录及扁锥差计算(现场操作)三等轮机长试题(三)一、电设备操作管理1、柴油机运行中的主要监视点和监视参数有哪些?二、故障判断分析与排除1、导致柴油机产生拉缸的主要原因有那些?2、造成空压机余隙容积增大的主要原因有那些?三、应急应变措施1、船舶触礁,机舱进水采取什么措施?2、航行中主配电屏上发电机空气开关跳闸时应为何处理?四、机电设备拆装调试1、试述6135型柴油机气缸套的安装工作步骤和注意事项。
2、连杆螺栓在哪些情况下应予换新。
五、量具仪表使用测量读书破万卷下笔如有神齿轮泵内部间隙包含那些?一般规定其间隙值各为多少?端面间隙如何检查与调整?三等轮机长试题(四)一、电设备操作管理1、试述离心泵在检修后第一次起动的起动步骤二、故障判断分析与排除1、曲轴箱爆炸的主要原因是什么?有何前兆?2、平衡离心泵轴向推力的方法有那些?三、应急应变措施1、当柴油机气缸内发生异响时应采取怎样的措施?2、航行中液压舵机失灵应采取什么措施?四、机电设备拆装调试1、试述调整主机供油零位的方法步骤。
海员机工业务实操考试题库一、船舶机械基础知识1. 船舶主机的工作原理是什么?请简述其主要组成部分。
2. 船舶辅机的作用有哪些?请列举至少三种辅机并说明其功能。
3. 船舶动力系统包括哪些部分?请简述其工作流程。
4. 船舶的燃油系统是如何工作的?请描述其主要组成部分和工作流程。
5. 船舶的润滑系统有何重要性?请简述其工作原理。
二、船舶机械维护与修理1. 船舶主机的日常维护包括哪些内容?2. 如何判断船舶辅机需要进行修理或更换?3. 船舶动力系统的常见故障有哪些?请列举并简述其可能的原因。
4. 船舶燃油系统故障时,应如何进行排查和处理?5. 船舶润滑系统出现故障时,应采取哪些措施?三、船舶电气系统实操1. 船舶电气系统的组成有哪些?请简述其主要功能。
2. 船舶电气系统的维护要点是什么?3. 如何进行船舶电气系统的故障诊断?4. 船舶电气设备发生短路时,应如何处理?5. 船舶蓄电池的维护和充电有哪些注意事项?四、船舶安全操作规程1. 船舶机舱内安全操作的基本要求是什么?2. 在船舶机舱进行维修工作时,应注意哪些安全事项?3. 船舶机舱发生火灾时,应采取哪些紧急措施?4. 船舶机舱内使用化学品时,应遵守哪些安全规定?5. 船舶机舱内电气设备操作的安全规范有哪些?五、船舶应急处理1. 船舶主机发生故障时,应急处理的步骤是什么?2. 船舶辅机故障导致船舶失去动力时,应如何应急处理?3. 船舶电气系统发生故障时,应急处理措施有哪些?4. 船舶燃油系统泄漏时,应采取哪些应急措施?5. 船舶在海上遇到恶劣天气时,应如何进行应急操作?六、船舶环保与节能1. 船舶在运行过程中,如何实现节能减排?2. 船舶机舱的废气处理有哪些方法?3. 船舶机舱废水处理的基本原则是什么?4. 船舶如何进行垃圾分类和处理?5. 船舶在航行中如何减少对海洋环境的影响?七、船舶机械实操技能1. 船舶主机启动前的准备工作有哪些?2. 如何进行船舶主机的常规操作和监控?3. 船舶辅机的操作流程是什么?4. 船舶电气系统的实际操作包括哪些内容?5. 船舶机械故障的诊断和排除方法有哪些?八、船舶机工业务综合应用1. 描述一次船舶机工在航行中处理主机故障的全过程。
船上机工考试题及答案一、单项选择题(每题2分,共10题,满分20分)1. 船上机工在进行发动机检修时,首先需要做的是:A. 直接拆卸发动机部件B. 检查发动机油液位C. 阅读发动机维护手册D. 询问其他机工意见答案:C2. 船上机工在发现发动机过热时,应立即采取的措施是:A. 继续运行发动机B. 立即关闭发动机C. 增加冷却液D. 检查发动机负荷答案:B3. 船上机工在进行电气系统检查时,应使用的工具是:A. 万用表B. 扳手C. 螺丝刀D. 钳子答案:A4. 船上机工在更换润滑油时,应确保油品的粘度等级符合:A. 船舶制造商的要求B. 润滑油供应商的推荐C. 船舶操作手册的规定D. 个人经验判断答案:A5. 船上机工在处理船舶燃油泄漏时,应首先采取的措施是:A. 通知船长B. 立即关闭泄漏源C. 使用吸油材料D. 等待其他船员协助答案:B6. 船上机工在进行船舶动力系统维护时,不需要关注的部件是:A. 螺旋桨B. 轴承C. 排气系统D. 船舶导航系统答案:D7. 船上机工在船舶航行中遇到恶劣天气时,应采取的措施是:A. 增加发动机负荷B. 减少发动机负荷C. 关闭所有外部舱门D. 增加船舶航速答案:B8. 船上机工在进行船舶动力系统故障诊断时,应首先检查的是:A. 故障代码B. 系统压力C. 系统温度D. 系统油液位答案:A9. 船上机工在船舶靠港时,应进行的维护工作是:A. 清洁发动机B. 检查船舶锚链C. 检查船舶缆绳D. 检查船舶导航系统答案:A10. 船上机工在船舶离港前,应检查的部件是:A. 船舶锚链B. 船舶缆绳C. 船舶导航系统D. 船舶动力系统答案:D二、多项选择题(每题3分,共5题,满分15分)1. 船上机工在进行船舶动力系统维护时,应检查的部件包括:A. 发动机B. 变速器C. 螺旋桨D. 船舶导航系统答案:A、B、C2. 船上机工在船舶航行中,应定期检查的系统包括:A. 动力系统B. 电气系统C. 导航系统D. 通信系统答案:A、B、C、D3. 船上机工在船舶靠港时,应进行的维护工作包括:A. 清洁发动机B. 检查船舶锚链C. 检查船舶缆绳D. 检查船舶导航系统答案:A、B、C4. 船上机工在船舶离港前,应检查的部件包括:A. 船舶锚链B. 船舶缆绳C. 船舶导航系统D. 船舶动力系统答案:A、B、C、D5. 船上机工在船舶航行中遇到恶劣天气时,应采取的措施包括:A. 增加发动机负荷B. 减少发动机负荷C. 关闭所有外部舱门D. 增加船舶航速答案:B、C三、判断题(每题1分,共5题,满分5分)1. 船上机工在进行发动机检修时,可以直接拆卸发动机部件。
轮机实操试题轮机长资料1、机电设备的操作与管理(一类轮机长)*1.1 船舶柴油主机运行中的参数监测、调整及操作管理●按驾驶台要求操纵主机。
发生不正常情况,采取措施消除。
●避免临界转速运转。
●调整主机工况。
●按系统检查液位、压力、温度(滑油、燃油、冷却水、排温、爆压)。
●检查启动空气瓶压力、放残。
●检查轴系轴承油位、温度。
●检查有无渗漏现象。
1.2 大修中及大修后船舶柴油主机的检查、调整及操作管理●修理过程监控。
●整机外部检查。
●检查轴线、主机臂距差。
●压水查漏。
●清洗滤器检查。
●打开相关阀门排空气。
●检查调整定时、零位、气阀间隙。
●按备车检查项目全面检查。
●加滑油并压油。
●检查各润滑部位供油情况。
●盘车2圈以上。
●冲车检查。
●起动主机于最低稳定转速下运转。
●10秒内滑油起压,全面检查(声音、振动、温升等)。
●运转半小时后停车全面检查。
●活车磨合。
●系泊试验与航行试验。
1.3 发电柴油机及电站修理后检查与调试●修理过程监控。
●整机外部检查。
●检查联轴节。
●压水查漏。
●清洗滤器检查。
●打开相关阀门排空气。
●检查调整定时、零位、气阀间隙。
●按备车检查项目全面检查。
●加滑油后盘车2圈以上。
●起动于最低稳定转速下运转。
●10秒内滑油起压,检查(柴油机声音、振动、温升;发电机振动、温升、电压等)。
●运转半小时后停车全面检查。
●活车磨合。
●负荷试验与调速试验,(50%负荷突加突卸:瞬时调速率不大于10%、稳定调速率不大于5%、稳定时间不大于5S)。
●电站并车试验。
●保护装置动作值调整与自动脱扣:过流、逆功率、欠电压●超速保护试验。
●船岸电联锁●测试绝缘值*1.4 大修后电动液压舵机的检查、充液、调试操作(实操叙述)●操作前报告驾驶人员。
●整机检查应安装完好、打开阀。
●检查电器设备及电压。
●油柜补油。
●盘泵充液。
●依次起动泵排空气。
●操纵舵机排油缸空气。
●调安全阀。
●调溢流阀。
●校对舵角指示器(电动不大于1○)。
船舶模拟实操考试题及答案一、选择题1. 船舶在航行中遇到紧急情况需要立即停车,应首先采取的措施是什么?A. 立即关闭主机B. 立即减速C. 立即发出紧急停车信号D. 立即通知船长答案:C2. 船舶在海上遇到大风浪,以下哪项措施是不必要的?A. 调整航向,避免正面迎浪B. 减少船速,降低船体摇摆幅度C. 加强船体结构的检查D. 立即改变航向,远离风浪区域答案:D3. 船舶在进出港时,以下哪项操作是错误的?A. 保持与港务部门的密切联系B. 根据港务部门的指示调整航速C. 随时准备使用船舶的操纵设备D. 忽略其他船舶的信号和警告答案:D二、判断题1. 船舶在夜间航行时,应始终保持航行灯的开启状态。
()答案:正确2. 船舶在航行中,船长有权随时改变航向和航速。
()答案:正确3. 船舶在紧急情况下,可以不经过船长同意即采取紧急措施。
()答案:错误三、简答题1. 请简述船舶在进出港时应注意的事项。
答案:船舶在进出港时应注意以下事项:保持与港务部门的密切联系,遵循港务部门的指示;调整航速,确保船舶安全;注意观察周围环境,避免与其他船舶或障碍物发生碰撞;随时准备使用船舶的操纵设备,应对突发情况。
2. 船舶在海上遇到紧急情况时,应如何处置?答案:船舶在海上遇到紧急情况时,应立即采取以下措施:发出紧急信号,通知周围船舶和岸基;评估情况,判断是否需要立即停车或改变航向;如果情况允许,立即通知船长和相关部门;根据具体情况采取必要的应急措施,如启动应急设备,组织船员进行应急处置等。
结束语:本次船舶模拟实操考试题及答案旨在检验考生对船舶操作和应急处置的基本知识和技能。
希望考生通过本次考试,能够进一步提高自己的专业素养和实际操作能力,为未来的航海事业打下坚实的基础。
测试题四1.大功率筒状柴油机的活塞冷却方式大多采用____。
A.循环冷却B. 振荡冷却C. 开式冷却D. A+B2.中小型柴油机的活塞多选用铝合金材料的主要原因是____。
A. 导热系数大,散热性好B. 摩擦系数小,耐磨性好C. 膨胀系数小,变形小D. 重量轻,惯性力大3.有关活塞环下列论述中错误的是____。
A. 整个活塞环圆周漏光弧度相加不得超过90°B. 搭口处两侧30°范围内不漏光C. 活塞环搭口相应错开180°D. 将活塞环置于缸套中部测量搭口间隙4.活塞环的搭口形式有___。
A. 直搭口B. 斜搭口C. 重叠搭口D. A+B+C5.活塞环的平面间隙是指____。
A. 环内圆面与环槽底圆面之间的间隙B. 环工作面与缸壁之间的间隙C. 环端面与环槽上或下面之间的间隙D. 环工作状态的搭口间隙6.活塞环搭口间隙的正确测量方法是把活塞环放在____。
A. 气缸上部B. 气缸下部C. 中部D. 任意放置7.活塞环的材料通常采用__。
A.灰口铸铁B.白口铸铁C.球墨铸铁D.低碳铸钢。
8.根据活塞销的工作条件,对它的要求是__ __。
A. 有足够的强度与刚度B. 耐冲击和表面耐磨性C. 较高的尺寸精度与表面粗糙度D. A+B+C9.活塞常见裂纹及裂缝故障,多数出现在____。
A. 活塞顶部B. 活塞裙部C. 销孔及环槽处D. A+C10.运行中活塞环局部工作面发黑表示____。
A. 缸内燃烧不良B. 活塞环漏气C. 润滑不良D. 环腐蚀11.筒形活塞的裙部在工作中产生的变形是___。
A. 在侧推力作用下使裙部直径沿活塞销轴线方向伸长B. 裙部销座附近金属堆积多,受热后沿销轴方向有较大的热胀变形C. 作用在活塞顶上的气体力使裙部直径沿销轴线方向伸长D. A+B+C12.关于下列四冲程柴油机气缸套功用中不正确的是————。
A.与气缸盖、活塞组成燃烧室 B.承担活塞的侧推力C.开有气口构成扫气通道D.与气缸体形成冷却水通道13.气缸套内壁表面气缸油槽的布置通常是____。
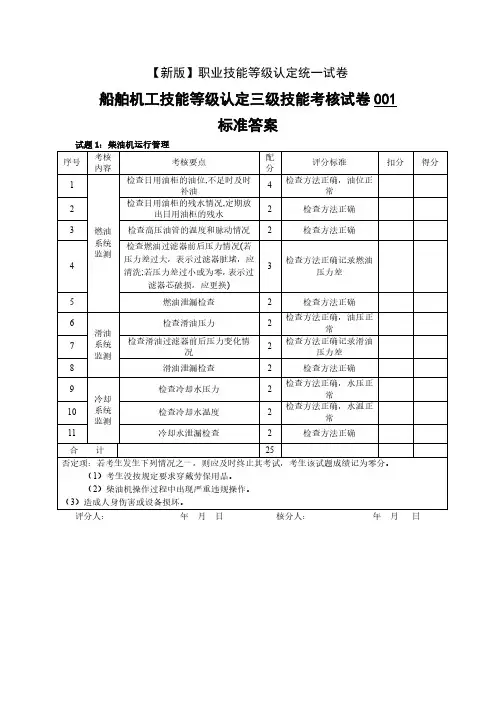
【新版】职业技能等级认定统一试卷船舶机工技能等级认定三级技能考核试卷001标准答案试题1:柴油机运行管理序号考核内容考核要点配分评分标准扣分得分1燃油系统监测检查日用油柜的油位,不足时及时补油4检查方法正确,油位正常2检查日用油柜的残水情况,定期放出日用油柜的残水2检查方法正确3检查高压油管的温度和脉动情况2检查方法正确4检查燃油过滤器前后压力情况(若压力差过大,表示过滤器脏堵,应清洗;若压力差过小或为零,表示过滤器芯破损,应更换)3检查方法正确记录燃油压力差5燃油泄漏检查2检查方法正确6滑油系统监测检查滑油压力2检查方法正确,油压正常7检查滑油过滤器前后压力变化情况2检查方法正确记录滑油压力差8滑油泄漏检查2检查方法正确9冷却系统监测检查冷却水压力2检查方法正确,水压正常10检查冷却水温度2检查方法正确,水温正常11冷却水泄漏检查2检查方法正确合计25否定项:若考生发生下列情况之一,则应及时终止其考试,考生该试题成绩记为零分。
(1)考生没按规定要求穿戴劳保用品。
(2)柴油机操作过程中出现严重违规操作。
(3)造成人身伤害或设备损坏。
评分人:年月日核分人:年月日试题2:拆装船用离心泵序号考核内容考核要点配分评分标准扣分得分1工具选用扳手1正确使用拉马1正确使用铜棒1正确使用螺丝刀1正确使用记号笔1正确使用2拆卸做记号1做“米”字形记号按规定拆除泵盖1普通操作拆除法兰盘螺丝1对角多次轮流松开螺丝打开保险,旋出锁紧螺母1正确操作拉出叶轮,取出键及轴套1正确操作拉出法兰盘2未使用专用工具不得分取出轴封(机械轴封)及拆下轴封压盖1正确操作取出泵轴压盖1正确操作抽出泵轴1正确操作零件有序摆放、工具与零件分开放置1摆放有序,整齐3安装安装泵轴1正确安装安装泵轴压盖1正确安装安装机械轴封及轴封压盖2正确安装安装法兰盘3用铜棒正确安装安装,轴套、键及叶轮3用铜棒正确安装安装保险,锁紧螺母1正确安装安装法兰盘螺丝2对角分多次上紧按记号安装泵盖2正确安装盘车2灵活、不卡阻4收尾整理工具归位,清理场地1恢复初始状态清洁泵体1用布擦拭合计35否定项:若考生发生下列情况之一,则应及时终止其考试,考生该试题成绩记为零分。
三等轮机各职务实操试题
三等轮机长试题(一)
一、机电设备操作管理
1、轴系的扭转振动有哪些危害?
二、故障判断分析与排除
1、供油提前角太大或太小,对柴油机工作有何影响?
2、提高功率因数的意义和方法?
三、应急应变措施
1、船舶火警警报发出后,轮机部人员该怎样行动?
四、机电设备拆装调试
1、试述坞修中应对螺旋桨作哪些检查
2、齿轮泵的拆检注意事项(现场拆卸、装配)?
五、量具仪表使用测量
三等轮机长试题(二)
一、电设备操作管理
1、水线工程主要内容有哪些?
二、故障判断分析与排除
1、柴油机运转中润滑油温度过高的主要原因有哪些?
2、可否用热继电器代替熔断器来实现短路保护?为什么?
三、应急应变措施
1、主机调速器损坏时应怎样进行应急处理?
2、机舱失火应采取哪些紧急措施?
四、机电设备拆装调试
1、齿轮泵的拆检注意事项(现场拆卸、装配)
2、试述绕线式粗滤器的拆卸、清洗和装复程序。
五、量具仪表使用测量
6135型柴油机汽缸套测量记录及扁锥差计算(现场操作)
三等轮机长试题(三)
一、电设备操作管理
1、柴油机运行中的主要监视点和监视参数有哪些?
二、故障判断分析与排除
1、导致柴油机产生拉缸的主要原因有那些?
2、造成空压机余隙容积增大的主要原因有那些?
三、应急应变措施
1、船舶触礁,机舱进水采取什么措施?
2、航行中主配电屏上发电机空气开关跳闸时应为何处理?
四、机电设备拆装调试
1、试述6135型柴油机气缸套的安装工作步骤和注意事项。
2、连杆螺栓在哪些情况下应予换新。
五、量具仪表使用测量
齿轮泵内部间隙包含那些?一般规定其间隙值各为多少?端面间隙如何检查与调整?
三等轮机长试题(四)
一、电设备操作管理
1、试述离心泵在检修后第一次起动的起动步骤
二、故障判断分析与排除
1、曲轴箱爆炸的主要原因是什么?有何前兆?
2、平衡离心泵轴向推力的方法有那些?
三、应急应变措施
1、当柴油机气缸内发生异响时应采取怎样的措施?
2、航行中液压舵机失灵应采取什么措施?
四、机电设备拆装调试
1、试述调整主机供油零位的方法步骤。
2、试述气缸套水密橡胶圈的换新安装要点。
五、量具仪表使用测量
试述使用百分表的注意事项?
三等轮机长试题(五)
一、机电设备操作管理
1、简述船舶轴系定期检查主要内容。
二、故障判断分析与排除
1、废气涡轮增压气工作中产生强烈振动的主要原因有那些?
2、试述柴油机启动马达不转的原因?
三、应急应变措施
1、当柴油机发生飞车事故时应采取什么措施?
2、船舶碰撞或触礁,船体进水时,轮机部人员应采取哪些应急措施?
四、机电设备拆装调试
1、试述螺旋桨的拆卸方法步骤?
2、简述气阀正时的检查和调整步骤
五、量具仪表使用测量
用外径千分尺测量轴瓦厚度(现场操作)
三等轮机长试题(六)
一、电设备操作管理
1、什么是柴油机的“转速禁区”?在管理中应注意些什么?
二、故障判断分析与排除
1、柴油机运行中,为何判断气缸内燃烧的好坏
2、空压机运转时吸气阀产生敲击声的常见原因及排除方法?
三、应急应变措施
1、船舶第一个发现失火的船员应该如何行动?
四、机电设备拆装调试
1、简述浮动式活塞销的装配工作步骤及主要注意事项。
2、试述喷油器的试验与调整方法步骤及要求。
五、量具仪表使用测量
试述测量活塞与气缸间隙的方法。
三等轮机员试题(一)
一、机电设备操作管理
1、述对气缸盖的维护管理要点
2、试述空气压缩机在运行中的管理要点
二、故障判断分析与排除
1、航行中如何判断柴油机的排烟异常情况?
三、应急应变措施
1、柴油机在运行中遇什么情况应立即停车后再报告驾驶台?
四、机电设备拆装调试
1、试述135柴油机喷油器的拆卸工作步骤
2、齿轮泵内部间隙包含那些?一般规定其间隙值各为多少?端面间隙如何检查与调整?
五、量具仪表使用测量
游标卡尺的结构组成和读数方法
三等轮机员试题(二)
一、机电设备操作管理
1、安装连杆螺栓时应该注意哪些问题?
2、船舶开航前,电工人员应该做好那些方面的准备工作
二、故障判断分析与排除
1、后燃严重对柴油机工作有何影响?
三、应急应变措施
1、简述航行中机舱失火时应采取的紧急措施。
四、机电设备拆装调试
1、什么情况下需要研磨气阀?检查研磨后的密封性常用哪些方法?
2、齿轮泵内漏泄的途径有哪些?泄漏量最大的是哪个?为什么?
五、量具仪表测量
1、试述外径分厘米卡(外径千分尺)的结构组成和读数方法(现场认读)
三等轮机员试题(三)
一、机电设备操作管理
1、航行中在什么情况下可暂缓交班?
2、平时对喷油器有哪些检查项目?
二、故障判断分析与排除
1、导致活塞环折断的主要原因有那些?
三、应急应变措施
1、试述活塞顶裂纹的判断应急处理方法?
四、机电设备拆装调试
1、试述离心泵的拆装、检修注意事项。
2、试述对锈死螺栓和断头螺栓的处理方法。
五、量具仪表测量
试述外径分厘米卡(外径千分尺)的结构组成和读数方法(现场认读)
四等轮机长试题(一)
一、机电设备操作管理
1、柴油机燃油系统进入空气后如何进行充油驱气?
2、试述离心泵在检修后第一次起动的起动步骤
二、故障判断分析与排除
1、导致汽缸盖结合面漏气的主要原因有哪些?
三、应急应变措施
1、船舶触礁机舱进水应采取哪些措施?
四、机电设备拆装调试
1、试述柴油机润滑系统中的主要设备及其功用。
2、试述135柴油机喷油器的拆卸工作步骤
五、量具仪表测量
试述游标卡尺的结构组成和读数方法(现场认读)
四等轮机长试题(二)
一、机电设备操作管理
1、安装连杆螺栓时应该注意哪些问题?
2、船舶开航前,电工人员应该做好那些方面的准备工作
二、故障判断分析与排除
1、后燃严重对柴油机工作有何影响?
三、应急应变措施
1、简述航行中机舱失火时应采取的紧急措施。
四、机电设备拆装调试
1、什么情况下需要研磨气阀?检查研磨后的密封性常用哪些方法?
2、齿轮泵内漏泄的途径有哪些?泄漏量最大的是哪个?为什么?
五、量具仪表测量
试述外径分厘米卡(外径千分尺)的结构组成和读数方法(现场认读)
四等轮机长试题(三)
一、机电设备操作管理
1、航行中在什么情况下可暂缓交班?
2、平时对喷油器有哪些检查项目?
二、故障判断分析与排除
1、导致活塞环折断的主要原因有那些?
三、应急应变措施
1、试述活塞顶裂纹的判断应急处理方法?
四、机电设备拆装调试
1、试述离心泵的拆装、检修注意事项。
2、试述对锈死螺栓和断头螺栓的处理方法。
五、量具仪表测量
试述外径分厘米卡(外径千分尺)的结构组成和读数方法(现场认读)。