船舶机工实操试题(中级)
- 格式:docx
- 大小:21.94 KB
- 文档页数:1
船舶起重工(中级)职业技能鉴定考试考试时间:120分钟试卷满分:100分所在单位:_________ 考生姓名:__________ 试卷总分:__________一、填空题:(每题2分,共20小题)1、求得物体重量的方法分别为:计算法、估算法和_______ 。
2、起重机的起升钢丝绳,在突然停止后会产生极大附加张力,所以操作过程中应避免出现______ _。
3、在起重作业吊装中,要使物体起吊平稳、不倾斜、不翻倒,必须根据物体____ 合理正确选择吊点。
4、物体吊运时,两根钢丝绳之间的夹角应在60度左右为最佳夹角,一般情况下夹角不允许超过______度,以防脱钩。
5、堆放重叠物体时,应垫好垫物,不准强行_____ _,对于易滚动的物体在堆方和叠放时,应放好止动斜木。
6、起吊的物件在空中运行时不准从人员或设备上方经过。
禁止物体冲击落地。
吊物不得在空中______停留。
7、钢丝绳用绳卡连接时,绳卡数不得少于___ 个,绳卡的间距应大于钢丝绳直径的6倍,绳卡要卡紧,压板要扣在钢丝绳长绳一边。
8、液压汽车式起重机随着吊臂的伸长,起重能力急剧_________。
9、分段翻身时,首先必须清理分段_________,防止翻身过程中坠落伤人。
10、滑动磨擦和滚动磨擦存在着很大的差别,滑动磨擦是平面与平面的接触,而滚动磨擦是_________的接触。
11、起重作业在遇有_______以上大风时,禁止露天悬空登高作业。
12、雷雨天气作业时,不可靠近高压线电杆、铁塔和避雷针的接地导线周围,至少要与之相距______,以防止发生触电事故。
13、滑轮按照使用方法分定滑轮、动滑轮、滑轮组、导向滑轮、平衡滑轮五种。
14、把一定量的定滑轮和动滑轮用绳索穿绕组成滑轮组,技能改变方向又可以省力。
15、千斤顶是一种可用较小力量就能把重物顶高、降低或移动的简便起重工具。
16、千斤顶的形式分为站立式和卧式。
17、因使用方便,耐磨性较好,不宜旋转,其中起重吊装作业中常用交互捻钢丝绳。
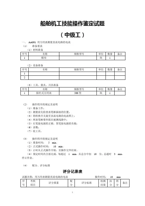
船舶机工技能操作鉴定试题(中级工)一、AA001 用万用表测量直流电路的电流(1)准备要求(1)材料准备(2)设备准备(3)工具、量具、刃具准备(2)操作程序的规定及说明(1)准备工作;(2)测量前先检查表笔棒插接的位置;(3)将转换开关旋至直流电路的电流档上;(4)两表笔棒要串联在被测线路中;(5)红笔接电源的正极,黑笔接电源的负极;(6)读数;(7)收工具。
(3)操作程序的规定及说明(1)准备时间: 5 min。
(2)正式操作时间:10 min。
(3)计时从正式操作开始,至操作完毕结束。
(4)规定时间内全部完成,每超过 1 min,从总分中扣10 分;总超时 3 min,停止作业。
(4)配分、评分标准评分记录表试题名称:用万用表测量直流电路的电流操作时间:10 min考评员:记分员:年月日二、AA002 用万用表测量电阻1.准备要求(1)材料准备(2)设备准备(3)工具、量具、刃具准备2.操作程序的规定及说明(1)准备工作;(2)测量前先检查表笔棒插接位置;(3)将万用表开关旋至电阻档;(4)测量电阻前调零,改变量限,应再次调零;(5)测量前应将被测电路电源断开,有大电容时,应先放电后测量;(6)测量,读出正确读数;(7)收工具。
3.操作程序的规定及说明(1)准备时间: 5 min。
(2)正式操作时间:10 min。
(3)计时从正式操作开始,至操作完毕结束。
(4)规定时间内全部完成,每超过 1 min,从总分中扣10 分;总超时 3 min,停止作业。
4.配分、评分标准评分记录表考评员:记分员:年月日三、AA003 用万用表测量三级管的极性1.准备要求2.操作程序的规定及说明(1)准备工作;(2)画出三极管的示意图;(3)判定是PNP管还是NPN管;(4)判定基极B;(5)判定集电极C;(6)判定发射极E;(7)收工具。
3.操作程序的规定及说明(1)准备时间: 2 min。
(2)正式操作时间:20 min。
船舶机工考试:中级船舶机工考试试题及答案1、判断题(江南博哥)按规定150总吨及其以上的油船和400总吨及以上的其他船舶在航行缔约国所辖的港口或近海装卸站,应与有《国际防止油污证书》。
本题答案:对2、判断题船舶事故造成任何油类和油性混合物的排放,如果不是有意的可不记入“油类记入薄”。
本题答案:错本题解析:船舶事故造成任何油类和油性混合物的排放,不论是有意的还是意外的,均应记入“油类记录薄”,并说明排放情况和理由。
3、判断题国产6300型四冲程柴油机气缸盖上的进气阀孔尺寸比排气阀孔大是为了减少进气流动损失,提高进气量。
本题答案:对4、判断题一般情况下阀控型用于开式系统,泵控型用于闭式系统。
本题答案:对5、单选直接起阀式起动装置是进入气缸的起动空气全部经过(),由它按发火顺序将空气送入各缸的气缸起动阀内腔。
A、起动控制阀B、主起动阀C、空气分配器D、截止阀本题答案:C6、判断题降压启动适用于空载或启动的场合。
本题答案:对7、判断题电压表的内阻要求应尽可能大。
本题答案:对8、判断题一台四冲程六缸柴油机发头顺序为1-5-3-6-2-4,当第一缸处于膨胀冲程上止点时,则第六缸为进气行程的上止点。
本题答案:对9、判断题在三相电流星型联接中,各相绕组始端和末端之间的电压为线电压。
本题答案:错本题解析:在三相电流星型联接中,各相绕组始端和末端之间的电压为相电压。
10、判断题锚机将单锚从三节锚链收至一节锚链的平均速度应不小于9m/min。
本题答案:对11、单选()应立即停止锅炉的工作。
A.一只水位计损坏B.二只水位计损坏C.发生蒸汽共腾D.少量受热面渗漏本题答案:B12、单选对发动机冷却液的性能要求不包括()。
A.冷却性能好、流动性好B.挥发性小、腐蚀性小C.安全性好、抗泡性和经济性好D.粘温特性本题答案:D13、判断题 MARPOL公约附则Ⅵ中规定,IAPP证书的有效期为5年。
本题答案:对14、判断题配风器的作用是控制一次风和二次风的风量和比例;使助燃空气与油雾充分混合,以利于燃油稳定和充分的燃烧。
船舶机工考试:中级船舶机工考试考考试题模拟考试卷 考试时间:120分钟 考试总分:100分遵守考场纪律,维护知识尊严,杜绝违纪行为,确保考试结果公正。
1、判断题 筒形活塞式柴油机的气缸一般采用注油润滑方式,而十字头式柴油机的气缸采用飞溅式润滑方式。
本题答案:错 本题解析:筒形活塞式柴油机的气缸一般采用飞溅式润滑方式,而十字头式柴油机的气缸采用注油润滑方式。
2、判断题 同步发电机转子上滑环正极比负极磨损得快。
本题答案:错 本题解析:同步发电机转子上滑环负极比正极磨损得快。
3、判断题 各种备件应挂备件名称以便准确地判明其名称规格和所属设备。
本题答案:错 本题解析:各种备件应挂识别牌号以便准确地判明其名称规格和所属设备。
4、判断题 在平板玻璃水位计平板玻璃靠水一侧刻有沟槽是为了更清晰的显示水位。
本题答案:对 本题解析:暂无解析 5、判断题姓名:________________ 班级:________________ 学号:________________ --------------------密----------------------------------封 ----------------------------------------------线----------------------使用兆欧表时,摇动手柄的速度不宜太快或太慢,一般规定是120r/min。
本题答案:对本题解析:暂无解析6、判断题选择燃油辅锅炉的依据是蒸汽压力和受热面积。
本题答案:错本题解析:选择燃油辅锅炉的依据是蒸汽压力和蒸发量。
7、判断题万用表一般可用来测量直流电流、直流电压、交流电压和电阻。
本题答案:对本题解析:暂无解析8、判断题在低速柴油机中,压缩空气压力一般小于0.2MPa。
本题答案:错本题解析:在低速柴油机中,压缩空气压力一般为0.25-0.30MPa。
9、判断题交流电表指示的数值是电流的有效值。
船舶机工考试:中级船舶机工考试考试题及答案模拟考试卷 考试时间:120分钟 考试总分:100分遵守考场纪律,维护知识尊严,杜绝违纪行为,确保考试结果公正。
l 十字头式柴油机活塞杆的受力情况为既受拉力又受压力。
本题答案:错 本题解析:十字头式柴油机活塞杆一般不受拉力只受压力。
5、判断题 钻孔冷却已普遍应用在现代大型强载柴油机的气缸、气缸盖和活塞上。
本题答案:对 本题解析:暂无解析 6、判断题 《73/78防污公约》附则Ⅱ为防止散装有毒液体物质污染规则,1987.4.6生效。
本题答案:对 本题解析:暂无解析 7、单项选择题 将锅炉安全阀上的调节圈升高时,不会使( )加大。
A.阀开启后上顶力 B.阀开启后的升程 C.关阀时压力降低量 D.开启压力 本题答案:D 本题解析:暂无解析姓名:________________ 班级:________________ 学号:________________ --------------------密----------------------------------封 ----------------------------------------------线----------------------8、判断题通行活塞式柴油机连杆大端与杆身连接处采用大圆弧过渡,可以提高小端和大端刚度和减少应力集中。
本题答案:对本题解析:暂无解析9、判断题选择电压表的量程时,要是仪表指示值的误差最小,最好使被测的指示值超过量程的1/2以上。
本题答案:对本题解析:暂无解析10、判断题气环的泵油作用是由活塞环的刮油作用和活塞环的挤油作用引起的。
本题答案:对本题解析:暂无解析11、判断题电动机额定运行时,定子绕组之间输入的电压称为线电压。
本题答案:对本题解析:暂无解析12、判断题按规定,经过粉碎后的生活固体垃圾,如果直径小于25毫米,则可在距最近陆地3海里以外投放入海。
本题答案:对本题解析:暂无解析13、单项选择题十六烷值是()的主要指标。
工程船舶机工(中级工)考试题库附答案(含各题型)一、单选题1.关于铅蓄电池进行过充电的说法,错误的是()。
A、蓄电池一周没有使用,必须进行充电B、蓄电池已放电至极限电压以下,必须进行过充电C、以最大电流放电超过10小时,必须进行过充电D、如果蓄电池板抽出检查,清除其附着的沉淀物后,必须进行过充电参考答案:A2.正弦交流电的最大值Am、有效值A之间关系是()。
A、AB、BC、CD、D参考答案:B3.机舱内双层底高于货舱内双层底的主要原因是()。
A、提高机舱的局部强度B、提高抗沉性C、提高重心高度D、为了主机和轴配合,减小机座高度参考答案:D4.下列说法()是错误的。
A、截面法不是分析杆件内力的基本方法B、截面法不是分析杆件应力的基本方法C、截面法不是分析杆件截面上内力与应力关系的基本方法D、截面法不是分析杆件截面上应力与应变关系的基本方法参考答案:A5.一般情况下,直流电动机不允许直接启动的原因是()。
A、启动转矩小B、启动电流特大C、启动后转速太高D、启动时电枢反电势太大参考答案:B6.在柴油机中把活塞往复运动变成回转运动的部件是()。
A、十字头导板B、,连杆C、活塞D、曲轴参考答案:D7.蓄能器与液压管路之间应设()。
A、截止阀B、单向阀C、减压阀D、节流阀参考答案:C8.在画分离体的受力图时,()分析画出作用在分离体上的所有的主动力,()分析画出作用在分离体上的所有的约束反力。
A、必须/也必须B、虽不必/但必须C、必须/但不必D、不必/也不必参考答案:A9.电焊注意事项中,违反操作规程的是()。
A、开电焊机时逐步启动开关B、防止焊条碰地C、施焊时调整电流D、经常检查焊机温度参考答案:C10.船舶照明系统每一支路的电流控制在()以下。
A、5AB、10AC、16AD、20A参考答案:C11.下列泵中不是必须设安全阀的是(A)。
A、离心泵B、齿轮泵C、往复泵D、单螺杆泵参考答案:A12.当遇上雷电交加的暴风雨天气,船舶应()。
船舶机工考试:中级船舶机工考试考试卷及答案模拟考试 考试时间:120分钟 考试总分:100分遵守考场纪律,维护知识尊严,杜绝违纪行为,确保考试结果公正。
1、判断题 设备润滑“五定”、“三过滤”是把日常润滑技术管理工作规范化、制度化,保证搞好润滑工作的有效方法 本题答案: 2、判断题 在转动柱塞调节供油量时,其供油始点变化而终点不变的喷油泵为终点调节式。
本题答案: 3、单项选择题 开式液压起货机系统的调速通常由控制( )来实现的。
A.手动换向阀 B.变量油泵 C.单向节流阀 D.平衡阀 本题答案: 4、单项选择题 在尺寸较大的柴油机中,气缸体多作成( )。
A.单体式 B.分组式 C.A 或B D.整体式姓名:________________ 班级:________________ 学号:________________ --------------------密----------------------------------封 ----------------------------------------------线----------------------本题答案:5、单项选择题平板玻璃式水位计与玻璃式水位计相比,其优点是()。
A.结构简单B.价格便宜C.使用方便D.承压能力强本题答案:6、单项选择题缸套内表面常见的腐蚀形式是()。
A、低温腐蚀B、高温腐蚀C、穴蚀D、汽蚀本题答案:7、判断题一般情况下阀控型用于开式系统,泵控型用于闭式系统。
本题答案:8、判断题MARPOL公约附则Ⅵ中规定,IAPP证书的有效期为5年。
本题答案:9、判断题百克灵软化水的PH值应该为6~7。
本题答案:10、判断题按照我国有关规定,柴油机的气缸编号采用动力端排起。
本题答案:11、判断题空压机一般采用多级压缩,船用空压机一般多为两级压缩。
本题答案:12、单项选择题柴油机曲轴按结构形式分为整体式和组合式,不属于整体式曲轴优点的是()。
海员机工业务实操考试题库一、船舶机械基础知识1. 船舶主机的工作原理是什么?请简述其主要组成部分。
2. 船舶辅机的作用有哪些?请列举至少三种辅机并说明其功能。
3. 船舶动力系统包括哪些部分?请简述其工作流程。
4. 船舶的燃油系统是如何工作的?请描述其主要组成部分和工作流程。
5. 船舶的润滑系统有何重要性?请简述其工作原理。
二、船舶机械维护与修理1. 船舶主机的日常维护包括哪些内容?2. 如何判断船舶辅机需要进行修理或更换?3. 船舶动力系统的常见故障有哪些?请列举并简述其可能的原因。
4. 船舶燃油系统故障时,应如何进行排查和处理?5. 船舶润滑系统出现故障时,应采取哪些措施?三、船舶电气系统实操1. 船舶电气系统的组成有哪些?请简述其主要功能。
2. 船舶电气系统的维护要点是什么?3. 如何进行船舶电气系统的故障诊断?4. 船舶电气设备发生短路时,应如何处理?5. 船舶蓄电池的维护和充电有哪些注意事项?四、船舶安全操作规程1. 船舶机舱内安全操作的基本要求是什么?2. 在船舶机舱进行维修工作时,应注意哪些安全事项?3. 船舶机舱发生火灾时,应采取哪些紧急措施?4. 船舶机舱内使用化学品时,应遵守哪些安全规定?5. 船舶机舱内电气设备操作的安全规范有哪些?五、船舶应急处理1. 船舶主机发生故障时,应急处理的步骤是什么?2. 船舶辅机故障导致船舶失去动力时,应如何应急处理?3. 船舶电气系统发生故障时,应急处理措施有哪些?4. 船舶燃油系统泄漏时,应采取哪些应急措施?5. 船舶在海上遇到恶劣天气时,应如何进行应急操作?六、船舶环保与节能1. 船舶在运行过程中,如何实现节能减排?2. 船舶机舱的废气处理有哪些方法?3. 船舶机舱废水处理的基本原则是什么?4. 船舶如何进行垃圾分类和处理?5. 船舶在航行中如何减少对海洋环境的影响?七、船舶机械实操技能1. 船舶主机启动前的准备工作有哪些?2. 如何进行船舶主机的常规操作和监控?3. 船舶辅机的操作流程是什么?4. 船舶电气系统的实际操作包括哪些内容?5. 船舶机械故障的诊断和排除方法有哪些?八、船舶机工业务综合应用1. 描述一次船舶机工在航行中处理主机故障的全过程。
船舶机工考试:中级船舶机工考试考试卷及答案模拟考试练习 考试时间:120分钟 考试总分:100分遵守考场纪律,维护知识尊严,杜绝违纪行为,确保考试结果公正。
1、判断题 所谓开式系统就是指油泵从油箱中吸油,经换向阀输入油马达,而油马达的排油则经换向阀返回油泵的吸入口。
本题答案: 2、单项选择题 IOPP 证书是由主管机关( )经过( )检验后签发的。
A 、海事局/安全 B 、船级社/入级 C 、防疫站/卫生 D 、船级社/初次 本题答案: 3、单项选择题 曲轴的曲柄销与柄臂制成一体,然后与主轴颈套合在一起的是( )曲轴。
A 、整体式 B 、分段式 C 、全组合式 D 、半组合式 本题答案: 4、单项选择题 《中华人民共和国海洋环境保护法》于( )生效的。
A 、1983.7.1姓名:________________ 班级:________________ 学号:________________ --------------------密----------------------------------封 ----------------------------------------------线----------------------B、1983.3.1C、1983.10.2D、1988.12.31本题答案:5、单项选择题中国船级社《钢质海船入级与建造规范》对轮机装置备件数量有明确规定,船上备件如不能满足要求,则影响()的签发。
A.轮机入级证书B.适航证书C.船舶航行安全证书D.法定证书本题答案:6、判断题柴油机气缸盖要有足够强度和刚度,防止气缸盖因应力过大而损坏或因变形而漏泄。
本题答案:7、单项选择题泵控型闭式系统不具有()特点。
A、初置费较高B、散热条件差C、运行经济性好D、制动性能差本题答案:8、判断题柴油机镀铭气缸套的正常磨损率一般不应大于本题答案:9、单项选择题柴油机凸轮轴按结构分为整体式和装配式,整体式用于(),装配式用于()。
船舶机工考试:中级船舶机工考试考试卷及答案模拟考试 考试时间:120分钟 考试总分:100分遵守考场纪律,维护知识尊严,杜绝违纪行为,确保考试结果公正。
1、单项选择题 阀控型定量油马达液压系统采用( )调速。
A.容积 B.节流 C.A +B D.A 或B 本题答案: 2、单项选择题 《船上油污应急计划》对下列哪项操作性溢油应制定溢油应急反应程序( )。
Ⅰ甲板积油Ⅱ管系泄露Ⅲ舱柜溢油Ⅳ分油机跑油Ⅴ船体泄露。
A.Ⅰ+Ⅱ+Ⅲ+Ⅴ B.Ⅱ+Ⅲ+Ⅳ+Ⅴ C.Ⅰ+Ⅲ+Ⅳ+Ⅴ D.Ⅱ+Ⅲ+Ⅴ 本题答案: 3、判断题 当锅炉正常工作时,允许锅炉水位在最高危险水位与最低危险水位之间波动。
本题答案: 4、单项选择题 将弹簧式锅炉安全阀的调节圈向上调时,安全阀的( )。
A.压力降低量增大姓名:________________ 班级:________________ 学号:________________ --------------------密----------------------------------封 ----------------------------------------------线----------------------B.升程降低C.开启压力升高D.开启压力降低本题答案:5、单项选择题火管锅炉与水管锅炉相比,()说法不正确。
A.汽压比较稳定B.水质要求低C.点火升汽慢D.效率较高本题答案:6、单项选择题一台六缸二冲程柴油机的发头间隔角是()。
A.60B.180C.120D.360本题答案:7、单项选择题泵控型液压系统一般采用()。
A.闭式B.半闭式C.开式D.A+B本题答案:8、单项选择题燃油锅炉燃烧时,火焰呈橙黄色,炉内清楚可见炉后的耐火砖墙,排烟呈淡灰色,表明()。
A.空气量太少B.空气量太多C.燃烧良好D.炉内漏水本题答案:9、单项选择题锚机的过载试验应在过载拉力不小于()倍工作负载的条件下进行。
船舶机工考试:中级船舶机工考试测试(最新版) 考试时间:120分钟 考试总分:100分遵守考场纪律,维护知识尊严,杜绝违纪行为,确保考试结果公正。
1、单项选择题 在四冲程柴油机中,连杆的受力情况是( )。
A 、拉、压交替 B 、始终受压 C 、始终受拉 D 、随连杆长度而变 本题答案: 2、单项选择题 燃油锅炉电点火器点火电极端部的正确安装位置应在喷油嘴( )。
A.前方偏侧 B.后方偏侧 C.前方正中 D.正侧面 本题答案: 3、判断题 单相电动机不需要启动绕组。
本题答案: 4、判断题 活塞在工作时,活塞顶上表受压应力,活塞顶下表面受拉应力。
本题答案: 5、单项选择题 在每次起动柴油机之前,要进行( )检查,以判断起动空气系统的工作是否姓名:________________ 班级:________________ 学号:________________--------------------密----------------------------------封 ----------------------------------------------线----------------------正常。
A.盘车B.冲车C.放气D.起动本题答案:6、判断题近年来某些新型柴油机采用了三根及以上凸轮轴结构。
近年来某些新型柴油机采用了二根凸轮轴结构。
本题答案:7、判断题按照我国有关规定,柴油机的气缸编号采用动力端排起。
本题答案:8、判断题为保障船舶安全或救护海上人命时允许将油类或含油混合物排放入海。
本题答案:9、单项选择题当活塞采用铝合金时,选择活塞销与销座的配合为()。
A.活塞销固定在活塞销座上B.活塞销固定在连杆小端上C.活塞销浮动在销座及连杆小端中D.活塞销和活塞铸在一起本题答案:10、判断题当锅炉水垢质地坚硬不易刮除时,可先用碱煮,后用机械清洗。
本题答案:11、单项选择题船舶在发生海上油污染事故后,按《船上油污应急计划》应变部署的要求,机工的岗位应是()。
船舶机工考试:中级船舶机工考试考试题及答案(最新版) 考试时间:120分钟 考试总分:100分遵守考场纪律,维护知识尊严,杜绝违纪行为,确保考试结果公正。
1、判断题 锅炉吹灰时应将锅炉自动燃烧,保持合适的风、油比例。
本题答案: 2、单项选择题 船舶辅助锅炉大部分为( )。
A.强制循环锅炉 B.自然循环锅炉 C.火管锅炉 D.卧式水管锅炉 本题答案: 3、判断题 交流电表指示的数值是电流的有效值。
本题答案: 4、单项选择题 燃油锅炉燃烧时,火焰呈橙黄色,炉内清楚可见炉后的耐火砖墙,排烟呈淡灰色,表明( )。
A.空气量太少 B.空气量太多 C.燃烧良好 D.炉内漏水 本题答案:姓名:________________ 班级:________________ 学号:________________ --------------------密----------------------------------封 ----------------------------------------------线----------------------5、判断题水管辅助锅炉点火升汽时间可在几十分钟内完成。
本题答案:6、单项选择题执行机构出口液压起货机高低油压管之间设置制动溢流阀的功能是()。
A.限压保护B.液压制动C.防止坠货D.液压锁闭本题答案:7、判断题起货机闭式起升液压系统中,在油马达转向改变或停止时,主油路承受高压的始终是同一管路。
本题答案:8、判断题二冲程柴油机采用转动凸轮法来调整供油正时时,凸轮相对凸轮轴转动1°,供油定时变化0.5°。
本题答案:9、判断题中、小型柴油机的机架一般为铸铁铸造结构,而大型则常采用钢板焊接结构。
本题答案:10、判断题平流式配风器中调风挡板使一次风产生强烈旋转,以促进油雾与空气的早期混合并建立回流区。
本题答案:11、单项选择题当同步发电机带上电感性负载时,其电柜反应为()。
船舶机工考试:中级船舶机工考试测试模拟考试练习 考试时间:120分钟 考试总分:100分遵守考场纪律,维护知识尊严,杜绝违纪行为,确保考试结果公正。
1、单项选择题 《油类记录薄》记载的内容由该项作业的操作负责人签完字后,应由( )会签才有法律效用。
A 、轮机长 B 、船长 C 、大副 D 、大管轮 本题答案:B 本题解析:暂无解析 2、判断题 当代船用二冲程超只行程柴油机使用无冷却式喷油器,其启阀压力不可调节。
本题答案:对 本题解析:暂无解析 3、单项选择题 ( )是柴油机中最长最重的螺栓。
A.双头螺栓 B.地脚螺栓 C.贯穿螺栓 D.汽缸盖螺栓 本题答案:C 本题解析:暂无解析 4、判断题 《船上油污应急计划》报告程序中初始报告,补充报告和附加报告根据其信息姓名:________________ 班级:________________ 学号:________________--------------------密----------------------------------封 ----------------------------------------------线----------------------不同,报告格式也不一样。
本题答案:错本题解析:《船上油污应急计划》报告应按规定的统一格式填写,补充报告和附加报告格式与初始报告一样。
5、判断题为了平衡曲轴在回转中产生的离心力和离心力矩,柴油机需要在曲柄臂上加装平衡重。
本题答案:对本题解析:暂无解析6、判断题柴油机喷油泵等容卸载式出油阀的缺点是低负荷运转时容易卸载过度,而引起空泡和穴蚀。
本题答案:对本题解析:暂无解析7、判断题为保证风机的经济运行,对轴流风机应使用大风量,在这种条件下风机耗功较小。
本题答案:对本题解析:暂无解析8、单项选择题在主轴承瓦上下瓦的结合面内侧先有斜布油槽,其作用是()。
A.均布滑油B.积存机械杂技C.A+BD.防积油本题答案:C本题解析:暂无解析9、单项选择题同步发电机起动后,输出电压为零,其原因可能是()。
中级船舶机电工考试题库# 中级船舶机电工考试题库第一部分:船舶机械基础1. 船舶机械的主要功能是什么?2. 船舶动力系统包括哪些主要部件?3. 简述船舶主机的工作原理。
4. 船舶辅机的作用及其分类。
5. 船舶舵机系统的基本组成及其工作原理。
6. 船舶液压系统的组成及其在船舶中的应用。
7. 船舶机械故障诊断的基本方法。
第二部分:船舶电气基础1. 船舶电气系统的组成及其功能。
2. 船舶主配电板的作用及其主要元件。
3. 船舶辅助发电机的工作原理及维护要点。
4. 船舶照明系统的布局及维护。
5. 船舶通信系统的组成及工作原理。
6. 船舶导航系统的分类及使用注意事项。
7. 船舶电气故障的诊断与排除方法。
第三部分:船舶机械维护与修理1. 船舶机械的日常维护要点。
2. 船舶主机的定期检查项目及周期。
3. 船舶辅机的常见故障及其修理方法。
4. 船舶舵机系统的维护与故障处理。
5. 船舶液压系统的维护要点及故障排除。
6. 船舶机械部件的润滑与更换周期。
7. 船舶机械大修的流程及注意事项。
第四部分:船舶电气维护与修理1. 船舶电气系统的日常维护要点。
2. 船舶主配电板的检查与维护。
3. 船舶辅助发电机的故障诊断与修理。
4. 船舶照明系统的故障处理方法。
5. 船舶通信系统的维护与故障排除。
6. 船舶导航系统的检查与维护。
7. 船舶电气系统大修的流程及注意事项。
第五部分:安全操作规程1. 船舶机械操作的安全规程。
2. 船舶电气操作的安全规程。
3. 船舶机械维修时的安全注意事项。
4. 船舶电气维修时的安全注意事项。
5. 船舶紧急情况下的应急处理措施。
6. 船舶防火、防爆的安全措施。
7. 船舶环境保护与废物处理规定。
第六部分:实操技能测试1. 船舶主机启动前的检查流程。
2. 船舶辅机的故障诊断与排除实操。
3. 船舶液压系统的故障诊断与维修实操。
4. 船舶电气系统的故障诊断与排除实操。
5. 船舶通信与导航设备的使用与维护实操。
6. 船舶机械部件的更换与润滑实操。
实际操作项目1、海图改正油田职业技能鉴定技能操作考核评分表2、航线设计油田职业技能鉴定技能操作考核评分表3、雷达操作油田职业技能鉴定技能操作考核评分表4、GPS仪器使用油田职业技能鉴定技能操作考核评分表5、航海日志的填写油田职业技能鉴定技能操作考核评分表6、无线电卫星示位标的使用油田职业技能鉴定技能操作考核评分表7、气胀式救生筏抛投法操作油田职业技能鉴定技能操作考核评分表8、回声侧深仪的使用油田职业技能鉴定技能操作考核评分表9、单边带的使用油田职业技能鉴定技能操作考核评分表10、计程仪的使用油田职业技能鉴定技能操作考核评分表船舶驾驶员中级技能鉴定试题选择题:1、下列有关二副管理航海图书资料职责的叙述不准确的是。
A.有关作为海事证明的海图应交由船长妥善保管备查B.管理各种航海仪器技术说明书和图纸C.收到的临时航行警告装订后保存1年D.得到新航海通告后,应首先改正大比例尺海图2、航海日志是。
A.船舶的重要法定文件之一B.反映船舶安全航行和运输工作实际情况的原始记录C.分析和总结航海经验、判断和处理海事的重要依据D.A、B、C 都正确3、正常航行和锚泊时,舱水测量每日次,由负责记入航海日志。
A.2/大副B.1/大副C.1/值班驾驶员D.2/值班驾驶员4、航行中遇有,值班驾驶员应通知机舱备妥主机并报告船长。
A.能见度不良时B.进入狭水道或交通频繁的海区时C.情况紧急时D.A、B、C都是5、按照SOLAS公约的规定,每一艘船至少应配备套消防员装备。
A.1B.2C.3D.46、按照SOLAS公约的规定,每船应配备只火箭降落伞火焰信号,保存在驾驶室。
A.8B.10C.6D.127、船舶的总吨位和净吨位分别是指船舶的A.总容积/有效容积B.总载重吨/有效容积C.总载重吨/总容积D.总容积/净载重吨8、大型CO2称重记录和气胀救生筏检验证书的有效期分别为年和年。
A.1/1B.2/1C.2/2D.1/29、根据SOLAS公约的规定,每艘船舶的训练手册的内容应包括。
第 1 页 共 2 页河南省职业技能等级认定统一试卷船舶机工技能等级认定四级技能考核试卷001注 意 事 项1、考试时间:160分钟。
2、请首先按要求在试卷的标封处填写您的姓名、准考证号和所在单位的名称。
3、请仔细阅读各种题目的回答要求,在规定的位置填写您的答案。
4、不要在试卷上乱写乱画,不要在标封区填写无关的内容。
试题1:柴油机操作①冷却水系统准备②燃油系统准备③滑油系统准备④蓄电池准备⑤柴油机的启动 1.本题分值:25分 2.考核时间:40min 3.考核形式:实操 4.考核要求(1)考评员宣布:“开始答题”后,考生方可答题。
(2)考生在听到“开始答题”口令后,考生按题目顺序答题。
(3)考生每完成一个考核要点的操作,即说:“XX 考点完成”,然后进行下一个考核要点操作。
全部内容完成后,举手并说:“全部完成”。
(4)考生必须在规定时间内完成,考试时间结束必须停止操作。
(5)本题目全部内容完成后,由考评员宣布“考核结束”。
试题2:分油机解体、清洗与装复①分离筒及附件拆装及检修②分离盘片的拆装与清洗③分油机装复1.本题分值:40分2.考核时间:40分钟3.考核形式:实操4. 考核要求:分油机解体、清洗与装复,时间一到,立即停止操作。
姓名: 准考证号: 单位:………………………………………………………装…………………………订……………………………线…………………………………………………………………第 2 页 共 2 页得 分 评分人试题3:穿戴探火服①穿鞋子、鞋套、裤子、调背带、系安全腰带、挂上安全绳索②佩戴空气呼吸器、拔开快速接头、调节肩带扣紧腰带③穿上衣、连接锁紧接头、面罩颈带挂脖子并置于胸前、打开气瓶阀。
佩戴全面罩,达到气密要求。
压力表固定在空气呼吸器肩带处、判断空气瓶余量。
将防爆手电灯的绳子挂在脖子上。
扣好衣服扣子④佩戴头盔,完全遮盖呼吸器和全面罩胶管⑤戴上安全手套,一手持防爆手电灯及安全绳索,另一手持消防斧,划S 型,摸索前进⑥放下消防斧、防爆手电灯,脱下安全手套、安全绳索⑦脱下头罩和头盔,摘下全面罩,挂在脖子上。
船舶机工考试:中级船舶机工考试测试模拟考试练习 考试时间:120分钟 考试总分:100分遵守考场纪律,维护知识尊严,杜绝违纪行为,确保考试结果公正。
1、判断题 锅炉压力式喷油器中要长期改变喷油量时需要更换的部件是喷嘴体。
本题答案: 2、单项选择题 锅炉安全阀设置唇边结构,主要是为了( )。
A.增加开启压力 B.降低开启压力 C.减少气压降低量 D.保证开启稳定 本题答案: 3、判断题 在三相电流星型联接中,各相绕组始端和末端之间的电压为线电压。
本题答案: 4、单项选择题 《钢质海船入级与建造规范》规定每台锅炉本体上应装设( )安全阀,通常组装在一个阀体内。
A.1个 B.2个 C.3个 D.4个 本题答案: 5、单项选择题 中国船级社《钢质海船入级与建造规范》对轮机装置备件数量有明确规定,船姓名:________________ 班级:________________ 学号:________________--------------------密----------------------------------封 ----------------------------------------------线----------------------上备件如不能满足要求,则影响()的签发。
A.轮机入级证书B.适航证书C.船舶航行安全证书D.法定证书本题答案:6、判断题同步发电机电枢绕组基本都采用△形联接。
本题答案:7、单项选择题国外将内燃机油分为S和C两大系列表示()。
A.B+CB.C系列表示柴油机油的质量分级C.S系列表示汽油机油的分级D.C系列表示齿轮油的质量分级本题答案:8、判断题船舶事故造成任何油类和油性混合物的排放,如果不是有意的可不记入“油类记入薄”。
本题答案:9、判断题《73/78防污公约》附则Ⅱ为防止散装有毒液体物质污染规则,1987.4.6生效。
本题答案:10、判断题在三相四线制供电线路上,其中线一般装有熔断器及开关。
2017年技术工人应会(实操)试题
船舶机工—中级
考核题目1:船用柴油机汽缸套缸径测量
(一)题目要求:
1、考核目的:使考生熟练掌握内径百分表的使用方法。
2、考核要点:正确使用使用内径百分表,测量缸径位置、方法正确。
3、达到的要求:熟练使用内径百分表测量缸径
4、考试时间:5分钟
(二)器材准备:
1、内径百分表;
2、汽缸套
(三)评分标准(50分):
(1)基础分为50分。
(2)测量过程在5分钟内完成不扣分,超过5分钟则按每用时1分钟扣5
分计算,不足1分钟按1分计,最高扣10分。
(3)测量位置不正确扣5分。
(4)不能正确使用测量工具扣5分。
(5)实际测量缸径尺寸每误差0.01mm时,扣2分
(6)损伤机件及工具者扣10分。
(7)基础分减去所扣分即为所得分,扣完为止。
考核题目2:万用表的使用
(一)题目要求:
1、内容:万用表的使用方法
2、考核要求:能熟练掌握万用表的使用方法
3、考试时间:3分钟
(二)器材准备:
1、万用表
2、电子元器件
(三)评分标准(30):
1、校对、测量过程在3分钟内完成,每超过5秒扣2分,直至扣完20
分为止,不足5秒按5秒计,最高扣5分。
2、校对不准确扣2分,数据测量不准确扣2分。
3、损坏仪表扣5分,损坏元器件扣2分。