电厂低温循环水供热成本
- 格式:doc
- 大小:24.50 KB
- 文档页数:2
冷热电三联供的形式:内燃机+余热利用系统;燃气轮机+余热发电机组;燃气轮机+余热利用系统;微燃机+余热利用系统。
内燃机+余热利用系统:内燃机:四冲程内燃机;吸气冲程、压缩冲程、做功冲程、排气冲程。
内燃机余热:烟气、缸套水;余热利用系统:热水烟气直燃机、板式换热器。
余热利用系统:制冷:烟气→烟气热水型直燃机中烟气高发;缸套水→烟气热水直燃机中热水发生器。
制热:烟气→烟气热水型直燃机中烟气高发;缸套水→板式换热器。
设计参数及原则设计参数:对象:办公楼,建筑面积:2万平冷负荷:50w/m2,热负荷:56w/m2电负荷:30-67w/m2采暖期:11月-4月,128天制冷期:6月-9月,88天每个工作日,机组运行10小时7:30-17:30周六日不起动,采用市网运行设计原则:以办公楼最低电负荷为标准选配发电机,产生的余热即烟气和缸套水进入烟气热水型直燃机和板式换热器制冷制热。
机组选型:电负荷:0.03×20000=600KW冷负荷:0.05×20000=1000KW热负荷:0.056×20000=1120KW发电机选型:J312额定发电功率:635KW 发电效率:40.4%额定余热功率:744KW 排热效率:46.5%可利用烟气:3400kg/h,402KW,500℃可利用热水:26.6m3/h,342KW,79-95℃:发电机组参数采用颜巴赫系列利用的余热主要为:烟气和缸套水余热机组选型:BZHE125型出力系数为:100%燃气、50%烟气、23%热水出力系数:在多能量源的条件下,某一能量源的额定功率占额定总功率的比例。
额定制冷量:1454KW 天然气:106m3/h额定制热量:1121KW 天然气:120m3/h烟气量:4873m3/h,热水量:41.1m3/h:余热机组参数采用远大系列。
负荷计算:制冷:该直燃机烟气出力最多为满负荷的50%,出力系数为0.5。
计算公式:制冷量=排烟量/额定排烟量×额定制冷功率×出力系数×发电机负荷比例。
热力发电厂循环水供暖经济性的分析与研究发表时间:2020-05-08T06:42:41.208Z 来源:《科技新时代》2020年2期作者:孟祥伟、房宜柏[导读] 结合近10年来的运行工况和数据,对低温循环水供暖的经济性和优缺点进行详细阐述。
山东丰源通达电力有限公司山东省枣庄市 277300摘要:近年来随着经济的发展,人们生活水平的日益提高。
冬季城市供暖已经成为我国北方城市的民生工程。
热力发电厂作为城市供暖的主体,承载着重要的社会责任。
电厂既要保证城市供暖的质量,又要满足企业发展的经济利益,提高热能的综合利用效率已经成为了企业的发展方向之一。
将凝汽器循环水带走排掉的废热有效利用的城市供暖工程,既能最大限度的减少能源的浪费又能有效的提高城市供暖质量,做到企业经济效益与民生工程相行不悖,二者兼得。
作为未来城市供暖的发展方向本文就发电厂低温循环水城市供暖的经济性做了分析和研究。
关键词:民生;城市供暖;废热利用;经济效益1引言我国幅员辽阔,全国近2/3的地域属于冬季寒冷的北方地区。
城市供暖已经成为北方城市关系民生的头等大事。
供暖任务基本是由城市内或附近的热力发电厂完成。
热力发电厂作为高耗能的能源型企业,其中循环水废热排放是电厂生产的两大热损失(另外一项为排烟热损失,分别称为冷源损失和热源损失)之一。
将该项浪费掉的热能有效利用到城市供暖系统,将极大的提高电厂热能的综合利用率,对发电厂具有革命性的重要意义。
下面以我厂采用低温循环水为枣庄市峄城区提供城市供暖为例,结合近10年来的运行工况和数据,对低温循环水供暖的经济性和优缺点进行详细阐述。
2“发电厂—城区”供暖管网系统2.1低温供暖系统的组成城市供暖管网系统由热源、供暖主管道、供暖支管道、居民住宅换热器、回水管道和计量表计等组成。
采用低温循环水供暖的发电厂作为供暖热源,其供暖系统包括:供暖循环泵、凝汽器供暖切换阀、供暖加热器、补水系统等。
以枣庄市峄城区通达电力有限公司为例,该厂供暖系统包括25MW汽轮机凝汽器3台,供暖汽动泵2台、电动泵一台,供暖换热器(汽动泵排汽凝汽器)一台,供暖补水泵3台,加热器凝结水回收泵2台。
生物质电厂循环水供暖经济性分析发表时间:2018-04-02T17:03:29.960Z 来源:《基层建设》2017年第36期作者:李申强付青梅[导读]中兴电力蓬莱电厂目前国家大力发展生物质电厂,主流配置高温高压参数锅炉、抽凝机组,冬季供暖热电比1左右。
抽凝机组发电供暖成本过高,因使用减温减压后蒸汽,使蒸汽品质降低。
为提高生物质电厂热效率,在冬季最有效的方法就是提高循环水温度,直接用循环水供暖。
设计循环水供暖半径15公里,供水温度55℃~60℃,回水温度35℃~40℃。
按30MW机组计算,在循环水供暖工况下,排气压力升高至0.04MPa。
排汽量按80t/h计算,供热温度60℃,回水温度40℃。
供暖负荷49.8MW,因增加抽汽减少发电负荷4.03MW。
此时循环水供暖热量成本11.2元/GJ。
成本计算过程:蒸气参数:循环水供暖工况排汽0.0406MPa、2492.3kj/kg,抽凝工况末级排汽0.0055 MPa、2310.9kj/kg 水的参数:60℃水焓值250.8 kj/kg, 40℃水焓值167.2 kj/kg 因循环水供暖减少发电负荷:4.03MW (2492.3-2310.9)×80÷3600=4.03MW 增加供热:80×(2492.3-250.8)÷3600=49.8MW 电价按0.5元/kwh计算,每小时损失电费:4.03×1000×0.5=2015元供热每GJ成本:2015÷(49.8×3.6)=11.24元/GJ 热力公司供热成本不低于25元/GJ,供给用户36元/GJ以上,一年按2800h。
50MW供热能力可以为110万平方米面积供暖。
目前烟台地区供暖计价36元/GJ,济南地区供暖55元/GJ。
此方案供暖,热量成本按15元/GJ,终端售价30元/GJ计算,每年毛利润约750万元,一年内可以收回投资。
热电厂循环水余热利用和节能减排效益分析摘要:目前,我国的经济在快速发展,社会在不断进步,冷端损失是电厂热力系统的最大损失,在冬季额定供热工况下,汽轮机排汽损失可占燃料总发热量的30%以上。
余热回收利用是提高电厂能源利用率及节能环保的重要措施和手段。
公司应用电厂循环水余热利用技术,在冬季供暖季节,将汽机凝汽器大部分冷却水经由吸收式热泵吸收转换为供暖供热,大部分循环冷却水不再经过冷却塔冷却散热,通过回收其循环水的余热向公司供热,从而使电厂对外供热能力提高,采用闭式循环运行冷却,可避免原运行系统的蒸发和飘逸等水量损失。
循环水的余热利用不仅降低了能源消耗,而且还增加了效益,减少了CO2、SO2和NOX的排放。
关键词:余热;热泵;节能减排;效益引言传统的热电厂进行供热的时候,能源选用上通常是煤、石油、天然气这样的能源,供热效率较低,且会产生一些对人类有害的气体。
而如果使用循环冷却水余热回收技术,就能够改变这一点,通过该技术的使用使得整个供热过程变得清洁环保,且节约了大量的能源,供热的规模也大大增强了。
由此可见,将循环冷却水余热回收技术加以利用是非常重要的。
然而目前在该技术的应用上还存在着一些问题,因此文章中对该技术的具体探讨是非常有价值的。
1概述热电联供可实现一次能源的梯级利用和具有较高的整体能效,尽管如此,在热电生产过程中仍存在大量低品位余热未被有效利用的情况,尤其是锅炉的烟气余热和凝汽器循环冷却水(本文简称循环水)余热没有得到充分利用。
电厂燃煤锅炉的省煤器、空气预热器仅能回收烟气中部分显热,烟气中的大量潜热未被有效利用。
同时,循环水余热一般直接通过冷却塔(集中设置在空冷岛)散失在环境中,未得到有效利用。
近年来,采用汽轮机低真空运行技术提高凝汽器循环水的出水温度直接用于供热的方式在热电厂得到了部分应用,但该类技术的供热效果受到机组运行参数的制约,而且凝汽器内真空度的改变会对机组本身造成安全隐患。
本文对热电厂烟气余热回收在烟气脱白工艺中的应用和循环水余热回收的研究进展和技术手段进行综述。
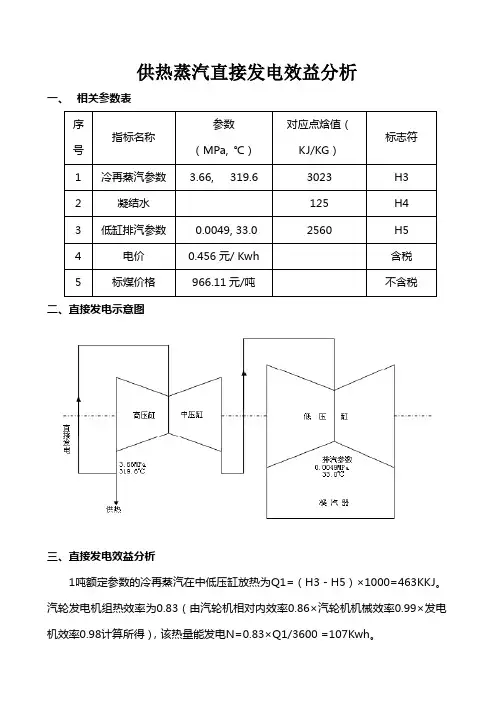
供热蒸汽直接发电效益分析
一、相关参数表
二、直接发电示意图
三、直接发电效益分析
1吨额定参数的冷再蒸汽在中低压缸放热为Q1=(H3-H5)×1000=463KKJ。
汽轮发电机组热效率为0.83(由汽轮机相对内效率0.86×汽轮机机械效率0.99×发电机效率0.98计算所得),该热量能发电N=0.83×Q1/3600 =107Kwh。
产生含税收入:107*0.456=48.8元
四、供热效益分析
供热蒸汽如按140元/吨算,税后收入为123.89元/吨,扣减10%的检修费、材料费、人工费、管理费等分摊费用14.0元/吨、10%的厂内管损14.0元/吨、制水成本
11.5元/吨、制粉电耗费用6.5元/吨,实际收入为77.89元/吨。
五、差异分析:
供热和发电效益产生较大差异的主要原因是供热没有冷源损失,发电情况下排入凝汽器的终参数蒸汽仍有2560kJ/kg的焓值,与30℃的凝结水相比,每吨蒸汽有(2560-125)/29.271/1000=0.083吨标准煤随循环水损失掉了。
按照标煤价则有0.083*1111=92.2元随循环水排入汉江。
电厂循环水余热利用方案的研究一、内容综述随着社会经济的快速发展,电厂循环水余热利用已经成为了一种重要的节能减排手段。
循环水余热是指在电厂运行过程中产生的热水、蒸汽和废水等废热资源,这些资源具有很高的潜在价值。
通过科学合理的技术手段,将这些废热资源进行回收利用,不仅可以降低电厂的能耗,减少环境污染,还可以提高电厂的经济效益。
本文将对电厂循环水余热利用方案的研究进行详细的探讨,以期为电厂的可持续发展提供有力的支持。
在当前环保意识日益增强的背景下,电厂循环水余热利用方案的研究显得尤为重要。
通过对国内外相关研究的梳理,我们发现目前电厂循环水余热利用主要采用的方法有:换热器换热、蒸发器蒸发、地源热泵、空气源热泵等。
这些方法各有优缺点,需要根据电厂的具体情况进行选择和优化。
首先换热器换热是一种常见的循环水余热利用方法,其原理是通过换热器将循环水中的高温水与低温水进行热量交换,从而实现余热的回收。
这种方法的优点是设备简单、成本较低,但由于受到水质、流量等因素的影响,换热效率有限。
其次蒸发器蒸发是一种通过蒸发循环水中的潜热来实现余热回收的方法。
这种方法的优点是能够充分利用循环水的潜热资源,提高能源利用率,但设备成本较高,且受环境温度影响较大。
再次地源热泵和空气源热泵是两种新型的循环水余热利用方法,它们分别利用地下或空气中的恒定温度来加热循环水。
这两种方法具有节能效果显著、环保性能好等优点,但由于设备成本较高,目前尚处于推广阶段。
电厂循环水余热利用方案的研究是一个涉及多个领域的综合性课题。
在未来的研究中,我们需要继续深入挖掘各种余热利用方法的优势和局限性,不断优化和完善技术方案,以期为电厂的可持续发展提供更加有效的支持。
同时我们还应加强与政府、企业和科研机构的合作,共同推动电厂循环水余热利用技术的创新和发展。
A. 循环水余热利用的重要性和意义在当今社会,随着经济的快速发展,电力需求也在不断增加。
电厂作为发电的重要基地,其运行过程中产生的大量废热如果不能得到有效利用,不仅会造成资源浪费,还会对环境造成严重污染。
火力发电厂低温循环水余热利用工程技术规程一、概述火力发电厂是目前世界上主要的电力发电方式之一,但是在发电过程中会产生大量的余热。
为了充分利用这些余热资源,提高发电效率,降低能源消耗,低温循环水余热利用工程技术规程应运而生。
本文针对低温循环水余热利用工程技术进行全面分析和规范,以期为相关技术人员提供参考。
二、低温循环水余热利用工程概述1. 余热资源概述火力发电厂在电力发电过程中,会有大量的低温余热产生,主要来自于冷凝水和冷却水。
这些低温余热若能有效利用,可减少燃料消耗,提高发电效率。
2. 余热利用方式低温循环水余热可通过多种方式进行利用,如供暖、制冷、热水供应等,其中最常见的方式是通过余热锅炉将余热转化为蒸汽,用于发电厂的自身供电。
三、低温循环水余热利用工程技术规程1. 技术规范低温循环水余热利用工程技术规程应包括余热资源测算、利用设备选型、系统设计参数等方面的规定,以保证余热利用工程的安全、高效运行。
2. 设备选型针对不同的余热利用需求,应选择适当的余热利用设备,如余热锅炉、换热器等。
在选型过程中应考虑设备的整体性能、能耗、维护便捷性等因素。
3. 设计参数在低温循环水余热利用工程设计中,应合理确定余热利用系统的参数,如蒸汽压力、温度、循环水流量等,以确保余热利用系统的稳定可靠运行。
四、低温循环水余热利用工程技术应用案例1. 案例一:某火力发电厂余热锅炉改造项目某火力发电厂通过余热锅炉将低温循环水余热转化为蒸汽,实现了自身供电,年节约燃料消耗达到10以上。
2. 案例二:某地区火力发电厂余热供暖项目某地区火力发电厂将低温循环水余热利用于供暖,为周边居民提供了稳定、高效的供热服务,得到了当地居民的一致好评。
五、结论低温循环水余热利用工程技术规程对于提高火力发电厂发电效率,降低能源消耗,具有重要的意义。
通过合理规划和利用余热资源,可以实现节能减排,为可持续发展做出贡献。
希望本文对相关技术人员能够有所启发,不断改进和完善低温循环水余热利用工程技术规程,推动能源利用及环保工作取得更大成就。
集中供暖成本核算一、已知条件:1、供热面积:50万m22、居民采暖价格:18.9元/年.m2(建筑面积)3、供暖时间:120天/年4、居民采暖用热指标平均取值31.5W/m2, 0.327GJ/年.m25、燃煤价格:1000元/吨(5500kcal/kg=23027.4KJ/kg)6、用电价格为0.4元/kwh7、a 锅炉给水按20℃计,价格为8元/吨b 每吨蒸汽的固定费用为47.12元/吨8、a 热源点为25MW抽背机组的背压蒸汽b 供热用蒸汽0.6MPa,258.42℃,焓值为2975.82KJ/kg, 折2.976GJ/吨蒸汽9、a 锅炉产蒸汽为9.8MPa,540℃,焓值为3480.8KJ/kgb 汽机进蒸汽为8.83MPa,535℃,焓值为3475KJ/kgc 0.6MP饱和蒸汽温度为158.88℃,焓值为2756.4KJ/kg, 折2.756GJ/吨蒸汽d 未饱和水100℃时的焓值为431KJ/kge 锅炉给水20℃时的焓值为84.5KJ/kg10、a 热源点至居民用热点的热损失按10%计b 锅炉热效率按85%计二、按蒸汽供热进行计算1、计算蒸汽价格:A、发电锅炉产9.8MPa新蒸汽价格23027.4×85%÷(3480.8-84.5)=5.763吨蒸汽/吨煤1000÷5.763+47.12+8=228.64元/吨蒸汽B、背压后0.6MPa蒸汽价格(以汽轮机厂提供数据为准)[(115×228.64)- (13001×0.4)]÷(45+65.49)=(26293.6-5200.4)÷110.49=190.9元/吨蒸汽C、低压锅炉产0.6MPa饱和水蒸汽价格23027.4×85%÷(2756.4-84.5)=7.3256吨蒸汽/吨煤1000÷7.3256+47.12+8=191.63元/吨蒸汽D、50万m2每小时用蒸汽量为:0.327×1.1×500000/120/24÷2.976=20.98吨蒸汽/小时2、人员工资费用需增加人员10人,每人年均收入按18000元计(10×18000)÷(20.98×24×120)=180000÷60422.4=2.98元/吨蒸汽3、增加动力消耗采用蒸汽加热循环水的方式供热,在供热面积50万m2时,需增加循环水泵动力为560KW,补充水泵15KW合计增加动力消耗:560+15=575KW575×0.4÷20.98=10.96元/吨蒸汽4、投资费用首站建设投资约为500万元:A、折旧费用为:500×104÷10年÷(20.98×24×120)=50×104÷60422.4=8.28元/蒸汽B、利息费用为:500×104×0.007×12=42万元42万元÷(20.98×24×120)=6.95元/吨蒸汽5、按照用背压0.6MPa蒸汽,采用低温循环水方式,建设城区集中供热工程:蒸汽成本为:190.9+2.98+10.96+8.28+6.95=220.07元/吨蒸汽蒸汽折热值成本为:220.07÷2.976=73.95元/GJ三、按热电循环水供热计算:采暖需用热量:500000×31.5×3600×10-9=56.7GJ/小时加热损为:56.7×1.1=62.37GJ/小时全年用热量为:62.37×24×120=179625.6 GJ/年采暖用热水温度为58℃,回水温度按50℃计1、采用汽轮机热力计算书的数据计算按汽轮机额定工况核定:进汽量为132.5t/h,一级抽气压力1.27MPa,抽气量40t/h,二级抽气压力0.498MPa,抽气量15t/h,发电功率为25021.3kw供热后排汽温度为74.6℃排汽温度74.6℃时的蒸汽焓值为2510.2KJ/kg排气温度74.6℃时的水焓值为310.29KJ/kg在74.6℃时循环水吸收的焓值为2510.2-310.29=2199.91KJ/kg 采暖所需凝汽量为:62.37GJ/2199.91KJ/kg=28.35t/h采暖所需热水量为:62.37GJ/(58-50)×4.1868KJ=1862.10t/hA、根据汽轮机热力计算书:排气温度74.6℃时影响发电负荷11.61%影响发电负荷为25021.3KW×11.61%=2904.97KWh热网循环水泵用电负荷:560KW补水泵用电负荷:15KW热电不降负荷运行,需开循环水泵向凉水塔供水降温所以,综合降低负荷为:2904.97+560+15=3479.97kwh电价按0.4元计:3479.97×0.4×24×120=400.9万元÷179625.6 GJ/年=22.32元/GJB、人员工资费用需增加人员10人,每人年收入按18000元计10×18000÷(62.37×24×120)=180000÷179625.6=1.0元/GJC、投资费用首站建设投资约为500万元:折旧费用为:500×104÷10年÷(62.37×24×120)=2.78元/GJ利息费用为:500×104×0.007×12=42万元42万元÷(62.37×24×120)=2.34元/GJD、综合成本:22.32+1.0+2.78+2.34=28.44元/GJ2、采用山西院方式计算:A、没有循环水供热前:①根据热电联产技术规定计算发电煤耗汽轮机进汽:132.5t/h (以热力计算书额定值为准)锅炉效率:85%,管道效率:98%锅炉进出口焓差:2523kg锅炉标煤耗=132.5×2523/0.85×0.98×29320=13.688t/h抽汽供热量:一级抽气 3052.4×40×1000=122.096GJ/h二级抽气2887.4×15×1000=43.311GJ/h合计:165.407GJ/h发电耗热量:13688×29320×10-6-165.407GJ/h=235.925GJ/h发电耗煤量:235.925/29230KJ/kg=8.07t/h发电标煤耗:8070000/25021.3=322.53gce/kwh发电原煤耗:322.53×7000/5500=410.493g/kwhB、运行成本估算①循环水供热后煤耗:增加供热量:62.37GJ/小时根据热力计算书,电厂采暖期减少发电量为:11.61%发电耗热量:13688×29320×10-6-165.407-62.37=173.555GJ/小时发电耗煤量:173.555GJ/h/29230KJ/kg=5.937吨/h发电标煤耗:5.937×106/25021.3-(25021.3×11.61%)=5.937×106/22116.33=268.44g/kwh发电原煤耗:268.44×7000/5500=341.66g/kwh②根据汽轮机热力计算书,电厂采暖期减少发电量11.61%减少发电量:25021.3×24×120×11.61%=8366322.04kwh/年折合煤耗:8366322.04kwh/年×341.66g/kwh =2858.44吨/年折合人民币:2858.44×1000元/吨=285.844万元/年③人工费:增加10人,工资为18000元/人,合计为18万元/年④热网循环水泵用电负荷:560KW补水泵用电负荷:15KW合计增加功率为:560+15=575kw全年费用为:575×0.4×24×120=66.24万元/年⑤在供热为50万平方时,热电去凉水塔的循环水泵无法停下。
电厂趸售热价成本计算方法作者:刘斌来源:《中国科技纵横》2019年第24期摘; 要:本文提出了电厂趸售热价成本计算的三种方法,主要解决了长期以来热价定价不合理不科学的问题,优化资源配置,为政府提供科学的决策依据。
内蒙和陕西部分城市已对电厂趸售热价进行了调整,供热公司和电厂均取得了良好经济效益及社会效益.通过案例计算分析,进一步验证该计算方法的正确性和可靠性,对于全国电厂趸售热价计算提供了具体方法,不仅填补了国内电厂趸售热价的计算空白,也丰富了热能专业的理论基础。
关键词:热价成本;三种方法;决策依据;计算空白中图分类号:F426; 文献标识码:A ; ;文章编号:1671-2064(2019)24-0000-000引言一般热电厂热效率远高于发电厂热效率,主要是汽轮机抽汽供热时,蒸汽在高中压缸做功后,在低压缸抽出部分蒸汽供热,蒸汽通过汽水换热器冷却后变为凝结水。
由于供热抽汽减少了汽轮机排汽(潜热)到凝汽器或散热器中变为凝结水的散热损失。
即汽轮机排汽冷却后变为凝结水,其供热蒸汽大量潜热损失被回收利用。
虽然汽轮机供热抽汽压力低、温度低,做功(发电)能力大大降低,但汽轮机排汽潜热量比较大,约占燃煤总热量30%以上。
冬季如电厂600 MW级空冷机组排汽真空15 Pa、排汽温度约52.94 ?C,热焓值i3 = 2550 kJ,凝结水热焓值i4=235 kJ。
设定冬季供热,抽汽热焓值为i1、蒸汽经过汽水换热器凝结水热焓值为i2、供热抽汽量为q。
如不供热蒸汽排汽潜热损失大、电厂热效率降低、发电标煤耗增加。
汽轮机低压抽汽实现城市集中供热等,使电厂高效节能减排的最佳途径。
长期以来,政府对于电厂趸售热价定价不合理不科学问题,在一些地方电厂出现趸售热价偏高或偏低的情况,政府财政负担加重或电厂供热亏损现象,主要原因是趸售热价没有合适正确的计算方法和科学的决策依据,即主要是电厂趸售热价成本计算方法空白和缺失。
本文提出了电厂趸售热价成本计算的三种方法,如“热电归热法”、“热电归电法”和“热电公平法”,解决了电厂趸售热价成本定价问题。
冷热电三联供的形式:内燃机+余热利用系统;燃气轮机+余热发电机组;燃气轮机+余热利用系统;微燃机+余热利用系统。
内燃机+余热利用系统:内燃机:四冲程内燃机;吸气冲程、压缩冲程、做功冲程、排气冲程。
内燃机余热:烟气、缸套水;余热利用系统:热水烟气直燃机、板式换热器。
余热利用系统:制冷:烟气→烟气热水型直燃机中烟气高发;缸套水→烟气热水直燃机中热水发生器。
制热:烟气→烟气热水型直燃机中烟气高发;缸套水→板式换热器。
设计参数及原则设计参数:对象:办公楼,建筑面积:2万平冷负荷:50w/m2,热负荷:56w/m2电负荷:30-67w/m2采暖期:11月-4月,128天制冷期:6月-9月,88天每个工作日,机组运行10小时7:30-17:30周六日不起动,采用市网运行设计原则:以办公楼最低电负荷为标准选配发电机,产生的余热即烟气和缸套水进入烟气热水型直燃机和板式换热器制冷制热。
机组选型:电负荷:0.03×20000=600KW冷负荷:0.05×20000=1000KW热负荷:0.056×20000=1120KW发电机选型:J312额定发电功率:635KW 发电效率:40.4%额定余热功率:744KW 排热效率:46.5%可利用烟气:3400kg/h,402KW,500℃可利用热水:26.6m3/h,342KW,79-95℃:发电机组参数采用颜巴赫系列利用的余热主要为:烟气和缸套水余热机组选型:BZHE125型出力系数为:100%燃气、50%烟气、23%热水出力系数:在多能量源的条件下,某一能量源的额定功率占额定总功率的比例。
额定制冷量:1454KW 天然气:106m3/h额定制热量:1121KW 天然气:120m3/h烟气量:4873m3/h,热水量:41.1m3/h:余热机组参数采用远大系列。
负荷计算:制冷:该直燃机烟气出力最多为满负荷的50%,出力系数为0.5。
计算公式:制冷量=排烟量/额定排烟量×额定制冷功率×出力系数×发电机负荷比例。
第一章概述1.1 项目概况1.1.1项目名称XX热电厂循环水供热改造工程1.1.2项目建设单位项目承办单位:XX煤焦有限公司1.1.3项目编制单位1.1.4 项目建设总投资建设项目总投资约1628.4万元。
1.1.6 项目建设规模及内容本项目为XX煤焦有限公司4×6MW机组循环水供热技术改造工程,主要解决以下区域冬季采暖供热:①明源煤焦有限公司内部建筑冬季采暖,采暖面积5万m2。
②明源煤焦蔬菜大棚冬季采暖,现有30万m2,2011扩建30万m2,共计60万m2。
③郭道镇规划建筑面积30万㎡。
本项目设计热力网供回水温度为65/52℃热水,供热管线采用架空敷设和直埋敷设相结合,管径规格从DN80~DN800,供热半径为3km。
本项目年利用冷却水塔散热损失50万GJ。
项目建设内容包括循环水供热主管网建设改造、用户区域管网改造、循环水泵房建设及4×6MW机组改造四个大部分。
1.1.7 项目建设目的主要是利用4×6MW热电机组的冷却塔散热损失解决冬季采暖,以便实现热能的最大化利用及污染物的减排和水资源的节约,最终解决冷却塔冷源损失问题,进一步提高能源利用率,实现企业可持续发展。
1.2 编制依据(1)《城市热力网设计规范》CJJ34-2002;(2)《全国市政工程投资估算指标》(HGZ47-108-2007年)建设部;(3)《建设项目经济评价方法与参数》(2006年);(4)《山西省建设工程其它费用暂行标准》;1.3 编制范围根据热负荷的分布和热源为低真空循环水的特点进行工程方案设计研究。
工程内容为低真空循环水供热热源、循环水泵房、热源至各供热用户管线的设计研究。
本期方案研究的范围包括:1)明确热源,并对热负荷作出预测。
2)提出低真空循环水供热工程技术改造方案。
3)对各主要工艺系统及辅助系统工艺方案设想评选。
4)提出投资估算。
1.4 主要技术经济指标表1-1 主要技术经济指标序号项目单位数量备注一总供热面积万㎡65+30 本工程投资不包括郭道镇30万m2建设费用二改造机组数目台 3 满足65万m2供热要求三年减少发电量×104KW.h 293.6 改造3台机组四工程总投资万元1628.4 本工程投资不包括郭道镇30万m2建设费用1 固定资产投资万元1613.42 铺底流动资金万元151.5 结论低真空循环水供热技术改造项目在降低冷源损失,提高循环水温及热效率,作为冬季供暖是一项社会效益和经济效益都十分显著的节能技术。
热电厂循环水热泵供热技术方案与节能性分析热电厂作为一种大型热能供应设施,对于提高城市供暖和生活热水的质量和效率有着重要作用。
但是,传统的热电厂往往会存在能源浪费、污染排放等问题,因此,如何从能源角度出发,提高热电厂的供热效率,成为了关注的热点。
在这一背景下,循环水热泵供热技术应运而生。
循环水热泵供热技术是通过将热电厂循环水中的低品质热能转化为高品质热能,提高能源利用率的一种技术。
具体实现过程是将热电厂循环水通过热泵技术提高温度,再将高温水送入城市供热管网,为用户提供暖气和生活热水。
与传统的锅炉供热相比,循环水热泵供热技术具有以下优点:1.能源利用效率更高:循环水热泵供热技术可以将热电厂循环水中的低品质热能转化为高品质热能,提高能源利用效率,同时减少能源浪费。
2.环保性更好:由于循环水热泵供热采用清洁能源供热的方式,不会产生任何排放物,对环境的影响更小。
3.运行成本更低:由于循环水热泵供热技术的高能效和低维护成本,其运行成本比锅炉供热更低。
以上点均说明,循环水热泵供热技术是一种高效、环保、低成本的供热技术选择。
下面,笔者将以循环水热泵供热技术在热电厂中的应用为例,进行技术方案与节能性分析。
技术方案:循环水热泵供热技术应用于热电厂供热中的具体方案如下:1.应用场景:热电厂中的循环水热泵供热主要应用于夏季的供冷和冬季的供暖,其供热范围主要为城市居民区、商业区、公共建筑等。
2.供热参数:循环水热泵供热技术所能提供的供热参数为:夏季制冷温度22℃~27℃,冬季供暖温度30℃~60℃。
3.制冷供暖方式:循环水热泵供热采用分户机组的方式实现热量供应,每个户型均采用一套小型循环水热泵机组,配有热交换器,并与市政管网连接。
4.设备选型:循环水热泵供热主要的设备有循环水系统、热泵系统、热交换器、控制系统等。
在实际应用中,设备的选型应根据当地气候条件、用户需求、设备质量、价格等方面的综合考虑。
节能性分析:循环水热泵供热技术在热电厂中的应用,可以显著提高系统的能源利用率,从而带来显著的节能效果。
雁南热电厂供热成本计算1、根据热网现场实际需要热量计算得出:12.67元/月·m2.2、根据抽汽使用量造成减少发电量,也就是由于投入抽汽供热使发电减少,经供热消耗的燃料量折合成资金计算得出:4.765元/月·m23、根据雁南矿工业厂区、建筑物及生产用热量计算得出16.21元/月·m2.附:供热系统的说明及供热成本的计算雁南热电厂供热系统的说明及供热成本的计算雁南热电厂负责对整个雁南矿工业厂区及矿井生产的供热。
一、供热系统1、低温热网供热系统:供热对象:矿办公楼、池、食堂、车库、派出所、卫等。
供热参数:出口压力:0.36MPa出口温度:80℃回水压力:0.11MPa 回水温度:50℃2、井塔供汽系统:供热对象:矿井的主井井塔、副井井塔供汽参数是:汽压:0.4MPa 汽温:250℃流量:3-5T/h(计算时采用4T/h)由于该系统蒸汽凝结后返回系统投入后一直不能使用,蒸汽供热后就被排掉,浪费较大。
3、高温热水系统:供热对象是:装车站、手选车间、矿井主井棚、副井井棚、热电厂等。
供热参数:出口压力:0.5MPa 出口温度:110℃回水压力:0.11MPa 回水温度:50 ℃二、设备运行方式:采暖初期头一个月和未期一个月采用单炉单机运行,其余供热时间均采用双炉单机运行、抽汽直接向井塔供汽,高温热水网采用4台波纹管式换热器利用抽汽进行热,低温热网是采用2台波纹管式换热器利用抽汽加热。
三、其它:1、抽汽量23-25T/h2、供热面积:2004年统计3.5万平方米2005年约新增1万平方米雁南热电厂供热成本计算(一)-根据热网需用热量计算得出一、高温热网的关数据:出口压力:0.5MPa 温度:105℃;回水压力:0.4MPa 温度:57℃额定流量:260T/h二、低温热网的有关数据出口压力:0.35MPa 温度:80℃;回水压力:0.3MPa 温度:70℃额定流量:50T/h三、查水和水蒸汽性质图表得各参数下介质的焓值1、105℃水的焓值: 105.15kcal/Kg2、57℃水的焓值: 56.79kcal/Kg3、80℃水的焓值: 77.99kcal/Kg4、70℃水的焓值: 69.98kcal/Kg5、抽汽的焓值:(压力0.5MPa、温度250℃) 707.25kcal/Kg四、热网所需热量:1、高温网:Q=260×103×85%×(105.13-56.79)=10683140 kcal/h12、低温网所需热量:=50×103×80%×(77.99-69.98)=400400 kcal/hQ23、井塔所需热量:Q=4×103×707.25=282900 kcal/h3热量合计:Q= Q1+ Q2+Q3=13912540 kcal/Kg五、耗煤费用:锅炉的热效率取70%计算总热量折标煤数:13912540/7000/0.7=2.839T/h按05年折煤系数0.5054计算:折原煤:2.839/0.5054=5.618T/h月原煤费用:5.618×24×30×100=40.4496万元/月六、热网补水费用:1、根据暖期制水量计算补水量为5T/h2、所需费用:5×7.80×24×30=2.808万元/月七、电费:供热系统计有45KW高温网环泵,11KW低温网循环泵,7.5KW高温网定压泵,2.2KW低温网定压泵,7.5KW低位水泵耗电量如下:45KW×90%=40.5KWH7.5KW×50%=3.75KWH11KW×90%=9.9KWH2.2KW×50%=1.1KWH7.5KW×80%=6KWH合计电量:61.25KWH月电费用:61.25×24×30×0.25=1.1025万元/月八、供热成本供热费用合计=40.4496+2.808+1.1025=44.3601万元/月供热面积:3.5万㎡供热成本:44.3601/3.5=12.67元/月·㎡雁南热电厂供热本计算(二)-根据蒸汽在汽机中减少做功热量计算得出一、有关参数:汽机抽汽压力0.5MPa;温度:250℃;焓值:707.25kcal/Kg 流量:24T/h汽机排汽压力0.00715MPa,温度65℃,焓值:626.17kcal/Kg 汽化潜热561.29kcal/Kg 凝结水焓值:69.98kcal/Kg 20℃补水焓值20.1 kcal/Kg二、耗煤费用计算:1、汽轮机中减少做功的热能1)高低温热网系统Q1=(707.25-626.17)×20×103=1621600 kcal/Kg2)井塔系统Q2=(81.08+49.88+561.29)=692.25=27690003)合计热能:Q=Q1+Q2=1621600+2769000=4390600 kcal/Kg4)锅炉热效率按70%计算合标煤数4390600/7000/0.7=896.04Kg/h5)按05年折标系数0.5054计算折合原煤数896.04/0.5054=1772.93 Kg/h月原煤费用:1772.93×24×30×100=12.77万元/月三、热网补水费用:根据采暖区制水量计算补水量为5T/h月水费用:5×7.8×24×30=2.808万元/月四、电费:供热系统有45KW高温网环泵,11KW低温网循环泵,7.5KW高温网定压泵,2.2KW低温网定压泵,7.5KW低位水泵耗电量如下:45KW×90%=40.5KWH7.5KW×50%=3.75KWH11KW×90%=9.9KWH2.2KW×50%=1.1KWH7.5KW×80%=6KWh合计电量:61.25KWH月电费用:61.25×24×30×0.25=1.1025万元/月五、供热基本费用合计:12.77+2.808+1.1025=16.68万元/月供热面积:3.5万㎡供热成本:16.68/3.5=4.765元/月·㎡雁南热电厂供热成本计算(三)-根据建筑设计热量计算得出1、建筑物总面积:3.5万㎡2、每小时耗热量:18170900Kcal/H3、锅炉热效率按:70%4、折标系统按05年折标系数:0.50545、原单价按100元/T6、电、水费按现行价即:电:0.25元/KWh 水:1元/T 建筑物空气加热室等每朋消耗的热量:18170900Kcal/H×24H×30天=130********Kcal折合成标准煤:130******** Kcal÷7000 Kcal/Kg=1869006Kg折合成原煤是:1869006Kg÷0.5054=3698吨根据热效率公式锅炉每小时消耗的燃料量:3698吨÷0.7=5283吨资金量是:5283吨×100元/吨=528300元热网补充水及用电费用同前:水费:2.808万元/月电费:1.1025万元/月合计总费用:2.808+1.1025+52.83=56.74万元供热面积3.5万㎡供热单位成本:56.24万元/月÷3.5万㎡=16.21元/月·㎡。
超低温空气源热泵供暖费用计算
超低温空气源热泵供暖费用计算
超低温空气源热泵冬季采暖运行费用与燃气、电采暖运行费用对比的前提是在相同发热量的情况下各种采暖设备所消耗的费用进行对比。
现设定某地区的燃气热值为8600千卡/立方米,价格2.7元/立方米。
燃气炉的热效率为80%。
民用电价为0.53元/kwh。
电采暖设备的热效率为90%。
现以1吨水从15℃上升到45℃所需的热能Q为计算的依据;我国北京以南的地区冬季白天的气温在-7-+7℃之间。
Q=1*1000*(45-15)=30000千卡=34.89kwh
一、燃气炉采暖的运行费用为2.7*30000/(8600*0.8)=11.77元。
二、电采暖的运行费用为0.53*34.89/0.9=20.55元。
三、超低温空气源热泵的运行费用
1.在环境温度7℃的情况下,机组的综合能效比大于1:3.26(因水温是从15℃提升45℃的)现按3.26计算。
则机组的运行费用为0.53*34.89/3.26=5.67元。
2.在环境温度-7℃的情况下,机组的综合能效比大于1:2.37,现按2.37计算。
则机组的运行费用为0.53*34.89/2.37=7.8元。
3、因此:
超低温空气源热泵机组运行费用是燃气费用的5.67/11.77——7.8/11.77。
即是燃气费用的48%——66%,与燃气费用对比节省34%——52%。
超低温空气源热泵机组运行费用是电采暖费用的5.67/20.55——7.8/20.55.
即是电采暖费用的28%——38%,与电采暖费用对比节省62%—
—72%。
热电厂低温循环水供热成本估算
一、计算条件:由于电厂的资料不详,按常规的机型进行估算,仅供参考。
1、纯凝满发状态下机组的凝汽量约为108 T/H ,循环水量5400吨/小时,循环倍率50,电价0.3685元/ kwh,水价2.3元/吨,加药处理后的水成本为4.5元/吨,煤价880元/吨,采暖天数120天。
2、改造前其凝汽加蒸汽压力约为0.003MPa(绝对压力,以下同),焓值为2545kJ/kg。
改造后其凝汽压力约为0.03 MPa,焓值2625.4 kJ/kg。
3、改造后平均凝结水温为60℃,焓值约为251kJ/kg。
二、计算过程
1、改造后由于恶化真空使乏汽焓值上升,少发电量:
W=凝汽量(改造后凝汽焓值-改造前凝汽焓值)×103
=108×1000×(2625.4-2545)/4.18
860
=2415.5kwh/H
2、改造后原被散放在空气中的热量被全部回收用于供热,其回收的热量:
Q=凝汽量(改造后的汽焓值-凝水焓值)
=108×1000×(2625.4 -251)
=256.4GJ/H
每个采暖季可利用的热量为256.4×24×120=73.8万GJ
少发电的成本为:2415.5 ×0.5/256.4=4.71元/GJ
3、在供热期间,电厂的冷却水泵停运,增加的热网循环泵等设施每个采暖季总耗电量约为功率约为4320MW,费用216万元,合2.9元/GJ。
4、系统补水量按循环水量的2.5%计算,补水的费用为:2.4元/GJ。
5、改造投资成本:机组改造费约300万元。
使用寿命按15年计算,残值5%,
合0.26元/GJ。
热电厂的供热成本为: 4.17+2.9+2.4+0.26=9.73元/GJ。