液压缸概述
- 格式:ppt
- 大小:3.43 MB
- 文档页数:46
液压缸作用
液压缸是一种通过液压力传动动力的设备,主要由液压缸筒体、活塞杆、活塞以及密封件等组成。
液压缸的主要作用是将液压能转化为机械能,实现对物体的推拉或提升等运动。
液压缸的工作原理是利用液体在密闭容器内传输压力,使活塞在筒体内的往复运动。
当液压系统中的液体流向液压缸腔体时,活塞杆前进或后退。
液压缸能够提供较大的力,并且在运动过程中力保持稳定。
液压缸的主要作用有以下几个方面:
1. 推拉力传输:液压缸能够提供较大的推拉力,用于推动或拉动重物。
在工业生产中,液压缸常用于起重装置、挖掘机、铲车等设备,用于提升、推动或拉动重物。
2. 位置控制:液压缸能够精确地控制位置和速度,实现对物体的精确移动和定位。
在工业自动化生产中,液压缸常用于机床、车床等设备,用于实现工件夹持、夹紧、定位等操作。
3. 动力传输:液压缸能够将液体能源传输为机械动力,用于驱动各种机械设备的运动。
在工业生产中,液压缸广泛应用于各种机械设备,如冲压机、压力机、注塑机等。
4. 自锁功能:液压缸在停止运动时具有自锁功能,能够保持活塞在任意位置停留。
这在需要长时间保持位置或防止外部干扰时十分有用。
5. 阻尼功能:液压缸具有一定的阻尼效果,能够减缓活塞的运动速度,避免冲击和振动。
这对于一些精密加工或需要平稳动作的设备非常重要。
总之,液压缸作为一种通过液压力传递动力的装置,具有很广泛的应用。
它能够提供较大的推拉力、精确的位置控制、动力传输和阻尼功能等,广泛用于各种机械设备和工业生产中,带来高效、精确和稳定的运动控制。
液压缸公差配合-概述说明以及解释1.引言1.1 概述液压缸是一种常用的液压传动元件,广泛应用于工业自动化领域。
作为液压系统的关键组成部分,液压缸的性能直接影响到系统的运行效率和稳定性。
液压缸是通过液压能将液体的压力能转化为机械能,实现线性运动的装置。
它由一个活塞和一个活塞杆组成,其中活塞杆与活塞形成一个密封腔,液体的压力作用在活塞上,从而推动活塞杆实现线性运动。
液压缸常用于各种机械设备中,如起重机、挖掘机、冲床等。
在液压缸的制造过程中,涉及到公差配合的概念和应用。
公差配合指的是由于制造和装配过程中的误差,活塞与活塞杆之间存在一定的间隙或间隔。
合理的公差配合可以确保液压缸的密封性能和运动精度。
液压缸的公差配合对其性能有着重要的影响。
如果公差配合过紧,会增加液压缸的摩擦阻力,导致能源的浪费和机械部件的磨损加剧;而公差配合过松,则会降低液压缸的稳定性和运动精度。
因此,优化公差配合是提高液压缸性能的关键。
为了优化公差配合并提高液压缸性能,可以采取一些方法和应用。
例如,通过合理设计和选择材料,控制液压缸的生产制造过程,以减小公差配合误差;利用现代制造技术,如数控加工和精密测量,提高公差配合的精度和一致性;采用合适的密封结构和材料,确保液压缸的密封性能。
综上所述,液压缸公差配合是确保液压缸性能的重要因素。
合理的公差配合可以提高液压缸的运动精度和密封性能,从而保证系统的稳定性和效率。
通过优化公差配合的方法和应用,可以进一步提高液压缸的性能和可靠性。
json"1.2文章结构":{"本文将分为三个部分:引言、正文和结论。
在引言部分,将对液压缸公差配合的概念和意义进行介绍,以及本文的目的和结构进行阐述。
在正文部分,将介绍液压缸的工作原理和公差配合的概念与意义,讨论两者之间的关系以及对液压缸性能的影响。
在结论部分,将总结公差配合对液压缸性能的影响,提出优化公差配合的方法和应用,以期对液压缸设计和生产提供参考。
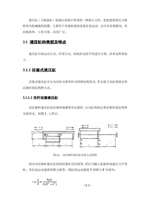
液压缸(又称油缸)是液压系统中常用的一种执行元件,是把液体的压力能转变为机械能的装置,主要用于实现机构的直线往复运动,也可以实现摆动,其结构简单,工作可靠,应用广泛。
3.1 液压缸的类型及特点液压缸可按运动方式、作用方式、结构形式的不同进行分类,其常见种类如下。
3.1.1活塞式液压缸活塞式液压缸可分为双杆式和单杆式两种结构形式,其安装又有缸筒固定和活塞杆固定两种方式。
3.1.1.1双杆活塞液压缸双活塞杆液压缸的活塞两端都带有活塞杆,分为缸体固定和活塞杆固定两种安装形式,如图3.1所示。
图3.1 双活塞杆液压缸安装方式简图因为双活塞杆液压缸的两活塞杆直径相等,所以当输入流量和油液压力不变时,其往返运动速度和推力相等。
则缸的运动速度V 和推力F 分别为:)(422d D q A q v v -==πη (3.1)m p p d D F ηπ))((42122--= (3.2)式中: 1p 、2p --分别为缸的进、回油压力;v η、m η--分别为缸的容积效率和机械效率;D 、d--分别为活塞直径和活塞杆直径;q--输入流量;A--活塞有效工作面积。
这种液压缸常用于要求往返运动速度相同的场合。
3.1.1.2单活塞杆液压缸单活塞杆液压缸的活塞仅一端带有活塞杆,活塞双向运动可以获得不同的速度和输出力,其简图及油路连接方式如图3.2所示。
(1)当无杆腔进油时[图3.2(a )],活塞的运动速度1v 和推力1F 分别为v v D q A q v ηπη2114==(3.3)m m p d D p D A p A p F ηπη])([4)(2221222111--=-= (3.4)(2)当有杆腔进油时[图3.2(b)],活塞的运动速度2v 和推力2F 分别为v v d D q A q v ηπη)(42222-==(3.5)m m p D p d D A p A p F ηπη])[(4)(2212211222--=-= (3.6)式中符号意义同式(3.1)、式(3.2)。
液压缸结构特点
液压缸是利用液体压力来驱动柱塞或活塞实现运动的装置。
它的结构特点包括:
1. 主体结构:液压缸主要由缸体、缸盖、活塞、活塞杆以及密封元件等组成。
缸体和缸盖通常为钢制或铸铁制成,具有较高的强度和刚性。
2. 活塞和活塞杆:活塞是液压缸内部的移动部件,可以沿着缸内壁进行往复运动。
活塞杆连接在活塞上,通过活塞杆来传递力量。
3. 密封装置:液压缸具有多种密封装置,包括密封圈、密封带、密封垫等。
它们起到密封作用,防止液体泄漏,并减少摩擦。
4. 缸腔和油孔:液压缸内部分为两个缸腔,通过油孔和液道与液压系统相连。
当液体进入其中一个缸腔时,另一个缸腔的液体会被顶出,从而驱动活塞进行运动。
5. 隔板和支架:液压缸内部还有隔板和支架来支撑和固定活塞,保证其正常运动,并减少与其他部件的摩擦。
6. 其他辅助部件:液压缸还可能包括缓冲装置、吸油过滤器、排气装置等,以满足不同的工作要求和操作环境。
以上是液压缸的主要结构特点,不同类型和规格的液压缸在具体设计中可能会有一些差异。
液压缸结构及原理液压缸是一种将液体能量转化为机械能的装置,通常由液压缸筒体、活塞、活塞杆、密封件、液体进出口阀等组成。
液压缸工作时,液压油进入筒体内,使活塞杆产生线性运动。
液压缸的结构:1.液压缸筒体:通常由钢管制成,内外表面都有高精度的光洁度和硬度,以确保活塞在筒体内的运动平稳。
2.活塞:位于筒体内部的圆柱形零件,与筒体间形成密封腔。
活塞朝向其中一端推进,液压油将被压缩在活塞与筒体之间。
3.活塞杆:将活塞与外部机构连接在一起,由高强度材料制成。
活塞杆的一端与活塞连接,另一端可以连接机械装置。
4.密封件:位于活塞与筒体之间,起到密封液压油的作用。
常用的密封件有O形圈、V型密封圈等,能够有效防止液压油泄漏。
5.液体进出口阀:液压缸内部通过液体进出口阀进出液压油。
进口阀控制液压油进入液压缸腔体,出口阀控制液压油返回液压装置。
液压缸的工作原理:液压缸根据帕斯卡原理工作,即在闭合容器内的液体任何地方产生的压力,都会均匀传递给该容器的各个位置。
液压缸的工作原理可以简单描述为以下几个步骤:1.液体进入:当液压油被泵送进液压缸时,液压油通过进口阀进入液压缸筒体的密闭腔体中。
2.活塞运动:液压油的进入使得液压缸腔体内的液体压力增加,使活塞朝着液压油的方向移动。
3.机械能输出:活塞杆连同活塞一起向外运动,可以将机械能传递给外部装置。
4.液压油排出:当液压缸工作完成后,需要将液压油排出。
此时,进口阀关闭,出口阀打开,液压油通过出口阀流回液压装置。
液压缸的工作过程是一个封闭的循环。
通过控制液压油的进出口阀,可以实现液压缸的运动方向、速度和力的控制。
液压缸在工业上被广泛应用,用于起重机、铁路机车、工程机械等领域。
液压缸是一种常见的液压元件,主要用于将液压能转化为机械能,实现线性运动。
液压缸广泛应用于各种机械设备中,如工程机械、冶金设备、船舶、航空航天等领域。
液压缸的类型和作用有很多,下面将对其进行简述。
一、液压缸的类型活塞式液压缸:活塞式液压缸是一种常见的液压缸类型,其结构简单,可承受较大的工作压力。
活塞式液压缸分为单作用和双作用两种类型,单作用液压缸只能在一侧施加压力,而双作用液压缸可以在两侧施加压力。
柱塞式液压缸:柱塞式液压缸是一种结构紧凑、体积小的液压缸类型,适用于空间有限的场合。
柱塞式液压缸分为单柱塞和多柱塞两种类型,单柱塞液压缸只有一个柱塞,而多柱塞液压缸有多个柱塞。
旋转式液压缸:旋转式液压缸是一种可以实现旋转运动的液压缸类型,适用于需要旋转的场合。
旋转式液压缸分为单向旋转和双向旋转两种类型,单向旋转液压缸只能实现单向旋转,而双向旋转液压缸可以实现双向旋转。
摆动式液压缸:摆动式液压缸是一种可以实现摆动运动的液压缸类型,适用于需要摆动的场合。
摆动式液压缸分为单向摆动和双向摆动两种类型,单向摆动液压缸只能实现单向摆动,而双向摆动液压缸可以实现双向摆动。
二、液压缸的作用液压缸的主要作用是将液压能转化为机械能,实现线性运动。
液压缸广泛应用于各种机械设备中,如工程机械、冶金设备、船舶、航空航天等领域。
液压缸的作用主要包括以下几个方面:推拉物体:液压缸可以通过推拉杆或活塞将物体推拉到指定位置,实现物体的移动和定位。
提升物体:液压缸可以通过提升杆或活塞将物体提升到指定高度,实现物体的升降。
夹持物体:液压缸可以通过夹持器将物体夹持住,实现物体的固定和夹持。
旋转物体:旋转式液压缸可以实现物体的旋转运动,适用于需要旋转的场合。
摆动物体:摆动式液压缸可以实现物体的摆动运动,适用于需要摆动的场合。
总之,液压缸是一种常见的液压元件,主要用于将液压能转化为机械能,实现线性运动。
液压缸的类型和作用有很多,不同类型的液压缸适用于不同的场合,可以实现推拉、提升、夹持、旋转、摆动等不同的运动方式,广泛应用于各种机械设备中。
JBT10205液压缸技术概述摘要本文档概述了JBT液压缸的技术特点和应用场景。
通过探讨其结构、工作原理和性能参数,了解液压缸在工程领域中的重要作用和优势。
此外,本文还介绍了一些常见的液压缸应用案例,以帮助读者更好地理解和应用液压缸技术。
引言液压缸是一种常见的液压传动装置,其通过液体的压力转化为机械能,实现线性运动。
液压缸广泛应用于各种工程领域,如机械制造、汽车工业、冶金工业等。
JBT液压缸是一款具有高性能和可靠性的液压缸,适用于各种重载的工程应用。
技术特点JBT液压缸具有以下技术特点:1. 结构紧凑:该液压缸采用先进的结构设计,体积小巧,便于安装和布置。
2. 高承载能力:液压缸能够承受大的载荷,可适应各种重载工程应用。
3. 高精度:具备精密的位置控制和稳定的运动性能,可满足工程对精度要求较高的应用场景。
4. 高可靠性:采用优质的材料和先进的制造工艺,确保液压缸在恶劣环境下的可靠运行。
工作原理JBT液压缸的工作原理基于液体的压力传递和转换,通过增加或减小液体的压力来产生和控制线性运动。
液压缸的工作流程大致如下:1. 液体供给:液压缸接收来自液压系统的液体供给。
2. 液体压力传递:液体通过液压缸内部的管道和阀门传递到活塞两侧的工作腔。
3. 压力转换:液体的压力作用于活塞上,产生线性运动。
4. 负载承受:活塞的运动转化为推力,负载由液压缸承受。
应用案例JBT液压缸在各种工程领域中得到广泛应用,以下是一些常见应用案例:1. 冶金设备:液压缸用于控制冶金设备中的卷扬机、压力机等的线性运动。
2. 汽车工业:液压缸用于汽车挖掘机、起重机等重型车辆的起升和倾斜。
3. 机械制造:液压缸用于机床、模具等设备的定位和加工控制。
4. 建筑工程:液压缸用于大型起重设备和工程机械的运动控制。
结论JBT10205液压缸是一种高性能和可靠性的液压传动装置,具备紧凑的结构、高承载能力、高精度和高可靠性等技术特点。
它在各种工程应用中发挥重要作用,广泛应用于冶金、汽车工业、机械制造和建筑工程等领域。
液压缸工作原理范文液压缸是一种利用液体来产生机械运动的装置。
它由液压缸体、液压缸活塞和密封件等组成,通过液压系统便可实现机械运作。
液压缸工作原理是基于帕斯卡定律,即在一个封闭的液体中,施加在液体上的压力会均匀地传递到整个液体中,并且对任意两个闭合相邻平面上的作用力相等。
下面将从液压缸的工作原理、工作步骤及应用领域进行详细介绍。
液压缸的工作原理可以概括为以下几个步骤:1.油液流入:液压缸通过液压阀控制油液的流入。
当液压阀开启时,高压油液从液压泵流入液压缸,使液压缸内部充满了高压油液。
2.活塞运动:当油液进入液压缸后,沿着液压缸内壁向外施加作用力。
液压缸内部的活塞和活塞杆开始向前运动,完成机械运作任务。
液压缸内部的液压油承受压力,并因此通过作用于活塞上的力来达到机械工作。
3.油液排出:当液压缸完成工作任务后,液压阀关闭,液压油停止流动。
此时,液压缸内部的油液需要迅速排出,以便为下次工作做好准备。
液压缸的排油管道通常与液压阀连通,通过液压阀的控制,油液可以迅速排出液压缸,恢复正常工作状态。
液压缸作为一种常用的液压装置,在工程机械、冶金设备、矿山机械、航空航天等领域有广泛的应用。
在工程机械中,液压缸常被用于起重机械、挖掘机、装载机等设备上。
例如,在挖掘机中,液压缸负责挖斗和臂架的伸缩,通过控制液压缸的伸缩来实现挖掘和运输物料的功能。
在冶金设备中,液压缸常被应用于冲床、压力机等设备。
液压缸可以提供大容量的力量,来实现对金属材料的压制、锻造等工艺。
在矿山机械中,液压缸常被应用于输送机、矿车等设备。
液压缸可以帮助设备实现平稳、高效的运输过程,提高工作效率。
在航空航天领域,液压缸常被应用于飞机起落架、襟翼等设备上。
液压缸可以提供强大的推力和拉力,在飞机降落和起飞的过程中起到重要作用。
总之,液压缸工作原理基于帕斯卡定律,利用液体的传力性质,实现机械设备的运动。
液压缸应用广泛,用于各种工程和工业领域,可以实现大力量、高效率的机械操作。
液压缸的工作原理液压技术在各个领域中得到广泛应用,其中液压缸作为液压系统的核心部件,起着至关重要的作用。
本文将介绍液压缸的工作原理,以及其在实际应用中的一些特点和使用注意事项。
一、液压缸的基本结构液压缸是一种将液体能量转化为机械运动能量的装置,它主要由缸体、活塞、密封件和液压阀等组成。
1. 缸体:液压缸的外壳,通常由钢材或铝合金制成,具有足够的强度和刚度。
2. 活塞:液压缸中的移动部件,通常由铸铁或铝合金制成,其表面光洁度要求较高,以减少摩擦损失和泄漏。
3. 密封件:用于密封液压缸内外的介质,防止泄漏和外界的污染。
4. 液压阀:控制液体进出液压缸的装置,根据实际需求可以选择不同类型的阀门。
二、液压缸的工作原理基于液体的不可压缩性和容积不变原理。
一般来说,液压缸内的工作介质通常为油液,其主要原理如下:1. 工作介质的输送:在液压缸工作开始时,通过液压系统将液体经过液压阀流入液压缸的工作腔。
液体的输入使工作腔内产生一定的压力,从而推动活塞运动。
2. 活塞运动的产生:当液体经过液压阀进入液压缸的一个工作腔时,由于工作腔的体积减小,液体压力增大。
根据液体的不可压缩性,液体的压力作用在活塞上,推动活塞运动。
3. 力的放大与转移:液压缸中的活塞与机械装置相连接,当活塞受到液体的推动而运动时,活塞上的力通过连接杆或其他机械装置传递给被控制的工作对象。
4. 液体排出:当液压缸需要回程时,液压阀控制液体从液压缸流出,同时另一腔的液体经过液压阀进入液压缸,实现液压缸的往复运动。
三、液压缸的特点和应用液压缸作为一种高效、精准的执行元件,具有以下特点:1. 承载能力强:液压缸可承受较大的力矩和载荷,适用于需要高承载的工作环境。
2. 运动平稳:由于液体的不可压缩性,液压缸的运动平稳,无冲击和震动,能够满足对运动要求较高的工作场合。
3. 可靠性好:液压缸的密封性能好,且寿命长,能够在各种恶劣环境中可靠工作。
4. 可调性强:液压缸的推力和速度可通过调整液压系统中的压力和流量来调节,满足不同工况的需求。
三种液压缸的应用场合液压缸是一种常见的液压元件,它通过液体的压力来实现机械运动。
根据其结构和工作原理的不同,可以分为单作用液压缸、双作用液压缸和多级液压缸。
不同类型的液压缸在应用场合上也有所不同。
下面将分别介绍三种液压缸的应用场合。
一、单作用液压缸单作用液压缸只有一个油口,只能在一个方向上进行推力或拉力。
它们通常被应用于需要单向运动的场合,例如门和阀门的开关、升降机等。
1. 门和阀门的开关单作用液压缸可以通过推力或拉力来开启或关闭门和阀门。
例如,在火车站的月台上,可以看到许多自动门都是由单作用液压缸控制的。
当乘客靠近门时,传感器会检测到并触发电磁阀打开单向油口,使油从油箱流入气缸腔体,从而推动活塞使门打开。
2. 升降机升降机通常使用两个单作用液压缸来实现垂直运动。
当一个液压缸伸出,另一个液压缸则收回,从而使电梯舱体上升或下降。
由于单作用液压缸只能在一个方向上施加力,因此必须使用两个液压缸来实现双向运动。
二、双作用液压缸双作用液压缸有两个油口,可以在两个方向上进行推力或拉力。
它们通常被应用于需要双向运动的场合,例如挖掘机和铣床等。
1. 挖掘机挖掘机是使用最广泛的双作用液压缸之一。
它们通常被安装在挖掘机臂和斗中,通过推力和拉力来实现土方的挖掘和运输。
例如,在建筑工地上,可以看到许多大型挖掘机正在使用双作用液压缸进行土方工程。
2. 铣床铣床是一种机床,通常用于加工金属零件。
它们通常配备有多个双作用液压缸来实现不同的运动。
例如,在数控铣床中,可以看到多个双作用液压缸同时工作以实现精确的加工。
三、多级液压缸多级液压缸包含多个气缸和活塞,可以在多个方向上进行推力或拉力。
它们通常被应用于需要复杂运动的场合,例如船舶和飞机等。
1. 船舶船舶通常使用多级液压缸来控制舵轮的旋转。
由于船体需要在水中进行复杂的运动,因此必须使用多个气缸和活塞来实现精确的控制。
例如,在大型油轮中,可以看到许多多级液压缸在工作以实现精确的导航。
第四章 液压缸第一节 液压缸的分类和特点液压缸按结构特点的不同可分为活塞缸、柱塞缸和摆动缸三类。
按作用方式不同,可分为单作用式和双作用式两种。
1.活塞式液压缸 活塞式液压缸根据其使用要求不同可分为双杆式和单杆式两种。
(1)双杆式活塞缸。
活塞两端都有一根直径相等的活塞杆伸出的液压缸称为双杆式活塞缸,它一般由缸体、缸盖、活塞、活塞杆和密封件等零件构成。
根据安装方式不同可分为缸筒固定式和活塞杆固定式两种。
如图4-5(a)所示的为缸筒固定式的双杆活塞缸。
它的进、出口布置在缸筒两端,活塞通过活塞杆带动工作台移动,当活塞的有效行程为l 时,整个工作台的运动范围为3l ,所以机床占地面积大,一般适用于小型机床,当工作台行程要求较长时,可采用图4-5(b)所示的活塞杆固定的形式,这时,缸体与工作台相连,活塞杆通过支架固定在机床上,动力由缸体传出。
这种安装形式中,工作台的移动范围只等于液压缸有效行程l 的两倍(2l),因此占地面积小。
进出油口可以设置在固定不动的空心的活塞杆的两端,但必须使用软管连接。
由于双杆活塞缸两端的活塞杆直径通常是相等的,因此它左、右两腔的有效面积也相等,当分别向左、右腔输入相同压力和相同流量的油液时,液压缸左、右两个方向的推力和速度相等。
当活塞的直径为D ,活塞杆的直径为d ,液压缸进、出油腔的压力为p 1和p 2,输入流量为q 时,双杆活塞缸的推力F 和速度v 为:F=A(p 1-p 2)=π (D 2-d 2) (p 1-p 2) /4 (4-18)v=q/A=4q/π(D 2-d 2) (4-19)式中:A 为活塞的有效工作面积。
双杆活塞缸在工作时,设计成一个活塞杆是受拉的,而另一个活塞杆不受力,因此这种液压缸的活塞杆可以做得细些。
(2)单杆式活塞缸。
如图4-6所示,活塞只有一端带活塞杆,单杆液压缸也有缸体固定和活塞杆固定两种形式,但它们的工作台移动范围都是活塞有效行程的两倍。
图4-6单杆式活塞缸由于液压缸两腔的有效工作面积不等,因此它在两个方向上的输出推力和速度也不等,其值分别为:F 1=(p 1A 1-p 2A 2)=π[(p 1-p 2)D 2-p 2d 2]/4 (4-20)F 1=(p 1A 1-p 2A 2)=π[(p 1-p 2)D 2-p 2d 2 ]/4 (4-21)v 1=q/A 1=4q/πD 2 (4-22)v 2=q/A 2=4q/π(D 2-d 2) (4-23)由式(4-20)~式(4-23)可知,由于A 1>A 2,所以F 1>F 2,v 1<v 2。
液压油缸设计手册摘要:1.液压油缸的概述2.液压油缸的设计原理3.液压油缸的主要部件4.液压油缸的设计步骤5.液压油缸的安装与维护6.液压油缸在我国的应用与发展正文:液压油缸是一种将液压能转换为机械能的机械装置,广泛应用于工程机械、汽车、飞机等行业。
本文将详细介绍液压油缸的设计原理、主要部件、设计步骤以及安装与维护。
一、液压油缸的概述液压油缸是将液压能转换为机械能的执行元件,主要由缸体、活塞、密封件、导向套等部件组成。
根据结构形式,液压油缸可分为单杆式和双杆式两种。
二、液压油缸的设计原理液压油缸的工作原理是利用液体在封闭的管道内传递压力,通过活塞上的密封件产生压力差,从而推动活塞产生位移。
液压油缸的设计需要考虑负载、速度、行程、安装空间等因素。
三、液压油缸的主要部件1.缸体:液压油缸的主体部分,承受油压和机械负荷。
2.活塞:在液压油作用下产生位移的部件。
3.密封件:防止液压油泄漏的部件,包括活塞环、缸筒环等。
4.导向套:引导活塞运动,防止活塞与缸体发生摩擦的部件。
5.缓冲装置:吸收液压冲击,保护液压油缸和设备的部件。
四、液压油缸的设计步骤1.确定液压油缸的工作压力、行程、安装方式等参数。
2.选择合适的缸体材料和尺寸。
3.设计活塞及密封件,确定其材料和尺寸。
4.设计导向套,确定其材料和尺寸。
5.设计缓冲装置,确定其类型和参数。
6.根据安装和使用条件,进行强度计算和校核。
7.绘制液压油缸的总装图、零件图和材料清单。
五、液压油缸的安装与维护1.安装前,应对液压油缸进行清洗和检查,确保无损坏和杂质。
2.安装时,应保证各部件的安装位置准确,避免安装误差。
3.使用过程中,应定期检查液压油缸的运行状况,及时更换损坏的密封件和缓冲装置。
4.维护时,应根据使用条件和厂家要求,进行定期保养。
六、液压油缸在我国的应用与发展液压油缸在我国工程机械、汽车、飞机等行业得到了广泛应用,推动了我国相关产业的发展。
随着科技的进步,液压油缸将朝着轻量化、高效率、低噪音、长寿命等方向发展。
液压缸的分类
液压缸是利用液体压力将柱塞推动来完成直线往复运动的液压执行元件,主要由缸体、柱塞、活塞杆和密封件等组成。
根据不同的结构和应用场合,可以将液压缸分为以下几种分类:1.单作用液压缸:只有一个作用腔,只能进行单向顺序运动,常用于载荷自重或弹簧回位不需要大力的场合。
2.双作用液压缸:有两个作用腔,在两个腔内都可以施加压力,使液压缸在任意方向上完成工作,常用于需要有保压和回位力的工作。
3.直线液压缸:是一种比较常见的液压缸类型,适用于直线运动的场合,具有结构简单、易于维修、速度快等优点。
4.旋转液压缸:适用于需要旋转运动的场合,可以将液压能转换成旋转力矩,常用于自转、转动停车等场合。
5.摆动液压缸:适用于需要进行摆动运动的场合,可以将液压能转换成摆动力矩,常用于旋转物体调节角度等场合。
6.大型液压缸:如桥梁顶升液压缸、锅炉顶升液压缸、船闸启闭液压缸等,大型液压缸具有巨大的推动力和承载能力,常用于大型工程和重型机械设备的升降、开闭等工作场合。