现浇空心板梁桥计算书
- 格式:pdf
- 大小:235.36 KB
- 文档页数:19
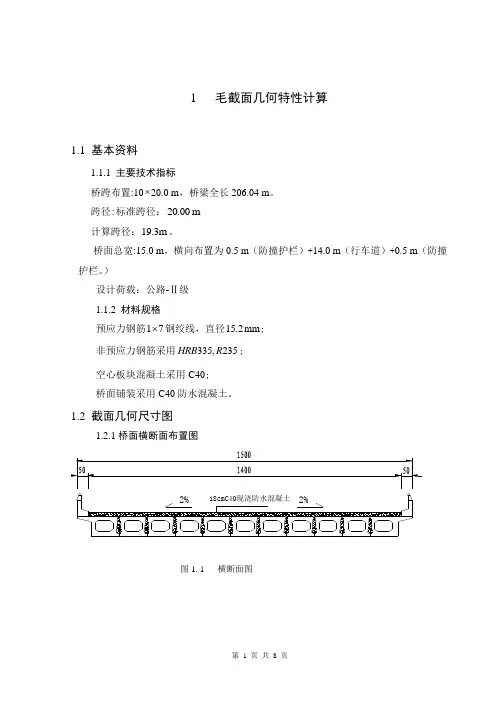
1 毛截面几何特性计算1.1基本资料1.1.1主要技术指标桥跨布置:10⨯20.0 m,桥梁全长206.04 m。
跨径:标准跨径:20.00 m计算跨径:19.3m。
桥面总宽:15.0 m,横向布置为0.5 m(防撞护栏)+14.0 m(行车道)+0.5 m(防撞护栏。
)设计荷载:公路-Ⅱ级1.1.2材料规格预应力钢筋17⨯钢绞线,直径15.2mm;非预应力钢筋采用335,235HRB R;空心板块混凝土采用C40;桥面铺装采用C40防水混凝土。
1.2截面几何尺寸图1.2.1桥面横断面布置图2%18cmC40现浇防水混凝土2%图1.1 横断面图1.2.2板块结构几何尺寸(a) 中板跨中截面(b) 中板支点截面(c) 边板跨中截面(d) 边板支点截面图1.2 截面几何尺寸图1.3毛截面几何特性计算本设计预制空心板的毛截面几何特性采用分块面积累加法计算,先按长和宽分别为板轮廓的长和宽的巨型计算,然后与图2.2中所示的挖空面积叠加,叠加时挖空部分按负面积计算,最后再用AutoCAD计算校核。
表1-1 毛截面几何特性计算结果2 内力计算及组合2.1永久作用效应计算2.1.1 空心板自重(第一阶段结构自重)1g1 g =A 07659025191475γ=⋅⨯=⋅ (kN/m)2.1.2 桥面系自重(第二阶段结构自重)2g桥面铺装采用等厚度的18cm 的C40混凝土,则全桥宽铺装每延米重力为:0.18152567.5⨯⨯=(kN/m)为计算方便近似按各板平均分担来考虑,则每块空心板分摊到的每延米桥面系重力为:267.5g =6.13611=(kN/m) 2.1.3 铰缝自重(第二阶段结构自重)3g因为铰缝自重可以近似看成C40混凝土来算,因此其自重为:3g = [(0.792350.7659)0.010.9]250.886(kN/m)-+⨯⨯=由此得空心板每延米总重力g 为:119.1475g g I ==(kN/m)(第一阶段结构自重)23 6.1360.8867.022g g g ∏=+=+=(kN/m)(第二阶段结构自重)19.14757.02226.1695g g g g I ∏=∑=+=+=(kN/m)由此可计算出简支空心板的恒载(自重效应),计算结果见表2-1。
8m钢筋混凝土空心板简支梁桥上部结构计算书7.1 设计基本资料1. 跨度和桥面宽度标准跨径:8m (墩中心距)计算跨径:7.6m桥面宽度:净7m (行车道)+2X1.5m (人行道)2 技术标准2设计荷载:公路-U级,人行道和栏杆自重线密度按照单侧8kN/m计算,人群荷载取3kN/m环境标准:1类环境设计安全等级:二级3 主要材料混凝土:混凝土空心板和铰接缝采用C40混凝土;桥面铺装采用0.04m沥青混凝土,下层为0.06m厚C30混凝土。
沥青混凝土重度按23kN/^计算,混凝土重度按25kN/m i计算。
钢筋:采用R235钢筋、HRB335钢筋2. 构造形式及截面尺寸本桥为c40钢筋混凝土简支板,由8块宽度为1.24m的空心板连接而成。
桥上横坡为双向2%,坡度由下部构造控制空心板截面参数:单块板高为0.4m,宽1.24m,板间留有1.14cm的缝隙用于灌注砂浆C40 混凝土空心板抗压强度标准值f ck 26.8Mpa ,抗压强度设计值f cd 18.4Mpa ,抗拉强度标准值f tk 2.4Mpa ,抗拉强度设计值f td 1.65Mpa ,c40混凝土的弹性模量为E C 3.25 104Mpa7.3空心板截面几何特性计算1•毛截面面积计算如图二所示A S 矩形-(S ] S2 S3S4 )21 2S ,5 5 12.5cm 2S 矩形 124 40 4960cm 252 (5 24.5) 5 147.5cm 2 1 2 53 - 24.5 2 24.5cm 2 32 54 14.5 715.75cm 22解得:A 3202.33cm 22毛截面重心位置全截面对1板高处(即离板上缘20cm 处)的静矩为2S 1板高 2S 2 L 2 S 3 L 3 S 4 L 41 5 3S , L 1 — 5 5 (5 —) 41.67 cm2 329 5 352 L 2 29.5 5 (20 ) 774.375cm21 1 353 L 3 - 2 24.5 ( )(20 10.5 - 24.5) 32.67cm2 3 1 254 L 4 — 7 4.5 ( )(20 6 4.5)代入得S1板高=1595.25cm32由于铰缝左右对称所以铰缝的面积为:2( S 1S 2 S 3 S 4 )S 1板高220.5cm)2=400.5 cm毛截面重心离板高的距离为:=1595.25=0.5 cm (即毛截面重心离板上缘距离为3202.33图2中板截面构造及尺寸(单位: cm )3毛截面惯性矩计算3124 4012124 40 0.52 3242642 2 212 0.5 2 18588.016 2 400.5 (3.983 0.5)铰缝对自身重心轴的惯性矩为:4I i 218588.016 37176.032cm4空心板毛截面对其重心轴的惯性矩为:5 4= 5.6011 10 cm空心板截面的抗扭刚度可简化为如图三所示的箱型截面近似计算所以得到抗扭刚度为:. 4b2h2I T2h 2bt1 t224 (124 16) (40 8)(40 8) 2(124 16)8 166 4=2.2221 10 cm图三抗扭惯性矩简化计算图(单位:cm)7.4主梁内力计算1永久作用效应计算a.空心板自重(一期结构自重)G2:G13202.33 10 425呂16 921G•---' ^=i ;——124=0.8005825kN/m b.桥面系自重(二期结构自重)G2:桥面设计人行道和栏杆自重线密度按照单侧8kN/m计算。
第Ⅰ部分上部结构I、设计资料一、设计标准及材料标准跨径:16m 计算跨径:15.56m桥面净宽: 9+2×0.5m 设计荷载:汽—20,挂—100 材料:预应力钢筋:Φ15.24(7Φ5.0)钢铰线,后张法施工。
非预应力钢筋:Ⅰ钢筋和Ⅱ级螺纹钢筋混凝土:空心板为R40号,空心板铰逢为R30号;桥面铺装为R 30号沥青砼;栏杆、人行道采用R30号砼;二、构造与尺寸50 900/2图1-1 桥梁横断面(尺寸单位:cm)三、设计依据与参考书《结构设计原理》叶见曙主编,人民交通出版社《桥梁计算示例集》(梁桥)易建国主编,人民交通出版社《桥梁工程》(1985)姚玲森主编,人民交通出版社《公路桥涵标准图》公路桥涵标准图编制组,人民交通出版社《公路桥涵设计规范(合订本)》(JTJ021-85)人民交通出版社《公路砖石及混凝土桥涵设计规范》(JTJ022-85)2II 、上部结构的设计过程一、毛截面面积计算(详见图1-2)A h =99×90-30×63-∏×31.52-(3×3+7×7+12×7) =4688.28cm 2 (一)毛截面重心位置全截面静距:对称部分抵消,除去下部3cm 后1/2板高静距 S=2[5×7/2(2/3×7+14.5+14)+3×8×(21+14.5+8/2)+2×8/2(14.5+21+8/3)]+99×3×(43.5+3/2) =3667.5+13365 =17032.5cm 3铰面积:A 铰=2×(1/2×7×5+1/2×2×8+3×8)=99cm 2 毛面积的重心及位置为:d h =17032.5/4688.28=3.63cm (向下)则重心距下边缘的距离为:14+18+14.5-3.63=42.87cm 距上边缘距离为:90-42.87=47.13cm 铰重心对除去下部3cm 后1/2板高的距离:d 铰=3667.5/99=37.05cm(二)毛截面对重心的惯距每个挖空半圆(图1-3)面积:A ′=1/2×∏×R 2=1/2×3.14×182=508.68cm2 重心:y=4R/(3×∏)=4×18/(3×3.14)=7.64cmO y O I I图1-3半圆对自身惯距:I=II-I-A′y2=3.14×184/8-508.68×7.642=41203.08-29691.45=11511.63cm4由此可得:Ih=99×903/12+99×90×3.632-2[36×293/12+36×29×3.632]-4×11511.63-2×508.68×[(7.64+29/2+3.63)2+(7.64+29/2―3.63)2]―2(1/12×83×3+1/36×2×83+1×5×73/36)-99×(37.05+3.63)2=.21cm4二、内力计算(一)、永久荷载(恒载)作用下1.桥面系安全带、栏杆:单侧为6.25kN/m桥面铺装:2×(0.06+0.15)/2×4.5×23=21.74 kN/mg1= (6.25×2+21.74)/10=3.43 kN/m2.铰和接缝:g2=(99+1×90)×10-4×24=0.45 kN/m3.行车道板:g3=4688.28×10-4×25=11.72 kN/m恒载总重力:g=g1+g2+g3=3.43+0.45+11.72=15.6kN/m恒载内力计算见表1-1。
20m空⼼板桥计算书xxxxxxxxxxxxxxxxxx跨河桥梁⼯程20m空⼼板桥计算书编制:复核:审核:2015年11⽉⽬录1 桥梁概况 (1)2 验算模型及参数 (1)2.1结构介绍 (1)2.2 计算⽅法 (1)2.3 计算采⽤规范 (1)2.4 计算采⽤标准 (2)2.5结构验算参数 (2)3 中梁设计状态下的结构验算 (5)3.1 正常使⽤极限状态应⼒验算 (5)3.2 正常使⽤极限状态挠度验算 (6)3.3 承载能⼒极限状态强度验算 (7)3.4 设计状态下结构验算结论 (7)4 边梁设计状态下的结构验算 (7)4.1 正常使⽤极限状态应⼒验算 (7)4.2 正常使⽤极限状态挠度验算 (8)4.3 承载能⼒极限状态强度验算 (9)4.4 设计状态下结构验算结论 (10)5、桥梁下部结构设计 (10)5.1、桥台盖梁计算 (10)5.2、桥台桩基计算 (10)1 桥梁概况本计算书使⽤上部结构部分为20m简⽀空⼼板梁,桥⾯宽度15m,其中机动车道宽10m。
2 验算模型及参数2.1结构介绍本计算书适⽤上部结构部分采⽤20m简⽀空⼼板梁预应⼒混凝⼟结构,由11⽚空⼼板组成。
标准横断⾯布置见图1。
图1 桥梁标准横断⾯图2.2 计算⽅法采⽤结构计算软件桥梁博⼠对上部结构进⾏分析计算,并以《公路桥涵设计通⽤规范》(JTG D60-2004)和《公路钢筋混凝⼟及预应⼒混凝⼟桥涵设计规范》(JTG D62-2004)为标准进⾏检算。
结构按部分预应⼒混凝⼟结构进⾏检算。
2.3 计算采⽤规范(1)部颁《城市桥梁设计规范》CJJ11-2011;(2)部颁《公路⼯程技术标准》JTG B01-2003;(3)部颁《公路桥涵设计通⽤规范》JTG D60-2004;(4)部颁《公路钢筋混凝⼟及预应⼒混凝⼟桥涵设计规范》JTG D62-2004;(5)部颁《公路桥涵地基与基础设计规范》JTG D63-2007;(6)部颁《公路桥涵钢结构及⽊结构设计规范》JTJ 025-86;(7)部颁《公路桥梁抗风设计规范》JTG/T D60-2004;(8)部颁《城市桥梁抗震设计规范》CJJ 166-2011;(9)部颁《公路桥涵施⼯技术规范》JTG/TF50-2011。
目录1.编制依据 (2)2.工程概况 (2)3.施工准备 (2)4.主要施工组织安排 (3)4.1 主要工程数量 (3)4.2 劳力组织 (3)4.3 机具设备组织 (4)4.4 工期安排 (4)5.主要施工方案 (5)5.1桩基础施工 (5)5.1.1 准备工作 (5)5.1.8 混凝土灌注 (9)5.1.9 桩基检测 (10)5.2 承台施工方案 (10)5.3桥台施工方案 (14)5.3.1 钢筋制作及安装 (14)5.3.2 模板制作及安装 (15)5.3.3 混凝土浇筑 (18)5.3.4 混凝土养护、拆模 (19)5.4 现浇空心板梁施工方案 (21)5.4.1 牛腿预埋 (21)5.4.2安装支架 (21)5.4.3底模与侧模模板安装 (22)5.4.4钢筋绑扎安装 (23)5.4.5内模模板安装 (24)5.6 附属工程 (25)5.6.1 基本情况 (25)5.6.2 施工方案及注意事项 (26)5.6.2.1 防撞护栏 (26)6. 质量保证措施 (27)6.1 质量目标 (27)6.2保证工程质量的制度保证措施 (27)6.3保证工程质量的技术保证措施 (28)6.4材料供应保证措施 (29)6.5分项工程质量保证措施 (29)7.安全保证措施 (30)7.1安全目标 (30)7.2组织机构 (30)7.3制定安全管理制度 (30)7.4安全保证措施 (31)8.环境保护措施 (32)9.文明施工保证措施 (33)10.附件 (35)XX、XX小桥施工方案1.编制依据XX至XX高速公路XX段两阶段施工图设计及相关设计文件;中华人民共和国交通部部颁行业标准《公路桥涵施工技术规范》(JTJ 041 - 2010);中华人民共和国交通部部颁行业标准《公路工程技术标准》(JTG B01 - 2003);《公路工程质量检验评定标准第一册土建工程》(JTG F80/1-2004);《公路工程施工安全技术规程》(JTJ 076-95);2.工程概况本标段内共两座小桥,分别为主线XX和改路XX两座小桥,桥位处地形平缓,地面标高约9.0m,均跨越钟屏环山河,跨径组合均为单跨13m,与线路斜交角度均为85度。
目录一、上部结构计算 (3)1.结构概述 (3)2.技术标准和设计参数 (3)2.1设计规范 (3)2.2设计参数 (4)3.主要材料 (7)3.1混凝土 (7)3.2预应力钢筋及波纹管 (7)3.3钢筋 (7)4.结构分析 (7)4.1计算方法概述 (7)4.2计算模型 (7)4.3主要计算结果 (7)4.3.1 1#边板 (7)4.3.2 3#中板 (14)4.3.3 8#中板 (20)二、下部结构计算 (28)1.桥墩盖梁计算 (28)(1)计算方法概述 (28)(2)验算结果表格 (28)2.桩基计算 (45)(1)计算方法概述 (45)(2)计算依据 (46)(3)桥台计算 (46)(4)桥墩计算 (47)三、抗震计算 (48)1.计算方法概述 (48)2.设计资料 (48)3.荷载组合说明 (52)4.验算结果表格 (53)一、上部结构计算1.结构概述本桥为3X20m后张法预应力混凝土简支空心板,采用预制吊装的施工方法。
两侧桥台处设置伸缩缝。
空心板梁高为0.95m,边板宽1.355m,中板宽1.24m,断面如下图所示:桥梁断面布置如下图所示:2.技术标准和设计参数2.1设计规范《公路工程技术标准》(JTG B01-2013)《公路桥涵设计通用规范》(JTG D60-2015)《公路钢筋混凝土及预应力混凝土桥涵设计规范》(JTG D62-2004)《城市桥梁设计规范》(CJJ11-2011)《公路工程抗震规范》(JTG B02-2013)《公路工程抗震设计细则》(JTG/T B02-01-2008)《城市桥梁抗震设计规范》(CJJ 166-2011)《公路桥涵地基与基础设计规范》(JTG D63-2007)《公路桥涵施工技术规范》(JTGTF50-2011)2.2设计参数横向分布系数计算计算方法: 刚接板梁法------------------------------------------------------------结构描述:主梁跨径: 20.000 m材料剪切模量/弯曲模量 = 0.430梁号梁宽弯惯矩扭惯矩左板宽左惯矩右板宽右惯矩连接1 1.355 0.068 0.116 0.115 0.000 0.000 0.000 铰接2 1.250 0.062 0.111 0.000 0.000 0.000 0.000 铰接3 1.250 0.062 0.111 0.000 0.000 0.000 0.000 铰接4 1.250 0.062 0.111 0.000 0.000 0.000 0.000 铰接5 1.250 0.062 0.111 0.000 0.000 0.000 0.000 铰接6 1.250 0.062 0.111 0.000 0.000 0.000 0.000 铰接7 1.250 0.062 0.111 0.000 0.000 0.000 0.000 铰接8 1.250 0.062 0.111 0.000 0.000 0.000 0.000 铰接9 1.250 0.062 0.111 0.000 0.000 0.000 0.000 铰接10 1.250 0.062 0.111 0.000 0.000 0.000 0.000 铰接11 1.250 0.062 0.111 0.000 0.000 0.000 0.000 铰接12 1.250 0.062 0.111 0.000 0.000 0.000 0.000 铰接13 1.250 0.062 0.111 0.000 0.000 0.000 0.000 铰接14 1.250 0.062 0.111 0.000 0.000 0.000 0.000 铰接15 1.250 0.062 0.111 0.000 0.000 0.000 0.000 铰接16 1.250 0.062 0.111 0.000 0.000 0.000 0.000 铰接17 1.250 0.062 0.111 0.000 0.000 0.000 0.000 铰接18 1.355 0.068 0.116 0.000 0.000 0.115 0.000 铰接------------------------------------------------------------桥面描述:人行道分隔带车行道中央分隔带车行道分隔带人行道3.656 0.000 7.704 0.000 0.000 7.704 0.000 3.656左车道数 = 2, 右车道数 = 2, 自动计入车道折减汽车等级: 城-B级人群集度: 3.900 KPa------------------------------------------------------------横向分布系数计算结果:梁号汽车挂车人群满人特载车列1 0.143 0.000 0.681 1.369 0.000 0.0002 0.137 0.000 0.585 1.247 0.000 0.0003 0.152 0.000 0.517 1.248 0.000 0.0004 0.167 0.000 0.434 1.248 0.000 0.0005 0.181 0.000 0.361 1.248 0.000 0.0006 0.187 0.000 0.308 1.249 0.000 0.0007 0.195 0.000 0.270 1.249 0.000 0.0008 0.197 0.000 0.245 1.249 0.000 0.0009 0.187 0.000 0.233 1.249 0.000 0.00010 0.187 0.000 0.233 1.249 0.000 0.00011 0.197 0.000 0.245 1.249 0.000 0.00012 0.195 0.000 0.270 1.249 0.000 0.00013 0.188 0.000 0.308 1.249 0.000 0.00014 0.181 0.000 0.361 1.248 0.000 0.00015 0.168 0.000 0.434 1.248 0.000 0.00016 0.152 0.000 0.517 1.248 0.000 0.00017 0.138 0.000 0.585 1.247 0.000 0.00018 0.143 0.000 0.681 1.369 0.000 0.000结构重要性系数:1.0一期恒载:结构自重由程序自动计算,混凝土主梁容重26KN/m3。
附件2:XX高速XX段XX标现浇空心板梁支架计算书XX集团有限公司XX高速XX段XX标项目部计算书一、底模板、分配梁计算腹板处分配梁跨度0.45m ,砼高度0.8m ;空箱处分配梁跨度1.1m ,砼高度0.4m ;各对这两处模板、分配梁进行计算。
1、腹板底模板、分配梁计算 (1)荷载计算模板、支架等自重:21/0.1m kN g =;腹板钢筋混凝土自重:22/8.20268.0m kN g =⨯=; 施工人员及施工机具运输或堆放的荷载:23/5.2m kN g =; 倾倒、振捣混凝土时产生的竖向荷载:24/0.2m kN g =;根据《路桥施工计算手册》,计算模板、支架等的荷载设计值,应采用标准荷载值乘以相应荷载分项系数,则设计荷载为:()()243210/06.334.125.22.1)8.200.1(4.12.1)(m kN g g g g g =⨯++⨯+=⨯++⨯+=(2)模板面板计算考虑到模板的连续性,在均布荷载下近似按《路桥施工计算手册》表8-13所列公式计算。
方木间距30cm ,则面板计算跨径L 为30cm ,模板计算截面取100cm ×1.8cm ,单位荷载q=33.06×1=33.06KN/m面板计算参数如下:(1)强度检算M=m KN qL ∙=⨯=30.0103.006.331022 Mpa W M 56.510541030.063=⨯⨯==--σ<13 Mpa 满足施工要求。
(2)挠度检算mm mm m EI qL f 5.172.01072.0106.481061283.006.3312838644<=⨯=⨯⨯⨯⨯⨯==-- 满足施工要求。
(3)分配梁计算分配梁采用10×5cm 方木计算,方木间距30cm ,跨度45cm ,则方木计算跨径L 为45cm 。
方木单位荷载为:m kN l g q /918.93.006.3320=⨯=⨯= 10cm ×5cm 方木计算参数如下:则按简支计算:弯曲强度: []MPa MPa W l q 1303.31083845.010918.986232=≤=⨯⨯⨯⨯==--允许σσ 抗剪强度:MPa MPa bhqlS V2][45.005.01.0245.010918.923=≤=⨯⨯⨯===-允许ττ抗弯刚度:mm mm m EI ql f 5.1400600127.01027.110417101038445.0918.95384548644=<=⨯=⨯⨯⨯⨯⨯⨯==-- 满足施工要求。
目录一、项目概况 (1)1.1 设计规范 (1)1.2 主要技术指标 (1)1.3 主要材料 (2)1.4 设计要点 (3)1.5 施工方法及注意事项 (5)二、研究内容 (6)三、主要计算依据 (6)四、纵向结构设计计算 (7)4.1结构分析有限元模型建立 (7)4.2结构有限元分析参数 (7)五、纵向结构计算结果 (8)5.1 结构极限承载能力验算表格 (8)5.2 裂缝宽度验算 (12)5.3 位移验算 (15)六、中横梁结构设计计算 (16)七、中横梁计算结果 (16)7.1 结构极限承载能力验算表格 (16)7.2 裂缝宽度验算 (17)一、项目概况本次项目湖南省资兴市东江湾三文鱼美食城,该项目桥梁工程的修建,将进一步完善三文鱼美食城附近的路网结构,方便该美食城车辆的进出,促进道路两厢的土地开发和土地增值。
拟建桥梁位于湾三文鱼美食城西侧,桥梁全长60.0m。
现场地主要为平整后施工场地,拟建桥位处沿线地势平坦,交通便利。
1.1设计规范1)、《工程建设标准强制性条文》2)、《城市桥梁设计准则》(GJT11-93)3)、《公路桥涵设计通用规范》(JTG D60-2004)4)、《公路钢筋混凝土及预应力混凝土桥涵设计规范》(JTG D62-2004)5)、《公路桥涵地基与基础设计规范》(JTG D63-2007)6)、《公路工程抗震设计规范》(JTG/T B02-01-2008)1.2 主要技术指标1)、设计荷载:公路-Ⅱ级2)、路线等级:城市支路3)、机动车设计速度:300km/h;4)、桥梁有效宽度(一幅桥): [0.5m(防撞栏杆)+4.5m(人行道)+7.0m(机动车道)+2.0m(人行道)+0.5m(防撞栏杆)]=14.5m。
5)、地震裂度:按基本烈度6度设防1.3 主要材料1)混凝土上部主梁、桥面板采用C40混凝土;下部桥墩、帽梁立柱采用C30混凝土;桩基等构件采用C25混凝土。
配制混凝土所采用的水泥、砂、石、水等材料及混凝土的配合比、拌制、运输和浇注应严格按照《公路桥涵施工技术规范》执行,并应符合规范所规定的质量检验及质量标准。
现浇空心板计算书一、工程概况本工程为某市一栋商住楼,总建筑面积为15000平方米,其中地下部分面积为3000平方米,地上部分面积为12000平方米。
该建筑采用现浇空心板结构,其中空心板的设计与施工是本工程的关键部分。
二、设计参数1. 跨度:本工程中,空心板的跨度为4.5米,宽度为1.5米,长度为6米。
2. 厚度:空心板的厚度为150毫米。
3. 材质:空心板采用C30混凝土,其抗压强度为30 MPa,抗拉强度为2.5 MPa。
4. 空心板内部填充物:采用轻质材料,如聚苯乙烯颗粒等。
三、计算原理1. 荷载分析:根据工程要求,空心板的荷载主要包括板自重、活荷载和静荷载。
其中,板自重为1.2×104 N/m2,活荷载为3.5×104 N/m2,静荷载为2.5×104 N/m2。
2. 内力分析:根据荷载分析结果,采用有限元分析方法对空心板进行内力分析,得出应力分布和位移情况。
3. 配筋计算:根据内力分析结果,对空心板进行配筋计算,确定钢筋的直径和间距。
四、计算结果1. 跨中挠度:经过计算,空心板的最大跨中挠度为25毫米,满足规范要求。
2. 裂缝宽度:经过计算,空心板的最大裂缝宽度为0.2毫米,满足规范要求。
3. 配筋情况:经过计算,空心板所需的钢筋直径为12毫米,间距为150毫米。
五、施工工艺1. 模板制作:根据设计要求,制作空心板的模板,要求模板的尺寸和形状与设计一致。
2. 钢筋铺设:将计算所需的钢筋按照设计要求铺设在模板上。
3. 混凝土浇筑:将轻质材料填充至模板中,然后浇筑混凝土,并振捣密实。
4. 养护:混凝土浇筑完成后应进行养护,保证其强度达到设计要求。
5. 拆模:待混凝土强度达到设计要求的75%后可以进行拆模。
6. 质量检测:对拆模后的空心板进行质量检测,包括外观、尺寸和强度等方面的检测。
六、结论与建议本工程中采用的现浇空心板结构在满足建筑使用功能的前提下,具有较好的经济性和施工便利性。
1 绪论1.1 概述1.1.1 简支梁桥概述由一根两端分别支撑在一个活动支座和一个铰支座上的梁作为主要承重结构的梁桥。
属于静定结构。
是梁式桥中应用最早、使用最广泛的一种桥形。
其构造简单,架设方便,结构内力不受地基变形,温度改变的影响。
1.1.2 简支梁桥受力特点简支梁桥是静定结构,其各跨独立受力。
桥梁工程中广泛采用的简支梁桥有三种类型:1) 简支板桥。
简支板桥主要用于小跨度桥梁。
按其施工方式的不同分为整体式简支板桥和装配式简支板桥;装配式板桥是目前采用最广泛的板桥形式之一。
按其横截面形式主要分为实心板和空心板。
根据我国交通部颁布的装配式板桥标准图,通常每块预制板宽为1.0m,实心板的跨径范围为1.5-8.0m,主要采用钢筋混凝土材料;钢筋混凝土空心板的跨径范围为6—13m;而预应力混凝土空心板的跨径范围为8-16m。
2)肋梁式简支梁桥(简称简支梁桥)。
简支梁桥主要用于中等跨度的桥梁。
中小跨径在8-12m时,采用钢筋混凝土简支梁桥;跨径在20-50m时,多采用预应力混凝土简支梁桥。
在我国使用最多的简支梁桥的横截面形式是由多片T形梁组成的横截面。
3)箱形简支梁桥。
箱形简支梁桥主要用于预应力混凝土梁桥。
尤其适用于桥面较宽的预应力混凝土桥梁结构和跨度较大的斜交桥和弯桥。
1.1.3 预应力混凝土简支梁桥在我国的发展我国修建预应力混凝土连续体系梁桥最早在铁路部门,1966 年在成昆线用悬臂拼装法建成国内第一座预应力混凝土铰接连续梁桥――旧庄河桥,跨24m+48m+24m。
第一座预应力混凝土连续梁桥是1975 年建成的北京枢纽东北环线通惠河桥,跨度26.7m+40.7m+26.7m。
1979 年9 月建成兰州黄河桥(47m+3×70m+47m)为悬臂浇筑的分离式双室箱梁桥,进一步推动了预应力混凝土连续梁的修建和发展。
此后,相继建成湖北沙洋汉江公路桥,云南怒江桥,台州灵江桥等一大批特大跨公路连续梁桥。
2+一.概述处7米空心板桥计算书西边小河桥位于昆大线(黑林铺-黄土坡立交桥)段K2+545.118处,是沟通河东西两岸的重要通道,桥中线与河中轴线斜交角为67°24′15″,桥梁跨径8米,全桥斜交,正宽为52米,其中车行道宽29.5米,人行道2×2.75米,非机动车道宽2×3.5米,绿化带宽为2×5米;桥下梁底50厘米以下断面流量为14.5立方米/秒。
桥梁结构采用一跨简直梁,上部结构采用8米预制空心板,下部结构采用钢筋混凝土桩柱式桥台桩基础;桩基为钻孔灌注桩,桩径0.8米,柱间用浆砌块石挡墙挡土,河底用浆砌块石铺砌。
二.设计计算依据和技术标准1.设计计算依据(1)《城市道路设计规范》(CJJ37-90)(2)《公路桥涵设计通用规范》(JTG D60-2004)(3)《公路砖石及混凝土桥涵设计规范》(JTJ022-85)(4)《公路钢筋混凝土桥涵及预应力混凝土桥涵设计规范》(JTG D62-2004)(5)《公路桥涵地基与基础设计规范》(JTJ024-86)(6)《城市桥梁设计荷载标准》(CJJ77-98)(7)《工程地质勘察报告》2.设计荷载为:xxA级车辆荷载,人群:5KN/m2。
三.xx计算1.根据规范当高跨比l/h>5.0时按钢筋混凝土一般构件计算,所以盖梁等效计算图示为:集中力集中力桩基桩基盖梁计算简化图通过上部结构计算可知集中力P=35.575KN钢筋混凝土盖梁的正截面抗弯承载力应按下列规定计算:rcMd≤fsdAszz=(0.75+0.05l/h)(h0-0.5x)式中:Md——盖梁最大弯矩组合设计值;fsd——纵向普通钢筋抗拉强度设计值;As——受拉区普通钢筋截面面积;Z——内力臂;x——截面受压区高度;h0——截面有效高度。
2.盖梁计算结果集中力作用内力值(表一) 单元荷载位置剪力(tonf) 1集中力i 01集中力j 02集中力i3.562集中力j3.563集中力i7.123集中力j7.124集中力i10.684集中力j10.685集中力i -10.685集中力j -10.686集中力i -7.126集中力j - 7.127集中力i - 3.567集中力j - 3.568集中力i 0 8集中力j 0 9集中力i 3.569集中力j 3.5610集中力i 7.1210集中力j 7.1211集中力i 10.6811集中力j 10.6812集中力i -10.6812集中力j -10.6813集中力i -7.1213集中力j -7.1214集中力i -3.5614集中力j -3.5615集中力i 015集中力j 0弯矩(tonf*m) 4.824.824.822.422.42-2.39-2.39-9.6-9.6-2.39-2.39 2.422.424.824.824.822.422.42-2.39-2.39-9.6-9.6-2.39-2.39 2.422.424.824.824.82单元1122334荷载自重自重自重自重自重自重自重作用内力值(表二)位置剪力(tonf)弯矩(tonf*m)ij0.661.74 i0.661.74 j2.030.83 i2.030.83 j3.41-1 i3.41-1 4自重5自重5自重6自重6自重7自重7自重8自重9自重9自重10自重10自重11自重11自重12自重12自重13自重13自重14自重14自重15自重15自重单元荷载1组合1组合2组合2组合3组合4组合4组合5组合5组合j4.79i -4.82j -3.44i -3.44j -2.06i -2.06j -0.69i -0.69ji 0.69 j 2.06 i 2.06 j 3.44 i 3.44 j4.82i -4.79 j -3.41i -3.41 j - 2.032.03j -0.66i -0.66j 0位置剪力(tonf) i 0j0.66i4.22j5.59i9.15j10.53i14.0915.47i -15.5j -14.12-3.77-3.77-0.98-0.980.880.881.81.81.81.80.880.88-0.98-0.98-3.77-3.77 -1-10.830.831.741.741.85弯矩(tonf*m)6.676.566.563.253.25-3.39-3.39-13.37-13.37-3.37自重和集中力组合内力值(表三)6组合i -10.566组合j -9.187组合i -5.627组合j -4.258组合i -0.698组合j0.699组合i4.259组合j 5.6210组合i 9.1810组合j 10.5611组合i 14.1211组合j 15.512组合i - 15.4712组合j - 14.0913组合i - 10.5313组合j - 9.1514组合i - 5.5914组合j -4.2215组合i -0.6615组合j 03.墩顶截面承载力计算:墩顶钢筋面积Ag =8005.4mm2计算受压区高度xx=RgAg/Rabi =121.8mm计算正截面极限承载力Mu=1/r cRab’i x(ho-x/2)=1235.5KN.m>Mj=133.67KN.m又μ=Ag/bh1.1%>μmin=0.15%由此可知截面复核满足要求4.盖梁跨中截面承载力钢筋面积Ag =5542.2mm2计算受压区高度xx=RgAg/Rabi =84.3mm计算正截面极限承载力Mu=1/r cRab’i x(ho-x/2)=878.3KN.m>Mj=67.42 KN.m又μ=Ag/bh0.74%>μmin=0.15%-3.373.293.296.636.636.636.633.293.29-3.37-3.37-13.37-13.37-3.39-3.39 3.253.256.566.566.67由此可知截面复核满足要求四.桩基计算1.桩基承载力计算桩基承载力计算时考虑到桩基是由若干根基桩所组成,在设计计算桩基础时只需计算单根桩承载力即可;从而可以判断桩基的承载力。
现浇连续空心板施工方案一、编制依据1、《公路桥涵施工技术规范》 ( JTJ041-2000);2、五金手册饶勃主编3、《路桥施工计算手册》人民交通出版社4、《公路工程质量检验评定标准》 (JTGF80\1-2004)5、《公路建设项目环境影响评价规范》 (JTGB03-2006)6、《公路工程混凝土结构防腐蚀技术规范》( JTG\TB07-01-2006)7、《钢筋混凝土用热轧带肋钢筋》(GB1499-2007(2009 修改));8、《混凝土结构工程施工及验收规范》 (GB50204-2002)9、《砼质量控制标准》(GB50164-92);10、我单位的桥梁施工经验二、工程慨况xx 市xx 暨xx 至xx 快速通道改建工程起点位于xx 市xx 与xx 互通式立交的南端,终点止于xx 市xx ,是xx 市总体规划的重要组成部分,符合“近期xx 市向南扩展作为城市发展的主要方向”的规划,对促进xx 与xx 的快速发展,提升xx 市形象,都有十分重要的意义,路线整体上呈北-南走向,路线全长30.525km。
我项目部承建的标段起点里程位于XXxx 附近,终点里程位于XXxx 附近,在华阳故城附近偏离老路,穿xx ,经xx 变电所东,在xx 与XX 交叉,穿河南省大河筑路有限公司后,继续向南,在xx 南与老路衔接,全长8.6km。
主要工程内容包括:路基、路面、涵洞、小桥、人行天桥、防护等。
五里堡中桥位于XX ,桥梁现浇空心连续板采用半幅一次浇筑,半幅宽度为17.5m,底宽为15.5m,长度为39m,高度为0.7m,采用C40 砼,共为341.5m3,钢筋及预埋钢板总量为109915.4Kg。
本桥共分三跨,全部采用满堂支架法。
三、施工现场布置针对施工现场的具体特点,制定了相应的安全防护措施:在施工范围以外,设置警示牌,严禁非工作人员进入施工现场;场区内设置夜间照明灯,保证连续施工及安全出入的需要;周边用安全网维护,并设置警示牌,警示灯,确保安全。
蒙山县湄江沿岸棚户区改造(永安街道路及排水市政)工程永安路K0+137.432东江小桥1-10m普通钢筋混凝土简支空心板上部构造计算书计算:陈捷复核:梁志忠审核:邓明辉2018年7月一、桥梁概况桥位于蒙山县永安路K0+137.432处,永安路与东江路交叉路口,跨越一条小河,两岸地势平坦。
勘察期间为枯水季节,水深一般为0.3-0.5m,最深0.8m,河水流速1.8 m/s,水量不大,根据询问调查多年洪水最高水位约为标高146.9m。
新建1×10m现浇钢筋混凝土简支空心板梁桥,桥梁全长15m,桥宽17.768m,行车道宽13.268m。
桥梁平面在直线上,纵断面位于直线上。
上部结构:采用1×10m装配式普通钢筋混凝土简支空心板,参考2008年交通部桥梁上部结构通用图(10m跨径1米宽装配式钢筋混凝土简支空心板),将原板梁体混凝土由C30替换为C50,铰缝混凝土由C40替换为C50,钢筋HRB335替换为HRB400,钢筋R235替换为HPB300,纵向主筋及抗剪筋直径由Ф20替换为Ф28,腰筋直径由Ф10替换为Ф14,铰缝钢筋直径由Ф10替换为Ф14,桥面铺装连接筋直径由Ф10或Ф12替换为Ф14。
交角为90°,空心板梁高0.50m,空心板顶板宽1.0m,底板板宽1m,空心板悬臂长0.375m,每板有2个直径0.26m的圆孔,每板预制后吊装就位,板间铰缝连接。
本桥上部结构体系为简支体系,按普通钢筋混凝土构件设计,计算采用桥梁博士V3.6结构计算软件协助计算。
二、设计依据1. 《城市桥梁设计规范》(CJJ 11-2011)2. 《公路工程技术标准》(JTG B01-2014)3. 《公路桥涵设计通用规范》(JTG D60-2015)4. 《公路钢筋混凝土及预应力混凝土桥涵设计规范》(JTG D62-2004)5. 《公路桥梁抗震设计细则》(JTG/T B02-01--2008)6. 《混凝土结构设计规范》(2015年版) (GB 50010-2010)7. 《公路桥涵施工技术规范》(JTG/T F50-2011)三、设计基本资料(一)跨度和桥面宽度标准跨径:10m(墩中心距)计算跨径:9.6m桥面宽度:0.5m(左防撞墙)+净6.634×2m(行车道)+3.5 m(右人行道)+0.5m(右栏杆)=17.768m(二)技术标准设计荷载:城-A级,栏杆自重线密度按照单侧8kN/m计算,人群荷载取5KPa。
箱梁模板计算书一、主要技术参数1、Q235的弹性模量:E=2.1×105Mpa;2、Q235的抗弯强度:[σ]=145Mpa;3、Q235的抗剪强度:[σ]=85Mpa;二、荷载安全系数1、砼的超方系数:1.05;2、砼的浇筑冲击系数:1.2。
三、内模计算1、侧压力计算新浇砼对模板侧面的压力按下式计算(《路桥施工计算手册》P173):P m=k·γ·h当v/T>0.035时: h=1.53+3.8v/T当v/T∠0.035时: h=0.22+24.9v/T式中: P m——新浇筑砼对侧面模板的最大压力,kPa;h——有效压头高度,m;T——砼入模时的温度,℃;K——外加剂影响修正系数,不加时,K=1;掺缓凝外加剂时,K=1.2;v——砼的浇筑速度,m/h;γ——砼的容重,kN/m3。
空心梁按3小时浇筑完成计算速度:v=1.55÷3=0.52m/h;砼入模时的温度:T=20℃。
则,v/T=0.52÷20=0.026∠0.035h=0.22+24.9v/Th=0.22+24.9×0.026=0.87m故,P m=k·γ·h=1.2×25×0.87=26.1kPa。
根据《路桥施工计算手册》表8-1,倾倒砼产生的冲击荷载取:P冲=2.0kPa;根据《路桥施工计算手册》表8-2,振捣砼对侧面模板的压力取:P压=4.0kPa。
侧面模板的总压力:P=26.1+2+4=30.1kPa。
2、面板计算(1)面板内模面板采用3mm厚钢板;横肋采用63×6mm角钢,布置间距为30cm;纵肋采用60mm×8mm钢带,布置间距为30cm。
选用板区格中三面固结、一面简支的最不利受力情况进行计算。
lx/ly=1.0,查《路桥施工计算手册》附表2-18得:Km x0=-0.0600, Km y0=-0.0550, Km x=0.0277, Km y=0.0168, K f=0.0016。
8m钢筋混凝土空心板简支梁桥上部结构计算书完整版8m 钢筋混凝土空心板简支梁桥上部结构计算书7.1设计基本资料 1.跨度和桥面宽度标准跨径:8m (墩中心距) 计算跨径:7.6m桥面宽度:净7m (行车道)+2×1.5m (人行道)2技术标准设计荷载:公路-Ⅱ级,人行道和栏杆自重线密度按照单侧8kN/m 计算,人群荷载取3kN/m 2环境标准:Ⅰ类环境 设计安全等级:二级3主要材料混凝土:混凝土空心板和铰接缝采用C40混凝土;桥面铺装采用0.04m 沥青混凝土,下层为0.06m 厚C30混凝土。
沥青混凝土重度按23kN/m 3计算,混凝土重度按25kN/m 3计算。
钢筋:采用R235钢筋、HRB335钢筋2.构造形式及截面尺寸本桥为c40钢筋混凝土简支板,由8块宽度为1.24m 的空心板连接而成。
桥上横坡为双向2%,坡度由下部构造控制空心板截面参数:单块板高为0.4m ,宽1.24m ,板间留有1.14cm 的缝隙用于灌注砂浆C40混凝土空心板抗压强度标准值Mpa f ck 8.26=,抗压强度设计值Mpa f cd 4.18=,抗拉强度标准值Mpa f tk 4.2=,抗拉强度设计值Mpa f td 65.1=,c40混凝土的弹性模量为Mpa E C 41025.3⨯=图1 桥梁横断面构造及尺寸图式(单位:cm )7.3空心板截面几何特性计算1.毛截面面积计算如图二所示2)-4321⨯+++=S S S S S A (矩形215.125521cm S =⨯⨯=2cm 496040124=⨯=矩形S 225.1475)5.245(cm S =⨯+= 235.2425.2421cm S =⨯⨯=2475.1575.421cm S =⨯⨯=解得:233.3202cm A =图2 中板截面构造及尺寸(单位:cm)2毛截面重心位置全截面对21板高处(即离板上缘20cm 处)的静矩为 []44332211212L S L S L S L S S ⨯+⨯+⨯+⨯⨯=板高31167.41)355(5521cm L S =-⨯⨯⨯=⨯322375.774)25.2920(55.29cm L S =-⨯⨯=⨯33367.32)5.24315.1020)((5.24221cm L S -=⨯---⨯⨯⨯=⨯34425.173)5.432620)((5.4721cm L S -=⨯---⨯⨯⨯=⨯代入得板高21S =1595.253cm 由于铰缝左右对称所以铰缝的面积为:)24321S S S S A +++⨯=(铰=400.52cm毛截面重心离板高的距离为:AS d 板高21==33.320225.1595=0.5cm (即毛截面重心离板上缘距离为20.5cm)3毛截面惯性矩计算铰缝对自身重心轴的惯性矩为:41032.37176016.185882cm I =⨯=空心板毛截面对其重心轴的惯性矩为:⎥⎦⎤⎢⎣⎡+⨯⨯-⨯-⎪⎪⎭⎫ ⎝⎛⨯⨯∏+⨯∏⨯-⨯⨯+⨯=222223)5.0983.3(5.4002016.1858825.012642435.0401241240124I =45106011.5cm ⨯空心板截面的抗扭刚度可简化为如图三所示的箱型截面近似计算所以得到抗扭刚度为:2122224t b t h h b I T +=16)16124(28)840(2)840()16124(42-⨯+-⨯-⨯-⨯==46102221.2cm ⨯图三 抗扭惯性矩简化计算图(单位:cm)7.4主梁内力计算1永久作用效应计算a.空心板自重(一期结构自重)2G :251033.320241⨯⨯=-G=0.8005825kN/mb.桥面系自重(二期结构自重)2G :桥面设计人行道和栏杆自重线密度按照单侧8kN/m 计算。
桥梁设计书一、设计资料1、桥面净宽:净21.0+2×4.5m人行道2、设计荷载:汽车——20,挂车——1003、人群荷载:3KN/m4、标准跨径:16.00m5、计算跨径:15.50m6、材料钢筋:主钢筋采用Ⅱ级钢筋,其它采用Ⅰ级钢筋;混凝土:主梁采用30#混凝土,桥面铺装采用30#防水混凝土,盖梁采用25#混凝土,其他采用20#混凝土。
二、设计依据1、《桥梁工程》(1985)姚玲森主编。
2、《公路桥涵设计通用规范》(JTJ021-89),简称“桥规”;3、《公路钢筋混凝土及预应力混凝土桥涵设计规范》(JTJ023-85),简称“公预规”;4、《公路工程技术标准》(JTJ001-97);5、《城市桥梁设计准则》CJJ11-93;6、《城市桥梁、隧道设计准则》送审稿(1984.8);三、上部结构设计(一)构造型式与尺寸拟定根据设计资料,上部结构拟采用2×16米钢筋砼空心板。
桥面标高74.34m,桥上纵坡-0.3%。
尺寸拟定如图1、2。
(二)内力计算1、恒载计算图2 截面构造及尺寸 尺寸单位:cm⑴计算单块板重:板截面面积A=124×55-2π×19.52-2(2105+×5+285+×36+21×8×8) =3823.821cm 2截面的惯距h I :=×+×+×+×+⋅×−×=)3636336883655123656439(21255124333343πh I 1445511.2cm 4则得空心板重:=1g 3823.821×10-4×25=9.5596KN/m (2)桥面系人行道、栏杆:参照其他桥梁取用,单侧为12.5KN/m桥面铺装(沥青混凝土厚0.02m ,混凝土垫层0.09m ): =××+×235.10209.002.0226.57KN/m将以上重力均摊给24块板,得 =2g (12.5×2+26.57)/24=2.15KN/m恒载总重力:=+=21g g g 9.5596+2.15=11.7096KN/m 恒载内力计算见表1。
先张法预应力混凝土简支空心板设计一、设计资料(一)设计荷载本桥设计荷载等级确定为汽车荷载(公路—I级),人群荷载为3.5KN/m2(二)桥面跨径及净宽标准跨径:L k=20m计算跨径:L=19.50 m桥面净宽:净—9.0+2×0.75m主梁全长:19.96m。
(三)主要材料1.混凝土采用C50混凝土浇注预制主梁,栏杆和人行道板采用C30混凝土,C30防水混凝土和沥青混凝土磨耗层;铰缝采用C40混凝土浇注,封锚混凝土也使用C40;桥面连续采用C30混凝土。
2.钢筋普通钢筋主要采用HRB335钢筋,预应力钢筋为钢绞线。
3.板式橡胶支座采用三元乙丙橡胶,采用耐寒型,尺寸根据计算确定。
(四)施工工艺先张法施工,预应力钢绞线采用两端同时对称张拉。
(五)计算方法及理论极限状态法设计。
(六)设计依据《公路桥涵设计通用规范》(JTG D60-2004),以下简称《通用规范》。
《公路钢筋混凝土及预应力混凝土桥涵设计规范》(JTG D60-2004)。
二、构造布置及尺寸(一)桥梁横断面空心板的横断面具体尺寸见图1。
三、板的毛截面几何特性计算本设计预制空心板的毛截面几何特性采用分块面积累加法计算,先按长和宽分别为板轮廓的长和宽的巨型计算,然后与图2中所示的挖空面积叠加,叠加时挖空部分按负面积计算,最后再用AutoCAD 计算校核,计算成果以中板为例,如表1。
预制中板的截面几何特性挖空部分以后得到的截面,其几何特性用下列公式计算: 毛截面面积: ∑∑-=ki i c A A A对截面上缘面积矩: ())(ki ki i i c y A y A S ∑∑-= 重心至截面上缘的距离: ccs A S y =毛截面对自身重心轴的惯性矩:∑∑-=ki i c I I I四、主梁内力计算(一)永久荷载(恒载)产生的内力 1.预制空心板自重1g (一期恒载)中板: 069.121057.48272541=⨯⨯=-g KN/m 2.板间接头(二期恒载)21g中板: 8844.210)57.482757.6012(24421=⨯-⨯=-g KN/m 3.桥面系自重(二期恒载)(1) 单侧人行道8cm 方砖: 104.1236.008.0=⨯⨯KN/m 5cm 沙垫层: 0.05×0.6×20=0.600 KN/m 路缘石: 26.12435.015.0=⨯⨯KN/m 17cm 二灰土: 938.1196.017.0=⨯⨯KN/m10cm 现浇混凝土: 620.12415.005.0246.01.0=⨯⨯+⨯⨯KN/m人行道总重: 522.6620.1938.126.1600.0104.1=++++KN/m 取6.5KN/m 。
目录一、项目概况 (1)1.1 设计规范 (1)1.2 主要技术指标 (1)1.3 主要材料 (2)1.4 设计要点 (3)1.5 施工方法及注意事项 (5)二、研究内容 (6)三、主要计算依据 (6)四、纵向结构设计计算 (7)4.1结构分析有限元模型建立 (7)4.2结构有限元分析参数 (7)五、纵向结构计算结果 (8)5.1 结构极限承载能力验算表格 (8)5.2 裂缝宽度验算 (12)5.3 位移验算 (15)六、中横梁结构设计计算 (16)七、中横梁计算结果 (16)7.1 结构极限承载能力验算表格 (16)7.2 裂缝宽度验算 (17)一、项目概况本次项目湖南省资兴市东江湾三文鱼美食城,该项目桥梁工程的修建,将进一步完善三文鱼美食城附近的路网结构,方便该美食城车辆的进出,促进道路两厢的土地开发和土地增值。
拟建桥梁位于湾三文鱼美食城西侧,桥梁全长60.0m。
现场地主要为平整后施工场地,拟建桥位处沿线地势平坦,交通便利。
1.1设计规范1)、《工程建设标准强制性条文》2)、《城市桥梁设计准则》(GJT11-93)3)、《公路桥涵设计通用规范》(JTG D60-2004)4)、《公路钢筋混凝土及预应力混凝土桥涵设计规范》(JTG D62-2004)5)、《公路桥涵地基与基础设计规范》(JTG D63-2007)6)、《公路工程抗震设计规范》(JTG/T B02-01-2008)1.2 主要技术指标1)、设计荷载:公路-Ⅱ级2)、路线等级:城市支路3)、机动车设计速度:300km/h;4)、桥梁有效宽度(一幅桥): [0.5m(防撞栏杆)+4.5m(人行道)+7.0m(机动车道)+2.0m(人行道)+0.5m(防撞栏杆)]=14.5m。
5)、地震裂度:按基本烈度6度设防1.3 主要材料1)混凝土上部主梁、桥面板采用C40混凝土;下部桥墩、帽梁立柱采用C30混凝土;桩基等构件采用C25混凝土。
配制混凝土所采用的水泥、砂、石、水等材料及混凝土的配合比、拌制、运输和浇注应严格按照《公路桥涵施工技术规范》执行,并应符合规范所规定的质量检验及质量标准。
为使混凝土外观色泽保持一致,要求采用同厂家同种品种水泥。
2)普通钢筋普通钢筋必须符合。
“GB 1499-1999”和“GB 13013-1991”,标准的规定,其中:钢筋直径D≥12 mm全部采用HRB335钢筋,抗拉强度标准值fsk=335Mpa;钢筋直径D<12mm全部采用R235钢筋,抗拉强度标准值fsk=235Mpa。
3)钢材均采用Q235钢,技术标准必须符合《普通碳素结构钢技术条件》(GB/T700-1988)的规定,选用的焊接材料应符合《碳钢焊条》(GB/T5117-1995)及《低合金钢焊条)(GB/T5118-1995)的要求,并与所采用的钢材材质和强度相适用,达到与母材等强度的要求。
4)伸缩缝全桥共采用设2道80型钢伸缩缝。
5)桥面排水设置桥面排水系统将雨水接入路面排水系统。
6)其他本桥所有材料质量的要求应符合《公路桥梁施工技术规范》JTJ041-2001〕的有关规定并符合相应的国家标准。
本桥所有材料及标准件产品均应采用通过国家级或部级鉴定的产品,并应按国标部标要求进行抽样检验。
1.4 设计要点本桥桥长60m,桥梁跨径组成为:5×12m =60米,全桥桥长60米,加上桥头搭板总长70米。
连续板梁桥型立面布置图连续板梁桥型断面布置图1)上部结构设计上部孔径采用5×12m =60米四跨钢筋砼变截面连续板桥,桥梁全长60.0m。
采用跨中段厚75cm,支点段厚100cm的C40普通钢筋砼变截面连续空心板梁,采用GBF轻型管成孔。
桥面铺装层厚90mm,不设调平层。
本桥箱梁梁高系指箱梁中心处顶板顶面至底板底面的高度。
1.5%的桥面横坡由箱梁顶、底板旋转形成。
2)下部结构设计根据桥跨布置特点,桥墩布置力求简洁、美观,桥墩经过采用圆形桥墩,桥墩桩基采用D120cm桩基础。
桥台采用肋板式桥台,D100cm 桩基础。
对于桥台,填土应先台前、再台后,台前、台后填土均要求分层夯实,板梁架设前,台后填土不得太高,台背不得填土。
考虑到场地弱风化岩层埋置较深,基础均采用柱桩基础,嵌岩桩设计。
若桩基施工采用护壁,则要求采用与桩基同标号砼护壁,以保证桩体同桩侧土密贴。
所有桩孔达到设计标高后要求立即清孔,并一次浇注砼。
各墩基础具体尺寸见相应的一般构造图,由于场地地质复杂,所有基础开挖施工过程应绘制详细的岩土分层柱状图,并与勘查资料进行比对,如有明显差异应即使通知勘查、设计方,协调处理;到达设计标高后,应由勘查单位,监理单位及建设等各方验槽认可后方可浇砼。
1.5 施工方法及注意事项l上部结构采用满堂支架法现浇,支架由施工单位自行设计,其刚度、强度、稳定性和平整度等均应满足《公路桥涵施工技术规范》JTJ041-2000的要求。
搭设支架前时应注意河道内支架基础的处理,应采取相应措施,保证桥梁施工和施工通道的安全。
l板梁设计为一次连续全断面浇注,因故中断施工时,应浇注成垂直于板梁轴线的施工缝。
新老混凝土接缝表面必须凿毛并冲洗干净以便新老混凝土结合。
l空心板梁采用GBF管成孔,必须严格按厂家的要求做好管体的定位及固定,以防管体上浮。
同时必须切实加强管下混凝土的振捣,保证GBF管下混凝土的密实度达到设计要求。
l每阶段均要进行施工观测,严格控制板梁的外形尺寸及桥面标高。
l每一道施工工序,均应注意预埋下一道工序所需的预埋件。
l支座安装:支座安装前应检查支座尺寸、型号是否与设计一致;安装时注意导向支座的滑动方向是否与设计一致。
并应对支座全面检查,支座安装时支座的四角高差不得大于1mm。
l钢筋搭接及锚固长度按规范要求施作。
二、研究内容考虑到三文鱼桥工程为满堂支架施工钢筋砼连续板桥,对该桥进行计算分析,其内容如下:l平面结构设计计算n方法:采用桥梁博士3.0,进行全桥计算分析;n软件对桥梁的施工阶段、成桥状态等各种荷载进行分析;得到桥梁主梁结构在主要荷载组合工况下的承载能力包络图;n目的:1)计算确定主梁在正常使用及承载能力极限状态下是否满足规范要求;2)计算确定主梁裂缝宽度是否满足规范要求;三、主要计算依据l交通部部标准:《公路桥涵设计通用规范》(JTJ D60-2004)l交通部部标准:《公路钢筋混凝土及预应力混凝土桥涵设计规范》(JTJ D62-2004)l交通部部标准:《公路桥涵施工技术规范》JTJ041-2000四、纵向结构设计计算4.1结构分析有限元模型建立对三文鱼桥结构建立有限元模型,全桥共划分为72个单元,73个节点,全桥结构有限元模型见下图。
全桥结构有限元模型4.2结构有限元分析参数n二期恒载集度:60/kN mn人群荷载集度:3.5/kN m2n其他参数及荷载弹性模量:主梁为3.25E+4MPa;结构自重:钢结构材料容重取为7850kg/m3;混凝土材料容重取为2550kg/m3。
温度荷载:桥面升温按04规范(按竖向日照温差为100mm沥青混凝土铺装层的温度基数计算);全桥均匀升温:+20ºC;全桥均匀降温:-20ºC。
不均匀沉降:考虑支座沉降0.5cm,程序自动组合出最不利效应。
五、纵向结构计算结果5.1 结构极限承载能力验算表格梁单元单元号节点号内力属性Mj 极限抗力受力类型是否满足(KN.M) (KN.M)1 1 最大弯矩0 3.13E+04 下拉受弯是最小弯矩0 3.13E+04 下拉受弯是2 2 最大弯矩-32 -1.84E+04 上拉受弯是最小弯矩-347 -1.84E+04 上拉受弯是3 3 最大弯矩533 3.13E+04 下拉受弯是最小弯矩-163 -1.84E+04 上拉受弯是4 4 最大弯矩 2.74E+03 2.52E+04 下拉受弯是最小弯矩395 2.52E+04 下拉受弯是5 5 最大弯矩 4.46E+03 2.15E+04 下拉受弯是最小弯矩665 2.15E+04 下拉受弯是6 6 最大弯矩 5.85E+03 3.34E+04 下拉受弯是最小弯矩702 3.34E+04 下拉受弯是7 7 最大弯矩 6.77E+03 2.14E+04 下拉受弯是最小弯矩417 2.14E+04 下拉受弯是8 8 最大弯矩7.21E+03 2.14E+04 下拉受弯是最小弯矩-107 -9.87E+03 上拉受弯是9 9 最大弯矩7.25E+03 2.14E+04 下拉受弯是最小弯矩-535 -9.87E+03 上拉受弯是10 10 最大弯矩7.07E+03 2.14E+04 下拉受弯是最小弯矩-1.05E+03 -9.87E+03 上拉受弯是11 11 最大弯矩 6.52E+03 3.34E+04 下拉受弯是最小弯矩-2.10E+03 -1.84E+04 上拉受弯是12 12 最大弯矩 5.57E+03 2.15E+04 下拉受弯是最小弯矩-3.39E+03 -1.84E+04 上拉受弯是13 13 最大弯矩 4.47E+03 2.15E+04 下拉受弯是最小弯矩-5.10E+03 -1.84E+04 上拉受弯是14 14 最大弯矩 3.35E+03 2.52E+04 下拉受弯是最小弯矩-7.06E+03 -1.84E+04 上拉受弯是15 15 最大弯矩 2.06E+03 3.13E+04 下拉受弯是最小弯矩-9.47E+03 -1.84E+04 上拉受弯是16 16 最大弯矩 1.20E+03 3.13E+04 下拉受弯是最小弯矩-1.15E+04 -1.84E+04 上拉受弯是17 17 最大弯矩 1.87E+03 3.13E+04 下拉受弯是最小弯矩-9.79E+03 -1.84E+04 上拉受弯是18 18 最大弯矩 3.01E+03 2.52E+04 下拉受弯是最小弯矩-7.56E+03 -1.84E+04 上拉受弯是19 19 最大弯矩 3.93E+03 2.15E+04 下拉受弯是最小弯矩-5.79E+03 -1.84E+04 上拉受弯是20 20 最大弯矩 4.82E+03 3.34E+04 下拉受弯是最小弯矩-4.32E+03 -1.84E+04 上拉受弯是21 21 最大弯矩 5.44E+03 2.14E+04 下拉受弯是最小弯矩-3.21E+03 -9.87E+03 上拉受弯是22 22 最大弯矩 5.96E+03 2.14E+04 下拉受弯是最小弯矩-2.69E+03 -9.87E+03 上拉受弯是23 23 最大弯矩 6.10E+03 2.14E+04 下拉受弯是最小弯矩-2.54E+03 -9.87E+03 上拉受弯是24 24 最大弯矩 6.08E+03 2.14E+04 下拉受弯是最小弯矩-2.54E+03 -9.87E+03 上拉受弯是25 25 最大弯矩 5.87E+03 3.34E+04 下拉受弯是最小弯矩-2.97E+03 -1.84E+04 上拉受弯是26 26 最大弯矩 5.34E+03 2.15E+04 下拉受弯是最小弯矩-3.75E+03 -1.84E+04 上拉受弯是27 27 最大弯矩 4.56E+03 2.15E+04 下拉受弯是最小弯矩-4.99E+03 -1.84E+04 上拉受弯是28 28 最大弯矩 3.76E+03 2.52E+04 下拉受弯是最小弯矩-6.47E+03 -1.84E+04 上拉受弯是29 29 最大弯矩 2.77E+03 3.13E+04 下拉受弯是最小弯矩-8.40E+03 -1.84E+04 上拉受弯是30 30 最大弯矩 2.16E+03 3.13E+04 下拉受弯是最小弯矩-9.96E+03 -1.84E+04 上拉受弯是31 31 最大弯矩 2.80E+03 3.13E+04 下拉受弯是最小弯矩-8.28E+03 -1.84E+04 上拉受弯是32 32 最大弯矩 3.73E+03 2.52E+04 下拉受弯是最小弯矩-6.16E+03 -1.84E+04 上拉受弯是33 33 最大弯矩 4.51E+03 2.15E+04 下拉受弯是最小弯矩-4.48E+03 -1.84E+04 上拉受弯是34 34 最大弯矩 5.28E+03 3.34E+04 下拉受弯是最小弯矩-3.14E+03 -1.84E+04 上拉受弯是35 35 最大弯矩 5.88E+03 2.14E+04 下拉受弯是最小弯矩-2.27E+03 -9.87E+03 上拉受弯是36 36 最大弯矩 6.24E+03 2.14E+04 下拉受弯是最小弯矩-1.81E+03 -9.87E+03 上拉受弯是37 37 最大弯矩 6.32E+03 2.14E+04 下拉受弯是最小弯矩-1.71E+03 -9.87E+03 上拉受弯是38 38 最大弯矩 6.24E+03 2.14E+04 下拉受弯是最小弯矩-1.81E+03 -9.87E+03 上拉受弯是39 39 最大弯矩 5.88E+03 3.34E+04 下拉受弯是最小弯矩-2.27E+03 -1.84E+04 上拉受弯是40 40 最大弯矩 5.28E+03 2.15E+04 下拉受弯是最小弯矩-3.14E+03 -1.84E+04 上拉受弯是41 41 最大弯矩 4.51E+03 2.15E+04 下拉受弯是最小弯矩-4.48E+03 -1.84E+04 上拉受弯是42 42 最大弯矩 3.73E+03 2.52E+04 下拉受弯是最小弯矩-6.16E+03 -1.84E+04 上拉受弯是43 43 最大弯矩 2.80E+03 3.13E+04 下拉受弯是最小弯矩-8.29E+03 -1.84E+04 上拉受弯是44 44 最大弯矩 2.16E+03 3.13E+04 下拉受弯是最小弯矩-9.96E+03 -1.84E+04 上拉受弯是45 45 最大弯矩 2.77E+03 3.13E+04 下拉受弯是最小弯矩-8.40E+03 -1.84E+04 上拉受弯是46 46 最大弯矩 3.76E+03 2.52E+04 下拉受弯是最小弯矩-6.47E+03 -1.84E+04 上拉受弯是47 47 最大弯矩 4.56E+03 2.15E+04 下拉受弯是最小弯矩-4.99E+03 -1.84E+04 上拉受弯是48 48 最大弯矩 5.34E+03 3.34E+04 下拉受弯是最小弯矩-3.75E+03 -1.84E+04 上拉受弯是49 49 最大弯矩 5.87E+03 2.14E+04 下拉受弯是最小弯矩-2.97E+03 -9.87E+03 上拉受弯是50 50 最大弯矩 6.08E+03 2.14E+04 下拉受弯是最小弯矩-2.54E+03 -9.87E+03 上拉受弯是51 51 最大弯矩 6.10E+03 2.14E+04 下拉受弯是最小弯矩-2.54E+03 -9.87E+03 上拉受弯是52 52 最大弯矩 5.96E+03 2.14E+04 下拉受弯是最小弯矩-2.69E+03 -9.87E+03 上拉受弯是53 53 最大弯矩 5.44E+03 3.34E+04 下拉受弯是最小弯矩-3.21E+03 -1.84E+04 上拉受弯是54 54 最大弯矩 4.82E+03 2.15E+04 下拉受弯是最小弯矩-4.32E+03 -1.84E+04 上拉受弯是55 55 最大弯矩 3.93E+03 2.15E+04 下拉受弯是最小弯矩-5.79E+03 -1.84E+04 上拉受弯是56 56 最大弯矩 3.00E+03 2.52E+04 下拉受弯是最小弯矩-7.56E+03 -1.84E+04 上拉受弯是57 57 最大弯矩 1.87E+03 3.13E+04 下拉受弯是最小弯矩-9.79E+03 -1.84E+04 上拉受弯是58 58 最大弯矩 1.20E+03 3.13E+04 下拉受弯是最小弯矩-1.15E+04 -1.84E+04 上拉受弯是59 59 最大弯矩 2.06E+03 3.13E+04 下拉受弯是最小弯矩-9.47E+03 -1.84E+04 上拉受弯是60 60 最大弯矩 3.35E+03 2.52E+04 下拉受弯是最小弯矩-7.06E+03 -1.84E+04 上拉受弯是61 61 最大弯矩 4.49E+03 2.15E+04 下拉受弯是最小弯矩-5.10E+03 -1.84E+04 上拉受弯是62 62 最大弯矩 5.58E+03 3.34E+04 下拉受弯是最小弯矩-3.39E+03 -1.84E+04 上拉受弯是63 63 最大弯矩 6.52E+03 2.14E+04 下拉受弯是最小弯矩-2.10E+03 -9.87E+03 上拉受弯是64 64 最大弯矩7.07E+03 2.14E+04 下拉受弯是最小弯矩-1.05E+03 -9.87E+03 上拉受弯是65 65 最大弯矩7.25E+03 2.14E+04 下拉受弯是最小弯矩-535 -9.87E+03 上拉受弯是66 66 最大弯矩7.21E+03 2.14E+04 下拉受弯是最小弯矩-107 -9.87E+03 上拉受弯是67 67 最大弯矩 6.77E+03 3.34E+04 下拉受弯是最小弯矩418 3.34E+04 下拉受弯是68 68 最大弯矩 5.85E+03 2.15E+04 下拉受弯是最小弯矩702 2.15E+04 下拉受弯是69 69 最大弯矩 4.46E+03 2.15E+04 下拉受弯是最小弯矩676 2.15E+04 下拉受弯是70 70 最大弯矩 2.74E+03 2.52E+04 下拉受弯是最小弯矩408 2.52E+04 下拉受弯是71 71 最大弯矩533 3.13E+04 下拉受弯是最小弯矩-148 -1.84E+04 上拉受弯是72 72 最大弯矩-32 -1.84E+04 上拉受弯是最小弯矩-331 -1.84E+04 上拉受弯是由上表数据可得:承载能力极限状态基本组合下,主梁正截面强度验算均满足要求;5.2 裂缝宽度验算正常使用极限状态组合2裂缝宽度验算单元号节点号上缘下缘裂缝宽度容许值满足? 裂缝宽度容许值满足?1 1 0.00 0.2 是0.00 0.2 是0.00 0.2 是0.00 0.2 是2 2 0.00 0.2 是0.00 0.2 是0.00 0.2 是0.01 0.2 是3 3 0.00 0.2 是0.01 0.2 是0.00 0.2 是0.03 0.2 是4 4 0.00 0.2 是0.03 0.2 是0.00 0.2 是0.05 0.2 是5 5 0.00 0.2 是0.05 0.2 是0.00 0.2 是0.06 0.2 是6 6 0.00 0.2 是0.04 0.2 是0.00 0.2 是0.05 0.2 是7 7 0.00 0.2 是0.08 0.2 是0.02 0.2 是0.08 0.2 是8 8 0.02 0.2 是0.08 0.2 是0.04 0.2 是0.09 0.2 是9 9 0.04 0.2 是0.09 0.2 是0.06 0.2 是0.09 0.2 是10 10 0.06 0.2 是0.09 0.2 是0.10 0.2 是0.08 0.2 是11 11 0.04 0.2 是0.05 0.2 是0.06 0.2 是0.05 0.2 是12 12 0.06 0.2 是0.07 0.2 是0.09 0.2 是0.06 0.2 是13 13 0.09 0.2 是0.06 0.2 是0.16 0.2 是0.06 0.2 是14 14 0.16 0.2 是0.06 0.2 是0.21 0.2 否0.04 0.2 是15 15 0.21 0.2 否0.04 0.2 是0.24 0.2 否0.03 0.2 是16 16 0.24 0.2 否0.03 0.2 是0.21 0.2 否0.04 0.2 是17 17 0.21 0.2 否0.04 0.2 是0.16 0.2 是0.05 0.2 是18 18 0.16 0.2 是0.05 0.2 是0.09 0.2 是0.05 0.2 是19 19 0.09 0.2 是0.05 0.2 是0.06 0.2 是0.05 0.2 是20 20 0.06 0.2 是0.04 0.2 是0.05 0.2 是0.04 0.2 是21 21 0.11 0.2 是0.06 0.2 是0.10 0.2 是0.07 0.2 是22 22 0.10 0.2 是0.07 0.2 是0.10 0.2 是0.07 0.2 是23 23 0.10 0.2 是0.07 0.2 是0.10 0.2 是0.07 0.2 是24 24 0.10 0.2 是0.07 0.2 是0.12 0.2 是0.07 0.2 是25 25 0.05 0.2 是0.04 0.2 是0.07 0.2 是0.04 0.2 是26 26 0.07 0.2 是0.07 0.2 是0.09 0.2 是0.07 0.2 是27 27 0.09 0.2 是0.07 0.2 是0.16 0.2 是0.07 0.2 是28 28 0.16 0.2 是0.07 0.2 是0.20 0.2 是0.06 0.2 是29 29 0.20 0.2 是0.06 0.2 是0.23 0.2 否0.05 0.2 是30 30 0.23 0.2 否0.05 0.2 是0.19 0.2 是0.06 0.2 是31 31 0.19 0.2 是0.06 0.2 是0.15 0.2 是0.07 0.2 是32 32 0.15 0.2 是0.07 0.2 是0.08 0.2 是0.06 0.2 是33 33 0.08 0.2 是0.06 0.2 是0.06 0.2 是0.07 0.2 是34 34 0.06 0.2 是0.04 0.2 是0.04 0.2 是0.04 0.2 是35 35 0.09 0.2 是0.07 0.2 是0.07 0.2 是0.07 0.2 是36 36 0.07 0.2 是0.07 0.2 是0.07 0.2 是0.07 0.2 是37 37 0.07 0.2 是0.07 0.2 是0.07 0.2 是0.07 0.2 是38 38 0.07 0.2 是0.07 0.2 是0.09 0.2 是0.07 0.2 是39 39 0.04 0.2 是0.04 0.2 是0.06 0.2 是0.04 0.2 是40 40 0.06 0.2 是0.07 0.2 是0.08 0.2 是0.06 0.2 是41 41 0.08 0.2 是0.06 0.2 是0.15 0.2 是0.07 0.2 是42 42 0.15 0.2 是0.07 0.2 是0.19 0.2 是0.06 0.2 是43 43 0.19 0.2 是0.06 0.2 是0.23 0.2 否0.05 0.2 是44 44 0.23 0.2 否0.05 0.2 是0.20 0.2 是0.06 0.2 是45 45 0.20 0.2 是0.06 0.2 是0.16 0.2 是0.07 0.2 是46 46 0.16 0.2 是0.07 0.2 是0.09 0.2 是0.07 0.2 是47 47 0.09 0.2 是0.07 0.2 是0.07 0.2 是0.07 0.2 是48 48 0.07 0.2 是0.04 0.2 是0.05 0.2 是0.04 0.2 是49 49 0.12 0.2 是0.07 0.2 是0.10 0.2 是0.07 0.2 是50 50 0.10 0.2 是0.07 0.2 是0.10 0.2 是0.07 0.2 是51 51 0.10 0.2 是0.07 0.2 是0.10 0.2 是0.07 0.2 是52 52 0.10 0.2 是0.07 0.2 是0.11 0.2 是0.06 0.2 是53 53 0.05 0.2 是0.04 0.2 是0.06 0.2 是0.04 0.2 是54 54 0.06 0.2 是0.05 0.2 是0.09 0.2 是0.05 0.2 是55 55 0.09 0.2 是0.05 0.2 是0.16 0.2 是0.05 0.2 是56 56 0.16 0.2 是0.05 0.2 是0.21 0.2 否0.04 0.2 是57 57 0.21 0.2 否0.04 0.2 是0.24 0.2 否0.03 0.2 是58 58 0.24 0.2 否0.03 0.2 是0.21 0.2 否0.04 0.2 是59 59 0.21 0.2 否0.04 0.2 是0.16 0.2 是0.06 0.2 是60 60 0.16 0.2 是0.06 0.2 是0.09 0.2 是0.06 0.2 是61 61 0.09 0.2 是0.06 0.2 是0.06 0.2 是0.07 0.2 是62 62 0.06 0.2 是0.05 0.2 是0.04 0.2 是0.05 0.2 是63 63 0.10 0.2 是0.08 0.2 是0.06 0.2 是0.09 0.2 是64 64 0.06 0.2 是0.09 0.2 是0.04 0.2 是0.09 0.2 是65 65 0.04 0.2 是0.09 0.2 是0.02 0.2 是0.08 0.2 是66 66 0.02 0.2 是0.08 0.2 是0.00 0.2 是0.08 0.2 是67 67 0.00 0.2 是0.05 0.2 是0.00 0.2 是0.04 0.2 是68 68 0.00 0.2 是0.06 0.2 是0.00 0.2 是0.05 0.2 是69 69 0.00 0.2 是0.05 0.2 是0.00 0.2 是0.03 0.2 是70 70 0.00 0.2 是0.03 0.2 是0.00 0.2 是0.01 0.2 是71 71 0.00 0.2 是0.01 0.2 是0.00 0.2 是0.00 0.2 是72 72 0.00 0.2 是0.00 0.2 是0.00 0.2 是0.00 0.2 是成桥运营状态,除支点上缘由于是点支撑模拟支座产生应力集中使应力失真外,各组合荷载作用主梁截面裂缝验算均满足规范要求。