20m空心板计算书
- 格式:doc
- 大小:364.00 KB
- 文档页数:12
目录1 计算依据与基础资料 (1)1.1 标准及规范 (1)1.1.1 标准 (1)1.1.2 规范 (1)1.1.3 参考资料 (1)1.2 主要材料 (1)1.3 设计要点 (2)2 横断面布置 (2)3 汽车荷载横向分布系数、冲击系数的计算 (3)3.1 汽车荷载横向分布系数计算 (3)3.1.1 跨中横向分布系数 (3)3.1.3 车道折减系数 (4)3.2 汽车荷载冲击系数μ值计算 (4)3.2.1汽车荷载纵向整体冲击系数μ (4)3.2.2 汽车荷载的局部加载的冲击系数 (4)4 作用效应组合 (4)4.1 作用的标准值 (4)4.1.1 永久作用标准值 (5)4.1.2 汽车荷载效应标准值 (6)4.2 作用效应组合 (7)4.2.1 基本组合(用于结构承载能力极限状态设计) (8)4.2.2 作用短期效应组合(用于正常使用极限状态设计) (10)4.2.3 作用长期效应组合(用于正常使用极限状态设计) (11)4.3 截面预应力钢束估算及几何特性计算 (13)4.3.1 A类部分预应力混凝土受弯构件受拉区钢筋面积估算 (13)4.3.2 换算截面几何特性计算 (16)5 持久状态承载能力极限状态计算 (18)5.1 正截面抗弯承载能力 (18)5.2 斜截面抗剪承载力验算 (19)5.2.1 验算受弯构件抗剪截面尺寸是否需进行抗剪强度计算 (19)5.2.2 箍筋设置 (22)6 持久状况正常使用极限状态计算 (23)6.1 预应力钢束应力损失计算 (23)6.1.1 张拉控制应力 (24)6.1.2 各项预应力损失 (24)6.2 温度梯度截面上的应力计算 (29)6.3 抗裂验算 (32)6.3.1 正截面抗裂验算 (32)6.3.2 斜截面抗裂计算 (35)6.4 挠度验算 (38)6.4.1 汽车荷载引起的跨中挠度 (38)6.4.2 预制板是否设置预拱值的计算 (39)7 持久状态和短暂状况构件应力计算 (41)7.1 使用阶段正截面法向应力计算 (41)7.1.1 受压区混凝土的最大压应力 (41)7.1.2 受拉区预应力钢筋的最大拉应力 (41)7.2 使用阶段混凝土主压应力、主拉应力计算 (43)7.3 施工阶段应力验算 (46)8 桥面板配筋计算 (48)8.1 荷载标准值计算 (48)8.1.1 计算跨径 (48)8.1.2 跨中弯矩计算 (48)8.1.3 支点剪力 (49)8.2 极限状态承载力计算 (49)8.2.1 荷载效应组合计算 (49)8.2.2 正截面抗弯承载力 (49)8.2.3 斜截面抗剪承载力 (49)8.3 抗裂计算 (50)9 铰接板的混凝土铰缝剪力验算 (50)附录1:跨中截面横向分布系数计算 (50)预应力混凝土公路桥梁通用设计图成套技术通用图计算示例(20m预应力混凝土空心板)1 计算依据与基础资料1.1 标准及规范1.1.1 标准•跨径:桥梁标准跨径20m;计算跨径(正交、简支)19.3m;预制板长19.96m•设计荷载:公路-Ⅰ级•桥面宽度:(路基宽23m,高速公路),半幅桥全宽11.25m0.5m(护栏墙)+10.25m(行车道)+ 0.5m(护栏墙)=11.25m•桥梁安全等级为一级,环境条件Ⅱ类1.1.2 规范•《公路工程技术标准》JTG B01-2019•《公路桥梁设计通用规范》JTG D60-2019(简称《通规》)•《公路钢筋混凝土及预应力混凝土桥涵设计规范》JTG D62-2019(简称《预规》)1.1.3 参考资料•《公路桥涵设计手册》桥梁上册(人民交通出版社2019.3)•《公路桥梁荷载横向分布计算》(人民交通出版社1977.12)1.2 主要材料1)混凝土:预制板及铰缝为C50、现浇铺装层为C40、护栏为C302)预应力钢绞线:采用钢绞线15.2s φ,1860pk f Mpa =,51.9510p E Mpa =⨯3)普通钢筋:采用HRB335,335sk f Mpa =,52.0104S E Mpa =⨯ 1.3 设计要点1)本计算示例按先张法部分预应力混凝土A 类构件设计,桥面现浇层100mmC40混凝土中,考虑50mm 参与活载阶段的结构受力; 2)预应力张拉控制应力值0.68con pk f σ=,预应力张拉台座长假定为50m ,混凝土强度达到85%时才允许放张预应力钢筋;3)计算预应力损失时计入加热养护温度差20℃引起的预应力损失; 4)计算混凝土收缩、徐变引起的预应力损失时传力锚固龄期为7d; 5)环境平均相对湿度RH=70%; 6)存梁时间为90d 。
20m 后张法预应力混凝土空心板(边板)计算书12.5m 宽一、基本设计资料 (一) 设计依据:1、 《公路工程技术标准》JTG B01——20032、 《公路桥涵设计通用规范》JTG D60——20043、 《公路钢筋混凝土及预应力混凝土桥涵设计规范》JTG B01——2004 (二)计算跨径:L=19.26m 梁全长19.96m (三)设计荷载:公路I 级。
(四)结构重要性指数γ0=1.1 (五)材料规格:主要材料及参数 表-1(六)梁横截面尺寸(见构造图) 二、计算模型简述采用“桥梁博士<Dr.bridge>3.2版”程序计算。
应用“荷载横向分布”把空间计算问题合理地简化为平面问题进行计算,本梁纵向按平面杆系结构进行分析,共29个单元,30个节点。
共分四个施工阶段。
分析中的边界条件为:节点2限制2个线位移,节点29限制一个线位移考虑。
结构离散图三、荷载计算 1、 恒载1)一期恒载主要是梁体自重。
混凝土容重取26KN/m 3,按实际断面计取重量。
2)现浇层不参与结构受力,作为二期恒载输入。
3)防撞护栏、铰缝和沥青混凝土桥面铺装仅作为二期恒载施加,不参与构件受力,防撞墙荷载按边梁75%,中梁25%分配二期恒载(包括桥面铺装、铰缝和防撞墙)g=(8.195+6.381+3.095)×0.75+1.875×0.1×25=17.94kn/m 2、 活载汽车荷载采用公路I 级荷载,多车道加载时考虑横向折减(1)冲击系数 自振频率: ccm EI l f 212π=m l 26.19=;210/1045.3m N E ⨯=;40.0778m I c =;m kg g G m c / 369381.9/10)17.94260.7033(/3=⨯+⨯==3.6081=f211.00157.0ln 1767.01=-=f μ冲击系数1+μ=1.211 (2)横向分布系数支点位置按杠杆原理法计算汽车0.093=c m ,人群 1.304=c m ,4l至跨中按铰接板梁法计算汽车294.0=c m ,人群0.308=c m ,支点到4l处的区段内按直线形过渡。
先张法预应力混凝土简支空心板设计一、设计资料(一)设计荷载本桥设计荷载等级确定为汽车荷载(公路—I级),人群荷载为3.5KN/m2(二)桥面跨径及净宽标准跨径:L k=20m计算跨径:L=19.50 m桥面净宽:净—9.0+2×0.75m主梁全长:19.96m。
(三)主要材料1.混凝土采用C50混凝土浇注预制主梁,栏杆和人行道板采用C30混凝土,C30防水混凝土和沥青混凝土磨耗层;铰缝采用C40混凝土浇注,封锚混凝土也使用C40;桥面连续采用C30混凝土。
2.钢筋普通钢筋主要采用HRB335钢筋,预应力钢筋为钢绞线。
3.板式橡胶支座采用三元乙丙橡胶,采用耐寒型,尺寸根据计算确定。
(四)施工工艺先张法施工,预应力钢绞线采用两端同时对称张拉。
(五)计算方法及理论极限状态法设计。
(六)设计依据《公路桥涵设计通用规范》(JTG D60-2004),以下简称《通用规范》。
《公路钢筋混凝土及预应力混凝土桥涵设计规范》(JTG D60-2004)。
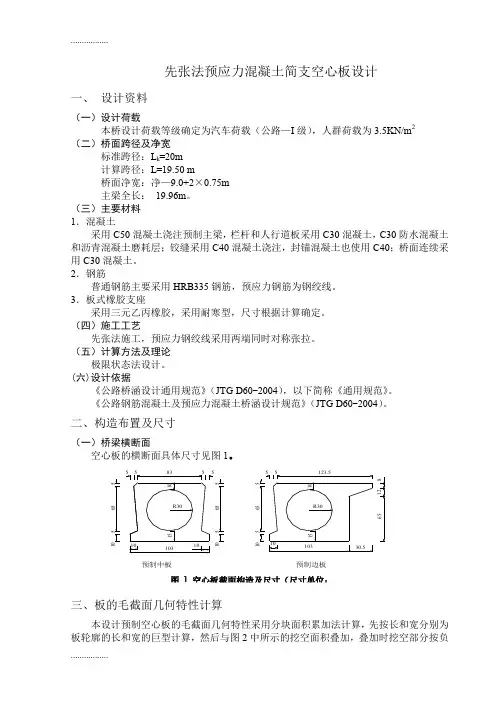
二、构造布置及尺寸(一)桥梁横断面空心板的横断面具体尺寸见图1。
三、板的毛截面几何特性计算本设计预制空心板的毛截面几何特性采用分块面积累加法计算,先按长和宽分别为板轮廓的长和宽的巨型计算,然后与图2中所示的挖空面积叠加,叠加时挖空部分按负面积计算,最后再用AutoCAD 计算校核,计算成果以中板为例,如表1。
预制中板的截面几何特性挖空部分以后得到的截面,其几何特性用下列公式计算: 毛截面面积: ∑∑-=ki i c A A A对截面上缘面积矩: ())(ki ki i i c y A y A S ∑∑-= 重心至截面上缘的距离: ccs A S y =毛截面对自身重心轴的惯性矩:∑∑-=ki i c I I I四、主梁内力计算(一)永久荷载(恒载)产生的内力 1.预制空心板自重1g (一期恒载)中板: 069.121057.48272541=⨯⨯=-g KN/m 2.板间接头(二期恒载)21g中板: 8844.210)57.482757.6012(24421=⨯-⨯=-g KN/m 3.桥面系自重(二期恒载)(1) 单侧人行道8cm 方砖: 104.1236.008.0=⨯⨯KN/m 5cm 沙垫层: 0.05×0.6×20=0.600 KN/m 路缘石: 26.12435.015.0=⨯⨯KN/m 17cm 二灰土: 938.1196.017.0=⨯⨯KN/m10cm 现浇混凝土: 620.12415.005.0246.01.0=⨯⨯+⨯⨯KN/m 人行道总重: 522.6620.1938.126.1600.0104.1=++++KN/m 取6.5KN/m 。
20m空⼼板桥计算书xxxxxxxxxxxxxxxxxx跨河桥梁⼯程20m空⼼板桥计算书编制:复核:审核:2015年11⽉⽬录1 桥梁概况 (1)2 验算模型及参数 (1)2.1结构介绍 (1)2.2 计算⽅法 (1)2.3 计算采⽤规范 (1)2.4 计算采⽤标准 (2)2.5结构验算参数 (2)3 中梁设计状态下的结构验算 (5)3.1 正常使⽤极限状态应⼒验算 (5)3.2 正常使⽤极限状态挠度验算 (6)3.3 承载能⼒极限状态强度验算 (7)3.4 设计状态下结构验算结论 (7)4 边梁设计状态下的结构验算 (7)4.1 正常使⽤极限状态应⼒验算 (7)4.2 正常使⽤极限状态挠度验算 (8)4.3 承载能⼒极限状态强度验算 (9)4.4 设计状态下结构验算结论 (10)5、桥梁下部结构设计 (10)5.1、桥台盖梁计算 (10)5.2、桥台桩基计算 (10)1 桥梁概况本计算书使⽤上部结构部分为20m简⽀空⼼板梁,桥⾯宽度15m,其中机动车道宽10m。
2 验算模型及参数2.1结构介绍本计算书适⽤上部结构部分采⽤20m简⽀空⼼板梁预应⼒混凝⼟结构,由11⽚空⼼板组成。
标准横断⾯布置见图1。
图1 桥梁标准横断⾯图2.2 计算⽅法采⽤结构计算软件桥梁博⼠对上部结构进⾏分析计算,并以《公路桥涵设计通⽤规范》(JTG D60-2004)和《公路钢筋混凝⼟及预应⼒混凝⼟桥涵设计规范》(JTG D62-2004)为标准进⾏检算。
结构按部分预应⼒混凝⼟结构进⾏检算。
2.3 计算采⽤规范(1)部颁《城市桥梁设计规范》CJJ11-2011;(2)部颁《公路⼯程技术标准》JTG B01-2003;(3)部颁《公路桥涵设计通⽤规范》JTG D60-2004;(4)部颁《公路钢筋混凝⼟及预应⼒混凝⼟桥涵设计规范》JTG D62-2004;(5)部颁《公路桥涵地基与基础设计规范》JTG D63-2007;(6)部颁《公路桥涵钢结构及⽊结构设计规范》JTJ 025-86;(7)部颁《公路桥梁抗风设计规范》JTG/T D60-2004;(8)部颁《城市桥梁抗震设计规范》CJJ 166-2011;(9)部颁《公路桥涵施⼯技术规范》JTG/TF50-2011。
20米空心板先张法控制张拉计算书一.预应力筋张拉顺序为:0 初应力σ0(10%σk ~20%) 100%σK持荷2 分钟σk(锚固)预制空心板梁采用应力与应变双重控制,即张拉力通过油表读数控制,但应与实际伸长值校核,实际伸长值与理论伸长值误差控制在6%之内,否则应暂停张拉,待查明原因并采取措施加以调整并经监理工程师同意后方可重新张拉。
二.整体张拉时其数据如下:对于20m板,采用Φj12.7mm高强度钢绞线。
1.中板(13颗钢绞线):控制张拉力P=1339×98.7×13×10-3=1718.07KN。
对于表09.11.22.2290:回归方程 Y1=0.0223X-0.238;Y2=0.0223X-0.238(Y 为油表读数,X为张拉力),钢绞线长度L按照37.2m计算。
a.应力10%时:张拉力P1=P*10%=1718.07*10%=171.81KNY1=0.0223*P1-0.238=0.0223*171.8-0.238=3.59MpaY2=0.0221*P1+0.0568=0.0221*171.8+0.0568=3.85Mpa△L=P1*L/A*E=171.8*37.2*105/98.7*13*1.95*105=2.55㎝b.应力20%时:张拉力P2=P*20%=1718.07*20%=343.61KNY1=0.0223*P2-0.238=0.0223*343.61-0.238=7.42MpaY2=0.0221*P2+0.0568=0.0221*343.61+0.0568=7.65Mpa△L=P2*L/A*E=343.61*37.2*105/98.7*13*1.95*105=5.11㎝c.应力100%时:张拉力P3=P*100%=1718.07*100%=1718.07KNY1=0.0223*P3-0.238=0.0223*1718.07-0.238=38.07MpaY2=0.0221*P3+0.0568=0.0221*1718.07+0.0568=38.03Mpa△L=P3*L/A*E=1718.07*37.2*105/98.7*13*1.95*105=25.54㎝2.边板(13颗钢绞线):控制张拉力P=1339×98.7×14×10-3=1850.23KN。
一、空心板纵向静力计算结果(不增加分隔带)1.1计算模型纵向静力计算采用平面杆系理论,以主梁轴线为基准划分结构离散图。
根据荷 载组合要求的内容进行内力、应力计算,验算结构在施工阶段、运营阶段内力、应 力及整体刚度是否符合规范要求。
全桥共划分43个节点,42个单元,2个永久支撑元。
结构离散图见下图。
结构离散图1.2正常使用极限状态承载能力验算1、正截面抗弯承载能力验算的正截面抗弯承载力。
m0S ud 0( Gi S GikQ1 S Q1k i 1 正截面抗弯承载能力应符合在承载能力极限状态下,弯矩组合设计值小于对应 c Qj S Qjk )j 2由上图所示结果可知,空心板各截面的抗弯承载力均满足规范要求。
1.3正常使用极限状态抗裂性验算1、正常使用极限状态主梁正截面抗裂性验算箱梁设计按照全预应力混凝土构件进行,按《公路钢筋混凝土及预应力混凝土桥涵设计规范》JTGD62-2004第6.3.1条关于全预应力混凝土现浇构件的规定进行验算。
对于预应力混凝土A类构件,正截面混凝土拉应力应符合以下要求:作用短期效应组合下g—c pc <0.7f ik= 1.855 Mpa作用长期效应组合下C—C pc <0作用短期效应组合混凝土主梁正应力包络图由以上计算的应力结果包络图可知:空心板跨中下缘出现0.8MPa的拉应力,因此,短期效应组合作用下,混凝土主梁的正截面抗裂性验算满足规范要求。
由以上计算的应力结果包络图可知:空心板各截面均未出现拉应力,因此,长期效应组合作用下,混凝土主梁的正截面抗裂性验算满足规范要求。
1.4持久状况主梁应力验算按《公路钢筋混凝土及预应力混凝土桥涵设计规范》JTGD62-2004第7.1.5条关于未开裂混凝土构件的规定进行验算。
使用阶段预应力混凝土受弯构件在标准值组合下由以上计算结果可知:持久状况下,混凝土主梁上缘的最大压应力为4.6MPa下缘的最大压应力为6.6MPa均小于16.2MPa满足相关规范要求。
1 绪论1.1 概述1.1.1 简支梁桥概述由一根两端分别支撑在一个活动支座和一个铰支座上的梁作为主要承重结构的梁桥。
属于静定结构。
是梁式桥中应用最早、使用最广泛的一种桥形。
其构造简单,架设方便,结构内力不受地基变形,温度改变的影响。
1.1.2 简支梁桥受力特点简支梁桥是静定结构,其各跨独立受力。
桥梁工程中广泛采用的简支梁桥有三种类型:1) 简支板桥。
简支板桥主要用于小跨度桥梁。
按其施工方式的不同分为整体式简支板桥和装配式简支板桥;装配式板桥是目前采用最广泛的板桥形式之一。
按其横截面形式主要分为实心板和空心板。
根据我国交通部颁布的装配式板桥标准图,通常每块预制板宽为1.0m,实心板的跨径范围为1.5-8.0m,主要采用钢筋混凝土材料;钢筋混凝土空心板的跨径范围为6—13m;而预应力混凝土空心板的跨径范围为8-16m。
2)肋梁式简支梁桥(简称简支梁桥)。
简支梁桥主要用于中等跨度的桥梁。
中小跨径在8-12m时,采用钢筋混凝土简支梁桥;跨径在20-50m时,多采用预应力混凝土简支梁桥。
在我国使用最多的简支梁桥的横截面形式是由多片T形梁组成的横截面。
3)箱形简支梁桥。
箱形简支梁桥主要用于预应力混凝土梁桥。
尤其适用于桥面较宽的预应力混凝土桥梁结构和跨度较大的斜交桥和弯桥。
1.1.3 预应力混凝土简支梁桥在我国的发展我国修建预应力混凝土连续体系梁桥最早在铁路部门,1966 年在成昆线用悬臂拼装法建成国内第一座预应力混凝土铰接连续梁桥――旧庄河桥,跨24m+48m+24m。
第一座预应力混凝土连续梁桥是1975 年建成的北京枢纽东北环线通惠河桥,跨度26.7m+40.7m+26.7m。
1979 年9 月建成兰州黄河桥(47m+3×70m+47m)为悬臂浇筑的分离式双室箱梁桥,进一步推动了预应力混凝土连续梁的修建和发展。
此后,相继建成湖北沙洋汉江公路桥,云南怒江桥,台州灵江桥等一大批特大跨公路连续梁桥。
20m空心板预应力张拉伸长量计算书一、计算说明:本桥空心板预应力孔道采用预埋塑料波纹管成型,考虑钢绞线与孔道壁摩擦的影响,取摩擦系数μ=0.20,孔道每米局部偏差对摩擦的影响系数取k=0.0015(《公路桥涵施工技术规范JTJ041-2000》)。
预应力钢绞线强度标准为1860Mpa,公称截面积为140mm2,公称直径为15.24mm,,弹性模数Ep=1.95×105Mpa,设计张拉控制应力δ=1395 Mpa,1 Mpa=0.1KN/cm2。
该桥每片空心板均为4束钢绞线,1束为6Φj15.24,2束为6Φj15.24,1、2束钢绞线根数均为6根,边板与中板钢绞线相同。
二、空心板钢绞线伸长量计算:(一)一束钢绞线伸长量计算:(A=6)本束预应力钢绞线使用1Φj15.24,已知:Ap=1*140=140mm2,Ep=1.95×105Mpa,则张拉控制力P=1395*140=195.3KN,钢绞线计算长度:X=(21.112-0.7*2+0.045*2)/2=19.802/2=9.901m,总长L=19.96m,其中0.045为锚具厚度,求曲线段孔道部分切线的夹角:θ=14*π/180=14*3.1415926/180=0.244rad1、预应力的平均张拉力:Pp=P*[1-e-(kx+μθ)]/(Kx+μθ)=1523*[1-e-(0.0015*9.901+0.2*0.244)]/(0.0015*9.901+0.2*0.244)=1523*(1-0.938332)/0.0636515=1523*0.96884=1475.54KN2、理论伸长量:取预应力为10%张拉控制应力,即预应力=0.1Pp=0.1*1475.54=147.554KN△L初= (Pp*L)/(AP*Ep)=(147.554*103*19802)/(1092*1.95*105)=13.7mm 初3、100%预应力理论计算伸长量:△L=(Pp*L)/(AP*Ep)=(1475.54*103*19802)/(1092*1.95*105)=137.2mm 初钢绞线伸长量取值范围(±6%):128.97mm-145.45mm(二)二束钢绞线伸长量计算:(A=6)本束预应力钢绞线使用6Φj15.24,已知:Ap=6*182=1092mm2,Ep=1.95×105Mpa,则张拉控制力P=1395*1092=1523KN,钢绞线计算长度:X=(21.002-0.7*2+0.045*2)/2=19.692/2=9.846m,总长L=19.692m,其中0.045为锚具厚度,求曲线段孔道部分切线的夹角:θ=2.3*π/180=2.3*3.1415926/180=0.04rad3、预应力的平均张拉力:Pp=P*[1-e-(kx+μθ)]/(Kx+μθ)=1523*[1-e-(0.0015*9.846+0.2*0.04)]/(0.0015*9.846+0.2*0.04)=1523*(1-0.977488257)/0.022769=1523*0.9887=1505.79KN 4、理论伸长量:取预应力为10%张拉控制应力,即预应力=0.1Pp=0.1*1505.79=150.579KN*L)/(AP*Ep)=(150.579*103*19.692)/(1092*1.95*105)=13.93mm △L初= (Pp初3、100%预应力理论计算伸长量:*L)/(AP*Ep)=(1505.79*103*19.692)/(1092*1.95*105)=139.3mm △L=(Pp初钢绞线伸长量取值范围(±6%):130.9mm-147.61mm三、伸长量控制从上述计算可以看出,张拉力的大小及钢绞线布筋的弧度对千斤顶内钢绞线伸长量影响不大,相关计算数据详见附表。
1 设计资料及构造布置1.1 设计资料1 . 桥梁跨径及桥宽标准跨径:20m(墩中心距);主桥全长:19.96m;计算跨径:19.60m;桥面净宽:2×净—11.25m见桥梁总体布置图护栏座宽:内侧为0.75米,外侧为0.5米。
桥面铺装:上层为9厘米沥青混凝土,下层跨中为10厘米厚混凝土,支点为12厘米钢筋混凝土。
2 . 设计荷载采用公路—I级汽车荷载。
3. 材料混凝土:强度等级为C50,主要指标为如下:预应力钢筋选用1×7(七股)φS15.2mm钢绞线,其强度指标如下普通钢筋及箍筋及构造钢筋采用HRB335钢筋,其强度指标如下4 . 设计依据交通部颁《公路桥涵设计通用规范》(JTG D60—2004),简称《桥规》;交通部颁《公路钢筋混凝土及预应力混凝土桥涵设计规范》(JTG D62—2004),简称《公预规》。
《公路工程技术标准》(JTG —2004)《〈公路钢筋混凝土及预应力混凝土桥涵设计规范〉(JTG D60—2004)条文应用算例》《钢筋混凝土及预应力混凝土桥梁结构设计原理》(按新颁JTG D60—2004编写) 《公路桥涵设计手册—梁桥(上册)》1.2 构造形式及尺寸选定全桥空心板横断面布置如图,每块空心板截面及构造尺寸见图图3-1跨中边板断面图图3-2 中板断面图图3-3 绞缝钢筋施工大样图图3-4 矩形换算截面(上面的为另外的资料内容,其为添加)目录1 设计资料 11.1 主要技术指标 11.2 材料规格 11.3 采用的技术规范 12 构造形式及尺寸选定 23 空心板毛截面几何特性计算 33.1 边跨空心板毛截面几何特性计算 33.1.1 毛截面面积A 33.1.2 毛截面重心位置 33.1.3 空心板毛截面对其重心轴的惯距I 43.2 中跨空心板毛截面几何特性计算 43.2.1 毛截面面积A 43.2.2 毛截面重心位置 53.2.3 空心板毛截面对其重心轴的惯距I 53.3 边、中跨空心板毛截面几何特性汇总 64 作用效应计算 74.1 永久作用效应计算 74.1.1 边跨板作用效应计算 74.1.2 中跨板作用效应计算 84.1.3 横隔板重 84.2 可变作用效应计算 94.3 利用桥梁结构电算程序计算 94.3.1 汽车荷载横向分布系数计算 94.3.2 汽车荷载冲击系数计算 124.3.3 结构重力作用以及影响线计算 134.4 作用效应组合汇总 175 预应力钢筋数量估算及布置 195.1预应力钢筋数量的估算 195.2 预应力钢筋的布置 205.3 普通钢筋数量的估算及布置 216 换算截面几何特性计算 226.1 换算截面面积 226.2 换算截面重心的位置 236.3 换算截面惯性矩 236.4 换算截面的弹性抵抗矩 247 承载能力极限状态计算 247.1 跨中截面正截面抗弯承载力计算 247.2 斜截面抗弯承载力计算 257.2.1 截面抗剪强度上、下限的复核 257.2.2 斜截面抗剪承载力计算 278 预应力损失计算 298.1 锚具变形、回缩引起的应力损失 298.2 钢筋与台座间的温差引起的应力损失 298.3 混凝土弹性压缩引起的预应力损失 308.4 预应力钢绞线由于应力松弛引起的预应力损失 308.5 混凝土的收缩和徐变引起的应力损失 318.6 预应力损失组合 339 正常使用极限状态计算 349.1 正截面抗裂性验算 349.2 斜截面抗裂性验算 389.2.1 正温差应力 389.2.2 反温差应力(为正温差应力乘以) 399.2.3 主拉应力 3910 变形计算 4210.1 正常使用阶段的挠度计算 4210.2 预加力引起的反拱度计算及预拱度的设置 4310.2.1 预加力引起的反拱度计算 4310.2.2 预拱度的设置 4511 持久状态应力验算 4511.1 跨中截面混凝土的法向压应力验算 4511.2 跨中预应力钢绞线的拉应力验算 4611.3 斜截面主应力验算 4612 短暂状态应力验算 4812.1 跨中截面 4912.1.1 由预加力产生的混凝土法向应力 4912.1.2 由板自重产生的板截面上、下缘应力 5012.2 截面 5012.3 支点截面 5113 最小配筋率复核 5220m预应力混凝土空心板桥设计计算书1 设计资料1.1 主要技术指标桥跨布置: 16×20.0 m,桥梁全长340 m。
先法预应力混凝土简支空心板设计一、设计资料(一)设计荷载本桥设计荷载等级确定为汽车荷载(公路—I级),人群荷载为3.5KN/m2(二)桥面跨径及净宽标准跨径:L k=20m计算跨径:L=19.50 m桥面净宽:净—9.0+2×0.75m主梁全长:19.96m。
(三)主要材料1.混凝土采用C50混凝土浇注预制主梁,栏杆和人行道板采用C30混凝土,C30防水混凝土和沥青混凝土磨耗层;铰缝采用C40混凝土浇注,封锚混凝土也使用C40;桥面连续采用C30混凝土。
2.钢筋普通钢筋主要采用HRB335钢筋,预应力钢筋为钢绞线。
3.板式橡胶支座采用三元乙丙橡胶,采用耐寒型,尺寸根据计算确定。
(四)施工工艺先法施工,预应力钢绞线采用两端同时对称拉。
(五)计算方法及理论极限状态法设计。
(六)设计依据《公路桥涵设计通用规》(JTG D60-2004),以下简称《通用规》。
《公路钢筋混凝土及预应力混凝土桥涵设计规》(JTG D60-2004)。
二、构造布置及尺寸(一)桥梁横断面空心板的横断面具体尺寸见图1。
三、板的毛截面几何特性计算本设计预制空心板的毛截面几何特性采用分块面积累加法计算,先按长和宽分别为板轮廓的长和宽的巨型计算,然后与图2中所示的挖空面积叠加,叠加时挖空部分按负面积计算,最后再用AutoCAD 计算校核,计算成果以中板为例,如表1。
预制中板的截面几何特性挖空部分以后得到的截面,其几何特性用下列公式计算: 毛截面面积: ∑∑-=ki i c A A A对截面上缘面积矩: ())(ki ki i i c y A y A S ∑∑-= 重心至截面上缘的距离: ccs A S y =毛截面对自身重心轴的惯性矩:∑∑-=ki i c I I I四、主梁力计算(一)永久荷载(恒载)产生的力 1.预制空心板自重1g (一期恒载)中板: 069.121057.48272541=⨯⨯=-g KN/m 2.板间接头(二期恒载)21g中板: 8844.210)57.482757.6012(24421=⨯-⨯=-g KN/m 3.桥面系自重(二期恒载)(1) 单侧人行道8cm 方砖: 104.1236.008.0=⨯⨯KN/m 5cm 沙垫层: 0.05×0.6×20=0.600 KN/m 路缘石: 26.12435.015.0=⨯⨯KN/m 17cm 二灰土: 938.1196.017.0=⨯⨯KN/m10cm 现浇混凝土: 620.12415.005.0246.01.0=⨯⨯+⨯⨯KN/m人行道总重: 522.6620.1938.126.1600.0104.1=++++KN/m 取6.5KN/m 。
先张法20M空心板梁张拉伸长量计算书本标段1座天桥K6+130(6—20m)采用先张法20m空心板梁,设计采用标准强度fpk=1860Mpa的高强低松弛钢绞线,公称直径Ф15.2mm,公称面积Ag=140mm²;弹性模量Eg=1.95×105Mpa。
为保证施工符合设计要求,施工中采用油压表读数和钢绞线拉伸量测定值双控。
一、伸长值及应力控制:1、锚端张拉应力控制为:δK=0.70 R b y=0.70×1860=1302Mpa2、单根钢绞线张拉端控制力为:N K=140mm2×1302Mpa=182280N=182.28KN3、张拉端控制力为(一端同时多根钢绞线张拉,两台千斤顶):①、中板〔17根钢绞线)N K=182.28×17/2=1549.38KN②、边板〔20根钢绞线)N K=182.28×20/2=1822.8KN4、钢绞线理论伸长值:△L理=(P×L)/(A y×E g)P--张拉端控制力为182.28×103NL--钢绞线有效长度64900(mm),(有效长度为钢绞线两端工具锚夹片内口距离)。
A y--钢绞线截面积为140 mm2E g--钢绞线弹性模量1.95×105Mpa△L理=(182.28×103×64900)/(140 mm2×1.95×105 N/ mm2)=433mm5、钢绞线实际伸长值:△L实=△L1+△L2△L1—从初应力至最大张拉应力间的实际丈量伸长值(mm)△L2—初应力时的理论推算值(mm),初应力控制为最大张拉力的15%,即P ×182.28×103N=27.342×103N。
初=0.15P=0.15△L2=(P×L)/(A y×E g)△L2=(27.342×103N×L)/(140 mm2×1.95×105N/ mm2)=64.99mm6、千斤顶仪表控制:1)、初始张拉(单根钢绞线先按初始应力控制张拉):-0.57190+0.02610单根钢绞线初始控制应力X控=27.342KN千斤顶型号:YE-2000,千斤顶编号:01,压力表编号:5309根据回归方程Y=—0.71428+0.22659*XY初=—0.71428+0.22659×27.342=5.48Mpa2)、整体(正式)张拉(初始张拉后,多跟钢绞线整体用两台千斤顶同时张拉):中板(17根钢绞线):控制应力X控=1549.38KN边板(20根钢绞线):控制应力X控=1822.8KN①千斤顶型号:TY-500,千斤顶编号:01,压力表编号:9204根据回归方程Y=-0.59150+0.02559*X40%控制应力:中板(17根钢绞线):Y控=-0.59150+0.02559×(1549.38×0.4)=15.27Mpa40%控制应力:边板(20根钢绞线):Y控=-0.59150+0.02559×(1822.8×0.4)=18.07Mpa70%控制应力:中板(17根钢绞线):Y控=-0.59150+0.02559×(1549.38×0.7)=27.16Mpa70%控制应力:边板(20根钢绞线):Y控=-0.59150+0.02559×(1822.8×0.7)=32.06Mpa100%控制应力:中板(17根钢绞线):Y控=-0.59150+0.02559×1549.38=39.06Mpa100%控制应力:边板(20根钢绞线):Y控=-0.59150+0.02559×1822.8=46.05Mpa②千斤顶型号:TY-500,千斤顶编号:02,压力表编号:6275根据回归方程Y=-0.57190+0.02610*X40%控制应力:中板(17根钢绞线):Y控=-0.57190+0.02610×(1549.38×0.4)=15.60Mpa40%控制应力:边板(20根钢绞线):Y控=-0.57190+0.02610×(1822.8×0.4)=18.46Mpa70%控制应力:中板(17根钢绞线):Y控=-0.57190+0.02610×(1549.38×0.7)=27.74Mpa70%控制应力:边板(20根钢绞线):Y控=-0.57190+0.02610×(1822.8×0.7)=32.73Mpa100%控制应力:中板(17根钢绞线):Y控=-0.57190+0.02610×1549.38=39.87Mpa100%控制应力:边板(20根钢绞线):Y控=-0.57190+0.02610×1822.8=47.00Mpa二、张拉作业程序:1、张拉准备工作:清理底模模,用连接器连接好拉杆和预应力筋,设置或安装好固定装置和放松装置:安装好定位板,检查定位板的预应力筋孔位置和孔径大小是否符合设计要求:检查预应力筋数量、位置、张拉设备和锚具。
20m 后张法空心板张拉计算书一、计算公式及参数依据1、 计算依据:根据《公路桥涵施工技术规范》(JTG/T-2011)及东津大道、会展南路桥梁图纸。
2、 计算公式:①预应力筋的理论伸长值计算公式:△L=pp p A E LP ⨯⨯ 式中:△L —理论伸长值;P P ——预应力筋的平均张拉力(N); L ——预应力筋的长度(mm); A P ——预应力筋的截面面积(mm 2); E P ——预应力筋的弹性模量(N /mm 2)。
②预应力筋平均张拉力计算公式:[]μθμθ+-⨯=+-kx e P P kx P )(1式中:P p —预应力筋平均张拉力(N ); P —预应力筋张拉端的张拉力(N ); x —从张拉端至计算截面的孔道长度(m );θ—从张拉端至计算截面的曲线孔道部分切线的夹角之和(rad ); k —孔道每米局部偏差对摩擦的影响系数; u —预应力筋与孔道壁的摩擦系数。
二、钢绞线规格、形状及长度(详见下图):由设计资料和《公路桥涵施工技术规范》JTG/T F50—2011附录C1分别得:θN1= 4o= 0.06981 rad ;θN2 = 9o = 0.15708 rad ;预应力管道采用金属波纹管,故k=0.0015,μ= 0.20~0.25,取μ=0.225 。
三、钢绞线各技术指标1、由设计文件、钢绞线出厂质量证明文件、钢绞线现场随机取样检验报告分别得:钢绞线等级为2#低松弛钢绞线,其各项技术指标为:公称直径:ф15.24;公称面积:A p=140mm2;标准强度f pk=1860Mpa,弹性模量:E p=1.95×105Mpa ;张拉控制应力=0.75 f pk=0.75×1860=1395 Mpa2、张拉时,一根钢绞线的最大控制张拉力:P1 = 0.75×f pk×A p = 0.75×1860×140/1000 = 195.3 kN,钢绞线张拉端部工作长度为600㎜。
目录1 设计资料 (1)1.1 主要技术指标 (1)1.2 材料规格 (1)1.3 采用的技术规范 (1)2 构造形式及尺寸选定 (2)3 空心板毛截面几何特性计算 (3)3.1 边跨空心板毛截面几何特性计算 (3)3.1.1 毛截面面积A (3)3.1.2 毛截面重心位置 (3)3.1.3 空心板毛截面对其重心轴的惯距I (4)3.2 中跨空心板毛截面几何特性计算 (4)3.2.1 毛截面面积A (4)3.2.2 毛截面重心位置 (5)3.2.3 空心板毛截面对其重心轴的惯距I (5)3.3 边、中跨空心板毛截面几何特性汇总 (6)4 作用效应计算 (7)4.1 永久作用效应计算 (7)4.1.1 边跨板作用效应计算 (7)4.1.2 中跨板作用效应计算 (8)4.1.3 横隔板重 (8)4.2 可变作用效应计算 (9)4.3 利用桥梁结构电算程序计算 (9)4.3.1 汽车荷载横向分布系数计算 (9)4.3.2 汽车荷载冲击系数计算 (12)4.3.3 结构重力作用以及影响线计算 (13)4.4 作用效应组合汇总 (17)5 预应力钢筋数量估算及布置 (19)5.1 预应力钢筋数量的估算 (19)5.2 预应力钢筋的布置 (20)5.3 普通钢筋数量的估算及布置 (21)6 换算截面几何特性计算 (22)6.1 换算截面面积A (23)6.2 换算截面重心的位置 (23)6.3 换算截面惯性矩I (23)6.4 换算截面的弹性抵抗矩 (24)7 承载能力极限状态计算 (24)7.1 跨中截面正截面抗弯承载力计算 (24)7.2 斜截面抗弯承载力计算 (25)7.2.1 截面抗剪强度上、下限的复核 (25)7.2.2 斜截面抗剪承载力计算 (27)8 预应力损失计算 (29)σ (29)8.1 锚具变形、回缩引起的应力损失2lσ (29)8.2 钢筋与台座间的温差引起的应力损失3lσ (30)8.3 混凝土弹性压缩引起的预应力损失4lσ (31)8.4 预应力钢绞线由于应力松弛引起的预应力损失5lσ (31)8.5 混凝土的收缩和徐变引起的应力损失6l8.6 预应力损失组合 (33)9 正常使用极限状态计算 (34)9.1 正截面抗裂性验算 (34)9.2 斜截面抗裂性验算 (38)9.2.1 正温差应力 (38)9.2.2 反温差应力(为正温差应力乘以0.5) (39)9.2.3 主拉应力 (39)tp10 变形计算 (42)10.1 正常使用阶段的挠度计算 (42)10.2 预加力引起的反拱度计算及预拱度的设置 (43)10.2.1 预加力引起的反拱度计算 (43)10.2.2 预拱度的设置 (45)11 持久状态应力验算 (45)σ验算 (45)11.1 跨中截面混凝土的法向压应力kcσ验算 (46)11.2 跨中预应力钢绞线的拉应力p11.3 斜截面主应力验算 (46)12 短暂状态应力验算 (49)12.1 跨中截面 (49)12.1.1 由预加力产生的混凝土法向应力 (49)12.1.2 由板自重产生的板截面上、下缘应力 (50)l截面 (50)12.2412.3 支点截面 (51)13 最小配筋率复核 (53)14 铰缝计算 (54)14.1 铰缝剪力计算 (54)14.1.1 铰缝剪力影响线 (54)14.1.2 铰缝剪力 (55)14.2 铰缝抗剪强度验算 (56)15 预制空心板吊杯计算 (58)16 支座计算 (58)16.1 选定支座的平面尺寸 (58)16.2 确定支座的厚度 (59)16.3 验算支座的偏转 (60)16.4 验算支座的稳定性 (60)17 下部结构计算 (62)17.1 盖梁计算 (62)17.1.1 设计资料 (62)17.1.2 盖梁计算 (62)17.1.3 内力计算 (71)17.1.4 截面配筋设计与承载力校核 (74)17.2 桥墩墩柱设计 (75)17.2.1 作用效用计算 (76)17.2.2 截面配筋计算及应力验算 (78)参考文献 (81)致谢 (82)20m预应力混凝土空心板桥设计计算书1 设计资料1.1 主要技术指标桥跨布置: 16×20.0 m,桥梁全长340 m。
20米先张法预应力空心板张拉计算书一、概况二、计算依据:《公路桥涵施工技术标准》JTJ041-2000、《预应力混凝土用钢绞线》GB/T5224-2003、施工设计图纸、千斤顶测试证书。
三、张拉设备及材料一、设备:张拉油泵型号为:ZD4-500 型(两台);千斤顶型号为:YDC240QX-200、YD200T-500(两台)。
以上设备均已委托云南省建筑工程质量监督检测站进行检测标定(详见测试证书)。
二、预应力空心板(先张法)所用预应力钢材采纳贵州钢绳集团生产的1×预应力钢绞线,依照检测,其平均检测各项力学性能平均值为:Rm=1937MPa,Agt=%, E=193GPa,符合GB/T5224-2003标准要求(详细见钢绞线拉伸检测报告);在施工进程中,为了便于统一操纵,钢绞线计算采纳如下数据:钢铰线公称直面积Ay=139mm2,标准强度f pk=1860MPa,锚下张拉操纵应力σcon= f pk= MPa,弹性模量Ep=×105 MPa。
四、伸长值及应力操纵:一、张拉方式及程序简介张拉程序为:0 →初应力→σcon (持荷2min 锚固),在初应力至操纵应力σcon 的张拉期间,各分级应力可依照千斤顶的行程进行调剂,初步预定为0 →15%σcon →30%σcon →50%σcon →75%σcon →100%σcon 。
张拉方式为:单张至15%σcon 后锚固在千斤顶横梁上,然后统一张拉至100%σcon 后锚固;砼强度达到要求后,再用千斤顶进行统一放张;2、锚下张拉应力操纵为:σcon = f pk =×1860= MPa3、单根钢绞线张拉端操纵力为:P p =139mm 2× MPa=188734N=4、张拉端操纵力为(一端同时多根钢绞线张拉,两台千斤顶):①、 中板(15根钢绞线):N=×15/2= KN②、 边板(16根钢绞线):N=×16/2=5、钢绞线理论伸长值:P P P E A LP L ⨯⨯=∆ =(188734×L )/(139××105N/ mm2)=6、钢绞线实际伸长值:ΔL 实=ΔL1+ΔL2ΔL1—从初应力至最大张拉应力间的实际丈量伸长值(mm )ΔL2—初应力时的理论推算值(mm ),初应力操纵为最大张拉力的15%,即:P 初==×188734=。
一、空心板纵向静力计算结果(不增加分隔带)
1.1计算模型
纵向静力计算采用平面杆系理论,以主梁轴线为基准划分结构离散图。
根据荷载组合要求的内容进行内力、应力计算,验算结构在施工阶段、运营阶段内力、应力及整体刚度是否符合规范要求。
全桥共划分43个节点,42个单元,2个永久支撑元。
结构离散图见下图。
结构离散图
1.2正常使用极限状态承载能力验算
1、正截面抗弯承载能力验算
正截面抗弯承载能力应符合在承载能力极限状态下,弯矩组合设计值小于对应的正截面抗弯承载力。
001112()
m n ud Gi Gik Q Q k c Qj Qjk i j S S S S γγγγψγ===++∑∑
由上图所示结果可知,空心板各截面的抗弯承载力均满足规范要求。
1.3正常使用极限状态抗裂性验算
1、正常使用极限状态主梁正截面抗裂性验算
箱梁设计按照全预应力混凝土构件进行,按《公路钢筋混凝土及预应力混凝土桥涵设计规范》(JTGD62-2004)第6.3.1条关于全预应力混凝土现浇构件的规定进行验算。
对于预应力混凝土A类构件,正截面混凝土拉应力应符合以下要求:
作用短期效应组合下σst-σpc≤0.7f tk=1.855 Mpa
作用长期效应组合下σlt-σpc≤0
作用短期效应组合混凝土主梁正应力包络图
由以上计算的应力结果包络图可知:空心板跨中下缘出现0.8MPa的拉应力,因此,短期效应组合作用下,混凝土主梁的正截面抗裂性验算满足规范要求。
由以上计算的应力结果包络图可知:空心板各截面均未出现拉应力,因此,长期效应组合作用下,混凝土主梁的正截面抗裂性验算满足规范要求。
1.4持久状况主梁应力验算
按《公路钢筋混凝土及预应力混凝土桥涵设计规范》(JTGD62-2004)第7.1.5条关于未开裂混凝土构件的规定进行验算。
使用阶段预应力混凝土受弯构件在标准值组合下
a 2.16f 5.0ck pt k c MP =≤+σσ未开裂构件
各组合主梁正截面压应力图
由以上计算结果可知:持久状况下,混凝土主梁上缘的最大压应力为14.6MPa ,下缘的最大压应力为6.6MPa ,均小于16.2MPa ,满足相关规范要求。
二、空心板纵向静力计算结果(增加4m 绿化带)
2.1计算模型
纵向静力计算采用平面杆系理论,以主梁轴线为基准划分结构离散图。
总体计算根据桥梁施工流程划分结构计算阶段,根据荷载组合要求的内容进行内力、应力计算,验算结构在施工阶段、运营阶段内力、应力及整体刚度是否符合规范要求。
边界条件的处理:桥墩及桥台均按竖向刚性支撑处理
全桥共划分43个节点,42个单元,2个永久支撑元。
结构离散图见下图。
结构离散图
绿化带采用30cm 厚钢筋混凝土板,上面填60cm 后填土。
2.2正常使用极限状态承载能力验算
1、正截面抗弯承载能力验算
正截面抗弯承载能力应符合在承载能力极限状态下,弯矩组合设计值小于对应的正截面抗弯承载力。
001112()
m n ud Gi Gik Q Q k c Qj Qjk i j S S S S γγγγψγ===++∑∑
由上图所示结果可知,空心板截面的抗弯承载力不满足规范要求。
2.3正常使用极限状态抗裂性验算
1、正常使用极限状态主梁正截面抗裂性验算
箱梁设计按照全预应力混凝土构件进行,按《公路钢筋混凝土及预应力混凝土桥涵设计规范》(JTGD62-2004)第6.3.1条关于全预应力混凝土现浇构件的规定进行验算。
对于预应力混凝土A类构件,正截面混凝土拉应力应符合以下要求:
作用短期效应组合下σst-σpc≤0.7f tk=1.855 Mpa
作用长期效应组合下σlt-σpc≤0
作用短期效应组合混凝土主梁正应力包络图
由以上计算的应力结果包络图可知:空心板跨中下缘出现8.7MPa的拉应力,因此,短期效应组合作用下,混凝土主梁的正截面抗裂性验算不满足规范要求。
由以上计算的应力结果包络图可知:空心板跨中下缘出现7.5MPa的拉应力,
因此,长期效应组合作用下,混凝土主梁的正截面抗裂性验算不满足规范要求。
2.4持久状况主梁应力验算
按《公路钢筋混凝土及预应力混凝土桥涵设计规范》(JTGD62-2004)第7.1.5条关于未开裂混凝土构件的规定进行验算。
使用阶段预应力混凝土受弯构件在标准值组合下
a 2.16f 5.0ck pt k c MP =≤+σσ未开裂构件
各组合主梁正截面压应力图
由以上计算结果可知:持久状况下,混凝土主梁上缘的最大压应力为23.6MPa ,下缘的最大压应力为5.6MPa ,不满足相关规范要求。
三、空心板纵向静力计算结果(增加2m 绿化带)
3.1计算模型
纵向静力计算采用平面杆系理论,以主梁轴线为基准划分结构离散图。
总体计
算根据桥梁施工流程划分结构计算阶段,根据荷载组合要求的内容进行内力、应力计算,验算结构在施工阶段、运营阶段内力、应力及整体刚度是否符合规范要求。
边界条件的处理:桥墩及桥台均按竖向刚性支撑处理
全桥共划分43个节点,42个单元,2个永久支撑元。
结构离散图见下图。
结构离散图
绿化带采用20cm 厚钢筋混凝土板,上面填60cm 后填土。
3.2正常使用极限状态承载能力验算
1、正截面抗弯承载能力验算
正截面抗弯承载能力应符合在承载能力极限状态下,弯矩组合设计值小于对应的正截面抗弯承载力。
001112()
m n ud Gi Gik Q Q k c Qj Qjk i j S S S S γγγγψγ===++∑∑
由上图所示结果可知,空心板截面的抗弯承载力不满足规范要求。
3.3正常使用极限状态抗裂性验算
1、正常使用极限状态主梁正截面抗裂性验算
箱梁设计按照全预应力混凝土构件进行,按《公路钢筋混凝土及预应力混凝土桥涵设计规范》(JTGD62-2004)第6.3.1条关于全预应力混凝土现浇构件的规定进行验算。
对于预应力混凝土A类构件,正截面混凝土拉应力应符合以下要求:
作用短期效应组合下σst-σpc≤0.7f tk=1.855 Mpa
作用长期效应组合下σlt-σpc≤0
作用短期效应组合混凝土主梁正应力包络图
由以上计算的应力结果包络图可知:空心板跨中下缘出现4.5MPa的拉应力,因此,短期效应组合作用下,混凝土主梁的正截面抗裂性验算不满足规范要求。
由以上计算的应力结果包络图可知:空心板跨中下缘出现3.2MPa的拉应力,因此,长期效应组合作用下,混凝土主梁的正截面抗裂性验算不满足规范要求。
3.4持久状况主梁应力验算
按《公路钢筋混凝土及预应力混凝土桥涵设计规范》(JTGD62-2004)第7.1.5条关于未开裂混凝土构件的规定进行验算。
使用阶段预应力混凝土受弯构件在标准值组合下
a 2.16f 5.0ck pt k c MP =≤+σσ未开裂构件
各组合主梁正截面压应力图
由以上计算结果可知:持久状况下,混凝土主梁上缘的最大压应力为19.4MPa ,下缘的最大压应力为5.7MPa ,不满足相关规范要求。
四、空心板纵向静力计算结果(增加1m 绿化带)
4.1计算模型
纵向静力计算采用平面杆系理论,以主梁轴线为基准划分结构离散图。
总体计算根据桥梁施工流程划分结构计算阶段,根据荷载组合要求的内容进行内力、应力计算,验算结构在施工阶段、运营阶段内力、应力及整体刚度是否符合规范要求。
边界条件的处理:桥墩及桥台均按竖向刚性支撑处理
全桥共划分43个节点,42个单元,2个永久支撑元。
结构离散图见下图。
结构离散图
绿化带采用10cm 厚钢筋混凝土板,上面填60cm 后填土。
4.2正常使用极限状态承载能力验算
1、正截面抗弯承载能力验算
正截面抗弯承载能力应符合在承载能力极限状态下,弯矩组合设计值小于对应的正截面抗弯承载力。
001112()
m n ud Gi Gik Q Q k c Qj Qjk i j S S S S γγγγψγ===++∑∑
由上图所示结果可知,空心板截面的抗弯承载力不满足规范要求。
4.3正常使用极限状态抗裂性验算
1、正常使用极限状态主梁正截面抗裂性验算
箱梁设计按照全预应力混凝土构件进行,按《公路钢筋混凝土及预应力混凝土桥涵设计规范》(JTGD62-2004)第6.3.1条关于全预应力混凝土现浇构件的规定进行验算。
对于预应力混凝土A类构件,正截面混凝土拉应力应符合以下要求:
作用短期效应组合下σst-σpc≤0.7f tk=1.855 Mpa
作用长期效应组合下σlt-σpc≤0
作用短期效应组合混凝土主梁正应力包络图
由以上计算的应力结果包络图可知:空心板跨中下缘出现2.7MPa的拉应力,因此,短期效应组合作用下,混凝土主梁的正截面抗裂性验算不满足规范要求。
由以上计算的应力结果包络图可知:空心板跨中下缘出现1.5MPa的拉应力,因此,长期效应组合作用下,混凝土主梁的正截面抗裂性验算不满足规范要求。
4.4持久状况主梁应力验算
按《公路钢筋混凝土及预应力混凝土桥涵设计规范》(JTGD62-2004)第7.1.5条关于
未开裂混凝土构件的规定进行验算。
使用阶段预应力混凝土受弯构件在标准值组合下
a 2.16f 5.0ck pt k c MP =≤+σσ未开裂构件
各组合主梁正截面压应力图
由以上计算结果可知:持久状况下,混凝土主梁上缘的最大压应力为16.7MPa ,下缘的最大压应力为6.2MPa ,不满足相关规范要求。