米空心板预应力张拉计算书
- 格式:doc
- 大小:499.00 KB
- 文档页数:13
湖南龙山县S260石牌至洗洛公路施工技术方案申报批复单承包单位:重庆交通建设(集团)有限责任公司合同号:A1 监理单位:江苏兆信工程监理咨询有限责任公司编号:20m空心板预应力张拉计算说明书一、计算依据1、设计图纸锚下控制应力为0.75f pk=0.75*1860=1395Mpa。
2、《公路桥涵施工技术规范》JTG_T_F50-2011。
二、预应力张拉双控1、预应力筋的张拉控制应力要符合设计要求,即任何情况下不得超过设计规定的最大张拉控制应力。
2、预应力筋采用应力控制方法张拉时,以伸长值进行校核,实际伸长值与理论伸长值的差值要符合设计要求,设计无规定时,实际伸长值与理论伸长值的差值应控制在6%以内,否则应暂停张拉,查明原因并采取措施予以调整后,方可继续张拉。
三、张拉的材料、机具设备1、预应力材料采用湖北武钢生产的低松驰钢绞线,根据湖南湖大土木建筑工程检测有限公司检验报告,其力学强度为:抗拉强度≥1860Mpa,弹性模量为195.00Gpa,延伸率≥3.5,符合要求。
2、张拉设备及千斤顶:购买长沙市惠科信息科技有限公司生产的预应力智能张拉仪全套设备。
已委托湖南中大建设工程检测技术有限公司标定。
千斤顶编号为15091(150T),张拉设备校准方程为Y=0.0344X+0.1779;另一千斤顶编号为15092(150T),张拉设备校准方程为Y=0.0345X+0.1139。
四、张拉程序本项目张拉是带夹片式具有自锚性能的锚具,张拉程序为:低松弛力筋0→初应力→σ(持荷2min锚固)。
为保证在张拉过程中的两端能同步进行,同时为便于张拉过程中实际伸长率计算,张拉过程分阶段进行,具体如下:0→1初应力→2初应力→σ(持荷2min锚固)。
1初应力宜为张拉控制应力的10%,2初应力为张拉控制应力的20%。
五、张拉顺序按设计图纸要求采用两端对称张拉,张拉顺序为:左N1→右N2→右N1→左N2。
六、钢绞线张拉延伸量计算1、理论延伸量计算公式:ΔL=Pp*L/ApEp式中:Pp-预应力筋平均张拉力(N);直线筋取张拉端拉力,曲线筋张拉力计算用下面公式计算;L-预应力筋实际长度(mm);Ap-预应力筋截面面积(mm2);Ep-预应力筋的弹性模量(N/mm2) Mpa。
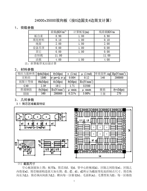
24000x35000双向板(按0边固支4边简支计算)1、3、几何参数3.1 筒芯区域截面特征空心板剖面如上图:板厚h,筒芯高f、宽d,管中心距板底h1,区隔之间肋宽e1,区隔之内肋宽e2。
筒芯细部构造放大如右图,f1、f2、d1、d2所示为截面变化处控制点尺寸。
筒芯纵向长为L1,筒芯纵向间距为L2。
横向每一区格宽b1、毛面积A1、毛惯性矩为I1,每一区格肋惯性矩,Ii为单元总惯性矩。
对于矩形Ji=bh3/12,三角形Ji=bh3/36。
单根筒芯面积Ak=d*f-4*ΣAoi,筒芯总面积Aksum=Ak*n,混凝土净面积An=A1-Aksum,筒芯惯性矩Ik= d*f3/12-4*Σii。
根据面积相等、惯性矩相等的原则,将筒芯折算为等效的矩形截面:由XY=Ak、XY3/12=Ik,求得:Y=2(3*Ik/Ak)1/2, X=Ak/Y。
上、下翼缘折算厚度分别为:h上=h-h1-Y/2, h下=h1-Y/2,折算腹板宽为:bw=b1-X,净肋积矩Mn=M-Mk,中性轴距下边缘距离y1=Mn/An,中性轴距上边缘距离y2=h-y1 总截面对中性轴的惯性矩It=I1+A1*(h/2-y1)2,筒芯对中性轴的惯性矩,2工字型截面换算惯性矩:I=In*1000/b1,每米腹板宽:b'=b2*1000/b1上、下翼缘分别取上、下混凝土最小厚度,肋宽为管纵向间距为L2。
每一区格工字型截工字型截面换算惯性矩:I=In*B/b1,腹板宽:b'=b2*B/b1,平均惯性矩:I平1=(I顺+ I横)/2箱体细部尺寸如上图,其中:箱体宽度b,箱体高度hx,箱体中心距板底h1,箱体切角高度f1,切角宽度d1,漏浆孔宽度dk,箱体毛体积V毛,箱体外周圈方柱高hc1,外周圈方柱体积Vc1,外棱台长边bw1,外棱台短边bw2,外棱台上面积Awt1,外棱台下面积Awt2,外棱台体积Vwt,箱体外轮廓体积V外,漏浆孔内方柱高hc2,内方柱体积Vc2,漏浆孔内棱台长边bn1,内棱台短边bn2,内棱台上面积Ant1,内棱台下面积Ant2,内棱台体积Vnt,漏浆孔总体积VVwt=( Awt1+ Awt2+sqrt(Awt1* Awt2))*f1/3,V外=Vc1+Vwt*2, Vc2= dk 2* hc2,bn1=dk+d1*2,Ant1= bn2* bn2, Ant2= bn1* bn1,Vnt=( Ant1+ Ant2+sqrt(Ant1* Ant2))*f1/3,V漏=Vc2+Vnt*2,V净=V外-V漏,h'箱=h-V净/(b1*L3)。
后张法20米空心板梁张拉计算书工程概况:才湾中桥,桥面结构为4跨20m预应力钢筋砼空心板。
一、预应力筋材料与张拉设备(一)、预应力筋材料:根据设计施工图,预应力筋为φs15.2钢绞线,控制应力为σcon=1395,φj = 15.2mm。
A=140mm2。
经检查,其出厂质量证明材料符合规范规定的要求;经现场取样委托检验,其各项质量指标符合设计和规范规定质量标准。
(二)、预应力张拉设备规格、型号及标定情况:1、千斤顶:采用预应力用液压千斤顶-YCW150B,千斤顶活塞面积:A=30220mm2,2、油表:采用YE型与千斤顶配套的。
3、锚具:根据设计图纸,采用M15—5系列锚具;(三)、油表量程的选用:根据设计图纸,该梁板有一种钢束,分别由5股钢绞线构成,钢束最大控制张拉力分别为:5股: P = 1860×0.75×0.00014×5/1000×1000000 = 976.5KN按最大控制张拉力P =976.5 KN 计算,其油表读数Q=P/A=(976.5×1000)/30220=32.31MPa。
(四)、张拉设备标定情况:经广西壮族自治区预应力机具产品质量监督检验中心2016年3月17日标定,其编号配套及曲线方程分别如下:Ⅰ#:张拉千斤YCW150B-1112088,油压表YE03108151,F =29.902P+5.076, r2 = 0.99996;Ⅱ#:张拉千斤YCW150B-1112091,油压表YE03107955,F =28.876P+29.129, r2 = 0.99958;(注:F - 张拉控制力KN;P - 张拉控制应力MPa )二、预应力张拉控制应力计算:预应力张拉控制应力计算见下表:(五)、理论伸长值计算:1、相应参数选定预应力钢束采用1860MPa级公称直径ΦS15.2mm低松驰预应力钢绞线,其抗拉标准强度f PK=1860MPa,锚下张拉控制应力δcon=0.75f PK=1395MPa,单根钢绞线截面积A y=140mm2,弹性模量E P=1.95x105,0.0015k ,μ=0.23,张拉控制力为P=δ=140*10-6*1395*106=195.3KN.con XA y2、使用相应的公式计算预应力张拉时,理论伸长量ΔL计算公式:ΔL=PpL/A P E P Pp=P(1-e-(KX))/KX (直线部分)Pp=P(1-e-(KX+μθ))/(KX+μθ)(曲线部分)试中:Pp-预应力钢绞线平均张拉力(N)P-预应力钢绞线张拉端张拉力(N)X-从张拉端到计算截面的孔道长度(m)K-孔道每米偏差对摩擦的影响系数u-预应力钢绞线与孔道壁的摩擦系数L-预应力钢绞线长度(m)Ap-预应力钢绞线截面面积(㎜2)E P—预应力钢绞线弹性模量(MPa)3、N1预应力钢绞线张拉伸长量ΔL计算:计算图示如下(分三段,E为钢绞线中心点)注明:工作长度按现有油顶取工作锚长650mm(下同)(1)、求△L1:∵ L1为直线, 千斤顶工作长度=0.65m。
龙山县S260石牌至洗洛公路施工技术方案申报批复单承包单位:交通建设(集团)有限责任公司合同号:A113m空心板预应力拉计算说明书一、计算依据1、设计图纸=0.75*1860=1395Mpa。
锚下控制应力为 0.75fpk2、《公路桥涵施工技术规》JTG_T_F50-2011。
二、预应力拉双控1、预应力筋的拉控制应力要符合设计要求,即任何情况下不得超过设计规定的最大拉控制应力。
2、预应力筋采用应力控制方法拉时,以伸长值进行校核,实际伸长值与理论伸长值的差值要符合设计要求,设计无规定时,实际伸长值与理论伸长值的差值应控制在6%以,否则应暂停拉,查明原因并采取措施予以调整后,方可继续拉。
三、拉的材料、机具设备1、预应力材料采用武钢生产的低松驰钢绞线,根据湖大土木建筑工程检测检验报告,其力学强度为:抗拉强度三1860Mpa,弹性模量为195.00Gpa,延伸率三3.5,符合要求。
2、拉设备及千斤顶:购买市惠科信息科技生产的预应力智能拉仪全套设备。
已委托建设工程检测技术标定。
千斤顶编号为15091 (150T),拉设备校准方程为Y=0.0344X+0.1779;另一千斤顶编号为15092 (150T),拉设备校准方程为 Y=0.0345X+0.1139。
四、拉程序本项目拉是带夹片式具有自锚性能的锚具,拉程序为:低松弛力筋0f初应力f。
(持荷2min锚固)。
为保证在拉过程中的两端能同步进行,同时为便于拉过程中实际伸长率计算,拉过程分阶段进行,具体如下:0^1初应力f2初应力f。
(持荷2min锚固)。
1初应力宜为拉控制应力的10%, 2初应力为拉控制应力的20%。
五、拉顺序按设计图纸要求采用两端对称拉,拉顺序为:左N1f右N2f右N1f 左 N2。
六、钢绞线拉延伸量计算1、理论延伸量计算公式:A L=Pp*L/ApEp式中:Pp-预应力筋平均拉力(N);直线筋取拉端拉力,曲线筋拉力计算用下面公式计算;L-预应力筋实际长度(mm);Ap-预应力筋截面面积(mm2);Ep-预应力筋的弹性模量(N/mm2) Mpa。
16米预制空心板张拉计算方案一、基础数据本标段16米预制空心板正弯矩预应力钢束共有N1、N2各2束,设计锚下张拉控制应力:σcon=1860×0.75=1395MP a。
按设计要求空心板混凝土强度达到设计强度的90%后,且混凝土龄期不小于7d,方可张拉预应力钢束,并采用两端对称张拉,张拉程序为:0 初应力σcon(持荷5min)锚固,张拉顺序为N2、N1。
二、预应力钢束张拉力计算1、经咨询设计单位,因设计图中张拉控制应力已经考虑了预应力损失,故张拉力按公式:F n=σcon×A×n进行计算,如下:中跨空心板N1钢束锚下张拉力:F1=σcon×A×n=1395 MP a×140㎜2×4 =781.20KN其中:A为每根预应力钢绞线的截面积;n为同时张拉的预应力钢绞线的根数;F为钢绞线锚下张拉力。
其余钢束张拉力计算同N1,各钢束张拉力如下表:16米空心板中板预应力钢束张拉力计算明细表(表一)16米空心板边板预应力钢束张拉力计算明细表(表二)三、压力表读数计算本桥采用150吨千斤顶进行张拉,经校验:编号为1#千斤顶对应的压力表编号为21021009,校准方程为Y=0.03309X-0.02762。
对应油压表编号130577484编号为2#千斤顶对应的压力表编号为21021006,校准方程为Y=0.03311X+0.10190。
对应油压表编号130577505Y-油压表读数(MPa),x--张拉力值(KN)故中跨空心板N1钢束采用1#千斤顶张拉时的压力表度数分别为:1)压力表编号为130577484P1=0.03309X-0.02762=781.2×0.03309-0.02762=25.57MP a2)压力表编号为130577505P2=0.03311X+0.10190=0.03311×781.2+0.10190=25.97MP a其余钢束压力表读书计算同N1,压力表度数详见下表:预应力钢束100%бk张拉力所对应的压力表度数明细表(16米空心板中板)(表三)预应力钢束10%бk张拉力所对应的压力表度数明细表(16米空心板中板)表四)预应力钢束20%бk张拉力所对应的压力表度数明细表(16米空心板中板)(表五)预应力钢束100%бk张拉力所对应的压力表度数明细表(16米空心板边板)(表六)预应力钢束10%бk张拉力所对应的压力表度数明细表(16米空心板边板)(表七)预应力钢束20%бk张拉力所对应的压力表度数明细表(16米空心板边板)(表八)三、理论伸长量的复核计算1、预应力钢束的平均张拉力计算采用设计图纸中的标准梁长进行钢绞线平均张拉力的计算,首先要计算出钢束的锚下张拉力,然后采用如下公式计算钢束的平均的张拉力:预应力平均张拉力计算公式及参数:式中:Pp=P[1- e-(kx+uθ)]/( kx+uθ)P p-----预应力筋平均张拉力(N);P-----预应力筋张拉端张拉力(N);X-----从张拉端至计算截面的孔道长度(m);θ-----从张拉端至计算截面的曲线孔道部分切线的夹角之和(rad);K------孔道每米局部偏差对摩擦的影响系数,取0.0015;μ------预应力筋与孔道壁的摩擦系数,取0.15故16米中跨空心板的平均张拉力计算如下:由设计图纸可知:K=0.0015,μ=0.23,X取7.85m;N1钢束θ为9°,弧度为0.0244,N2钢束θ为4°,弧度为0.06978。
监A2编号:施工组织设计(方案)报审表工程名称:温州大道寮东桥临时抢修工程本表一式三份,经监理单位审批后,建设单位、监理单位、承包单位各存一份。
温州大道寮东桥临时抢修工程后张法10m空心板梁预应力张拉方案及计算书温州市市政工程建设开发公司二〇一四年七月十日后张法10m空心板梁预应力张拉方案及计算书一、张拉条件砼强度达到设计强度100%。
二、张拉方法所有钢绞线均采用两端对称张拉,张拉采用以张拉力控制为主,以伸长量做校验,实际伸长量与理论伸长量的误差控制在6%以内。
如发现伸长量异常应停止张拉,查明原因。
三、张拉程序0→初应力(10%)→20%二倍应力→1.0应力(持荷2min)后锚固,张拉顺序为:左N1→右 N1';10.0m(h=0.6m)简支梁四、锚具、钢绞线本工程采用YM15系列锚具。
钢绞线采用15.2mm钢绞线。
锚具和钢绞线均由厂家出具产品检验书,并送温州市正诚工程质量检测有限公司进行复检。
五、千斤顶、油表均经有关检测单位标定,千斤顶的工作架由钢管焊接而成,升降采用倒链进行抬升。
六、张拉操作采用柳州雷姆预应力机械有限公司生产的预应力智能张拉系统进行张拉。
千斤顶张拉进油升压必须缓慢、均匀、平稳,回油降压时应缓慢松开油阀,并使油缸回程到底。
梁端张拉工每张拉到整数时举手示意保持两端千斤顶力争同步工作。
七、实际伸长量的计算和测量初应力数值到达后,应在预应力钢束的两端精确的标以记号,预应力钢束的伸长量从记号起量,张拉力和伸长量的读数应在张拉过程中分阶段读出。
△L=△L1+△L2;△L1----从初始拉力至最大张拉力之间的实际伸长量;△L2----初始拉力是的推算伸长量(相邻级的伸长度);八、伸长率误差的计算(实测伸长量-理论伸长值)/理论伸长值×100%,张拉过程中该误差控制在±6%。
九、预应力钢束的封头张拉工序完成后经监理工程师同意后,对外露钢绞线进行切割,锚固后的预应力筋外露长度不宜小于30mm。
米空心板预应力张拉计算书(总9页)-CAL-FENGHAI.-(YICAI)-Company One1-CAL-本页仅作为文档封面,使用请直接删除国道110线麻正段公路第2合同段 13米空心板张拉控制计算书 宁夏路桥国道110线麻正公路第2合同段项目经理部二〇一六年四月十日第一章 工程概述本合同段预应力钢绞线采用国标φs 15.2(GB/T5224-2003),标准强度a 1860MP fpk , 低松驰高强度钢绞线。
跨径30m 箱梁和13m 空心板均采用Φs 15.2mm 钢绞线。
预应力损失参数:纵向预应力钢绞线波纹管摩阻系数u=0.23,孔道偏差系数K=0.003,钢束松弛预应力损失根据张拉预应力为1302MPa 取为△=0.025,锚具变形与钢束回缩值(一端)为6mm ;横向预应力钢绞线波纹管摩阻系数u=0.23,孔道偏差系数K=0.0015。
梁体预应力材料:预应力束:公称直径为Φ=15.2mm ,抗拉标准强度fpk=1860MPa 的高强度低松弛钢绞线。
第二章 设计伸长量复核一、计算公式及参数:1、预应力平均张拉力计算公式及参数:式中:P p —预应力筋平均张拉力(N )P —预应力筋张拉端的张拉力(N )X—从张拉端至计算截面的孔道长度(m)θ—从张拉端至计算截面的曲线孔道部分切线的夹角之和(rad)k—孔道每米局部偏差对摩檫的影响系数,取0.002μ—预应力筋与孔道壁的摩檫系数,取0.142、预应力筋的理论伸长值计算公式及参数:式中:P p—预应力筋平均张拉力(N)L—预应力筋的长度(mm)A p—预应力筋的截面面积(mm2),取140 mm2E p—预应力筋的弹性模量(N/ mm2),取1.95×105 N/ mm2二、平均控制张拉力及伸长量计算:(根据设计编号进行编排)见附表:预应力钢绞线张拉控制计算表第三章千斤顶张拉力与对应油表读数计算一、钢绞线的张拉控制应力:3根钢绞线束:F=0.75×Ap×n=1395*140*3=1171800N=585.9KN 4根钢绞线束:F=0.75fpk×A p×n=1395*140*4=781200N=781.2KN二、中梁:N1/N2(3根):1、3号千斤顶张拉、3号油表时:千斤顶回归方程:P=0.1991+0.0338F式中:P——油压表读数(MP a)F——千斤顶拉力(KN)(1)、15%F=87.885 KN时:P=0.1991+0.0338F=0.1991+0.0338×87.885=3.170MP a (2)、30%F=175.77KN时:P=0.1991+0.0338F=0.1991+0.0338×175.77=6.140MP a (3)、100%F=585.9KN时:P=0.1991+0.0338F=0.1991+0.0338×585.9=20.003MP a 2、4号千斤顶张拉、4号油表时:千斤顶回归方程:P=0.2878+0.0337F式中:P——油压表读数(MP a)F——千斤顶拉力(KN)(1)、15%F=87.885 KN时:P=0.2878+0.0337F=0.2878+0.0337×87.885=3.250MP a (2)、30%F=175.77KN时:P=0.2878+0.0337F=0.2878+0.0337×175.77=6.211MP a (3)、100%F=585.9KN时:P=0.2878+0.0337F=0.2878+0.0337×585.9=20.033MP a 3、08号千斤顶张拉、2号油表时:千斤顶回归方程:P=0.2208+0.0336F式中:P——油压表读数(MP a)F——千斤顶拉力(KN)(1)、15%F=87.885 KN时:P=0.2208+0.0336F=0.2208+0.0336×87.885=3.174MP a (2)、30%F=175.77KN时:P=0.2208+0.0336F=0.2208+0.0336×175.77=6.127MP a (3)、100%F=585.9KN时:P=0.2208+0.0336F=0.2208+0.0336×585.9=19.907MP a 4、0号千斤顶张拉、1号油表时:千斤顶回归方程:P=0.2683+0.0336F式中:P——油压表读数(MP a)F——千斤顶拉力(KN)(1)、15%F=87.885 KN时:P=0.2683+0.0336F=0.2683+0.0336×87.885=3.221MP a (2)、30%F=175.77KN时:P=0.2683+0.0336F=0.2683+0.0336×175.77=6.174MP a (3)、100%F=585.9KN时:P=0.2683+0.0336F=0.2683+0.0336×585.9=19.955MP a 三、边梁:N1(3根):1、3号千斤顶张拉、3号油表时:千斤顶回归方程:P=0.1991+0.0338F式中:P——油压表读数(MP a)F——千斤顶拉力(KN)(1)、15%F=87.885 KN时:P=0.1991+0.0338F=0.1991+0.0338×87.885=3.170MP a (2)、30%F=175.77KN时:P=0.1991+0.0338F=0.1991+0.0338×175.77=6.140MP a (3)、100%F=585.9KN时:P=0.1991+0.0338F=0.1991+0.0338×585.9=20.003MP a 2、4号千斤顶张拉、4号油表时:千斤顶回归方程:P=0.2878+0.0337F式中:P——油压表读数(MP a)F——千斤顶拉力(KN)(1)、15%F=87.885 KN时:P=0.2878+0.0337F=0.2878+0.0337×87.885=3.250MP a (2)、30%F=175.77KN时:P=0.2878+0.0337F=0.2878+0.0337×175.77=6.211MP a (3)、100%F=585.9KN时:P=0.2878+0.0337F=0.2878+0.0337×585.9=20.033MP a3、08号千斤顶张拉、2号油表时:千斤顶回归方程:P=0.2208+0.0336F式中:P——油压表读数(MP a)F——千斤顶拉力(KN)(1)、15%F=87.885 KN时:P=0.2208+0.0336F=0.2208+0.0336×87.885=3.174MP a (2)、30%F=175.77KN时:P=0.2208+0.0336F=0.2208+0.0336×175.77=6.127MP a (3)、100%F=585.9KN时:P=0.2208+0.0336F=0.2208+0.0336×585.9=19.907MP a 4、0号千斤顶张拉、1号油表时:千斤顶回归方程:P=0.2683+0.0336F式中:P——油压表读数(MP a)F——千斤顶拉力(KN)(1)、15%F=87.885 KN时:P=0.2683+0.0336F=0.2683+0.0336×87.885=3.221MP a (2)、30%F=175.77KN时:P=0.2683+0.0336F=0.2683+0.0336×175.77=6.174MP a (3)、100%F=585.9KN时:P=0.2683+0.0336F=0.2683+0.0336×585.9=19.955MP aN2(4根):1、3号千斤顶张拉、3号油表时:千斤顶回归方程:P=0.1991+0.0338F式中:P——油压表读数(MP a)F——千斤顶拉力(KN)(1)、15%F=117.18 KN时:P=0.1991+0.0338F=0.1991+0.0338×117.18=4.160MP a (2)、30%F=234.36KN时:P=0.1991+0.0338F=0.1991+0.0338×234.36=8.120MP a (3)、100%F=781.2KN时:P=0.1991+0.0338F=0.1991+0.0338×781.2=26.604MP a 2、4号千斤顶张拉、4号油表时:千斤顶回归方程:P=0.2878+0.0337F式中:P——油压表读数(MP a)F——千斤顶拉力(KN)(1)、15%F=117.18KN时:P=0.2878+0.0337F=0.2878+0.0337×117.18=4.237MP a (2)、30%F=234.36KN时:P=0.2878+0.0337F=0.2878+0.0337×234.36=8.186MP a (3)、100%F=781.2KN时:P=0.2878+0.0337F=0.2878+0.0337×781.2=26.614MP a3、08号千斤顶张拉、2号油表时:千斤顶回归方程:P=0.2208+0.0336F式中:P——油压表读数(MP a)F——千斤顶拉力(KN)(1)、15%F=117.18 KN时:P=0.2208+0.0336F=0.2208+0.0336×117.18=4.158MP a (2)、30%F=234.36KN时:P=0.2208+0.0336F=0.2208+0.033×234.36=8.095MP a (3)、100%F=781.2KN时:P=0.2208+0.0336F=0.2208+0.0336×781.2=26.469MP a 4、0号千斤顶张拉、1号油表时:千斤顶回归方程:P=0.2683+0.0336F式中:P——油压表读数(MP a)F——千斤顶拉力(KN)(1)、15%F=117.18 KN时:P=0.2683+0.0336F=0.2683+0.0336×117.18=4.206MP a (2)、30%F=234.36KN时:P=0.2683+0.0336F=0.2683+0.033×234.36=8.143MP a (3)、100%F=781.2KN时:P=0.2683+0.0336F=0.2683+0.0336×781.2=26.517MP a第五章附件1、预应力钢绞线张拉控制计算表2、千斤顶标定报告。
预应力张拉计算书(范本)预应力张拉计算书(范本)1. 引言本文档旨在对预应力张拉计算进行详细说明,以确保计算准确性和安全性。
2. 术语定义在本文档中,以下术语被定义如下:- 预应力张拉:通过施加预应力力量,使混凝土构件产生预压应力,以增强其承载能力和抗裂性能的过程。
- 预应力力量:通过张拉预应力筋或压制预应力筋所施加的力量。
- 预应力筋:用于施加预应力力量的钢筋。
- 预应力锚固端:将预应力筋锚固在混凝土中的部位。
- 拉伸长度:预应力筋在锚固端至张拉端的拉伸长度。
- 张拉端:预应力筋的一端,用于施加预应力力量。
- 引伸载荷:施加在预应力筋上的力量。
3. 设计要求在进行预应力张拉计算前,需要满足以下设计要求:- 构件尺寸和几何形状符合设计规范。
- 张拉力计算符合设计规范。
- 预应力筋的保护层和锚固长度符合设计规范。
- 构件的预应力张拉布置符合设计规范。
4. 计算输入参数进行预应力张拉计算时,需要输入以下参数:- 构件的尺寸和几何形状。
- 预应力筋的数量、直径和强度等级。
- 构件的材料参数,如混凝土强度等。
5. 张拉力计算通过施加预应力力量,预应力筋将被拉伸,产生一定的张拉力。
张拉力的计算公式如下:张拉力 = 引伸载荷 / 预应力筋的截面积6. 锚固长度计算预应力筋需要足够的锚固长度,以保证其在锚固段不滑动并能传递预应力力量。
锚固长度的计算需要考虑预应力筋的直径和混凝土的强度等因素。
7. 考虑其他因素在进行预应力张拉计算时,还需考虑以下因素:- 混凝土的抗裂性能。
- 预应力筋的损失。
- 预应力力量的施加方式和顺序。
8. 结论通过对预应力张拉计算的详细说明,我们可以确保计算的准确性和安全性。
附件:(在此处添加相关附件)法律名词及注释:1. 预应力:指在施工或制造过程中,施加力量于构件以减小约束应力并增加预先应变的作用。
2. 混凝土强度:指混凝土材料所能承受的最大压缩力。
3. 抗裂性能:指混凝土构件在受力后能够有效防止或减轻裂缝的产生和扩展的能力。
m空心板梁预应力张拉计算书公司内部编号:(GOOD-TMMT-MMUT-UUPTY-UUYY-DTTI-漳州台商投资区奥特莱斯大道工程后张法13m空心板梁预应力张拉方案及计算书中铁二局奥特莱斯大道项目部2014-6-18目录后张法16m 空心板梁预应力张拉方案及计算书一、张拉条件砼强度达到设计强度100%以上,并且混凝土龄期不小于14d ,方可张拉。
二、张拉方法所有钢绞线均采用两端对称张拉,张拉采用以张拉力控制为主,以伸长量做校验,实际伸长量与理论伸长量的误差控制在6%以内。
如发现伸长量异常应停止张拉,查明原因。
三、张拉程序0→初应力(10%)→25%应力→50%应力→75%应力→1.0应力(持荷2min )后锚固,张拉顺序为:13.0m(h=0.7m)简支梁张拉顺序为:左N1→右 N2→右N1→左N2,钢束应对称交错逐步加载张拉; 四、锚具、钢绞线本工程采用YM15系列锚具。
钢绞线采用15.2mm 钢绞线。
锚具和钢绞线均由厂家出具产品检验书,并送有关检测单位进行效验。
五、钢绞线的穿束钢绞线采用人工编束后,由人工进行穿入,钢绞线采用切断机切断。
预应力钢束明细表,如下:六、千斤顶、油表均经有关检测单位标定,千斤顶的工作架由钢管焊接而成,升降采用倒链进行抬升。
七、张拉操作千斤顶张拉进油升压必须缓慢、均匀、平稳,回油降压时应缓慢松开油阀,并使油缸回程到底。
梁端张拉工每张拉到整数时举手示意保持两端千斤顶力争同步工作。
八、实际伸长量的计算和测量初应力数值到达后,应在预应力钢束的两端精确的标以记号,预应力钢束的伸长量从记号起量,张拉力和伸长量的读数应在张拉过程中分阶段读出。
△L=△L1+△L2;△L1----从初始拉力至最大张拉力之间的实际伸长量;△L2----初始拉力以下推算伸长量(相邻级的伸长度);九、伸长率误差的计算(实测伸长量-理论伸长值)/理论伸长值×100%,张拉过程中该误差应小于6%。
20m空心板预应力张拉说明、压浆及张拉计算书张拉总述20m空心板根据设计图要求,当梁体砼强度达到设计强度的85%后且龄期不小于7d方可张拉。
采用两端同时张拉,张拉顺序为:左N1→右N2→右N1→左N2。
具体张拉程序如下:N1预应力钢束张拉力:0→0.15δ→δk持荷2分钟锚固N2预应力钢束张拉力:0→0.15δ→δk持荷2分钟锚固张拉参数见计算表。
一、预应力钢铰线的加工1、钢绞线进场后按规范要求进行检验,合格后方可进行加工;2、钢绞线必须保持清洁、干燥,在存放和搬运过程中要避免机械损伤和有害的锈蚀,进场后如存放的时间过长,必须再次检查,合格后方可加工;3、钢绞线严格按照设计长度下料,同一束中各根钢绞线下料长度的相对差值不得大于5mm;4、钢绞线的切断,应采用切断机或砂轮机,不得采用电弧切割;5、预应力钢绞线和锚具使用前必须按有关规定进行抽检;6、预应力钢绞线穿束前,必须对预应力钢绞线进行下料、编束,油泵、千斤顶必须进行校验,以确定张拉力与油表的对应关系;7、穿束时前端用卷扬机牵引,后端用人工协助;8、待砼强度达到设计强度的85%后进行张拉作业,张拉采用油表读数与伸长量双控制的方法,每一束拉完后看其断丝、滑丝情况是否在规定的要求范围,若超出规范需重新穿束张拉,锚固时也要作记号,防止滑丝;9、如果预应力钢绞线的伸长量与计算值超过6%,要找出原因,可以重新进行校核和测定预应力钢绞线的弹性模量。
二、张拉注意事项1、力筋安装尽可能在孔道内松弛程度一致,使其受力均匀。
2、两端同时张拉时,两千斤顶升降压、画线、测伸长值等工作应同步进行。
3、预应力筋在张拉控制应力达到稳定后方可锚固,预应力筋锚固的外露长度不得小于30mm,多余的预应力筋切割严禁采用电弧焊或氧焊切割,强调用砂轮机切割。
4、对千斤顶工作锚夹片,要随时检查,发现滑丝应及时更换。
5、千斤顶应分期进行标定,一般使用200次标定一次。
6、张拉人员应采用安全防护措施,设安全警示牌,头戴安全帽,进行预应力张拉时,严禁在力筋张拉方向站人,张拉工作人员应站在侧面,以防不测。
13m空心板张力控制计算书第一章项目概述本合同段预应力钢绞线采用国家标准φs 15.2(GB/T5224-2003)标准强度a 1860MP fpk =低松弛高强度钢绞线。
跨度为30m 的箱梁和跨度为13m 的空心板采用Φs 15.2mm 钢绞线。
预应力损失参数:纵向预应力钢绞线波纹管的摩擦系数为u=0.23,槽道偏差系数K=0.003,根据1302MPa 的拉伸预应力取钢束松弛预应力损失△=0.025,锚固变形与钢束回缩值(一端)为6mm ;横向预应力钢绞线波纹管摩擦系数为u=0.23,通道偏差系数K=0.0015。
梁体预应力材料:预应力束:公称直径Φ=15.2mm ,标准抗拉强度fpk=1860MPa 的高强低松弛钢绞线。
第 2 章 设计伸长率审查一、计算公式及参数:1、预应力平均拉力计算公式及参数:()()μθμθ+-=+kx e p p kx p 1 在哪里:P p ——预应力筋的平均张力(N )P ——预应力筋受拉端的拉力(N )X ——受拉端到计算截面的通道长度(m )θ——受拉端到计算截面弯曲通道部分切线的夹角之和(rad )k ——隧道每米局部偏差对摩擦力的影响系数,取0.002μ——预应力筋与通道壁的摩擦系数,取0.142、预应力筋理论伸长值计算公式及参数: ()P P p E A l p l =∆在哪里:P p ——预应力筋的平均张力(N )L ——预应力筋的长度(mm )A p ——预应力筋的截面积(mm 2 ),取140 mm 2E p ——预应力筋的弹性模量(N/mm 2 ),取1.95×10 5 N/mm 2二、平均控制张力和伸长率计算:(按设计编号排列) 见附表:预应力钢绞线张力控制计算表第三章千斤顶拉力计算及相应油位计读数1、钢绞线的张力控制应力:3股:F=0.75×Ap ×n=1395*140*3=1171800N=585.9KN 4股:F=0.75fpk ×A p ×n=1395*140*4=781200N=781.2KN 二、中梁:N1/N2(3个) :1号、3号千斤顶张紧,3号油位计: 杰克回归方程:P=0.1991+0.0338FF——千斤顶拉力(KN)(1) 当 15%F=87.885 KN 时:P=0.1991+0.0338F=0.1991+0.0338×87.885=3.170MP一(2) 30%F=175.77KN 时:P=0.1991+0.0338F=0.1991+0.0338×175.77=6.140MP一(3) 100%F=585.9KN 时:P=0.1991+0.0338F=0.1991+0.0338×585.9=20.003MP a 当 2 号和 4 号千斤顶张紧,4 号油位计:杰克回归方程:P=0.2878+0.0337F式中: P——油压表读数(MP a )F——千斤顶拉力(KN)(1) 当 15%F=87.885 KN 时:P=0.2878+0.0337F=0.2878+0.0337×87.885=3.250MP一(2) 30%F=175.77KN 时:P=0.2878+0.0337F=0.2878+0.0337×175.77=6.211MP a(3) 100%F=585.9KN 时:P=0.2878+0.0337F=0.2878+0.0337×585.9=20.033MP一3、08号千斤顶张紧、2号油表时:杰克回归方程:P=0.2208+0.0336FF——千斤顶拉力(KN)(1) 当 15%F=87.885 KN 时:P=0.2208+0.0336F=0.2208+0.0336×87.885=3.174MP一(2) 30%F=175.77KN 时:P=0.2208+0.0336F=0.2208+0.0336×175.77=6.127MP一(3) 100%F=585.9KN 时:P=0.2208+0.0336F=0.2208+0.0336×585.9=19.907MP一4、0号千斤顶张紧、1号油表时:杰克回归方程:P=0.2683+0.0336F式中: P——油压表读数(MP a )F——千斤顶拉力(KN)(1) 当 15%F=87.885 KN 时:P=0.2683+0.0336F=0.2683+0.0336×87.885=3.221MP一(2) 30%F=175.77KN 时:P=0.2683+0.0336F=0.2683+0.0336×175.77=6.174MP一(3) 100%F=585.9KN 时:P=0.2683+0.0336F=0.2683+0.0336×585.9=19.955MP一三、侧梁:N1(3个):1号、3号千斤顶张紧,3号油位计:杰克回归方程:式中: P——油压表读数(MP a )F——千斤顶拉力(KN)(1) 当 15%F=87.885 KN 时:P=0.1991+0.0338F=0.1991+0.0338×87.885=3.170MP一(2) 30%F=175.77KN 时:P=0.1991+0.0338F=0.1991+0.0338×175.77=6.140MP一(3) 100%F=585.9KN 时:P=0.1991+0.0338F=0.1991+0.0338×585.9=20.003MP a 当 2 号和 4 号千斤顶张紧,4 号油位计:杰克回归方程:P=0.2878+0.0337F式中: P——油压表读数(MP a )F——千斤顶拉力(KN)(1) 当 15%F=87.885 KN 时:P=0.2878+0.0337F=0.2878+0.0337×87.885=3.250MP一(2) 30%F=175.77KN 时:P=0.2878+0.0337F=0.2878+0.0337×175.77=6.211MP a(3) 100%F=585.9KN 时:P=0.2878+0.0337F=0.2878+0.0337×585.9=20.033MP一3、08号千斤顶张紧、2号油表时:杰克回归方程:式中: P——油压表读数(MP a )F——千斤顶拉力(KN)(1) 当 15%F=87.885 KN 时:P=0.2208+0.0336F=0.2208+0.0336×87.885=3.174MP一(2) 30%F=175.77KN 时:P=0.2208+0.0336F=0.2208+0.0336×175.77=6.127MP一(3) 100%F=585.9KN 时:P=0.2208+0.0336F=0.2208+0.0336×585.9=19.907MP一4、0号千斤顶张紧、1号油表时:杰克回归方程:P=0.2683+0.0336F式中: P——油压表读数(MP a )F——千斤顶拉力(KN)(1) 当 15%F=87.885 KN 时:P=0.2683+0.0336F=0.2683+0.0336×87.885=3.221MP一(2) 30%F=175.77KN 时:P=0.2683+0.0336F=0.2683+0.0336×175.77=6.174MP一(3) 100%F=585.9KN 时:P=0.2683+0.0336F=0.2683+0.0336×585.9=19.955MP一N2(4个):1号、3号千斤顶张紧,3号油位计:杰克回归方程:式中: P——油压表读数(MP a )F——千斤顶拉力(KN)(1) 当 15%F=117.18 KN 时:P=0.1991+0.0338F=0.1991+0.0338×117.18=4.160MP一(2) 当 30%F=234.36KN 时:P=0.1991+0.0338F=0.1991+0.0338×234.36=8.120MP一(3) 100%F=781.2KN 时:P=0.1991+0.0338F=0.1991+0.0338×781.2=26.604MP a 当 2 号和 4 号千斤顶张紧,4 号油位计:杰克回归方程:P=0.2878+0.0337F式中: P——油压表读数(MP a )F——千斤顶拉力(KN)(1) 当 15%F=117.18KN 时:P=0.2878+0.0337F=0.2878+0.0337×117.18=4.237MP一(2) 当 30%F=234.36KN 时:P=0.2878+0.0337F=0.2878+0.0337×234.36=8.186MP一(3) 100%F=781.2KN 时:P=0.2878+0.0337F=0.2878+0.0337×781.2=26.614MP一3、08号千斤顶张紧、2号油表时:杰克回归方程:式中: P——油压表读数(MP a )F——千斤顶拉力(KN)(1) 当 15%F=117.18 KN 时:P=0.2208+0.0336F=0.2208+0.0336×117.18=4.158MP一(2) 当 30%F=234.36KN 时:P=0.2208+0.0336F=0.2208+0.033×234.36=8.095MP一(3) 100%F=781.2KN 时:P=0.2208+0.0336F=0.2208+0.0336×781.2=26.469MP一4、0号千斤顶张紧、1号油表时:杰克回归方程:P=0.2683+0.0336F式中: P——油压表读数(MP a )F——千斤顶拉力(KN)(1) 当 15%F=117.18 KN 时:P=0.2683+0.0336F=0.2683+0.0336×117.18=4.206MP一(2) 当 30%F=234.36KN 时:P=0.2683+0.0336F=0.2683+0.033×234.36=8.143MP一(3) 100%F=781.2KN 时:P=0.2683+0.0336F=0.2683+0.0336×781.2=26.517MP a第五章附件1、预应力钢绞线张力控制计算表2.千斤顶校准报告。
20米先张法预应力空心板张拉计算书一、概况二、计算依据:《公路桥涵施工技术标准》JTJ041-2000、《预应力混凝土用钢绞线》GB/T5224-2003、施工设计图纸、千斤顶测试证书。
三、张拉设备及材料一、设备:张拉油泵型号为:ZD4-500 型(两台);千斤顶型号为:YDC240QX-200、YD200T-500(两台)。
以上设备均已委托云南省建筑工程质量监督检测站进行检测标定(详见测试证书)。
二、预应力空心板(先张法)所用预应力钢材采纳贵州钢绳集团生产的1×预应力钢绞线,依照检测,其平均检测各项力学性能平均值为:Rm=1937MPa,Agt=%, E=193GPa,符合GB/T5224-2003标准要求(详细见钢绞线拉伸检测报告);在施工进程中,为了便于统一操纵,钢绞线计算采纳如下数据:钢铰线公称直面积Ay=139mm2,标准强度f pk=1860MPa,锚下张拉操纵应力σcon= f pk= MPa,弹性模量Ep=×105 MPa。
四、伸长值及应力操纵:一、张拉方式及程序简介张拉程序为:0 →初应力→σcon (持荷2min 锚固),在初应力至操纵应力σcon 的张拉期间,各分级应力可依照千斤顶的行程进行调剂,初步预定为0 →15%σcon →30%σcon →50%σcon →75%σcon →100%σcon 。
张拉方式为:单张至15%σcon 后锚固在千斤顶横梁上,然后统一张拉至100%σcon 后锚固;砼强度达到要求后,再用千斤顶进行统一放张;2、锚下张拉应力操纵为:σcon = f pk =×1860= MPa3、单根钢绞线张拉端操纵力为:P p =139mm 2× MPa=188734N=4、张拉端操纵力为(一端同时多根钢绞线张拉,两台千斤顶):①、 中板(15根钢绞线):N=×15/2= KN②、 边板(16根钢绞线):N=×16/2=5、钢绞线理论伸长值:P P P E A LP L ⨯⨯=∆ =(188734×L )/(139××105N/ mm2)=6、钢绞线实际伸长值:ΔL 实=ΔL1+ΔL2ΔL1—从初应力至最大张拉应力间的实际丈量伸长值(mm )ΔL2—初应力时的理论推算值(mm ),初应力操纵为最大张拉力的15%,即:P 初==×188734=。
米空心板预应力张拉后张法计算书HUA system office room 【HUA16H-TTMS2A-HUAS8Q8-HUAH1688】清溪中桥20米空心板预应力张拉后张法计算书一、计算公式及参数:1、预应力平均张拉力计算公式及参数:μθμθ+-=+-kx e p P kx p )1()( 式中:Pp —预应力筋平均张拉力(N )P —预应力筋张拉端的张拉力(N )X —从张拉端至计算截面的孔道长度(m )θ—从张拉端至计算截面的曲线孔道部分切线的夹角之和(rad ) k —孔道每米局部偏差对摩檫的影响系数,取0.0015μ—预应力筋与孔道壁的摩檫系数,取0.252、预应力筋的理论伸长值计算公式及参数:)(p p p E A lP l =∆式中:Pp —预应力筋平均张拉力(N )L —预应力筋的长度(mm )Ap —预应力筋的截面面积(mm2),取140 mm 2Ep—预应力筋的弹性模量(N/ mm2),取1.95×105 N/ mm2二、伸长量计算:1、N1 束一端的伸长量:单根钢绞线张拉的张拉力P=0.75×1860×140=195300NX 直=8.467m;X 曲=1.313mθ=2.51×π/180=0.044radk X 曲+μθ=0.0015×1.313+0.25×0.044=0.0129695Pp=195300×(1-e-0.0129695)/0.0129695=194039NΔL 曲= PpL/(Ap Ep)=194039×1.313/(140×1.95×105)=9.33mm ΔL 直= PL/(Ap Ep)=195300×8.467/(140×1.95×105)=60.57mm (ΔL 曲+ΔL 直)*2=(9.33mm+60.57mm)*2=139.8mm与设计比较(139.8-142)/142=-1.5%2、N2 束一端的伸长量:单根钢绞线张拉的张拉力P=0.75×1860×140=195300NX 直= 8.372m;X 曲=1.428mθ=8.18×π/180=0.143radk X 曲+μθ=0.0015×1.428+0.25×0.143=0.0379Pp=195300×(1-e-0.0379)/0.0379=191645NΔL 曲= PpL/(Ap Ep)=191645×1.428/(140×1.95×105)=10.02mm ΔL 直= PL/(Ap Ep)=195300×8.372/(140×1.95×105)=59.89mm (ΔL 曲+ΔL 直)*2=(10.02mm+59.89mm)*2=140.82mm与设计比较(140.82-140)/140=-0.1%张拉时理论伸长量计算一、计算参数:1、K—孔道每米局部偏差对摩擦的影响系数:取0.00152、μ—预应力筋与孔道壁的摩擦系数:取0.253、Ap—预应力筋的实测截面面积:140 mm24、Ep—预应力筋实测弹性模量:1.95×105 N/ mm25、锚下控制应力:σk=0.75Ry b=0.75×1860=1395N/ mm26、单根钢绞线张拉端的张拉控制力:P=σkAp=195300N7、千斤顶计算长度:15cm8、工具锚长度:5cm二、张拉时理论伸长量计算:N1 束一端的伸长量:P=0.75×1860×140=195300NX 直=8.467m;X 曲=1.313mL 直=8.467+(0.15+0.05)=8.667mL 曲=1.313mθ曲=2.51°×π/180=0.044radk X 曲+μθ=0.0015×1.313+0.25×0.044=0.013Pp=195300×(1-e-0.013)/0.013=194036NΔL 曲= Pp L 曲/(Ap Ep)=194036×1.313/(140×1.95×105)=9.3mm ΔL 直= PpL 直/(Ap Ep)=195300×8.667/(140×1.95×105)=62mm(ΔL 曲+ΔL 直)×2=(9.3mm+62mm)×2=142.6mmN2束一端的伸长量:P=0.75×1860×140=195300NX 直=8.372m;X 曲=1.428mL 直=8.372+(0.15+0.05)=8.572mL 曲=1.428mθ曲=8.18°×π/180=0.143radk X 曲+μθ=0.0015×1.428+0.25×0.143=0.0379Pp=195300×(1-e-0.0379)/0.0379=190276NΔL 曲= Pp L 曲/(Ap Ep)=190276×1.428/(140×1.95×105)=10.00mm ΔL 直= PpL 直/(Ap Ep)=195300×8.572/(140×1.95×105)=61.32mm (ΔL 曲+ΔL 直)×2=(10mm+61.32mm)×2=142.64mm千斤顶张拉力与对应油表读数计算一、钢绞线的张拉控制应力:4 根钢绞线束:σcon=103.3σk=103.3%×195.3×4=806.98KN1、51207 号千斤顶张拉、0367号油表时:千斤顶回归方程:P=0.032973 F +0.538150式中:P——油压表读数(MPa)F——千斤顶拉力(KN)P=σcon=806.98KN时,(1)15%σcon=121.047kN 时:P=0.032973 F +0.538150 P=0.032973×121.047 +0.538150=4.529MPa(2)100%σcon= 806.979kN 时:P=0.032973F +0.538150 P=0.032973×806.979 +0.538150=27.147MPa 2、60106 号千斤顶张拉、0369号油表时:千斤顶回归方程:P=0.095367+0.032599F式中: P——油压表读数(MPa)F——千斤顶拉力(KN)P=σcon=806.98KN时,(1)15%σcon=121.047kN 时:P=0.095367+0.032599F =0.095367+0.032599×121.047=4.041MPa (2)100%σcon= 806.979kN 时:P=-0.6623+0.03466F =-0.6623+0.03466×806.979=26.402MPa。
B2合同段10m空心板梁计算书编制:审核:批准:2014年07月20日10m空心板梁计算书一、根据公式:4束钢绞线的张拉力为:P4 = 4(钢绞线根数)×139(每根公称截面积)×1395(张拉控制应力1860×0.75)= 775620N5束钢绞线的张拉力为:P5= 5(钢绞线根数)×139(每根公称截面积)×1395(张拉控制应力1860×0.75)= 969525N二、预应力筋平均张拉力按下式计算:Pp=P(1—e—( K x + μθ))/kx+μθ式中:Pp ——预应力筋平均张拉力(N);P ——预应力筋张拉端的张拉力(N);X ——从张拉端至计算截面的孔道长度(m);θ——从张拉端至计算截面的曲线孔道部分切线的夹角之和(弧度);k ——孔道每米局部偏差对摩擦的影响系数;μ——预应力筋与孔道壁的摩擦系数。
根据上述公式:中跨:N1的张拉长度分别为x1 = 4.80m, k=0.0015;μ=0.25;θ1=0.1047 求得(1—e—( K x1 + μθ1))/kx1+μθ1=0.9835所以4束钢绞线的张拉力为:Pp4-1 = P4-1×0.9835= 775620N×0.9835=762822.27NPp5-1 = P5-1×0.9835= 969525N×0.9835=953527.84N三、根据预应力筋的平均张拉力计算预应力筋的理论伸长值预应力筋的理论伸长值ΔL(mm)可按下式计算:ΔL = Pp * L / Ap * EpPp ——预应力筋平均张拉力(N);L ——预应力筋的长度(mm);Ap ——预应力筋的截面面积(mm2);Ep ——预应力筋的弹性模量(N/mm2);所以边跨预应力筋单侧张拉的理论伸长值为:经计算依次为:编号中梁边梁N1ΔL433 ΔL533四、根据P4、P5和两块标定油压表所对应的回归方程(后附)求得N1的单侧张拉读数的伸长量列表如下:4束×1395(张拉控制应力1860×0.75)×139(每束钢绞线截面积)=775620N5束×1395(张拉控制应力1860×0.75)×139(每束钢绞线截面积)=969525N2014年7月25日顶号67 71表号6874 6763回归方程Y=0.033967X+0.05 Y=0.034X-0.564束10% 20% 100% 10% 20% 100% 2.7 5.36 26.59 2.14 4.43 25.855束10% 20% 100% 10% 20% 100%3.37 6.68 33.22 3.38 6.2 33.23伸长量为:33mm(单侧)后附千斤顶标定记录、钢绞线试验记录。
米空心板预应力张拉计算书————————————————————————————————作者:————————————————————————————————日期:国道110线麻正段公路第2合同段13米空心板张拉控制计算书宁夏路桥国道110线麻正公路第2合同段项目经理部二〇一六年四月十日第一章 工程概述本合同段预应力钢绞线采用国标φs 15.2(GB/T5224-2003),标准强度a 1860MP fpk =, 低松驰高强度钢绞线。
跨径30m箱梁和13m空心板均采用Φs 15.2mm 钢绞线。
预应力损失参数:纵向预应力钢绞线波纹管摩阻系数u=0.23,孔道偏差系数K=0.003,钢束松弛预应力损失根据张拉预应力为1302MPa 取为△=0.025,锚具变形与钢束回缩值(一端)为6mm;横向预应力钢绞线波纹管摩阻系数u=0.23,孔道偏差系数K=0.0015。
梁体预应力材料:预应力束:公称直径为Φ=15.2mm ,抗拉标准强度fpk =1860MPa 的高强度低松弛钢绞线。
第二章 设计伸长量复核一、计算公式及参数:1、预应力平均张拉力计算公式及参数:()()μθμθ+-=+kx e p p kx p 1 式中:P p —预应力筋平均张拉力(N )P —预应力筋张拉端的张拉力(N )X —从张拉端至计算截面的孔道长度(m )θ—从张拉端至计算截面的曲线孔道部分切线的夹角之和(rad )k—孔道每米局部偏差对摩檫的影响系数,取0.002μ—预应力筋与孔道壁的摩檫系数,取0.142、预应力筋的理论伸长值计算公式及参数: ()P P p E A l p l =∆式中:Pp —预应力筋平均张拉力(N )L—预应力筋的长度(m m)A p —预应力筋的截面面积(mm 2),取140 mm 2E p —预应力筋的弹性模量(N/ mm 2),取1.95×105 N/ mm 2二、平均控制张拉力及伸长量计算:(根据设计编号进行编排) 见附表:预应力钢绞线张拉控制计算表第三章 千斤顶张拉力与对应油表读数计算一、钢绞线的张拉控制应力:3根钢绞线束:F=0.75×Ap ×n =1395*140*3=1171800N =585.9K N4根钢绞线束:F=0.75fpk ×A p×n=1395*140*4=781200N=781.2KN 二、中梁:N1/N2(3根):1、3号千斤顶张拉、3号油表时:千斤顶回归方程:P=0.1991+0.0338F式中:P——油压表读数(MP a)F——千斤顶拉力(KN)(1)、15%F=87.885KN时:P=0.1991+0.0338F=0.1991+0.0338×87.885=3.170MPa(2)、30%F=175.77KN时:P=0.1991+0.0338F=0.1991+0.0338×175.77=6.140MP a(3)、100%F=585.9KN时:P=0.1991+0.0338F=0.1991+0.0338×585.9=20.003MPa2、4号千斤顶张拉、4号油表时:千斤顶回归方程:P=0.2878+0.0337F式中:P——油压表读数(MP a)F——千斤顶拉力(KN)(1)、15%F=87.885 KN时:P=0.2878+0.0337F=0.2878+0.0337×87.885=3.250MP a(2)、30%F=175.77KN时:P=0.2878+0.0337F=0.2878+0.0337×175.77=6.211MPa(3)、100%F=585.9KN时:P=0.2878+0.0337F=0.2878+0.0337×585.9=20.033MP a3、08号千斤顶张拉、2号油表时:千斤顶回归方程:P=0.2208+0.0336F式中:P——油压表读数(MP a)F——千斤顶拉力(KN)(1)、15%F=87.885 KN时:P=0.2208+0.0336F=0.2208+0.0336×87.885=3.174MP a(2)、30%F=175.77KN时:P=0.2208+0.0336F=0.2208+0.0336×175.77=6.127MP a(3)、100%F=585.9KN时:P=0.2208+0.0336F=0.2208+0.0336×585.9=19.907MPa4、0号千斤顶张拉、1号油表时:千斤顶回归方程:P=0.2683+0.0336F式中:P——油压表读数(MP a)F——千斤顶拉力(KN)(1)、15%F=87.885 KN时:P=0.2683+0.0336F=0.2683+0.0336×87.885=3.221MPa(2)、30%F=175.77KN时:P=0.2683+0.0336F=0.2683+0.0336×175.77=6.174MPa (3)、100%F=585.9KN时:P=0.2683+0.0336F=0.2683+0.0336×585.9=19.955M Pa三、边梁:N1(3根):1、3号千斤顶张拉、3号油表时:千斤顶回归方程:P=0.1991+0.0338F式中:P——油压表读数(MP a)F——千斤顶拉力(KN)(1)、15%F=87.885 KN时:P=0.1991+0.0338F=0.1991+0.0338×87.885=3.170MPa(2)、30%F=175.77KN时:P=0.1991+0.0338F=0.1991+0.0338×175.77=6.140MP a(3)、100%F=585.9KN时:P=0.1991+0.0338F=0.1991+0.0338×585.9=20.003MP a 2、4号千斤顶张拉、4号油表时:千斤顶回归方程:P=0.2878+0.0337F式中:P——油压表读数(MPa)F——千斤顶拉力(KN)(1)、15%F=87.885 KN时:P=0.2878+0.0337F=0.2878+0.0337×87.885=3.250MP a (2)、30%F=175.77KN时:P=0.2878+0.0337F=0.2878+0.0337×175.77=6.211MP a(3)、100%F=585.9KN时:P=0.2878+0.0337F=0.2878+0.0337×585.9=20.033MP a3、08号千斤顶张拉、2号油表时:千斤顶回归方程:P=0.2208+0.0336F式中:P——油压表读数(MPa)F——千斤顶拉力(KN)(1)、15%F=87.885 KN时:P=0.2208+0.0336F=0.2208+0.0336×87.885=3.174MPa(2)、30%F=175.77KN时:P=0.2208+0.0336F=0.2208+0.0336×175.77=6.127M Pa(3)、100%F=585.9KN时:P=0.2208+0.0336F=0.2208+0.0336×585.9=19.907MP a4、0号千斤顶张拉、1号油表时:千斤顶回归方程:P=0.2683+0.0336F式中:P——油压表读数(MPa)F——千斤顶拉力(KN)(1)、15%F=87.885 KN时:P=0.2683+0.0336F=0.2683+0.0336×87.885=3.221MPa(2)、30%F=175.77KN时:P=0.2683+0.0336F=0.2683+0.0336×175.77=6.174MP a(3)、100%F=585.9KN时:P=0.2683+0.0336F=0.2683+0.0336×585.9=19.955MPaN2(4根):1、3号千斤顶张拉、3号油表时:千斤顶回归方程:P=0.1991+0.0338F式中:P——油压表读数(MP a)F——千斤顶拉力(KN)(1)、15%F=117.18 KN时:P=0.1991+0.0338F=0.1991+0.0338×117.18=4.160MP a(2)、30%F=234.36KN时:P=0.1991+0.0338F=0.1991+0.0338×234.36=8.120MPa(3)、100%F=781.2KN时:P=0.1991+0.0338F=0.1991+0.0338×781.2=26.604MPa2、4号千斤顶张拉、4号油表时:千斤顶回归方程:P=0.2878+0.0337F式中:P——油压表读数(MP a)F——千斤顶拉力(KN)(1)、15%F=117.18KN时:P=0.2878+0.0337F=0.2878+0.0337×117.18=4.237MPa(2)、30%F=234.36KN时:P=0.2878+0.0337F=0.2878+0.0337×234.36=8.186MPa(3)、100%F=781.2KN时:P=0.2878+0.0337F=0.2878+0.0337×781.2=26.614MPa3、08号千斤顶张拉、2号油表时:千斤顶回归方程:P=0.2208+0.0336F式中:P——油压表读数(MP a)F——千斤顶拉力(KN)(1)、15%F=117.18 KN时:P=0.2208+0.0336F=0.2208+0.0336×117.18=4.158MP a(2)、30%F=234.36KN时:P=0.2208+0.0336F=0.2208+0.033×234.36=8.095MP a(3)、100%F=781.2KN时:P=0.2208+0.0336F=0.2208+0.0336×781.2=26.469MP a4、0号千斤顶张拉、1号油表时:千斤顶回归方程:P=0.2683+0.0336F式中:P——油压表读数(MP a)F——千斤顶拉力(KN)(1)、15%F=117.18 KN时:P=0.2683+0.0336F=0.2683+0.0336×117.18=4.206MPa(2)、30%F=234.36KN时:P=0.2683+0.0336F=0.2683+0.033×234.36=8.143MPa(3)、100%F=781.2KN时:P=0.2683+0.0336F=0.2683+0.0336×781.2=26.517MP a第五章附件1、预应力钢绞线张拉控制计算表2、千斤顶标定报告。