高压电缆冷缩头
- 格式:pdf
- 大小:365.80 KB
- 文档页数:5
1、 电缆的预处理。
按户外终端950mm长度剥去电缆的外护套,向上留30mm的钢铠,借用恒力弹簧固定,其余剥除,并用砂纸打磨光滑,向上留取10mm的内护套,用PVC带将每相端头铜屏蔽层固定好,去掉填充物,将三相分开。
2、 安装接地线。
在三芯铜屏蔽带根处缠绕一周接地线,并向下引出,用恒力弹簧在此处固定好,同时再用一恒力弹簧将地线固定在打磨好的铠装上。
3、 绕包填充胶和密封胶。
在恒力弹簧下面约35mm处缠绕一层弹性密封胶,地线放置于上面,然后再缠绕一层弹性密封胶覆盖在接地线上面,在恒力弹簧上缠两层PVC胶带,保证弹簧不会松脱,在电缆三岔口处用填充胶带绕包若干层填实,用PVC胶带缠绕一圈覆盖在密封圈胶带上,用填充胶带填平恒力弹簧之间的间隙。
4、 安装冷缩头三指套。
将冷缩头三指套尽量套入电缆根部,沿逆时针方向将塑料支撑条抽出,使冷缩头三指套颈部收缩,然后用同样的方法收缩三芯指套末端,在三指套下段用J-30绝缘自粘带缠绕四层,在自粘带上包绕两层PVC胶带。
5、 安装冷缩绝缘管,确定安装尺寸。
将冷缩绝缘管分别套入电缆三相,绝缘套管下端固定在三指套根部,沿逆时针方向将塑料支撑条抽出使终端收缩,用PVC相色带按电缆相色分相标明。
从冷缩管端口向上依次量取10mm的铜屏蔽带,20mm长外半导电层,在铜屏蔽带、外半导电层上缠绕两层半导电带,搭接外半导电层端口≤2mm。
绝缘层用砂纸打磨,清洗干净,用清洁纸清洗绝缘层表面,待清洗剂挥发后涂抹硅脂在绝缘层表面,在三相线芯上包绕PVC胶带。
6、 安装冷缩头终端。
在外半导电层断口处向下60mm处作标识,将冷缩终端套入电缆,沿逆时针方向将塑料支撑条抽出使终端收缩,要求终端下端与安装定位线标记齐平。
7、 安装压接端子。
拆除三相线芯上的胶带,将接线端子套入线芯,然后用压接钳将端子压紧,在连接部分缠绕J-30自粘带三层。
8、 安装冷缩密封圈。
套入冷缩密封管(压接终端≥20mm),抽出支撑条,使密封管自然收缩,最后用硅胶带标识电缆三相。
10kv高压电缆头冷缩的制作方法10kV高压电缆头冷缩的制作方法引言:高压电缆头冷缩是一种常见的电缆终端接头处理方法,它可以确保电缆终端的安全可靠性。
本文将介绍10kV高压电缆头冷缩的制作方法,包括所需材料、步骤和注意事项。
一、所需材料1. 10kV高压电缆:确保电缆型号符合要求,如截面积、绝缘材料等;2. 冷缩套管:选择适合电缆型号和绝缘直径的冷缩套管;3. 冷缩套管连接剂:可选用热熔胶或胶水;4. 粗砂纸:用于研磨电缆绝缘表面;5. 清洁剂:用于清洁电缆绝缘表面;6. 热风枪或火焰枪:用于加热冷缩套管;7. 剪刀、刀具等基本工具。
二、制作步骤1. 清洁电缆绝缘表面:使用清洁剂和湿布或纸巾清洁电缆绝缘表面,确保表面干净无尘;2. 研磨电缆绝缘表面:使用粗砂纸轻轻研磨电缆绝缘表面,去除氧化物和污垢,确保电缆绝缘表面光洁;3. 选择合适的冷缩套管:根据电缆型号和绝缘直径选择合适的冷缩套管,确保套管能完全覆盖绝缘部分;4. 切割冷缩套管:根据电缆绝缘部分的长度,使用剪刀或刀具将冷缩套管剪成合适的长度;5. 套上冷缩套管:将切割好的冷缩套管套在电缆绝缘部分上,确保套管与绝缘紧密贴合;6. 加热冷缩套管:使用热风枪或火焰枪对冷缩套管进行加热,使其收缩并与电缆绝缘紧密结合;7. 断开电缆头与电缆主体之间的连接:根据具体情况,断开电缆头与电缆主体之间的连接;8. 连接电缆头和电缆主体:根据电缆头和电缆主体的连接方式,进行连接并确保连接牢固可靠;9. 固定电缆头:根据具体情况,使用绝缘胶带或其他固定装置固定电缆头;10. 检查和测试:对制作好的电缆头进行检查和测试,确保其安全可靠。
三、注意事项1. 操作前确保电缆处于断电状态,并采取必要的安全措施;2. 选择合适的冷缩套管和连接剂,确保与电缆绝缘材料相容;3. 清洁电缆绝缘表面时要注意使用温和的清洁剂,避免损坏绝缘材料;4. 研磨电缆绝缘表面时要轻轻研磨,避免损伤绝缘层;5. 加热冷缩套管时要控制加热温度和时间,避免过热导致损坏;6. 连接电缆头和电缆主体时要确保连接牢固可靠,避免出现接触不良或松动的情况;7. 制作完成后要进行检查和测试,确保电缆头的安全可靠性。
电力工程高压电缆冷缩电缆头施工技术方案一、概述高压电缆冷缩电缆头施工技术是一种用于高压电缆终端连接的工艺,通过冷缩电缆头实现电缆与设备的可靠连接。
本文将介绍高压电缆冷缩电缆头施工技术的具体步骤和注意事项。
二、施工准备1.确定施工区域,确保施工现场整洁、干燥,并做好安全防护措施。
2.准备所需材料和工具,包括冷缩电缆头、剥皮刀、剥线器、起线温枪、电缆接地套管、绝缘套管、导线接地套等。
三、施工步骤1.清理电缆头及电缆终端:使用剥皮刀清理电缆终端的外皮,确保暴露足够的电缆绞线和绝缘层。
2.剥皮刀剥除绝缘层:根据冷缩电缆头的要求,使用剥皮刀适当剥除绝缘层。
注意不要损伤绞线和金属屏蔽层。
3.安装电缆接地套管:根据电缆头的要求,将电缆接地套管套入电缆终端内,并固定。
4.弯曲绝缘套管:根据电缆头的要求,使用起线温枪将绝缘套管加热,使其软化,然后使用导线接地套将绝缘套管弯曲到要求的角度。
5.安装电缆头:将电缆头套入电缆终端,并固定。
需确保电缆头、绞线和金属屏蔽层的正确对位。
6.冷缩电缆头:根据电缆头的要求,使用定量加热源(如电热枪)对电缆头进行加热,使其冷缩到适当的位置。
同时应确保电缆头表面均匀加热,并避免过热和烧坏电缆绝缘层。
7.检查施工质量:施工完成后,应对电缆头的连接进行检查。
主要检查电缆头的外观及连接是否紧密、无剥离、无裂纹等不良现象。
四、注意事项1.施工前应对冷缩电缆头和电缆终端进行检查,确保质量和尺寸符合要求。
2.进行施工前,应对电缆终端进行清洁,清除杂物等污染物,以确保连接的可靠性。
3.在施工过程中,应定期检查电缆头的温度,避免过热造成损坏。
4.施工完成后,应对电缆头连接进行检查,确保连接紧密可靠,无裂纹、剥离等现象。
5.施工过程中要注意安全,遵循电气安全操作规程,如低压就地操作等。
五、结语高压电缆冷缩电缆头施工技术方案中,关键在于施工准备和施工步骤的正确执行。
只有严格按照要求操作,才能确保电缆头连接的可靠性和安全性。
10kv高压电缆冷缩终端头制作的步骤10KV高压电缆冷缩终端头制作的步骤引言:10KV高压电缆冷缩终端头是一种常用的电力设备,用于连接高压电缆和电气设备,起到绝缘、密封和保护的作用。
制作高质量的终端头对电缆的安全运行至关重要。
本文将详细介绍10KV高压电缆冷缩终端头的制作步骤,并提供个人观点和理解。
第一步:准备工作在开始制作10KV高压电缆冷缩终端头之前,必须做好以下准备工作:1. 确定所需终端头的型号和规格,并检查其是否与电缆相匹配。
2. 准备所有必要的工具和材料,例如端子、冷缩套管、绝缘胶、电缆切割工具等。
3. 仔细阅读终端头制造商提供的制作指南和安装说明。
第二步:电缆准备1. 使用电缆切割工具将电缆的外护套剥离,露出绞线层。
确保切割工具不会损坏绞线。
2. 将内层绝缘剥离,露出电缆绞线的金属导体。
清理金属导体,确保其表面干净。
3. 使用电缆切割工具在电缆绞线末端修剪。
第三步:终端头安装1. 将电缆引入终端头,并确保终端头能够完全覆盖电缆终端。
2. 根据制造商的指南,将绝缘胶施加在电缆金属导体上。
确保绝缘胶均匀分布,并没有空隙存在。
3. 将冷缩套管套在终端头上,并将其压至终端头的金属部分,使其能够完全覆盖金属导体和绝缘胶。
4. 使用热风枪或其他指定的加热设备,对冷缩套管进行加热,直至套管完全收缩并与电缆终端头紧密结合。
5. 检查终端头的安装是否牢固,确保绝缘及密封性能。
第四步:测试和验收1. 使用高压测试仪对终端头及整个电缆系统进行测试。
确保终端头的绝缘性能和安全性能符合标准要求。
2. 检查终端头的外观和安装质量,确保没有任何瑕疵或损坏。
3. 如果终端头经过测试和检查合格,即可进行验收,并将其投入使用。
个人观点和理解:制作10KV高压电缆冷缩终端头是一项需要严谨和专业技能的任务。
正确的制作步骤和使用合适的工具和材料至关重要。
在制作过程中,注意安全操作,防止受伤或电击风险。
终端头的安装质量对电缆运行的可靠性和安全性有着重要的影响。
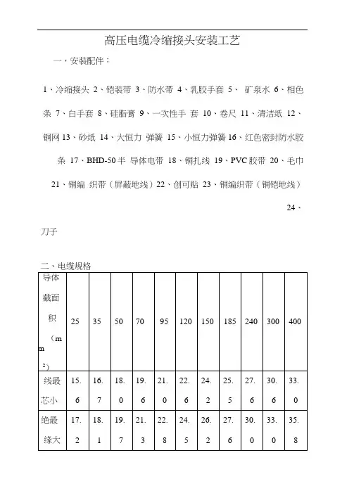
高压电缆冷缩接头安装工艺一,安装配件:1、冷缩接头2、铠装带3、防水带4、乳胶手套5、矿泉水6、相色条7、白手套8、硅脂膏9、一次性手套10、卷尺11、清洁纸12、铜网13、砂纸14、大恒力弹簧15、小恒力弹簧16、红色密封防水胶条17、BHD-50半导体电带18、铜扎线19、PVC胶带20、毛巾21、铜编织带(屏蔽地线)22、创可贴23、铜编织带(铜铠地线)24、刀子二、电缆规格不能将线芯绝缘 E÷2mm直径三、安装工序1、将试验合格的准备连接的两根电缆末端割平,调直,对接锯齐,按开剥尺寸图剥切电缆,锯除钢铠时,要先用恒力弹簧帮扎,锯 除后端口,锐角用PVC 带包裹。
2、剥铜屏蔽225mm,留外半导体层50mm,其余剥除(注:剥切 时要求断而整齐,且不允许划伤线芯绝缘层)。
在铜屏蔽与外半导电 层搭接处绕两层半导电带,以防铜屏蔽散开。
将半导电层断口处倒成 小斜坡,并用砂纸打磨使之光华过渡,不允许成齿状。
按连接管长度 额一半+2mm 切除电源绝缘体及内半导体层,将绝缘体端口倒角(注:800600 800端部削3、在开剥较长的一端套入冷缩接头主体,较短的一端套入铜屏蔽网。
(注:衬管条伸出的一端要先套入电缆,并且临时保护好冷缩接头主体与电缆线芯绝缘。
)同样完成另外两相。
4、将连接管按规定压接,并将连接管上的毛刺打光。
将绝缘表而的碳粒擦净,清洁绝缘体表面。
(注:特别注意不能在接头主体安装位置留有金属渣等其它导电物),用半导带将连接管与绝缘口间的间隙缠平,并在连接管上缠绕两层。
将硅脂涂在外半导层与主绝缘交接处,然后再均匀涂在绝缘体表面。
同样完成另外两相。
测量两绝缘体端口之间的距离L,然后按1/2在连接管上确定实际中心点D, 从中心点D量取30Omm,找出尺寸校验点B。
同样完成另外两相。
从外半导电层断口向铜屏蔽方向量20mm的C处作一记号,此处为接头收缩起点。
5、将接头对住定位标点C处,反时针抽出支撑条,当接头安全收缩完后,量接头中心标志到B的距离是否为300,如有偏差尽快用手将它校正过来。
高压电缆冷缩头规格型号表1. 介绍本文主要介绍高压电缆冷缩头规格型号表。
高压电缆冷缩头是一种常用于对电缆进行绝缘保护的设备,广泛应用于电力系统、工业设备、铁路交通等领域。
规格型号表是对不同型号的高压电缆冷缩头的详细参数进行集中整理和展示,以便用户在选购和使用时进行参考。
2. 规格型号表结构高压电缆冷缩头规格型号表一般包含以下主要内容: - 产品型号:每种高压电缆冷缩头都有一个唯一的型号,用于识别和区分不同规格的产品。
- 适用电缆规格:列出该型号适用的电缆规格范围,以便用户根据自身需求选择合适的型号。
- 主要参数:包括耐电压、耐温度、绝缘材料等参数,用户可以通过这些参数了解产品的性能特点。
- 安装方法:提供高压电缆冷缩头的安装步骤和注意事项,帮助用户正确、安全地进行安装。
- 注意事项:列出使用高压电缆冷缩头时需要注意的事项和禁忌,以确保使用效果和安全性。
3. 规格型号表示例产品型号适用电缆规格耐电压耐温度绝缘材料安装方法注意事项CR-1001 10-50mm²15kV -40~125℃硅橡胶1. 清理电缆表面2. 缩头预热3. 快速套在电缆上4.用热风枪进行加热收缩- 缩头必须完全覆盖绝缘层- 安装时避免造成机械损伤- 使用前请检查绝缘材料完整性CR-1002 50-95mm²20kV -40~150℃聚烯烃1. 清理电缆表面2. 缩头预热3. 缩头套在电缆上4.使用自动热收缩设备进行加热- 安装前请检查电缆镀层情况- 注意保护绝缘材料避免受到外力损伤CR-1003 95-185mm²25kV -40~200℃氟塑1. 清理电缆表面2. 缩头预热3. 缩- 安装时避免拉拽和扭曲- 注意远离产品型号适用电缆规格耐电压耐温度绝缘材料安装方法注意事项料头套在电缆上4.使用专业热风吹枪进行加热收缩火源和易燃物CR-1004 185-240mm²30kV -40~250℃聚氨酯1. 清理电缆表面2. 缩头预热3. 缩头套在电缆上4.使用专业高压热风机进行加热收缩- 安装后请检查缩头与电缆之间的接触紧密性- 注意避免烘烤过度4. 选购与使用建议•根据电缆规格选择合适的高压电缆冷缩头型号,确保尺寸匹配,以充分发挥其绝缘保护效果。
10kv高压电缆头冷缩的制作方法【原创版3篇】《10kv高压电缆头冷缩的制作方法》篇1高压电缆头冷缩是一种常见的电缆连接方式,其制作方法如下:1. 根据电缆的规格和型号,选择合适的冷缩管和半导体自粘带等材料。
2. 剥除电缆的金属屏蔽层和绝缘层,露出电缆的导体。
注意剥除时切口要平齐,无毛刺和凸缘,避免损伤电缆。
3. 将冷缩管的一端扩张,套在电缆导体上,然后慢慢收缩冷缩管,使其与电缆完全紧贴。
4. 在冷缩管与电缆接头处缠绕半导体自粘带,使其具有良好的绝缘和防水防潮效果。
5. 安装冷缩电缆头主体,将连接管压紧,确定定位尺寸。
6. 检查连接处是否有漏电、漏油等情况,如有问题应及时处理。
需要注意的是,制作冷缩电缆头需要严格遵守相关标准和规范,确保连接处的机械强度和电气性能符合要求。
《10kv高压电缆头冷缩的制作方法》篇2高压电缆头冷缩是一种常见的电缆连接方式,其制作方法如下:1. 根据电缆的规格和型号,选择合适的冷缩管和半导体自粘带等材料。
2. 剥除电缆的金属屏蔽层和绝缘层,露出电缆的导体。
注意剥除时切口要平齐,无毛刺和凸缘,避免损伤电缆。
3. 将冷缩管的一端扩张,套在电缆导体上,然后慢慢收缩冷缩管,使其与电缆完全紧贴。
4. 在冷缩管与电缆的连接处缠绕半导体自粘带,使其具有良好的绝缘和防水防潮效果。
5. 安装冷缩电缆头主体,将连接管和电缆接头连接起来,并调整定位尺寸,确保连接牢固。
6. 在安装过程中,应注意保持电缆的整洁和干净,避免油污和灰尘等杂物影响连接质量。
需要注意的是,不同电压等级和型号的电缆,其冷缩电缆头的制作方法可能会有所不同。
因此,在制作前应根据电缆的规格和型号,选择合适的材料和工艺,并按照相关标准和要求进行制作。
《10kv高压电缆头冷缩的制作方法》篇3高压电缆头冷缩是一种常见的电缆连接方式,其制作方法如下:1. 根据厂家提供的安装图纸,准备所需的材料和工具。
2. 剥除电缆的金属屏蔽层和绝缘层,露出导体。
电缆冷缩头今天我们来说说电缆冷缩头,电缆冷缩头顾名思义就是用在电缆上的冷缩终端头,既然是用在电缆上的,那规格型号就是与电缆的适用平方一致的。
接下来我们简单的来说说1kv、10kv、35kv电缆冷缩头的适用平方。
电缆冷缩头之1kv,其适用平方有五类,分别是0#10-16mm2、1#25-50mm2、2#70-120mm2、3#150-240mm2、4#300-400mm2。
电缆冷缩头之10kv,其适用平方有四类,分别是1#25-50mm2、2#70-120mm2、3#150-240mm2、4#300-400mm2。
电缆冷缩头之35kv,其适用平方有三类,分别是1#50-95mm2、2#120-185mm2、3#240-300mm2。
以上就是冷缩电缆头的三种不同耐压级别的适用平方,从中我们也可以看的出来其还是有着区别的。
当然除了这些不同外,还有就是10kv和35kv是属于高压电缆冷缩头,其不同于1kv低压电缆冷缩头。
高压电缆冷缩头是有着户内户外之分的,需要注意的是户内冷缩电缆头绝不可以用在户外,那是因为在户外冷缩电缆头需要常年裸露在外,经常历经风吹雨打,环境比较恶劣。
而户内冷缩电缆头的产品配套表是适用于户内的,并不适用于户外。
三种不同耐压级别的电缆冷缩头的不同点就在这边简单的讲完了,其实现在随着科技的发展、时代的进步,越来越多人喜欢使用冷缩产品,冷缩产品的使用范围也越来越广了。
一般来说大家所了解的是热缩产品使用范围广,其实冷缩产品也在逐步扩大范围。
比如说可用在电缆上使电缆正常运行,也可用在各种不同类型的把手上,比如说鱼竿上。
当然这个热缩产品也可做到,但是有很多客户还是会选择用冷缩产品。
综上所述我们可以看出不管是冷缩产品还是热缩产品只要适合的就是最好的。
小编今天讲的电缆冷缩头在这儿就简单的讲述完了,对此有兴趣的可前来联系、了解、询价。
10kv高压电缆头冷缩的制作方法
10kv高压电缆头冷缩是一种常用的电缆连接方式,它可以有效地保护电缆接头,提高电缆的安全性和可靠性。
本文将介绍10kv高压电缆头冷缩的制作方法。
准备工作是非常重要的。
在制作10kv高压电缆头冷缩之前,需要准备好以下材料和工具:冷缩套管、导电胶水、绝缘胶水、剥线钳、螺丝刀、打火机等。
第一步是剥线。
首先,使用剥线钳将电缆外皮剥离,露出导体。
然后,根据电缆头的要求,将导体上的绝缘层去除,露出一定长度的裸露导体。
第二步是安装冷缩套管。
将冷缩套管套在电缆头上,确保套管能够完全覆盖裸露导体和绝缘层。
然后,使用打火机加热冷缩套管,使其收缩并与电缆头紧密结合。
第三步是注胶。
使用导电胶水将导体表面涂抹一层薄薄的胶水,以增强导电性能。
然后,使用绝缘胶水将冷缩套管内部涂抹一层胶水,以增强绝缘性能。
第四步是固定。
将电缆头插入连接器中,并使用螺丝刀将连接器上的螺丝旋紧,确保电缆头与连接器之间的连接牢固可靠。
最后一步是测试。
使用专业的测试仪器对连接后的电缆头进行电气
性能测试,确保连接质量达到要求。
总结一下,制作10kv高压电缆头冷缩的方法主要包括剥线、安装冷缩套管、注胶、固定和测试。
通过正确的制作方法,可以确保电缆头的安全可靠性,提高电缆的使用寿命和稳定性。
同时,在制作过程中要注意安全,避免触电和其他事故的发生。
希望本文对读者理解和掌握10kv高压电缆头冷缩的制作方法有所帮助。
高压电缆头冷缩套施工工法高压电缆头冷缩套施工工法一、前言高压电缆头冷缩套施工工法是一种用于电力设备终端的绝缘保护措施。
它采用冷缩套技术,通过加热和冷却的方式将绝缘套管收缩到设备终端上,以保护电缆连接的安全和可靠性。
本文将详细介绍这种工法的特点、适应范围、工艺原理、施工工艺、劳动组织、机具设备、质量控制、安全措施以及经济技术分析等方面的内容。
二、工法特点1. 高可靠性:采用冷缩套技术,确保绝缘套管与设备终端之间的紧密接触,提高电缆连接的可靠性。
2. 耐环境性好:冷缩套具有优异的耐电压和耐化学腐蚀性能,适用于多种复杂环境条件下的电力设备。
3. 施工简便:工艺简单而高效,不需要特殊的设备和操作技能,适用于各种规模的工程。
4. 经济实用:与传统热缩方法相比,冷缩套施工工法成本更低,使用寿命更长,性价比更高。
三、适应范围高压电缆头冷缩套施工工法适用于各种绝缘材料和设备终端的保护,特别适用于高压电缆、中压电缆和特殊电缆的接头终端的绝缘保护。
四、工艺原理高压电缆头冷缩套施工工法的原理是利用热收缩特性。
通过加热绝缘套管,使其软化,然后迅速冷却,让其收缩到设备终端上。
这样可以确保绝缘套管与设备终端之间的良好贴合和密封,防止电缆头接头受到湿气和灰尘的侵入,保证电缆的安全运行。
五、施工工艺高压电缆头冷缩套施工工法的施工工艺包括以下几个阶段:1. 准备工作:包括检查材料、准备设备、确认施工区域等。
2. 清洁设备终端:使用适当的方法和工具清洁设备终端,确保其表面干净,以便绝缘套管的贴合度。
3.加热绝缘套管:使用专用的加热工具,对绝缘套管进行加热,使其软化。
4. 冷却绝缘套管:将加热后的绝缘套管迅速冷却,使其收缩到设备终端上。
5. 质量检查:检查绝缘套管的质量,确保无气泡、裂纹或不完全收缩等问题。
6. 测试电缆连接:对完成的工作进行电气和机械性能测试,确保连接质量。
六、劳动组织高压电缆头冷缩套施工工法一般由电力设备终端制造厂或电力设备终端施工队组织施工。
高压电缆头冷缩的制作方法
高压电缆头冷缩是一种电力连接方式,它通过在电缆接口处加装一定长度的高压电缆头冷缩管,来达到绝缘、防水、防腐等目的。
下面将介绍高压电缆头冷缩的制作方法。
首先,准备好所需的材料和工具。
这些材料包括高压电缆头冷缩管、绝缘环、电缆铜芯、电缆外护套等,工具包括电缆剥皮钳、电热枪、打火机、剪刀等。
其次,对电缆进行剥皮处理。
使用电缆剥皮钳将电缆外护套和内部绝缘层逐层剥离,露出铜芯,并将其清洗干净。
然后,将绝缘环套在电缆上。
绝缘环是一种绝缘材料,可以起到绝缘作用,保护电缆铜芯不受损。
接着,将高压电缆头冷缩管套在电缆上,并用电热枪进行加热。
加热时要注意温度和时间的控制,以免过度加热导致电缆头变形或烧焦。
最后,将打火机点燃,用火焰将电缆头的剩余部分烤熔,以确保其与电缆铜芯之间无空气隙缝,达到保护电缆铜芯的作用。
总之,高压电缆头冷缩的制作方法比较简单,但是在加工的过程中需要注意安全,
以免发生火灾或其他意外情况。
10kv高压电缆冷缩封头分类
10kV高压电缆冷缩封头主要可以从材质、用途和结构等方面进
行分类。
首先,从材质来看,冷缩封头可以分为不同的材质类型,例如,硅橡胶冷缩封头、聚乙烯冷缩封头、交联聚乙烯冷缩封头等。
不同
的材质适用于不同的环境和工作条件,例如耐高温、耐腐蚀等特性。
其次,从用途来看,冷缩封头可以根据其使用场景和功能进行
分类,比如户内用冷缩封头、户外用冷缩封头、防水型冷缩封头、
防爆型冷缩封头等。
不同的用途决定了冷缩封头的具体设计和特性。
另外,从结构来看,冷缩封头可以分为直埋式冷缩封头、接头
式冷缩封头、分支式冷缩封头等。
不同的结构适用于不同的电缆连
接方式和布线环境。
总的来说,10kV高压电缆冷缩封头的分类主要取决于材质、用
途和结构等因素,根据具体的工程需求和使用环境选择合适的冷缩
封头类型非常重要。
1、电缆的预处理。
按户外终端950mm长度剥去电缆的外护套,向上留30mm的钢铠,借用恒力弹簧固定,其余剥除,并用砂纸打磨光滑,向上留取10mm的内护套,用PVC带将每相端头铜屏蔽层固定好,去掉填充物,将三相分开。
2、安装接地线。
在三芯铜屏蔽带根处缠绕一周接地线,并向下引出,用恒力弹簧在此处固定好,同时再用一恒力弹簧将地线固定在打磨好的铠装上。
3、绕包填充胶和密封胶。
在恒力弹簧下面约35mm处缠绕一层弹性密封胶,地线放置于上面,然后再缠绕一层弹性密封胶覆盖在接地线上面,在恒力弹簧上缠两层PVC胶带,保证弹簧不会松脱,在电缆三岔口处用填充胶带绕包若干层填实,用PVC胶带缠绕一圈覆盖在密封圈胶带上,用填充胶带填平恒力弹簧之间的间隙。
4、安装冷缩头三指套。
将冷缩头三指套尽量套入电缆根部,沿逆时针方向将塑料支撑条抽出,使冷缩头三指套颈部收缩,然后用同样的方法收缩三芯指套末端,在三指套下段用J-30绝缘自粘带缠绕四层,在自粘带上包绕两层PVC胶带。
5、安装冷缩绝缘管,确定安装尺寸。
将冷缩绝缘管分别套入电缆三相,绝缘套管下端固定在三指套根部,沿逆时针方向将塑料支撑条抽出使终端收缩,用PVC相色带按电缆相色分相标明。
从冷缩管端口向上依次量取10mm的铜屏蔽带,20mm长外半导电层,在铜屏蔽带、外半导电层上缠绕两层半导电带,搭接外半导电层端口≤2mm。
绝缘层用砂纸打磨,清洗干净,用清洁纸清洗绝缘层表面,待清洗剂挥发后涂抹硅脂在绝缘层表面,在三相线芯上包绕PVC胶带。
6、安装冷缩头终端。
在外半导电层断口处向下60mm处作标识,将冷缩终端套入电缆,沿逆时针方向将塑料支撑条抽出使终端收缩,要求终端下端与安装定位线标记齐平。
7、安装压接端子。
拆除三相线芯上的胶带,将接线端子套入线芯,然后用压接钳将端子压紧,在连接部分缠绕J-30自粘带三层。
8、安装冷缩密封圈。
套入冷缩密封管(压接终端≥20mm),抽出支撑条,使密封管自然收缩,最后用硅胶带标识电缆三相。
高压电缆冷缩接头施工工法高压电缆冷缩接头施工工法一、前言高压电缆冷缩接头施工工法是一种用于电力工程中的关键工艺,用于连接或修复高压电缆的断裂或损坏部分。
该工法经过科学研究和实践应用,在确保电力设备安全稳定运行的同时,提高了工程建设的效率和可靠性。
二、工法特点高压电缆冷缩接头施工工法具有以下特点:1. 高可靠性:通过采用专业材料和技术,保证了接头的高稳定性和可靠性。
2. 高耐久性:接头经过冷缩后,具有良好的耐久性和抗老化能力,能够适应各种恶劣环境。
3. 高安全性:工法使用过程中,考虑了安全问题,并采取了相应的措施,确保施工过程中的人身安全和设备安全。
4. 施工简便:工法使用简单,施工过程中不需要复杂的设备和工具,且施工速度快。
三、适应范围高压电缆冷缩接头施工工法适用于各种高压电缆的连接和修复,如输电线路、变电站、电力设备等。
该工法适用于不同电压等级的电缆,可满足不同电力工程的需求。
四、工艺原理高压电缆冷缩接头施工工法的原理是通过冷缩套管和冷缩接头来连接和修复电缆。
冷缩套管使用特殊材料制成,具有良好的绝缘性能和机械强度。
在施工过程中,工作人员会根据实际情况选择合适的冷缩套管和冷缩接头,然后使用专用工具将其安装在电缆上。
在施工完成后,通过加热或压缩的方式将冷缩套管和冷缩接头恢复到正常状态,从而实现电缆的连接和修复。
五、施工工艺1. 准备工作:清理电缆表面,确保接头能够紧密贴合。
检查电缆的绝缘状况,确保没有损坏或老化的部分。
2. 安装冷缩套管:根据电缆直径,选择合适的冷缩套管,并将其放置在电缆上。
使用专用工具将套管紧密固定在电缆上。
3. 安装冷缩接头:将冷缩接头连接到电缆的断裂或损坏部分,确保插头与电缆连接牢固。
4. 冷缩过程:通过加热或压缩的方式,将冷缩套管和冷缩接头恢复到正常状态。
确保连接紧密,并具有良好的绝缘性能和机械强度。
5. 检查和测试:施工完成后,对接头进行检查和测试,确保连接的稳定性和可靠性。
高压电缆冷缩头中文名冷缩电缆附件简称电缆附件主要作用根据运行需要产品分类户内外电压等级10kv-35kv生产厂商上海民熔电气有限公司(PS:上海民熔还有其他您可能需要的相关产品资料:高压计量箱、高压电缆分支箱、高压真空断路器等一系列户内外高压元器件,详情请登录(上海民熔官网)查询相关资料。
)冷缩电缆终端头是利用弹性体材料(常用的有硅橡胶和乙丙橡胶)在工厂内注射硫化成型,再经扩径、衬以塑料螺旋支撑物构成各种电缆附件的部件。
现场安装时,将这些预扩张件套在经过处理后的电缆末端或接头处,抽出内部支撑的塑料螺旋条(支撑物),压紧在电缆绝缘上而构成的电缆附件。
因为它是在常温下靠弹性回缩力,而不是像热收缩电缆附件要用火加热收缩,故俗称冷收缩电缆附件。
简介;早期的冷收缩电缆终端头只是附加绝缘采用硅橡胶冷缩部件,电场处理仍采用应力锥型式或应力带绕包式。
现在普遍都采用冷收缩应力控制管,电压等级从10kV到35kV。
冷缩电缆终端头,1kV级采用冷收缩绝缘管作增强绝缘,10kV级采用带内外半导电屏蔽层的接头冷收缩绝缘件。
三芯电缆终端分叉处采用冷收缩分支套。
冷缩电缆终端头具有体积小、操作方便、迅速、无需专用工具、适用范围宽和产品规格少等优点。
与热收缩式电缆附件相比,不需用火加热,且在安装以后挪动或弯曲不会像热收缩式电缆附件那样出现附件内部层间脱开的危险(因为冷缩电缆终端头靠弹性压紧力)。
与预制式电缆附件相比,虽然都是靠弹性压紧力来保证内部界面特性,但是它不像预制式电缆附件那样与电缆截面一一对应,规格多。
必须指出的是,在安装到电缆上之前,预制式电缆附件的部件是没有张力的,而冷缩电缆终端头是处于高张力状态下,因此必须保证在贮存期内,冷收缩式部件不应有明显的永久变形或弹性应力松弛,否则安装在电缆上以后不能保证有足够的弹性压紧力,从而不能保证良好的界面特性。
使用说明;以下对10lv和35kv冷缩电缆终端头和10kv冷缩电缆终端头的结构、安装工艺及注意事项作一简介。
1.10kv三芯电缆冷缩电缆终端头(1)按制造厂提供的安装说明书规定的尺寸剥去电缆外护层、钢带(若有钢带)、内护层及线芯问填料(钢带剥切长度主要由线芯允许弯曲半径和规定的相间距离来确定,但需考虑与所提供的套在线芯上的冷缩护套管长度相适配)。
内护层留10mm,钢带留25mm。
然后将电缆端部约50mm长一段外护层擦洗干净。
(2)安装接地线。
在钢带以上约65mm处的线芯铜屏蔽上分别安装接地铜环,并用恒力弹簧将接地编织铜线和三条铜带一起固定在钢带上。
若要求钢带与线芯屏蔽分开接地,则应另取10mm2编织铜线用恒力弹簧固定在钢带上,然后用绝缘带绕包覆盖,再将线芯屏蔽接地编织铜线与三根线芯接地铜带连接引出。
注意:钢带接地线和线芯屏蔽接地线在终端头内不可有电气上的连通。
为了防止水汽沿接地线进入电缆,在外护层上先用防水带包2层,将接地线夹在中间,外面再包2层防水带。
(3)安装冷收缩分支套。
将冷收缩分支套置于线芯分叉处,先抽出下端内部塑料螺旋条,然后再抽出三个指管内部塑料螺旋条,在线芯分叉处收缩压紧。
(4)安装冷收缩护套管。
将三根冷收缩护套管分别套在三根线芯上、下部覆盖分支套指管15mm,抽出管内塑料螺旋条,在线芯铜屏蔽上收缩压紧。
若为加长型户内终端头,则用同样方法收缩第二根冷收缩护套管,其下端与第一根搭接15mm。
护套管末端到线芯末端长度应等于安装说明书规定的尺寸。
(5)从护套管口向上留一段铜屏蔽(户外终端头留45mm,户内终端头留30mm),其余剥去。
留下10mm半导电层,其余半导电层剥去,并按接线端子孔深加1omm剥去线芯末端绝缘。
(6)从钢屏蔽带末端10mm处开始绕包半导电带直到覆盖电缆绝缘10mm,然后返回到铜屏蔽带上,要求半导电带与绝缘交界处平滑过渡(无明显台阶)。
(7)压接接线端子。
(8)安装冷收缩绝缘件。
先用清洗剂擦净电缆绝缘及接线端于压接处.并在包绕半导电带及附近绝缘表面涂少许硅脂。
套入冷收缩绝缘件到安装说明书所规定的位置,抽出塑料螺旋条,在电缆绝缘上收缩压紧(若接线端子平板宽度大于冷收缩绝缘件内径时,则应先安装冷收缩绝缘件,然后压接接线端子)。
(9)用绝缘橡胶带包绕接线端子与线芯绝缘之间的间隙,外面再包绕耐漏痕带。
(10)在三相线芯分支套指管外包绕相色标志带。
2.35kv单芯电缆终端头比10kv三芯电缆终端头的结构和工艺简单,不需要安装分支套和线芯上的护套管,其余和三芯电缆终端头基本相同。
3.10kv三芯电缆接头其安装工艺与预制件接头类似,但应注意下列不同之处:(1)将冷收缩接头主体套在剥切较长的一端电缆线芯上时,塑料螺旋条的抽头应朝向该端电缆芯分叉处。
(2)有关部件全部套在电缆线芯上后,两端电缆导体与压接管不必像预制件接头那样分二次压接。
(3)将冷收缩接头主体移向接头中间前,在半导电层与绝缘交界处及绝缘表面均匀涂抹由制造厂提供的专用混合剂。
(4)安装屏蔽铜网过桥线及钢带跨接线,通常采用恒力弹簧固定。
(5)冷收缩接头采用半搭盖绕包一层防水带,两端覆盖电缆外护层各60mm,再用铠装带绕包整个接头表面,固化后有良好的机械保护作用。
这种销装带(armorcast)是预浸渍可固化的黑色聚氨酪玻璃纤维编制带,真空包装。
使用前先打开包装,灌水15s后将水倒出,即可使用。
也可采用其它合适的保护层或保护盒。
冷缩型号表电压等级产品名称规格型号电缆截面(mm)单位10KV 冷缩户内终端1#NLS-10-3.125---50套2#NLS-10-3.270---120套3#NLS-10-3.3150---240套4#NLS-10-3.4300---400套5#NLS-10-3.5500-630套冷缩户外终端1#WLS-10-3.125---50套2#WLS-10-3.270---120套3#WLS-10-3.3150---240套4#WLS-10-3.4300---400套5#WLS-10-3.5500-630套冷缩中间接头1#JLS-10-3.125---50套2#JLS-10-3.270---120套3#JLS-10-3.3150---240套4#JLS-10-3.4300---400套5#JLS-10-3.5500-630套35KV 冷缩户内终端1#NLS-35-3.150--95套2#NLS-35-3.2120--185套3#NLS-35-3.3240--400套4#NLS-35-3.4500--800套冷缩户外终端1#WLS-35-3.150--95套2#WLS-35-3.2120--185套3#WLS-35-3.3240--400套4#WLS-35-3.4500--800套冷缩中间接头1#JLS-35-3.150--95套2#JLS-35-3.2120--185套3#JLS-35-3.3240--400套4#JLS-35-3.4500--800套模型式电缆附件模塑式电缆附件主要用在35kv及以上交联电缆直通型接头上。
它是利用辐照交联或化学交联的聚乙烯薄膜带材绕包在经过处理后的电缆接头处,借助于专用模具(铝模或耐热张力带)压紧,并加热成型的接头。
辐照交联聚乙烯带材在生产过程中,经过预拉伸处理(在100c下拉伸30%,再冷却切卷)、绕包成接头后,经加热回缩,使绕包的带材层间气隙受到压缩,从而有提高气隙放电电压的作用。
这种接头的局部放电水平较高,适合于制作电压等级较高的电缆接头。
由于绕包和加热时间长,对35kv以下电缆一般都不采用这种接头。
即使35kv电缆接头,因为绕包式和预制式接头工艺都比较方便,模塑式接头也用得不多了。
35kv电缆模塑式接头是现场绕包成型的,因此,除了要求操作人员严格按图纸规定的尺寸和要求施工,还与施工时的环境条件如(湿度、灰尘等)有关,湿度不宜过大,施工现场应有防雨防尘的帐篷,绕包时应戴橡皮手套等。
浇铸式电缆附件浇铸式电缆附件所用的材料有环氧树脂、聚氨酯和丙烯酸酯等,在挤包绝缘电缆上使用较多的是聚氨酯,主要用作直通式接头和分支式接头。
固化后的聚氨酯具有较高的弹性,其膨胀系数也比较接近挤包电缆绝缘材料的膨胀系数,这对提高接头内电缆绝缘与增强绝缘的界面特性非常有利。
聚氨酪和聚氨乙烯有较强的结合力,因此用作聚氨乙烯绝缘电缆接头更显其优越性。
浇铸式电缆接头的结构和安装工艺各厂家有一定的差异,但是电缆剥切工艺和操作要点与其它电缆接头基本相同。
电缆外半导电屏蔽层切断处的电场处理方法有两种:一是在该处绕包应力控制带;另一方法是绕包应力锥。
对35kv电缆接头,一般都在电缆绝缘表面绕包乙丙橡胶自粘带作为过渡层。
接头外壳通常由工厂提供,外壳内的金属屏蔽层应与两端电缆屏蔽层可靠连接起来。
若用模具浇注,则应在脱模后用半导电自粘带缠绕接头绝缘表面,再施加屏蔽铜网,铜网应与两端电缆屏蔽层可靠连接。
然后,安装接头过桥线和接头外保护层(通常为热收缩护套管)。
浇注工艺操作正确与否对电缆附件性能影响很大,因此要特别注意。
首先应检查所使用的浇铸剂是否超过贮存期(包装上有说明),浇注前应将浇铸剂的两个组分充分搅拌均匀,然后从浇注于l缓缓注人,以避免出现气泡。
电缆附件适用标准主要有三个层次:第一层:IEC标准IEC62076《额定电压150kV(Um=170kV)以上至500kV(Um=550kV)挤出绝缘电力电缆及其附件的电力电缆系统--试验方法和要求》IEC60840《额定电压30kV(Um=36kV)以上至150kV(Um=170kV)挤出绝缘电力电缆及其附件试验方法和要求》IEC60859《额定电压72.5kV及以上气体绝缘金属封闭开关的电缆联接装置》IEC60502《额定电压1kV(Um=1.2kV)以上至30kV(Um=36kV)挤出绝缘电力电缆及其附件》IEC60055《额定电压18/30kV及以下纸绝缘金属护套(带有铜或铝体,但不包括压气和充油电缆)》第1部分“电缆及附件试验”中第七章:附件的型式试验IEC61442《额定电压6kV(Um=7.2kV)到30kV(Um=36kV)电力电缆附件试验方法》第二层次:国家标准(GB标准)GB/Z18890《额定电压220kV(Um=250kV)交联聚乙烯绝缘电力电缆及其附件》GB/Z11017《额定电压110kV交联聚乙烯绝缘电力电缆及其附件》GB5589《电缆附件试验方法》GB9327《电缆导体压缩和机械连接接头试验方法》GB14315《电线电缆导体用压接型铜、铝接线端子和连接管》注:GB11033《额定电压26、35kV及以下电力电缆附件基本技术要求》已下放为JB/T8144产品包装技术参数参数项目PROPERTY 测试项目TEST METHOD 测试方法RESULT 测试结果AC WITHSTAND FOR 1MIN UNDER RAIN105KV 不闪络、不击穿105kv ,1min ,1MIN 工频电压(湿态)湿态下组合试样未闪络和击穿PARTAIL DISCHARGE TEST 39KV 下放电量不大于20PC A 、B 、C 三相在39kv 下放电量为4pc局部放电试验HEATING CYCLES VOLTAGE TEST 导体加热至90-95℃,每一循环为8h ,其中加热5h ,冷却3h ,共三次循环按标准要求完成三次负荷循环试验负荷循环试验IMPULSE VOLTAGE WITHSTAND TEST 25kv ,正负极性各10次不闪络,不击穿25kv 正负极性各10次,冲击电压试验组合试样未闪络和击穿DC NEGATIVE POLARITYVOLTAGE WITHSTAND FOR 15MIN 156kv 不闪络,不击穿156kv ,15min ,组合试样未闪络和击穿AC WITHSTAND TEST FOR 4H 104kv 不闪络,不击穿104kv ,4h ,4H 工频电压试验组合试样未闪络和击穿。