人体红外感应模块 BISS0001
- 格式:doc
- 大小:478.00 KB
- 文档页数:7
biss0001芯片BISS0001芯片是一种数字红外传感器芯片,它是由斯密特触发器、振荡器和计数器组成的集成电路,主要用于检测红外线信号的存在和强度。
该芯片采用了专利的数字信号处理技术,具有高精度、低功耗和强抗干扰能力的特点。
BISS0001芯片的工作原理是通过红外探测器接收到的红外线信号转化为电信号,并经过一系列的信号处理,最后输出一个数字化的脉冲信号。
该芯片内置了一个10位计数器,可以对输入信号的脉宽进行计数,从而判断红外线信号的强度和存在。
BISS0001芯片的主要特点如下:1. 高精度:该芯片采用了斯密特触发器和振荡器,能够对输入信号进行准确的计数和判断,具有高精度的检测能力。
2. 低功耗:芯片的功耗非常低,只需微弱的电流即可正常工作,适用于电池供电或低功耗应用场景。
3. 抗干扰:芯片内置了多级滤波电路和滞回电路,能够有效抑制干扰信号,提高抗干扰能力。
4. 可编程性强:芯片支持多种工作模式的配置,能够根据具体需求进行灵活的设置和调整。
5. 体积小:芯片采用了集成电路技术,体积非常小,便于集成到各种设备中。
BISS0001芯片广泛应用于安防领域,例如红外报警系统、人体感应开关、自动照明系统等。
在红外报警系统中,该芯片可以通过检测输入信号的脉宽来判断是否有人体进入监控范围,并触发相应的报警信号。
在人体感应开关中,芯片可以实时检测人体的存在,并控制灯光的开关。
在自动照明系统中,芯片可以感知环境光线的变化,并根据设定的阈值来判断是否需要开启照明设备。
总之,BISS0001芯片是一种高精度、低功耗和抗干扰能力强的数字红外传感器芯片,具有广泛的应用前景。
随着智能化的发展和技术的进步,相信BISS0001芯片将在更多领域得到应用,并为人们的生活带来更多便利和安全。
1引言1.1 课题的背景与目的目前传统的按键式和拉线式开关仍然是照明开关的主体,凭借其较为简单的结构、低廉的售价和方便的安装使用方法,牢固地占领着市场。
然而,现代电子技术的发展和人们对生活质量的需求变化,已使传统的开关感受到产品更新换代的威胁。
特别是电能的大量浪费,按照国标,优质灯泡在正常使用情况下,平均寿命在壹千小时左右,而普通灯泡则更短。
如果走廊是夜间常明灯,每年除灯泡损耗费用外还要有一百多度电的损耗,加上更换灯泡等人工费用,每年每个灯消耗近百元,这不仅浪费大量能源,而且由于频繁更换灯泡造成维修工作量加大,有时有些场所走廊由于无人及时维修管理,许多楼梯晚上漆黑一片,给人们生活带来许多不便,因此人们越来越关注其他有效的照明灯开关方式高,国家的有关规范及标准也不断的加强,九九最新发布的《住宅建筑设计规范》中明确规定,住宅公共部分应设人工照明,除高层住宅的电梯厅和应急照明外,均应采用节能自熄开关。
随着大量采用电子技术的家用电器面市, 住宅电子化出现。
近几年楼宇智能化(智能家居是以家为平台,兼备建筑、网络通讯、信息家电、网络家电、自动化和智能化,集系统、结构、服务、管理、控制于一体的高效、舒适、安全、便利、节能、健康、环保的家居环境。
)又飞速发展起来,其中实现自动照明系统可以减少电能浪费成为实现现代化住宅的重要一笔。
本课题从实际出发,准备对红外线楼道自动照明系统进行探索随着现代化的发展,工业,农业,商业,教育等等行业的用电量都大幅度增加,在这种情况下电能的浪费成为人们普遍关注的问题.1.2 照明开关的发展过程在远古时代,人类利用自然光源,太阳给了人类及所有生物生存的机会,但对于夜晚人类却无能为力.接着聪明的人类发现了火,用火照明应该是人类照明史上的里程碑.中外历史上蜡烛都起了重要作用,陪伴人类度过慢慢数千年,直到天才发明家爱迪生在照明史上添上精彩的一笔.电灯无疑已经成为现代生活中不可或缺的商品.目前传统的按键式和拉线式开关仍然是照明开关的主体, 传统照明单控电路特点:a)控制开关直接在负载回路中。
新型红外雷达感应模块(电源)产品概述:新型红外雷达感应模块(电源)是利用PIR 热释电与多普勒效应相结合原理设计而成的人体移动信号侦测器,它以非接触方式扫描人体PIR热释电信号的位置是否发生移动,继而产生相应的开关操作。
该产品具有抗射频干扰能力强、不怕风吹草动、树叶摇曳、电风扇转动、空调冷热气体流动、浴室浴霸温度骤变......不受温度、湿度、强光、噪音、气流、尘埃等外界因数影响,能透过一定厚度的塑胶、玻璃、木制品等金属以外的物体,而对其侦测能力没有影响,能够非常方便的应用到设备控制、环境辅助光源控制、地下停车场、仓库、通道、走廊、洗手间等室内外的照明及防盗报警、视频监控、自动化设备控制等各种领域。
功能特点:新型红外雷达感应模块(电源)采用发射、接收为一体的平面天线和PIR热释电红外解码系统BISS0001形成的红外雷达移动波侦测新技术,通过多普勒扫描,侦测人体、车辆的动态信号,对灯具、报警装置等进行有效控制。
产品独创抗干扰新技术,相互不干扰,安装不必考虑间接距离问题!可以安装在天花板或灯具内部,而侦测能力不会受到影响,更简洁、更美观、更隐蔽、更神秘、更安全!模块类型1、交流型:A C95-250V宽电压,适应各种不同地区电网电压。
可控硅控制A C输出,无触点、无噪音、无污染、寿命长。
具有自动测光管理功能(出厂未安装光敏电阻),实现白天(光线充足)呈关闭状态,晚上(光线不足)人来灯亮、人走灯灭。
可做吸顶灯、日光灯及各种灯具、电器等的自动控制。
交流模块技术参数❖工作电压:A C110V-250V(50-60H z)❖负载功率:阻性负载150W(节能灯、L E D灯80W)❖输出方式:可控硅控制、A C交流输出❖自身功耗:静态功耗≤1m W❖感应范围:10-15米❖感应角度:墙壁安装180°、吸顶安装360°❖触发方式:雷达扫描、人体感应、重复触发❖延时时间:30秒钟(可定做各种延时时间)❖模块尺寸:36m m*23m m*23m m❖环境温度:-30℃-70℃2、直流型:D C6-24V输入,有人在感应区活动时,输出高电平,无人活动时转换为低电平。
人体热释放感应开关电路一、设计思想人体能量热释放有一特定波长红外线,由红外传感器检测到这种红外线的变化并予以放大选频处理后,可以推动适当的负载,就可以构成一个人体红外自动开关。
PIR RE200B热释电人体红外传感器能检测到人体移动引起的红外热能之变化并将它转换为电压量。
设计的思想是怎么将此电压量处理,用什么形式去推动负载,构成自动开关。
二、设计目的通过PIR RE200B热释电人体红外传感器及相应的处理信号的集成块构成一自动控制电灯的开关电路。
可以实现以下功能:⏹白天,不管有人无人灯都不会亮;⏹晚上,只要检测到人体信号,灯就会亮(有人灯亮,无人灯灭);⏹该开关电路应可接到220V的生活用电压,方便安装使用。
三、设计内容(一)、信号处理集成块BISS0001BISS0001是一款具有较高性能的传感信号处理集成电路。
(1)特点如下:1、 CMOS工艺; 2、数模混合; 3、具有独立的高输入阻抗运算放大器; 4、内部的双向鉴幅器可有效抑制干扰;5、内设延迟时间定时器和封锁时间定时器;6、采用16脚DIP封装。
BISSOOO1管脚图(2)管脚说明1 A --可重复触发和不可重复触发选择端。
当A为“1”时,允许重复触发;反之,不可重复触发2 VO-- 控制信号输出端。
由VS的上跳变沿触发,使Vo输出从低电平跳变到高电平时视为有效触发。
在输出延迟时间Tx之外和无VS的上跳变时,Vo保持低电平状态。
3 RR1-- 输出延迟时间Tx的调节端4 RC1--输出延迟时间Tx的调节端5 RC2--触发封锁时间Ti的调节端6 RR2--触发封锁时间Ti的调节端7 VSS--工作电源负端8 VRFI --参考电压及复位输入端。
通常接VDD,当接“0”时可使定时器复位9VCI触发禁止端。
当Vc<VR时禁止触发;当Vc>VR 时允许触发(VR≈0.2VDD)10 IB--运算放大器偏置电流设置端11 VDD--工作电源正端12 2OUTO--第二级运算放大器的输出端13 2IN-I--第二级运算放大器的反相输入端14 1IN+I--第一级运算放大器的同相输入端15 1IN-I--第一级运算放大器的反相输入端16 1OUTO--第一级运算放大器的输出端(3)集成块内部结构图(4)工作原理BISS0001是由运算放大器、电压比较器、状态控制器、延迟时间定时器以及封锁时间定时器等构成的数模混合专用集成电路。
毕业设计(论文)题目:采用BISS0001的人体探测灯控电路设计TITLE:Design of Pyroelectric Infrared Detector学生姓名:周航学号:08022133指导教师:肖慧专业:测控技术与仪器二零一二年六月摘要红外线、热释电和超声波遥控电路由于其功耗低,可靠性高和互相干扰小等优点,已经在现实生活中得到了广泛的应用,而热释电红外控制在各类照明器件的控制和安全防护系统的检测中更有着独特的作用。
该设计是以BISS0001红外控制电路组成的热释电红外控制照明灯的工作原理为依据。
采用热释电红外探头将接收到的信号加以放大,放大的信号使电子开关VT导通而驱动固态继电器SSR开通,控制照明灯具点亮发光。
本设计的核心是通过热释电红外探头RE200B探测来自移动人体的红外辐射,只要人们进入探测区域,以热释电红外传感器和少量外接元器件构成被动式的热释电红外开关能自动快速开启,灯泡两端有电压而点亮。
根据这一思想并且了解和掌握它们的工作原理和电路结构后设计电路。
经过仿真,焊板,调试。
不断的修改电路,直到能够实现电路所需实现的功能。
该控制器能够实现有人进入探测区域灯亮,人走灯灭的控制。
常用于许多公共场所,如办公室、楼道和厕所及浴室、储藏室、梳妆台镜前灯等的自动控制。
关键词:热释电红外传感器; 红外热释电处理芯片BISS0001; 红外辐射ABSTRACTInfrared, pyroelectric and ultrasonic wave remote control electric circuit, because of its low power loss, the high reliability and slightly mutually disturbs .It is already widespread in application in the real life, but the pyroelectric infrared control has the unique function in each kind of security warning equipments and in safety system's examination. Therefore,it is essential to understanding and grasping the working principle and the circuit structure. In this paper, it was designed a well hidden passive infrared alarm which was based on the pyroelectric infrared processing chip BISS0001.The core of the design was detecting human intrusion with Pyroelectric infrared sensor RE200B.Passive pyroelectric infrared switch is combine with Pyroelectric infrared sensor a small number of external components. It would open the sound and light alarm,which combined with light-emitting diode and the buzzer automatically and quickly, and timing controlled by the MCU. After the test,the measuring range of alarm apparatus may reach 1m, the survey angle may reach 100°-120°, the sensitivity is high, the rate of false alarm is small, antijamming ability, has served the safety protection purpose.Key words: Pyroelectric infrared sensor; Pyroelectric infrared processing chip BISS0001; Alarm目录绪论 (1)1.1课题背景及来源 (1)1.2热释电红外传感器的发展现状 (1)1.3本课题所研究的内容 (2)2热释电人体探测灯控系统的组成 (4)2.1人体热释电红外传感器 (4)2.1.1热释电人体红外线传感器的基本结构 (4)2.1.2热释电人体红外线传感器工作原理——热释电效应 (6)2.1.3菲涅尔透镜的简介 (7)2.1.4被动式红外线热释电传感器的优缺点 (8)2.2传感器信号处理集成电路 (9)2.2.1概述 (9)2.2.2BISS0001信号处理器芯片 (10)2.3固态继电器简介 (14)2.4三级管的开关作用 (15)3人体探测灯控电路的总体设计 (17)3.1设计思想 (17)3.2各模块方案选择和论证 (17)3.3总体电路的结构划分 (18)3.4电路图的设计 (20)3.4.1人体探测灯控电路框图 (20)3.4.2电路中主要元器件选择 (21)3.4.3人体探测电路工作原理 (22)4电路制作 (23)4.1整体电路制作问题 (23)4.1.1原件的散热问题 (23)4.1.2电子电路的静电保护 (23)4.2电路的焊接与调试 (24)4.2.1电路焊接与调试时注意事项 (24)4.2.2调试条件与步骤 (24)4.3仿真与试验结果 (25)4.3.1电源电路的仿真与调试结果 (25)4.3.2红外延时控制电路的仿真与调试结果分析 (25)4.3.3控制执行电路的仿真与调试结果分析 (26)总结与展望 (27)致谢 (28)参考文献 (29)绪论1.1课题背景及来源随着经济的不断发展,城市建设也随着迅速发展,节能与环保已经成为当代产品开发中的首要考虑因素和最大卖点。
红外热释电处理芯片BISS0001应用资料BISS0001是一款高性能的传感信号处理集成电路。
静态电流极小,配以热释电红外传感器和少量外围元器件即可构成被动式的热释电红外传感器。
广泛用于安防、自控等领域能。
特点CMOS工艺数模混合具有独立的高输入阻抗运算放大器内部的双向鉴幅器可有效抑制干扰内设延迟时间定时器和封锁时间定时器采用16脚DIP封装管脚图管脚说明引脚名称 I/O 功能说明 1 A I 可重复触发和不可重复触发选择端。
当A为“1”时,允许重复触发;反之,不可重复触发 2 VO O 控制信号输出端。
由VS的上跳前沿触发,使Vo输出从低电平跳变到高电平时视为有效触发。
在输出延迟时间Tx之外和无VS的上跳变时,Vo保持低电平状态。
3 RR1 -- 输出延迟时间Tx的调节端 4 RC1 -- 输出延迟时间Tx的调节端 5 R C2 -- 触发封锁时间Ti的调节端 6 RR2 -- 触发封锁时间Ti的调节端 7 VSS -- 工作电源负端 8 VRF I 参考电压及复位输入端。
通常接VDD,当接“0”时可使定时器复位 9 VC I 触发禁止端。
当VcVR时允许触发(VR≈0.2VDD) 10 IB -- 运算放大器偏置电流设置端 11 VDD -- 工作电源正端 12 2OUT O 第二级运算放大器的输出端 13 2IN- I 第二级运算放大器的反相输入端 14 1IN+ I 第一级运算放大器的同相输入端 15 1IN- I 第一级运算放大器的反相输入端 16 1OUT O 第一级运算放大器的输出端工作原理BISS0001是由运算放大器、电压比较器、状态控制器、延迟时间定时器以及封锁时间定时器等构成的数模混合专用集成电路。
以下图所示的不可重复触发工作方式下的波形,来说明其工作过程。
不可重复触发工作方式下的波形。
首先,根据实际需要,利用运算放大器OP1组成传感信号预处理电路,将信号放大。
然后耦合给运算放大器OP2,再进行第二级放大,同时将直流电位抬高为VM(≈0.5VDD)后,将输出信号V2送到由比较器COP1和COP2组成的双向鉴幅器,检出有效触发信号Vs。
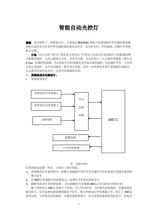
智能自动光控灯摘要:设计制作了一种智能台灯,主要是以BISS0001和单片机组成的红外传感控制电路。
其特点是在有人时且外界光强较弱时能自动开灯,无人时关灯,节约能源;且能纠正坐姿,防止近视。
一、引言:台灯已是千家万户的必需生活用品,经常由于忘记关灯而造成巨大的能源浪费。
当夜晚来临时,人们又摸黑去开灯,非常不方便。
在这里设计了以人体红外辐射(波长为9.5um)传感控制电路。
当人体在台灯的范围内且环境光强较弱时,自动感应开灯;当人体太靠近桌面时,台灯自动感应,警告纠正坐姿,若在一定时间内未离开桌面则自动熄灭。
当人离开时则自动关灯,达到节约能源的目的。
二、系统组成及电路设计:1.系统组成部分图一系统结构图本系统组成如图一所示,主要由三部分组成:1)传感器及信号处理部分:检测人体辐射红外信号及光强信号经过处理后变成可处理的数字信号2)以80C51组成的中央处理单元:处理信号并发出控制命令3)提醒电路及灯光控制电路:给出提醒信号并根据80C51给出的命令控制灯光整个系统是以80C51控制下工作的。
其工作过程为:当环境光比较强时,光敏电阻阻值比较小,信号处理电路检测到低电平信号,禁止热释电红外传感器工作,省去了80C51处理过程。
当环境光比较弱时,光敏电阻阻值变大,信号处理电路接收到高电平,从而启动热释电红外传感器工作。
热释电红外传感器1探测比较远的距离,当人体进入到传感器1的控测范围内且光强较弱时,信号检测电路处理信号,并向单片机发送一个中断,80C51启动灯光控制电路,使灯慢慢变亮。
当环境光比校弱时,且人体过于靠近桌面,热释电红外传感器2检测到信号,同时了在热释电红外传感器1的控测范围内,信号处理电路同时向80C51发送信号,80C51处理信号根据优先级顺序,屏蔽掉热释电红外传感器1的信号,启动延时电路,发出警报使人离开,若在设定的时间内未离开桌面,则启动灯光控制电路,使灯慢慢熄灭。
当人体离开热释电红外传感器2的控测范围且在热释电红外传感器1的控测范围内时,灯光又慢慢变亮。
111BISS0001组成。
当有人出现在它的探测区,传感器便能探测到信号并把信号传给单片机,单片机再根据实际情况是否该开启器件设备或让房间的电器设备处于一种可开启状态。
另外,关于走廊及洗手问用灯情况,当晚上有人经过时,人体红外感应到人便开启走廊用灯或者洗手间用灯。
热释人体红外模块电路如图2所示。
图2 热释人体红外电路图上图中,R3为光敏电阻,用来检测环境照度。
当作为照明控制时,若环境较明亮,R3的电阻值会降低,使9脚的输入保持为低电平,从而封锁触发信号Vs。
SW1是工作方式选择开关,当SW1与1端连通时,芯片处于可重复触发工作方式;当SW1与2端连通时,芯片则处于不可重复触发工作方式。
图中R6可以调节放大器增益的大小,原厂图纸选10K,实际使用时可以用3K,可以提高电路增益改善电路性能。
输出延迟时间Tx由外部的R9和C7的大小调整,触发封锁时间Ti由外部的R10和C6的大小调整,R9/R10可以用470欧姆,C6/C7可以选0.11U。
3.1.1 BISS0001芯片介绍(小四号黑体)BISS0001是一款传感信号处理集成电路。
静态电流极小,配以热释电红外传感器和少量外围元器件即可构成被动式的热释电红外传感器。
广泛用于安防、自控等领域能。
特点:CMOS工艺数模混合具有独立的高输入阻抗运算放大器内部的双向鉴幅器可有效抑制干扰内设延迟时间定时器和封锁时间定时器采用16脚DIP封装3.1.1.1管脚图表3-1 管脚说明引脚名称I/O功能说明1 A I 可重复触发和不可重复触发选择端。
当A为“1”时,允许重复触发;反之,不可重复触发2 VO O 控制信号输出端。
由VS的上跳前沿触发,使V o输出从低电平跳变到高电平时视为有效触发。
在输出延迟时间Tx之外和无VS的上跳变时,Vo保持低电平状态。
3 RR1 -- 输出延迟时间Tx的调节端4 RC1 -- 输出延迟时间Tx的调节端5 RC2 -- 触发封锁时间Ti的调节端6 RR2 -- 触发封锁时间Ti的调节端7 VSS -- 工作电源负端8 VRF I 参考电压及复位输入端。
111BISS0001组成。
当有人出现在它的探测区,传感器便能探测到信号并把信号传给单片机,单片机再根据实际情况是否该开启器件设备或让房间的电器设备处于一种可开启状态。
另外,关于走廊及洗手问用灯情况,当晚上有人经过时, 人体红外感应到人便开启走廊用灯或者洗手间用灯。
热释人体红外模块电路如图2所示。
图2热释人体红外电路图上图中,R3为光敏电阻,用来检测环境照度。
当作为照明控制时,若环境较明亮,R3的电阻值会降低,使9脚的输入保持为低电平,从而封锁触发信号Vs。
SW1是工作方式选择开关,当SW1与1端连通时,芯片处于可重复触发工作方式;当SW1与2端连通时,芯片则处于不可重复触发工作方式。
图中R6可以调节放大器增益的大小,原厂图纸选10K,实际使用时可以用3K,可以提高电路增益改善电路性能。
输出延迟时间Tx由外部的R9和C7的大小调整,触发封锁时间Ti由外部的R10和C6的大小调整,R9/R10可以用470欧姆,C6/C7 可以选0.11U。
3.1.1 BISS0001 芯片介绍(小四号黑体)BISS0001是一款传感信号处理集成电路。
静态电流极小,配以热释电红外传感器和少量外围元器件即可构成被动式的热释电红外传感器。
广泛用于安防、自控等领域能。
特点:CMOS工艺数模混合具有独立的高输入阻抗运算放大器内部的双向鉴幅器可有效抑制干扰内设延迟时间定时器和封锁时间定时器采用16脚DIP封装A W nil HCL KC2 胆咋5 ™/BESET3.1.1.1管脚图表3-1管脚说明工作原理BISS0001是由运算放大器、电压比较器、状态控制器、延迟时间定时器以及封锁时间定时器等构成的数模混合专用集成电路。
以下图所示的不可重复触发工作方式下的波形,来说明其工作过程。
不可重复触发工作方式下的波形。
首先,根据实际需要,利用运算放大器0P1组成传感信号预处理电路,将信号放大。
然后耦合给运算放大器0P2,再进行第二级放大,同时将直流电位抬高为VM(疋0.5VDD)后,将输出信号V2送到由比较器COP1和C0P2组成的双向鉴幅器,检出有效触发信号Vs。
BISS001 红外传感信号处理器一: 实验目的:理解BISS001红外传感信号处理器的工作原理。
能更好的把理论与实践相结合。
更重要的是让自己多学一点专业知识。
二: 元件及参数:极性参数(Vss=0V)电源电压:-0.5V~+6V输入电压范围:-0.5V~6V(V DD=6V)各引出端最大电流:+10mA(V DD=5V)工作温度:-10~+70存放温度:-65~150电参数:特点:●COMS数摸混合专用集成电路●具有独立的高出入阻抗运算放大器,可与多种传感器匹配进行处理●双向鉴幅器可有效的抑制干扰●内设延迟时间定时器和封锁时间定时器,结构新颖,稳定可靠,调节范围宽●内设参考电源●电压工作范围+3V~+5V●采用16脚DIP封装人体热释电红外传感器和应用介绍被动式热释电红外探头的工作原理及特性:一般人体都有恒定的体温,一般在37度,所以会发出特定波长10UM左右的红外线,被动式红外探头就是靠探测人体发射的10UM左右的红外线而进行工作的。
人体发射的10UM左右的红外线通过菲尼尔滤光片增强后聚集到红外感应源上。
红外感应源通常采用热释电元件,这种元件在接收到人体红外辐射温度发生变化时就会失去电荷平衡,向外释放电荷,电后续电路经检验处理后即可产生报警信号。
1)这种探头是以探测人体辐射为目标的。
所以热释电元件对波长为10UM 左右的红外辐射必须非常敏感。
2)为了仅仅对人体的红外辐射敏感,在它的辐射照面通常覆盖有特殊的菲尼尔滤光片,使环境的干扰受到明显的控制作用。
3)被动红外探头,其传感器包含两个互相串联或并联的热释电元。
而且制成的两个电极化方向正好相反,环境背景辐射对两个热释元件几乎具有相同的作用,使其产生释电效应相互抵消,于是探测器无信号输出。
4)一旦人侵入探测区域内,人体红外辐射通过部分镜面聚焦,并被热释电元接收,但是两片热释电元接收到的热量不同,热释电也不同,不能抵消,经信号处理而报警。
5)菲尼尔滤光片根据性能要求不同,具有不同的焦距(感应距离),从而产生不同的监控视场,视场越多,控制越严密。
红外感应控制IC动门、电风扇、烘干机和自动洗手池等装置,特别适用于企业、内部框图:工作原理:如上图为BISS0001红外感应信号处理器的内部框图。
外界元件由使用者根据需要选择。
由图可见BISS0001是由运算放大器、电压比较器、状态控制器、延迟时间定时器和封锁时间定时器即参考电压等构成的数模混合专用集成电路。
可广泛应用于多种传感器和延时控制器。
如下说明各种情况的工作方式。
1. 不可重触发工作方式各点工作波形:首先,根椐实际需要,利用运算放大器OP1组成传感信号预处理电路,将信号放大。
然后耦合给运算放大器OP2,再进行第二次放大,同时将直流电位抬高为VM(≈0.5VDD)后,将输出信号V2送到由比较器COP1和COP2组成的双向鉴幅器,检出有效触发信号Vs。
由于VH≈0.7VDD、VL≈0.3VDD,所以,当VDD=5V 时,可有效抑制±1V 的噪声干扰,提高系统的可靠性。
COP3是一个条件比较器。
当输入电压Vc<VR(≈0.2VDD)时,COP3输出为低电平封住了与门U2,禁止触发信号Vs向下级传递;而当Vc>VRCOP3输出为高电平,进入延时周期。
当A端接“0”电平时,在Tx时间内任何V2的变化都被忽略,直到Tx时间结束,即所谓不可重复触发工作方式。
当Tx时间结束时,Vo下跳回低电平,同时启动封锁时间定时器而进入封锁周期Ti。
在Ti时间内,任何V2的变化都不能使Vo跳变为有效状态(高电平),可有效抑制负载切换过程中产生的各种干扰。
2.可重触发工作方式各点工作波形:在Vc=“0”、A=“0”期间,信号Vs不能触发Vo为有效状态。
在Vc=“1”、A=“1”时,Vs可重复触发Vo 为有效状态,并可促使Vo在Tx周期内一直保持有效状态。
在Tx时间内,只要Vs发生上跳变,则Vo将从Vs 上跳变时刻起继续延长一个Tx周期;若Vs保持为“1”状态,则Vo一直保持有效状态;若Vs保持为“0”状态,则在TX周期结束后Vo恢复为无效状态,并且,同样在封锁时间Ti时间内,任何Vs的变化都不能触发Vo为有效状态。
BISS0001BISS0001是一款常用于人体红外感应的芯片模块。
本文将介绍BISS0001的特性、使用方法以及应用场景。
特性•BISS0001是一款非接触式红外人体感应芯片,采用CMOS工艺制造。
•该芯片具有低功耗、高灵敏度、高稳定性和高可靠性的特点。
•BISS0001使用PIR(热释电红外)技术,基于人体热辐射实现对人体的感应。
•芯片工作电压范围为4.5V至20V,适用于各种嵌入式系统。
•BISS0001模块尺寸小巧,方便在各种应用中进行集成。
使用方法以下是使用BISS0001模块进行人体感应的基本步骤:1.将BISS0001模块与嵌入式系统进行连接,确保电路连接正确。
2.设置模块的工作电压。
BISS0001的工作电压范围为4.5V至20V,根据具体应用选择合适的电压。
3.设置感应距离。
通过调整芯片上的距离调节电位器,可以改变模块的感应距离。
4.设置感应延时。
通过调整芯片上的延时调节电位器,可以改变模块的感应延时时间。
5.连接外部电路。
根据具体需求,连接外部电路,如继电器或报警器,以实现相应的功能。
应用场景BISS0001模块广泛应用于以下领域:1.家庭安防系统:通过将BISS0001与摄像头和报警器等设备结合,可以实现家庭安防监控系统。
当有人靠近感应区域时,系统会自动发出警报。
2.自动照明系统:将BISS0001与灯光控制器相连,可以实现自动照明系统。
当有人进入感应区域时,灯光会自动打开,提供足够的照明。
3.自动门禁系统:通过将BISS0001与电子门锁相连,可以实现自动门禁系统。
当有人接近门口时,系统会自动解锁并打开门锁。
4.机器人导航系统:将BISS0001模块与机器人导航系统相连接,可以实现机器人对环境的感知和导航功能。
当有人或障碍物出现在机器人前方时,机器人可以及时避开。
总结:BISS0001是一款功能强大、性能稳定的红外人体感应芯片模块。
其具有低功耗、高灵敏度和高可靠性等特点,适用于各种人体感应应用场景。
使用提示:只能检测是否有人在活动(静止的人体是检测不到的!)模块的工作电压3V-18V范围均可,对滤波要求比较高;感应角度约120度,距离约为0-7米的范围;刚上电模块会有一分钟左右的初始化时间.人体红外感应模块热释电红外传感器技术参数:1.工作电压:DC4.5V至18V(可定做3~5V)2.静态功耗:50微安3.电平输出:高3.3V,低0V4.延时时间:可调(0.3秒~18秒)5.封锁时间:0.2秒6.触发方式:L不可重复,H可重复,默认值为H7.感应范围:小于120度锥角,7米以内8.工作温度:-15~+70度9.PCB外形尺寸:32*24mm,螺丝孔距28mm,螺丝孔径2mm,感应透镜尺寸:(直径):23mm(默认)功能特点:1.全自动感应:当有人进入其感应范围则输入高电平,人离开感应范围则自动延时关闭高电平。
输出低电平。
2.光敏控制(可选):模块预留有位置,可设置光敏控制,白天或光线强时不感应。
光敏控制为可选功能,出厂时未安装光敏电阻。
3.两种触发方式:L不可重复,H可重复。
可跳线选择,默认为H。
A.不可重复触发方式:即感应输出高电平后,延时时间一结束,输出将自动从高电平变为低电平。
B.可重复触发方式:(也就是连续触发)即感应输出高电平后,在延时时间段内,如果有人体在其感应范围内活动,其输出将一直保持高电平,直到人离开后才延时将高电平变为低电平(感应模块检测到人体的每一次活动后会自动顺延一个延时时间段,并且以最后一次活动的时间为延时时间的起始点)。
4.具有感应封锁时间(默认设置:0.2秒):感应模块在每一次感应输出后(高电平变为低电平),可以紧跟着设置一个封锁时间,在此时间段内感应器不接收任何感应信号。
此功能可以实现(感应输出时间和封锁时间)两者的间隔工作,可应用于间隔探测产品;同时此功能可有效抑制负载切换过程中产生的各种干扰。
5.工作电压范围宽:默认工作电压DC5V至20V6.微功耗:静态电流50微安,特别适合干电池供电的电器产品。
红外热释电处理芯片BISS0001BISS0001是一款具有较高性能的传感信号处理集成电路,它配以热释电红外传感器和少量外接元器件构成被动式的热释电红外开关。
它能自动快速开启各类白炽灯、荧光灯、蜂鸣器、自动门、电风扇、烘干机和自动洗手池等装置,特别适用于企业、宾馆、商场、库房及家庭的过道、走廊等敏感区域,或用于安全区域的自动灯光、照明和报警系统。
特点*CMOS工艺*数模混合*具有独立的高输入阻抗运算放大器*内部的双向鉴幅器可有效抑制干扰*内设延迟时间定时器和封锁时间定时器*采用16脚DIP封装管脚图管脚说明9VC I触发禁止端。
当Vc<VR时禁止触发;当Vc>VR时允许触发10IB--运算放大器偏置电流设置端11VDD--工作电源正端122OUT O第二级运算放大器的输出端132IN-I第二级运算放大器的反相输入端141IN+I第一级运算放大器的同相输入端151IN-I第一级运算放大器的反相输入端161OUT O第一级运算放大器的输出端工作原理BISS0001是由运算放大器、电压比较器、状态控制器、延迟时间定时器以及封锁时间定时器等构成的数模混合专用集成电路。
以下图所示的不可重复触发工作方式下的波形,来说明其工作过程。
不可重复触发工作方式下的波形首先,根据实际需要,利用运算放大器OP1组成传感信号预处理电路,将信号放大。
然后耦合给运算放大器OP2,再进行第二级放大,同时将直流电位抬高为VM(≈0.5VDD)后,将输出信号V2送到由比较器COP1和COP2组成的双向鉴幅器,检出有效触发信号Vs。
由于VH≈0.7VDD、VL≈0.3VDD,所以,当VDD=5V时,可有效抑制±1V的噪声干扰,提高系统的可靠性。
COP3是一个条件比较器。
当输入电压Vc<VR(≈0.2VDD)时,COP3输出为低电平封住了与门U2,禁止触发信号Vs向下级传递;而当Vc>VR时,COP3输出为高电平,进入延时周期。
低功耗人体红外线感应信号处理器BISS0001 是为各种传感器配套设计的专用集成电路,采用CMOS 工艺制造。
其外围器件大大减少,节约了空间和成本及调试时间,提高整机可靠性,可广泛应用于照明控制、马达和电磁阀控制,防盗报警等领域。
一、特点COMS 数模混合专用集成电路, 相容所有 。
具有独立的高输入阻抗运算放大器,可与多种传感器匹配,进行信号预处理。
双向鉴幅器可有效抑制干扰。
内设延迟时间定时器和封锁时间定时器,结构新颖、稳定可靠,调节范围宽。
内置参考电源。
工作电压范围宽 +1.8V~+6V 。
16 脚DIP 封装或SOP 封装。
二、 封装图V R F /2I N -1I N +1I N -R E S E T I B V D D2O U T1O U TV C V S S R R 2R C 2R C 1R R 1V OA87654321109111213141516图1 BISS0001(相容 BISS0001)外引线连接图三、 原理框图图2 : BISS0001(相容BISS0001) 原理框图四、 工作原理图 2 为BISS0001(相容BISS0001) 红外传感信号处理器的原理框图。
外接元件由使用者根据需要选择。
由图可见BISS0001是由运算放大器、电压比较器和状态控制器、延迟时间定时器、封锁时间定时器及参考电压源等构成的数模混合专用集成电路。
可广泛应用于多种传感器和延时控制器。
各引脚的定义和功能如下:V DD — 工作电源正端。
范围为1.8~6V。
V SS — 工作电源负端。
一般接0V。
I B — 运算放大器偏置电流设置端。
经R B 接V SS 端,R B 取值为1.5MΩ左右。
1N- — 第一级运算放大器的反相输入端。
1N+ — 第一级运算放大器的同相输入端。
1OUT — 第一级运算放大器的输出端。
2IN- — 第二级运算放大器的反相输入端。
2OUT — 第二级运算放大器的输出端。
BISS0001是多少G频率怎计算放大倍数
本文主要是关于BISS0001的相关介绍,并着重对BISS0001的频率及其信号放大倍数进行了详尽的阐述。
BISS0001BISS0001是一款具有较高性能的传感信号处理集成电路,它配以热释电红外传感器和少量外接元器件构成被动式的热释电红外开关,可以自动快速开启灯、蜂鸣器、自动门等装置。
特点
*CMOS工艺
*数模混合
*具有独立的高输入阻抗运算放大器
*内部的双向鉴幅器可有效抑制干扰
*内设延迟时间定时器和封锁时间定时器
*采用16脚DIP封装
BISS0001怎计算放大倍数利用运算放大器OP1组成传感信号预处理电路,将信号放大。
然后耦合给运算放大器OP2,再进行第二级放大,同时将直流电位抬高为VM(≈0.5VDD)后,将输出信号V2送到由比较器COP1和COP2组成的双向鉴幅器,检出有效触发信号Vs。
由于VH≈0.7VDD、VL≈0.3VDD,所以,当VDD=5V时,可有效抑制±1V的噪声干扰,提高系统的可靠性。
我是CTRL+C,然后CTRL+V.。
.
有人这样说:
0 采用菲涅尔透镜,传感器焊在电路板上,透镜盖在上面。
1 电源滤波不干净
2 电源电压低于工作电压
3 放大倍数过大造成震荡。
人体红外感应模块电路主要由人体红外传感器、菲涅尔透镜、专用芯片BISS0001组成。
当有人出现在它的探测区,传感器便能探测到信号并把信号传给单片机,单片机再根据实际情况是否该开启器件设备或让房间的电器设备处于一种可开启状态。
另外,关于走廊及洗手问用灯情况,当晚上有人经过时,人体红外感应到人便开启走廊用灯或者洗手间用灯。
热释人体红外模块电路如图2所示。
图2 热释人体红外电路图
上图中,R3为光敏电阻,用来检测环境照度。
当作为照明控制时,若环境较明亮,R3的电阻值会降低,使9脚的输入保持为低电平,从而封锁触发信号Vs。
SW1是工作方式选择开关,当SW1与1端连通时,芯片处于可重复触发工作方式;当SW1与2端连通时,芯片则处于不可重复触发工作方式。
图中R6可以调节放大器增益的大小,原厂图纸选10K,实际使用时可以用3K,可以提高电路增益改善电路性能。
输出延迟时间Tx由外部的R9和C7的大小调整,触发封锁时间Ti由外部的R10和C6的大小调整,R9/R10可以用470欧姆,C6/C7可以选0.1U。
3.1.1 BISS0001芯片介绍(小四号黑体)
BISS0001是一款传感信号处理集成电路。
静态电流极小,配以热释电红外传感器和少量外围元器件即可构成被动式的热释电红外传感器。
广泛用于安防、自控等领域能。
特点:CMOS工艺
数模混合
具有独立的高输入阻抗运算放大器
内部的双向鉴幅器可有效抑制干扰
内设延迟时间定时器和封锁时间定时器
采用16脚DIP封装
3.1.1.1管脚图
表3-1 管脚说明引脚名称I/O功能说明
1 A I 可重复触发和不可重复触发选择端。
当A为“1”时,允许重复触发;反之,不可重复触发
2 VO O 控制信号输出端。
由VS的上跳前沿触发,使V o输出从低电平跳变到高电平时视为有效触发。
在输出延迟时间Tx之外和无VS的上跳变时,Vo保持低电平状态。
3 RR1 -- 输出延迟时间Tx的调节端
4 RC1 -- 输出延迟时间Tx的调节端
5 RC2 -- 触发封锁时间Ti的调节端
6 RR2 -- 触发封锁时间Ti的调节端
7 VSS -- 工作电源负端
8 VRF I 参考电压及复位输入端。
通常接VDD,当接“0”时可使定时器复位
9 VC I 触发禁止端。
当VcVR时允许触发(VR≈0.2VDD)
10 IB -- 运算放大器偏置电流设置端
11 VDD -- 工作电源正端
12 2OUT O 第二级运算放大器的输出端
13 2IN- I 第二级运算放大器的反相输入端
14 1IN+ I 第一级运算放大器的同相输入端
15 1IN- I 第一级运算放大器的反相输入端
16 1OUT O 第一级运算放大器的输出端
工作原理
BISS0001是由运算放大器、电压比较器、状态控制器、延迟时间定时器以及封锁时间定时器等构成的数模混合专用集成电路。
以下图所示的不可重复触发工作方式下的波形,来说明其工作过程。
不可重复触发工作方式下的波形。
首先,根据实际需要,利用运算放大器OP1组成传感信号预处理电路,将信号放大。
然后耦合给运算放大器OP2,再进行第二级放大,同时将直流电位抬高为VM(≈0.5VDD)后,将输出信号V2送到由比较器COP1和COP2组成的双向鉴幅器,检出有效触发信号Vs。
由于VH≈0.7VDD、VL≈0.3VDD,所以,当VDD=5V时,可有效抑制±1V的噪声干扰,提高系统的可靠性。
COP3是一个条件比较器。
当输入电压VcVR时,COP3输出为高电平,进入延时周期。
当A端接“0”电平时,在Tx时间内任何V2的变化都被忽略,直至Tx时间结束,即所谓不可重复触发工作方式。
当Tx时间结束时,V o下跳回低电平,同时启动封锁时间定时器而进入封锁周期Ti。
在Ti时间内,任何V2的变化都不能使Vo跳变为有效状态(高电平),可有效抑制负载切换过程中产生的各种干扰。
以下图所示的可重复触发工作方式下的波形,来说明其工作过程。
可重复触发工作方式下的波形在Vc=“0”、A=“0”期间,信号Vs不能触发Vo为有效状态。
在Vc=“1”、A=“1”时,Vs可重复触发Vo为有效状态,并可促使Vo在Tx周期内一直保持有效状态。
在Tx时间内,只要Vs发生上跳变,则V o将从Vs上跳变时刻起继续延长一个Tx周期;若Vs保持为“1”状态,则V o一直保持有效状态;若Vs保持为“0”状态,则在Tx周期结束后Vo恢复为无效状态,并且,同样在封锁时间Ti时间内,任何Vs的变化都不能触发Vo为有效状态。
电路中运用了热释红外专用芯片BISS0001。
它是由运算放大器、电压比较器、状态控制、延迟时间定时器以及封锁时间定时器等构成的数模混合专用集成电路,内部电路如图3所示。
当人体辐射的红外线通过菲涅尔透镜被聚焦在热释电红外传感器的探测元上时,电路中的传感器将输出电压信号,然后使该信号先
通过一个带
通滤波器,该滤波器的上限截止频率为16 Hz,下限截止频率为0.16 Hz。
图3 BISS0001 芯片内部电路图
上图中,运算放大器OP1将热释电红外传感器的输出信号作第一级放大,然后由C3耦合给运算放大器OP2进行第二级放大,再经由电压比较器COP1和COP2构成的双向鉴幅器处理后,检出有效触发信号Vs去启动延迟时间定时器。
由于热释电红外传感器输出的探测信号电压十分微弱(通常仅有1 mV 左右),而且是一个变化的信号,同时菲涅尔透镜的作用又使输出信号电压呈脉冲形式(脉冲电压为0.1~10 Hz 左右),所以应对热释红外传感器输出的电压信号通过运算放大器OP1和OP2进行二级放大。
再经由电压比较器COP1和COP2构成的双向鉴幅器处理后,检出有效触发信号Vs去启动延迟时间定时器。
输出信号Vo接单片机以便检测,当有人时便输出5 V高电平,当人离开之后延时一段时间后便复位为0 V 以便主控制电路的控制。
电路设计让芯片处于可重复触发状态以便适合教室的实际情况。
重复触发其工作过程:可重复触发工作方式下在Vc=“1”、A=“1”时,Vs可重复触发Vo为有效状态,并可促使Vo在Tx周期内一直保持有效状态。
在Tx时间内,只要Vs发生上跳变,则将从Vs上跳变时刻起继续延长—个Tx周期;若Vs保持为“1”状态,则Vo一直保持有效状态;若Vs保持为“0”状态,则在Tx周期结束后Vo恢复为无效状态,并且,同样在封锁时间Ti时间内,任何Vs的变化都不能触发Vo为有效状态。
、。