供应商寄售流程修订版
- 格式:docx
- 大小:1.05 MB
- 文档页数:7
寄售转自有流程
采采采采采采采采采采
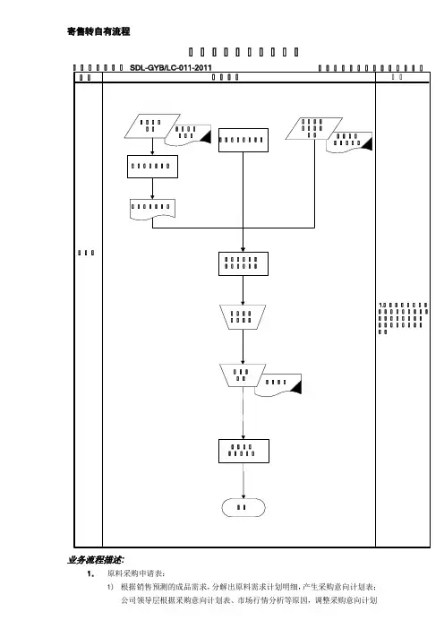
业务流程描述:
1.原料采购申请表:
1)根据销售预测的成品需求,分解出原料需求计划明细,产生采购意向计划表;
公司领导层根据采购意向计划表、市场行情分析等原因,调整采购意向计划
表,形成最终的原料采购申请表;
2)生产中心编制排未来七天车间作业计划,在SAP系统内形成采购到货保障计
划表;
3)综合以上两点,供应部结合原料需求量和市场价格与供应商协商,确定寄售
库存转自有库存数量和价格。
2.若当期物料价格与采购价格不一致,则在系统内维护寄售价格,然后系统内将寄售库存转自有库存,生成物料移动凭证。
3.供应部通知生产部可用物料数量。
4.流程结束。
第十九章-MM19_供应商寄售流程1.流程说明此流程适用于对OEM供应商商品寄售的采购作业,同时包含寄售商品的库存管理、发货及发票结算作业。
因考虑仓库空间及整体采购策略,针对厂商寄售需求,由仓库和采购主管共同确认寄售的可行性。
若确定可行,则由采购依据厂商提供之寄售明细现在系统中创建寄售采购定单当厂商实际送货数量大于寄售采购定单数量时,仓库将信息传送到采购,采购与厂商协调确认处理方式—照收或拒收若确定照收,则由采购人员在系统中进行定单数量修正后,由仓库执行点货作业若经品保确认为不良品之明细,转采购与厂商协调处理方式—补货或修改定单(照良品数修正)。
仓库在系统将良品数量做收货作业,系统产生物料凭证,物所权属于厂商,不在系统内产生会计凭证。
当寄售货物实际发货后,物所权转移至我方,采购每月定期打印寄售对帐单明细,并传真至供应商进行确认作业。
每月结帐日经双方确认完成后之寄售明细,采购可通知供应商开具发票,并转入发票校验作业。
整个寄售收货流程作业时间点管控在1个工作小时内予以完成。
品保质检管控时间点8个工作小时内完成。
收货期间,采购确认及仓库输入作业控制在1个工作小时内完成若某物料为供应商寄售的,则必须在维护采购信息记录中,维护成“寄售”(参考第十三章生产性物料标准采购流程 3.1 操作范例之例一)寄售采购的系统操作等同于标准采购流程(参考第十三章生产性物料标准采购流程之流程说明)。
在系统采购订单上,若为供应商寄售采购订单则必须在采购订单的“I-文本项目类型”上标注“K”(寄售)。
2.流程图3.系统操作3.1.操作范例创建供应商寄售的采购申请单(请参考第十三章生产性物料标准采购流程之例二、例三、例四、例五)3.2.系统菜单及交易代码后勤→物料管理→采购→采购申请→采购订单→创建→已知供应商/供货工厂交易代码:ME21/ME21N3.3.系统屏幕及栏位解释创建供应商寄售的采购订单栏位名称栏位说明资料范例供应商必输项,输入提供寄售服务的供应商10000071采购订单日期非必输项,由系统默认自动带出2001/03/11采购订单非必输项,由系统内部自动赋号采购组织必输项,在哪个采购组织下执行采购作业FP00:总部及华东区采购组织采购员必输项,执行采购的采购人员105K:寄售项目类别必输项,选择“K”(寄售),可以籍由系统辅助资料进行查询作业后续作业同标准采购订单,系统图面参见第十三章寄语本范本为按照专业标准制作的文案,可供你直接使用,或者按照实际需求进行适当修改套用,实用便捷!一份好的范本,将极大的提高你的工作效率,欢迎下载使用!。
寄售管理制度及流程范文寄售管理制度及流程范一、寄售管理制度寄售管理制度是为了规范寄售业务的运作,确保寄售方和寄售商双方的权益,加强合作关系,建立和谐的合作环境而制订的管理规定。
1. 寄售方的权益和义务:(1)寄售方应保证提供的商品品质符合约定标准,并具备销售条件;(2)寄售方应及时提供商品的进货、库存、销售等相关信息;(3)寄售方应按约定期限结算寄售商品销售款项,并按约定提取剩余商品;(4)寄售方应积极配合寄售商提供的市场调研、销售推广等支持工作。
2. 寄售商的权益和义务:(1)寄售商应妥善保管寄售商品,确保商品无损坏、丢失等情况;(2)寄售商应按约定时间提供销售情况和库存报告,及时结算寄售款项;(3)寄售商应积极开展销售推广活动,提升寄售商品的销售额;(4)寄售商应根据市场需求和销售情况,及时调整销售策略和商品采购计划。
3. 合作协议和合同:寄售方和寄售商双方应签订合作协议或合同,明确寄售商品的品种、数量、价格、结算方式、销售责任和权益等内容,确保双方的合法权益。
4. 寄售商品的标识和管理:寄售方应为寄售商品统一设立标识,包括商品名称、规格、产地、生产日期、保质期等信息,便于寄售商和消费者识别和查询。
寄售商应妥善保管寄售商品并进行库存管理,确保商品的品质和数量符合要求。
5. 寄售商品销售的监管:寄售方和寄售商应定期进行商品销售状态和库存的监管,通过现场核查、销售报告和库存盘点等手段,确保寄售商品的正常销售和结算。
二、寄售流程1. 寄售商品的选择和洽谈:寄售方根据市场需求和商品特性,选择适合寄售的商品,并与潜在的寄售商洽谈和协商。
洽谈内容包括商品品种、价格、销售策略、营销支持等。
2. 合作协议的签订:双方达成合作意向后,应签订正式的合作协议或合同,明确寄售商品的相关条款和义务。
合作协议应由双方共同商定,并经法律部门审核,确保合法、合规。
3. 寄售商品的交货和标识:寄售方按照合作协议的约定,将商品交付给寄售商,并为商品统一标识,包括商品名称、规格、产地、生产日期、保质期等信息。
寄卖行服务流程一、什么是寄卖行。
寄卖行啊,就像是一个特别的小中介。
咱有东西想卖,但是自己又找不到合适的买家,或者觉得自己卖太麻烦啦,这时候就可以把东西拿到寄卖行来。
寄卖行呢,会帮咱们把东西卖出去,然后从中收取一点小小的服务费。
这就像是找了个超贴心的小助手,来帮咱解决东西卖不掉或者不好卖的烦恼。
二、寄卖行服务开始前。
1. 物品的初步评估。
当你拿着东西走进寄卖行的时候呀,店里的工作人员就像看到宝贝似的眼睛都亮了。
他们会先仔细地看看你拿来的东西。
比如说你拿了个包包来寄卖,工作人员会看这个包包的牌子啦,款式啦,成色怎么样。
要是个手表,就会看看品牌、机芯、外观有没有划痕之类的。
这一步就像是给东西做个小小的体检,看看它在寄卖市场上大概能值多少钱呢。
2. 沟通寄卖价格。
然后呀,工作人员就会和你聊聊价格啦。
这可不像在菜市场买菜那样简单粗暴哦。
他们会很耐心地跟你解释,根据这个东西的市场行情,大概能卖多少钱。
如果你觉得价格低了,你也可以说说你的想法。
这是个互相商量的过程呢,就像朋友之间聊天一样,大家都想找到一个最合适的价格,既能让你满意,又能让这个东西在市场上有吸引力。
3. 签订寄卖协议。
如果价格谈妥了,那就该签协议啦。
这个协议可重要了呢,就像是给双方的一个小约定。
上面会写清楚寄卖的物品是什么,寄卖的价格是多少,寄卖的期限大概是多久之类的。
你可要看仔细了哦,要是有什么疑问,就大胆地问工作人员。
他们肯定会很耐心地给你解释的,毕竟这是在保护大家的权益嘛。
三、寄卖进行中。
1. 物品的展示。
签好协议后,寄卖行就开始大展身手啦。
他们会把你的东西放在店里最显眼的地方展示。
如果是个特别精致的小首饰,可能会放在专门的玻璃展柜里,周围打上柔和的灯光,就像在舞台上一样,让它闪闪发光,吸引路过的客人。
要是个大件的家具呢,也会找个合适的位置摆放,还会给它擦擦灰,整理得漂漂亮亮的。
2. 寻找买家。
工作人员这时候就像侦探一样,到处去寻找可能对这个物品感兴趣的买家。
供应商寄售流程寄售库存设置概述•打开表单•如何•另请参阅可以通过两种方式使用寄售库存:您的供应商所拥有但存储在您的仓库中的库存,或者您所拥有但存储在客户仓库中的库存。
供应商寄售库存执行基本设置1. 在库存参数表单上,选择“在仓库核算项目成本”。
该设置是必需的。
2. 在仓库表单中,将“寄售类型”设置为“供应商”并选择一个供应商号,然后设置“供应商货位”。
3. 在物料表单中,指定从您的供应商寄售的物料。
4. 在物料/仓库表单中,指定最小/最大数量值和补货采购单。
5. 在物料仓库成本表单中,将寄售的库存定义为零成本物料。
定义寄售仓库的补货需求使用供应商寄售的库存耗用报告表单可显示活动并建议补货级别,同时提供一种向供应商报告耗用情况的方法。
就寄售仓库库存计划发货事宜与供应商进行沟通。
管理供应商寄售仓库的库存使用供应商寄售的库存接收表单记录与供应商之间的物料交货和退回事宜。
使用供应商寄售的库存耗用表单消耗寄售物料、创建新的补货采购单下达以及根据新的下达执行采购单接收。
使用供应商寄售的库存汇总仅显示表单复核与物料、接收和采购有关的当前供应商寄售信息。
客户寄售库存执行基本设置1. 在仓库表单中,将“寄售类型”设置为“客户”。
2. 指定客户收货地。
3. 在客户收货地表单中:4. 在物料/仓库表单中,为寄售仓库中的物料设置最小/最大寄售数量。
定义补货需求和创建寄售转移1. 使用寄售至客户的库存报告计划您的仓库到客户仓库的转移单。
2. 使用转移单发货表单为转移单发货。
3. (可选)使用转移发货装箱单表单为转移单打印装箱单。
4. 使用转移单接收表单,在确认客户收到货物之后接收转移单。
注释:也可以使用多地点数量移动工具向/从您的寄售仓库移动库存。
记录客户耗用1. 打印寄售至客户的库存耗用报告。
(可选)将该报告发送给客户,以使他们能够报告耗用情况。
2. 当客户通知您他们耗用了您的寄售仓库中的库存之后,使用寄售至客户的库存表单查看客户寄售库存的相关信息,并快速创建一个客户订单。
【总结】SAP供应商寄售客户寄售一、概念【供应商寄售】供应商寄售(Consignment)是企业要求供应商把货物存放在企业自身仓库,货物的所有权仍归属供应商,但由企业对物料进行实物和库存水平的管理(对数量进行管理,不进行结算)。
只有企业在领用或消耗寄售的货物后,才与供应商进行结算。
【客户寄售】客户寄售是将产成品先发送到客户处,这个过程并不是销售的过程,而是库存转移的过程,货物的所有权仍归属企业,等客户实际消耗掉这些产品后,才算销售过程。
整个过程分为二个步骤,首先是库存转移,而后是实际消耗完做结算。
二、处理流程【供应商寄售】1、MM02—修改寄售物料主数据“MRP2”视图中的采购类型(F)和特殊采购类(10);2、ME11—创建“寄售”类型的采购信息记录;3、ME51N/ME21N—创建采购申请/采购订单(该步骤不需要信息记录,注意采购项目类别是“K”);4、MIGO—采购收货(前提必须创建寄售采购信息记录,移动类型101,会产生物料凭证,不会产生会计凭证,无法做采购发票校验动作,供应商寄售库位库存增加);5、MB1B—从寄售库存转为自有库存(移动类型411+K,会产生物料凭证,也会产生会计凭证);6、MRKO—采购发票校验(不是根据采购收货做发票校验,而是依据上面一个步骤);7、MB1B—从自有库存退回给寄售库存(移动类型412+K,会产生物料凭证,也会产生会计凭证);【客户寄售】1、VA01—创建寄售补货订单(销售订单类型KB,其余同正常SO,无价格);2、VL01N/VL02N—寄售补货过账(移动类型631,其实相当于库存调拨动作,会产生物料凭证,不会产生会计凭证,不能出具发票);3、VA01—寄售补货消耗(销售订单类型KE,其余同正常SO,有价格);4、VL01N/VL02N—寄售补货消耗过账(移动类型633,会产生物料凭证,也会产生会计凭证);5、VF01—根据消耗过账的发货单开具销售发票(同正常出具发票操作);6、VA01—寄售退货(销售订单类型KR,其余同正常SO,有价格);7、VL01N/VL02N—寄售退货过账(移动类型634,会产生物料凭证,也会产生会计凭证);8、VA01—寄售退回(销售订单类型KA,其余同正常SO,无价格);9、VL01N/VL02N—寄售退回过账(移动类型632,会产生物料凭证,不会产生会计凭证,不能出具发票);不采用销售订单的方式发往客户处寄售,可通过事务代码MB11直接操作(移动类型631/632),后续可通过报表MB58(客户处的寄存和退回物包)查看。
寄售作业流程一、概念“寄售”代表一种过程,供应商将可用物料发给你,你将物料放在你的库存中。
在你将物料的供应商寄售库存拿出来用之前,供应商仍然是物料的所有者。
物料从寄售库存通过消耗或转到自有库存后才算作自有库存,对此期间的领用进行开票,开票频率需与供应商协商,比如每月开一次票。
当然,你也可以与供应商协商另一种付款方式:寄售库存剩余数量在某一段时间之后将全部归到你公司库存中。
二、优点1.降低公司库存金额2.延后付款3.增加公司资金运用灵活度三、特别说明1.1寄售库存在你自己仓库的物料共同管理,在这种方式之下,你可以将寄售库存的物料看做自己的可用库存量。
同一个物料不同供应商的寄售库存是被分开管理的,价格也是分开管理的。
寄售库存是没有价值的(寄售库存收货不产生会计凭证),只有物料被消耗时,价值才会根据价格更新。
寄售物料可以有以下三种库存状态:1.Unrestricted-use stock(非限制库存)2.Stock in quality inspection(质检库存)3.Blocked stock(冻结库存)物料的三种状态可以转换,只有非限制库存的物料可以被直接使用。
2.1供应商寄售的注意事项:1)系统中维护寄售信息时,必须在物料主数据、采购信息记录中指定采购类型为寄售,否则系统会按照标准库存采购方式进行采购;2)在寄售方式下,只有在寄售库存使用时采购价格才会被采用,与其他采购方式不同(在订单入库时采购价格被采用);3)由于寄售库存是一种特殊的库存方式,在系统中,无法在外协厂库存处创建寄售库存,只能创建在本公司处。
如果在实际业务中有在外协厂处建立寄售库存的需求,只能在本公司处创建相应外协厂的库存地点;4)寄售库存的管理根据本公司与供应商达成的协议执行;5)在寄售方式下,财务的发票处理与一般采购业务不同,采用寄售库存使用结算的方式,而非发票校验。
发票不是根据采购送货出具,而是供应商根据使用纪录出具。
3.1 必须制定外部供应商寄售库存的管理制度及寄售价格的维护制度(包括价格变更的处理);系统只能提供库存查询,领退料查询等功能。
原创-供应商寄售业务供应商寄售业务:供应商物料放到我们仓库,我们只管数量,减少我们的库存金额。
当我们用的时候才会付款,也是JIT的一种实现方式。
一般是稳定的长期合作的供应商。
1、物料主数据采购类型为F、特殊采购类型为102、在下采购申请、采购订单、项目类别为K(不需要采购信息记录)3、创建寄售信息记录(一定要有税码,MRKO做发票时必填)4、按采购订单收货,放入供应商寄信库存(收货一定要有信息记录),此刻不产生会计凭证。
5、产生供应商寄售库存,有四种状态。
6、当从供应商库存转到工厂库存时,移动类型411带K,冲销412带K。
产生会计凭7、MRKO做发票校验,不按采购订单做发票校验。
按会计凭证。
凭证明细业务流程管理(摘自网络):“寄售”代表一种过程,供应商将可用物料给你,你将物料放在你的库存中。
在你将物料的供应商寄售库存拿出来用之前,供应商仍然是物料的所有者。
只到你支付了供应商的款。
物料从寄售库存被消耗的付款方式可以采取与供应商协商好的期间进行开票,比如每月开一次票。
当然,你也可以与供应商协商另一种付款方式:寄售库存剩余数量在某一段时间之后将全部归到你公司库存中。
流程说明:此流程适用于对OEM供应商商品寄售的采购作业,同时包含寄售商品的库存管理、发货及发票结算作业。
因考虑仓库空间及整体采购策略,针对厂商寄售需求,由仓库和采购主管共同确认寄售的可行性。
若确定可行,则由采购依据厂商提供之寄售明细现在系统中创建寄售采购定单当厂商实际送货数量大于寄售采购定单数量时,仓库将信息传送到采购,采购与厂商协调确认处理方式-照收或拒收若确定照收,则由采购人员在系统中进行定单数量修正后,由仓库执行点货作业若经品保确认为不良品之明细,转采购与厂商协调处理方式-补货或修改定单(照良品数修正)。
仓库在系统将良品数量做收货作业,系统产生物料凭证,物所权属于厂商,不在系统内产生会计凭证。
当寄售货物实际发货后,物所权转移至我方,采购每月定期打印寄售对帐单明细,并传真至供应商进行确认作业。
配件寄售方案1. 概述随着电子产品的普及,人们对相关配件的需求也日益增长。
然而,一些消费者往往会有将已经不再需要的配件出售的需求,而一些二手市场上又缺乏稳定的配件来源。
为了解决这个问题,我们提出了一个配件寄售方案。
该方案旨在帮助消费者出售不再需要的配件,同时也为二手市场提供一个更加稳定和可靠的配件来源,促进市场的平衡发展。
本文将重点介绍该配件寄售方案的流程、规则、收费标准等内容。
2. 流程2.1 配件寄售流程1.用户通过我们的平台申请寄售配件。
2.我们将收到的申请信息进行审核,确保配件的正常使用和完好无损。
3.通过审核后,我们将为用户提供一个快递收件地址,用户将配件寄送到该地址。
4.收到配件后,我们会对其进行详细检测,确保其质量正常。
5.一旦通过检测,我们将为配件设置一个合理的售价,并将其上架到我们的网站或线下二手商店中进行销售。
6.配件销售完成后,我们将抽取一定比例的佣金(收费标准详见3.2章节),并将剩余的收益转账到用户的账户中。
2.2 配件购买流程用户可通过我们的网站或二手商店购买二手配件。
1.用户浏览配件列表,找到自己需要的配件。
2.用户确认购物车内的配件信息,选择支付方式并付款。
3.我们确认收到用户的付款后,将为用户发货。
3. 规则及收费标准3.1 寄售规则1.寄售配件必须为用户自己所持有或合法所有,如商业用途配件或来路不明的配件将不被受理。
2.配件必须为完好无损状态,否则不被受理。
3.配件的售价由我们根据市场行情和配件情况等因素综合考虑后设定,用户不得要求提高或降低售价。
4.收款账户必须为用户本人名下账户。
5.配件售出后将不能再申请退货或更换。
3.2 收费标准我们将从用户成功售出的配件中抽取一定比例的佣金用于平台维护和运营。
佣金比例为销售金额的10%,如销售价为100元,则收取10元佣金。
4. 结语配件寄售方案为电子产品消费和二手市场提供了一个更加稳定和可靠的配件来源,并且环节完整,规则合法。
经营公司寄售管理制度一、总则为规范公司寄售业务,提高管理效率,优化资源配置,保证公司利益,特制定本管理制度。
本管理制度适用于公司所有寄售业务管理活动。
二、寄售业务的定义1. 寄售是指委托方将产品交由公司寄售,公司在一定期限内出售委托方的产品,并按约定的分成比例向委托方支付销售所得的一种业务模式。
2. 寄售业务是公司为了拓展销售渠道,提高销售规模和利润,与委托方建立合作关系,共同推动销售业绩的一种合作方式。
三、寄售业务的流程1. 申请寄售:委托方向公司提出寄售申请,提交相关产品信息和委托合同。
2. 签订合同:双方确认寄售合同内容,签署寄售合同。
3. 调拨产品:委托方将产品送至指定仓库,由公司进行验收和入库。
4. 销售推广:公司根据市场需求和产品特点,制定销售推广计划,展开销售活动。
5. 销售结算:公司定期结算销售收入,并按约定比例向委托方支付分成。
6. 结算报告:公司向委托方提供销售结算报告,详细记录销售情况和结算金额。
四、寄售产品管理1. 产品存储:公司按照委托方要求,妥善保存委托方产品,保证产品质量和完好。
2. 产品展示:公司设计合理的产品陈列,提高产品展示效果,吸引顾客眼球。
3. 产品推广:公司根据产品特点和市场需求,制定销售推广方案,提升产品知名度和销量。
五、市场销售1. 销售渠道:公司通过线上线下多渠道销售,覆盖更广泛的销售市场。
2. 销售策略:公司定期更新销售策略,提高销售效率,增加销售额。
3. 销售目标:公司设定销售目标,按照目标要求,完成销售任务。
六、结算分成1. 结算周期:公司按照合同约定,定期结算销售收入。
2. 分成比例:公司按照合同约定,向委托方支付销售所得的分成比例。
3. 结算报告:公司向委托方提供详细的销售结算报告,包括销售情况和结算金额。
七、风险管理1. 产品保障:公司保证产品质量和完好,避免产品受损或滞销。
2. 市场风险:公司根据市场情况,及时调整销售策略,降低市场风险。
SAP 供应商寄售结算流程概述供应商寄售是一种常见的业务模式,它允许供应商在客户端的库存中放置货物,直到客户端出售这些货物后再向供应商结算货款。
SAP系统可以支持供应商寄售的结算流程,使企业可以用更高效的方式管理这种业务模式。
寄售物料创建在SAP系统中,供应商寄售通常被作为一个特殊类型的采购订单处理,称为寄售订单。
在创建寄售物料之前,首先需要创建供应商或确认已有的供应商信息,然后创建寄售物料。
为了创建寄售物料,需要在SAP上配置寄售控制指示器(也称为MARC记录)。
这将包括衡量寄售订单传输的设施、文档、报告、数量管理和计价。
寄售订单创建在SAP中,寄售订单被作为一种采购订单处理。
因此,在创建寄售订单之前,首先需要创建相应的采购组织信息。
采购订单中需要填写以下信息:•寄售订单号•寄售物料号•客户号或延期款延期收取代码(这样,在发货时就可以生成客户初始贷项明细)•寄售订单数量•寄售供应商编号•地点或仓库信息接收寄售物料寄售物料运输到客户端仓库后,需要在SAP系统中产生相应的接收记录。
在接收寄售物料时,需要在SAP系统中创建下列记录:•到货通知 - 确认寄售物料已达到客户端•物料接收 - 负责记录已接收的寄售物料•贷项抵销 - 通过这个步骤对供应商进行付款寄售结算一旦寄售订单中的所有物品都以销售为基础售出,就需要为供应商进行结算了。
在SAP系统中,寄售结算是通过采购凭证来管理的。
由于寄售订单是SAP的一种特殊类型采购订单,因此采购凭证也被称为MIRO记录。
通过这个记录,会对供应商进行价值确认,并且将米勒公司码和COST中心相结合。
在执行结算时则需要使用MIRO记录。
可以看到,SAP系统提供了一个强大的结算方案,可以支持企业采取寄售模式来管理他们的库存。
通过以上的步骤,在SAP系统中成功实现寄售结算是相当容易的。
如果您需要了解更多关于SAP寄售结算的信息,SAP官方网站提供了大量技术文档供参考。
7.2 寄售作业流程图
7.3 寄售作业单据流程图
8. 程序内容
8.1 寄售入库作业流程
8.1.1 寄售PO(订单)作业
8.1.1.1 生管单位根据生产计划作MRP(物料需求计划)
8.1.1.2 根据MRP展开成Month(月),Week(周),daily(天)需求计划
8.1.1.3 根据物料需求计划开出PR(Purchase request-采购申请)
8.1.1.4 将经过核准的PR转成PO(Purchase Order)
8.1.1.5 采购根据PO整理供应商交货排程和每日到货明细
8.1.1.6 下达PO给供应商要求供应商回复交货排程并统计交货情况
8.1.2 验收作业
8.1.2.1 供应商根据采购提供的交货排程安排送货计划
8.1.2.2 供应商送货到厂后由采购或保安通知仓库货物到厂
8.1.2.3 仓库安排人员将司机引导停放在指定待收货区域
8.1.2.4 仓库人员核对每日到货明细是否在收料范围内,如有差异交采购处理
8.1.2.5 核对完毕后查看ERP订单信息是否完整,如果不符,交采购处理
8.1.2.6 如在当日收货明细内且内容相符,ERP订单信息完整,根据送货单将需
要收货的信息录入ERP系统中
8.1.2.7 仓管人员在完成录入系统后,打印验收单(),交品管检验。
供应商寄售流程1、目的:对寄售物料的采购、消耗的处理2、适用范围:寄售物料3、文件内容概述:●创建信息记录:即确定物料和相关供应商之间的价格等条款●创建采购订单:针对寄售物料和寄售供应商创建采购订单,此时,采购订单的净价为0。
●根据寄售采购订单收货:收货之后并没有产生财务凭证,只有物料凭证。
供应商寄售库存地的质检状态的库存增加,但并没有汇总到物料的总库存数中,因为物料的所有权还是属于供应商。
●对寄售物料请检,检验合格,则从寄售库存地的质检状态转至非限制使用状态;检验不合格,则从质检状态转至冻结状态,然后再退货给供应商●寄售库存转为自由库存:操作之后产生了物料凭证和会计凭证。
同时物料的所有权已经转移。
自由库存增加,寄售库存减少,供应商应付帐款增加。
影响了物料主数据的移动平均价。
●对寄售物料进行发票校验4、流程操作手册执行两次进入如下界面:点击“”,输入以下参数:保存之后采购订单4500000062被创建,净价为0。
⑶根据采购订单收货操作步骤参考“采购订单操作”文档采购订单:4500000062 UOE的量:800保存之后产生了物料凭证5000000070,并没有产生财务凭证,只有当物料转为自由库存或则物料被消耗时才会产生财务凭证。
在库存总览中,供应商寄售库存地增加了库存800KG(批次:0212002,质检状态),但是并不影响总库存的数量。
库存总览如下:保存之后产生了物料凭证4900000241,同时质检状态的数量减少了500KG,非限制使用状态增加了500KG。
库存总览如下:⑸寄售物料请检不合格,则从质检状态转至冻结状态,然后再退货供应商保存之后产生物料凭证4900000242,质检状态减少了300KG,冻结库存增加了300KG。
库存总览如下:了200KG,库存总览如下:保存之后产生了物料凭证4900000245和会计凭证。
寄售库存地的非限制使用状态的的物料减少了100KG,药业原料库的非限制使用状态的自由库存增加了100KG。
福昌供应商寄售产品上线结算和应付款流程
一、寄售目的:为了贯彻落实伟世通亚太总部关于《降低库存、提高库存周转率》的通知,同时提升福昌公司物流管理水平。
二、适用范围:福昌公司各供应商的交付产品。
三、寄售方式:交付产品上线结算。
四、上线结算和应付款操作流程:
五、流程说明:
1、供应商寄售产品上线结算必须逐月结清,如因供应商问题而造成未结清,将直接影响到供应商的付款时间。
2、如在核对上线结算的产品种类和数量时发现差异或问题,供应商应及时与福昌采购员重新核对,以保证逐月结帐数据准确。
3、供应商所开发票必须与《寄售产品开票信息通知单》一并寄给福昌,以便于及时、正确地核对和财务存档。
4、发票挂帐后付款时间是从上线结算产品的当月开始并按双方价格协议所规定的月份数进行计算得出付款时间。
5、福昌财务部为了提高工作效率,完善付款手续。
特规定:每月20日至月底为付款时间。
如遇特殊情况,福昌采购员有责任向供应商说明原因。
6、如有未涉及的情况或问题,双方应持合作的态度及时协商解决。
7、本流程从2007年5月15日开始实施。
8、本流程的解释权归福昌公司采购物流部。
如有修订,将及时通知供应商。
江西福昌空调系统有限公司
采购物流部
2007年4月30日。
寄售采购流程图_V1.0
供应商寄售库存准备
寄售库存的转发运行
寄售库存添加
过
程控制岗领
导岗
保
管岗采
购岗
计
划岗价
格管理岗线下寄售协议ME11创建寄售采购信息记录
流程开始ME52N 修改系统自动运行出的采购申请(K 、数量、日期、信息记录)
ME54或ME55审批采购申请ZME28_SEL 审批采购订单
依据审批通过的采购申请创建采购订单ME21N
MIGO 收货(供应商
库存增加)
是
是
流程开始
流程开始处理线下需求计划寄售清单范围内的需求计划
通知供应商发货
(含:物码、数量、计量单位、需求单位、线下计划编号、销售?)
MB1B/411K 转储记账(非限制库存增加)
MB21或VA01录入寄售清单范围内需求计划
ME5A 检查清单范围内物资是否运行出
采购申请
ME52N 修改系统自动运行出的采购申请(K 、数量、日期、信息记录)
ME54或ME55审批采购申请
ZME28_SEL 审批采购订单
MIGO 收货(供应商
库存增加)
依据审批通过的采购申请创建采购订单ME21N
是
是
是
系统供应商转储单(销售物资部分)
VL02N 销售发货MB1A 或MIGO 对预留发货
VA02更新最新价VL01N 发料通知单
流程开始(供应商交货)
流程开始供应商送料单(保管员送达)
每日到货情况表
需求单位装备科
结束
结束。
业务流程名称:供给商寄售流程编号及版本号编号:BPD-MM14业务流程定义文件签署表业务流程定义文件是描述未来在SAP R/3中处置业务的详细流程定义,其定义的业务流程及此中所涉及的SAP功能已得到以下工程组成员的接受并已签署。
1. 业务流程目的:供给商寄售流程主要包罗了供给商寄售的采购、寄售库存的办理及使用等。
2. 业务流程的相关原那么:2.1公司供给办理部分与供给商达成协议,供给商采用寄售的方式提供物料,系统中表达寄售库存。
当本公司出产需要时,从寄售库存调拨库存到本公司自有仓库,并领用。
每月按照调拨记录,本公司出具对账单给供给商,供给商基于该对账单出具发票。
2.2寄售库存采购时,采购人员按照物料需求方案情况,结合每周出产会议及供给商情况,制定寄售库存采购的采购方案,经采购部分带领审核后进行采购。
在供给商寄售采购的方式下,采购价格是按照与供给商达成的协议在系统中以寄售价格形式维护的。
由于从寄售库存调拨库存到本公司自有库存时,库存的所有权才从供给商处转移到本公司,所以只有在该时点时,寄售价格才会被采用。
2.3供给商寄售采购订单入库后,系统中货物入到供给商寄售库存。
该局部库存的货物所有权属于供给商,在系统中仅表达出寄售库存的数量及供给商信息,库存并不计入本公司库存金额。
只有当从寄售库存调拨库存到本公司自有仓库时,物权才会转移到本公司,计入本公司库存。
2.4每月财政月结时,按照寄售库存的调拨纪录,出具对账单给供给商,供给商基于此开发票。
财政应付会计收到发票后,在系统中做寄售库存使用的结算操作,确认应付款。
2.5 供给商寄售的本卷须知:1)系统中维护寄售信息时,必需在物料主数据、采购信息记录及配额分配中指定采购类型为寄售,否那么系统会按照尺度库存采购方式进行采购;2)在寄售方式下,只有在寄售库存使用时采购价格才会被采用,与其他采购方式不同〔在订单入库时采购价格被采用〕;3)由于寄售库存是一种特殊的库存方式,在系统中,无法在外协厂库存处创立寄售库存,只能创立在本公司处。
供应商寄售流程修订版 IBMT standardization office【IBMT5AB-IBMT08-IBMT2C-ZZT18】
第十九章-MM19_供应商寄售流程
1.流程说明
此流程适用于对OEM供应商商品寄售的采购作业,同时包含寄售商品的库存管理、发货及发票结算作业。
因考虑仓库空间及整体采购策略,针对厂商寄售需求,由仓库和采购主管共同确认寄售的可行性。
若确定可行,则由采购依据厂商提供之寄售明细现在系统中创建寄售采购定单当厂商实际送货数量大于寄售采购定单数量时,仓库将信息传送到采购,采购与厂商协调确认处理方式—照收或拒收若确定照收,则由采购人员在系统中进行定单数量修正后,由仓库执行点货作业若经品保确认为不良品之明细,转采购与厂商协调处理方式—补货或修改定单(照良品数修正)。
仓库在系统将良品数量做收货作业,系统产生物料凭证,物所权属于厂商,不在系统内产生会计凭证。
当寄售货物实际发货后,物所权转移至我方,采购每月定期打印寄售对帐单明细,并传真至供应商进行确认作业。
每月结帐日经双方确认完成后之寄售明细,采购可通知供应商开具发票,并转入发票校验作业。
整个寄售收货流程作业时间点管控在1个工作小时内予以完成。
品保质检管控时间点8个工作小时内完成。
收货期间,采购确认及仓库输入作业控制在1个工作小时内完成
若某物料为供应商寄售的,则必须在维护采购信息记录中,维护成“寄售”(参考第十三章生产性物料标准采购流程 3.1 操作范例之例一)
寄售采购的系统操作等同于标准采购流程(参考第十三章生产性物料标准采购流程之流程说明)。
在系统采购订单上,若为供应商寄售采购订单则必须在采购订单的“I-文本项目类型”上标注“K”(寄售)。
2.流程图
3.系统操作
3.1.操作范例
创建供应商寄售的采购申请单(请参考第十三章生产性物料标准采购流程之例
二、例三、例四、例五)
3.2.系统菜单及交易代码
后勤?物料管理?采购?采购申请?采购订单?创建?已知供应商/供货工厂
交易代码:ME21/ME21N
3.3.系统屏幕及栏位解释
创建供应商寄售的采购订单
栏位名称栏位说明资料范例供应商必输项,输入提供寄售服务的供应商10000071
非必输项,由系统默认自动带出2001/03/11采购订单日
期
采购订单非必输项,由系统内部自动赋号
采购组织必输项,在哪个采购组织下执行采购作业FP00:总部及
华东区采购组
织
采购员必输项,执行采购的采购人员105
项目类别必输项,选择“K”(寄售),可以籍由系统辅助
K:寄售
资料进行查询作业
后续作业同标准采购订单,系统图面参见第十三章。