供应商寄售流程
- 格式:docx
- 大小:1.03 MB
- 文档页数:6
寄售行操作流程一、寄售行概述寄售行是一种商业模式,通过与供应商达成协议,将商品交由寄售行销售,供应商在商品销售后才支付给寄售行相应的费用。
寄售行通常为实体店铺或线上电商平台,旨在提供给供应商一个销售渠道,同时为消费者提供丰富的商品选择。
二、供应商合作1. 供应商与寄售行达成合作意向,商讨具体合作细节。
2. 双方签订寄售协议,明确商品的供应、销售、结算等事项。
3. 供应商将商品提供给寄售行,包括商品的数量、品种、质量等信息。
三、商品入库管理1. 寄售行收到供应商提供的商品后,进行商品入库管理。
2. 对每个商品进行标识,包括商品名称、规格、产地、生产日期等信息。
3. 将商品分类存放,并建立相应的库存管理系统,确保商品的安全和追踪管理。
四、商品上架销售1. 寄售行根据商品的特点和市场需求,确定商品的定价和销售策略。
2. 将商品上架,包括线下实体店陈列和线上电商平台展示。
3. 编写商品描述和促销文案,吸引消费者的注意力。
五、商品销售和结算1. 消费者在寄售行购买商品,寄售行进行销售记录和订单管理。
2. 寄售行根据销售记录,统计商品销售数量和销售额。
3. 寄售行按照寄售协议约定的结算方式,向供应商支付相应的费用。
4. 结算周期可以是每日、每周或每月,根据双方约定进行结算。
六、退换货管理1. 消费者在购买商品后,如遇到质量问题或不满意,可以向寄售行提出退换货要求。
2. 寄售行按照退换货政策,接受消费者的退换货申请,并进行相应的处理。
3. 对于退换货的商品,寄售行与供应商协商解决,可以退还给供应商或由寄售行负责处理。
七、库存管理和补货1. 寄售行定期进行库存盘点,了解各类商品的库存情况。
2. 根据库存情况和销售情况,制定补货计划,保持商品的供应充足。
3. 寄售行与供应商保持良好的沟通,及时调整补货计划,避免库存过多或供应不足的情况发生。
八、数据分析和经营优化1. 寄售行定期对销售数据进行分析,了解商品的销售情况和市场趋势。
SAP-供应商寄售流程-v1[1]0_0404do__ c流程编号及版本号编号:BPD-MM14版本:V1.0业务流程定义文件签署表业务流程定义文件是描述以后在SAP R/3中处理业务的详细流程定义,其定义的业务流程及其中所涉及的SAP功能已得到以下项目组成员的同意并已签署。
1. 业务流程目的:供应商寄售流程要紧包括了供应商寄售的采购、寄售库存的治理及使用等。
2. 业务流程的相关原那么:2.1公司供应治理部门与供应商达成协议,供应商采纳寄售的方式提供物料,系统中表达寄售库存。
当本公司生产需要时,从寄售库存调拨库存到本公司自有仓库,并领用。
每月依照调拨记录,本公司出具对账单给供应商,供应商基于该对账单出具发票。
2.2寄售库存采购时,采购人员依照物料需求打算情形,结合每周生产会议及供应商情形,制定寄售库存采购的采购打算,经采购部门领导审核后进行采购。
在供应商寄售采购的方式下,采购价格是依照与供应商达成的协议在系统中以寄售价格形式爱护的。
由于从寄售库存调拨库存到本公司自有库存时,库存的所有权才从供应商处转移到本公司,因此只有在该时点时,寄售价格才会被采纳。
2.3供应商寄售采购订单入库后,系统中物资入到供应商寄售库存。
该部分库存的物资所有权属于供应商,在系统中仅表达出寄售库存的数量及供应商信息,库存并不计入本公司库存金额。
只有当从寄售库存调拨库存到本公司自有仓库时,物权才会转移到本公司,计入本公司库存。
2.4每月财务月结时,依照寄售库存的调拨纪录,出具对账单给供应商,供应商基于此开发票。
财务应对会计收到发票后,在系统中做寄售库存使用的结算操作,确认应对款。
2.5 供应商寄售的本卷须知:1)系统中爱护寄售信息时,必须在物料主数据、采购信息记录及配额分配中指定采购类型为寄售,否那么系统会按照标准库存采购方式进行采购;2)在寄售方式下,只有在寄售库存使用时采购价格才会被采纳,与其他采购方式不同〔在订单入库时采购价格被采纳〕;3)由于寄售库存是一种专门的库存方式,在系统中,无法在外协厂库存处创建寄售库存,只能创建在本公司处。
寄售业务流程随着电子商务的发展,寄售业务成为了一种常见的商业模式。
寄售业务是指将商品委托给他人销售,待商品售出后,再与委托人分享销售收益的一种商业模式。
下面将详细介绍寄售业务的流程。
一、寄售合作协议签订寄售业务的第一步是双方签订寄售合作协议。
该协议明确规定了双方的权利和义务,包括商品的归属、销售期限、销售价格、结算方式等内容。
双方应保证协议的合法性和有效性,并在协议中约定违约责任和争议解决方式。
二、商品寄售委托人将商品寄售给寄售方。
寄售方负责接收商品,并对商品进行清点、验收和上架工作。
寄售方应确保商品的安全性和完整性,并对商品进行适当的包装和标识,以便于销售。
三、商品销售寄售方根据市场需求和销售策略,对商品进行销售。
销售渠道可以是线上电商平台、线下实体店铺或者其他合适的销售渠道。
寄售方应制定合理的价格策略,并采取有效的促销措施,以提升销售量和销售额。
四、销售结算销售期结束后,寄售方需要与委托人进行销售结算。
结算金额应根据销售数量和价格计算得出。
寄售方应向委托人提供详细的销售报表和结算明细,以便委托人核对和确认。
结算款项可以通过银行转账、现金支付或其他约定的方式进行支付。
五、库存处理寄售期结束后,如有剩余库存,寄售方和委托人需要共同商议处理方案。
常见的处理方式包括继续销售、降价处理、退还给委托人或者进行其他合适的销售渠道。
无论采取何种处理方式,寄售方和委托人都应遵循协议约定,并确保库存的安全性和完整性。
六、结算报告寄售方应及时向委托人提供结算报告,包括销售情况、结算金额、销售费用等详细信息。
结算报告应准确、清晰,以便委托人了解销售情况和结算情况。
寄售业务流程简单明了,但在实际操作过程中仍需注意以下几个关键点。
首先,寄售合作协议的签订是寄售业务的基础,双方应明确权益和责任,以避免纠纷和争议。
其次,寄售方应对商品进行仔细的验收和上架工作,以确保商品的质量和完整性。
再次,寄售方需要制定合理的销售策略和价格策略,以提高销售效果和销售额。
SAP-寄售什么是寄售?寄售(consignment)是指寄卖方(consignor)把自己的货物运往某一地点,交给受卖方(consignee)保管和出售,在货物出售、转移或者过期之前,寄卖方仍然拥有货物的所有权,并且受卖方有义务对货物进行保管和销售。
SAP中的寄售在SAP系统中,寄售是一种业务操作。
寄售从业务分类上分为两种类型:寄售到客户以及寄售从供应商。
两种类型的寄售操作都建立在供应商和客户之间的合作关系基础上。
寄售到客户在SAP系统中,寄售到客户可以通过如下流程进行操作:1.创建寄售收货订单。
当与客户签订寄售协议后,需要通过SAP系统创建寄售收货订单。
该订单用于记录销售方向客户发运的寄售物品,同时还需要设置相关客户信息,比如客户编码、地址等。
2.寄售库存管理。
寄售库存管理是指卖方通过在SAP系统中管理寄售库存(客户库存)的数量和状态信息。
该过程需要考虑到如以下因素:•寄售物品是否已经交付到客户处;•客户销售实时情况和库存量;•客户销售明细。
以上因素都有可能影响到寄售告警功能的设置,当告警条件达到时SAP系统会自动发出通知给卖方。
3.发货、收款汇总。
SAP系统中的发货和收款过程,需要自动生成相关的销售订单和发票,方便销售方对自己的库存量、订单量等进行管理。
同时,在进入货款支付阶段前,SAP系统也会对每次货款收款情况进行统计和汇总。
寄售从供应商处寄售从供应商处的操作流程共分为两个主要步骤:1.寄售为供应商的物品收货。
与寄售到客户类似,寄售从供应商处的操作也需要建立相应的订单,并记录物品的相关信息和供应商的信息。
2.客户销售物品后的发货、通知供应商收款。
如果客户成功销售了物品,该订单就要在SAP系统中进行发货处理。
随后,SAP系统会自动通知供应商,告知当前销售的具体情况,包括销售数量、价格和待付款项等。
供应商在通知后,根据相应的寄售协议向销售方提供服务。
在SAP系统中,寄售作为重要的业务操作之一,可以帮助企业更好地管理自身的库存、销售等方面,节约有限的资源和时间成本。
供应商寄售流程寄售库存设置概述•打开表单•如何•另请参阅可以通过两种方式使用寄售库存:您的供应商所拥有但存储在您的仓库中的库存,或者您所拥有但存储在客户仓库中的库存。
供应商寄售库存执行基本设置1. 在库存参数表单上,选择“在仓库核算项目成本”。
该设置是必需的。
2. 在仓库表单中,将“寄售类型”设置为“供应商”并选择一个供应商号,然后设置“供应商货位”。
3. 在物料表单中,指定从您的供应商寄售的物料。
4. 在物料/仓库表单中,指定最小/最大数量值和补货采购单。
5. 在物料仓库成本表单中,将寄售的库存定义为零成本物料。
定义寄售仓库的补货需求使用供应商寄售的库存耗用报告表单可显示活动并建议补货级别,同时提供一种向供应商报告耗用情况的方法。
就寄售仓库库存计划发货事宜与供应商进行沟通。
管理供应商寄售仓库的库存使用供应商寄售的库存接收表单记录与供应商之间的物料交货和退回事宜。
使用供应商寄售的库存耗用表单消耗寄售物料、创建新的补货采购单下达以及根据新的下达执行采购单接收。
使用供应商寄售的库存汇总仅显示表单复核与物料、接收和采购有关的当前供应商寄售信息。
客户寄售库存执行基本设置1. 在仓库表单中,将“寄售类型”设置为“客户”。
2. 指定客户收货地。
3. 在客户收货地表单中:4. 在物料/仓库表单中,为寄售仓库中的物料设置最小/最大寄售数量。
定义补货需求和创建寄售转移1. 使用寄售至客户的库存报告计划您的仓库到客户仓库的转移单。
2. 使用转移单发货表单为转移单发货。
3. (可选)使用转移发货装箱单表单为转移单打印装箱单。
4. 使用转移单接收表单,在确认客户收到货物之后接收转移单。
注释:也可以使用多地点数量移动工具向/从您的寄售仓库移动库存。
记录客户耗用1. 打印寄售至客户的库存耗用报告。
(可选)将该报告发送给客户,以使他们能够报告耗用情况。
2. 当客户通知您他们耗用了您的寄售仓库中的库存之后,使用寄售至客户的库存表单查看客户寄售库存的相关信息,并快速创建一个客户订单。
供应商寄售流程 The pony was revised in January 2021第十九章-MM19_供应商寄售流程1.流程说明此流程适用于对OEM供应商商品寄售的采购作业,同时包含寄售商品的库存管理、发货及发票结算作业。
因考虑仓库空间及整体采购策略,针对厂商寄售需求,由仓库和采购主管共同确认寄售的可行性。
若确定可行,则由采购依据厂商提供之寄售明细现在系统中创建寄售采购定单当厂商实际送货数量大于寄售采购定单数量时,仓库将信息传送到采购,采购与厂商协调确认处理方式—照收或拒收若确定照收,则由采购人员在系统中进行定单数量修正后,由仓库执行点货作业若经品保确认为不良品之明细,转采购与厂商协调处理方式—补货或修改定单(照良品数修正)。
仓库在系统将良品数量做收货作业,系统产生物料凭证,物所权属于厂商,不在系统内产生会计凭证。
当寄售货物实际发货后,物所权转移至我方,采购每月定期打印寄售对帐单明细,并传真至供应商进行确认作业。
每月结帐日经双方确认完成后之寄售明细,采购可通知供应商开具发票,并转入发票校验作业。
整个寄售收货流程作业时间点管控在1个工作小时内予以完成。
品保质检管控时间点8个工作小时内完成。
收货期间,采购确认及仓库输入作业控制在1个工作小时内完成若某物料为供应商寄售的,则必须在维护采购信息记录中,维护成“寄售”(参考第十三章生产性物料标准采购流程操作范例之例一)寄售采购的系统操作等同于标准采购流程(参考第十三章生产性物料标准采购流程之流程说明)。
在系统采购订单上,若为供应商寄售采购订单则必须在采购订单的“I-文本项目类型”上标注“K”(寄售)。
2.流程图3.系统操作3.1.操作范例创建供应商寄售的采购申请单(请参考第十三章生产性物料标准采购流程之例二、例三、例四、例五)3.2.系统菜单及交易代码后勤物料管理采购采购申请采购订单创建已知供应商/供货工厂交易代码:ME21/ME21N3.3.系统屏幕及栏位解释创建供应商寄售的采购订单栏位名称栏位说明资料范例供应商必输项,输入提供寄售服务的供应商采购订单日非必输项,由系统默认自动带出2001/03/11期采购订单非必输项,由系统内部自动赋号采购组织必输项,在哪个采购组织下执行采购作业FP00:总部及华东区采购组织采购员必输项,执行采购的采购人员105项目类别必输项,选择“K”(寄售),可以籍由系统辅助K:寄售资料进行查询作业后续作业同标准采购订单,系统图面参见第十三章。
某公司寄售业务实施方案二、寄售业务模式寄售业务是指将公司的产品寄售给合作伙伴或分销商,通过其销售渠道和资源来推广和销售产品,并按照约定的比例分成。
本公司拟采用以下寄售业务模式:1.合作伙伴寄售:与有一定销售能力和资源的企业签订寄售合作协议,将产品寄售给其,并由其负责销售与售后服务。
2.分销商寄售:通过建立分销渠道,委托一级或二级分销商将产品寄售,并由其负责区域销售和售后服务。
三、寄售业务流程1.合作伙伴挑选与签约(1)在市场调研的基础上,筛选出一批合适的潜在合作伙伴。
(2)与合作伙伴进行洽谈,了解其销售能力、渠道资源及市场竞争力。
(3)共同商讨并签订寄售合作协议,约定合作条件、市场推广策略和利润分成比例。
2.商品寄售与备货(1)根据合作伙伴的需求量,确定寄售的商品数量,并委托合作伙伴负责存放和保管。
(2)合作伙伴及时反馈库存变动情况,以便及时调整备货计划。
3.销售与推广(1)合作伙伴按约定销售渠道进行产品销售,积极开发客户资源,提高产品知名度和销售额。
(2)公司与合作伙伴共同制定市场推广策略,提供市场推广资料和支持,提高市场占有率。
4.订单及物流管理(1)公司建立订单管理系统,协助合作伙伴处理订单和发货。
(2)合作伙伴负责与物流供应商合作,确保及时交付产品给客户。
5.售后服务(1)合作伙伴负责产品的售后服务,包括产品的维修、退换货等问题。
(2)公司负责提供相关技术支持和培训。
6.利润结算与分成(1)公司定期与合作伙伴进行利润结算,根据销售额和利润分成比例计算合作伙伴的收益。
(2)公司与合作伙伴沟通,及时解决发生的问题,确保双方的权益得到保障。
四、风险控制1.合作伙伴风险:应仔细评估合作伙伴的信誉度和资质,签订严格的合作协议,明确协议违约赔偿责任。
2.库存风险:通过建立库存管理系统,密切监控合作伙伴库存,避免库存积压和过期损失。
3.市场竞争风险:及时调整市场策略,及时了解和分析竞争对手的动态,及时调整产品定价和市场推广策略。
寄售作业流程一、概念“寄售”代表一种过程,供应商将可用物料发给你,你将物料放在你的库存中。
在你将物料的供应商寄售库存拿出来用之前,供应商仍然是物料的所有者。
物料从寄售库存通过消耗或转到自有库存后才算作自有库存,对此期间的领用进行开票,开票频率需与供应商协商,比如每月开一次票。
当然,你也可以与供应商协商另一种付款方式:寄售库存剩余数量在某一段时间之后将全部归到你公司库存中。
二、优点1.降低公司库存金额2.延后付款3.增加公司资金运用灵活度三、特别说明1.1寄售库存在你自己仓库的物料共同管理,在这种方式之下,你可以将寄售库存的物料看做自己的可用库存量。
同一个物料不同供应商的寄售库存是被分开管理的,价格也是分开管理的。
寄售库存是没有价值的(寄售库存收货不产生会计凭证),只有物料被消耗时,价值才会根据价格更新。
寄售物料可以有以下三种库存状态:1.Unrestricted-use stock(非限制库存)2.Stock in quality inspection(质检库存)3.Blocked stock(冻结库存)物料的三种状态可以转换,只有非限制库存的物料可以被直接使用。
2.1供应商寄售的注意事项:1)系统中维护寄售信息时,必须在物料主数据、采购信息记录中指定采购类型为寄售,否则系统会按照标准库存采购方式进行采购;2)在寄售方式下,只有在寄售库存使用时采购价格才会被采用,与其他采购方式不同(在订单入库时采购价格被采用);3)由于寄售库存是一种特殊的库存方式,在系统中,无法在外协厂库存处创建寄售库存,只能创建在本公司处。
如果在实际业务中有在外协厂处建立寄售库存的需求,只能在本公司处创建相应外协厂的库存地点;4)寄售库存的管理根据本公司与供应商达成的协议执行;5)在寄售方式下,财务的发票处理与一般采购业务不同,采用寄售库存使用结算的方式,而非发票校验。
发票不是根据采购送货出具,而是供应商根据使用纪录出具。
3.1 必须制定外部供应商寄售库存的管理制度及寄售价格的维护制度(包括价格变更的处理);系统只能提供库存查询,领退料查询等功能。
寄售管理制度及流程一、总则为了规范公司的寄售业务,保障公司和客户权益,提高寄售业务的效率和透明度,特制定本管理制度。
二、适用范围本制度适用于公司对外进行寄售业务的相关管理工作。
三、寄售管理流程1. 寄售合同签订(1)客户向公司提出寄售申请,提供相关物品的信息和价值评估报告。
(2)公司对物品进行实地评估和核实,确定寄售价值和卖出价格。
(3)双方签订寄售合同,明确物品的寄售期限、分成比例、保管责任等条款。
2. 物品保管与管理(1)公司接收客户寄售的物品,并录入系统建立档案。
(2)公司对物品进行保管,并在专门的仓库内进行定期巡检和保养。
(3)在保管期间,若物品出现损坏或遗失,由公司进行赔偿或赔付客户损失。
3. 推广与销售(1)公司根据物品情况,制定合适的营销推广方案,进行线上线下宣传和销售。
(2)公司将物品信息发布至公司网站和线下实体店铺,并进行定期更新和推广。
(3)公司与合作伙伴或经销商展开合作,将物品引入他们的销售渠道。
4. 交易与结算(1)客户在寄售期限内可以随时要求撤回物品,公司进行物品清点和交接。
(2)公司对客户寄售物品进行销售,每月定期进行结算并支付销售所得分成。
(3)客户可以随时查询寄售物品的销售情况和结算账单。
5. 寄售终止(1)在寄售期限届满时,公司通知客户寄售期限已满,客户可以选择终止寄售或继续寄售。
(2)若客户要求终止寄售,公司协助客户将物品撤回,并进行结算和交接。
6. 异议处理(1)若客户对寄售物品的评估、推广或销售结果有异议,客户可以向公司提出申诉。
(2)公司成立寄售异议处理工作组,进行调查和处理,并向客户提供申诉结果。
四、寄售管理制度1. 寄售合同(1)寄售合同由公司统一制定,包括客户信息、物品信息、寄售期限、分成比例等内容。
(2)客户提出寄售申请后,由公司和客户双方签订寄售合同,并在系统中备案。
2. 物品保管(1)公司设立专门的寄售物品保管区域,进行统一管理和保养。
(2)在物品保管期间,公司对物品进行定期巡检和保养,并及时向客户报告寄售物品的状态。
目录业务流程:供应商寄售结算流程 (2)业务流程简介 (2)业务流程图 (2)业务流程各步骤说明 (2)1供应商寄售结算(ZWZMRKO) (3)1.1完成该流程的SAP角色 (3)1.2SAP菜单路径 (3)1.3SAP交易代码 (3)1.4操作细部描述 (3)业务流程:供应商寄售结算流程业务流程简介业务岗每月定期打印寄售对帐单明细,并传递至供应商进行确认。
供应商确认寄售数据后,开具增值税发票。
当寄售货物实际发货后,货物所权转移至我方,物流岗将寄售库存转为自有库存,财务岗依据发票进行寄售结算。
业务流程图业务流程各步骤说明1供应商寄售结算(ZWZMRKO)业务岗每月定期打印寄售对帐单明细,并传递至供应商进行确认。
供应商确认寄售数据后,开具增值税发票,财务岗依据发票进行寄售结算。
1.1完成该流程的SAP角色财务结算岗1.2 SAP菜单路径无1.3SAP交易代码ZWZMRKO1.4操作细部描述范例中石化南京阀门供应储备中心财务结算岗在收到业务岗提交的寄售发票后在ERP 系统中进行寄售结算。
在处输入SAP交易代码:ZWZMRKO进入下一屏幕:屏幕解释栏位说明范例公司代码可选,1013供应商可选,供应商编码工厂可选,物资工厂WZ21物料可选,物料编码凭证日期可选过帐日期可选物料凭证可选,货物移动凭证结算单号可选,寄售结算单号采购订单可选,采购订单号订单合同号可选,采购合同号订单制单人可选,采购合同的制单人字段“寄售”寄售业务,默认值V字段“管道”管道业务,不选显示可选项“未结算提处理未结算的寄售业务,默认值V货”查询已结算的寄售业务,根据需要选择显示可选项“已结算提货”通过凭证编码范围段查询信息,不选显示可选项“凭证编码”显示可选项“布局”显示报表的界面格式,默认“/ZWZMRKO”点击进入寄售结算单显示界面屏幕解释栏位说明范例公司代码寄售业务发生的公司代码,仅显示供应商寄售业务发生的供应商,仅显示物料凭证寄售业务发生的物料凭证,仅显示信息文本寄售业务发生的信息文本表示寄售结算的状态,仅显示。
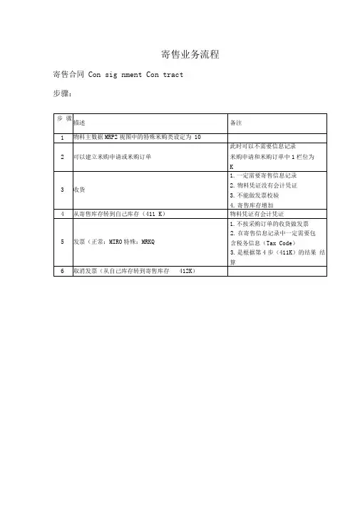
寄售业务流程寄售合同Con sig nment Con tract步骤:做411 K的时候,过账的日期详细步骤:1、物料主数据MRP视图中的特殊采购类设定为102、创建寄售信息记录(ME113、创建寄售合同(ME31K4、维护货源清单(ME015、创建采购申请(ME51N6、创建采购订单(ME21N7、收货过账(MIGO8显示物料清单(MB039、显示库存级别(MMB)E10、库存调拨(MB1B)11、期末进行寄售结算寄售流程说明:“寄售”代表一种过程,供应商将可用物料给你,你将物料放在你的库存中。
在你将物料从供应商寄售库存拿出来用之前,供应商仍然是物料的所有者。
只到你支付了供应商的款。
物料从寄售库存被消耗的付款方式可以采取与供应商协商好的期间进行开票,比如每月开一次票。
当然,你也可以与供应商协商另一种付款方式:寄售库存剩余数量在某一段时间之后将全部归到你公司库存中。
流程说明:此流程适用于对OEM供应商商品寄售的采购作业,同时包含寄售商品的库存管理、发货及发票结算作业。
因考虑仓库空间及整体采购策略,针对厂商寄售需求,由仓库和采购主管共同确认寄售的可行性。
若确定可行,则由采购依据厂商提供之寄售明细现在系统中创建寄售采购定单,当厂商实际送货数量大于寄售采购定单数量时,仓库将信息传送到采购,采购与厂商协调确认处理方式—照收或拒收,若确定照收,则由采购人员在系统中进行定单数量修正后,由仓库执行点货作业,若经品保确认为不良品之明细,转采购与厂商协调处理方式—补货或修改定单(照良品数修正)。
仓库在系统将良品数量做收货作业,系统产生物料凭证,物所权属于厂商,不在系统内产生会计凭证。
当寄售货物实际发货后,物所权转移至我方,采购每月定期打印寄售对帐单明细,并传真至供应商进行确认作业。
每月结帐日经双方确认完成后之寄售明细,采购可通知供应商开具发票,并转入发票校验作业。
注意事项:在系统采购订单上,若为供应商寄售采购订单则必须在采购订单的“I- 文本项目类型”上标注“ K” (寄售)。
SAP 供应商寄售结算流程概述供应商寄售是一种常见的业务模式,它允许供应商在客户端的库存中放置货物,直到客户端出售这些货物后再向供应商结算货款。
SAP系统可以支持供应商寄售的结算流程,使企业可以用更高效的方式管理这种业务模式。
寄售物料创建在SAP系统中,供应商寄售通常被作为一个特殊类型的采购订单处理,称为寄售订单。
在创建寄售物料之前,首先需要创建供应商或确认已有的供应商信息,然后创建寄售物料。
为了创建寄售物料,需要在SAP上配置寄售控制指示器(也称为MARC记录)。
这将包括衡量寄售订单传输的设施、文档、报告、数量管理和计价。
寄售订单创建在SAP中,寄售订单被作为一种采购订单处理。
因此,在创建寄售订单之前,首先需要创建相应的采购组织信息。
采购订单中需要填写以下信息:•寄售订单号•寄售物料号•客户号或延期款延期收取代码(这样,在发货时就可以生成客户初始贷项明细)•寄售订单数量•寄售供应商编号•地点或仓库信息接收寄售物料寄售物料运输到客户端仓库后,需要在SAP系统中产生相应的接收记录。
在接收寄售物料时,需要在SAP系统中创建下列记录:•到货通知 - 确认寄售物料已达到客户端•物料接收 - 负责记录已接收的寄售物料•贷项抵销 - 通过这个步骤对供应商进行付款寄售结算一旦寄售订单中的所有物品都以销售为基础售出,就需要为供应商进行结算了。
在SAP系统中,寄售结算是通过采购凭证来管理的。
由于寄售订单是SAP的一种特殊类型采购订单,因此采购凭证也被称为MIRO记录。
通过这个记录,会对供应商进行价值确认,并且将米勒公司码和COST中心相结合。
在执行结算时则需要使用MIRO记录。
可以看到,SAP系统提供了一个强大的结算方案,可以支持企业采取寄售模式来管理他们的库存。
通过以上的步骤,在SAP系统中成功实现寄售结算是相当容易的。
如果您需要了解更多关于SAP寄售结算的信息,SAP官方网站提供了大量技术文档供参考。
7.2 寄售作业流程图
7.3 寄售作业单据流程图
8. 程序内容
8.1 寄售入库作业流程
8.1.1 寄售PO(订单)作业
8.1.1.1 生管单位根据生产计划作MRP(物料需求计划)
8.1.1.2 根据MRP展开成Month(月),Week(周),daily(天)需求计划
8.1.1.3 根据物料需求计划开出PR(Purchase request-采购申请)
8.1.1.4 将经过核准的PR转成PO(Purchase Order)
8.1.1.5 采购根据PO整理供应商交货排程和每日到货明细
8.1.1.6 下达PO给供应商要求供应商回复交货排程并统计交货情况
8.1.2 验收作业
8.1.2.1 供应商根据采购提供的交货排程安排送货计划
8.1.2.2 供应商送货到厂后由采购或保安通知仓库货物到厂
8.1.2.3 仓库安排人员将司机引导停放在指定待收货区域
8.1.2.4 仓库人员核对每日到货明细是否在收料范围内,如有差异交采购处理
8.1.2.5 核对完毕后查看ERP订单信息是否完整,如果不符,交采购处理
8.1.2.6 如在当日收货明细内且内容相符,ERP订单信息完整,根据送货单将需
要收货的信息录入ERP系统中
8.1.2.7 仓管人员在完成录入系统后,打印验收单(),交品管检验。
供应商寄售流程1、目的:对寄售物料的采购、消耗的处理2、适用范围:寄售物料3、文件内容概述:●创建信息记录:即确定物料和相关供应商之间的价格等条款●创建采购订单:针对寄售物料和寄售供应商创建采购订单,此时,采购订单的净价为0。
●根据寄售采购订单收货:收货之后并没有产生财务凭证,只有物料凭证。
供应商寄售库存地的质检状态的库存增加,但并没有汇总到物料的总库存数中,因为物料的所有权还是属于供应商。
●对寄售物料请检,检验合格,则从寄售库存地的质检状态转至非限制使用状态;检验不合格,则从质检状态转至冻结状态,然后再退货给供应商●寄售库存转为自由库存:操作之后产生了物料凭证和会计凭证。
同时物料的所有权已经转移。
自由库存增加,寄售库存减少,供应商应付帐款增加。
影响了物料主数据的移动平均价。
●对寄售物料进行发票校验4、流程操作手册执行两次进入如下界面:点击“”,输入以下参数:保存之后采购订单4500000062被创建,净价为0。
⑶根据采购订单收货操作步骤参考“采购订单操作”文档采购订单:4500000062 UOE的量:800保存之后产生了物料凭证5000000070,并没有产生财务凭证,只有当物料转为自由库存或则物料被消耗时才会产生财务凭证。
在库存总览中,供应商寄售库存地增加了库存800KG(批次:0212002,质检状态),但是并不影响总库存的数量。
库存总览如下:保存之后产生了物料凭证4900000241,同时质检状态的数量减少了500KG,非限制使用状态增加了500KG。
库存总览如下:⑸寄售物料请检不合格,则从质检状态转至冻结状态,然后再退货供应商保存之后产生物料凭证4900000242,质检状态减少了300KG,冻结库存增加了300KG。
库存总览如下:了200KG,库存总览如下:保存之后产生了物料凭证4900000245和会计凭证。
寄售库存地的非限制使用状态的的物料减少了100KG,药业原料库的非限制使用状态的自由库存增加了100KG。
寄售行操作流程寄售行是一种商业模式,允许个人或企业将其产品委托给寄售行进行销售。
在寄售行操作流程中,寄售行作为中间人,负责促成卖方与买方之间的交易。
本文将详细描述寄售行的操作流程和步骤。
1. 准备阶段在开始寄售行的操作流程之前,需要进行一些准备工作。
1.1 确定经营范围寄售行需要确定自己的经营范围。
这包括确定要销售的产品类型、品牌和规模等。
1.2 寻找供应商接下来,寄售行需要找到合适的供应商。
可以通过与制造商、批发商、分销商等联系,洽谈合作关系并确定供应渠道。
1.3 签订合同在确定供应商后,寄售行与供应商之间需要签订合同。
合同中应明确双方的权利和义务,包括产品价格、质量标准、配送方式等。
1.4 设立店铺为了进行销售活动,寄售行需要设立自己的店铺。
可以选择线下实体店或在线电商平台进行销售。
如果选择在线电商平台,还需要注册账号并进行相关设置。
1.5 准备销售工具和设备寄售行还需要准备一些销售工具和设备,例如收银机、POS系统、计算机、打印机等,以便进行销售和管理。
2. 产品收购一旦准备阶段完成,寄售行可以开始产品收购。
2.1 确认产品质量在收购产品之前,寄售行应仔细检查产品的质量。
可以对样品进行检测或要求供应商提供相关证明。
2.2 确定收购价格根据市场需求和供应商的报价,寄售行与供应商协商确定产品的收购价格。
2.3 下订单一旦确定了收购价格,寄售行可以向供应商下订单。
订单中应包括产品数量、型号、规格等详细信息。
2.4 收取货物供应商按照订单要求将货物交付给寄售行。
在收货时,寄售行需要核对货物的数量和质量,并签署相应的收货单据。
3. 产品上架和销售一旦收取了货物,寄售行可以开始将产品上架并进行销售。
3.1 标价和陈列寄售行需要对产品进行标价,并将其陈列在店铺中。
标价应根据市场需求、成本和竞争对手的价格进行合理定价。
3.2 营销推广为了促进销售,寄售行可以使用各种营销推广方法。
可以在店铺内设置特别促销区域、提供优惠券、举办促销活动等。
寄售业务介绍寄售业务是一种商业模式,指供应商或厂商将产品寄售给代理商或零售商并按照销售情况进行结算的一种交易方式。
寄售业务在国内外都十分流行,被广泛应用于各个行业中。
寄售的含义寄售是一种销售方式,其含义是供货商将货物交给代销商或批发商,由代销商或批发商负责销售,销售成功后再将款项结算给供货商。
在这个过程中,货物的所有权一直属于供货商,代销商或批发商只是货物的看管人和销售人。
寄售业务的优势寄售业务具有以下优势:1.减少货物滞留:通过寄售,可以有效减少因库存积压而引起的货物滞留问题。
2.缩短流通周期:寄售业务可以缩短货物的流通周期,提高货物周转效率,降低资金占用成本。
3.降低财务风险:由于代销商或批发商负责销售,供货商可以减少财务风险。
4.前期投入少:供货商只需要将货物寄售给代销商或批发商,无需支付广告费、促销费等前期费用。
寄售业务的流程寄售业务的流程包括以下几个步骤:1.签订寄售合同:供货商与代销商或批发商签订寄售合同,约定货物数量、结算方式、销售期限等具体细节。
2.发货:供货商根据合同约定发货。
3.看管和销售:代销商或批发商负责货物的看管和销售工作。
4.结算:根据合同约定的结算方式,代销商或批发商将款项结算给供货商。
寄售业务的注意事项在开展寄售业务时,供货商应注意以下事项:1.选择合适的代销商或批发商:供货商应选择口碑良好、信誉度高、经营规范的代销商或批发商。
2.控制货物质量:供货商应对货物的质量进行严格把关,确保货物的质量符合合同约定。
3.确定清晰的结算规则:供货商应在合同中明确结算方式、结算周期等具体细节,避免出现纠纷。
4.加强管理监控:供货商应加强对代销商或批发商的管理监控,确保货物的看管和销售情况得到监控。
寄售业务的适用范围寄售业务适用于以下情况:1.适用于需要快速流通货物的企业,可将库存中的产品通过寄售的方式快速流通。
2.适用于销售渠道狭窄的企业,通过代销商或批发商的销售网络推广产品。
福昌供应商寄售产品上线结算和应付款流程
一、寄售目的:为了贯彻落实伟世通亚太总部关于《降低库存、提高库存周转率》的通知,同时提升福昌公司物流管理水平。
二、适用范围:福昌公司各供应商的交付产品。
三、寄售方式:交付产品上线结算。
四、上线结算和应付款操作流程:
五、流程说明:
1、供应商寄售产品上线结算必须逐月结清,如因供应商问题而造成未结清,将直接影响到供应商的付款时间。
2、如在核对上线结算的产品种类和数量时发现差异或问题,供应商应及时与福昌采购员重新核对,以保证逐月结帐数据准确。
3、供应商所开发票必须与《寄售产品开票信息通知单》一并寄给福昌,以便于及时、正确地核对和财务存档。
4、发票挂帐后付款时间是从上线结算产品的当月开始并按双方价格协议所规定的月份数进行计算得出付款时间。
5、福昌财务部为了提高工作效率,完善付款手续。
特规定:每月20日至月底为付款时间。
如遇特殊情况,福昌采购员有责任向供应商说明原因。
6、如有未涉及的情况或问题,双方应持合作的态度及时协商解决。
7、本流程从2007年5月15日开始实施。
8、本流程的解释权归福昌公司采购物流部。
如有修订,将及时通知供应商。
江西福昌空调系统有限公司
采购物流部
2007年4月30日。
上海震旦家具有限公司SAP实施专案
版本:1.0
第十九章-MM19_供应商寄售流程
1.流程说明
此流程适用于对OEM供应商商品寄售的采购作业,同时包含寄售商品的库存管理、发货及发票结算作业。
因考虑仓库空间及整体采购策略,针对厂商寄售需求,由仓库和采购主管共同确认寄售的可行性。
若确定可行,则由采购依据厂商提供之寄售明细现在系统中创建寄售采购定单当厂商实际送货数量大于寄售采购定单数量时,仓库将信息传送到采购,采购与厂商协调确认处理方式—照收或拒收若确定照收,则由采购人员在系统中进行定单数量修正后,由仓库执行点货作业若经品保确认为不良品之明细,转采购与厂商协调处理方式—补货或修改定单(照良品数修正)。
仓库在系统将良品数量做收货作业,系统产生物料凭证,物所权属于厂商,不在系统内产生会计凭证。
当寄售货物实际发货后,物所权转移至我方,采购每月定期打印寄售对帐单明细,并传真至供应商进行确认作业。
每月结帐日经双方确认完成后之寄售明细,采购可通知供应商开具发票,并转入发票校验作业。
整个寄售收货流程作业时间点管控在1个工作小时内予以完成。
品保质检管控时间点8个工作小时内完成。
收货期间,采购确认及仓库输入作业控制在1个工作小时内完成
若某物料为供应商寄售的,则必须在维护采购信息记录中,维护成“寄售”(参考第十三章生产性物料标准采购流程 3.1 操作范例之例一)
寄售采购的系统操作等同于标准采购流程(参考第十三章生产性物料标准采购流程之流程说明)。
在系统采购订单上,若为供应商寄售采购订单则必须在采购订单的“I-文本项目类型”上标注“K”(寄售)。
文件名称:UM_MM19_consignment.doc Page 1 of 6
上海震旦家具有限公司SAP 实施专案
版本:1.0
文件名称:UM_MM19_consignment.doc
Page 2 of 6
2. 流程图
MM19
供应商
采购部/仓储部主管
提列寄售需求
评估可行性采购部/供应
商
是否可行No 确认寄售明细及发货时间
Yes
寄售采购订单厂商发货
仓储部货到仓库供应商寄售(OEM)流程
创建寄售采购
订单TC:ME21N I:K
查询采购订单
到货验收单
A
1/4
不予接受
上海震旦家具有限公司SAP 实施专案
版本:1.0
文件名称:UM_MM19_consignment.doc
Page 3 of 6
是否有采购
订单
数量是否大于采购订单
Yes
No
Yes
B
No 多余部分由采购与厂商协调
是否修改采购订单
Yes
修改采购订单TC:ME22N
寄售采购订单
No
B
A
MM19
供应商寄售(OEM)流程
采购部/供应
商
2/4
拒收
上海震旦家具有限公司SAP 实施专案
版本:1.0
文件名称:UM_MM19_consignment.doc
Page 4 of 6
MM19
仓储部B 品保
采购部
收货至验货区
品质鉴定是否是良品Yes 是否退厂商
No
退厂商自行处理
是否补货
Yes
No 厂商
厂商补货
No
Yes
C
C
供应商寄售(OEM)流程
与厂商协调处
理方式
到货验收单
修改采购订单TC:ME22N
采购订单(数量已修改)
注明实收数量
3/4
C
入库作业
单据归档
入库量输入TC:MIGO
SD12排工发货处理流程
供应商确认明
细供应商开具发
票
采购核对发票并交财务
财务发票录入TC:MRHR FI银行付款流
程
仓储部
采购部
供应商
采购部
财务部
供应商寄售(OEM)流程
MM19物料凭证
到货验收单
注明实收数量及质检结果
4/4
采购定期打印寄售出货明细
M VT :101
上海震旦家具有限公司SAP实施专案
版本:1.0
3.系统操作
3.1.操作范例
创建供应商寄售的采购申请单(请参考第十三章生产性物料标准采购流程之例二、例三、例四、例五)
3.2.系统菜单及交易代码
后勤→物料管理→采购→采购申请→采购订单→创建→已知供应商/供货工厂
交易代码:ME21/ME21N
3.3.系统屏幕及栏位解释
创建供应商寄售的采购订单
文件名称:UM_MM19_consignment.doc Page 5 of 6
上海震旦家具有限公司SAP 实施专案
版本:1.0
文件名称:UM_MM19_consignment.doc
Page 6 of 6
栏位名称 栏位说明
资料范例 供应商
必输项,输入提供寄售服务的供应商
10000071 采购订单日期 非必输项,由系统默认自动带出 2001/03/11 采购订单 非必输项,由系统内部自动赋号
采购组织
必输项,在哪个采购组织下执行采购作业 FP00:总部及华东区采购组织 采购员 必输项,执行采购的采购人员
105 项目类别 必输项,选择“K ”(寄售),可以籍由系统辅助资料进行查询作业 K :寄售
后续作业同标准采购订单,系统图面参见第十三章。