【给排水工程图例符号】给排水图例符号说明
- 格式:docx
- 大小:11.45 KB
- 文档页数:1
">
给水排水图例说明1. 引言给水排水图例是给水排水工程设计的重要文档,在给水排水工程设计中起到了标明和解释各种图形符号及其含义的作用。
本文档将详细介绍给水排水图例中常见的图形符号及其含义,以供工程设计人员参考和使用。
2. 图例示意图下面是常见的给水排水图例示意图:图例示意图图例示意图3. 图例说明下面将分别对图例中的各个图形符号进行说明。
管道用来表示给水和排水系统中的水流通道。
常见的管道图形符号如下:•直线:表示直管道;•直线带箭头:表示管道的流向;•弯曲线:表示弯管;•弯曲线带箭头:表示弯管的流向。
3.2 阀门阀门用来控制给水和排水系统中的水流。
常见的阀门图形符号如下:•方形:表示截止阀;•圆形:表示调节阀;•三角形:表示止回阀;•斜线:表示可调节阀。
泵站用于将水从一个低地势区域抽到高地势区域。
常见的泵站图形符号如下:•正方形:表示泵站建筑物;•直线带箭头:表示泵站的出水方向。
3.4 排水口排水口用于排水系统中的水流的排放。
常见的排水口图形符号如下:•出水直线:表示直接排入下水道;•出水直线带箭头:表示排入外部环境。
3.5 水池水池用于储存给水和排水系统中的水。
常见的水池图形符号如下:•椭圆形:表示储水池;•直线带箭头:表示水池的水流方向。
本文档详细介绍了给水排水图例中常见的图形符号及其含义。
通过对图例的理解和应用,工程设计人员能够准确地理解和绘制给水排水系统的图纸,从而保证工程的顺利进行。
在实际项目中,设计人员应根据具体要求进行图例的设计和补充,确保图例与工程实际相符。
5. 参考文献无。
给排水图例符号大全在建筑设计和工程施工中,给排水系统是非常重要的一部分。
而在给排水系统的设计和施工中,图例符号的使用是必不可少的。
图例符号是用来表示给排水系统中各种设备、管道、阀门等的标志,通过图例符号可以清晰地了解给排水系统的布局和结构。
因此,了解和掌握给排水图例符号是非常重要的。
首先,我们来看一下给排水系统中常见的图例符号及其含义。
1. 排水管道符号,排水管道符号通常用直线表示,箭头表示流向。
不同直径的排水管道在图例中会有不同的标识,以便于工程师和施工人员准确理解管道的尺寸和布局。
2. 排水井符号,排水井通常用一个矩形或圆形的图形表示,内部会标注井的深度和直径。
排水井的图例符号可以帮助设计人员和施工人员准确了解排水井的位置和尺寸。
3. 排水泵符号,排水泵通常用一个长方形加上箭头表示,箭头表示泵的流向。
排水泵的图例符号可以帮助大家准确了解排水泵的位置和流向。
4. 排水阀门符号,排水阀门通常用一个带有箭头的图形表示,箭头表示阀门的开启方向。
排水阀门的图例符号可以帮助大家准确了解阀门的位置和开启方向。
5. 排水设备符号,排水设备包括洗手盆、马桶、浴缸等,它们在图例中会有不同的标识,以便于大家准确理解设备的类型和位置。
以上是给排水系统中常见的图例符号及其含义,通过这些图例符号可以清晰地了解给排水系统的布局和结构。
在实际的设计和施工中,设计人员和施工人员都需要准确理解这些图例符号,以确保给排水系统的设计和施工符合要求。
除了了解常见的给排水图例符号外,设计人员和施工人员还需要了解一些特殊情况下的图例符号。
比如,在特殊环境下使用的排水设备、特殊材料制成的排水管道等,都会有特殊的图例符号。
因此,设计人员和施工人员需要不断学习和积累,以便于准确理解和应用这些特殊情况下的图例符号。
总的来说,给排水图例符号是给排水系统设计和施工中非常重要的一部分。
通过图例符号,设计人员和施工人员可以清晰地了解给排水系统的布局和结构,从而确保设计和施工的准确性和合理性。
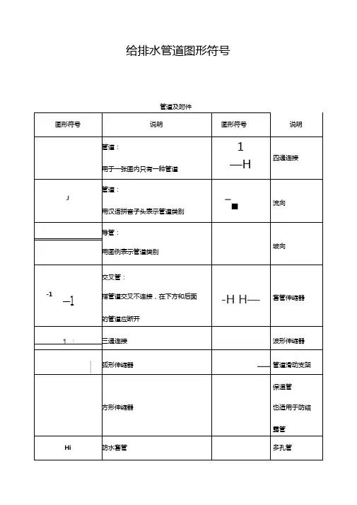
给排水管道图形符号
管道及附件
软管 可挠曲橡胶接头 管道固定支架 管道立管 排水明沟 排水暗沟 弯折管 弯折管 U1 存水弯 方型地漏 自动冲洗箱 □3— [p 表示管道向后弯90 ° 表示管道向前弯90 ° 管道的连接 图形符号 说明 XXX 拆除管 tt 法兰连接 承插连接
管堵 图形符号 地沟管 防护套管 检查口 清扫口 通气帽 雨水斗 排水漏斗 圆形地漏 阀门套筒 挡墩 说明 活接头 转动接头 管接头
法兰堵盖偏心异径管
异径管乙字管喇叭口1 応
弯官
正三通
斜三通
正四通
斜四通4
螺纹连接
温度调节阀1i弹簧安全阀
禺压力调节阀平衡锤安全阀
电磁阀© Q自动排气阀
止回阀浮球阀
气开隔膜阀t3a气闭隔膜阀
4 延时自闭冲洗阀p脚踏开关
放水龙头111疏水器
皮带龙头—室外消火栓
洒水龙头—0室内消火栓(单口)■缶化验龙头T室内消火栓(双口)肘式开关r水泵接合器
消防喷头(开式)Q .
消防报警阀
消防喷头(闭式)
卫生器具及水池
图形符号说明图形符号说明
n水盆水纸
立式洗脸盆
用于一张图只有一。
【最新整理,下载后即可编辑】给排水管道图形符号管道及附件图形符号说明图形符号说明管道:用于一张图内只有一种管道四通连接管道:用汉语拼音字头表示管道类别流向导管:用图例表示管道类别坡向交叉管:指管道交叉不连接,在下方和后面的管道应断开套管伸缩器三通连接波形伸缩器弧形伸缩器管道滑动支架方形伸缩器保温管也适用于防结露管防水套管多孔管软管拆除管可挠曲橡胶接头地沟管管道固定支架防护套管管道立管检查口排水明沟清扫口排水暗沟通气帽弯折管雨水斗表示管道向后弯90°弯折管排水漏斗表示管道向前弯90°存水弯圆形地漏方型地漏阀门套筒自动冲洗箱挡墩管道的连接图形符号说明图形符号说明法兰连接活接头承插连接转动接头管堵管接头法兰堵盖弯管偏心异径正三通管异径管斜三通乙字管正四通喇叭口斜四通螺纹连接阀门图形符号说明图形符号说明阀门电动阀用于一张图内只有一种阀门角阀液动阀三通阀气动阀四通阀减压阀闸阀旋塞阀截止阀底阀球阀消声止回阀隔膜阀碟阀温度调节阀弹簧安全阀压力调节阀平衡锤安全阀电磁阀自动排气阀止回阀浮球阀气开隔膜阀气闭隔膜阀延时自闭冲洗脚踏开关阀放水龙头疏水器皮带龙头室外消火栓洒水龙头室内消火栓(单口)化验龙头室内消火栓(双口)肘式开关水泵接合器消防喷头(开式)消防报警阀消防喷头(闭式)卫生器具及水池图形符号说明图形符号说明水盆水纸用于一张图只有一种水盆或水池立式洗脸盆洗脸盆浴盆化验盆、洗涤盆挂式小便器带蓖洗涤盆蹲式大便器盥洗槽坐式大便器污水池淋浴喷头妇女卫生盆矩形化粪池HC为化粪池代号立式小便器圆形化粪池除油池YC为除油池代号放气井沉淀池CC为沉淀池代号泄水井降温池JC为降温池代号水封井中和池ZC为中和池代号跌水井雨水口水表井本图例与流量计相同设备及仪表图形符号说明图形符号说明泵用于一张图只有一种泵管道泵离心水泵热交换器真空泵水-水热交换器手摇泵开水器定量泵喷射器磁水泵集气罐过滤器除污器上图:平面下图:立面水锤消除器暖风机浮球液位器温度计搅拌器水流指示器散热器上图:平面下图:立面压力表自动记录压力自动记录流量计表电接点压力表转子流量计流量计减压孔板。
给排水图例符号大全在建筑设计和工程施工中,排水系统是一个至关重要的部分。
为了更好地了解和掌握排水系统中各种符号和图例的含义,我们需要对排水图例符号进行深入的了解和学习。
本文将为大家介绍一些常见的给排水图例符号,希望能够帮助大家更好地理解和运用排水系统图纸。
1. 排水管道符号。
在排水系统的图纸中,排水管道符号是非常常见的。
排水管道符号通常用于表示排水管道的种类、尺寸、材质等信息。
例如,直线代表直管,弯曲线代表弯管,不同的线型代表不同的材质,不同的线宽代表不同的尺寸等。
通过排水管道符号,我们可以清晰地了解排水管道的布置和特点。
2. 排水设备符号。
排水系统中的排水设备符号也是非常重要的一部分。
排水设备符号通常用于表示排水设备的种类、型号、尺寸等信息。
例如,水槽、下水道、排水泵等设备都有各自的符号表示。
通过排水设备符号,我们可以清晰地了解排水设备的布置和功能。
3. 排水阀门符号。
在排水系统中,排水阀门符号也是必不可少的一部分。
排水阀门符号通常用于表示排水阀门的种类、尺寸、材质等信息。
例如,不同类型的阀门有不同的符号表示,不同的线型代表不同的材质,不同的线宽代表不同的尺寸等。
通过排水阀门符号,我们可以清晰地了解排水阀门的布置和作用。
4. 排水图例符号应用。
在实际的排水系统设计和施工中,排水图例符号的应用非常广泛。
通过排水图例符号,我们可以清晰地了解排水系统的布置和构成,从而更好地进行设计和施工。
同时,排水图例符号也是排水系统图纸的重要组成部分,具有非常重要的指导意义。
总结。
通过以上的介绍,我们可以看出,排水图例符号在排水系统中起着非常重要的作用。
排水管道符号、排水设备符号、排水阀门符号等各种符号都是排水系统图纸中不可或缺的一部分。
希望本文所介绍的排水图例符号能够对大家有所帮助,让大家在排水系统的设计和施工中能够更加得心应手。
同时,也希望大家在日常工作中能够不断学习和积累,提升自己的专业能力,为建筑设计和工程施工贡献自己的力量。
给排水工程施工符号一、工程概况给排水工程施工符号是在给排水工程施工图纸上标注的一种符号,用于标示和说明给排水工程中各种管道、设备、阀门等的位置、数量、规格、材质、安装方式等信息。
给排水工程施工符号规范和统一,对于施工单位的施工操作、材料采购、设备安装等具有指导作用,有助于提高工程的质量和效率。
二、常见的给排水工程施工符号1. 管道符号(1)直管一般用直线表示,如图1-1所示:图1-1 直管符号(2)弯头表示管道转弯处,弯头的角度和半径可以有不同的表示方式,如图1-2所示:图1-2 弯头符号(3)三通用来表示三条管道的汇合处,如图1-3所示:图1-3 三通符号(4)四通用来表示四条管道的汇合处,如图1-4所示:图1-4 四通符号(5)阀门表示管道上的阀门,不同类型的阀门用不同的符号表示,如图1-5所示:图1-5 阀门符号2. 设备符号(1)水泵表示给水系统或排水系统中的水泵,不同类型的水泵用不同的符号表示,如图2-1所示:图2-1 水泵符号(2)水箱表示给水系统或排水系统中的水箱,如图2-2所示:图2-2 水箱符号(3)水表表示给水系统中的水表,如图2-3所示:图2-3 水表符号(4)排水泵表示排水系统中的排水泵,如图2-4所示:图2-4 排水泵符号(5)泄水阀表示排水系统中的泄水阀,如图2-5所示:图2-5 泄水阀符号3. 材料符号(1)碎石用来表示给排水管道下的碎石填料,如图3-1所示:图3-1 碎石填料符号(2)水泥用来表示给排水管道中的水泥砂浆,如图3-2所示:图3-2 水泥符号(3)管材用来表示给排水管道的管材,不同材质的管材用不同的符号表示,如图3-3所示:图3-3 管材符号4. 其他符号(1)管道标高用来表示管道的标高,如图4-1所示:图4-1 管道标高符号(2)管道连接用来表示管道间的连接方式,如图4-2所示:图4-2 管道连接符号(3)管道支架用来表示管道的支架,如图4-3所示:图4-3 管道支架符号(4)口径标识用来表示管道的口径大小,如图4-4所示:图4-4 口径标识符号三、给排水工程施工符号的作用1. 标示管道、设备、阀门等的位置和属性,有助于施工人员对工程中的各个部分进行识别和区分。
给排水符号一、引言给排水符号是工程图中常见的一种图形符号,用于表示建筑物内部给水系统和排水系统的布置和连接方式. 掌握给排水符号对于建筑设计者和施工人员来说非常重要,能够全面理解工程图纸并正确安装给水管道和排水设备,保证工程质量。
本文将介绍常见的给排水符号以及它们在工程图中的应用。
二、常见给水符号及其含义1. 给水管道符号给水管道符号用于表示给水系统的管道线路以及其连接方式。
常见的给水管道符号包括:- 直线段管道:表示直线的给水管道,通常用直线实线表示。
- 弯管:表示给水管道的转弯部分,可以是90度或其他角度的直角弯管,用弧线表示。
- 分岔管:表示给水管道的分岔口,通常是一个主管道分成两个或多个支管道的连接点,用符号“T”表示。
- 弯头:表示给水管道的弯曲连接,通常用符号“L”或者“U”表示。
- 阀门:表示给水管道上的阀门,用不同的图形表示不同类型的阀门,如:球阀、闸阀、蝶阀等。
2. 给水设备符号给水设备符号用于表示给水系统中的设备和装置。
常见的给水设备符号包括:- 水泵:表示给水系统中使用的水泵,通常用一个三角形表示。
- 水箱:表示给水系统中的水箱,用长方形或矩形表示。
- 水表:表示给水系统中的水表,用一个矩形和表头表示。
- 净水机:表示给水系统中的净水设备,通常用一个倒三角形表示。
三、常见排水符号及其含义1. 排水管道符号排水管道符号用于表示排水系统的管道线路以及其连接方式。
常见的排水管道符号包括:- 直线段管道:表示直线的排水管道,通常用直线虚线表示。
- 弯管:表示排水管道的转弯部分,可以是90度或其他角度的直角弯管,用弧线虚线表示。
- 分岔管:表示排水管道的分岔口,通常是一个主管道分成两个或多个支管道的连接点,用符号“Y”表示。
- 排水口:表示排水管道的出口,用一个倒三角形表示。
- 下水道口:表示排水系统中的下水道口,通常用一个矩形表示。
2. 排水设备符号排水设备符号用于表示排水系统中的设备和装置。
图纸中给排水管道图形符号管道及附件图形符号说明图形符号说明管道:用于一张图内只有一种管道四通连接管道:用汉语拼音字头表示管道类别流向导管:用图例表示管道类别坡向交叉管:指管道交叉不连接,在下方和后面的管道应断开套管伸缩器三通连接波形伸缩器弧形伸缩器管道滑动支架方形伸缩器保温管也适用于防结露管防水套管多孔管软管拆除管可挠曲橡胶接头地沟管管道固定支架防护套管管道立管检查口排水明沟清扫口排水暗沟通气帽弯折管雨水斗表示管道向后弯90°弯折管排水漏斗表示管道向前弯90°存水弯圆形地漏方型地漏阀门套筒自动冲洗箱挡墩管道的连接图形符号说明图形符号说明法兰连接活接头承插连接转动接头管堵管接头法兰堵盖弯管偏心异径管正三通异径管斜三通乙字管正四通喇叭口斜四通螺纹连接阀门图形符号说明图形符号说明阀门用于一张图内只电动阀有一种阀门角阀液动阀三通阀气动阀四通阀减压阀闸阀旋塞阀截止阀底阀球阀消声止回阀隔膜阀碟阀温度调节阀弹簧安全阀压力调节阀平衡锤安全阀电磁阀自动排气阀止回阀浮球阀气开隔膜阀气闭隔膜阀延时自闭冲洗阀脚踏开关放水龙头疏水器皮带龙头室外消火栓洒水龙头室内消火栓(单口) 化验龙头室内消火栓(双口)肘式开关水泵接合器消防喷头(开式)消防报警阀消防喷头(闭式)卫生器具及水池图形符号说明图形符号说明水盆水纸用于一张图只有一种水盆或水池立式洗脸盆洗脸盆浴盆化验盆、洗涤盆挂式小便器带蓖洗涤盆蹲式大便器盥洗槽坐式大便器污水池淋浴喷头妇女卫生盆矩形化粪池HC为化粪池代号立式小便器圆形化粪池除油池YC为除油池代号放气井沉淀池CC为沉淀池代号泄水井降温池JC为降温池代号水封井中和池ZC为中和池代号跌水井雨水口水表井本图例与流量计相同设备及仪表图形符号说明图形符号说明泵用于一张图只有一种泵管道泵离心水泵热交换器真空泵水-水热交换器手摇泵开水器定量泵喷射器磁水泵集气罐过滤器除污器上图:平面下图:立面水锤消除器暖风机浮球液位器温度计搅拌器水流指示器散热器上图:平面下图:立面压力表自动记录压力表自动记录流量计电接点压力表转子流量计流量计减压孔板。