“显微镜”专题复习
- 格式:doc
- 大小:1.47 MB
- 文档页数:4
一、显微镜1. 认识显微镜的结构目镜[ ] 物镜[ ];转换器[ ];反光镜[ ] 遮光器[ ];粗准焦螺旋[ ];细准焦螺旋[ ];镜臂[ ];镜座[ ];镜筒[ ];镜柱[ ];载物台[ ];压片夹[ ];通光孔[ ];2. 最重要的结构:[ ] 和[ ] 。
显微镜的放大倍数由目镜和物镜决定(计算方法:目镜倍数×物镜倍数)。
3. 调节光线强弱的结构:[ ] :上面有大小不等的圆孔,叫光圈。
[ ] :两面,分别是平面镜和凹面镜。
注意:外界光线强,选择小光圈和平面镜。
外界光线弱,选择大光圈和凹面镜。
4. 调节镜筒升降的结构:[ ] :可使镜筒较大幅度的升降。
[ ] :一般用于将物像调清晰。
5. 显微镜的使用:(1)取镜与安放:①右手握镜臂,左手托镜座,将显微镜从镜箱中取出。
②把显微镜轻轻放在实验桌略偏左的地方,镜臂朝向自己,镜座距实验桌边缘约7cm。
③安镜头:检查显微镜的目镜和物镜是否装好,若没有,则此时安装好目镜和物镜。
(2)对光(“四转一看”):①转动粗准焦螺旋,使镜筒上升。
②转动转换器,使低倍物镜对准通光孔。
③转动遮光器,使遮光器上最大的光圈对准通光孔。
④左眼注视目镜(右眼睁开),转动反光镜(一般选择凹面镜),直到看到一个白亮的视野。
(3)观察:①安放标本:将玻片标本置于载物台上,用压片夹压住。
移动玻片,使标本正对通光孔的中心。
②从侧面注视物镜,双手同时转动粗准焦螺旋,使镜筒慢慢下降至接近玻片约2mm左右。
③左眼注视目镜,同时反方向慢慢转动粗准焦螺旋,使镜筒缓缓上升,直到发现物像。
④转动细准焦螺旋,使物像更清晰。
(4)收镜与整理:提升镜筒,取下装片,擦拭显微镜(若物镜、目镜弄湿或弄脏,用擦镜纸轻轻擦拭干净),转动转换器,使物镜偏向两旁,将镜筒降到最低,反光镜竖立。
6. 显微镜的视野内出现了一个污点,判断污点在目镜、物镜或玻片上的方法:分别旋转目镜或移动玻片,若污点移动,则污点在目镜或玻片上;若污点都不动,则污点在物镜上。
显微镜基础知识单选题100道及答案解析1. 在显微镜下观察到的物像若在视野左下方,要将物像移到视野正中央,应将装片向()移动。
A. 右上方B. 右下方C. 左上方D. 左下方答案:D解析:因为显微镜成的像是倒立的像,物像的移动方向和装片的移动方向相反。
物像在左下方,应向左下方移动装片才能将物像移到视野正中央。
2. 使用显微镜时,若光线太暗,应选用()A. 大光圈、平面镜B. 大光圈、凹面镜C. 小光圈、平面镜D. 小光圈、凹面镜答案:B解析:大光圈可以通过更多的光线,凹面镜有聚光作用,光线太暗时应选用大光圈和凹面镜来增加亮度。
3. 显微镜的目镜为5×,物镜为10×,则物像的放大倍数是()A. 5 倍B. 10 倍C. 15 倍D. 50 倍答案:D解析:显微镜的放大倍数等于目镜放大倍数乘以物镜放大倍数,即5×10 = 50 倍。
4. 要使视野中单个细胞最大,你认为应选用的显微镜镜头组合是()A. 1 和4B. 2 和6C. 3 和4D. 1 和6答案:C解析:目镜越短,放大倍数越大;物镜越长,放大倍数越大。
要使视野中单个细胞最大,应选用放大倍数最大的目镜3 和物镜4 的组合。
5. 用显微镜观察时,转动粗准焦螺旋使镜筒缓缓下降,此时眼睛一定要看着()A. 目镜B. 物镜C. 反光镜D. 镜筒答案:B解析:转动粗准焦螺旋使镜筒缓缓下降时,眼睛一定要看着物镜,防止物镜压坏玻片标本。
6. 当显微镜目镜和物镜的放大倍数均为“10×”时,学生在视野中看到的图像如右图所示。
如果仅将物镜换成“40×”,那么在视野中可以看到的细胞数一般是()A. 2 个B. 4 个C. 10 个D. 40 个答案:A解析:显微镜的放大倍数越大,看到的细胞数目越少。
原来放大10×10 = 100 倍看到8 个细胞,换成40×10 = 400 倍,放大倍数增大 4 倍,看到的细胞数目为原来的1/4,即8÷4 = 2 个。
练习使用显微镜1、显微镜的结构与功能目镜:放大物像(无螺纹,目长低)—靠近眼睛镜筒:放置目镜转换器:转换镜头,调换物镜物镜:放大物像(有螺纹,物长高)—靠近被观察物体载物台:放置玻片标本压片夹:固定玻片通光孔:光线通过遮光器:有大小不一的光圈,可调节光线强弱。
(光弱—大光圈,光强—小光圈,首先使用大光圈)反光镜:有平面和凹面。
(光弱—凹面,光强—平面)粗准焦螺旋:调节镜筒升降,调节焦距,幅度大细准焦螺旋:调节镜筒升降,调节焦距,幅度小,可使物像更清晰。
调节光线强弱的结构有___________________________ 调焦的结构有________________________________放大物像的结构有_____________________________2、使用显微镜取镜安放,对光观察(三转一看)转动转换器,使低倍物镜对准通光孔三转一看转动遮光器,使大光圈对准通光孔转动反光镜,使凹面将光线反射看物像,调节粗、细准焦螺旋想一想,为什么对光时要用低倍物镜对准通光孔?3、显微镜中的物像显微镜中的物像和实物是上下颠倒,左右相反的。
显微镜中物像的移动方向和实物的移动方向是相反的。
如果显微镜视野中有污点,这个污点有可能在___________________________________。
1)要将显微镜视野中“右下方”的物像移动到视野的“中央”,应将载玻片()A.向左上方移动B.向左下方移动C.向右下方移动 D.向右上方有移动2)若显微镜下观察到的物像暗淡且偏左上方,则能使它明亮并位于视野中央的操作是()A.换用小光圈,玻片向右下方移动B.换用小光圈,玻片向左上方移动C.换用大光圈,玻片向左上方移动 D.换用大光圈,玻片向右下方移动3)将一个写有字母“b”的玻片放在显微镜下观察,我们能看到的物像是()A.bB.pC.qD.d4、显微镜的放大倍数显微镜的放大倍数=目镜倍数X物镜倍数显微镜放大倍数的范围=目镜最小倍数X物镜最小倍数~目镜最大倍数X物镜最大倍数显微镜的放大倍数越高,视野越暗,所看到的视野范围越小,物像体积越大,结构越清晰。
显微镜复习_知识点比较全面显微镜是一种重要的科学研究和实验工具,可以观察微观世界中的细胞、细菌、组织等微小物体。
下面是关于显微镜的复习知识点,包括显微镜的类型、结构、工作原理以及常见的显微镜使用技巧。
一、显微镜的类型1.光学显微镜:利用透射光学原理,通过物镜放大的图像,再通过目镜观察。
2.电子显微镜:利用电子束替代传统的光线,通过电子透视来观察物体,包括透射电子显微镜(TEM)和扫描电子显微镜(SEM)。
3.探针显微镜:利用如原子力显微镜(AFM)等技术,通过探针的接触和扫描来观察物体表面形貌和性质。
二、显微镜的结构1.光路系统:包括光源、准直系统、物镜、目镜、光学管等部分,用于形成清晰的放大图像。
2.支撑结构:包括底座、臂架、台面等部分,用于稳定显微镜的工作。
3.调焦系统:包括粗调焦和细调焦机构,用于调节物镜和样品之间的距离,得到清晰的像。
三、显微镜的工作原理1.光学显微镜的工作原理:通过物镜放大物体的图像,再通过目镜放大物镜的图像,形成放大的直立虚像。
2.电子显微镜的工作原理:利用电子束和电磁透镜来放大物体的图像,通过电子束的透视观察物体。
3.探针显微镜的工作原理:利用探针与物体表面的相互作用来观察物体的形貌和性质。
四、常见的显微镜使用技巧1.标本制备:对于光学显微镜,需要将样品制备成薄片或薄荷状,并进行染色或固定处理;对于电子显微镜,需要将样品制备成超薄切片。
2.调焦调光:适当调节粗焦距和细焦距,以及光源的亮度,使得观察到的图像清晰明亮。
3.换倍镜选取:根据需要选择合适的物镜和目镜组合,以获取适当的放大倍率。
4.样品移动:通过移动样品台面或滑块来对样品进行观察,需要谨慎操作,避免碰撞和损坏。
5.观察记录:观察过程中及时记录观察到的现象和细节,包括图像的特征、颜色、大小等。
以上是有关显微镜的复习知识点,涵盖了显微镜的类型、结构、工作原理以及常见的使用技巧。
通过对这些知识点的复习,可以更好地理解和应用显微镜,为科学研究和实验提供有力的工具和支持。
中考生物第一轮复习题——显微镜的使用一.选择题(共17小题)1.(2023秋•高碑店市月考)下列不需要使用显微镜的是()A.科研部门研究物体的微观结构B.小明的眼睛高度近视,看不清字迹C.血常规检查、尿液检查D.动植物检疫2.(2023秋•聊城月考)小明观察载玻片的英文字母“p”,他在显微镜下看到的物像是()A.q B.d C.p D.b3.(2023秋•高碑店市月考)擦拭显微镜目镜和物镜的镜头时,应选择使用()A.卫生纸B.纱布C.毛巾D.擦镜纸4.(2023秋•宿豫区月考)用两组光学显微镜观察物体,一组是10×和10×,另一组是10×和25×,后者与前者相比,下列叙述中正确的是()A.细胞变大,数量变多B.细胞变大,数量变少C.细胞变小,数量变多D.细胞变小,数量变少5.(2023秋•宿豫区月考)显微镜操作的正确步骤是()A.安放→对光→放片→观察→收镜B.对光→安放→放片→观察→收镜C.对光→放片→安放→观察→收镜D.对光→安放→观察→放片→收镜6.(2023秋•永春县校级月考)用下列四台显微镜观察洋葱表皮细胞,视野中的细胞体积最大的一台显微镜是()A.目镜5×,物镜10×B.目镜10×,物镜10×C.目镜10×,物镜40×D.目镜15×,物镜40×7.(2023•内乡县一模)用显微镜观察时,如果转动目镜和物镜都未能把视野中的污点移走,那么可以断定污点在()A.目镜上B.物镜上C.反光镜上D.玻片标本上8.(2023秋•齐河县月考)图中为显微镜中的视野,将图中物像移到视野的中央,操作显微镜的正确步骤是()A.转动反光镜,选择平面镜B.转动反光镜,选择凹面镜C.向右下方移动玻片标本D.向左下方移动玻片标本9.(2023秋•姑苏区校级月考)下列有关显微镜的叙述,正确的是()A.视野较暗时,观察时可选用凹面反光镜和调大光圈B.显微镜的放大倍数是指物体的面积或体积的放大倍数C.若要换用高倍物镜观察,必须先升高镜筒,以免镜头破坏玻片标本D.若在显微镜视野中看到字母p,则实际是字母q10.(2023秋•姑苏区校级月考)甲是一组目镜标有5×和10×字样、物镜标有10×和40×字样的镜头,乙是某学生在甲中选用的一组能放大50倍的镜头组合所观察到的图像。
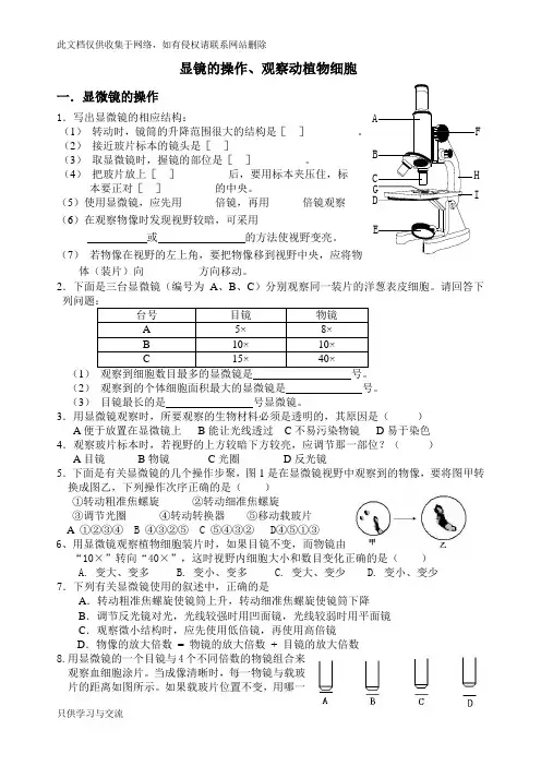
显镜的操作、观察动植物细胞一.显微镜的操作1.写出显微镜的相应结构:(1) 转动时,镜筒的升降范围很大的结构是[ ]_________。
(2) 接近玻片标本的镜头是[ ]_________(3) 取显微镜时,握镜的部位是[ ]_________。
(4) 把玻片放上[ ]_________后,要用标本夹压住,标本要正对[ ]_________的中央。
(5)使用显微镜,应先用______倍镜,再用______倍镜观察(6)在观察物像时发现视野较暗,可采用__________ 或 ______ 的方法使视野变亮。
(7) 若物像在视野的左上角,要把物像移到视野中央,应将物体(装片)向__________方向移动。
2.下面是三台显微镜(编号为A 、B 、C )分别观察同一装片的洋葱表皮细胞。
请回答下台号 目镜 物镜A 5× 8×B 10× 10×C 15× 40×(1)观察到细胞数目最多的显微镜是 号。
(2) 观察到的个体细胞面积最大的显微镜是 号。
(3) 目镜最长的是 号显微镜。
3.用显微镜观察时,所要观察的生物材料必须是透明的,其原因是( )A 便于放置在显微镜上B 能让光线透过C 不易污染物镜D 易于染色4.观察玻片标本时,若视野的上方较暗下方较亮,应调节那一部位?( )A 目镜B 物镜C 光圈D 反光镜5.下面是有关显微镜的几个操作步聚,图1是在显微镜视野中观察到的物像,要将图甲转 换成图乙,下列操作次序正确的是( )①转动粗准焦螺旋 ②转动细准焦螺旋③调节光圈 ④转动转换器 ⑤移动载玻片A ①②③④B ④③②⑤C ⑤④③②D ④⑤①③6、用显微镜观察植物细胞装片时,如果目镜不变,而物镜由“10×”转向“40×”,这时视野内细胞大小和数目变化正确的是( )A. 变大、变多B. 变小、变多C. 变大、变少D. 变小、变少7.下列有关显微镜使用的叙述中,正确的是A .转动粗准焦螺旋使镜筒上升,转动细准焦螺旋使镜筒下降B .调节反光镜对光,光线较强时用凹面镜,光线较弱时用平面镜C .观察微小结构时,应先使用低倍镜,再使用高倍镜D .物像的放大倍数 = 物镜的放大倍数 + 目镜的放大倍数8.用显微镜的一个目镜与4个不同倍数的物镜组合来观察血细胞涂片。
生物显微镜专题试题及答案一、选择题(每题1分,共10分)1. 显微镜的主要部件包括:A. 目镜、物镜、载物台、调节器B. 目镜、物镜、光源、调节器C. 目镜、物镜、光源、载物台D. 目镜、物镜、光源、调节器、载物台2. 显微镜的放大倍数是由以下哪两个因素决定的?A. 目镜和物镜B. 光源和物镜C. 目镜和光源D. 物镜和载物台3. 使用显微镜观察细胞时,以下哪个步骤是正确的?A. 直接将细胞样品放在载物台上B. 将细胞样品放在载玻片上,然后盖上盖玻片C. 将细胞样品放在目镜上D. 将细胞样品放在光源上4. 显微镜的光源主要作用是什么?A. 为显微镜提供放大功能B. 为显微镜提供聚焦功能C. 为显微镜提供照明D. 为显微镜提供调节功能5. 以下哪个不是显微镜的清洁和维护方法?A. 使用软布擦拭目镜和物镜B. 定期更换光源C. 避免将显微镜暴露在潮湿环境中D. 使用酒精棉球清洁物镜和目镜6. 显微镜的调节器通常用来调整什么?A. 光源的亮度B. 物镜的焦距C. 载物台的位置D. 显微镜的放大倍数7. 显微镜的物镜通常分为几种类型?A. 一种B. 两种C. 三种D. 四种8. 使用显微镜观察时,以下哪个操作是错误的?A. 先调节粗焦,再调节细焦B. 观察时眼睛要紧贴目镜C. 观察前要对光D. 观察结束后要关闭光源9. 显微镜的载物台通常用来放置什么?A. 光源B. 载玻片C. 调节器D. 物镜10. 显微镜的目镜和物镜的组合使用,可以实现:A. 放大样品B. 缩小样品C. 改变样品的颜色D. 改变样品的形状二、填空题(每空1分,共10分)1. 显微镜的放大倍数等于_________和_________的乘积。
2. 显微镜的光源通常使用的是_________或_________。
3. 显微镜的载物台通常配有_________和_________,以便于样品的固定和移动。
4. 使用显微镜观察样品时,需要先进行_________,再进行_________。
显微镜专题1、显微镜各部件的识别:(1)放大倍数与长短的关系①物镜越长,放大倍数越大,距载玻片距离越近。
②目镜越长,放大倍数越小。
(2)显微镜放大倍数的含义①显微镜放大倍数是指物像边长的放大倍数。
②总的放大倍数是目镜放大倍数与物镜放大倍数的乘积。
(3)调节视野明暗主要是调节反光镜和光圈2、目镜和物镜的区别:345、装片移动原则:显微镜下所成的像是倒立的放大的虚像,即上下、左右均是颠倒的。
细胞在显微镜下的像偏右上方,实际位置在载玻片上是偏左下方,要将其移至视野中央,应将载玻片向右上方移动,(即物像位于哪个方向,就应向哪个方向移动载玻片。
)6、放大倍数变化与视野范围内细胞数量变化的关系①一行细胞数量与放大倍数成反比②圆形视野范围内的细胞数量与放大倍数的平方成反比7、显微镜使用时有异物,判断异物位置:1.使用显微镜观察装片,在10倍物镜下观察到的图像清晰、柔和,再直接转换至40倍物镜观察。
此时,除调节细准焦螺旋外,还需调节反光镜(或亮度调节钮)和光圈。
正确的操作是( ) A.用平面镜(或调低亮度)、光圈缩小B.用平面镜(或调低亮度)、光圈放大C.用凹面镜(或调高亮度)、光圈放大D.用凹面镜(或调高亮度)、光圈缩小【解析】换上高倍镜后,视野变暗,因此需调高亮度,换用凹面镜聚光,光圈放大。
【答案】 C2.如图所示:甲图中①②表示目镜,③④表示物镜,⑤⑥表示物镜与载玻片之间的距离,乙和丙分别表示不同物镜下观察到的图像。
下列描述正确的是( )A.观察物像丙时应选用甲中①④⑥组合B.从图中的乙转为丙,正确的调节顺序为转动转换器→调节光圈→移动装片→转动细准焦螺旋C.若丙是由乙放大10倍后的物像,则细胞的面积增大为原来的10倍D.若丙图观察到的细胞是位于乙图右上方的细胞,从图中的乙转为丙时,应向右上方移动装片【解析】物像丙为高倍镜下观察的图像,应选用甲中②③⑤组合,A项错误;由低倍镜转为高倍镜,正确的调节顺序为移动装片(将观察目标定位于视野中心)→转动转换器→调节光圈→转动细准焦螺旋,B项错误;若丙是由乙放大10倍后的物像,则细胞的面积增大为原来的100倍,C项错误;【答案】 D3.下列细胞亚显微结构示意图,正确的是( )【解析】本题主要考查原核细胞与真核细胞亚显微结构的区别等知识。
光学显微镜结构普通光学显微镜的构造主要分为三部分:机械部分、照明部分和光学部分。
通)1孔压片先♦机械部分(1)镜座:是显微镜的底座,用以支持整个镜体。
(2)镜柱:是镜座上面直立的部分,用以连接镜座和镜臂。
(3)镜臂:一端连于镜柱,一端连于镜筒,是取放显微镜时手握部位。
(4)镜筒:连在镜臂的前上方,镜筒上端装有目镜,下端装有物镜转换器。
(5)转换器:可自由转动,盘上有 3 —4个圆孔,是安装物镜部位,转动转换器,可以调换不同倍数的物镜,当听到碰叩声时,方可进行观察,此时物镜光轴恰好对准通光孔中心,光路接通。
转换物镜后,不允许使用粗调节器,只能用细准焦螺旋,使像清晰。
(6)载物台:放玻片标本的地方。
中央有通光孔,两旁各有一个压片夹,用于固定所观察的物体。
(7)调节器:是装在镜柱上的大小两种螺旋,调节时使镜台作上下方向的移动。
①粗准焦螺旋:移动时可使镜台作快速和较大幅度的升降,所以能迅速调节物镜和标本之间的距离使物象呈现于视野中,通常在使用低倍镜时,先用粗调节器迅速找到物象。
②细准焦螺旋:移动时可使镜台缓慢地升降,多在运用高倍镜时使用,从而得到更清晰的物象,并借以观察标本的不同层次和不同深度的结构。
♦照明部分装在载物台下方,包括反光镜,遮光器。
(1)反光镜:可以转动,使光线通过通光孔反射上来。
其两面是不同的:平面镜:反射的光线较弱,当光线过强需要弱光时使用;凹面镜:反射的光线较强,当光线过弱需要强光时使用;(2)遮光器:上面有大小不等的圆孔,叫光圈。
每个光圈都可以对准通光孔。
光圈用来调节光线的强弱,大光圈:光线强,视野亮,当光线过弱需要强光时使用。
小光圈:光线弱,视野暗,当光线过强需要弱光时使用。
一般情况下,光圈和反光镜配合使用,以确保所需要的最佳光线。
光线强用小光圈和平面镜;光线弱用大光圈和凹面镜。
♦光学部分(1)目镜:装在镜筒的上端(直插式),通常备有2—3个,上面刻有5X、10X或15X符号以表示其放大倍数,长度和放大倍数成反比。
期中复习05 显微镜易错专题气息666易错1:因对显微镜实际操作不熟练,导致对操作图表示的操作情况不明1.(2023·浙江·一模)在以下有关显微镜的操作中,眼睛需注视物镜的是()A.移动玻片B.镜筒下降C.调节反光镜D.镜筒上升【答案】B【分析】显微镜的使用方法:取镜和安放、对光、观察、整理和收镜。
【详解】观察时,转动粗准焦螺旋,使镜筒缓缓下降,直到物镜接近玻片标本为止,眼睛看着物镜,以免物镜碰到玻片标本。
故B符合题意。
故选B。
2.(2023·浙江·一模)小明在用显微镜观察洋葱表皮细胞临时装片的过程中,观察到甲图中a、b两个视野,要把视野中的物C像从a转为b,则小明除移动装片外还需调节乙图中的结构是()A.④①B.②③C.③①D.④②【答案】C【分析】从图a和图b可以看出,图a细胞的位置是在视野的左边,且图b中的图像比图a中的图像大,这是在低倍镜观察到物像后换用高倍物镜观察,用高倍镜观察的操作步骤:移动装片→转动转换器→调节光圈→转动细准焦螺旋。
图乙中①细准焦螺旋,②粗准焦螺旋,③物镜,④目镜。
【详解】根据分析可知,首先要移动玻片把物像移动到视野中央,因为高倍镜的视野窄,虽然在低倍镜下能看到的物像,如果偏离视野中央的话,换上高倍镜,物像可能就不在视野中了;低倍镜换高倍镜是通过转动转换器来完成的;当换上高倍镜后,由于视野变窄,透光量少,视野就会变得很暗,需要调节光圈使视野变得亮一些;换上高倍物镜后物像只是有点模糊,一般转动细准焦螺旋就能使用物像更加清晰。
选项C符合题意。
故选C。
3.(2023·浙江·一模)某同学用显微镜观察洋葱表皮细胞时,在低倍镜下找到清晰的细胞a(如图)。
为了进一步观察,他直接转动物镜转换器,换成高倍镜,发现细胞a的物像不见了。
若要找到细胞a,接下来首先要进行的操作是()A.换用低倍镜B.调节反光镜C.调节粗准焦螺旋D.调节细准焦螺旋【答案】A【分析】(1)显微镜操作中,低倍镜换高倍镜的一般步骤:①移动装片,在低倍镜下使需要放大的部分移动到视野中央;②转动转换器,移走低倍物镜,换上高倍物镜;③调节光圈、反光镜,使视野亮度适宜;④缓缓调节细准焦螺旋,使物像清晰。
七年级上册历史显微镜专题复习一、显微镜的发明和原理- 显微镜的发明者是荷兰人安东尼·范·莱文虎克,他是第一个成功地制造出可以放大微小物体的显微镜的人。
- 显微镜的原理是利用物镜、目镜和光源来放大微小物体的细节,使人们能够观察到肉眼无法看见的事物。
二、显微镜的构造和使用- 显微镜主要由镜筒、鏡身、物镜、目镜、聚焦装置和光源组成。
- 使用显微镜时,首先要调节聚焦装置,使被观察物体清晰可见。
- 在观察过程中,可通过旋转物镜或调节目镜的焦距来调整放大倍数。
三、显微镜在科学研究中的应用- 显微镜在生物学、医学、化学等科学领域中有广泛的应用。
- 在生物学中,显微镜帮助科学家们观察和研究细胞结构、微生物等生物现象。
- 在医学中,显微镜可用于观察和诊断疾病,如血液样本的检测和细胞组织的病理分析等。
- 在化学中,显微镜可以帮助科学家研究物质的微观结构和分子组成。
四、显微镜的保养和注意事项- 使用显微镜时,应注意轻拿轻放,避免碰撞和摔落。
- 用显微镜时,应保持干净的工作环境,避免灰尘和污染。
- 使用后,应及时清理显微镜的镜片和镜筒,避免积累灰尘和污垢。
五、显微镜的未来发展- 随着科学技术的不断发展,显微镜也在不断改进和演变。
- 现代显微镜已经发展出多种类型,如电子显微镜、激光共聚焦显微镜等。
- 未来,显微镜的分辨率、放大倍数以及使用便捷性都有望进一步提高,为科学研究带来更多的突破。
六、总结- 显微镜的发明和应用对科学研究和人类认识世界起到了重要的推动作用。
- 掌握显微镜的原理、构造和使用方法,对于学习历史知识和进行科学研究都具有重要意义。
显微镜一、认识显微镜的构造〔1〕①是,②是,④是。
〔2〕反光镜[]:一面是〔光线强时用〕,一面是〔光线弱时用〕。
〔3〕粗准焦螺旋[]:转动它,镜筒的升降范围;细准焦螺旋[]:转动它,镜筒的升降范围。
〔4〕遮光器[]上有大小不等的圆孔,叫做。
知识总结:1、光线强时,用面镜,光圈;光线弱时,用面镜,光圈。
调节光线强弱的构造:、。
2、显微镜的放大倍数= ×3、区分目镜和物镜:上有螺纹,上没有螺纹。
目镜越长,放大倍数越;物镜越长,放大倍数越。
二、显微镜的使用创作;朱本晓1、取镜与安放:一手握镜臂,一手托镜座,将显微镜放在实验台略偏的位置。
2、对光:转动,使物镜正对通光孔;将遮光器的一个合适光圈对准通光孔,一只眼注视目镜内,另一只眼要。
转动反光镜,目镜内出现一个圆形的光屏,叫。
3、观察:〔1〕将玻片标本放在载物台上,让标本正对。
用压片夹固定后,从侧面看着,转动,使镜筒下降,直至物镜接近玻片为止。
〔2〕左眼在上观察,反向转动粗准焦螺旋,使镜筒上升,直至看到物像,物像不明晰,可略微转动,使物像明晰。
4、收镜:压片夹转向;反光镜移到方向;转动转换器,将两个物镜偏到载物台的;镜筒降至。
三、显微镜的成像1、显微镜视野里成的像是像。
2、物像挪动:标本视野中的物像6bp69bpdq创作;朱本晓3、用显微镜观察玻片标本时,光线到达眼睛依次经过的构造:→→→→→→→眼睛视野中的黑点可能存在的三个位置:、、。
4、视野中的:一般来说,在显微镜视野中显现为较黑、较宽边缘的图像,形状为圆形或者椭圆形,HY发亮〔见以下图〕。
用镊子尖轻轻压一下盖玻片,它就会变形或者挪动。
5、低倍镜和高倍镜下的视野:右上图①是下的视野,②是下的视野。
比照可知,低倍镜转换成高倍镜后,视野内的3点变化:细胞体积由变,细胞数目由变,视野的亮堂程度由变。
四、根底练习1.用光学显微镜观察人的口腔上皮细胞实验中,将视野亮度调得暗一些,可以更明晰地观察到细胞构造。
显微镜专题一.基础知识1.显微镜的主要结构:目镜﹑物镜﹑反光镜﹑粗细准焦螺旋2.显微镜的放大倍数=目镜倍数×物镜倍数;目镜﹑物镜的倍数高低与长短关系:目镜是越长倍数越低;物镜是越长倍数越高;目镜﹑物镜的模型:物镜离载玻片距离远近与倍数高低之间的关系:距离越近倍数越大3.显微镜的观察:先用低倍镜找到物体的像再换高倍镜观察,此时视野变暗﹑物体的像变的模糊同时放大;双眼同时睁开,左眼看目镜4.粗细准焦螺旋的调节:使用低倍镜时先粗调再细调换用高倍镜时只能细调不能粗调5.反光镜的选择:光强时用平面镜小光圈;光暗时用凹面镜大光圈6.物象的移动:同向移动(物体的像位于视野的左下方时要把像调到视野的中央只需把载玻片向左下方移动即可)7.物象变换(由物体的位置变成像的位置):只需旋转180°即可。
如:“b”在观察时像下“d”8.物体的放大倍数指的是物体的边长或圆的半径而不是指物体的面积。
如:边长为1厘米的正方形其实际面积为1平方厘米而再显微镜目镜为10×,物镜为10×下其物体像的面积变为100厘米×100厘米=1×104平方厘米而不是1×10²平方厘米9.调节光线时调反光镜;调视野清晰度时调细准焦螺旋10.找污点以及科学使用。
11.盖玻片的使用方法以及水泡的处理;标本的染色二.讲解的方法即讲解如何理解并掌握基础知识技巧三练习1.低倍镜改用高倍镜观察后,视野中观察到的细胞数目,细胞大小和视野亮度的变化分别是()A.增多、变小、变亮 B.增多、变小、变暗C.减少、变大、变亮 D.减少、变大、变暗2.下列关于显微镜使用的叙述,正确的是()A.与低倍镜相比,高倍镜下视野变暗,但细胞变大,数目减少B.要观察低倍镜视野中位于左下方的细胞,应将装片向右上方移动,再换用高倍镜C.用显微镜的凹面简易反光,观察到的细胞数目多,但细胞小D.观察洋葱根尖细胞有丝分裂时,在高倍镜的视野中可以看到一个细胞从分裂前期到末期的变化3.低倍镜下观察到的物像清晰,换上高倍镜后模糊不清,此时应该A.移动装片 B.调节反光镜 C.调节粗准焦螺旋 D.调节细准焦螺旋4.当显微镜的目镜为10×,物镜为10×时,在显微镜的视野中能看到一行8个细胞,若目镜不变,物镜换成40×时,则可推算在视野范围内将看到的细胞数目为()A.2个B.4个C.16个D.32个5.如下图所示,a、b、c、d为物镜和目镜长度,e、f为观察时物镜与标本其切片距离大小。
“显微镜”专题复习一、基础知识1、显微镜的构造(1)目镜、(2)镜筒、(3)物镜、(4)转换器、(5)物镜、(6)载物台、(7)压片夹、(8)通光孔、(9)遮光器、(10)反光镜、(11)镜座、(12)镜柱、(13)镜臂、(14)粗准焦螺旋、(15)细准焦螺旋2、显微镜的使用(1)取出右手抓住镜臂,左手托住镜座,将显微镜放在实验桌上离桌边约10厘米左右(2)对光使目镜——镜筒——物镜——通光孔——遮光器上的孔——反光镜调节在一直线上,反光镜对准光源,可看到有一个明亮的视野。
(3)放置装片(4)观察先用低倍镜:成像距离(1.5cm—2cm);后用高倍镜:成像距离(挨近装片)二、试题练习(一)历年高考试题1.(98·上海)某学生在显微镜下观察落花生子叶的切片,当转动细调节器时,有一部分细胞看得清晰,另一部分细胞较模糊,这是由于( B )A.反光镜未调节好B.标本切得厚薄不均C.细调节器未调节好D.显微镜物镜损坏2.(01·上海)某学生用显微镜观察装片时,见视野中有甲、乙、丙三异物。
为判断异物的位置,他先转动目镜,见甲异物动,然后转换物镜,三异物仍存在。
据此,三异物可能在(AD)A.目镜B.物镜C.反光镜D.装片3.(04·广东)取生长健壮的小麦根尖,经过解离、漂洗、染色、制片过程,制成临时装片,放在显微镜下观察。
欲观察到细胞有丝分裂的前、中、后、末几个时期(C)A.应该选一个处于间期的细胞,持续观察它从间期到末期的全过程B.如果在低倍镜下看不到细胞,可改用高倍物镜继续观察C.如果在一个视野中不能看全各个时期,可移动装片从周围细胞中寻找D.如果视野过暗,可以转动细准焦螺旋增加视野的亮度4.(2005·江苏·26)观察细胞中染色体行为并计数时,使用光学显微镜的正确方法是()A.低倍镜对焦.将观察目标移至视野中央,转用高倍镜并增加进光量,调焦观察B.低倍镜对焦,将观察目标移至视野中央,转用高倍镜并减少进光最.调焦观察C.低倍镜对焦,转用高倍镜,将观察目标移至视野中央,减少进光量,调焦观察D.高倍镜对焦,将观察目标移至视野中央,增加进光量,绸焦观察命题意图:本题考查的知识点是显微镜的正确使用的方法。
解析:显微镜的正确使用方法是:安放、对光、观察。
观察时先使用低倍镜对焦,因为低倍镜下观察的范围大,便于寻找观察目标,找到观察目标后,应将目标移到视野的中央,然后转用高倍镜观察,转用高倍镜后视野会变暗,因此需要增加进光量,调焦观察。
选A。
5.(2005·上海·28)显微镜目镜为10×,物镜为10×,视野中被相连的64个分生组织细胞所充满。
若物镜转换为40×后,则在视野中可检测到的分生组织细胞数为()A.2个B.4个C.8个D.16个命题意图:本题考查的知识点是显微镜的有关知识。
解析:物镜由10×换为40×,放大的倍数扩大了4倍,横竖均放大4倍,则视野不变的情况下,细胞数目变少16倍,所以的检测到的细胞数目为64/16=4个。
选B。
6.(2005·广东·14)生物组织中还原糖、脂肪和蛋白质三种有机物的鉴定实验中,以下操作错误的是()A.可溶性还原糖的鉴定,可用酒精灯直接加热产生砖红色沉淀B.只有脂肪的鉴定需要使用显微镜C.用双缩脲试剂检测蛋白质不需要加热D.使用斐林试剂和双缩脲试剂最好是现配现用命题意图:本题考查的知识点是生物组织中还原糖、脂肪和蛋白质三种有机物的鉴定。
解析:三个实验中只有脂肪的鉴定需要使用显微镜,只有可溶性还原糖的鉴定,是在水浴过程中观察试管中溶液产生砖红色沉淀。
同时使用的斐林试剂和双缩脲试剂最好是现配现用。
选A。
7.(2005·上海·36)下面是以小麦为材料所进行的实验,请回答有关问题。
(4)小麦幼根吸水能力最强的部位是区,用显微镜观察此区的徒手纵切片,可见到该区已分化出木质部,其中输送水分的是。
(5)为了研究小麦染色体数目、大小和形态特征,应以显微镜观察并计数小麦根尖的分生区处于期的细胞染色体。
若以适宜浓度的秋水仙素处理培育中的小麦幼苗根部,则此根尖分生组织细胞中的染色体与处理前相比较,其数目。
(6)若利用小麦的根毛细胞进行质壁分离实验,由于观察的细胞无色透明,为了取得更好的观察效果,调节显微镜的措施是:。
命题意图:本题考查的知识点是教材中几个基本实验的知识。
解析:(4)植物吸水的部位是根毛,运输的结构是导管。
(5)观察染色体应选择有丝分裂中期,此时染色体排在细胞中央赤道板上,染色体形态比较固定,数目比较清晰。
秋水仙素能抑制纺锤体的形成而是染色体体数目增加一倍。
(6)观察的细胞无色透明,可使光线变暗,可产用的措施是缩小光圈或平面反光镜换凹面反光镜。
答案:(4)根毛导管(5)有丝分裂中增加一倍(或原来的两倍)(6)缩小光圈或换平面反光镜(二)显微镜的操作试题1.在用光学显微镜观察细胞时,发现视野的右上方有一典型的分裂中期的细胞,要将其移至视野中央,应将装片推向()A.右上方B.右下方C.左上方D.左下方参考答案:A。
根据显微镜所成物像为倒像的原理,实物移动方向与视野内物像的移动方向恰好相反,该细胞在视野的右上方,要移至正中,物像的移动方向为左下方,因此,装片应推向其相反方向。
2.显微镜镜头盒中有4个镜头。
甲、乙镜头一端有螺纹,丙、丁皆无螺纹,甲长3cm,乙长5cm,丙长3cm,丁长6cm。
问:调好焦距以后,物镜与装片之间距离最近的是,在同样光源条件下,视野中光线最暗的一组镜头是。
参考答案:乙;乙和丙。
根据显微镜的结构可知,甲、乙镜头一端有螺纹为物镜,丙、丁无螺纹为目镜。
物镜越长,放大倍数越大,工作距离越短,即与装片之间的距离越近。
目镜越短,放大倍数越大。
在同样光源条件下,显微镜的放大倍数越大,视野中光线越暗。
3.正确的显微镜操作步骤是()①对光②装镜头③放置④升镜筒⑤降镜筒⑥低倍镜观察⑦调细准焦螺⑧寻找物象A.③②①④⑤⑥⑦⑧B.③②①⑤④⑦⑧⑥C.②③①⑤④⑦⑥⑧D.②③①④⑤⑧⑦⑥4.使用显微高倍镜观察的顺序是()①顺、逆时针转动细准焦螺旋,直到调清物象为止②转动转换器,使高倍物镜对准通光孔③在低倍镜下看清物象,要把目标移到视野中央A.①②③B.③②①C.②③①D.③①②5.下列有关显微镜操作的说法,正确的是()A.高倍镜下细胞质流向是逆时针的,则细胞中细胞质流向应是顺时针的B.为观察低倍视野中位于左下方的细胞,应将装片向右上方移动,再换用高倍镜C.用显微镜的凹面反光镜反光,观察到的细胞数目更多,但细胞更小D.在观察植物细胞有丝分裂实验中,先用低倍镜,再换用高倍镜6.一台普通光学显微镜,接物镜为45×,接目镜为10×,图象放大倍数为:()A.45B.150C.450D.3007.在光学显微镜下,选用6倍目镜和5倍物镜观察一个直径为1mm的小圆点:()A.面积约为30mm2B.直径约为3cm C.面积扩大到30倍D.直径约为11cm 8.在低倍镜下观察标本时视野明亮,物象清晰,但转换高倍镜后物象模糊,此时应:()A.移动装片B.调节反光镜C.用细准焦螺旋调节焦距D.用粗准焦螺旋调节焦距9.用显微镜观察植物叶片细胞,低倍显微镜视野与高倍显微镜视野相比、其特点是:()A.亮,细胞数目多,形体小B.暗,细胞数目多,形体小C.亮,细胞数目多,形体大D.暗,细胞数目多,形体大10.在低倍镜下,发现视野内有一污点,移动装片后,污点位置不变;转换高倍镜后污点消失,由此可以判断污点的位置在:()A.低倍物镜B.高倍物镜C.目镜D.装片11.当已在低倍镜下看到某一目标后,想换高倍镜对其进一部观察,正确的操作应该是()A.先在低倍镜下将目标移到视野中央,再转换高倍镜,然后边观察边用粗准焦螺旋调整焦距B.不用将目标移到视野中央即转换高倍镜,然后边观察边用细准焦螺旋轻轻调整焦距C.先将目标在低倍镜下移到视野中央,再转换高倍镜,然后边观察边用细准焦螺旋调整焦距D.先转换高倍镜,然后边搜寻目标边用粗细推焦螺旋调整焦距,直到看清物象为止。
12.(06·肇庆一模)在光线明亮的实验室里,用白色洋葱表皮细胞做质壁分离实验,在显微镜视野中能清晰看到细胞壁,但看不清楚细胞是否发生质壁分离。
为便于判明,此时应()A.改用凹面反光镜,放大光圈B.改用凹面反光镜,缩小光圈C.改用平面反光镜,放大光圈D.改用平面反光镜,缩小光圈13.有一架光学显微镜的镜盒里有4个镜头,甲、乙一端有螺纹,甲较长,乙较短,丙、丁无螺纹,丙较长、丁较短,若要在视野中看到较多的细胞,宜选用()A.甲/丙B.甲/丁C.乙/丙D.乙/丁答案:1、A2、3、B4、B5、D6、C7、B8、C9、A10、A11、C12、D13、C(三)与显微镜有关的试题1.(06·东莞)下图为显微镜下黑藻细胞的细胞质环流示意图,视野中的叶绿体位于液泡的右方,细胞质环流的方向为逆时针,则实际上,黑藻细胞中叶绿体的位置和细胞质环流的方向分别为:()A.叶绿体位于液泡的右方,细胞质环流的方向为顺时针B.叶绿体位于液泡的左方,细胞质环流的方向为逆时针C.叶绿体位于液泡的右方,细胞质环流的方向为逆时针D.叶绿体位于液泡的左方,细胞质环流的方向为顺时针2.(06·苏州)科学家常用哺乳动物的红细胞作材料来研究细胞膜的组成,是因为()A.哺乳动物的红细胞容易得到 B.哺乳动物的红细胞在水中容易涨破C.哺乳动物成熟的红细胞内没有核膜、线粒体膜等膜结构D.哺乳动物的红细胞的细胞膜在光学显微镜下容易观察到3.(06·深圳高级中学)用显微镜观察黑藻幼叶的细胞质时,可以看到叶绿体随细胞质的流动而流动,如果改变光照强度,光照强度大大增强时,叶绿体除了随细胞质流动外,还可看到何种体位上的变化?()A.椭球形的长径与光线垂直B.椭球形的长径与光线平行C.叶绿体的长径与短径与光线的关系是随机的D.椭球形的短径与光线平行4.(06·潮州调研)很多实验中必须先制作玻片标本,然后在显微镜下观察。
下面的实验过程错误的是()A.细胞质流动观察:取黑藻小叶→制片→观察B.脂肪鉴定:切取子叶薄片→染色→去浮色→制片→观察C.质壁分离观察:撕取鳞片叶表皮→制片→观察→滴加蔗糖溶液→观察D.有丝分裂观察:解离根尖→染色→漂洗→制片→观察5.(06·珠海)现有一张团藻细胞有丝分裂永久装片(经凉干后固定而成)。
某同学用光学显微镜观察时,确认某细胞正处于有丝分裂前期。
下列判断正确的是()A.含水最多,能看见中心体B.含水最多,看不见中心体C.含蛋白质最多,能看见中心体D.含蛋白质最多,看不见中心体6.(06·梅州)在细胞有丝分裂过程中,用光学显微镜能够观察到染色单体的时期是()A.间期和分裂期B.间期和前期C.前期和中期D.前期和末期7.(06·惠州)在高倍显微镜下观察处于有丝分裂中期的植物细胞,都能看到的结构是()A.赤道板、染色体、细胞膜B.纺缍体、赤道板、同源染色体8.右图为电子显微镜视野中观察到的某细胞的一部分。