ISO2768未注公差的线性尺寸角度尺寸公差汇总
- 格式:ppt
- 大小:1.14 MB
- 文档页数:10
ISO 2768-1线性尺寸和角度未注公差的相应等级要求:
直线度平面度
ISO2768-2 形状位置的未注公差的相应等级要求
圆度、垂直度、对称度、平行度
同轴度
大型砂铸件尺寸公差DIN 1686 – 1
锻件尺寸公差要求(Forged)DIN 1684 - 1
Længdemål/ Längenmaße / length und Dickenmaße/Wanddicken/ Hippen/thickness fur formgebunden 线性长度厚度公差
非规则形状平面度公差
焊接件公差要求ISO 13920
Vinkelmål/ Winkelmaß / angle 角度公差
GB∕T 15055—94 冲压件未注公差
表1 未注公差冲裁尺寸的极限偏差mm
表5 未注公差冲裁角度的极限偏差
表6 未注公差弯曲角度的极限偏差
表2 未注公差成形尺寸的极限偏差mm
表3 未注公差冲裁圆角半径的极限偏差 mm
表4 未注公差成形圆角半径的极限偏
差mm。
ISO 2768-1线性尺寸和角度未注公差的相应等级要求:
直线度
平面度
圆度、垂直度、对称度、平行度
同轴度
ISO2768-2 形状位置的未注公差的相应等级要求
大型砂铸件尺寸公差DIN 1686 – 1
Længdemål/ Längenmaße / length 线性长度公差
锻件尺寸公差要求(Forged)DIN 1684 - 1
Længdemål/ Längenmaße / length und Dickenmaße/Wanddicken/ Hippen/thickness fur formgebunden 线性长度厚度公差
fur nicht formgebunden 非线性(非规律性)长度和厚度公差
焊接件公差要求ISO 13920
GB∕T 15055—94 冲压件未注公差
表1 未注公差冲裁尺寸的极限偏差mm
表5 未注公差冲裁角度的极限偏差
表6 未注公差弯曲角度的极限偏差
表2 未注公差成形尺寸的极限偏差mm
表3 未注公差冲裁圆角半径的极限偏差 mm
表4 未注公差成形圆角半径的极限偏
差mm。
ISO2768公差速查表1 – 线性尺寸允许的偏差(不包括损坏边缘)值用mm表示公差等级公称尺寸允许的偏差名称描述0.51) ~ 3>3 ~ 6>6 ~ 30>30 ~ 120>120 ~ 400>400 ~ 1000>1000 ~ 2000>2000 ~ 4000 f精密级±0.05±0.05±0.1±0.15±0.2±0.3±0.5-m中等级±0.1±0.1±0.2±0.3±0.5±0.8±1.2±2c粗糙级±0.2±0.3±0.5±0.8±1.2±2±3±4v最粗级-±0.5±1±1.5±2.5±4±6±81) 低于0.5mm的公称尺寸,偏差应在公称尺寸后标出。
表2 – 损坏边缘线性尺寸允许的偏差(倒圆半径和倒角高度)值用mm表示公差等级公称尺寸允许的偏差名称描述0.5 1) ~ 3> 3 ~ 6> 6f精密级±0.2±0.5±1m中等级c粗糙级±0.4±1±2v最粗级1) 低于0.5mm的公称尺寸,偏差应在公称尺寸后标出。
表3 - 角度尺寸允许的偏差值用mm表示公差等级根据长度(mm)所允许角的短边的角度偏差名称描述≤10>10 ~ 50> 50 ~ 120>120 ~ 400> 400f精密级±1˚±0˚30´±0˚20´±0˚10´±0˚5´m中等级c粗糙级±1˚30´±1˚±0˚30´±0˚15´±0˚10´v最粗级±3˚±2˚±1˚±0˚30´±0˚20´表1 – 平直度和平面度通用公差表 4 – 圆周跳动通用公差值用mm表示值用mm表示公差等级公称长度范围的平直度和平面度通用公差公差等级 圆周跳动公差≤10>10-30>30-100>100-300>300-1000>1000-3000H 0.1H0.020.060.10.20.30.4K 0.2K0.050.10.20.40.60.8L 0.5L0.10.20.40.8 1.2 1.6表 2 – 直度通用公差表 3 – 对称性通用公差值用mm表示值用mm表示公差等级公称长度短直角边的 直度公差公差等级公称长度短直角边的 直度公差≤100 >100-300 >300-1000>1000-3000≤100 >100-300 >300-1000>1000-3000H0.20.30.40.5H0.5K0.40.60.81K0.60.81 L0.61 1.52L0.61 1.52ISO2768公差速查表表1 – 线性尺寸允许的偏差(不包括损坏边缘) 值用mm表示表2 - 角度尺寸允许的偏差 值用mm表示表3 – 损坏边缘线性尺寸允许的偏差(倒圆半径和倒角高度) 值用mm表示表4 – 平直度和平面度通用公差 值用mm表示公差等级称长度范围的平直度和平面度通用公差表 5 – 直度通用公差 值用mm表示≤10>10~30>30~100>100~300>300~1000>1000~3000公差等级公称长度短直角边的直度公差H 0.020.060.10.20.30.4≤100 >100~300>300~1000>1000~3000K 0.050.10.20.40.60.8H 0.20.30.40.5L0.10.20.40.81.21.6K 0.40.60.81L0.611.52表6 – 对称性通用公差 值用mm表示公差等级公称长度短直角边的直度公差表7 – 圆周跳动通用公差 值用mm表示≤100>100~300>300~1000>1000~3000公差等级圆周跳动公差H 0.5H 0.1K 0.60.81K 0.2L0.611.52L0.5。
ISO 2768-1线性尺寸和角度未注公差的相应等级要求:
直线度
平面度
圆度、垂直度、对称度、平行度
同轴度
ISO2768-2 形状位置的未注公差的相应等级要求
大型砂铸件尺寸公差DIN 1686 – 1
锻件尺寸公差要求(Forged)DIN 1684 - 1
Længdemål/ Längenmaße / length und Dickenmaße/Wanddicken/ Hippen/thickness fur formgebunden 线性长度厚度公差
非规则形状平面度公差
焊接件公差要求ISO 13920
planhed/ Geradheit und Ebenheit / regularity 非线性和规律性弧线公差
GB∕T 15055—94 冲压件未注公差
表1 未注公差冲裁尺寸的极限偏差mm
表5 未注公差冲裁角度的极限偏差
表6 未注公差弯曲角度的极限偏差
表2 未注公差成形尺寸的极限偏差mm
表3 未注公差冲裁圆角半径的极限偏差 mm
表4 未注公差成形圆角半径的极限偏
差mm
国内的量规厂做不了圆弧顶量规,一般是做平顶的,在量规标记上要区别于标准的量规,一般加个字母“B”。
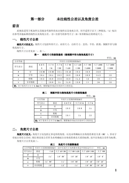
第一部分 未注线性公差以及角度公差前言此规范适用于机加件以及钣金弯曲件的未注线性以及角度公差。
但不适用于以下三种情况:(1)标注出参考其他标准的线性以及角度公差。
(2)打括号的参考尺寸(3)矩形框标注的理论尺寸。
一、线性尺寸公差线性尺寸的定义:线性尺寸包括外形尺寸,内形尺寸,台阶尺寸,直径,半径,距离,倒圆半径与倒角高度尺寸。
线性尺寸公差见表一、表二。
表一 线性尺寸的极限偏差(除倒圆半径与倒角高度尺寸)单位:mm 公差等级 不同尺寸范围的极限偏差符号表示 描述 0.5至3大于3≤6大于6≤30大于30≤120大于120≤400大于400≤1000大于1000≤2000大于2000≤4000f 好±0.05 ±0.05±0.1±0.15±0.2 ±0.3 ±0.5 -m 中等±0.1 ±0.1 ±0.2±0.3 ±0.5 ±0.8 ±1.2 ±2c 粗糙±0.2 ±0.3 ±0.5±0.8 ±1.2 ±2 ±3 ±4v 非常粗糙- ±0.5 ±1 ±1.5 ±2.5 ±4 ±6 ±8注:对于基本尺寸小于0.5mm的,极限偏差应标注在基本尺寸的旁边。
表二 倒圆半径与倒角高度尺寸的极限偏差单位:mm公差等级不同尺寸范围的极限偏差符号表示描述0.5至3大于3≤6大于6f 好m 中等±0.2±0.5±1c 粗糙v 非常粗糙±0.4±1±2注:对于基本尺寸小于0.5mm的,极限偏差应标注在基本尺寸的旁边。
二、角度尺寸公差角度尺寸定义:角度尺寸还包括正多边形的角度,以及未明确标注出角度的垂直关系(90°)。
ISO 2768-2-1998 未单独注出公差的要素的形位公差第1版1998年11月15日——————————————————————————————————————————————————————————————————————————————一样公差——第2部分:未单独注出公差的要素的形位公差————————————————————————————————————————————————————————————————————参考号ISO 2768-2:1998(E)前言ISO(国际标准化组织)是由各国标准团体(ISO成员团体)组成的世界范畴的联合组织。
国际标准的制定工作由ISO各技术委员会进行。
每个成员团体,对某一主题的技术委员会感爱好,就有权参加该委员会工作。
与ISO保持联系的政府的或非政府的国际组织,也可参加有关工作。
在电工技术标准化方面,ISO与国际电工委员会(IEC)保持紧密合作关系。
在ISO批准成为国际标准往常,被技术委员会采纳的国际标准草案经各成员团体表决。
按照ISO导则,须有75%以上的成员团体投票赞成,方可通过。
国际标准ISO 2768-2由ISO / TC 3“极限与配合”技术委员会起草。
本ISO 2768-2的第1版和ISO 2768-1:1989一起取消并替代ISO 27 68:1973。
ISO 2768在“一样公差”主标题下,由以下部分构成:——第1部分:“未单独注出公差的线性和角度尺寸的公差”——第2部分:“未单独注出公差的要素的形位公差”ISO 2768的本部分标准的附录A和附录B差不多上提示性的附录。
ISO 1989版权所有。
未经出版者书面许可,不得对本出版物的任何部分进行复制或以任何形式或方式,通过电子、机械包括影印、缩微胶卷或其他方式加以利用。
国际标准化组织瑞士印刷导言构成零件的所有要素总是具有一定的尺寸和几何形状。
由于尺寸误差和几何特点(形状、方向和位置)误差的存在,零件的功能要求必须对它们加以限制,当超过该极限偏差数值时,会损害其功能。
德国标准1991年6月一般公差第1部分:未注长度与角度公差前言ISO(Internationale Organisatioon fuer Normung)是世界统一的国际标准研究所。
ISO-成员体)。
编制国际标准属于ISO技术委员会的责任。
每个成员体,如其对某个课题感兴趣就可以参加此课题的技术委员会,在这个委员会共同工作。
与ISO有联系的国际(国家的和非国家的)组织也可以参加工作。
ISO与国际电工委员会(IEC)在所有电工技术标准领域密切合作。
由技术委员会通过的国际标准草案在它被确认为国际标准的建议以前,首先呈送各成员体。
如表决的成员体75%赞成,那么草案按ISO的议事规则通过为ISO。
国际标准ISO 2768-1由ISO/TC 3“极限尺寸和配合”技术委员会编制。
本版ISO2768-1和ISO2768-2:1989一起代替ISO2768:1973。
ISO2768在主标题“一般公差”下包括如下部分:---第1部分:未注长度和角度公差。
---第2部分:未注形状和位置公差。
引言零件的形状元素有尺寸和几何形状。
由于尺寸偏差和几何特性偏差(形状、方向和位置)零件必须有公差。
若超过了公差,那么功能就要受损害。
公差在图纸上应是完整的,以便确保包括所有尺寸元素和几何形状元素的质量,也就是说不允许保留含糊或在评价车间和检验时听天由命。
在使用尺寸、形状和位置的一般公差的条件下,满足这个条件的任务就可简化。
1 目的ISO2768的这部分用来简化图纸并包含不用单独标注的长度和角度的一般公差,分四个级别。
说明1:长度和角度的一般公差草案在附录A中描述。
ISO2768的这部分可用于金属半成品通过切削或冲压变形形成的形状元素。
说明2:这套公差对非金属也可使用。
说明3:类似的铸件公差国际标准已经有或尚在编制,如ISO80621)。
ISO2768的这部分只适用于下列未单独标注公差的尺寸:a)长度尺寸(如外部尺寸、内部尺寸、台阶尺寸、直径、半径、距离、弯曲半径及倒角尺寸)b)一般不标注的角度尺寸,如若在 ISO2768第2部分未规定的直角(90o) 或等分的角。
检验规范 SPECIFICATION 页码:
1 of 4
研发部R&D DEPARTMENT
文件编号No. 文件名称Title 生效日期:Issued Date MSZ 4010.00 机械加工料件未注公差标准
起草人Initial by/日期Date:
研发机械工程师:杨顺清
盖章处
审核人Checked by/日期Date:
研发主管:黎群华
批准人Approved by/日期Date:
研发经理:孙吉松
倒圆半径和倒角高度尺寸的极限偏差数值
角度尺寸的极限偏差数值
常规垂直度公差
2)国家标准:GB 1804未单独注出公差的线性和角度尺寸的公差
线性尺寸的极限偏差数值
倒圆半径和倒角高度尺寸的极限偏差数值
角度尺寸的极限偏差数值
一般公差的图样表示法
若采用本标准规定的一般公差应在图样标题栏附近或技术要求技术文件如企业标准中注出本 标准号及公差等级代号例如选取中等级时标注为
GB/T 1804-M
3)国家标准:GB 1184无独立公差标示的部件形位公差
直线度和平面度的未注公差值
垂直度未注公差值
对称度未注公差值
圆跳动的未注公差值
未注公差值的图样表示法
若采用本标准规定的未注公差值应在标题栏附近或在技术要求技术文件如企业标准中注出标 准号及公差等级代号
GB/T 1184-X
4)拒收
除另有规定当零件要素的误差超出未注公差值而零件的功能没有受到损害时不应当按惯例 拒收。
ISO 2768-1一般公差—第1部分:无专门说明的线性和角度尺寸公差第1部分:无专门公差说明的线性和角度尺寸的公差1 范围本ISO 2768部分目的是简化图纸说明并对无专门说明的4个公差等级的线性和角度尺寸的一般公差进行技术说明。
备注1-对线性和角度尺寸规定公差的规定在附录A中进行说明。
本标准部分应用于金属切削加工成的产品或金属板材成型产品的尺寸。
备注2- 这些公差还可适用于不同于金属的其他材料。
3当具有相似的国际标准或计划采用类似的标准,举例来说,铸件见标准ISO 8062 1)。
本ISO 2768标准部分仅用于以下无专门公差说明的尺寸:a)线性尺寸(例如外部尺寸,内部尺寸,步长,直径,半径,距离,外部半径和斜高);b)角度尺寸包括通常不说明的角度尺寸,例如直角(90°),除非参考ISO 2768-2或采用正多边形的角度;c)机加工装配件的线性和角度尺寸。
本标准不适用以下尺寸:a)采用其他标准一般公差规定的线性和角度尺寸。
b)辅助尺寸包括括号内的。
c)理论上精确尺寸包括在矩形括号内的。
2 概述当选择公差等级时,应考虑各个车间习惯采用的精度。
如果要求更小的公差或对个别零件更经济的考虑允许较大的公差时,则这样的公差应在靠近对应的名义尺寸处进行说明。
当图纸或相关技术说明涉及的部件符合ISO 2768第4,5章节,则线性和角度尺寸应用一般公差。
如果在其他加工处理过程中采用一般公差,如在其他标准中有说明,则应将这些说明注在图纸和相关技术说明上。
对未加工完成和加工完成表面之间的尺寸,举例来说,对无直接指出个别公差的铸造或浇注件,其两个公差中较大的一个在应用时应进行讨论,对浇注件,见ISO 8082 1)。
3 参考标准以下标准包含参考的ISO 2768部分规定。
在出版时,说明版本是有效的。
所有标准可进行修订,并且根据ISO 2768部分取得一致的当事人鼓励采用以下标准最新的版本。
IEC和ISO 成员应保持对当前有效的国际标准的注册。
国际标准ISO 2768-2第1版1998年11月15日——————————————————————————————————————————————————————————————————————————————一般公差——第2部分:未单独注出公差的要素的形位公差————————————————————————————————————————————————————————————————————参考号ISO 2768-2:1998(E)前言ISO(国际标准化组织)是由各国标准团体(ISO成员团体)组成的世界范围的联合组织。
国际标准的制定工作由ISO各技术委员会进行。
每个成员团体,对某一主题的技术委员会感兴趣,就有权参加该委员会工作。
与ISO保持联系的政府的或非政府的国际组织,也可参加有关工作。
在电工技术标准化方面,ISO与国际电工委员会(IEC)保持密切合作关系。
在ISO批准成为国际标准以前,被技术委员会采纳的国际标准草案经各成员团体表决。
按照ISO导则,须有75%以上的成员团体投票赞成,方可通过。
国际标准ISO 2768-2由ISO / TC 3“极限与配合”技术委员会起草。
本ISO 2768-2的第1版和ISO 2768-1:1989一起取消并替代ISO 2768:1973。
ISO 2768在“一般公差”主标题下,由以下部分构成:——第1部分:“未单独注出公差的线性和角度尺寸的公差”——第2部分:“未单独注出公差的要素的形位公差”ISO 2768的本部分标准的附录A和附录B都是提示性的附录。
ISO 1989版权所有。
未经出版者书面许可,不得对本出版物的任何部分进行复制或以任何形式或方式,通过电子、机械包括影印、缩微胶卷或其他方式加以利用。
国际标准化组织瑞士印刷导言构成零件的所有要素总是具有一定的尺寸和几何形状。
由于尺寸误差和几何特征(形状、方向和位置)误差的存在,零件的功能要求必须对它们加以限制,当超过该极限偏差数值时,会损害其功能。
ISO-2768未注尺寸公差、未注形位公差及表面粗糙度一、未注尺寸公差按GB/T1804(1)线性尺寸的极限偏差数值(GB/T1804-2000)(mm)(2)倒圆半径和倒角高度尺寸的极限偏差(GB/T1804-2000)mm(3)角度尺寸的极限偏差数值(GB/T1804-2000)二、未注形位公差按GB/T1184(4)直线度和平面度未注公差值(GB/T1184-1996)(mm)(5)垂直度未注公差值(GB/T1184-1996)(mm)(6)对称度未注公差值(GB/T1184-1996)(mm)(7)圆跳动的未注公差值(GB/T1184-1996)(mm)三、选用原则(1)机械加工未注尺寸公差一般选用“m”级,未注形位公差一般选用“K”级。
(2)板金加工未注尺寸公差一般选用“c”级,未注形位公差一般选用“L”级。
四、表面粗糙度零件的表面都应该注明粗糙度的等级。
如果较多的表面具有相同的表面粗糙度等级,则要集中在图样右上角标注,并加“其余”字样。
粗糙度等级的选择,一般可以根据对各表面的工作要求和尺寸精度等级来决定,在满足工作要求的条件下,不得随意提高等级。
(1)取样长度和评定长度的选用值(GB/T1031-1995)Ra(μm)Rz(μm) 取样长度l(mm) 评定长度l n(mm)>0.003~0.02 >0.025~0.10 0.08 0.4>0.02~0.10 >0.1~0.50 0.25 1.25>0.1~2.0 >0.50~10.0 0.8 4.0>2.0~10.0 >10.0~50 2.5 12.5>10.0~80 >50~320 8.0 40.0(2)轮廓算术平均偏差Ra的数值(GB/T1031-1995)(μm)第1系列0.012, 0.025, 0.050, 0.10, 0.20, 0.40, 0.80, 1.60, 3.2, 6.3, 12.5, 25, 50, 100第2系列0.008, 0.010, 0.016, 0.020, 0.032, 0.040, 0.063, 0.080, 0.125, 0.160, 0.25, 0.32, 0.50, 0.63, 1.0, 1.25, 2.0, 2.5, 4.0, 5.0, 8.0, 10.0, 16.0, 20, 32, 40, 63, 80注:尽量选择第1系列(3)轮廓最大高度Rz的数值(GB/T1031-1995)(μm)第1系列0.025, 0.050, 0.100, 0.20, 0.40, 0.80, 1.60, 3.2, 6.3, 12.5, 25, 50, 100,200,400,800,1600,第2系列0.032, 0.040, 0.063, 0.080, 0.125, 0.160, 0.25, 0.32, 0.50, 0.63, 1.0, 1.25, 2.0, 2.5, 4.0, 5.0, 8.0, 10.0, 16.0, 20, 32, 40, 63, 80,125,160,250,320,500,630注:尽量选择第1系列。
国际标准 ISO2768-1初版1989-11-15常规公差——第一部分:无单独公差标示的线尺度、角度公差参考号ISO2768-1:1989(E)ISO 2768-1:1989(E)前言ISO(国际标准化组织)是世界范围内国家标准实体(ISO成员)的联合体。
通常由ISO技术委员会制定国际标准。
但是,只要对该组织建立的某个主题感兴趣,任何成员都可以在这方面充当委员会的代表。
所有与ISO关联的国际组织,政府以及非政府机构,都参加此项工作。
ISO在电工标准事务上,与国际电工委员会紧密一致。
由技术委员会起草的国际标准草稿,在ISO将其作为国际标准正式文件之前,需要分发给各成员实体进行核准。
标准的核准需要经过ISO的程序进行,即需要所有成员的75%赞成才可获得通过。
ISO2768-2由技术委员会ISO/TC 3(误差与配合)制定。
ISO2678-1初版与ISO2678-1:1989一起取代了ISO2768:1973。
题为常规公差的ISO2768包括以下部分:第一部分:无单独公差标示的线尺度、角度公差第二部分:无单独公差标示的部件几何公差ISO2768中附录A与B仅供参考。
简介所有部件部分的零部件都有自己的尺寸和几何形状。
如果尺寸或几何特性(形状,方向与位置)出现偏差,超出了该部分要求的最低值,则破坏了该部分的功能。
图纸上的公差规定应当完整,以确保控制零部件的尺寸与几何因素,也就是,不应该留给车间或检验部人员来判断。
使用尺寸与几何常规公差,减轻了满足该必要条件的任务。
国际标准 ISO2768-1:1989(E)常规公差——第一部分:无单独公差标示的线尺度、角度公差1 应用范围ISO 2768的这部分意在简化图纸标示,规范常规线尺度、角度公差,从而使图纸上所有零部件不再出现单独不同的公差。
此处分四类进行公差规定。
注1:对常规线尺度、角度公差规定的方案,将在附件A中阐述。
该部分主要适用于金属材料切除后生产的或由金属板加工的零部件。