木模板专项施工方案
- 格式:doc
- 大小:601.00 KB
- 文档页数:31
承台木模板施工方案一、背景介绍承台木模板是在承台施工过程中起到支撑和定型作用的重要工具。
合理使用木模板可以提高施工效率、确保工程质量。
本文将详细介绍承台木模板施工方案。
二、材料准备1. 木模板:选择优质的防潮、防裂木材,如优质胶合板或实木板。
根据承台尺寸和荷载要求确定木模板的厚度和尺寸。
2. 钢筋和螺栓:用于连接木模板,增强承台的稳定性和承载能力。
3. 脚手架:用于支撑木模板,在承台施工过程中提供安全的工作平台。
4. 防水涂料:在木模板表面涂刷防水涂料,提高木模板的耐久性和防潮性能。
三、施工步骤1. 承台准备:根据设计要求,在地面上进行标记和定位,清理承台基础,确保承台基础平整牢固。
2. 搭建脚手架:根据承台的高度和尺寸,搭建脚手架,并进行必要的固定和加固。
3. 安装木模板:将预先准备好的木模板按照设计要求放置在脚手架上,确保木模板的水平和垂直度,并使用钢筋和螺栓进行连接,以增加承台的稳定性。
4. 调整和固定:根据需要,调整木模板的位置和水平度,并使用支撑杆进行固定,确保木模板在承台施工过程中不发生移动。
5. 防水处理:在木模板表面涂刷防水涂料,以提高木模板的耐久性和防潮性能。
6. 承台混凝土浇筑:在木模板内部搭设钢筋骨架,根据混凝土浇筑要求进行施工,确保混凝土的密实性和强度。
7. 拆除木模板:待承台混凝土达到一定强度后,进行木模板的拆除工作,同时进行清理和修正工作,确保承台表面平整和无瑕疵。
8. 后续处理:完成承台施工后,进行清理和整理工作,确保工地环境的整洁和安全。
四、注意事项1. 按照设计要求选择合适的木模板材料,并进行防水处理,以确保木模板的使用寿命和质量。
2. 在安装木模板时,严格按照设计要求进行定位和连接,确保木模板的稳定性和承载能力。
3. 在施工过程中,及时调整和固定木模板的位置和水平度,防止木模板发生移动或变形。
4. 在混凝土浇筑过程中,严格控制浇筑速度和方法,确保混凝土的密实性和均匀性。
木模板施工方案木模板施工方案一、施工准备工作1. 材料准备:准备所需木材、粘合剂、连接件等材料,并按照施工图纸的要求做好切割、打磨等前期处理工作。
2. 设备准备:准备好所需的锯木机、手持电钻、锤子等工具,确保施工准备工作的顺利进行。
3. 工作区域准备:清理施工区域,确保施工现场整洁、安全,为施工作业创造良好的条件。
二、施工步骤1. 制作模板:根据设计图纸的要求,按照所需尺寸切割木板,使用粘合剂及连接件将木板拼接成模板。
2. 模板固定:根据施工现场的具体情况,将模板固定在施工区域,确保其稳固可靠。
3. 模板调整:根据实际需要,对模板进行必要的调整和修整,确保模板的平整度和几何尺寸达到要求。
4. 模板验收:检查模板的质量和安装效果,确保符合设计要求和施工标准。
5. 拆除模板:在混凝土浇筑完成后,根据施工计划和混凝土强度的要求,拆除模板。
三、施工要点1. 木材选择:选择良好的原木材料,具有足够的强度和稳定性,以确保模板的质量和安全性。
2. 连接方式:采用两侧对称、均匀分布的连接方式,确保模板的整体稳定性。
3. 模板表面处理:对模板的表面进行细致的修整和打磨,保证混凝土表面平整度的要求。
4. 模板固定:采用合适的固定方式和固定点,确保模板牢固稳定,不发生移动或变形的情况。
5. 拆模时间:根据混凝土强度和温度等因素,合理确定拆模时间,以避免对混凝土施工的影响。
四、安全措施1. 使用个人防护设备:施工人员必须佩戴必要的安全帽、防护眼镜、手套等个人防护设备,确保人身安全。
2. 安全操作:施工人员必须熟悉操作规程,严格按照要求进行操作,避免疏忽大意导致安全事故的发生。
3. 施工现场管理:严格按照施工现场管理要求,保持施工现场整洁、有序,避免杂物堆放和施工道路阻塞等危险情况的发生。
4. 安全交底:在施工前,由专业人员对施工人员进行安全交底,使其全面掌握施工安全规定,增强安全意识。
五、施工质量控制1. 施工验收:根据施工图纸和规范要求,进行施工质量的验收,确保模板施工质量符合设计要求和施工标准。
木模板工程施工方案一、项目背景和目的木模板工程是建筑施工中常见的一种施工方法,通过搭建木质模板来浇筑混凝土结构,完成建筑物的构造部分。
本文档旨在提供一份木模板工程施工方案,以确保施工过程顺利进行。
二、施工准备2.1 材料准备施工前需要准备以下材料:•木质模板:选择符合规范要求的板材,并进行防腐处理;•钉子、螺丝等固定材料:确保固定材料质量稳定可靠;•能够承受模板重量的支撑材料:如支撑杆、脚手架等;•适当数量的备用材料:以备不时之需。
2.2 施工人员和工具准备施工所需的人员和工具如下:•熟练的木工师傅:拥有丰富的木工经验,能够熟练操作木质模板;•劳动力:根据工地情况确定所需数量;•施工工具:如电锯、锤子、榔头等;•安全装备:如安全帽、安全鞋等。
2.3 工程准备施工前需要进行以下准备工作:•清理工地:确保施工场地整洁,无障碍物;•进行工程标高、坐标等测量工作,确保施工精度;•设计和制定施工流程,明确工程进度和分工。
三、施工步骤3.1 搭建木质模板1.根据设计图纸确定木模板的尺寸和形状;2.按照设计要求,将木板切割为所需尺寸,确保每块木板贴合紧密;3.使用钉子或螺丝将木板固定在支撑材料上,确保稳固性;4.按照设计要求,安装和固定模板上的洞口、孔洞等。
3.2 模板结构检查1.在搭建完木模板后,对模板结构进行检查,确保各个部分安装正确、稳固可靠;2.检查模板是否符合设计要求,如尺寸、高度等是否与设计一致;3.检查模板之间的间隙是否符合要求,如有需要,进行调整和修复。
3.3 钢筋安装1.根据设计图纸,在模板内安装和固定钢筋,确保钢筋的准确位置和牢固固定;2.检查钢筋安装是否符合设计和规范要求,如有需要,进行调整。
3.4 混凝土浇筑1.在模板搭建和钢筋安装完成后,进行混凝土浇筑;2.按照设计要求和施工规范,进行混凝土配比和搅拌;3.使用泵车或其他工具,将混凝土输送到模板内,并使用振动器排除气泡;4.确保混凝土的浇筑均匀,避免出现堆积和空洞。
地下室木模板工程施工方案一、施工准备1.1 材料准备在进行地下室木模板工程施工前,需要准备以下材料:- 建筑用木模板- 锤子、钢钉、铁锤等施工工具 - 测量工具:水平仪、量具等 - 安全防护用品:安全帽、手套、安全鞋等1.2 施工人员施工过程中需要具备一定施工经验的工人,确保施工质量和工期。
二、施工步骤2.1 定位与布模2.1.1 确定地下室木模板的尺寸和位置根据设计图纸和实际情况,确定地下室木模板的尺寸和布置位置。
2.1.2 布置模板根据测量结果,将木模板按照设计要求布置在地下室施工区域内,保证模板的平整度和稳固性。
2.2 固定与调整2.2.1 固定模板使用钢钉和铁锤将木模板固定在地面上,确保模板不会移动或变形。
2.2.2 调整模板使用水平仪等工具对木模板进行水平校验和调整,保证模板的水平度和垂直度。
2.3 混凝土浇筑2.3.1 混凝土搅拌将混凝土按照比例混合,并搅拌均匀,确保混凝土质量。
2.3.2 倒入模板将混凝土倒入已布置好的木模板内,同时使用振捣器振动混凝土,排除气泡,确保混凝土的密实度。
2.4 模板拆除2.4.1 静置固化待混凝土达到规定的强度后,开始进行模板的拆除。
通常需要等待约7-14天。
2.4.2 拆除模板使用工具将木模板逐步拆除,注意避免对混凝土结构造成损坏。
三、施工质量控制3.1 工程验收在施工完成后,进行地下室木模板工程的质量验收,确保施工质量符合设计要求。
3.2 安全考虑在施工过程中,要严格遵守安全操作规程,确保施工人员和设备的安全。
四、施工注意事项•严格按照设计要求进行施工,确保地下室木模板工程质量;•注意施工现场的整洁和秩序,避免施工过程中的安全事故;•随时关注施工过程中的问题,及时调整和解决。
以上是地下室木模板工程施工方案的相关内容,希望对您有所帮助。
★木模板施工方案_共10篇范文一:木模板施工方案会签表工程名称:**香蜜湖小区廉租房工程11XX依据《混凝土结构工程施工质量验收规范》(GB50204—2002)《建筑施工安全检查标准》(JGJ59—99);《建筑施工高处作业安全技术规范》(JGJ80—91);本工程施工图纸和投标文件;本工程施工组织设计。
2工程概况本工程位于**市城西路,4个单项工程,建筑面积为18000。
1#~11楼为6层,砖混结构,楼层高度为3。
0米,基础为条型砖基础。
12~16楼为6+1层,地下室和首层为框架结构,二层以上为砖结构,层高为 3.0米,基础为钢筋混凝土独立柱基础。
3施工部署及荷载计算3.1组织机构模板搭设由模板工长负责组织实施,其他人员配合。
外架所需材料、劳动力计划均由外架工长负责XX,材料厂员、劳职员负责组织进场.技术交底工作由工长负责。
3。
2设计总体思路根据我公司的技术条件及本工程户型小、隔墙多的特点,经综合比较决定采木模现场加工安装施工方案,配合**有关分项工程有序的施工。
3.3劳动力准备加工安装模板共需模板工20名,拆除阶段共需模板工20名。
所有模板工均需有上岗操作证.模板工由劳务公司提供。
搭设阶段安排1名测量定位配合。
3。
4材料准备本工程外架、卸料平台所用的钢管、扣件、型钢基础垫板、安全网均由租公司提供,竹串脚手板和其它由项目部自行采购。
###2材料视工程进度分阶段分批按需进场.3.5机具准备机具视工程进度分阶段分批按需进场。
3。
6梁模板设计计算本工程最大梁截面为b×h=240×400㎜,最大跨度为4。
8m,梁底离地面高:2。
4米,模板底楞木和顶撑间距选取为450㎜,侧模及底模为18㎜胶合板,松木顶撑,尾径不小于70㎜。
3查《建筑施工手册》第二版“2施工常用结构计算”99页得Fc=10Nmm2(顺纹抗压)Fv=1.4Nmm2(顺纹抗剪)Fm=13Nmm2(抗弯)E=9000Nmm(弹性模量)板密度为5KN㎡(《施工手册》第三版第二册P101页)荷载分项系数为:ri=1.23。
第1篇一、工程概况1. 工程名称:XX项目2. 工程地点:XX市XX区XX路XX号3. 工程规模:总建筑面积约XX万平方米,地上XX层,地下XX层4. 施工单位:XX建设集团有限公司5. 施工周期:XX个月二、模板专项施工方案编制依据1. 国家及地方有关模板工程的相关规范、标准和规定2. 工程设计文件、施工图纸及施工组织设计3. 施工现场实际情况及施工条件4. 施工单位的技术能力和资源条件三、模板体系选用原则1. 模板体系应满足工程结构形式、施工进度和施工质量的要求。
2. 模板体系应具有良好的稳定性、可重复性和便于施工操作的特点。
3. 模板体系应经济合理,降低施工成本。
4. 模板体系应符合国家及地方有关模板工程的相关规范、标准和规定。
四、模板体系选用及配置1. 模板体系选用(1)模板材料:采用钢模板、木模板、竹模板等,根据工程实际情况及施工要求选择。
(2)模板连接件:采用螺栓、销钉、扣件等连接件,确保模板连接牢固。
(3)模板支撑系统:采用钢管、木方、竹片等支撑材料,确保模板体系的稳定性。
2. 模板配置(1)模板数量:根据工程结构尺寸、施工进度和施工要求,合理配置模板数量。
(2)模板尺寸:根据工程结构尺寸、施工要求及模板材料特性,合理确定模板尺寸。
(3)模板连接方式:采用螺栓、销钉、扣件等连接方式,确保模板连接牢固。
五、模板施工工艺1. 模板施工准备(1)模板材料进场验收:对模板材料进行验收,确保其质量符合要求。
(2)模板施工方案编制:根据工程实际情况及施工要求,编制模板施工方案。
(3)模板施工人员培训:对模板施工人员进行技术培训,确保其掌握模板施工技能。
2. 模板安装工艺(1)模板定位:根据施工图纸及施工要求,确定模板位置。
(2)模板支撑:根据模板位置,设置模板支撑系统,确保模板稳定性。
(3)模板连接:采用螺栓、销钉、扣件等连接方式,确保模板连接牢固。
(4)模板校正:对模板进行校正,确保模板平整、垂直。
木模板施工方案一、引言在建筑施工中,模板是不可或缺的一项工作。
木模板施工是一种常见且广泛应用的施工方法,具有成本低、易操作等优点。
本文将介绍木模板施工方案的一般步骤以及注意事项,帮助读者更好地掌握该施工技术。
二、材料准备木模板施工前,首先需要准备好所需的材料。
常见的木模板材料包括胶合板、方木、钢管等。
胶合板应选择厚度适宜、质地坚固、表面平整的优质产品。
方木应选用干燥、无裂纹的实木,并保持表面平整,以确保模板的稳固性。
钢管可用于支撑模板,其规格要与工程要求相符。
三、模板搭设1. 基础准备:在进行木模板施工前,需要确保基础的平整和牢固。
可以先用水平仪检测基础的水平度,并根据需要进行修整。
2. 固定方木:将方木按照设计要求固定在基础上,确保其间距均匀、垂直度良好。
可以使用锤子和钉子将方木牢固固定。
3. 铺设胶合板:在方木上铺设胶合板,注意胶合板的方向与设计要求一致。
使用螺丝刀或扳手,将胶合板与方木紧密连接。
4. 配置支撑:根据设计要求和模板的负荷情况,配置适量的支撑杆和杂散木,将其固定在地面或基础上,支撑模板。
确保支撑位置稳固可靠,并避免过大的跨度。
四、验收和维护完成模板搭设后,需要进行验收和维护工作,以确保施工质量和施工安全。
1. 检查固定度:对模板的固定度进行检查,确保模板和方木之间没有松动和裂缝现象。
如有问题,及时加以修复或更换。
2. 确认平整度:使用水平仪或测量仪器,对模板进行平整度测试。
如有高低差,应及时调整,以确保施工质量。
3. 表面处理:对模板的表面进行处理,如涂刷防潮剂,以延长模板的使用寿命并防止湿气的侵入。
4. 维护保养:定期检查模板的状况,发现问题及时修复。
施工结束后,及时清理模板和支撑杆,并储存到阴凉干燥的地方。
五、安全注意事项在木模板施工过程中,安全是至关重要的。
以下是一些常见的安全注意事项:1. 使用安全设备:使用合适的安全帽、安全绳、手套等个人防护设备,确保施工人员的安全。
本专项方案依据《建筑施工模板安全技术规范》(JGJ162-2008)、《建筑施工模板及支撑体系设计规范》(JGJ/T193-2009)等相关法律法规和标准规范编制。
二、工程概况1. 工程名称:某住宅楼工程2. 工程地点:XX市XX区3. 工程规模:总建筑面积约10000平方米,地上12层,地下1层4. 工程结构:框架结构5. 工程工期:预计工期为18个月三、木模板支撑体系设计1. 支撑体系选型:本工程采用木模板支撑体系,主要材料包括12mm厚木模板、50mm×70mm木方、48mm×3mm普通钢管、14对拉螺栓等。
2. 模板设计:(1)梁模板:采用12mm厚木模板,满足混凝土浇筑要求;(2)板模板:采用12mm厚木模板,满足混凝土浇筑要求;(3)柱模板:采用12mm厚木模板,满足混凝土浇筑要求。
3. 支撑体系设计:(1)梁底支撑:采用50mm×70mm木方作为次背楞,48mm×3mm普通钢管作为主背楞,间距为600mm;(2)板底支撑:采用50mm×70mm木方作为次背楞,48mm×3mm普通钢管作为主背楞,间距为600mm;(3)柱支撑:采用50mm×70mm木方作为次背楞,48mm×3mm普通钢管作为主背楞,间距为600mm。
4. 对拉螺栓设计:外墙柱、人防墙、柱、梁对拉螺栓均为一次性埋入混凝土内,不得加设套管,不能重复利用。
四、施工工艺1. 模板安装:按照设计图纸要求,先安装梁模板,然后安装板模板,最后安装柱模板。
2. 支撑体系搭设:根据设计图纸要求,先搭设梁底支撑,然后搭设板底支撑,最后搭设柱支撑。
3. 对拉螺栓埋设:按照设计要求,将对拉螺栓一次性埋入混凝土内。
4. 模板加固:在模板安装完成后,对模板进行加固,确保模板稳定。
五、质量控制措施1. 材料质量:严格控制模板、支撑体系等材料的质量,确保符合设计要求。
砖混木模板专项施工方案
一、施工前准备
在进行砖混木模板专项施工前,首先需要对施工现场进行清理和整理,确保施工区域的环境整洁。
另外,要对所需的材料和工具进行准备,包括砖、混凝土、木模板、水泥、石灰等。
二、基础施工
1.地基处理:根据设计要求对地基进行处理,确保基础的稳固性。
2.标高设置:根据设计图纸确定建筑物的标高,并进行标高设置。
3.基础浇筑:在标高设置完成后,进行基础的混凝土浇筑,确保基础
的牢固性和平整度。
三、砌体施工
1.墙体砌筑:根据设计要求,采用砖与混凝土进行砌体施工,确保墙
体的承重性和密实度。
2.模板安装:在墙体砌筑过程中,需要对需要模板支撑的部位进行模
板的安装,保证施工质量和准确度。
3.水泥浇筑:在模板安装完成后,进行水泥的浇筑工作,确保整体结
构的牢固性和密实度。
四、木结构加固
1.木结构搭建:在砖混结构施工完成后,需要进行木结构的搭建加固
工作,确保建筑物的整体稳定性。
2.木模板固定:对木模板进行固定,加强建筑物的整体稳定性和承重
能力。
五、施工验收
在砖混木模板专项施工完成后,需要进行验收工作,确保施工质量符合设计要求和建筑标准,并保证建筑物的安全性和使用性。
结语
综上所述,砖混木模板专项施工方案是建筑施工中重要的一环,它涉及到建筑物结构的牢固性和安全性,需要严格按照施工要求和标准进行操作,确保建筑物的质量和稳定性。
希望本文对砖混木模板专项施工方案有所帮助。
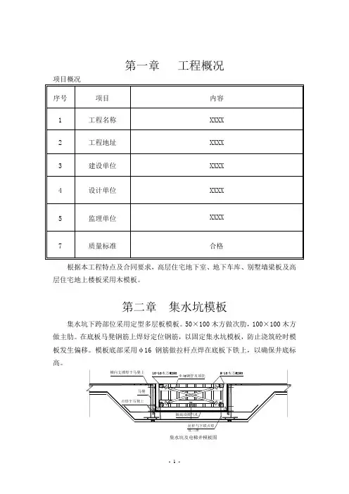
第一章工程概况根据本工程特点及合同要求,高层住宅地下室、地下车库、别墅墙梁板及高层住宅地上楼板采用木模板。
第二章集水坑模板集水坑下跨部位采用定型多层板模板。
50×100木方做次肋,100×100木方做主肋。
在底板马凳钢筋上焊好定位钢筋,以固定集水坑模板,防止浇筑砼时模板发生偏移。
模板底部采用φ16钢筋做拉杆点焊在底板下铁上,以确保井底标高。
集水坑及电梯井模板图第三章剪力墙模板3.1总体概况(1)剪力墙为直面墙体,局部有附墙柱,模板采用15mm厚覆膜多层板木模。
(2)依据本工程施工进度计划、施工区划分图,各楼剪力墙模板配置1层。
(3)模板结构如下表:(4)剪力墙混凝土墙模板18厚多层板现场拼装。
背楞采用50×100木方,横竖支撑均采用Φ48双钢管。
外墙采用Φ16对拉止水螺栓。
横向支撑垂直间距为600mm,竖向支撑水平间距为600mm。
墙体两侧设上、中两道Φ48钢管斜撑,斜撑间距2000mm。
楼(底)板施工时预先埋好地锚,地锚离墙距离为墙高的2/3。
墙体模板支设详见下图:墙柱模板阴阳角做法(5)外墙附墙柱部位,突出墙面部分加设U型夹具,夹具采用100×100方木制作,螺栓规格采用φ16,采用方木中打眼穿过,螺母内加设100×100×10钢板,夹具间距200mm。
具体做法见上图。
(6)内墙螺栓采用一般φ16螺栓,加设φ25套管,内墙转角柱部位转角处立杆与水平支撑钢管用扣件扣结,支设详见下图:3.2工艺流程(1)模板施工工艺:弹墙模位置线 → 粘贴海棉条 → 安装门窗洞口模板 → 安装模板、对拉螺栓 → 安装钢管楞 → 安装斜撑 → 紧固对拉螺栓 → 调整模板平整度、垂直度和截面尺寸 3.3安装方法(1)模板施工前应首先做好钢筋,水电预留洞的隐预检工人作认真清理工作面。
墙模下角粘贴海绵条,墙体内固定好模板支铁。
(2)弹好墙边线及50cm 控制线、门窗口位置线、外模下口20cm 水平线及外墙大角10cm 控制线及角模位置线。
1. 《建筑结构荷载规范》(GB50009-2001)中国建筑工业出版社;2. 《混凝土结构设计规范》(GB50010-2002)中国建筑工业出版社;3. 《建筑施工手册》第四版中国建筑工业出版社;4. 《建筑施工扣件式钢管脚手架安全技术规范》(JGJ130-2001)中国建筑工业出版社;5. 《钢结构设计规范》(GB 50017-2003)中国建筑工业出版社。
二、工程概况1. 工程名称:某住宅楼;2. 地上层数:15层;3. 地下层数:1层;4. 建筑面积:30000平方米;5. 总工期:720天。
三、方案选择考虑到本工程结构复杂,且工期紧张,为提高施工效率,降低成本,特选择木质模板进行施工。
木质模板具有以下优点:1. 施工周期短,便于快速周转;2. 材质轻便,便于运输和安装;3. 成本低,经济效益显著;4. 施工质量稳定,保证结构安全。
四、施工工艺流程1. 材料准备:根据工程图纸和施工要求,选购符合质量标准的木质模板、木方、螺栓等材料;2. 模板加工:根据设计尺寸,对木质模板进行裁剪、拼接、钻孔等加工;3. 支撑系统搭建:根据模板设计要求,搭建支撑系统,确保模板的稳定性和安全性;4. 模板安装:将加工好的模板安装到支撑系统上,确保模板的平整度和垂直度;5. 钢筋绑扎:在模板内绑扎钢筋,确保钢筋的位置和间距符合设计要求;6. 混凝土浇筑:按照施工方案进行混凝土浇筑,确保混凝土的质量;7. 模板拆除:混凝土养护达到设计要求后,拆除模板,清理现场。
五、质量控制措施1. 严格控制材料质量,确保木质模板、木方等材料符合设计要求;2. 严格把控模板加工质量,确保模板的尺寸、形状、平整度等符合设计要求;3. 加强支撑系统搭建,确保模板的稳定性和安全性;4. 严格控制钢筋绑扎质量,确保钢筋的位置和间距符合设计要求;5. 加强混凝土浇筑过程中的质量控制,确保混凝土的质量;6. 模板拆除时,注意保护模板和支撑系统,避免损坏。
第1篇一、工程概况本工程为某住宅小区建设项目,总建筑面积约15万平方米,共分为A、B、C三个标段。
本次施工方案针对A标段进行编制,主要包括地下室、一层至三层主体结构及屋面等部位的模板工程。
二、施工组织设计1.施工队伍本工程模板施工队伍由具有丰富施工经验的施工人员组成,施工人员需经过专业培训,具备相应的施工技能。
2.施工设备模板施工所需设备包括:钢管、扣件、模板、脚手架、吊车、卷扬机、切割机、电焊机等。
3.施工进度计划根据工程进度要求,模板施工计划分为以下几个阶段:(1)前期准备阶段:完成施工图纸的审核、施工方案编制、材料采购、人员培训等。
(2)施工准备阶段:完成施工场地平整、施工道路、水电接入等基础设施的建设。
(3)模板安装阶段:按照施工图纸和施工方案进行模板安装。
(4)模板拆除阶段:按照拆除顺序和注意事项进行模板拆除。
(5)施工收尾阶段:完成模板拆除后的清理、检查、验收等工作。
三、施工工艺及技术要求1.模板材料模板材料应选用符合国家标准的优质材料,如:竹胶板、钢板、木模板等。
2.模板设计模板设计应满足施工要求,包括模板尺寸、支撑系统、加固措施等。
3.模板安装(1)模板安装前,应检查模板的尺寸、质量、平整度等是否符合要求。
(2)模板安装时,应确保模板与墙体、柱子等结构物的连接牢固。
(3)模板安装过程中,应保持模板的垂直度和水平度。
(4)模板安装完成后,应进行验收,确保模板安装质量。
4.模板加固(1)模板加固应选用符合国家标准的材料,如:钢管、扣件、钢筋等。
(2)模板加固应根据模板设计要求进行,确保模板在施工过程中的稳定性和安全性。
(3)模板加固应牢固可靠,不得出现松动、变形等现象。
5.模板拆除(1)模板拆除前,应检查模板的连接件、支撑系统等是否完好。
(2)模板拆除应按照拆除顺序进行,先拆除支撑系统,再拆除模板。
(3)模板拆除过程中,应注意安全,防止模板掉落伤人。
6.施工注意事项(1)施工过程中,应加强施工现场的管理,确保施工安全。
第1篇一、工程概况本工程为某框架结构建筑,地上5层,地下0层,建筑高度18.90米,标准层层高3.30米,总建筑面积2490平方米。
施工单位为工程有限公司,项目经理为XX,技术负责人为XX。
二、材料质量要求1. 模板:选用大型七合板,规格为1830×915×18MM。
2. 梁方木条:选用截面为50×100MM,长2000MM的方木作为底楞木和托木搁栅。
3. 支撑:选用70-80的杉原木。
三、施工中模板系统的基本要求1. 方木条及支撑不得有弯曲变形、裂缝、腐烂现象。
2. 保证结构的形状尺寸及相互位置的准确。
3. 梁及楼板使用新板已周转一次板材。
4. 保证模板支撑具有足够的强度、刚度和稳定性,能够承受新浇砼质量和侧压力,以及考虑施工时各种荷载。
5. 支撑系统应支承在坚实的基面上,使其不能下沉,保持稳定。
6. 安装构造简单,装拆方便,不妨碍钢筋绑扎。
四、主要施工方法1. 模板安装:1.1 按设计图纸要求,确定模板的安装位置和尺寸。
2.1 使用水平尺和垂直尺,确保模板安装的平整度和垂直度。
3.1 将模板固定在支撑上,确保其稳定。
4.1 检查模板安装质量,确保符合要求。
2. 支撑设置:1.1 根据模板荷载和地基承载力,确定支撑的设置位置和间距。
2.1 使用水平尺和垂直尺,确保支撑的垂直度和水平度。
3.1 将支撑固定在地基上,确保其稳定。
3. 模板拆除:1.1 在混凝土强度达到设计要求后,方可进行模板拆除。
2.1 拆除模板时,注意保护混凝土表面,避免损坏。
五、模板安装时应注意以下有关事项1. 安装前,应检查模板和支撑的质量,确保符合要求。
2. 安装过程中,注意保护模板和支撑,避免损坏。
3. 安装后,应检查模板的平整度和垂直度,确保符合要求。
4. 拆除模板时,注意安全,避免发生意外。
六、质量安装标准1. 模板安装的平整度误差应小于2MM。
2. 模板安装的垂直度误差应小于1MM。
3. 模板支撑的间距应符合设计要求。
木模板工程施工方案一、工程概况木模板工程是建筑施工中常见的一种施工方式,其作用是用木模板对混凝土进行支撑和成型,保证混凝土施工的质量和平整度。
木模板工程施工方案是指在进行木模板工程时,根据工程的实际情况和要求,制定出详细的施工计划和方案,以确保施工进度和质量。
本方案适用于各类建筑混凝土结构的木模板工程施工。
二、施工前准备1. 设计方案确认:在施工前,要对建筑的木模板工程设计方案进行确认,包括木模板的规格、材质、安装方式、支撑结构、限位措施等。
同时,要对需要使用的木模板进行检查,确保其完整无损。
2. 材料准备:根据设计方案,准备好所需的木模板、支撑材料、连接件、配重等。
对于木模板的质量要求严格,确保其符合相关标准和规定。
3. 施工人员培训:对参与木模板工程施工的人员进行培训,包括对木模板的安装、支撑结构的搭建、安全措施的执行等方面的培训,保证施工人员具备相应的技能和知识。
4. 安全措施:在施工前,要对施工现场进行安全排查,确保施工现场的安全和整洁。
同时,要明确木模板工程施工过程中需要遵守的安全规定和操作规程,做好安全防护措施。
5. 各项设备的检查和保养:在施工前,要对使用的各项设备进行检查和保养,确保设备的正常运转和安全性。
6. 防火措施:施工现场要配备相应的灭火器材和应急设施,确保施工过程中能够及时有效地应对火灾等突发情况。
三、施工工艺与流程1. 基础工程:在进行木模板工程之前,要对基础工程进行检查和准备,包括基础的支撑、平整及湿润处理等。
2. 木模板安装:在进行木模板施工前要先行安装木模板,根据施工方案和设计要求对木模板进行精确的安装,确保其稳固性和平整度。
3. 支撑结构的搭建:在木模板安装完成后,要对支撑结构进行搭建,包括支模体系的搭建、支撑点的设置、连接件的安装等,确保其能够对木模板进行有效的支撑和保护。
4. 混凝土浇筑:在木模板和支撑结构搭建完成后,进行混凝土的浇筑,确保混凝土的均匀性和质量。
重庆庆福置业有限公司庆福时代广场工程模板施工方案江苏溧阳建设集团有限公司庆福时代广场项目部2015年6月目录第一节、编制依据 (3)第二节、工程概况 (3)第三节、材料选择 (3)第四节、柱墙梁板模板安装 (4)第五节、模板拆除 (8)第六节、模板质量标准和技术措施 (9)第七节、安全、环保文明施工措施 (12)第八节、模板计算 (13)第九节、梁跨度方向钢管的计算 (40)第十节、扣件抗滑移的计算 (40)十、立杆的稳定性计算 (41)参数信息 (42)第一节、编制依据《建筑结构荷载规范》GB50009-2012;《混凝土结构设计规范》GB50010-2011;《建筑施工手册》第四版中国建筑工业出版社;《钢结构设计规范》GB50017-2003;《建筑施工扣件式钢管脚手架安全技术规范》JGJ130-2011第二节、工程概况本工程位于重庆市江津区双福新区九江大道1号,本工程总建筑面积约62761.02m2,由1栋30层住宅和1栋24层写字楼、2栋3层商业、地下车库组成;其中1号住宅楼建筑面积约22401.16m2,2号写字楼建筑面积约18726.59m2,3号商业楼建筑面积约1734.34m2,4号商业楼建筑面积约1789.16m2,地下车库建筑面积约18109.77m2。
第三节、材料选择按普通混凝土的要求进行模板设计,结合本工程实际情况选用的模板强度、刚度和稳定性必须满足相关规范要求的前提下,尽可能提高表面光洁度,阴阳角模板统一整齐。
采用15mm厚九夹板,50×100 木方作楞,配套穿墙螺栓M12使用。
梁、顶板支撑架、固定杆采用Φ48钢管、扣件连接固定;采用调节螺杆加固。
胶合面板使用前模板表面清理,涂刷隔离剂,严禁隔离剂沾污钢筋与混凝土接槎处。
第四节、柱墙梁板模板安装1、安装前准备①、模板配制前必须认真阅读图纸,根据施工图纸尺寸和有关技术要求进行放样取料、制作模板。
严格控制支模的各类材料用量,节约周转材料成本。
木模板施工方案1. 引言本文档旨在介绍木模板的施工方案。
木模板是一种常见的建筑施工模板,用于支撑混凝土浇筑时的形成。
本文将介绍木模板的选择、设计和施工过程,并提供一些注意事项。
2. 木模板选择选择适合的木模板非常重要。
以下是选择木模板的一些考虑因素:•木材类型:常用的木材类型包括胶合板、云杉木和腹膜板等。
根据不同的工程要求和预算,选择适合的木材类型。
•质量:确保选用质量优良、无明显破损或变形的木模板。
•尺寸:根据项目要求,确定木模板的尺寸。
•可重复使用性:如果需要多次使用木模板,选择具有较高耐用性和防潮性的材料。
3. 木模板设计设计木模板时需要考虑以下因素:•支撑结构:设计合适的支撑结构以支持木模板和混凝土的重量。
•板材连接:使用适当的螺丝、钉子或胶水等方法,将木模板的各个板材连接在一起。
•通气孔:设计适当数量和尺寸的通气孔以确保混凝土中的空气能够顺利排出。
4. 木模板施工步骤下面是木模板的施工步骤:步骤一:准备工作在施工开始前,需要进行一些准备工作,包括清理施工区域,确保施工现场的平整度和清洁度。
步骤二:搭建支撑结构根据木模板的设计要求,搭建相应的支撑结构。
确保支撑结构稳固可靠,能够承受木模板和混凝土的重量。
步骤三:安装木模板根据设计好的支撑结构,安装木模板。
将木模板板材连接在一起,确保木模板的平整度和稳定性。
步骤四:检查和调整在混凝土浇筑前,检查木模板的安装情况。
如发现有任何问题,及时调整和修复。
步骤五:浇筑混凝土根据工程要求,按照相应的方式进行混凝土的浇筑。
保持施工现场整洁,避免混凝土渗漏。
步骤六:拆除木模板当混凝土达到一定的强度后,可以拆除木模板。
小心地将木模板板材分离,并进行处理和储存,以备以后的使用。
5. 注意事项在木模板的设计和施工过程中,需注意以下事项:•安全性:施工人员应佩戴适当的保护装备,并遵守相关安全规定,以确保施工安全。
•预留空隙:在木模板的设计中,应考虑到混凝土的收缩和膨胀,留出一定的空隙以防止混凝土开裂。
木模板专项施工方案木模板专项施工方案一、施工前准备工作1.确定施工位置和尺寸,并进行好相应的场地清理及平整工作,确保施工现场整洁、露出平坦。
2.准备好所需的木材模板,并进行好分类和编号,确保施工前木模板的完整性和准确性。
3.清理木模板表面的灰尘和杂物,并进行好必要的修补和维护,以提高使用寿命和施工质量。
4.设备和准备好所需的工具和劳动力,确保施工顺利进行。
二、施工过程1.根据施工要求和图纸要求,进行好木模板的定位和固定。
2.根据施工图纸和要求,进行好木模板的切割和加工,确保尺寸和形状的准确性。
3.按照施工要求,适当调整木模板的布置和安装方式,确保施工的稳固性和安全性。
4.进行好木模板的定位和固定,确保施工过程中木模板的稳定性和准确性。
5.根据施工要求和图纸要求,进行好木模板的表面处理,如刷油漆、打蜡等,以提高木模板的使用寿命和施工质量。
三、施工后整理工作1.清理施工现场的杂物和垃圾,确保施工现场的整洁和安全。
2.对使用过的木模板进行清理和整理,确保木模板的完整性和准确性,以备下次使用。
3.对施工过程中出现的问题和不足进行总结和汇报,以提高下次施工的效率和质量。
4.进行好施工过程的记录和归档工作,以备后续的参考和分析。
总结:木模板专项施工方案是木结构施工中非常重要的一环,只有做好了木模板的施工工作,才能确保施工质量和工期的顺利进行。
因此,在施工前准备工作、施工过程和施工后整理工作中,我们必须要严格按照施工要求和图纸要求来进行操作,保证施工质量的稳定性和有效性。
只有这样,才能为木模板的使用提供一个更加安全和可靠的保障。
模板专项施工方案一、编制依据《根据毕节市七星关区城市棚户区德溪片区肖家院安置房二期工程项目施工设计图纸要求》《建筑结构荷载规范》GB50009-2011中国建筑工业出版社;《建筑施工计算手册》GB50010-2012中国建筑工业出版社;;《建筑施工手册》第四版中国建筑工业出版社;《砼结构工程施工质量验收规范》GB50204-2002《建筑工程施工质量验收统一标准》GB50300-2001《建筑施工模板安全技术规范》JGJ162-2008《建筑工程大模板技术规范》JGJ74-2003《建筑安装工程施工技术操作规程》DB21/900.5-2005二、工程概况1、毕节市七星关区城市棚户区德溪片区肖家院安置房二期工程。
总建筑面积为;98000㎡.(其中;地下室一层。
地上负一加三加二十九)。
建筑总高度为99.8m。
属一类高层综合楼地下室楼板最大板厚为300mm,最大跨度8000 mm;标准层楼板最大板厚130㎜,最大跨度6300 mm(轴间距);地下室梁最大截面为400mm×900mm;标准层梁最大截面为250mm×800mm;地下室柱最大截面为500mm×1000mm,柱净高最大为3.5m,标准层柱最大截面为400mm×1000mm,柱净高最大为2.77m;剪力墙最大浇筑高度3.8m,最大墙厚400mm。
在进行模板及支撑设计时,取梁、板、柱、墙的最大跨度、截面、高度进行计算及验算。
2、建设单位;毕节市德溪建设开发投资有限公司。
3、设计单位;贵州建筑勘察设计有限公司4、施工单位;贵州江盛百丰建筑有限公司5、监理单位;武汉土木工程监理有限公司6、地质勘察单位;贵州地质勘察院。
三、技术准备本工程与2015年6月2日开工。
在开工之前。
项目部技术负责人,组织生产人员熟悉图纸,认真学习掌握施工图的内容、要求和特点,同时针对有关施工技术和图纸存在的疑点作好记录,通过会审,对图纸中存在的问题,与设计、甲方、监理共同协商解决,取得一致意见后。
办理图纸会审记录,作为施工图的变更依据和施工操作依据。
熟悉各部位截面尺寸、标高制定模板初步设计方案。
四、机具准备主要机具及工具准备详见下表水准仪DSG280 2台激光垂准仪DZJ-3 2台水平尺长450、500、550mm 1台钢卷尺2米和20、50米直尺2~3米靠尺2米塞规一般五、材料准备1、地下室部分;(1)底板外墙采用实心砖砌筑。
墙厚240,用M10水泥砂浆砌筑。
(2)外墙采用多层板18㎜厚,1220×2440.背竖楞采用50×80木方。
水平锁楞采用Φ48×3.5钢管。
对拉止水螺栓采用Φ14。
中间焊50×50×5㎜厚止水环。
竖向及水平间距为300×300.下部第一排距底板为150高设置。
其余按300×300设置。
框架柱模板采用18㎜厚多层板。
50×80背方。
采用Φ48×3.5钢管为锁楞。
采用对拉螺栓Φ14。
梁板模板为18㎜厚多层板。
水平铺楞为50×80木方,间距为200.支撑采用为木支撑,支撑采用落叶松原木杆,小头不小于80㎜。
不宜用脆弱材质。
地下部分模板为一次周转。
地上部分模板(17层)为4次周转。
脱模剂选用水性脱膜剂。
根据所需材料提前考察、选用相关材料厂家。
2、地上部分;(1)模板采用多层板18㎜。
厚。
1220×2.440㎜.立柱(支撑)采用Ф48钢顶柱。
方木楞:木楞为80×50。
(2)支撑立柱采用Ф48钢顶柱。
方木楞:木楞为100×50。
(3)墙体、框架柱拉结采用对拉螺栓Φ14。
长度1米六、模板安装的一般要求1、安装模板时,高度在2M及其以上时,应遵守高处作业安全技术规范的有关规定。
2、具有足够的强度、刚度和稳定性,能可靠地承受浇捣砼的重量和侧压力及施工中所产生的荷载。
3、构造简单,装拆方便。
并便于钢筋的绑扎与安装和砼的浇筑及养护等工艺要求。
4、模板接缝应严密,不得漏浆。
5、遇有恶劣天气,如降雨、大雾及六级以上大风时,应停止露天的高处作业。
雨停止后,应及时清除模板架及地面上的积水。
6、楼层高度超过4M及其以上的建筑物安装模板时,外脚手架应随同搭设,并满铺脚踏板、张挂安全网和防护栏,,应设警示牌,并设专人监护,严防伤人。
7、施工人员上下班应走安全通道,严禁攀登模板,支撑杆件等上下,也不得在墙顶独立梁或在其模板上行走。
8、模板的预留孔洞等处,应加盖或设防护拦杆,防止操作人员或物体坠落伤人。
9、不得将模板或支承件支搭在门框上,也不得脚手板支搭在模板或支承件上,应将模板及支承与脚手架分开。
10、在高处支模时,脚手架或工作台上临时堆放的模板不宜超过三层,所堆放和施工操作人员的总荷载,不得超过脚手架或工作台的规定荷载值。
七、模板安装施工前的准备工作;中心线、位置线(控制线)的放样。
支模需用标高的投测。
模板承垫底部预先找平(夯实)。
设置模板定位基准,可根据构件断面尺寸用钢筋制作定位撑铁,点焊在主筋上。
底垫木,嵌缝材料,脱模剂等其他材料的准备。
2、模板的安装方法(1)柱模板查补控制线→清洗混凝土面→柱模拼装、就位、校正固定→封柱头模→检查平面位置、垂直度→柱下脚塞缝。
柱模根部需用水泥砂浆堵平,以防跑浆。
(2)梁、柱模板因分二次支设,在柱子砼强度达到拆模强度时,最上一段柱模先保留不拆,以便于与梁模连接。
(3)梁模板;梁底标高引测→梁底小横杆安装→轴线引吊并带出梁底一侧控制线安装梁底模→梁钢筋绑扎→侧模安装、固定→另一侧模板安装、固定→立档加密(→斜撑支设)→检查截面尺寸,轴线偏移。
跨度l>4M时,按3‰起拱。
梁高>0.7m时,按设计方案加密支撑。
梁、柱接头需严密、牢固。
(4)现浇板模板;弹立杆步距线→纵横水平杆支设→标高引测→铺设50×100阁栅→自梁边1220×2440整张多层板铺设(→接缝处理)→普通多层板铺设。
铺设至梁侧模时,需与侧模平齐不得进入梁内。
需用钉与方木阁栅钉牢。
普通多层板优先在中间部位间隔设置。
(5)墙模板地下室墙砼浇筑分两步:止水带设置在底板上500㎜.与底板一起浇筑,其上至顶板为第二步。
故模板支设方式也分二步。
八、地下室模板施工方法及技术要求外膜采用底板模板外侧采用砖胎膜:砖胎模墙宽为240㎜.高度超出底板高度200㎜.为底板放大角防水搭接。
材料为MU10实心砖及多孔砖砖,M7.5水泥砂浆砌筑,内侧用1:2水泥砂浆抹平。
由于地下室底板较厚,地下室底板四周胎膜砌筑高度为650mm、800㎜、700㎜.用于地下室外膜3、地下室墙体模板;(1)墙体模板采用九夹板,局部异形部位采用预先定制的定型模板。
(2)板穿墙螺栓均采用14对拉螺栓,上疏下密。
水平间距300㎜。
竖直间距300㎜。
中间止水环为50×50壁厚为5㎜。
(3)墙体模板外设纵横内,外围檩,均用直径48钢管组成。
(4)本工程所有地下室外墙板,其支模用的穿墙螺栓,施工单位采用标准件止水螺杆。
地下室墙体模板断面图4、电梯井模板电梯井筒内模板采用组合式铰接筒模,由塔吊配合施工,外模采用九夹板。
筒模模板为定型钢框竹胶合板组合模板,支撑为冷轧型钢支撑,筒模与移动式操作平台配套使用,电梯井筒支模时将调整好的筒模整体吊入搁置在移动操作平台上,接长绑扎筒体钢筋后,筒模与外侧模板以Φ14mm穿墙对拉螺栓连接拉牢,对拉螺杆间距为400mm,呈梅花形布设,混凝土浇筑后,通过铰调整螺栓,收紧筒模四周,使筒模离开混凝土面,吊出筒模进行清理周转使用。
5、连系梁、柱模板(1)安装梁模板①在柱子混凝土上弹出梁的轴线及水平线,并复核。
②安装梁模板支架,保证楼层间的上下支柱应在同一条直线上。
③搭设梁底小横木,间距符合模板设计要求。
④拉线安装梁底模板,控制好梁底的起拱高度符合模板设计要求(3‰)。
梁底模板经过验收无误后,将其固定好。
⑤复核梁模板的截面尺寸,与相邻梁柱模板连接固定。
⑥安装后校正梁中线标高、断面尺寸。
将梁模板内杂物清理干净,检查合格后办预检。
⑦连系梁侧模采用18㎜厚多层板。
⑧梁采用双排顶撑,其间距当梁高≤700毫米时为900毫米,H>700毫米时为600—800毫米,为确保顶撑两个方向的稳定,用直径Ф48mm钢管搭设水平支撑和斜支撑.梁跨度大于4m。
模板按跨度的0.2%起拱。
悬臂梁按悬臂长度的0.4%起拱,起拱高度不小于20㎜.6、柱模:本工程柱模可按以下工序进行据定位轴线检查主筋箍筋是否位置正确,拉箍等是否影响。
板就位。
若发现问题应通知钢筋工长进行处理。
清扫柱内焊渣等杂物,若柱脚四周混凝土不平整应修凿平整以免漏浆而致钢筋混凝土柱烂根。
搭设灯笼架或梁板支架。
柱模装就位。
在两侧吊正校直。
加背楞加固。
第一道水平背管自+200起加设,每600间距设道。
自检合格后请业主、监理进行验收,并根据检查意见调整合格后准备浇灌。
7、顶板模板;顶板厚为180㎜.保护层为20㎜.采用钢管支撑,支撑间距为1.00×1.00,平板采用18mm 厚釉面九夹板。
纵向木龙采用50*100木方间距200mm。
木方与板面交接处应刨平,下部横向采用钢管,间距500mm,下部支撑系统用满堂红脚手架支撑。
满堂红脚手架立杆不大于1000米,搭设时要横平竖直,梁下加撑一顶管,管顶用顶托顶紧。
横杆最下一道扫地杆距楼(地面)不大于300,第二道横杆距楼(地面)可为1700mm,便于行人,顶横杆不大于900mm。
每柱与柱之间加剪刀撑。
拼缝处粘50mm胶带防止漏浆。
顶板模板与梁侧模、墙模交接处应刨平后粘结密封带,安装时用铁钉钉牢。
(见附页简图)8、楼梯模板楼梯模板为多层板。
踏步侧板两端钉在梯段侧板木档上,靠墙的一端钉在反三角木上,踏步板龙骨采用50mm厚方木。
制做时在梯段侧板内划出踏步形状与尺寸,并在踏步高度线一侧留出踏步侧板厚度定上木档。
详见下图九、地上模板安装施工方法及技术要求(一)作业条件1、模板设计:根据本工程时间紧、任务重结构型式和特点及现场施工条件,对模板进行设计,确定模板平面布置,纵横龙骨规格、数量、排列尺寸,柱箍选用的型式和间距,梁板支撑间距,梁柱节点、主次梁节点大样。
验算模板和支撑的强度、刚度及稳定性。
模板的数量应在模板设计时按流水段划分,进行综合研究,确定模板的合理配制数量。
本工程地下室模板为一次周转。
地面以上为三次周转。
地面以上每次梁板柱同时施工。
因砼龄期影响,每次准备周转为两套模板施工。
(二)主体施工顺序施工测量放线→立柱钢筋→立柱模→(浇筑砼)→梁板模→梁板钢筋→浇筑梁板砼→养护→拆模→施工测量放线→砌墙体。
(三)模板支设模板及支撑体系材料选用:柱及梁侧模,板模为18厚多层板,梁底模为18厚多层板。