电梯重大维修质量证明文件
- 格式:docx
- 大小:14.01 KB
- 文档页数:1
ThyssenKrupp Elevator(China) 蒂森克虏伯电梯(中国)电梯安装监督质量检验报告使用单位:电梯型号:电梯编号:质检员:检验日期:年月日机房1)曳引机的安装要求2)导向轮的安装要求3)曳引机与导向轮之间的安装要求(平行度等)4)曳引机减震橡皮垫是否正确安装5)承重梁水平度和平行度要求6)线路分布:1.主机动力线屏蔽网两头接地2.控制柜内线路分布要求:随行电缆上来的X13屏蔽网要接地变频器到主板的通讯线的屏蔽网两头都要接地外呼屏蔽网接地另外,X13,X14,变频器到主板的通讯线不走线槽,而是沿着控制柜壁上布置。
3.机房内高压线与低压线要分开线槽布置,井道内高低压线至少分开10CM。
高压线:主机动力线,抱闸线圈电源线,安全回路,井道照明线,其它高压线低压线:编码器线,抱闸检测开关线,主机热敏电阻线,外呼电源线,外呼通讯线,锁梯线,底坑五方对讲线,警铃线,消防开关线,其它低压线4.轿顶线路布置要求:高低压线分开布置:高压线:轿顶风扇,轿厢照明,安全窗开关,安全钳开关,安全插销(若有设置),轿门锁,轿门机械锁(若有设置),门机电源线,光幕电源线(若为交流电输入)低压线:轿厢通讯线,随行电缆X13,平层感应器线,再平层感应器线,门区开关线,称重电源线,称重探头线,称重通讯线,光幕线,门机通讯线,门机信号线,五方通话线7)导轨的安装要求进一步完善1导轨上下距离不能大于1mm8)2导轨接头不能有空隙,9)轿厢安装要求1.空载时,轿底顶杆螺栓距离轿厢底面10~12mm2.轿底下梁减震弹簧的上表面要按照图纸的要求垫足够高度的垫片(可多不可少),并使空载时轿顶缓冲墩子的上下表面之间的距离为95~98mm.3.轿门立柱下面要垫足够的高度的垫片,使装上门挂板后,门挂板不与门楣摩擦4.平层感应器与再平层感应器之间的上下间隙调至15mm左右,并使再平层感应器的上表面与平层感应器的下表面之间的距离不超过50mm。
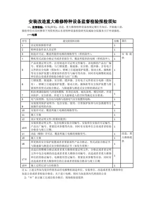
安装改造重大维修特种设备监督检验报检须知
一、监督检验:安装(移装)、改造、重大维修特种设备按规定履行告知后,开始施工前,报检单位应及时携带下列资料到山东省特种设备检验研究院威海分院服务大厅申请报检。
(一)电梯
注1:上述文件如为复印件则务必经电梯整机制造单位、安装单位、改造或者重大维修单位加盖公章或者者检验合格章;关于进口电梯,则应当加盖国内代理商的公章
2:“※”表示施工完成自检合格后,现场检验前提供
注1:上述文件如为复印件则务必经电梯整机制造单位、安装单位、改造或者重大维修单位加盖公章或者者检验合格章;关于进口电梯,则应当加盖国内代理商的公章
2:“※”表示施工完成自检合格后,现场检验前提供
注:上述文件如为复印件则务必经制造单位、使用单位加盖公章或者者检验合格章
二、定期检验
特种设备使用单位应在安全检验合格有效期届满前一个月携带下列资料到山东省特种设备检验研究院威海分院服务大厅申请报检。
(一)电梯
三、不合格复检
特种设备检验不合格符合改造、重大维修项目,应按规定履行告知后,按上述规定程序报检;其他不合格特种设备应按“特种设备检验意见书(2)”的要求及时整改,15日内将整改情况报山东省特种设备检验研究院威海分院。
电梯质量鉴定报告模板1. 前言电梯是现代化城市公共交通中必不可少的设施。
电梯的安全运行是关系到人们的生命安全的大事,因此电梯的质量检测至关重要。
本文将介绍电梯质量鉴定报告的模板和相关内容。
2. 简介电梯质量鉴定是为了判断电梯是否符合安全、可靠、优良的运行标准。
电梯在安装、维护、保养过程中,都需要进行质量检查,以确保电梯的安全运行。
在鉴定过程中,应该结合国家相关标准和规定进行检查。
3. 鉴定内容电梯质量鉴定主要包括以下几个方面:3.1 外观检查首先应对电梯观察其外观,检查其表面是否平整,关门以后门板是否对齐,是否存在锈蚀、变形、变色等问题,同时也要检查转门、竖行门和轿门的开闭性能是否正常。
3.2 机房设施检查机房设施是电梯运行的重要组成部分,应对机房设施进行全面检查,包括主机、曳引机、限速器、安全钳、导轨、运行时间计数器等设备的状态是否良好,是否存在磨损、断裂及其他问题。
3.3 轿厢设施检查在进行质量鉴定时还应对轿厢进行检查,检查电梯轿厢的装修、燃气、照明、客室呼叫器、报警器、门锁、制动器以及操作器进行检查。
3.4 安全保护装置检查安全是电梯质量的关键,应当对电梯的安全保护装置进行检查,包括电梯的上下限位、电缆及切断限速器、安全钳是否正常工作等。
4. 报告格式电梯质量鉴定报告的格式通常是按照以下顺序:1.标题页:应包括检测单位名称、电话、地址、邮编等基本信息;2.项目说明:应对检测的电梯的信息进行详细说明,包括电梯型号、载重、速度、安装日期等信息;3.检测项目及实施情况:应明确进行了哪些检测项目以及实施情况;4.检测结果:应分析电梯的质量等级是否符合标准,是否存在安全隐患;5.建议措施:应提出改进意见或者事项;6.签署:签署有检测人员的姓名、检测日期、单位及其他相关信息。
5. 结论电梯质量鉴定是确保电梯安全运行的关键。
在电梯质量鉴定的过程中,鉴定人员需要仔细检查,结合国家相关标准和规定,提出合理的意见和建议。
江苏省特检院苏州分院2017.09»《质监总局利用质检技术手段促进企业质量提升专题会议纪要》»《质检总局办公厅关于开展科技委专家企业行活动的通知》(质检办科含[2017]1107号)»落实质量月的有关要求»目的:促进企业质量提升第2号修改单具体内容2第2号修改单的实施要求31问题与交流33»2017年6月2号修改单发布»6月27日实施意见发布第2号修改单的实施要求312017.10.01改造和重大修理——施工合同约定,按约定内容检验电梯监督检验新规则(TSG T7001‐2009+1号修改单位+2号修改单)老规则(TSG T7001‐2009+1号修改单)未按新型规试验,且已备案——老规则型式试验依据:TSGT7007‐2019制造依据:GB 7588‐2003+1号修改单2017.12.31»总局实施GB7588‐2003第1号修改单的意见»2016年7月1日之后交货的应符合GB7588‐2003+第1号修改单的要求。
修改后1.1 (2)电梯整机型式试验证书,其参数范围和配置表适用于受检电梯;TSG T7007修改前1.1(2)电梯整机型式试验合格证书或者报告书,其内容能够覆盖所提供电梯的相应参数; 1.1 制造资料第2号修改单具体内容2●注意:整机型式试验证书——✓无有效期;✓熟悉适用原则。
修改后1.1(3)产品质量证明文件,注有制造许可证明文件编号、产品编号、主要技术参数,限速器、安全钳、缓冲器、含有电子元件的安全电路(如果有)、可编程电子安全相关系统(如果有)、轿厢上行超速保护装置(如果有)、轿厢意外移动保护装置、驱动主机、控制柜的型号和编号,门锁装置、层门和玻璃轿门(如果有)的型号,以及悬挂装置的名称、型号、主要参数(如直径、数量),并且有电梯整机制造单位的公章或者检验专用章以及制造日期;TSG T7007GB 7588 第1号修改单修改前1.1(3)产品质量证明文件,注有制造许可证明文件编号、该电梯的产品出厂编号、主要技术参数,门锁装置、限速器、安全钳、缓冲器、含有电子元件的安全电路(如果有)、轿厢上行超速保护装置、驱动主机、控制柜等安全保护装置和主要部件的型号,以及这些安全保护装置和主要部件的编号(门锁装置除外)等内容,并且有电梯整机制造单位的公章或者检验合格章以及出厂日期;《产品质量法》:第二十七条产品或者其包装上的标识必须真实,并符合下列要求:(一)有产品质量检验合格证明;……《产品质量法》释义:[改造或者重大修理质量证明文件:应符合1.3(7)要求,并参照1.1(3)列出加装或更换的主要部件、安全保护装置的型号、编号为宜]修改后1.1(4)门锁装置、限速器、安全钳、缓冲器、含有电子元件的安全电路(如果有)、可编程电子安全相关系统(如果有)、轿厢上行超速保护装置(如果有)、轿厢意外移动保护装置、驱动主机、控制柜、层门和玻璃轿门(如果有)的型式试验证书,以及限速器和渐进式安全钳的调试证书;TSG T7007GB 7588 第1号修改单修改前1.1(4)门锁装置、限速器、安全钳、缓冲器、含有电子元件的安全电路(如果有)、轿厢上行超速保护装置、驱动主机、控制柜等安全保护装置和主要部件的型式试验合格证,以及限速器和渐进式安全钳的调试证书;修改前玻璃轿壁?绳头组合?型式试验证书:PESSRAL型式试验证书:PESSRAL型式试验证书:UCMP型式试验证书:UCMP型式试验证书:层门型式试验证书:玻璃门●注意:部件型式试验证书——✓了解适用原则;✓注意有效期。
仅供参考曳引与强制驱动电梯电梯安装/大修/改造施工自检报告书使用单位:项目名称:设备位置:设备品种:设备类别:施工类别: 安装□改造□维修自检单位:(章)自检日期:年月日*******公司制说明1、本报告书是根据《电梯监督检验和定期检验规则—曳引与强制驱动电梯》(TSG T7001-2009)及第2号修改单中对于施工自检报告的要求所制作的标准格式范本,进行电梯安装、改造、重大维修施工的单位,其自检报告的内容应不少于本格式范本的内容,需测量的数据应不少于本格式范本内所要求测量的数据。
2、本报告书适用于电力驱动的有机房曳引式电梯(防爆电梯、消防员电梯、杂物电梯除外)的安装、改造、重大维修的自检。
3、自检质量合格的声明应由制造单位或其书面委托的自检单位盖章确认,上述单位应对记录中填写内容的真实性及其与实物的一致性负责。
4、报告应使用钢笔或签字笔填写,也可使用计算机出具,但不得使用铅笔、圆珠笔,不得涂改。
确需更正时,应在原错误处划删除线“=”,在其上方书写正确内容,并加盖或签上更改人的印章或姓名、标注更改日期。
5、“自检结果”一栏中深色区域的项目应填写实测数据;其他无数据要求的,合格的可填“符合”,不合格的用简要文字说明不合格原因;若无此项目时,填“无此项”。
“结论”一栏中只能填写“合格”、“不合格”、“——”等单项结论。
6、如全部项目均合格,则自检报告的结论为“合格”;否则,应由施工单位进行整改,由自检员确认并在整改情况栏中填写了相关项目的复检合格意见后,方可判定为“合格”。
7、报告中不应遗留空白表格,无此项情况应填写“——”。
8、本报告一式三份,由检验机构、施工单位和使用单位分别保存。
可提供复印件,如为复印件则必须经安装、改造或者重大维修单位加盖公章或者检验合格章。
注:1、如只有一套轿厢门,轿厢门有关间隙只填写一行。
2、如是中分门,150N 开启间隙填写间隙总和。
3、表内左右位置均为检查者站在轿厢内(顶)面对层门时的部件相对位置。
电梯定期检验时使用单位应提供哪些资料?在用电梯每年进行一次定期检验。
使用单位应当按照安全技术规范的要求,在电梯使用标志所标注的下次检验日期届满前1个月,向特种设备检验检测机构提出定期检验申请。
未经定期检验或者检验不合格的电梯,不得继续使用。
定期检验时使用单位应提供以下资料:使用登记资料;安全技术档案;使用管理制度;日常维护保养合同;特种设备作业人员证。
一、使用登记资料,内容与实物相符;《电梯使用管理与维护保养规则》:第八条电梯在投入使用前或者投入使用后30日内,使用单位应当向设区的市的质量技术监督部门(以下简称登记机关)办理使用登记。
办理使用登记时,应当提供以下资料:(一)组织机构代码证书或者电梯产权所有者(指个人拥有)身份证(复印件1份);(二)《特种设备使用登记表》(一式2份);(三)安装监督检验报告;(四)使用单位与维保单位签订的维保合同(原件);(五)电梯安全管理人员、电梯司机{适用于按照第九条第(五)款要求配备的电梯司机}等与电梯相关的特种设备作业人员证书(原件或者复印件);(六)安全管理制度目录。
维保单位变更时,使用单位应当持维保合同,在新合同生效后30日内到原登记机关办理变更手续,并且更换电梯内维保单位相关标识。
电梯报废,使用单位应当在30日内到原使用登记机关办理注销手续。
电梯停用1年以上或者停用期跨过1次定期检验日期时,使用单位应当在30日内到原使用登记机关办理停用手续,重新启用前,应当办理启用手续。
二、安全技术档案,至少包括:制造资料,安装资料,改造、重大维修资料(如果进行过改造、重大维修),监督检验报告,定期检验报告,日常自行检查与使用状况记录,日常维护保养记录,年度自检记录或者报告,应急救援演习记录运行故障和事故记录等,保存完好。
设备运行故障记录至少保存2年,其他资料应当长期保存。
使用单位变更时,应当随机移交安全技术档案。
《电梯监督检验和定期检验规则—曳引与强制驱动电梯》:1.1制造资料以下用中文描述的出厂随机文件:(1)制造许可证明文件,其范围能够覆盖所提供电梯的相应参数;(2)电梯整机型式试验合格证书或者报告书,其内容能够覆盖所提供电梯的相应参数;(3)产品质量证明文件,注有制造许可证明文件编号、该电梯的产品出厂编号、主要技术参数,门锁装置、限速器、安全钳、缓冲器、含有电子元件的安全电路(如果有)、轿厢上行超速保护装置、驱动主机、控制柜等安全保护装置和主要部件的型号,以及这些安全保护装置和主要部件的编号(门锁装置除外)等内容,并且有电梯整机制造单位的公章或者检验合格章以及出厂日期;(4)门锁装置、限速器、安全钳、缓冲器、含有电子元件的安全电路(如果有)、轿厢上行超速保护装置、驱动主机、控制柜等安全保护装置和主要部件的型式试验合格证,以及限速器和渐进式安全钳的调试证书;(5)机房或者机器设备间及井道布置图,其顶层高度、底坑深度、楼层间距、井道内防护、安全距离、井道下方人可以进入的空间等满足安全要求;(6)电气原理图,包括动力电路和连接电气安全装置的电路;(7)安装使用维护说明书,包括安装、使用、日常维护保养和应急救援等方面操作说明的内容。
电梯大修工程完工证明范本
兹证明,我公司于—年_月_日至—年_月一日对位于的电梯进行了大修工程。
经过全体
工程人员的共同努力,该电梯大修工程现已完工,并通过了相关的安全检测和质量验收。
以下是本次电梯大修工程的主要工作内容:
1.对电梯轿厢、导轨、门系统、驱动系统、控制系统等主要部件进行了全面检查和维修。
2.对电梯的电气系统进行了全面的检查和维修,包括更换了损坏的电缆、接触器、继电器等电气元件。
3.对电梯的控制系统进行了升级和优化,提高了电梯的运行效率和安全性。
4.对电梯的外观进行了全面的清洁和保养,确保电梯的美观和使用寿命。
5.对电梯的安全装置进行了全面的检查和维修,确保电梯在运行过程中的安全性。
6.对电梯的维保记录进行了更新和完善,为今后的维保工彳镇供了详细的数据支持。
特此证明。
施工单位:(单位名称)
法定代表人(或授权代表):(签字)
日期:—年_月一日。
电梯安装、改造、重大维修监督检验报检须知一、报检适用范围本须知适用于在济源市境内安装、改造、重大维修电梯的施工单位。
电梯包括乘客电梯、载货电梯、液压电梯、杂物电梯、自动扶梯和自动人行道。
二、报检分类1、安装监督检验:安装监督检验是指电梯安装过程中,在安装单位自检合格的基础上,由济源市特检分院对安装过程进行的查证性检验。
2、改造监督检验:改造监督检验是指电梯改造过程中,在改造单位自检合格的基础上,由济源市特检分院对改造过程进行的查证性检验。
3、重大维修监督检验:重大维修监督检验是指电梯重大维修过程中,在重大维修单位自检合格的基础上,由济源市特检分院对重大维修过程进行的查证性检验。
三、电梯改造、重大维修、维修、日常维护保养的区别电梯的改造:电梯的重大维修:电梯的维修:电梯的日常维护保养:四、报检时间要求电梯安装、改造或者重大维修施工单位应当在履行告知后、开始施工前(不包括设备开箱、现场勘测等准备工作),向济源市特检分院申请施工监督检验。
五、报检单位安装改造重大维修电梯的施工单位。
六、受理时间要求对于资料齐全能够当场受理的,应当当场受理;不能当场受理的,受理人员应当向报检单位说明不予受理的理由和原因;最迟应在5个工作日内予以受理。
受理后应当向报检单位出具受理回执函。
七、检验时间和报告出具时间要求1、正常情况下,报检受理后10个工作日内,济源市特检分院将与报检单位约定具体检验时间,安排检验人员进行资料审核和现场检验。
特殊情况我所会及时通知报检单位,并说明原因。
2、现场检验完毕后,对于检验人员提出的问题,报检单位应于检验完毕10个工作日(或检验人员限定的整改期限)内将问题整改情况反馈至济源市特检分院。
3、现场检验及对报检单位整改情况确认完成后,或者报检单位在限定的整改期限未将整改情况反馈至我所的,济源市特检分院将在10个工作日内出具检验报告。
八、电梯检验时需携带的资料(注:以下“*”项资料需要准备复印件交我所留存。
电梯安全质量证明书模板-范文模板及概述示例1:标题:电梯安全质量证明书模板引言:电梯是现代化社会中必不可少的交通工具之一,它的安全性和质量对于人们的生活和工作至关重要。
为了确保电梯的安全运行和用户的利益,电梯安全质量证明书的编制和使用具有重要意义。
以下是一份电梯安全质量证明书的模板,供参考和使用。
模板:电梯安全质量证明书第一部分:基本信息1. 电梯制造商:__________2. 电梯型号:__________3. 质量监督机构:__________4. 电梯安全性能等级:__________5. 证书编号:__________第二部分:安全性能评估1. 电梯安全性能测试结果:__________2. 电梯各功能部件的安全性能评估结果:__________3. 电梯载重试验结果:__________4. 电梯运行速度检测结果:__________第三部分:质量管理措施1. 原材料采购管理:__________2. 生产工艺和工序管理:__________3. 质量抽检和检测流程:__________4. 故障排除及维护管理:__________5. 售后服务及客户满意度调查:__________第四部分:附加信息1. 过往安全事故情况:__________2. 电梯维护保养记录:__________3. 安全标志和标识的配置情况:__________结尾:本证明书确认了该电梯制造商在质量管控、安全性能评估和售后服务方面的良好表现,并充分对该制造商的电梯进行了检测和评估。
该证明书有效期为__________,在此期间,制造商将保证电梯的安全运行和质量标准的符合。
附注:根据相关法律法规和标准要求,如有证件过期或者安全事故发生,应立即联系电梯制造商或者相关部门,并及时处理。
以上是一份电梯安全质量证明书的模板,可以根据具体情况进行修改和补充。
使用该证明书有助于确保电梯的安全性和质量,为用户提供安心和便捷的出行环境。
附件A 曳引与强制驱动电梯监督检验和定期检验内容、要求与方法续表注 A -5: ①额定载重量, kg ;②轿厢最大有效面积, m 2; ③一人电梯的最小值; ④二人电梯的最小值; ⑤额定载重量 超过 2500kg 时,每增加 100kg ,面积增加 0.16m 2。
对中间的载重量,其面积由线性插入法确定100③ 180④ 225 300 375 400 4507 无机房电梯附加检验项目7.3设在底坑内的作业场地C检查、维修驱动主机、控制柜的作业场地设在底坑时,如果检查、维修工作需要移动轿厢或可能导致轿厢的失控和意外移动,应当具有以下安全措施:(1) 设置停止轿厢运动的机械制停装置,使工作场地内的地面与轿厢最低部件之间的距离不小于2m;(2) 设置检查机械制停装置工作位置的电气安全装置,当机械制停装置处于非停放位置且未进入工作位置时,能防止轿厢的所有运行,当机械制停装置进入工作位置后,仅能通过检修装置来控制轿厢的电动移动;(3) 在井道外设置电气复位装置,只有通过操纵该装置才能使电梯恢复到正常工作状态,该装置只能由工作人员操作(1) 对于不具备相应安全措施的,核查电梯整机型式试验合格证书或者报告书,确认其上有无检查、维修工作无需移动轿厢且不可能导致轿厢失控和意外移动的说明;(2) 目测机械制停装置、井道外电气复位装置的设置;(3) 通过模拟操作以及使电气安全装置动作,检查机械制停装置、井道外电气复位装置、电气安全装置的功能7.4设在平台上的作业场地C检查、维修机器设备的作业场地设在平台上时,如果该平台位于轿厢或者对重(平衡重)的运行通道中,则应当具有以下安全措施:(1) 平台是永久性装置,有足够的机械强度,并且设置护栏;(2) 设有可以使平台进入 (退出)工作位置的装置,该装置只能由工作人员在底坑或者在井道外操作,由一个电气安全装置确认平台完全缩回后电梯才能运行;(3) 如果检查、维修作业不需要移动轿厢,则设置防止轿厢移动的机械锁定装置和检查机械锁定装置工作位置的电气安全装置,当机械锁定装置处于非停放位置时,能防止轿厢的所有运行;(4) 如果检查(维修)作业需要移动轿厢,则设置活动式机械止挡装置来限制轿厢的运行区间,当轿厢位于平台上方时,该装置能够使轿厢停在上方距平台至少2m处,当轿厢位于平台下方时,该装置能够使轿厢停在平台下方符合3.2 井道顶部空间要求的位置;(5) 设置检查机械止挡装置工作位置的电气安全装置,只有机械止挡装置处于完全缩回位置时才允许轿厢移动,只有机械止挡装置处于完全伸出位置时才允许轿厢在前条所限定的区域内移动。