电梯钢结构井道安装质量证明文件
- 格式:docx
- 大小:56.93 KB
- 文档页数:2
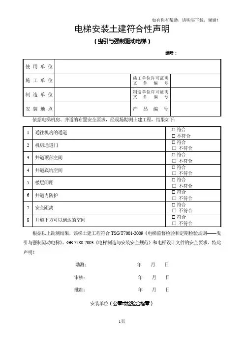
如有你有帮助,请购买下载,谢谢!电梯安装土建符合性声明(曳引与强制驱动电梯)编号:使用单位施工单位施工单位许可证明文件编号制造单位制造单位许可证明文件编号安装地点产品编号依据电梯机房、井道的布置安全要求,经现场勘测土建工程,结果如下:1 通往机房的通道□符合□不符合2 机房通道门□符合□不符合3 井道顶部空间□符合□不符合4 井道底坑空间□符合□不符合5 楼层间距□符合□不符合6 井道内防护□符合□不符合7 安全距离□符合□不符合8 井道下方可以到达的空间□符合□不符合根据以上勘测结果,该梯土建工程符合TSG T7001-2009《电梯监督检验和定期检验规则——曳引与强制驱动电梯》、GB 7588-2003《电梯制造与安装安全规范》和电梯设计文件的安全要求。
特此声明!勘测:年月日审核:年月日批准:年月日安装单位(公章或检验合格章)电梯安装监督检验申报审查资料目录(曳引与强制驱动电梯)安装地点:电梯产品编号:如有你有帮助,请购买下载,谢谢!资料分类号资料名称数量资料编号备注1. 制造资料1-1 制造许可证明文件份1-2 电梯整机型式试验证书份1-3 产品质量证明文件份1-4安全保护装置和主要部件的型式试验合格证门锁装置份限速器份安全钳份缓冲器份含有电子元件的安全电路份可编程电子安全相关系统份轿厢上行超速保护装置份轿厢意外移动保护装置份驱动主机份控制柜份层门份玻璃轿门份调试证书限速器份渐进式安全钳份1-5 电气原理图动力电路图份连接电气安全装置的电路图份1-6 安装使用维护说明书份2. 安装资料2-1 特种设备安装改造维修告知单、许可证份2-2 施工方案份2-3 施工现场作业人员的特种设备作业人员证份2-4 电梯安装土建符合性声明份其他电梯制造单位委托施工证明份我公司特此声明:提供的上列文件、资料真实有效、与实物完全一致。
施工单位提交人:(施工单位公章或检验专用章)日期:年月日经审查,该公司提供的上列资料(□符合□第项不符合)《电梯监督检验和定期检验规则—曳引与强制驱动电梯》(TSG T7001-2009)要求。
观光电梯钢结构井道及外罩工程施工合同发包方:(以下简称甲方)承包方:(以下简称乙方)按照《中华人民共和国合同法》《中华人民共和国建筑法》及有关法律法规,遵循平等、自愿、公平、公正和诚实信用的原则,经甲、乙双方友好协商,就办公楼观光电梯井道及玻璃外罩项目施工事项协商一致,达成如下施工合同。
一、工程地点:二、工程名称:基坑、观光电梯钢结构井道及外罩工程三、工程承包范围:基坑、电梯钢结构井道及玻璃外罩工程,施工图范围内所示的钢结构井道、玻璃外罩等安装内容以及发包人与承包人商定的工程内容(附钢结构及玻璃外罩报价书)。
主要如下:1、一台4层(4站)方形无机房电梯钢架井道,总高度为15米;2、井道外三面6+6夹胶钢化玻璃封闭,3、井道钢结构表面灰色氟碳面漆施工;4、井道顶部铝板装饰;5、一楼进电梯处的地面回填处理;6、在原房屋墙面上开门洞及二次修复;7、地下水管改道(不含自来水管、污水管、消防管等整改)8、电梯大门套(304不锈钢)9、电梯井道内吊钩具体工程量以电梯厂图纸为准,井道内钢结构范畴内乙方负责。
承包形式:本工程实行包工包料、包工程质量、包工期、包安全生产、文明施工管理的总承包方式施工。
五、合同工期:开工日期:暂定20**年月日开工(实际开工日期以甲方书面批准或通知的开工报告为准)。
竣工日期:预计20**年月日竣工合同工期总日历天数40工作日(电梯设备安装除外)对以下原因造成竣工日期推迟的延误,经甲方确认后,合同工期相应顺延1、工程量变化和设计变更确实严重影响工期的。
2、由甲方原因造成延误、阻止施工的。
3、因甲方合作的电梯单位安装、施工等原因,致使乙方无法按原进度施工的。
4、不可抗力(雨天、战争、洪灾、火灾、地震)。
5、非乙方的过失或造成的(非乙方原因停电造成停工连续超过48小时)。
6、其他合理、正当理由致使工期延误的情形。
若因非乙方原因或不可抗力原因引起的主导工期延误,乙方必须于事情发生后3天内书面上报给甲方,经甲方书面确认,工期允许按延误天数顺延,如乙方未在规定时间内向甲方书面上报则工期不予顺延。
电梯钢结构井道施工方案电梯井钢结构安装方案概述:本工程电梯井由主楼电梯井和裙房电梯井两部分组成,共27个电梯井。
其中,主楼有23个,分别位于核心筒内和筒外,其余电梯在裙房部分。
电梯井钢结构包括钢梁和钢柱约2000多个构件,属于轻质构件,其中最重构件约0.45t。
安装思路:电梯井道内钢结构构件无法用塔吊吊装,只能使用倒链等工具进行吊装。
低区电梯井顶部砼楼板已经施工完毕,顶部留有方形孔洞,可在该洞表面放置一工字钢,将钢丝绳一端绑扎在工字钢上,另一端作为吊点将电动葫芦挂在钢丝绳上进行吊装。
高区电梯井钢结构安装可在中间楼层设置吊点,在楼板上布置两块埋件,并在埋件上焊接两圆箍,用一工字钢一端悬挑在井道内,另一端用两道圆钢将工字钢箍在埋件上,将钢丝绳挂在已经架好的工字钢上进行吊装。
安装准备工作:1.组织施工人员熟悉图纸,并进行现场调查,了解现场实际情况,安装前对施工人员进行安全技术交底。
2.安装前检查钢丝绳(Φ10mm)、电动葫芦(2t)等吊装工具。
3.搭设操作平台。
根据现场实际情况,在电梯井道底部搭设脚手架,方便施工人员作业。
待第一根钢梁完毕后,拆除上部的脚手板,向上继续搭设脚手架,每两层拆除并重新搭设脚手架,每安装好一根钢梁后,脚手架向上搭设,并抱住安装完毕的钢梁。
在钢柱对接处须搭设焊接操作平台,焊接操作平台可与前面所述脚手架在楼面处搭接在一起。
搭设完毕后底部铺设脚手,四周加设踢脚板,四周用防火布封闭。
注:脚手架的受力验算需对底部钢管进行受力验算。
操作平台荷载取100kg/m2,则单根钢管承受的线荷载为:100×0.8×10=800N/m,产生的最大弯矩为:M=800×0.8×0.8/2=256Nm。
脚手管材质为Q235A,截面通常为48×3.5mm,考虑其使用磨损,选取计算截面48×3.2mm,则:A=4.50cm2,W=4.732cm3.顶部钢管验算:作业面为1.6m×1.5m,四根钢管受力相同,只需验算较长的钢管。
钢结构电梯井施工方案钢结构电梯井施工方案一、工程概况本方案施工的钢结构电梯井位于某高层建筑物内,总高度为30米。
电梯井的尺寸为5米×5米,采用钢结构梁柱体系,外墙采用钢板材料,内墙采用轻钢龙骨石膏板。
二、施工步骤:1. 基础处理:根据设计要求,在地下室进行梁柱基础的打桩和浇筑,确保电梯井的基础牢固可靠。
2. 钢结构制作:根据设计图纸,制作梁柱、梁、楼板等结构构件,并进行质量检验。
同时,预制好各种连接件和支撑件,以备施工使用。
3. 安装钢结构:先按设计要求在地面上进行结构拼装,并使用吊车将预制好的结构构件吊起,然后逐层搭设、拼装至顶层。
在搭设过程中要注意严格控制各部位的垂直度和水平度。
4. 焊接连接:在完成结构搭设之后,使用电焊机对各个结构构件进行焊接连接。
焊接工艺要符合相关规范,焊接缝要做好除锈、清洁工作。
焊接完毕后,需进行焊接缺陷检测,确保焊接质量符合要求。
5. 外墙处理:安装外墙材料,使用电钻将钢板固定在钢结构上,并进行密封处理,以保证防水、防火和保温效果。
6. 内墙处理:安装轻钢龙骨,并在龙骨上固定石膏板。
根据需要,可以在石膏板上进行涂刷、贴瓷砖等。
7. 防水处理:在井底和井口位置进行防水处理,采用专业的防水涂料进行刷涂,确保电梯井的防水性能。
8. 安全设施安装:根据设计要求,安装电梯井内的安全设施,包括井道灯、消防栓、喷淋系统等。
9. 室内装饰:根据设计要求,进行电梯井内的装修工作,包括地面刷涂、灯具安装等。
三、施工注意事项:1. 施工前需完成相关安全防护措施,确保施工人员的安全。
2. 施工过程中,应高度关注施工现场的安全状况,保持施工现场整洁,杜绝安全隐患。
3. 施工期间要做好与其他施工工序的协调工作,避免产生冲突和影响进度。
4. 所有施工材料和设备要符合国家相关标准,杜绝使用次品材料或设备。
5. 施工完毕后,进行验收工作,确保钢结构电梯井的质量达到设计要求。
以上为钢结构电梯井施工方案,希望对你有所帮助。
电梯安装土建符合性声明(曳引与强制驱动电梯)编号:依据电梯机房、井道的布置安全要求,经现场勘测土建工程,结果如下:根据以上勘测结果,该梯土建工程符合TSG T7001-2009《电梯监督检验和定期检验规则——曳引与强制驱动电梯》、GB 7588-2003《电梯制造与安装安全规范》和电梯设计文件的安全要求。
特此声明!勘测:年月日审核:年月日批准:年月日安装单位(公章或检验合格章)电梯安装监督检验申报审查资料目录(曳引与强制驱动电梯)文件编号:XXXX-XXX-2017报告编号:XXX电梯施工自行检查报告(适用:无机房曳引驱动电梯)使用单位名称使用单位地址管理部门联系人联系电话施工类别□安装□改造□重大维修施工单位联系人联系电话维护保养单位联系人应急救援电话(印制施工单位名称)填写说明1、本报告适用于无机房曳引驱动电梯的施工自行检查。
由检查人员按照《电梯监督检验和定期检验规则—曳引与强制驱动电梯》要求,正确、真实填写各个项目的检查情况及检查结果。
各栏应当填写齐全,不得出现空栏。
对于电梯改造、重大维修施工自行检查,应对改造和重大维修涉及的相关项目及其内容进行检查,其他项目按照定期检查要求进行,未涉及项目按“无此项”处理。
2、本报告可由计算机打印输出,也可用黑色或蓝色钢笔、签字笔填写,还可用印章填写。
单页内各种填写方式不得混用。
字迹应清晰、工整,语言应规范通顺,术语要标准,按法定的计量单位填写有关数据。
3、当报告中出现错误时允许杠改:将正确内容填写在其旁边,并在改动处由改动人签名和日期。
不可涂改、刮改,不可使原字迹模糊或者消失。
4术规范填写,或通过杠改在旁进行修正。
计算机打印输出时,应删除未选取项。
5、检查信息、设备参数应严格依照实际情况完整、详细选取、填写。
6、检查项目“检查结果”栏的填写:a、栏内注明计量单位的项目为要求测试数据项目,应在栏内记录实际测量数据,或在附表记录实际测量数据,并在栏内记录统计数据;数据填写值最少修约至标准要求的最小位数;b、未要求测试数据但有需要说明的项目,应当以简明扼要的文字说明;未要求测试数据且无需说明的项目,根据检查情况分别填写“符合”、“不符合”、“/”(表示无此项);c、既有测试数据要求又有定性要求的项目,除按a款要求填写数据外,还要按b款要求填写定性部分检查结果;d、遇特殊情况,可填写“因……(原因)未检”、“待检”、“见附表”等;有需要说明的项目,用简单文字说明现场检查状况;内容过多时,可填写“见附页XX”,并增加附页填写,附页至少应有一名检查人员签字确认。
钢结构电梯井施工方案一、编制依据1、施工图纸2、钢结构工程施工质量验收规范(GB50205-2001)3、电梯工程施工质量验收规范(GB50310—2002)4、建筑抗震加固技术规程(JGJ116—98)5、电梯制造与安装安全规范(GB7588)二、施工准备1、机械、工具准备现场所需机具电钻 2气割 1电焊机 4垃圾清理车 1卷扬机 1灭火器 2导链 22、材料准备槽钢钢板膨胀螺栓钢丝绳木方木板铁丝焊条三、施工工艺1、施工工艺流程材料进场、施工准备→测量放线→槽钢、钢板加工→钻孔、清孔→装钢板预理件→槽钢焊接→钢架焊接→防腐处理→全面检查→交接2、施工工艺(1)槽钢、钢板的加工,应根据实际尺寸制作,螺栓孔应按图示方法加工成孔。
(2)钢材表面处理:钢材表面用磨光机打磨,除去表面杂质、铁锈、油渍等物,喷或刷防锈漆三遍,安装前涂防锈底漆一遍,安装完毕涂防锈中漆一遍,防锈面漆一遍.钢材表面底层防锈漆处理后应存放在阴凉通风,防止日光直射,并杜绝火源。
(3)测量放线:严格按施工图纸、相关设计要求弹好墙体位置、螺栓孔位置、钢板、槽钢位置线,原则上每三层复测一次,减少测量误差.(4)为方便施工,在满足安全文明施工前提下可用钢管、木方和木板搭设简易操作平台,搭设时应严格注意不接触、碰撞电梯已完部分设施和各种构件。
(5)膨胀螺栓长度要根据现场实际尺寸量取、必须满足外露部分、满足电梯正常施工、安装、运行尺寸要求。
(6)焊接1)焊接材料的选择应按照施工图的要求选用,并应具有质量证明书或检验报告。
2)各种焊条必须按不同类别、型号或牌号分别在不同位置存放.存放焊材的仓库要求通风良好、干燥,库内应设置温度计和湿度计。
3)施焊前应复查装配质量和焊区的处理情况,当不符合要求时,应修整合格后方可施焊。
4)对接接头、自动焊角接接头及要求全熔透的焊缝,应在焊道的两端设置引弧和引出板,其材质和坡口形式应与焊件相同。
埋弧焊的引板引出焊缝长度应大于50mm,手工电弧焊和气体保护焊应大于20mm。
钢结构电梯井道施工方案XXX进行。
4.2材料设备准备4.2.1根据施工图纸和技术要求,提前准备好所需的钢材、焊接材料、电缆、电器设备等材料和设备,保证施工进度。
4.2.2对进场的材料和设备进行检查,确保质量符合要求,避免在施工过程中出现问题。
4.2.3对施工所需的机械设备进行检查和保养,确保设备完好,减少故障率。
5、施工方案5.1施工工艺5.1.1钢结构井道的施工分为制作、运输、吊装、安装、焊接等工序。
5.1.2钢结构井道各部位的尺寸、位置、高度等应符合设计要求,施工过程中应严格按照图纸要求进行施工。
5.1.3钢结构吊装时,应采用专业吊装设备,严格控制吊装速度和吊装高度,确保安全。
5.1.4钢结构的焊接应符合相关规范要求,焊接质量应得到保证。
5.2施工安全5.2.1施工现场应按照《施工现场临时用电安全技术规范》(46-2005)的要求进行临时用电,并做好安全防护措施。
5.2.2在施工过程中,应严格按照《建筑施工安全检查标准》(59—2011)的要求进行安全检查,确保施工安全。
5.2.3钢结构吊装时,应设置安全防护措施,防止吊装过程中发生意外。
6、施工质量控制6.1钢结构制作6.1.1钢材应符合设计要求,尺寸、质量应符合相关标准。
6.1.2制作过程中应注意防止变形、裂纹等质量问题。
6.1.3制作完成后应进行验收,验收合格后方可运输至现场。
6.2钢结构安装6.2.1吊装、安装前应进行检查,确保尺寸、位置、高度等符合设计要求。
6.2.2吊装、安装过程中应注意安全,严格控制吊装速度和高度。
6.2.3安装完成后应进行验收,验收合格后方可进行下一步工序。
7、施工进度控制7.1进度计划7.1.1制定详细的进度计划,明确各个工序的时间节点和工期目标。
7.1.2根据实际情况,及时调整进度计划,确保工程按时完成。
7.2进度监控7.2.1设立专门的监控小组,对施工进度进行监控和分析。
7.2.2及时发现进度偏差,采取措施加以纠正。
电梯钢结构井道施工方案一、项目概述本项目为某大型商业综合体内部电梯的新安装工程,涉及到电梯井道的建设和施工。
作为电梯的核心组成部分,井道的稳固性和安全性直接关系到电梯的正常运行和乘客的安全。
因此,针对电梯井道的施工方案,必须经过深入思考和精心设计,一步一步实施和跟进,确保其质量和效果。
二、井道的材料选择井道作为电梯的核心构造部分,必须具备承受电梯运行时所产生的压力、摩擦力和其他力量的能力。
因此,在材料选择方面,钢结构是一个很好的选择。
钢材在强度和耐用性方面比较出色,而且还易于加工和安装。
另外,它的重量较轻,可以减轻整个电梯系统的重量,提高整体结构的稳定性。
选择优质的钢材,并根据实际情况进行钢管的连接、焊接等处理,可以确保井道的稳定性和耐用性。
三、施工方案1. 工艺流程电梯井道的施工可以归纳为以下几个主要的工序:1.井道的基础施工2.钢结构搭建和焊接3.框架结构的加固4.井道的整体砌筑5.壁板安装6.安全门的安装2. 施工细节在施工中需要注意以下几个方面:1.基础施工:在基础施工中,要严格按照土方工程的要求进行打桩和浇筑混凝土。
同时还需要根据设计要求进行钢筋摆放和浇筑混凝土,确保井道的基础稳固,不受外力干扰。
2.钢结构搭建和焊接:在钢结构的搭建中需要严格按照设计要求进行处理,同时还需要使用优质的材料和设备,确保钢结构具备足够的强度和稳定性。
钢结构焊接时必须符合相关标准,确保焊接质量和稳定性。
3.框架结构的加固:通过模拟电梯运行的过程,根据运行时出现的力分析,对钢结构进行加固处理,确保井道的整体稳定性和强度。
4.井道的整体砌筑:在井道的整体砌筑中需要使用高强度的混凝土,并且还要进行特殊处理和隔音处理,以确保井道的密闭性和声音的隔离性。
5.壁板安装:在井道的壁板安装中需要注意开口和孔位的精准度,以确保电梯的门安装位置和整体结构的安全性。
6.安全门的安装:在安全门的安装中需要考虑到门的材料和强度,同时还要确保门的开启和关闭的灵敏度和安全性。
0 引言《中华人民共和国特种设备安全法》第二十一条要求:“特种设备出厂时,应当随附安全技术规范要求的设计文件、产品质量合格证明、安装及使用维护保养说明、监督检验证明等相关技术资料和文件,并在特种设备显著位置设置产品铭牌、安全警示标志及其说明。
”由此可见,电梯产品质量合格证明文件是电梯出厂时必不可少的随机文件。
一个符合要求的电梯产品质量合格证明文件不仅能准确反映电梯的内在质量,还能方便电梯使用单位检查核对产品,更有利于检验机构的检验工作开展。
但是相应的电梯法律法规及安全技术规范没对电梯产品质量合格证明文件作统一格式要求,因而各个电梯制造单位的产品质量合格证明文件在格式、内容上五花八门,百花齐放。
现就笔者在实际电梯监督检验过程中发现的关于产品质量合格证明文件不符合相关要求的几种情况进行探讨。
1 无设备代码问题《电梯监督检验和定期检验规则-曳引与强制驱动电梯》(TSG T7001-2009,含第1、2、3号修改单)(以下简称检规)于2020年1月1日正式实行,其对产品质量证明文件要求如下:“注有制造许可证明文件编号、产品编号、主要技术参数,限速器、安全钳、缓冲器、含有电子元件的安全电路(如果有)、可编程电子安全相关系统(如果有)、轿厢上行超速保护装置(如果有)、轿厢意外移动保护装置、驱动主机、控制柜的型号和编号,门锁装置、层门和玻璃轿门(如果有)的型号,以及悬挂装置的名称、型号、主要参数(如直径、数量),并且有电梯整机制造单位的公章或者检验专用章以及制造日期。
”由此可见,检规对产品质量合格证明文件是否标明设备代码没有要求,但是检规的附件B 电梯监督检验报告和附件C 电梯定期检验报告都要求填写设备代码。
2017年08月01日施行的《特种设备使用管理规则》(TSG 08-2017)附录b“特种设备使用登记表填写说明”b2.4项“设备代码”要求:“按照产品数据表上的内容填写,该代码具有唯一性。
如果该产品还没有实施编制设备代码,则使用单位可以不填写,由登记机关按照设备代码的编制要求[见《固定式压力容器安全技术监察规程》(TSG 21-2016)]填写,其中制造单位代号改为登记机关的行政区划代码(比制造单位代号多出一位)。
.word可编辑.电梯井钢结构工程名称:编制单位;日期:目录一、工程概况二、工程施工中的技术规范和标准三、施工机具和人员配备1施工机具2. 人员配备四、施工工序五、土建施工六、施工方案1. 工艺流程图2. 施工准备3. 钢结构构件制作、组装、检验4. 钢结构焊接、检验5. 钢结构安装、检验6. 钢结构防腐涂料涂装、检验7. 钢结构防火涂料涂装、检验七、钢结构质量施工管理八、钢结构安全施工管理九、钢结构环境保护文明施工管理一、工程概况1. 工程名称:2. 工程地点:3. 工程简介:本工程为高层钢结构电梯井道,钢柱为方管、主梁均采用工字钢;均采用高强度螺栓连接和焊接相结合;基础为钢筋混凝土基础,与柱连接为地锚螺栓连接。
井道长为7.4米,宽为2.7米,檐高66.9米,共18层。
二、施工中执行的技术标准、规程、规范1. 设计图纸及设计说明文件2. 《钢结构工程施工质量验收规范》( GB50205-2001 )3. 《建筑钢结构焊接技术规程》( JGJ81-2002 )4. 《钢结构制作工艺规程》( DBJ08-16-95 )5. 《结构工程质量检测评定标准》( GB50221-95 )6. 《钢结构高强度螺栓连接的设计、施工及验收规程》(JGJ82-91 )7. 《建筑工程施工质量验收统一标准》(GB50300-2001)&《压型金属板设计施工规程》(YBJ216-88 )9. 《涂装前钢材表面锈蚀等级和除锈等级》( GB8923)10. 《钢结构防火涂料应用技术规程》CECS24 90三、施工机具和人员配置(1 )工程扫尾(2 )交接验收(3)拆除施工设施五、土建施工土建已完成。
六、施工方案1. 流程图2. 施工准备(1)技术准备审查设计文件是否齐全合理,符合国家标准。
设计文件包括设计图,施工图,图纸说明和设计变更通知单等。
是否经过设计,校对,审核人员签字,设计院盖章,建设部门存档,监理单位核对,并由施工单位和建设单位会审签字。
钢结构电梯施工方案本工程是常营老年公寓1#、2#、3#电梯井的钢结构施工组织设计。
该工程共有三个电梯井道,分别为1#、2#、3#,采用H型钢作为钢柱和主梁,采用高强度螺栓连接和焊接相结合的方式,基础为钢筋混凝土基础,与柱连接为地锚螺栓连接。
井道长均为3.0米,宽均为2.5米,高均为21.25米,共10层。
在施工中,我们执行了以下技术标准、规程、规范:设计图纸及设计说明文件、《钢结构工程施工质量验收规范》(GB-2001)、《建筑钢结构焊接技术规程》(81-2002)、《钢结构制作工艺规程》(DBJ08-16-95)、《结构工程质量检测评定标准》(GB-95)、《钢结构高强度螺栓连接的设计、施工及验收规程》(82-91)、《建筑工程施工质量验收统一标准》(GB-2001)和《涂装前钢材表面锈蚀等级和除锈等级》(GB8923)。
我们配备了交流电弧焊机、汽车起重机、气割设备等主要施工机具,并配备了技术负责人、施工员、安检员、电焊工、安装工、电工、钳工、劳力工等人员。
在施工工序方面,我们先进行了生活设施施工、施工机具布置、材料进场存放和验收、技术准备等工作,然后进行钢结构制作组装和检验。
我们在施工中注重钢结构质量施工管理、安全施工管理和环境保护文明施工管理。
通过严格执行技术标准、规程、规范和配备专业人员和机具,确保了工程质量和安全。
1.钢材加工在进行钢结构加工前,需要进行钢材放样、下料和开孔等工作。
这些步骤需要按照设计图纸进行,确保加工出的钢材尺寸和形状符合要求。
2.切割和成型钢材加工完成后,需要进行切割和矫正成型,确保构件的尺寸和形状精确。
这些工作需要使用专业设备和工具,保证加工效率和质量。
3.构件组装和校正钢结构构件组装前,需要进行校正和检验,确保构件的尺寸和位置符合要求。
组装完成后,还需要进行第一遍防腐涂刷,以保护钢结构不受腐蚀。
4.焊接和检验钢结构的焊接需要进行严格的检验,确保焊接质量符合要求。
目录一、编制依据 (2)二、工程概况 (3)三、施工部署 (6)四、钢构件的卸车、堆放 (7)五、钢构件的安装工艺 (9)六、防火涂料施工 (12)七、质量管理目标与措施 (14)八、工程安全目标及措施 (16)钢结构安装专项施工方案一、编制依据1、《钢结构工程施工质量验收规范》GB50205-20012、《工程测量规范》GB50026-20073、《建筑钢结构焊接技术规程》JGJ81-20124、施工组织设计5、钢结构施工规范GB50755-20126、钢结构高强度螺栓连接技术规程JGJ82-20117、钢结构防火涂料GB14907-20028、钢结构用扭剪型高强度螺栓连接副GBT 3632-2008二、工程概况1、建筑概况本项目施工地点位于北京教育学院石景山分院内。
本工程为钢结构电梯井道,柱底标高-1.700米柱顶标高23.500米。
2、钢结构概况本工程为箱型钢梁柱的结构形式。
钢柱、梁采用Q345-B钢,其它所有钢材均采用Q235-B钢。
钢构件采用抛丸除锈,后喷2遍铁红环氧防锈底漆+1遍面漆,施工现场喷涂1遍防火涂料。
3、节点连接形式现场安装主要连接形式为栓接连接的方式。
4、加工及安装方式由于现场施工条件有限,尽量减少现场施工时的焊接等工作,故电梯井道钢梁柱在加工车间焊接成一整体,分成两段,第一段(下半段)高度14米,第二段(上半段)11米,钢结构单件构件自重大,第一段约9吨,第二段约7.5吨(构件分段图如下)。
所以采用100吨机械汽车吊吊装方式(吊装平面布置图如下);汽车吊尽量靠近吊装位置设置,由于进出施工现场通道狭窄,吊装空间有限,汽车吊与货车成90度摆放,以便于吊装,第一段吊装完成后,进行垂直、水平校正后再进行第二段吊装,第二段与第一段采用安装螺栓的连接方式,吊装就位后,用安装螺栓把两段用夹板锁住,然后进行水平与垂直校正,校正完毕后,现场焊接对接接口,焊接50%后可以拆卸吊钩,至此吊装完毕。
电梯钢结构井道安装质量证明文件一、引言电梯是现代城市中不可或缺的交通工具之一,其安全稳定的运行对于居民的出行和生活至关重要。
而电梯钢结构井道作为电梯安装的重要组成部分,其质量直接影响着电梯的安全性和稳定性。
为了确保电梯钢结构井道的安装质量,特编制此证明文件,以证明其质量可靠。
二、安装单位信息概述安装单位:XXXXX电梯工程有限公司地址:XXXXX三、安装质量控制措施1.选择优质材料:在钢结构井道安装过程中,安装单位将以国家标准为依据,选择优质的钢材和焊接材料,以确保材料的质量达到标准要求。
2.合理施工方案:安装单位将根据电梯的具体要求和井道的结构特点,制定合理的施工方案,并确保所有施工过程符合相关标准和规范。
3.专业技术人员参与:安装单位将派遣经验丰富、技术熟练的专业人员参与井道安装工作,以确保施工过程的安全和质量。
4.严格管理制度:安装单位将建立严格的安装管理制度,确保施工过程中的各项指标符合要求,并进行记录和备查。
5.质量检验:安装单位将对井道安装进行全过程的质量检验,确保施工质量合格,并在完成施工后对电梯进行全面测试和调试。
四、质量证明措施1.安装合同:安装单位与业主签订正式的安装合同,明确双方的权责,并约定质量要求和验收标准。
2.施工记录:安装单位将对钢结构井道的安装过程进行详细记录,包括施工人员、施工时间、使用材料、质量检验结果等内容,并由安装单位和业主共同签字确认。
3.质检报告:安装单位将委托第三方权威机构对钢结构井道的安装质量进行检测,并出具详细的质检报告。
4.质保承诺:安装单位将对安装所使用的钢结构井道给予质保期限,并承诺在质保期内对发现的问题进行免费维修和更换。
五、质量问题处理措施1.及时反馈:若在质保期内业主发现钢结构井道安装存在质量问题,安装单位将及时进行处理,并按照约定的时间和质量要求进行重新安装或修补。
2.责任追究:如若安装单位在钢结构井道安装过程中存在严重失误,导致电梯安全问题,安装单位将承担相应的经济赔偿责任,并接受有关部门的处罚。
工程施工合同合同号:合同签署地点:合同签署日期:甲方:乙方:依据《中华人民共和国合同法》及其它有关法律、法规,遵循平等、自愿、公平和诚实信用的原则,经充分协商并一致同意,签订本合同。
1.工程项目名称、施工内容、合同总价:1。
1工程项目名称: 楼新加电梯井道工程1。
2施工内容:电梯井道基础处理,屋面外处理及加固,钢结构井道制作、运输与安装,等工程。
同时要求乙方按照经甲方认可的施工图纸进行施工。
1。
3合同总价:RMB¥元(万仟佰拾元整)。
2.工期及施工地点:2。
1有效日历工期:合同签定并生效后30 天内完工。
2。
2施工地点:公司3、付款3.1付款方式:3.1。
1合同双方签字盖章后,甲方七天内向乙方支付合同总价的20%作为预付款;3。
1。
2乙方主钢架材料全部进场并开始安装七天内甲方支付合同总价的40%给乙方;3.1。
3 本合同范围内的施工内容经双方验收后,乙方办理结算,甲方审定完成后,甲方即支付至最终结算价格的95%给乙方,同时乙方开具全额建安发票;;3.1。
4 电梯安装完毕后,在甲乙双方无异议的前提下一次性支付剩余的5%。
4、保修与维护4。
1 工程的主体保修期为一年,自双方共同签署《工程验收合格单》次日起计算.4。
2保修期内乙方自备材料及乙方施工质量出现任何缺陷,乙方应在接到甲方通知之日起 24 小时内派技术人员到达现场进行维修或根据情况进行免费更换。
4。
3 如在保修期内出现多次故障使甲方足以对乙方工程质量产生不信任,甲方可以提出赔偿要求。
5、质量保证5.1乙方应保证所提供的材料是全新的、在交付时没有缺陷且符合甲方提出的技术标准及规范;乙方应严格执行现行施工规范及甲方的技术要求,确保工程质量达到甲方使用要求;主体结构工程质量保证期应符合设计文件规定的该工程合同使用年限。
5。
2如果由于工艺的复杂性或交付数量巨大,使得在交付时甲方无法对主材进行全面及时检验或由于主材缺陷的隐蔽性导致在交付时甲方未能查验出主材的质量瑕疵,那么,只要在交付后的保修期内甲方发现乙方提供的工程主材与前述标准或规范不符,甲方仍有权要求乙方修理或更换,修理、更换的费用以及由此引起的其他拆除、搬移及修复费用均由乙方承担。
观光电梯钢结构井道检验批一、前言观光电梯是现代建筑中常见的设施之一,其外观美观、功能实用,深受人们喜爱。
然而,在日常使用中,观光电梯的钢结构井道容易出现损坏或安全隐患,因此需要进行检验批。
本文将详细介绍观光电梯钢结构井道检验批的内容和要点。
二、检验批内容1. 检查井道壁面是否有裂缝或变形。
2. 检查井道内部是否有松动物品或其他异物。
3. 检查井道顶部和底部是否有渗水情况。
4. 检查井道门和门框是否完好无损。
5. 检查井道灯具和紧急通信设备是否正常运转。
6. 检查井道内通风系统是否正常运转。
7. 检查钢结构框架是否有变形或腐蚀情况。
三、检验批要点1. 安全第一。
在进行检验批时,应注意自身安全,并遵循相关安全规定。
2. 严格按照程序进行。
在进行检验批时,应按照规定的程序和标准进行,确保检验结果准确可靠。
3. 注意细节。
在进行检验批时,应注意细节问题,如井道内部是否有松动物品或其他异物等。
4. 及时处理问题。
在发现安全隐患或其他问题时,应及时进行处理或上报相关部门。
四、检验批流程1. 准备工作。
检验前应做好相应的准备工作,如准备检查设备和工具等。
2. 检查井道壁面。
使用手持式探伤仪等设备对井道壁面进行检查,发现裂缝或变形情况及时记录并拍照。
3. 检查井道内部。
进入井道内部进行检查,发现松动物品或其他异物及时清理,并记录下来。
4. 检查渗水情况。
使用水平仪等设备对井道顶部和底部进行检查,发现渗水情况及时记录并拍照。
5. 检查门和门框。
对井道门和门框进行检查,发现损坏情况及时记录并拍照。
6. 检查灯具和紧急通信设备。
对井道内的灯具和紧急通信设备进行测试,确保正常运转。
7. 检查通风系统。
对井道内的通风系统进行测试,确保正常运转。
8. 检查钢结构框架。
使用测量仪器等设备对钢结构框架进行检查,发现变形或腐蚀情况及时记录并拍照。
9. 汇总检验结果。
将检验结果进行汇总,并记录在检验报告中,如发现安全隐患或其他问题应及时处理或上报相关部门。