电梯安装质量证明书模版
- 格式:docx
- 大小:15.84 KB
- 文档页数:2
电梯售后服务和质量保证书一、售后服务电梯作为一种重要的交通工具,为人们的日常生活和工作提供了便利。
为了确保电梯的使用安全和性能稳定,我们公司将提供以下全面的售后服务:1.安装调试我们的专业团队将会在您购买电梯后进行安装和调试工作。
我们将确保电梯的安装过程符合相关标准和规定,并且确保电梯能够正常运行。
2.维护保养为了延长电梯的使用寿命,我们将定期对电梯进行维护保养工作。
这包括电梯的清洁、润滑、紧固件检查等。
我们的工作人员将保证维护保养工作的及时性和专业性。
3.故障维修如果电梯发生故障,我们将提供快速的维修服务。
我们拥有一支经验丰富的技术团队,能够迅速定位故障原因并进行修复。
我们将确保故障维修工作的及时性,以保证电梯的正常使用。
4.热线服务为了方便用户随时随地与我们进行联系,我们提供24小时热线服务。
用户可以随时拨打我们公司的热线方式,我们的客服人员将为您提供及时有效的帮助和支持。
二、质量保证为了确保电梯的安全可靠性能稳定,我们公司承诺提供以下质量保证:1.材料选用我们公司采用高质量的材料来制造电梯。
从电梯的主要构件到配件,我们都严格把关,确保材料的质量达到国家标准,并且能够满足用户的需求。
2.制造工艺我们公司拥有先进的生产设备和工艺技术,能够确保电梯的制造过程符合相关标准和规定。
我们将严格执行质量控制程序,确保每一台电梯都能够达到高品质的要求。
3.质量检测在电梯制造完成后,我们将进行严格的质量检测。
我们将对电梯的各项性能指标进行全面检测,确保电梯的运行安全和性能稳定。
4.质量认证我们的电梯产品符合国家相关标准和规定,并且通过了权威认证机构的检测和认证。
我们将为每一台电梯提供质量保证书,证明其符合标准和规定。
我们公司将以优质的售后服务和高品质的电梯产品来回报客户的信任与支持。
我们将不断提升自身的技术和管理水平,为用户提供更加安全可靠的电梯产品和服务。
期待与您携手合作,共创美好!。
电梯安装合同范本6篇篇1电梯安装合同范本甲方(安装单位):__________乙方(需安装单位):__________为明确电梯的安装服务内容、标准和责任,双方一致同意按照以下约定签订本合同:第一条安装服务内容1. 乙方委托甲方进行电梯的安装服务,并由甲方提供电梯设备、安装材料和设备销售合同。
2. 甲方应按照国家相关标准和要求,对电梯进行安全合格安装和调试,确保电梯的正常使用。
3. 电梯的具体类型、品牌、规格和数量,由甲方根据乙方的需求进行选定和提供。
第二条安装质量标准1. 甲方应按照国家相关标准和规定,保证电梯的安装质量符合安全标准和使用要求。
2. 电梯的安装过程中,如发现任何质量问题或安全隐患,甲方应立即采取措施进行整改,确保电梯的安全使用。
第三条安装费用及支付方式1. 乙方应按照合同约定支付电梯设备的采购费用、安装费用和调试费用。
2. 电梯设备的款项应在签订合同后的10个工作日内一次性支付完成。
第四条安装期限1. 甲方应按照合同约定的时间节点,完成电梯设备的采购、运输、安装和调试工作。
2. 如因不可抗力等客观因素导致安装延期,甲方应及时通知乙方并重新协商安排计划。
第五条保修责任1. 电梯安装工程结束后,甲方应向乙方提供12个月的保修期,保证电梯设备的正常使用。
2. 在保修期内,如电梯设备发生任何质量问题或故障,甲方应免费提供维修服务,并承担相应的费用。
第六条合同的解除与终止1. 若因一方原因导致无法履行合同的,对方有权解除合同,并要求违约方承担相应的违约责任。
2. 若因双方协商一致或不可抗力等原因导致合同无法履行,合同可通过书面协商解除。
第七条其他约定1. 本合同未尽事宜,双方可根据实际情况进行补充协商和约定。
2. 本合同一式两份,甲方和乙方各持一份,在安装完成后立即生效。
甲方(盖章):__________ 乙方(盖章):__________日期:__________ 日期:__________以上是电梯安装合同的基本范本,请双方根据实际情况进行具体约定和确认,确保双方权益得到充分保障。
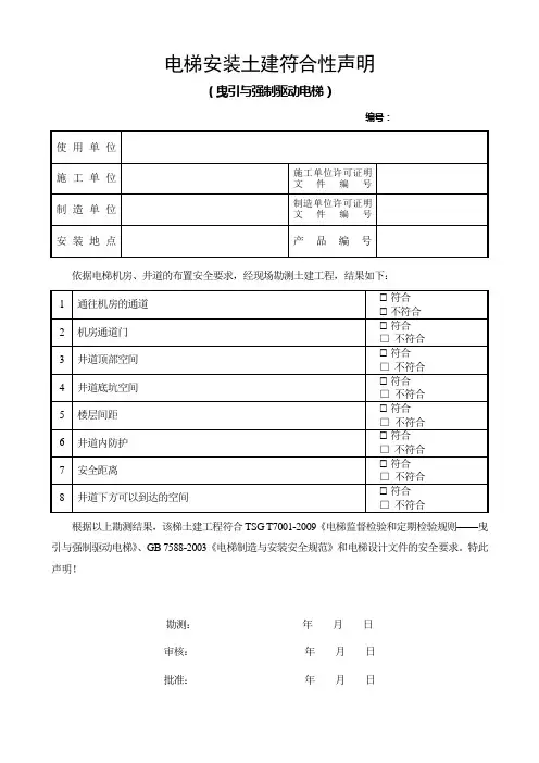
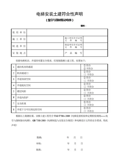
电梯安装土建符合性声明(曳引与强制驱动电梯)编号:依据电梯机房、井道的布置安全要求,经现场勘测土建工程,结果如下:根据以上勘测结果,该梯土建工程符合TSG T7001-2009《电梯监督检验和定期检验规则——曳引与强制驱动电梯》、GB 7588-2003《电梯制造与安装安全规范》和电梯设计文件的安全要求。
特此声明!勘测:年月日审核:年月日批准:年月日安装单位(公章或检验合格章)电梯安装监督检验申报审查资料目录(曳引与强制驱动电梯)文件编号:XXXX-XXX-2017报告编号:XXX电梯施工自行检查报告(适用:无机房曳引驱动电梯)使用单位名称使用单位地址管理部门联系人联系电话施工类别□安装□改造□重大维修施工单位联系人联系电话维护保养单位联系人应急救援电话(印制施工单位名称)填写说明1、本报告适用于无机房曳引驱动电梯的施工自行检查。
由检查人员按照《电梯监督检验和定期检验规则—曳引与强制驱动电梯》要求,正确、真实填写各个项目的检查情况及检查结果。
各栏应当填写齐全,不得出现空栏。
对于电梯改造、重大维修施工自行检查,应对改造和重大维修涉及的相关项目及其内容进行检查,其他项目按照定期检查要求进行,未涉及项目按“无此项”处理。
2、本报告可由计算机打印输出,也可用黑色或蓝色钢笔、签字笔填写,还可用印章填写。
单页内各种填写方式不得混用。
字迹应清晰、工整,语言应规范通顺,术语要标准,按法定的计量单位填写有关数据。
3、当报告中出现错误时允许杠改:将正确内容填写在其旁边,并在改动处由改动人签名和日期。
不可涂改、刮改,不可使原字迹模糊或者消失。
4术规范填写,或通过杠改在旁进行修正。
计算机打印输出时,应删除未选取项。
5、检查信息、设备参数应严格依照实际情况完整、详细选取、填写。
6、检查项目“检查结果”栏的填写:a、栏内注明计量单位的项目为要求测试数据项目,应在栏内记录实际测量数据,或在附表记录实际测量数据,并在栏内记录统计数据;数据填写值最少修约至标准要求的最小位数;b、未要求测试数据但有需要说明的项目,应当以简明扼要的文字说明;未要求测试数据且无需说明的项目,根据检查情况分别填写“符合”、“不符合”、“/”(表示无此项);c、既有测试数据要求又有定性要求的项目,除按a款要求填写数据外,还要按b款要求填写定性部分检查结果;d、遇特殊情况,可填写“因……(原因)未检”、“待检”、“见附表”等;有需要说明的项目,用简单文字说明现场检查状况;内容过多时,可填写“见附页XX”,并增加附页填写,附页至少应有一名检查人员签字确认。
电梯验收意见书尊敬的项目负责人:您好!经过我们专业验收团队对贵公司新建电梯的验收工作,我们在此致《电梯验收意见书》如下:一、总体情况评估1. 从技术角度来看,贵公司新建电梯的制作工艺和设备质量都较为优秀,符合国家相关标准及规范的要求。
2. 贵公司所提供的资料完整齐备,证明了电梯的安装过程、试验及验收全过程的各个环节都经过了严格把关。
二、技术指标方面1. 贵公司新建电梯的承载能力、额定速度等技术指标,符合国家规定的相关标准,完全适应了大楼内人员及物品的需求,质量可靠。
2. 贵公司设计制作的电梯的电控设备安全可靠、灵敏度高,用户操作方便简单。
三、安全性评估1. 贵公司新建电梯的防护装置齐全,电磁制动、过载保护等各个安全装置都配置合理,能够保障乘客和设备的安全。
2. 贵公司的电梯安装过程中考虑到了各种风险因素,配备了灭火装置和紧急通风系统,对于火灾和烟雾等突发险情有有效的处理能力。
四、外观设计和舒适度评估1. 贵公司新建电梯的外观设计风格简洁大方,与大楼的整体风格相协调。
2. 电梯的内部装修材料选用稳定,符合环保要求,没有异味,并且铺设了舒适的地板,确保乘客的舒适感。
五、综合评估根据以上对贵公司新建电梯的各项评估,我们认为贵公司制造的电梯技术指标较高,安全性能优良,外观设计合理,舒适度较高,能够满足用户的需求。
然而,我们也依据对贵公司新建电梯的验收评估工作中发现的一些小问题,提出以下改进建议:1. 在电梯内部增设紧急通信装置,以提高紧急情况下的反应速度和乘客的安全保障。
2. 加强对电梯使用及维护方面的培训,提高用户的使用意识和维护能力。
3. 检测和防范电梯运行过程中的噪音和振动问题,保障乘客的舒适体验。
以上仅为我公司对贵公司新建电梯的初步评估结果,希望贵公司能够积极采纳改进建议,进一步优化电梯的使用体验,并确保更高的安全性能。
我们根据国家相关标准发出了电梯验收意见书,并将其归档。
如有疑问,欢迎贵公司随时与我们联系。
电梯验收安装合同模板甲方:(甲方单位或个人名称)乙方:(乙方单位或个人名称)鉴于甲方为(填写单位或个人基本情况),拟安装电梯设备,经乙方认真履行合同约定的义务,根据《中华人民共和国合同法》,乙方与甲方就电梯的安装验收签订本合同,按照平等自愿、公平合理的原则,友好协商,通过协商,取得一致意见,达成如下协议:第一条电梯的规格、型号及数量1. 电梯设备:(填写电梯设备的具体型号和规格)2. 设备数量:(填写设备数量)第二条安装地点1. 电梯设备安装地点:(填写安装地点)2. 安装工程范围:(填写具体安装的楼层范围)第三条安装验收期限1. 本合同签订之日起____个工作日内完成电梯设备的安装2. 乙方需在____工作日内进行电梯设备的验收工作第四条安装验收标准1. 电梯设备的安装应当符合国家有关规定和标准,达到相关技术指标。
2. 安装过程中,应当保证施工质量,保证安装工程的安全、稳定。
3. 安装验收合格后,乙方应当出具安装验收报告。
第五条安装验收费用1. 乙方承担电梯设备的全部安装费用。
2. 乙方应当在验收合格后,向甲方提供正式的发票。
第六条风险责任1. 电梯设备在安装过程中发生损坏或事故,由乙方承担相应的责任。
2. 若因甲方原因导致设备安装延迟或验收不合格,由甲方承担相应的责任。
第七条违约责任1. 若一方违反本合同约定,应当承担相应的违约责任。
2. 若乙方未能按照约定期限完成安装和验收工作,应当支付甲方违约金。
第八条知识产权1. 电梯设备的知识产权归乙方所有。
2. 甲方在安装和使用过程中,应当尊重乙方的知识产权。
第九条保密协议1. 甲、乙双方在本合同的履行过程中,应当保守双方的商业秘密,不得向第三方透露。
第十条合同变更1. 若需变更本合同的内容,应当经双方协商一致,签订书面协议。
第十一条法律适用和争议解决1. 本合同的解释和执行均适用中华人民共和国法律。
2. 本合同的争议如不能通过友好协商解决,则提交____仲裁机构仲裁。
电梯安装土建符合性声明(曳引与强制驱动电梯)编号:使用单位施工单位施工单位许可证明文件编号制造单位制造单位许可证明文件编号安装地点产品编号依据电梯机房、井道的布置安全要求,经现场勘测土建工程,结果如下:1 通往机房的通道□符合□不符合2 机房通道门□符合□不符合3 井道顶部空间□符合□不符合4 井道底坑空间□符合□不符合5 楼层间距□符合□不符合6 井道内防护□符合□不符合7 安全距离□符合□不符合8 井道下方可以到达的空间□符合□不符合根据以上勘测结果,该梯土建工程符合TSG T7001-2009《电梯监督检验和定期检验规则——曳引与强制驱动电梯》、GB 7588-2003《电梯制造与安装安全规范》和电梯设计文件的安全要求。
特此声明!勘测:年月日审核:年月日批准:年月日安装单位(公章或检验合格章)电梯安装监督检验申报审查资料目录(曳引与强制驱动电梯)安装地点:电梯产品编号:资料分类号资料名称数量资料编号备注1. 制造资料1-1 制造许可证明文件份1-2 电梯整机型式试验证书份1-3 产品质量证明文件份1-4安全保护装置和主要部件的型式试验合格证门锁装置份限速器份安全钳份缓冲器份含有电子元件的安全电路份可编程电子安全相关系统份轿厢上行超速保护装置份轿厢意外移动保护装置份驱动主机份控制柜份层门份玻璃轿门份调试证书限速器份渐进式安全钳份1-5 电气原理图动力电路图份连接电气安全装置的电路图份1-6 安装使用维护说明书份2. 安装资料2-1 特种设备安装改造维修告知单、许可证份2-2 施工方案份2-3 施工现场作业人员的特种设备作业人员证份2-4 电梯安装土建符合性声明份其他电梯制造单位委托施工证明份我公司特此声明:提供的上列文件、资料真实有效、与实物完全一致。
施工单位提交人:(施工单位公章或检验专用章)日期:年月日经审查,该公司提供的上列资料(□符合□第项不符合)《电梯监督检验和定期检验规则—曳引与强制驱动电梯》(TSG T7001-2009)要求。
电梯安全质量证明书模板-范文模板及概述示例1:标题:电梯安全质量证明书模板引言:电梯是现代化社会中必不可少的交通工具之一,它的安全性和质量对于人们的生活和工作至关重要。
为了确保电梯的安全运行和用户的利益,电梯安全质量证明书的编制和使用具有重要意义。
以下是一份电梯安全质量证明书的模板,供参考和使用。
模板:电梯安全质量证明书第一部分:基本信息1. 电梯制造商:__________2. 电梯型号:__________3. 质量监督机构:__________4. 电梯安全性能等级:__________5. 证书编号:__________第二部分:安全性能评估1. 电梯安全性能测试结果:__________2. 电梯各功能部件的安全性能评估结果:__________3. 电梯载重试验结果:__________4. 电梯运行速度检测结果:__________第三部分:质量管理措施1. 原材料采购管理:__________2. 生产工艺和工序管理:__________3. 质量抽检和检测流程:__________4. 故障排除及维护管理:__________5. 售后服务及客户满意度调查:__________第四部分:附加信息1. 过往安全事故情况:__________2. 电梯维护保养记录:__________3. 安全标志和标识的配置情况:__________结尾:本证明书确认了该电梯制造商在质量管控、安全性能评估和售后服务方面的良好表现,并充分对该制造商的电梯进行了检测和评估。
该证明书有效期为__________,在此期间,制造商将保证电梯的安全运行和质量标准的符合。
附注:根据相关法律法规和标准要求,如有证件过期或者安全事故发生,应立即联系电梯制造商或者相关部门,并及时处理。
以上是一份电梯安全质量证明书的模板,可以根据具体情况进行修改和补充。
使用该证明书有助于确保电梯的安全性和质量,为用户提供安心和便捷的出行环境。
居民电梯安装验收报告
尊敬的相关部门领导:
根据您的要求,我们进行了居民电梯的安装验收工作,并现将结果报告如下:
1. 安装情况:
我们按照相关技术要求和设计图纸进行了电梯的安装工作。
安装过程中,我们严格遵守了安全操作规程,并完成了电梯质量检验和性能测试。
2. 质量认证:
我们采用了优质的材料和零部件,确保电梯的质量符合国家
标准和行业要求。
在安装完成后,我们对电梯进行了全面检查和测试,确保了其运行的可靠性和安全性。
3. 安全功能:
电梯安装完成后,我们对其各项安全功能进行了测试和验证。
包括但不限于紧急制动系统、限速器、行程开关、门锁系统等。
所有功能都正常运行并符合国家相关标准。
4. 运行测试:
安装完毕后,我们对电梯进行了运行测试,包括载荷测试、
速度测试、停靠测试等。
测试结果显示电梯在各项指标上均符合预期,正常运行稳定,能够满足用户需求。
5. 安全标识和警示:
我们对电梯进行了必要的安全标识和警示标识的安装,确保用户能够清楚地了解电梯的安全操作程序和风险提示。
所有标识和警示牌的布置符合相关规定。
6. 附加设备和功能:
按照设计要求,我们还安装了电梯的附加设备和功能,如紧急电话、视频监控系统等。
这些设备能够提供额外的安全性和方便性,为用户提供更好的使用体验。
基于以上报告,我们认为电梯的安装工作已经顺利完成,并符合相关的要求和规定。
我们将持续关注电梯的运行情况,并定期进行维护和检查,确保其安全可靠的运行。
感谢您对我们工作的支持与关注!
此致
敬礼。
安装质量证明书第一篇:电梯安装质量证明书电梯安装质量证明书使用单位:湖南立发釉彩科技有限公司联系人:梁梦林电话:*****制造单位:美迪斯电梯制造日期:2014 年08 月22日施工单位:常德市格瑞特电梯有限责任公司施工单位许可证号:ts***-*****-2014施工类别:■安装□改造□重大维修施工合同编号:m*****zt1 设备名称:□曳引式客梯■曳引式货梯□观光电梯□病床电梯□无机房客梯□无机房货梯□汽车电梯规格型号:wr3000产品编号:m*****安装地点:湘潭市岳塘区竹埠港使用单位内部编号:1额定载重量:3000kg层站门:4 层4站4 门额定速度:0.5m/s控制方式:集选竣工日期:2014年10 月18日该电梯由本单位技术部安装人员负责安装,特此证明安装质量符合电梯安全技术规及tsgt7001-2014《电梯监督检验和定期检验规则-曳引与强制驱动电梯》的规定和电梯涉及件的要求。
单位法人代表(签字):技术负责人(签字):施工单位地址:湖南省常德市武陵区朝阳北路烟草物流中心原办公楼电话号码:***-*****传真号码:***-*****施工单位(盖章)2014年10 月20日第二篇:锅炉安装质量证明书锅炉安装质量证明书锅炉使用单位:中牟县天池大众洗浴中心锅炉名称、类别及型号:wns1—1.0—y、q产品出厂编号:gn106单位内编号:锅炉安装地址:中牟县官渡大街中段安装许可证:(豫质监锅)授字第(470)号该台锅炉由本安装单位负责安装,特此证明安装质量符合锅炉安全技术规的相关规定。
(安装单位公章)日期:年月日安装单位名称:开封市高健锅炉有限公司地址:开封市汉兴路与集英街交叉口向西600米电话:***-***** 单位法定代表人(签章)技术负责人(签章)第三篇:容器安装质量证明书压力容器安装质量证明书建设单位:施工单位:设备名称:产品编号:设备种类:施工类别:年月日压力容器安装记录产品名称:产品编号:建设单位代表:安装单位代表:年月日年月日液面计、压力表、安全阀、温度计安装记录建设单位代表:安装单位代表:年月日年月日压力试验检验(更多请关注w.haowr.o)记录□ 液压□ 气压□ 气密性产品编号:第四篇:安装质量证明书安装质量证明书安装质量证明书压力容器安装质量证明书压力容器使用单位:压力容器名称、类别及型号:产品出厂编号:单位内编号:压力容器安装地址:安装许可证:该台压力容器由本安装单位负责安装,特此证明安装质量符合压力容器安全技术规的相关规定。
规格参数该电梯由本单位负责安装,特此证明安装质量符合电梯安全技术规范及(GT7001-2009)《电梯监督检验和定期检验规则—曳引与强制驱动电梯》安装和电梯设计文件的要求。
怡达快速电梯有限公司规格参数该电梯由本单位负责安装,特此证明安装质量符合电梯安全技术规范及(GT7001-2009)《电梯监督检验和定期检验规则—曳引与强制驱动电梯》安装和电梯设计文件的要求。
怡达快速电梯有限公司规格参数该电梯由本单位负责安装,特此证明安装质量符合电梯安全技术规范及(GT7001-2009)《电梯监督检验和定期检验规则—曳引与强制驱动电梯》安装和电梯设计文件的要求。
怡达快速电梯有限公司规格参数该电梯由本单位负责安装,特此证明安装质量符合电梯安全技术规范及(GT7001-2009)《电梯监督检验和定期检验规则—曳引与强制驱动电梯》安装和电梯设计文件的要求。
怡达快速电梯有限公司规格参数该电梯由本单位负责安装,特此证明安装质量符合电梯安全技术规范及(GT7001-2009)《电梯监督检验和定期检验规则—曳引与强制驱动电梯》安装和电梯设计文件的要求。
怡达快速电梯有限公司规格参数该电梯由本单位负责安装,特此证明安装质量符合电梯安全技术规范及(GT7001-2009)《电梯监督检验和定期检验规则—曳引与强制驱动电梯》安装和电梯设计文件的要求。
怡达快速电梯有限公司规格参数该电梯由本单位负责安装,特此证明安装质量符合电梯安全技术规范及(GT7001-2009)《电梯监督检验和定期检验规则—曳引与强制驱动电梯》安装和电梯设计文件的要求。
怡达快速电梯有限公司规格参数该电梯由本单位负责安装,特此证明安装质量符合电梯安全技术规范及(GT7001-2009)《电梯监督检验和定期检验规则—曳引与强制驱动电梯》安装和电梯设计文件的要求。
怡达快速电梯有限公司规格参数该电梯由本单位负责安装,特此证明安装质量符合电梯安全技术规范及(GT7001-2009)《电梯监督检验和定期检验规则—曳引与强制驱动电梯》安装和电梯设计文件的要求。
施工外用电梯安装验收记录一、基本信息2.安装位置:施工现场3.安装单位:XXX安装公司4.验收日期:20XX年XX月XX日二、施工外用电梯安装情况1.安装单位XXX安装公司按照设计方案和相关技术要求,对本项目的施工外用电梯进行了安装。
2.安装过程中,安装人员严格按照操作规程进行操作,确保施工外用电梯安全可靠。
3.安装单位对施工外用电梯的各项参数进行了检测和调试,确保其达到设计要求,满足相关标准和规范的要求。
三、施工外用电梯验收记录1.施工外用电梯的基本参数、外观和配置满足设计要求,符合相关标准和规范的要求。
2.施工外用电梯的整体结构牢固,安装稳定,没有明显的松动或损坏情况。
3.施工外用电梯的运行效果良好,平稳无噪音,操作方便,符合相关标准和规范的要求。
4.施工外用电梯的各项安全装置正常工作,能够及时有效地发现和排除安全隐患。
5.施工外用电梯的电气系统安装正确,接地可靠,电气线路清晰可见,并符合相关标准和规范的要求。
6.施工外用电梯的防护装置完好,包括轿厢门、井道门、门锁等,能够有效保护乘客和工作人员的安全。
7.施工外用电梯的悬挂装置和导轨系统安装正确,运行平稳无偏摆,能够承受额定载荷。
8.施工外用电梯的紧急救援设备齐全,易于操作,符合相关标准和规范的要求。
四、安装不符合要求的问题及处理情况1.在验收过程中,发现施工外用电梯存在以下问题:(列举具体问题)。
2.针对上述问题,安装单位XXX安装公司采取以下措施进行处理:(具体处理方法)。
3.经过处理,上述问题已得到解决,并重新进行了验收,现符合相关标准和规范的要求。
五、验收结论1.经过验收,施工外用电梯的安装符合设计要求,满足相关标准和规范的要求,可以投入正常使用。
2.施工外用电梯的安装单位XXX安装公司的施工质量及施工操作均符合相关标准和规范的要求,具备良好的安全性能和可靠性。
3.在使用过程中,应加强维护保养,定期进行检查,确保施工外用电梯的安全运行。
电梯安装质量证明书甲方:(甲方公司名称)乙方:(乙方公司名称)鉴于甲方作为电梯的安装方,乙方作为电梯的业主,双方为了确保电梯安装质量,明确双方的权利和义务,特制定本质量证明书。
第一条电梯安装工程概况1.1 工程名称:(电梯工程名称)1.2 工程地点:(电梯安装地址)1.3 工程规模:(电梯数量及类型)1.4 工程合同金额:(合同金额)第二条甲方权利和义务2.1 甲方的权利2.1.1 对电梯安装工程进行监督和检查,确保工程质量符合国家标准和行业规定。
2.1.2 对乙方的违约行为要求赔偿,包括但不限于工程质量问题、延期交付等问题。
2.2 甲方的义务2.2.1 按照合同约定的时间和质量要求完成电梯安装工程。
2.2.2 对电梯安装过程中出现的问题及时进行整改,确保工程顺利进行。
2.2.3 提供电梯安装工程所需的全部技术资料和文件,确保电梯的正常使用。
第三条乙方权利和义务3.1 乙方的权利3.1.1 对甲方的电梯安装工程进行监督和检查,确保工程质量符合国家标准和行业规定。
3.1.2 对甲方的违约行为要求赔偿,包括但不限于工程质量问题、延期交付等问题。
3.2 乙方的义务3.2.1 按照合同约定的时间和质量要求提供电梯安装工程所需的场地、设备、材料等。
3.2.2 按照合同约定的付款方式及时支付合同款项。
3.2.3 协助甲方完成电梯安装工程的相关手续,确保电梯的正常使用。
第四条赔偿方式和免责条件4.1 甲乙双方因违约行为导致损失的,应按照合同约定和法律规定承担赔偿责任。
4.2 甲方在电梯安装过程中因不可抗力无法履行合同的,甲方不承担赔偿责任。
4.3 甲方在电梯安装过程中因故意或者重大过失造成乙方损失的,甲方应承担相应的赔偿责任。
第五条争议解决5.1 双方在履行合同过程中发生的争议,应首先通过友好协商解决;协商不成的,可以向合同签订地的人民法院提起诉讼。
第六条合同的生效、终止和解除6.1 本合同自双方签字盖章之日起生效,至电梯安装工程验收合格并交付乙方之日起终止。