泰和安主机说明书
- 格式:pdf
- 大小:1.59 MB
- 文档页数:52
TX3016操作说明
主机报火警处理流程:
复位主机,按"复位"密码"1111"确认
复位如果再报火警则按“消音”消音,
然后通知维修人员处理。
(如果是手报或
消火栓按钮误操作报警,应复位手报复
位卡座再进行主机复位)。
登记运行记录。
主机报故障:有故障声(救护车声)或故障灯(黄灯)亮,按“故障查看”查看是何种故障。
1) 电源故障:市电故障或备电故障。
如果是市电故障,请检查一下电
源是否正常,或是停电。
如果是备电故障,请与维保公司或设备厂家联系;
如是停电请注意:停电发生后八小时内关闭系统内电源主电、备电开关,
以免损坏电池。
2)设备故障:请操作人员对照竣工图找到发生故障的地址,记录下
来。
先把该点故障屏蔽,屏蔽方法请进入系统管理菜单(其方法为:按“屏
蔽”密码1111,把输入故障的编码序号(8位数),按“F1”屏蔽,按“取
消”退出即可,然后尽快找维保公司或厂家来解决。
第一章操作盘指示灯说明一、指示灯说明:·主电正常灯:绿色,电源供电工作时此灯点亮;·主电故障灯:黄色,电源掉电或电源损坏此灯亮,电源恢复正常后此灯熄灭;·备电正常灯:绿色,备电连接正常时此灯点亮;·备电故障灯:黄色,备用电源出现故障时,此灯亮,备用电源故障排除后此灯熄灭;·火警灯:红色,此灯亮表示控制器检测到外接探测器处于火警状态,具体信息见液晶显示,火警排除后,按“复位”键此灯熄灭;·故障灯:黄色,此灯亮表示控制器检测到探测器、模块、火灾显示盘、主备电等有故障或控制器本身出现故障,具体故障信息见液晶显示,排除后此灯自行熄灭;·屏蔽灯:黄色,有设备处于屏蔽状态时此灯亮·系统故障灯:黄色,当主机发生系统故障时此灯亮;·声光警报器启动灯:红色,声光警报器启动点亮该指示灯亮;当系统复位或按下声光警报器的“启/消”键后,声光警报器停止声,此灯灭;·声光警报器故障灯:黄色,表示声光警报器本身出现故障此灯亮,排除后此灯自行熄灭;·声光警报器屏蔽灯:黄色,表示声光警报器本身被屏蔽掉此灯亮,当系统解除屏蔽后,此灯熄灭;·火警传输设备启动灯:红色,只要有火警信号输入,火警传输设备启动,点亮该指示灯亮;当系统复位后,此灯熄灭;·火警传输设备故障灯:黄色,此灯亮表示主机所连接的火警传输设备本身出现故障,排除后此灯自行熄灭;·火警传输设备屏蔽灯:黄色,此灯亮表示主机所连接的火警传输设备本身被屏蔽掉,当解除屏蔽后,此灯熄灭;·联动禁止灯:此灯亮红色表示满足联动条件后,系统不允许对联动设备进行联动操作;·手动允许灯:此灯亮绿色表示可通过手动直接操作总线联动操作键或直接启动操作键对联动模块或联动设备进行直接启动和停止的操作;·自动允许灯:此灯亮绿色表示当满足联动条件后,系统自动对联动设备进行联动操作;·消音灯:红色,当控制器发出报警音响时,按“消音”键,消音指示灯点亮,扬声器终止发出警报,如有新的警报发生时,消音指示灯熄灭,扬声器再次发出警报声;·联动操作盘启动指示灯:当联动判断所对应的设备发生联动启动或手动启动后,此灯亮,若启动10秒后,所启动的设备无反馈时,此灯闪亮。
消防系统管理三流程——设备操作流程(泰和安-JB-QGL-TX3032A)注意:根据各项目消防主机品牌对操作流程操作自行调整。
一、联动型消防系统操作示意图1、消防主机处置火情操作示意图(泰和安-JB-QGL-TX3032A)消防主机联动设备处置火警操作指引①确认现场发生火警为火情信息②按“消音”键设备运行状态转换操作指引③如消防主机在“禁止”状态,须操纵至“允许”状态,“允许”指示灯亮起。
2、多线控制盘操作示意图(泰和安-JB-QGL-TX3032A)在处置火情事件时,如被控制的主要消防设备未动作,可在多线控制盘进行直启手动操作。
多线控制盘启动操作指引①多线控制盘“手动方式”操作至允许状态,“允许”指示灯亮起消火栓泵启动操作指引②手动直接启动消火栓泵“启动”键,“启动”与“反馈”指示灯先后亮起,证明设备正常动作。
喷淋(雨淋、预作用、水炮、水幕、细水雾)水泵启动操作指引③手动直接启动喷淋泵“启动”键,“启动”与“反馈”指示灯先后亮起,证明设备正常动作启动正压送风风机操作启动消防排烟风机操作④手动启动失火单元或防火分区正压送风风机⑤手动启动失火单元或防火分区消防排烟风机“启动”键,“启动”与“反馈”指示灯先后亮起“启动”键,“启动”与“反馈”指示灯先后亮起3、总线控制盘操作示意图在处置火情事件时,如控制的消防设备未动作,可在总线控制盘进行手动操作。
①按动主界面“联动模式”键②按屏幕下方“上下键”功能③按屏幕中第2选项“设置手动控制状态”按确认键显示“操作已完成”防火卷帘门下降操作指引在总线控制盘面板上找到控制防火卷帘门按键区域,选择失火区域的防火卷帘门按键按下“操作”键,“启动”与“反馈”指示灯先后亮起,控制屏显示为“防火卷帘门动作”电梯迫降操作指引在总线控制盘面板上找到控制电梯按键区域,选择失火区域的电梯按键按下“操作”键,“动作”与“反馈”指示灯先后亮起,控制屏显示为“电梯迫降”应急照明切换操作指引在总线控制盘面板上找到控制应急照明按键区域,选择失火区域的应急照明按键按下“操作”键,“动作”与“反馈”指示灯先后亮起,控制屏显示为“强切间切电”4、消防设备测试操作示意图(泰和安-JB-QGL-TX3032A)消防控制室启动XX栋楼非消防电源强切功能指引①将消防主机进入“系统界面”②进入“运行模式”,进入“调试”模式确认③按“菜单”键“上下”键选择系统设置,选择10模拟火警④输入测试二次码⑤如:输入70683321号⑥按F1启动消防控制室启动XX防火分区卷帘门下降功能指引跟应急、强切、等操作方式雷同消防控制室启动XX 栋楼(防火分区)正压送风风机指引①在控制盘上将钥匙设置为“允许”状态②启动待测试XX 栋楼(防火分区)正压送风机消防控制室启动XX 防火分区消防排烟风机指引①在控制盘上将钥匙设置为“允许”状态②启动待测试XX 栋楼(防火分区)消防排烟机消防控制室启动(室内外)消火栓泵指引①在控制盘上将钥匙设置为“允许”状态②启动待测试消火栓泵(泵房现场安排人员复位)消防控制室启动喷淋泵指引①在控制盘上将钥匙设置为“允许”状态②启动待测试喷淋泵(泵房现场安排人员复位)消防控制室启动XX栋楼(防火分区)消防疏散广播指引①控制盘运行方式调到“允许”状态②进入“设置界面”,点击7进入“设置手动启停设备模式③点击“允许”、“确认”④手动方式“允许”灯亮⑤按下该区域广播按钮,动作后“工作”灯亮5、消防设备故障屏蔽及修复解除屏蔽操作示意图消防设备故障状态,设备屏蔽操作指引①控制板处操作“屏蔽”键输入故障设备回路号、地址码,设备类型按“F1”键完成消防设备故障修复后,设备屏蔽解除操作指引①控制板处操作“取消屏蔽”键输入设备回路号、地址码、设备类型编号选按F1键完成二、电气火灾报警设备操作流程图(泰和安-TE3004)电气火灾监控系统具有火灾预警功能,只能进行监视,无控制设备功能,将异常信息报工程组人员现场查看,并进行检测、维修,检修后正常后按下复位键输入密码1357确认异常报警点按下消音键三、防火门监控设备操作流程图(泰和安:TX3820G)该系统具有防火门状态监视功能,只能进行监视,无控制设备功能,将异常信息报安全组人员现场查看异常状态消除后,将主机复位(跟电气火灾监控设备雷同)确认异常报警点按下消音键四、气体灭火设备操作流程图(泰和安-JB-QGL-TX3032A)确认火警信息按下消音键控制室主机操作:确认真实火情后点击手/自动转换按钮现场手动按钮操作敲碎玻璃按启动。
泰和安1480广播主机使用说明引言:泰和安1480广播主机是一款功能强大的设备,能够提供高质量的广播服务。
本文将详细介绍如何正确使用该广播主机,以确保您能充分发挥其功能。
一、外观与连接:泰和安1480广播主机外观简洁大方,操作便捷。
在使用之前,请确保已正确连接电源线和天线。
电源线应插入电源插座,天线应连接到天线接口。
确保连接牢固可靠,以避免信号干扰或设备损坏。
二、开机与设置:1. 打开广播主机的电源开关,待指示灯亮起后,系统即可启动。
2. 进入设置界面,您可以根据需要进行频道设置、音量调节、音效选择等操作。
通过菜单键和方向键进行导航,确认键进行选择。
请注意,不要随意更改其他设置,以免影响正常使用。
三、频道设置:1. 在设置界面中,选择频道设置选项。
2. 输入您想要设置的频道号码,确保频道号码正确无误。
3. 确认频道设置后,返回主界面即可。
四、音量调节:1. 在设置界面中,选择音量调节选项。
2. 通过方向键上下调整音量大小,确认键进行确认。
3. 根据需要调整音量大小,确保音量适中,不会影响周围环境。
五、音效选择:1. 在设置界面中,选择音效选择选项。
2. 根据个人喜好选择不同的音效模式,如普通、摇滚、古典等。
3. 确认音效选择后,返回主界面即可。
六、广播操作:1. 在主界面中,选择广播操作选项。
2. 输入您想要广播的内容,可以是文字、音乐等。
3. 确认广播内容后,按下确认键即可开始广播。
七、其他功能:泰和安1480广播主机还具有其他实用功能,如定时广播、录音等。
您可以根据需要在设置界面中进行相应的操作。
结语:通过本文的介绍,相信您已经了解了如何正确使用泰和安1480广播主机。
请确保按照说明进行操作,以充分发挥其功能。
如有任何疑问或问题,请参考附带的用户手册或联系售后服务。
祝您使用愉快!。
泰和安科技产品技术手册泰和安科技产品技术手册1.引言1.1 目的该技术手册旨在向用户提供关于泰和安科技产品的详细技术信息和操作指南。
1.2 范围本技术手册适用于泰和安科技产品的所有型号和规格。
1.3 定义和缩写在本技术手册中,以下术语和缩写将会被用到:- 产品:指泰和安科技所生产的相关产品。
- 用户:指使用本产品的个人或组织。
2.产品概述2.1 产品描述本节介绍泰和安科技产品的基本概述和特点。
2.2 产品构成本节详细介绍产品的组成部分及其功能。
3.技术规格3.1 总体规格本节列出产品的整体尺寸、重量、电源要求等规格信息。
3.2 硬件规格本节详细描述产品的硬件组成和规格,包括处理器、内存、存储等。
3.3 软件规格本节介绍产品所需的操作系统和其他软件的版本要求。
4.安装与配置4.1 硬件安装本节提供产品的硬件安装指南,包括产品的摆放、连接和固定等。
4.2 软件安装本节介绍产品的软件安装步骤和必要的配置。
5.使用说明5.1 界面介绍本节详细描述产品的界面及其功能。
5.2 操作指南本节提供产品的操作指南,包括启动、关闭、设置等操作步骤。
5.3 故障排除本节列出常见故障和解决方法以供用户参考。
6.维护与保养本节介绍产品的维护与保养注意事项,包括清洁、升级等操作。
7.技术支持本节提供产品的技术支持联系方式,以便用户在需要时获取技术支持。
8.法律名词及注释8.1 法律名词本节本文档中涉及的法律名词及其解释。
8.2 注释本节提供对本文档中用到的特定术语或缩写的详细解释。
9.附件本文档附有以下附件:- 附件1:产品示意图- 附件2:产品规格表。
“泰和安”报警产品应用设计说明手册“泰和安”报警产品应用设计说明手册1、引言本手册旨在为用户提供“泰和安”报警产品的应用设计说明,以便更好地了解产品的功能和使用方法。
该手册包含有关硬件和软件配置、安装、设置以及功能使用的详细信息。
2、系统要求在使用“泰和安”报警产品之前,请确保满足以下系统要求:- 操作系统:支持的操作系统列表(例如Windows 7、Windows 10、iOS 12等)- 网络连接:稳定的互联网连接3、硬件配置该章节介绍了“泰和安”报警产品的硬件配置要求,包括以下方面:- 主机设备:主机型号、技术规格等- 感应器设备:感应器型号、安装位置、技术规格等- 遥控器设备:遥控器型号、功能说明等- 其他配件:如摄像头、门磁等设备的使用说明4、软件配置该章节详细介绍了“泰和安”报警产品的软件配置要求,包括以下方面:- APP安装:在支持的操作系统上安装“泰和安”报警产品的方式应用程序- 帐号注册:创建和配置用户帐号- 设备连接:将报警设备与方式应用程序进行配对和连接- 系统设置:对报警设备进行基本设置,如时间、声音等5、安装过程该章节提供了“泰和安”报警产品的安装过程说明,包括以下步骤:- 安装主机设备:选择合适的位置并安装主机设备- 安装感应器设备:根据安装说明将感应器设备安装在适当的位置- 连接设备:将主机设备与感应器设备进行连接6、功能使用说明该章节详细说明了“泰和安”报警产品的各项功能的使用方法,包括但不限于:- 报警触发:感应器设备检测到异常行为时触发报警,并发送通知至方式应用程序- 远程监控:通过方式应用程序实时监控所连接的设备- 远程操作:通过方式应用程序远程操作报警设备的设置和功能7、附件本文档附带以下附件,供用户参考:- 主机设备安装图解- 感应器设备安装说明- 遥控器设备功能快速参考8、法律名词及注释- 法律名词1:注释1- 法律名词2:注释2- 法律名词3:注释3。
第一章操作盘指示灯说明键盘操作:1.“消音”键(红色)用于使控制器火警、故障响声的消除,旁边的指示灯亮提示“已处于消音状态”;2.“复位”键(蓝色)可复位控制器于监控状态,恢复警报前的状态(必须解除警报先,否则复位仍然报警);3.“声光警报器启/停”键可对声光警报器输出端进行启/停控制;4.“火警传输设备启动”键可对火警传输设备输出端进行启动。
1 开机与关机开机:确认交流电源正确连接后,将机内主/备电源的开关打到上方(I),控制器即进入开机过程。
面板上各指示灯进行动态点亮检查。
同时查看“前端设备”的登录情况。
开机工作基本完成,控制器进入正常监控状态,屏幕上部显示“系统监控中···”。
关机:关机要用钥匙打开机箱才能进行,开箱后将主/备电源上的开关打向下方(O)。
2 联动模式在主机菜单里面可以设置系统手/自动模式转换。
在菜单下操作数字键“5”(用户操作)进入如下选项菜单,共有7个选项如下图。
按数字键“7”(操作模式)菜单,进入操作模式界面后。
按“F1”键手动模式,按“F2”键自动模式,按回车键保存。
手动:可通过按键和菜单启动现场设备,不可通过主机的联动程序进行联动;自动:可通过按键和菜单启动现场设备,也可通过主机的联动程序进行联动现场设备。
3 火灾报警当系统配接的探测器、手动报警按钮等报警部件确认发现火情时,通过总线将报告给控制器将报警信息传给控制器。
控制器经确认后进入火灾报警状态并发出火警声、光警报。
此时面板上红色火警指示灯常亮,液晶屏上显示火警序号、火警总数、首警部位、报警部件的编号及类型、报警时间、安装位置等信息(参见下图显示),同时打印机、历史记录记录相关火警信息。
当火警数量超过满屏显示时,除首警外,其余报警可自动循环显示,按键盘上的“▲”、“▼”键也可手动查询。
按“确认”键时单屏显示该条信息。
处理步骤:当发生火警时应根据控制器的报警信息检查发生火警的部位确认是否有火灾发生若确认为火灾发生应采取如下措施应建立火灾处理预案(1)启动报警现场的讯响器发出火警声光提示讯响器启动时控制器显示面板的警报启动指示灯点亮通知现场人员撤离,并展开扑救工作。
第一章概述TX3000火灾报警控制器(联动型)执行国家标准GB4717-2005《火警报警控制器》、GB16806-2006《消防联动控制系统》。
是我司为适应各种小型工程及一些大工程中某局部设置需要而推出的新一代火灾报警控制器。
采用壁挂式结构,具有体积小、功能强、可靠性高、配置灵活、安装使用方便等特点。
系统采用汉字液晶显示,可打印系统所有报警及各类操作的汉字信息。
系统设计最大容量为242总线部位点,可与我司的其它产品配套使用。
控制器具有联网功能,可与我司多回路控制器进行联网。
1.1功能强、可靠性高本控制器采用两总线控制方式,可管理1个回路共计242个总线部位点。
可挂接我公司电子编码、遥控编码系列智能型探测器、手动报警按钮、输入模块、输入/输出模块等现场外部器件。
整个系统可分为控制器、探测器、联动模块、区域显示器和操作终端等部分。
其中控制器包含主板、驱动板、通讯板和联动盘。
TX3000组成结构如图1:图1主板通过回路驱动板来完成对探测器的检测、数字信号的采集(仅对智能探测器)和对联动模块的控制,并可通过中继接口模块和其它种类探测器(如可燃气体探测器、防盗传感器等)连接,具有极强的可扩展性。
主板汇集和处理各驱动板采集的信息,完成所有控制和功能的操作,构成了控制器的主体。
软、硬件方面的精心设计使该系统具有了极高的可靠性。
本控制器还具有探测器清洗预报功能,以确保系统的探测部件总是处于正常的工作状态下。
控制器报警时不仅有声光显示、液晶屏幕信息显示,还有打印机记录、历史记录,而且还可通过485口火警管理系统传输信息。
1.2窗口化、汉字菜单式操作界面本控制器采用窗口化菜单式命令,汉字菜单明白易懂、方便直观,通过简单的操作(选择数字或移动光标)就可以实现系统提供的多种功能。
控制器的键盘操作设计的既方便又可靠:凡是查询类的操作均可直接进行,无需密码进入;而凡是设置或动作类的操作均需输入密码才能进入,以使应有的权限得到保证。
泰和安主机操作方法泰和安主机是一款性能优越、功能齐全的计算机主机,它采用了先进的技术和创新的设计,具有高效稳定的运行能力。
在使用泰和安主机时,我们需要遵循正确的操作方法,以保证其正常运行和延长其使用寿命。
以下是关于泰和安主机的操作方法的详细介绍:1. 开机与关机:- 开机:首先,确保主机的电源线与显示器、键盘、鼠标等设备均已正确连接。
然后按下主机上的电源按钮,等待主机启动。
- 关机:在使用泰和安主机时,应该先确保已经保存好所有的工作和文件。
然后,点击“开始”按钮,在弹出的菜单中选择“关机”选项,等待主机自动关闭。
切勿强制关机,以免影响主机的正常运行。
2. 操作系统的使用:- 泰和安主机通常预装了操作系统,如Windows、Linux等。
在开机后,根据系统提示进行操作系统的设置,以便更好地满足个人需求。
- 对于新手用户,可以通过使用操作系统自带的向导来了解和学习如何使用泰和安主机。
3. 软件安装与更新:- 泰和安主机支持各种软件的安装和更新。
用户可以根据自己的需要,通过下载软件安装包,然后运行安装程序进行安装。
- 在进行软件安装时,要注意安装包的来源,尽量选择官方渠道下载,以避免安装带有恶意代码的软件。
- 同时,定期更新操作系统和已安装软件的版本,以确保系统的安全性和稳定性。
4. 硬件的维护:- 泰和安主机是由各种硬件组件组成的,如CPU、内存、硬盘等。
在使用主机时,要注意定期清理主机内外的灰尘,避免灰尘堆积影响散热和主机性能。
- 不要随意拆卸和更换硬件组件,以免损坏主机或影响保修期。
5. 数据备份与恢复:- 定期进行数据备份是非常重要的。
可以使用外部存储设备,如移动硬盘、U盘、云存储等,将重要数据备份到其他地方,以防数据丢失。
- 在泰和安主机中,通常提供了系统还原、系统备份等功能,可以恢复系统到之前的某个时间点,或者自动备份系统。
- 在进行数据恢复时,要注意选择正确的恢复点和操作方法,以免误操作导致数据丢失。
泰和安tx3000a主机联动编程教程以泰和安TX3000A主机联动编程教程为标题,本文将详细介绍如何使用泰和安TX3000A主机进行编程,并实现联动控制的功能。
第一部分:简介泰和安TX3000A主机是一款多功能智能控制主机,具有强大的数据处理和控制能力。
它可以与各种传感器、执行器和外部设备进行联动,实现自动化控制。
第二部分:硬件准备在编程之前,我们需要准备好以下硬件设备:1. 泰和安TX3000A主机2. 传感器:例如温度传感器、湿度传感器、光照传感器等3. 执行器:例如电机、继电器等4. 外部设备:例如显示屏、声音设备等第三部分:软件设置1. 安装开发环境在编程之前,我们需要安装泰和安TX3000A主机的开发环境。
可以在官方网站上下载安装包,并按照提示进行安装。
2. 连接主机将TX3000A主机通过网线连接到计算机,并确保连接正常。
3. 打开编程软件打开安装好的开发环境,选择新建项目,并选择TX3000A主机作为目标设备。
第四部分:编程基础1. 了解编程语言泰和安TX3000A主机使用一种基于C语言的编程语言,具有丰富的库函数和API接口。
在编程之前,我们需要对编程语言有一定的了解。
2. 编写代码根据具体需求,编写相应的代码。
例如,如果需要实现温度和湿度的联动控制,可以使用相应的传感器库函数获取温湿度数据,并根据设定的控制逻辑控制执行器的状态。
第五部分:联动控制实例以下是一个简单的实例,演示如何实现温度和湿度的联动控制:```c#include <stdio.h>#include "sensor.h"#include "actuator.h"int main() {float temperature, humidity;// 初始化传感器和执行器sensor_init();actuator_init();while(1) {// 获取温湿度数据temperature = get_temperature();humidity = get_humidity();// 根据温湿度数据进行控制if (temperature > 30 && humidity > 60) { turn_on_fan(); // 打开风扇} else {turn_off_fan(); // 关闭风扇}// 延时一段时间delay(1000);}return 0;}```第六部分:调试与验证在编程完成后,可以将代码烧录到TX3000A主机中,并进行调试与验证。
泰和安报警主机操作规程泰和安报警主机操作规程第一章绪论1.1 目的报警主机是保护物品和人员安全的重要设备,为了确保报警主机的正常运作以及快速响应各种紧急情况,制定本操作规程。
1.2 适用范围本操作规程适用于所有使用泰和安报警主机进行报警管理的单位和个人。
1.3 定义报警主机:指泰和安公司生产的报警管理系统的核心设备,用于接收各类报警信号并进行处理。
第二章报警主机操作规程2.1 基本操作2.1.1 启动报警主机操作人员需要在报警管理软件上输入正确的用户名和密码以启动报警主机。
2.1.2 关闭报警主机操作人员需要在报警管理软件上点击关闭按钮以关闭报警主机。
2.1.3 报警测试定期进行报警测试以确保报警主机的正常运作。
具体操作步骤为:进入报警管理软件的测试模式,按下测试按钮,观察报警主机是否能够接收报警信号并进行处理。
2.2 报警处理2.2.1 报警信号接收报警主机会接收来自各类传感器的报警信号,操作人员需要及时查看并确认报警信号的来源。
2.2.2 报警信息查看操作人员可以通过报警管理软件查看具体的报警信息,包括报警信号的类型、时间、地点等。
2.2.3 报警处理流程操作人员在接收到报警信息后需要按照以下流程进行处理:1) 确认报警信号的真实性,排除误报情况。
2) 联系相关人员进行核实和确认。
3) 如果是真实报警,立即通知相关部门并进行相应的处理。
4) 如果是误报,需要进行记录和分析原因,防止类似情况再次发生。
2.3 报警管理2.3.1 报警记录报警主机会自动记录所有的报警信息,操作人员可以通过报警管理软件查看历史报警信息。
2.3.2 报警信息备份定期对报警信息进行备份,以防止数据丢失。
2.3.3 报警管理软件升级定期对报警管理软件进行升级,以提高系统的安全性和稳定性。
2.3.4 报警设备维护定期对报警设备进行维护和检修,确保其正常运行。
第三章附则3.1 本操作规程的修订本操作规程需要根据实际情况进行修订,修订后需重新培训相关人员。
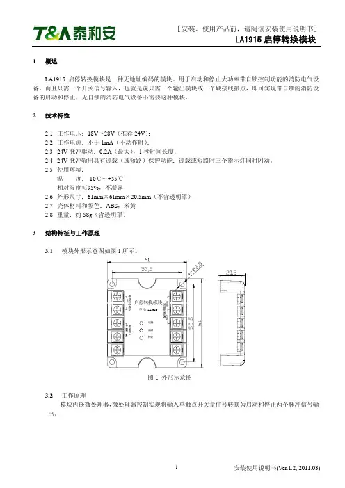
目录第一节控制器系列 (2)1.SAN030控制器(单回路) (2)040控制器(联动型) (2)400火灾显示盘 (5)第二节探测器系列 (7)1550型点型光电感烟火灾探测器 (7)1400型点型光电感温火灾探测器 (8)1930型手持多功能编码器 (8)第三节手动按钮系列 (10)1705手动报警按钮 (10)1706消火栓报警按钮 (11)1900型声光报警器 (12)第四节接口模块系列 (13)1.SAN1710型输入模块 (13)1711型通用输入模块 (14)3.SAN1800型输入输出模块 (15)1820型广播切换模块 (17)1915型启停转换模块 (18)1726总线隔离模块 (19)1932型总线终端适配器 (19)第五节公共广播系统 (20)第六节电话系统 (21)产品简介第一节控制器系列1.SAN030控制器(单回路)1.概述SAN030型火灾报警控制器是一种单回路产品,其最大地址数为242点,壁挂式结构,可满足各种小型工程及一些大工程中某局部设置的需要。
SAN030控制器图2.特点(1)采用中文LCD显示,操作通过菜单进行;(2)通过菜单可设定探测器灵敏度和工作模式;(3)清洗预报和重码自动识别功能;(4)设置键盘操作权限;(5)具备灵活的自动联动逻辑功能。
3.主机对外接线端子2. LA040控制器(联动型)1.概述LA040型火灾报警控制器(联动型)是我公司推出的新一代火灾报警控制器系列中的一种多回路产品,本控制器兼有联动控制功能特别适合大中型火灾报警及消防联动一体化控制系统的应用。
2.特点(1) 二总线,报警联动一体机;(2) 液晶显示、中文菜单;(3) 具备多种编程接口,实现多种编程方式;(4) 汉字输入采用拼音输入法,大大提高编程效率;(5) 具有程序运行监视和总线对地漏电监测功能;(6) 为不同的操作等级和设备维护设置三个操作级别,避免误操作,使系统安全运行;(7) 清洗预报功能,在光电感烟探测器由于灰尘积累不能正常工作之前,及时向使用者发出探测器清洗预报;(8) 为方便联动手动操作避免菜单启动的繁琐过程,控制器具有配接联动盘对总线联动设备直接启动的功能。
JB-Q100GZ2L-LA040B控制器面板结构示意图如图2-2所示其由显示操作区、总线联动操作区二部分组成。
图2-2 控制器面板指示说明:①液晶屏②显示操作区③电锁④总线联动操作盘显示操作区主要由液晶显示屏、指示灯、操作键盘三部分组成。
指示灯说明:·主电正常灯:绿色,当控制器由AC220V 电源供电工作时此灯点亮;·主电故障灯:黄色,当控制器的AC220V 电源掉电或电源损坏此灯亮,电源恢复正常后此灯熄灭;总线联动操作盘图 2-3JB-Q100GZ2L-LA040、LA040QJB-Q100GZ2L-LA040B图 2-4 内部组成与结构插箱是控制器的核心部位,主要由主板、母板、回路板、插槽板、485通讯联网板、电源六部分2-4显示左边部分为母板,通过十芯插座、排线分别与电源、主板和回路插槽板相连。
个插针,可分别连接232通讯口和485通讯、联网板。
·主板(含液晶、指示灯、操作键、6组直接启动操作键、24组总线联动操作键、打印机接口、与母板的通讯接口等)固定在机箱门上;主板是整机的控制中心。
以单片机S3C44B0X控制处理为中心,外扩一些存储芯片及键盘、指示灯、液晶、打印机等组成全部硬件电路。
单片机通过其异步串行通讯口与回路驱动板、直接控针,用于主板辨别其回路的地址号。
插针短路套位置与回路数对应如下表所示:JB-Q100GZ2L-LA040、JB-Q100GZ2L-LA040QJB-Q100GZ2L-LA040B图 2-5 外部接线端子·电源输入:主机电源输入端子,24V/5A;:连接电源、多线盘、总路线盘、子站等内部设备通讯端子。
注意:连线时,任何设备的通信线A口接A口,B口接B口,请勿接反,否则系统将无法通讯。
图 3-13-2所示):图3-2由于各工地所连接的前端产品数量不同,登录过程所需时间也不一样。
登录完成后,主机会自如图4-6所示),约10秒后,系统跳到正常监控状态(如图3-3所示询”选项随时查询需要清洗的探测器情况(如图3-6所示)。
泰和安消防主机操作方法
泰和安消防主机操作方法如下:
1. 开机操作:确认主机接入电源后,按下电源开关,待主机启动完成。
2. 密码输入:在主机上的面板上输入正确的密码,密码一般为数字组合。
3. 主机状态查看:主机启动后,屏幕会显示主机的状态信息,包括报警状态、设备连接状态等。
4. 报警处理:如果主机显示有报警信息,根据报警类型采取相应的处理方法,如接通消防器材、通知相关人员等。
5. 主机设置:根据需要,可以通过主机的菜单设置各种参数,例如:电话号码、报警延时、声音大小等。
6. 定期维护:定期检查消防主机中的各个部件是否正常运作,如电源、传感器、报警按钮等。
7. 关机操作:在主机进入正常状态后,按下电源开关,将主机关闭。
请注意,以上操作方法仅为一般情况下的操作流程,不同的消防主机品牌和型号
会有所差异,建议在具体操作时参考相关的产品说明书或咨询厂家技术支持。
JB-Q100GZ2L-LA040B
控制器面板结构示意图如图2-2所示其由显示操作区、总线联动操作区二部分组成。
图2-2 控制器面板
指示说明:①液晶屏②显示操作区③电锁④总线联动操作盘显示操作区主要由液晶显示屏、指示灯、操作键盘三部分组成。
指示灯说明:
·主电正常灯:绿色,当控制器由AC220V 电源供电工作时此灯点亮;
·主电故障灯:黄色,当控制器的AC220V 电源掉电或电源损坏此灯亮,电源恢复正常后此灯熄灭;
总线联动操作盘
图 2-3
JB-Q100GZ2L-LA040、LA040Q
JB-Q100GZ2L-LA040B
图 2-4 内部组成与结构
插箱是控制器的核心部位,主要由主板、母板、回路板、插槽板、485通讯联网板、电源六部分2-4显示左边部分为母板,通过十芯插座、排线分别与电源、主板和回路插槽板相连。
个插针,可分别连接232通讯口和485通讯、联网板。
·主板(含液晶、指示灯、操作键、6组直接启动操作键、24组总线联动操作键、打印机接口、与母板的通讯接口等)固定在机箱门上;
主板是整机的控制中心。
以单片机S3C44B0X控制处理为中心,外扩一些存储芯片及键盘、指示灯、液晶、打印机等组成全部硬件电路。
单片机通过其异步串行通讯口与回路驱动板、直接控
针,用于主板辨别其回路的地址号。
插针短路套位置与回路数对应如下表所示:
JB-Q100GZ2L-LA040、JB-Q100GZ2L-LA040Q
JB-Q100GZ2L-LA040B
图 2-5 外部接线端子
·电源输入:主机电源输入端子,24V/5A;
:连接电源、多线盘、总路线盘、子站等内部设备通讯端子。
注意:连线时,任何设备的通信线A口接A口,B口接B口,请勿接反,否则系统将无法通讯。
图 3-1
3-2所示):
图3-2
由于各工地所连接的前端产品数量不同,登录过程所需时间也不一样。
登录完成后,主机会自如图4-6所示),约10秒后,系统跳到正常监控状态(如图3-3所示
询”选项随时查询需要清洗的探测器情况(如图3-6所示)。
图3-6
回路003号探测器受污染,需要清洗。
对被污染的探测器确认无误后,建议采取如下措施:
摘下该探测器送专业机构清洗(本公司具备此项业务);
换上备用探测器,但必须保持编码与原探测器地址编码一致,开机后即可正常工作;
如果没有备用的探测器,请立即与我公司联系,以免因原探头位置空缺而发生漏报。
如果探测器已发出清洗预报,由于管理者未做出及时处理而造成的不良后果,本公司概不负
图4-2 各菜单功能及操作
第×××回路电流直方图(上:1-120,下:121-242)
图 4-10
图 4-11
界面下按数字2,即可显示出所登录广播盘的信息。
所有区(只有在通用逻辑关系编辑时此数据才能为:
5.1调试流程图:
调试具体步骤:
5.2.1 开箱检查:
在安装以前应首先对现场设备进行检查。