母排套热缩管工艺规范.S020000464_A00
- 格式:doc
- 大小:486.00 KB
- 文档页数:4
热缩管技术标准(一)热缩管技术标准热缩管技术标准是指与热缩管有关的技术及规范要求,是热缩管产业发展的重要保障。
热缩管的基本概念热缩管是一种特殊材料,经过加热后可以缩小并紧密贴合在需要保护的物品表面,起到绝缘、防水、防潮等作用。
热缩管应符合的技术标准热缩管应符合以下技术标准:1.尺寸精度:热缩管应具有标准的内径和壁厚,尺寸精度应符合相关标准规定。
2.材料特性:热缩管应采用高质量的材料,具有优异的物理和化学性能,符合环保标准。
3.热收缩性能:热缩管应具有良好的热收缩性能,收缩比例应符合标准规定,且在不同温度、湿度下收缩性能应稳定可靠。
4.电气性能:热缩管应具有优良的电气绝缘性能,符合相关标准规定。
5.使用寿命:热缩管应具有较长的使用寿命,符合标准规定。
热缩管的应用领域热缩管适用于电气、通讯、航空航天、船舶、石油化工、汽车等领域,主要用于绝缘、保护、密封等方面。
在电气领域,热缩管可用于电缆绝缘保护、电缆配线等方面;在汽车领域,热缩管可用于汽车线束保护、绝缘等方面。
热缩管技术标准对产业的重要性热缩管技术标准的制定和执行,有利于保证热缩管产品的质量和技术水平,提高热缩管产业的竞争力和市场占有率。
此外,热缩管技术标准的完善和优化,也有利于促进产业升级和转型发展,推进热缩管产业走向高端化、智能化、绿色化发展之路。
以上就是关于热缩管技术标准的相关介绍,希望对您有所帮助。
热缩管技术标准的制定机构热缩管技术标准的制定机构包括行业协会、标准化委员会、技术专家等组织和人员。
他们根据市场需求和技术发展趋势,对热缩管技术标准进行不断地修订和完善。
热缩管技术标准的执行机构热缩管技术标准的执行机构主要包括相关的检测机构、认证机构和监管部门。
他们负责对热缩管产品进行检测、审核和认证,并对不符合标准要求的产品进行处罚和整改。
热缩管技术标准在国际市场的地位热缩管技术标准在国际市场上的地位是不可忽视的。
目前,国内热缩管产业已具备了一定的设计、研发、生产和销售能力,但与国外先进水平相比,仍有差距。
母排热缩管母排热缩管是一种用热收缩材料制造的管材,使用时套装母排上,加热后收缩包覆在母排上,起到安全防护的作用。
1.母排热缩管的质量要求:扩后产品外观光滑、无痕迹、无明显压折线,整根管子内径一致,纵向拉伸比在规定的标准之内。
2.母排热缩管扩张机基本参数:2.1 电阻圈加热,功率是1.5x6=9kw,空气介子传热2.2两台变频电机输送和牵引被加热的管子,由电子眼控制,送料辊与牵引2.3 真空采用水环真空泵,功率5.5kw两个真空箱、可更换13种规格的定径套,可扩出20多种不同规格的母排热缩管。
2.4 加热箱安装两台小风机,使箱内热空气循环,保证箱内温度均衡。
2.5 用热电偶控制前后两区加热温度。
2.6 真空箱上安装一个真空调解阀,用以调解真空度。
2.7 送料辊前安装一组定位轮,保证管子进入加热箱不跑偏。
3.制作母排热缩管开车前的准备:3.1选好定径套、密封套,安装在真空箱上。
将PVC密封垫按规定的尺寸剪成梅花辨(8-16个),用法兰固定在真空箱下出口。
3.2 将安装好的真空箱固定在真空箱架上,调整好位子,与下辊中间对齐。
接上真空、水。
3.3 检查电源系统、真空系统、供水系统是否正常。
若一切正常,则可打开电源开关。
3.4 按着工艺要求对一、二加热区控制仪表调整好设定值,打开加热电源开关,进行加热升温,当温度达到设定值以后,再继续观察几分钟,考核加热系统的稳定性。
3.5 开启变频电机,观察牵引系统和送料系统是否正常。
4.制作母排热缩管时的开车操作:4.1 将准备好的母排原料管串入定位轮,送入牵引辊,进入加热箱输送带上。
4.2加热前进。
4.3 将加热到弹性状态的原料管串入密封套、定径管引入导辊,送入牵引辊。
4.4 牵引辊打入慢转。
4.5 给管子打气,使管子在真空箱中处于圆状。
4.6给真空箱加水,开启真空阀,同时用软质的塑料布,在真空箱的箱底堵漏,免得空气进入。
提高真空箱的真空度,让管子在负压下进入扩张状态。
湖州泰灵电力设备有限公司工艺标准母线热缩工艺标准 Q/TLSB J 06 004-20151.适用范围本守则适用于高、低压成套开关设备,预装式变电站,户外配电柜、箱等需要母线热缩处理的产品。
2.设备与工具热风枪(电热型或燃气型)、烘箱、电工刀、钢直尺(150毫米~300毫米)、卷尺。
3.材料3.1按规范书或设计图纸要求的各种规格的铜母线配相应的热缩管见表:表1(1kV及以下):湖州泰灵电力开关设备有限公司发布实施表2(10kV及以下):表3(35kV及以下):4.工艺过程与技术要求4.1母线热缩前的处理4.1.1首先对被套物或母排的端面进行毛刺处理,要求不得留有一点毛刺,不然会损伤热缩管导致开裂。
4.1.2用干净的棉布及工业酒精擦去被套物表面污点,灰尘和油渍。
4.1.3对热缩铜排应进行检查,搭接面搪锡面应无气泡杂质,铜排无裂纹,折皱等。
4.2母线热缩管的切割、套穿4.2.1热缩管的大小选择根据上表。
4.2.2热缩管的长度应根据所缩铜排的长度选择。
4.2.3根据所需要的长度,在截取收缩管长度的时候,热缩管两端剪平,不能留有锯齿形或刀形凹坑。
4.2.4热缩管套法每套工程应一致,热缩管的印字应统一在一侧。
4.2.5有弯角的铜排应在弯角处涂上硅脂膏,以方便套热缩管和热缩平整。
4.2.6将被套物穿进热缩管后,应放在表面干净,无杂物的毛毯或塑料地板上等待进人烘箱。
4.3母线的热缩4.3.1母线的热缩分为加热枪加热法和烘箱加热法。
4.3.2加热枪加热法4.3.2.1打开加热枪,对需套热缩套管的铜排全段预热,加热要均匀,使铜排温度高于环境温度,约60℃左右。
4.3.2.2将合适长度的套管套在铜排上,操作时应戴上防护手套,以免热铜排烫伤。
4.3.2.3用加热枪对套管进行加热,加热时应从一端向另一端缓慢均匀加热,或从中间向两端加热,禁止从两端向中间加热,以免出现气泡、胀肚现象。
4.3.2.4加热时遇有折弯处时,应先加热内弯,再加热外弯,就可避免套管在折弯处出现褶皱。
母排热缩管使用概述
最终的要求是热缩后的母排热缩管应无破损,热缩管上的字应形成一条直线。
且用于空开上的联接排上的热缩管上的字热缩后应朝向里侧,装配时字应不可见。
1. 工艺流程
1.1工具、材料:工具:剪刀、吹风机、伸缩刀片、钢板尺材料:热缩管
1.2根据装配图准备相应的铜排及选择与之相适应的热缩管。
1.3对照铜排剪相应长度的热缩管
1.3.1剪热缩管时剪切口要垂直于热缩管轴线。
1.3.2热缩管的长度要比待套铜排长度略长,以热缩后与铜排待覆盖长度相适应为准。
1.3.3如一根铜排上均匀分布多个孔,且孔距之间距离≤20mm则这根铜排可不套热缩管。
1.4套完热缩管的铜排整齐码放到工作台上用热吹风机合适的温度(热缩管在加热到100度以上时直径可缩到1/2~1/3)从铜排的一端缓慢匀速的吹到铜排的另一端。
翻过铜排用同样的方法吹热缩管的另一面,直到热缩管敷贴到铜排上。
1.5切割,吹后的热缩管应根据铜排上的孔和待联接排来确定切割长度,首先将吹后的铜排上的孔数和具体位置确定,可用手上下左右按下,然后根据待联接排来确定切割长度,以联接孔的中心为基准两端各切掉1/2L+5mm(L为待联接排的宽度),切割时注意不要划伤铜排。
1.6如排上的孔是和绝缘柱联接,热缩管边要距绝缘柱中心为1/2L+5mm (L 为绝缘柱两平行对边间的宽度)。
1.7如排上的孔和分流器联接则以分流器与铜排联接宽度为准。
1.8母排热缩管要完整切割,不能有毛边,不可撕裂;母排热缩管切割后要平直美观。
1.9当两根铜排叠加使用同时联接时,这两根铜排套一根母排热缩管。
热缩管标准一、热缩管的基本原理热缩管的基本原理是利用热收缩材料在一定温度下收缩的特性,将热缩管套在需要进行绝缘、保护或修复的部位,然后通过加热使热收缩材料缩小,与被包覆物体形成密实的包覆层,实现绝缘、防水、保护的作用。
一般来说,热缩管的收缩温度在70℃到125℃之间,收缩比例根据不同的材料和应用需求而有所不同。
二、热缩管的材料特性热缩管的材料大多为聚烯烃材料,包括聚氯乙烯(PVC)、聚氯二氯乙烯(PVDF)、聚丙烯(PP)、聚氨酯(PU)、氟塑料(FEP、PFA)等。
这些材料具有优异的物理、化学性能,如耐高温、耐低温、耐腐蚀、耐UV、绝缘性能等,可以满足不同领域对热缩管的要求。
三、热缩管的生产工艺热缩管的生产工艺主要包括挤出成型、交连、缩径、切割等步骤。
首先,选用合适的热缩材料进行挤出成型,然后通过交联处理提高材料的拉伸强度和耐热性,接着进行缩径处理使热缩管具有收缩的特性,最后根据需要进行切割成适当的长度。
热缩管的生产工艺需要严格控制各个环节,确保产品质量和性能。
四、热缩管的应用领域热缩管在电气、电子、通信、汽车等领域有着广泛的应用。
在电线连接领域,热缩管可以实现电线连接的绝缘,提高电线连接的稳定性和耐用性;在线束保护领域,热缩管可以对线束进行保护,防止外界环境对线束的侵蚀和损坏;在标识表面领域,热缩管可以实现表面标识、编码标识、防伪标识等功能;在防水密封领域,热缩管可以实现电缆头部的防水密封,保护电缆免受潮湿和腐蚀;在电器设备领域,热缩管可以对设备进行绝缘、防水、抗震等多种保护作用。
总之,热缩管作为一种功能强大、应用广泛的材料,在各个领域都有着重要作用。
随着科技的发展和应用领域的扩大,热缩管将继续发挥重要作用,为各类设备和工程提供保护和支持。
热缩套管加工工艺(培训资料)一、热缩套管的选用1、当用户提出要求时,应在母排上套热缩套管。
2、套管内外光洁、平滑,无破损、无龟裂。
3、电压等级应与产品相匹配。
(1kV、10kV、35kV)4、规格应与母排相匹配一般情况下,套管的内径与母排的宽度相同。
但在1kV产品中,当母排折弯角度≤1200时,或母排成Z字形时,套管的内径应比母排的宽度大5-10mm。
5、套管的颜色应按母排的相序选配。
A、B、C三相和中性线(即零线)必须分别用黄、绿、红、淡蓝色来表示相序,不允许在母排上都套红色或黑色套管后再贴色标来表示相序。
(注意:不能用蓝色来代替淡蓝色。
蓝色代表的是直流负极。
)6、A、B、C三相的引下母线应按上、中、下排列或左、中、右排列或远、中、近排列,以满足标准要求。
7、用来固定母排的螺栓,应注意选择合适的长度,以保证螺栓紧固后螺栓露出螺母2~5扣。
8、在母排连接过程中,当母线平置时连接螺栓应由下往上穿。
其余情况下,螺母应置于维护侧。
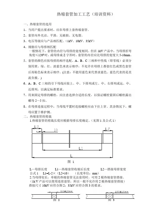
二、热缩套管的剪裁1.热缩套管的剪裁长度应根据母排长度确定。
(见图1及公式1)图 1L—母排长度L1—热缩套管收缩后长度L2—搭接母排宽度公式1 L1=L-2×(L2+10)(长度单位:mm)2.当母排较长,单根的热缩套管无法套用时,可用2根热缩套管搭接。
(1k V产品可以使用连续套管,所以一般不允许用2根热缩套管搭接)搭接尺寸10kV应符合图2;35kV应符合图3的要求。
3.同一批次的产品中,同一位置的搭接方式必须要统一。
4.母排中段有支柱绝缘子固定,或有与其它母排搭接的则需在护套中间割出安装孔或搭接面。
安装孔尺寸见图4;搭接尺寸见图5及公式2。
图 4公式2 L1=L+2×10 {长度单位:mm}三、热缩套管烘制前的准备工作1、需套热缩管的母排在烘制前应进行清洁处理,去掉母排上的杂物。
表面不得有毛剌、铁屑,锉平母排制作过程中产生的尖角,防止损伤套管。
2、检查烘箱、温度表、热电偶是否处于完好状态。
母排热缩保护套管的加热方法
母排热缩保护套管的加热方法
在加热母排热缩保护套管时,母排热缩保护套管在收缩过程中会因为加热部分收缩导致贴紧铜排,而铜排的性能会导致贴紧铜排部分的热缩管温度立即降低,而贴紧铜排的现象称为贴冷。
一、使用加热炝进行加热
1.贴冷问题:由于铜排金属的导热性能很好,在收缩过程中出现贴冷现象,即在加热收缩时,套管在收缩过程中会因为加热部分快速收缩导致贴紧铜排,而铜排的导热性能会让贴紧铜排部分的套管温度立即降低,而紧贴铜排的现象称为冷贴现象。
2.套管的加热:对铜排预加热以后,从一端向另一端均匀加热;对铜排预热以后,由铜排中间向两端加热。
3.折弯处的加热:先收缩直线的部分,然后从弯的外围向内侧烘烤,同时一人在另外一头用少许力量拉伸母排。
二、使用烘箱进行加热,烘箱加热的好处是温度比较均匀,减少加热炝加热时移动造成的不均匀而导致套管被烤焦、贴冷等现象。
1.先将铜排加热高于环境温度,然后套上热缩套管。
2.调节烘箱问题,使其均匀升至套管需要加热的温度,收缩即可。
三、使用热水加热,有部分厂家使用开水加热,这是不可取的,这样会导致套管进水而影响电性能。
四、加热后的母排套管应达到以下要求:
1.表面平整,无开裂,没出现冷贴现象。
2.收缩均匀,表面无烤焦痕迹,折弯处不出现褶皱。
收缩后,套管不出现褪色及气泡现象。
热缩管工艺流程热缩管工艺是一种常见的电缆终端绝缘保护方法,通过加热和收缩的方式,将热缩管套在电缆终端上,以提供电缆的保护和绝缘功能。
下面将详细介绍热缩管工艺的流程。
一、准备工作在进行热缩管工艺之前,需要进行一些准备工作。
首先,需要准备好所需的材料和工具,包括热缩管、剥线钳、热风枪等。
其次,需要对电缆终端进行清洁,确保表面没有灰尘和油污,以提高热缩管的附着力和绝缘性能。
二、测量和切割接下来,需要对电缆进行测量和切割。
根据电缆的直径和长度,选择合适尺寸的热缩管,并使用剥线钳将电缆外皮剥离一段距离,露出一定长度的导体。
三、套管和定位将剥离的电缆导体插入热缩管中,确保导体与热缩管的内壁紧密接触。
然后,将热缩管定位在电缆终端的位置,确保热缩管的长度覆盖导体和绝缘层的部分。
四、加热收缩使用热风枪对热缩管进行加热,使其收缩并与电缆终端紧密贴合。
在加热过程中,需要将热风枪的热气均匀地吹向热缩管,避免过度加热或局部加热不均导致热缩管变形或烧损。
五、冷却和固化在热缩管收缩后,需要等待片刻,让其冷却和固化。
冷却过程中,不要触摸热缩管,以免烫伤。
冷却完成后,热缩管将固化为一个坚固的绝缘层,起到保护和绝缘作用。
六、质量检验在完成热缩管工艺后,需要进行质量检验。
检查热缩管是否与电缆终端紧密贴合,是否有气泡或裂纹等缺陷。
同时,可以使用绝缘电阻测试仪对绝缘性能进行检测,确保达到要求的绝缘强度。
七、防护措施为了增加热缩管的耐候性和耐腐蚀性,可以在热缩管的外表面涂覆一层防护涂料。
防护涂料可以有效延长热缩管的使用寿命,并提供更好的防水和防尘效果。
总结:热缩管工艺是一种简单而有效的电缆终端绝缘保护方法。
通过准备工作、测量和切割、套管和定位、加热收缩、冷却和固化、质量检验以及防护措施等步骤,可以实现对电缆终端的保护和绝缘。
在进行热缩管工艺时,需要注意加热温度和时间的控制,以及质量检验的严谨性,以确保热缩管的质量和绝缘性能符合要求。
热缩管工艺的应用广泛,可用于各种电缆终端的绝缘保护,提高了电缆系统的可靠性和安全性。
母排热缩管烘箱加热工艺
贴冷:母排热缩管在加热收缩过程中,由于铜的导热性能非常好,会让贴紧铜排部分的热缩管温度立即降低,而紧贴铜排,这种现象称之为“贴冷”。
为防止贴冷现象的发生,加母排热缩管前,应先对铜排预加热,让铜排温度略高于环境温度,然后套上铜排收缩,这样可以减少或者避免贴冷现象。
加热过程——烘箱加热法
1.打开烘箱,将温度调至60℃~70℃左右,对需套母排热缩管的铜排全段预热5分钟;
2.从烘箱内取出铜排,将合适长度的母排热缩管套在铜排上,操作时应戴上防护手套,以免
热铜排烫伤。
3.根据母排热缩管厂家提供的资料,选择合适的温度及加热时间后,利用烘箱对母排热缩管
进行加热,注意放在烘箱内的铜排不要太挤,以免母排热缩管热缩时受力导致热缩效果不好;
4.加热结束,待铜排冷却后,用电工刀按《母线制作及装配工艺守则》要求划去搭接处的母
排热缩管,划套管时,用力不宜过大,以免损伤铜排;
5.加工结束后,若发现母排热缩管表面有污迹,应采用抹布(必要时蘸取不影响套管绝缘性
能的溶剂)擦拭干净。
工艺要求
热缩后的母排管表面应该达到如下要求:
1)表面平整,无开裂,无贴冷现象。
2)母排热缩管收缩均匀,表面无烤焦痕迹,折弯处不出现褶皱。
3)热缩以后,母排热缩管不应该出现褪色、气泡、胀肚等现象。
4)母排热缩管表面应清洁,无油污,刻划的边缘应平整,且未伤及铜排。
热缩管规范标准最新热缩管作为一种广泛应用于电子、电气、汽车、航空等领域的绝缘保护材料,其规范标准对于确保产品质量和安全性至关重要。
以下是最新的热缩管规范标准概述:1. 材料要求:- 热缩管应采用符合环保要求的聚烯烃材料,确保无卤、无磷、无重金属。
- 材料应具有良好的耐温性,能够在规定的温度范围内正常工作。
2. 尺寸规格:- 热缩管的内径、壁厚和收缩率应符合标准尺寸表,以适应不同直径的电缆或管道。
- 尺寸公差应严格控制,以保证热缩管能够紧密贴合被保护物体。
3. 物理性能:- 热缩管应具备良好的机械强度,包括拉伸强度、断裂伸长率等。
- 应具有优异的电气绝缘性能,满足高电压下的绝缘要求。
4. 耐化学腐蚀性:- 热缩管应能抵抗常见化学物质的侵蚀,如酸、碱、油等。
5. 耐环境性能:- 应具有良好的耐候性,能够适应户外环境的紫外线照射、温度变化等。
6. 热性能:- 热缩管的收缩温度应在规定的范围内,以便于施工时的热处理。
- 收缩后的热缩管应保持稳定的热性能,不因温度变化而影响其性能。
7. 阻燃性能:- 热缩管应符合相应的阻燃等级标准,如UL94 V-0等级,以降低火灾风险。
8. 生产工艺:- 生产过程中应严格控制工艺参数,确保产品质量的一致性和稳定性。
9. 测试方法:- 应定期对热缩管进行物理性能、电气性能、耐化学腐蚀性等测试,以确保产品符合规范要求。
10. 包装与标识:- 热缩管的包装应防潮、防尘,便于运输和存储。
- 包装上应有清晰的产品标识,包括规格、生产日期、批号等信息。
11. 质量保证:- 生产企业应建立完善的质量管理体系,确保产品从原材料到成品的每个环节都符合标准。
12. 环保要求:- 热缩管的生产和使用过程应符合环保法规,减少对环境的影响。
以上规范标准的制定旨在确保热缩管产品的质量和安全性,同时也为使用者提供了选择和使用热缩管的参考依据。
随着技术的发展和市场需求的变化,这些标准可能会不断更新和完善。
母排热缩管执行标准本文介绍母排热缩管执行标准,具体内容从下面参数序列号中查找:1.生产流程:混料——挤出——辐照硫化——扩张——包装2.介绍:由辐射交联聚烯烃材料制成,理化电气性能优异,主要功能是连接件的电绝缘、各种情况下母排的绝缘防护、减少相间距等,广泛应用于各类低压开关柜、低压母线槽以及低压电器中的绝缘防护。
3.电压等级:1KV;10KV;20KV(24KV)*;35KV4.按生产工艺分类:连续型母排,分段型母排。
5.按照收缩比率:正常10KV母排为2.5:1;1KV与35KV的母排为2:1。
6.折径FD与内径D、壁厚WT的换算:管内径D≈2(FD-2WT)/π。
7.扩张成品收缩前壁厚WT前与收缩后壁厚WT后的关系:WT后≈2WT前。
8.检测方法及意义:纵向收缩率《±10%。
(沃尔兴标准《±8%)9.壁厚不均匀度:《30% 计算方法w%=(w厚-w薄)/w厚10.执行标准:GB/T1059-200711.母排的技术性能性能指标测试方法/条件拉伸强度≥8.0MPa ASTM D 2671断裂伸长率≥300% ASTM D 2671热老化后拉伸强度≥6.9MPa 130℃×168h热老化后断裂伸长率≥100% 130℃×168h轴向变化率-8%~+8% ASTM D 2671氧指数≥27 GB/T 2406热冲击无裂纹JB 7829 附录D击穿强度≥20kV/mm ASTM D 149硬度(邵氏A)≤90 GB2411体积电阻率≥1014Ω.cm IEC 6009312.氧指数:氧指数(OI)是指在规定的条件下,材料在氧氮混合气流中进行有焰燃烧所需的最低氧浓度。
以氧所占的体积百分数的数值来表示。
氧指数高表示材料不易燃烧,氧指数低表示材料容易燃烧。
13.击穿强度:又称“击穿场强”、“介电强度”。
匀强电场下,使单位厚度的电介质击穿的电压值。
一般以千伏/毫米表示。
开关设备用热缩套管使用规范
一.热缩套管入厂检验
1.产品检验合格证。
2.外观无破损及污物,颜色均匀、一致。
3.热缩套管未热缩套管厚度:10kV不小于1mm;35kV大于2mm。
4.10kV用热缩套管收缩到母线上最小厚度为1.6mm,35kV用热缩套管收缩到母线上
最小厚度≥3mm。
5.母线接头护罩厚度要求:10kV不小于2mm;35kV不小于3mm。
6.工频耐压试验随开关设备一起检验。
二. 热缩套管规格选用
1.母线类型
(矩形母线)(圆形母线)
2. 热缩套管规格
热缩套管规格见表1
表1 热缩套管规格单位:mm
3.常用矩形母线热缩套管选用规格见《母线制作及安装》工艺守则。
4.热缩套管收缩经验值
通常情况下,选用的热缩管的直径的70%大致和被保护元件的直径相等。
例如:要套直径为20cm的柱体,就应选择未收缩前最小直径为29cm的热缩管。
但对于规格大于40cm的热缩管,建议该值为60%。
三.母线使用热缩套管后空气绝缘净距的要求
1.见《母线制作及安装》工艺守则中(七)电气间隙选用表。
2.35kV用热缩套管,热缩后母线对尖端的空气绝缘净距为≥220mm。
四.母线和热缩套管使用要求及使用注意事项
1.清除母线上的毛刺、尖角,以防在回缩过程中刺穿热缩管造成开裂。
热缩套管加工工艺热缩套管加工工艺(培训资料)一、热缩套管的选用1、当用户提出要求时,应在母排上套热缩套管。
2、套管内外光洁、平滑,无破损、无龟裂。
3、电压等级应与产品相匹配。
(1kV、10kV、35kV)4、规格应与母排相匹配一般情况下,套管的内径与母排的宽度相同。
但在1kV产品中,当母排折弯角度≤1200时,或母排成Z字形时,套管的内径应比母排的宽度大5-10mm。
5、套管的颜色应按母排的相序选配。
A、B、C三相和中性线(即零线)必须分别用黄、绿、红、淡蓝色来表示相序,不允许在母排上都套红色或黑色套管后再贴色标来表示相序。
(注意:不能用蓝色来代替淡蓝色。
蓝色代表的是直流负极。
)6、A、B、C三相的引下母线应按上、中、下排列或左、中、右排列或远、中、近排列,以满足标准要求。
7、用来固定母排的螺栓,应注意选择合适的长度,以保证螺栓紧固后螺栓露出螺母2~5扣。
8、在母排连接过程中,当母线平置时连接螺栓应由下往上穿。
其余情况下,螺母应置于维护侧。
二、热缩套管的剪裁1.热缩套管的剪裁长度应根据母排长度确定。
(见图1及公式1)图 1L—母排长度L1—热缩套管收缩后长度L2—搭接母排宽度公式1 L1=L-2×(L2+10)(长度单位:mm)2.当母排较长,单根的热缩套管无法套用时,可用2根热缩套管搭接。
(1k V产品可以使用连续套管,所以一般不允许用2根热缩套管搭接)搭接尺寸10kV应符合图2;35kV应符合图3的要求。
图2图33.同一批次的产品中,同一位置的搭接方式必须要统一。
4.母排中段有支柱绝缘子固定,或有与其它母排搭接的则需在护套中间割出安装孔或搭接面。
安装孔尺寸见图4;搭接尺寸见图5及公式2。
图 4公式2 L1=L+2×10 {长度单位:mm}三、热缩套管烘制前的准备工作1、需套热缩管的母排在烘制前应进行清洁处理,去掉母排上的杂物。
表面不得有毛剌、铁屑,锉平母排制作过程中产生的尖角,防止损伤套管。
母排热缩管烘箱加热工艺术语:热收缩材料:以可塑性线型高聚物或高聚物合金为基材,用高能辐照方法或化学方法使聚合物分子链部分交联成为网状结构获得弹性“记忆效应”,经加热扩张至特定尺寸后冷却定型,使用时加热到适当温度后自行收缩到扩张前的形状和尺寸,这种材料称为热收缩材料。
热收缩套管:将上述高聚物或高聚物合金通过挤出成型得到规定尺寸的管状中间产品,辐照交联后加热扩张,冷却定型得到的具有一定尺寸的管状产品成为热收缩套管。
贴冷:母排热缩管在加热收缩过程中,由于铜的导热性能非常好,会让贴紧铜排部分的热缩管温度立即降低,而紧贴铜排,这种现象称之为“贴冷”。
为防止贴冷现象的发生,加母排热缩管前,应先对铜排预加热,让铜排温度略高于环境温度,然后套上铜排收缩,这样可以减少或者避免贴冷现象。
加热过程——烘箱加热法1.打开烘箱,将温度调至60℃~70℃左右,对需套母排热缩管的铜排全段预热5分钟;2.从烘箱内取出铜排,将合适长度的母排热缩管套在铜排上,操作时应戴上防护手套,以免热铜排烫伤。
3.根据母排热缩管厂家提供的资料,选择合适的温度及加热时间后,利用烘箱对母排热缩管进行加热,注意放在烘箱内的铜排不要太挤,以免母排热缩管热缩时受力导致热缩效果不好;4.加热结束,待铜排冷却后,用电工刀按《母线制作及装配工艺守则》要求划去搭接处的母排热缩管,划套管时,用力不宜过大,以免损伤铜排;5.加工结束后,若发现母排热缩管表面有污迹,应采用抹布(必要时蘸取不影响套管绝缘性能的溶剂)擦拭干净。
工艺要求热缩后的母排管表面应该达到如下要求:1)表面平整,无开裂,无贴冷现象。
2)母排热缩管收缩均匀,表面无烤焦痕迹,折弯处不出现褶皱。
3)热缩以后,母排热缩管不应该出现褪色、气泡、胀肚等现象。
4)母排热缩管表面应清洁,无油污,刻划的边缘应平整,且未伤及铜排。
热缩管生产工艺
热缩管生产工艺是一项用于制造绝缘保护材料的工艺。
它主要包括材料选择、制备、加工和质量控制等步骤。
首先是材料选择。
热缩管主要由聚烯烃材料制成,如聚乙烯、聚丙烯等。
在选择材料时,需要根据具体应用场景和要求,选取具有耐高温、耐酸碱、耐腐蚀等性能的材料。
接下来是材料制备。
根据所选材料的不同,可以采用挤出、压延或注塑等方法制备热缩管的母材。
制备过程中要确保材料的均匀性和一致性,避免出现杂质、气泡等缺陷。
然后是热缩管的加工。
加工是指将制备好的母材进行切割、缩径、拉伸等加工工序,使其能够适应不同尺寸和形状的电线、电缆等对象。
加工过程中需要控制加热温度、加热时间和加压力度等参数,确保热缩管能够达到预期的缩径效果,并且不破坏材料的其他性能。
最后是质量控制。
在热缩管的生产过程中,需要通过严格的质量控制措施来确保产品的质量。
如定期抽样检验母材的物理性能和化学性能,控制加工过程中的温度和压力等参数,进行成品检验和出厂前的质量检查等。
总之,热缩管生产工艺是一个精细的制造过程,需要对材料的选择、制备、加工和质量控制等方面进行严格的控制和管理,以确保产品的质量和性能能够满足应用要求。
母排热缩套管加工工艺母线热缩套管加工工艺1、适用范围:本守则适用于本厂生产的交流高、低压成套开关设备、预装式变电站及组合式变压器低压仓的母线热缩套管加工。
2、使用工具加热枪(电热型或燃气型),烘箱、钢直尺、角尺、电工刀、卷尺。
3、加工过程3.1加热枪加热法3.1.1打开加热枪,对需套热缩套管的铜排全段预热,加热要均匀,使铜排温度高于环境温度,约60℃左右;3.1.2将合适长度的套管套在铜排上,操作时应戴上防护手套,以免热铜排烫伤。
3.1.3用加热枪对套管进行加热,加热时应从一端向另一端缓慢均匀加热,或从中间向两端加热,禁止从两端向中间加热,以免出现气泡、胀肚现象;3.1.4加热时遇有折弯处时,应先加热内弯,再加热外弯,就可避免套管在折弯处出现褶皱;3.1.5加热时,应均匀移动加热枪,使套管均匀受热,而不能使局部温度过高,导致出现热缩管被烤焦或贴冷现象;3.1.6加热结束,待铜排冷却后,用电工刀按《母线制作及装配工艺守则》要求划去搭接处的热缩套管,划套管时,用力不宜过大,以免损伤铜排;3.1.7加工结束后,若发现套管表面有污迹,应采用抹布(必要时蘸取不影响套管绝缘性能的溶剂)擦拭干净。
3.2烘箱加热法3.2.1打开烘箱,将温度调至60℃~70℃左右,对需套热缩套管的铜排全段预热5分钟;3.2.2从烘箱内取出铜排,将合适长度的套管套在铜排上,操作时应戴上防护手套,以免热铜排烫伤。
3.2.3根据套管厂家提供的资料,选择合适的温度及加热时间后,利用烘箱对套管进行加热,注意放在烘箱内的铜排不要太挤,以免套管热缩时受力导致热缩效果不好;3.2.4加热结束,待铜排冷却后,用电工刀按《母线制作及装配工艺守则》要求划去搭接处的热缩套管,划套管时,用力不宜过大,以免损伤铜排;3.2.5加工结束后,若发现套管表面有污迹,应采用抹布(必要时蘸取不影响套管绝缘性能的溶剂)擦拭干净。
4、工艺要求热缩后的母排管表面应该达到如下要求:1)表面平整,无开裂,无贴冷现象。
底图总号
标记 处数 更改文件号
签字 日期 签字 日期 第 2 页
设 计 鄢小兰 2014.08.15
校 对 顾 卫 2014.08.16 共 4 页 5.2.2. 母排折弯少的,如直排等易套的,直接套上即可。
图1 10kV 热缩管,壁厚2-3mm 图2热缩管直径 图3折弯母排 5.3. 热缩
5.3.1. 如图4所示,将热缩管移到以左内侧孔上;
5.3.2. 用热风枪,以左内侧孔为基准,开始热缩,从左端往右端均匀热缩;
5.3.3. 对于如图5所示,2个或2以上折弯的母排,应从中间向两边热缩,热缩后不得有起皱,表面不得焦化。
图4直排热缩 图5弯排热缩
6. 切边加工要求
表2 工序
图片
工具 加工标准 质量要求
切左侧热缩管
记号笔、钢板尺
1.用卷尺分别在母排上测量 “a ”和“b ”的长度;
画线要直
美工刀
2.用钢板尺,沿着画线放好,再用美工刀靠着钢板尺,沿画线切一圈;
切口应平整,与边垂直且整齐
底图总号 标记 处数 更改文件号
签字 日期 签字 日期 第 3 页
设 计 鄢小兰 2014.08.15
校 对
顾 卫 2014.08.16 共 4 页 切左侧热缩管
美工刀
3. 用美工刀再向左侧横向轻划一刀,禁止划伤母排,然后将左侧热缩管拿掉; 切口应平整,与边垂直且整齐
钢板尺
4. 左侧加工完成的母排。
切口应平整,与边垂直且整齐;母排无划伤
切右侧热缩管
记号笔、钢板尺、美工刀 以右侧孔中心为基准,按以上步骤制作,切除右侧热缩管。
切口应平整,与边垂直且整齐;母排无划伤
7. 几种常见母排热缩管搭接要求
7.1. 排与电缆、电线、排与排相接,切除长度必须保证搭接后,接线鼻与热缩管10mm 左右的间隙 7.1.1. 终端相接,如图6所示,搭接部分,应有10mm 间隙;
7.1.2. 中间相接:切除宽度为L =B (接线鼻宽)+20mm ;两侧各应有10mm 间隙,如图7所示;
7.1.3. 排与排相接:搭接长度一般为1倍排宽或2倍排宽,按搭接后有10mm 的间隙为宜,如图8所示; 7.2. 按以孔为中心,搭接长度一般为2倍排宽的,切除热缩管后,每侧应有10mm 的间隙,如图9所示。
7.3. 母排中间有孔需要搭接切除要求
7.3.1. 母排中间搭接孔处,切除长度应大于母排宽度,同时两侧应有10mm 的间隙,如图10所示; 7.3.2. 按以孔为中心,切除宽度为L1=B (排宽)+20mm ; 7.3.3. 切口应平整,无毛刺,与边垂直且整齐。
底图总号 标记 处数 更改文件号
签字 日期 签字 日期 第 4 页
设 计 鄢小兰 2014.08.15
校 对 顾 卫 2014.08.16 共 4 页
图6 终端相接 图7中间相接 图8 搭接长度
图9 搭接长度 图10 中间有孔搭接 8. 母排套热缩管作业标准 8.1. 母排先加工好,后套热缩管;
8.2. 套好热缩管后,不允许进行母排折弯加工,但可以钻孔,剪断; 8.3. 套好热缩管后的母排安装时,注意母排表面不应有油污,划伤现象; 8.4. 单独打包的母排,外面用防震薄膜缠绕,用包装胶带包扎,最后装在木箱中。