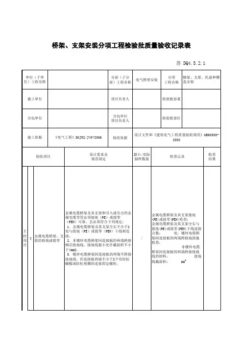
DQ4521 桥架、支架安装分项工程检验批质量验收记录表
- 格式:xls
- 大小:47.50 KB
- 文档页数:2
支架制作安装检验批量验收记录表
GB 50093—2002
单位(子单位)工程名称
分部(子分部)工程名称验收部位
施工单位项目经理
分包单位分包项目经理
施工执行标准名称及编号自动化仪表工程施工及验收规范GB50093-2002
施工质量验收规范规定施工单位检查评定记录监理(建设)单位验收记录
主控项目1 制作支架第6.2.1条
2 安装支架第6.2.2条
一般项目
1 电缆槽及保护管支架的安装。
第6.2.3条
2 电缆支架间距。
第6.2.4条
施工单位
检查评定结果
专业工长(施工员)施工班组长
项目专业质量检查员:年月日
监理(建设)单位
验收结论
监理工程师
(建设单位项目专业技术负责人)年月日
18。
模板、支架和拱架安装检验批质量验收记录填写模板范本1. 项目概述为确保模板、支架和拱架安装工程质量,特制定此检验验收记录,对安装工程进行检验验收。
本文档详细记录了模板、支架和拱架安装过程中的质量验收记录,以确保工程符合相关规范和标准。
2. 安装基本信息•工程名称:[工程名称]•工程地点:[工程地点]•施工单位:[施工单位]•质检单位:[质检单位]•施工时间:[施工时间]•质检时间:[质检时间]3. 检验内容3.1. 模板安装质量验收模板安装过程中需检验以下内容:•模板材料的合格证明和检验报告•模板安装是否符合设计要求•模板的固定性和稳定性•模板的表面是否光滑平整•模板接缝是否严密3.2. 支架安装质量验收支架安装过程中需检验以下内容:•支架的材质和型号是否符合设计和规范要求•支架的平整度和垂直度是否满足要求•支架的固定性和稳定性•支架的连接件和钢板是否齐全,并符合要求3.3. 拱架安装质量验收拱架安装过程中需检验以下内容:•拱架的材质和型号是否符合设计和规范要求•拱架的尺寸和位置是否符合设计要求•拱架的焊接质量是否合格•拱架的连接件和螺栓是否齐全,并符合要求4. 检验结果记录4.1. 模板安装检验结果记录以下为模板安装的检验结果记录表:序号检验项目标准要求实际验收情况备注1 模板材料合格证明和检验报告- - -2 模板安装是否符合设计要求- - -3 模板固定性和稳定性- - -4 模板表面是否光滑平整- - -5 模板接缝是否严密- - -4.2. 支架安装检验结果记录以下为支架安装的检验结果记录表:序号检验项目标准要求实际验收情况备注1 支架材料和型号是否符合要求- - -2 支架平整度和垂直度是否满足要求- - -3 支架固定性和稳定性- - -4 支架连接件是否齐全- - -4.3. 拱架安装检验结果记录以下为拱架安装的检验结果记录表:序号检验项目标准要求实际验收情况备注1 拱架材料和型号是否符合要求- - -2 拱架尺寸和位置是否符合要求- - -3 拱架焊接质量是否合格- - -4 拱架连接件是否齐全- - -5. 结论经过质检单位对模板、支架和拱架安装工程的检验验收,现结论如下:•模板安装检验结果:合格 / 不合格•支架安装检验结果:合格 / 不合格•拱架安装检验结果:合格 / 不合格如有不合格现象,请施工单位及时整改,并重新申请验收。
桥架安装检验批质量验收记录一、项目信息项目名称:桥架安装工程项目地点:XX市XX区XX路施工单位:XXX建筑工程有限公司监理单位:XXX监理有限公司验收日期:XXXX年XX月XX日二、检验批信息检验批编号:XX-XXXX-XXXXX桥架安装检验批包括:XX根桥架检验批质量验收责任人:XXX工程师桥架安装施工单位:XXXX施工队三、施工单位信息施工单位名称:XXXX施工队施工单位承包人:XXX负责人施工单位联系方式:XXXXX-XXXXXXXXX四、质量验收内容及结果1. 检验批质量验收标准本次桥架安装工程的质量验收标准参照国家标准《建筑工程质量验收规范》(GB50300-XXXX),按照相关技术规范和合同约定进行验收。
2. 桥架安装质量验收内容(1)桥架安装位置是否准确,与设计要求是否一致。
(2)桥架尺寸和制作质量是否符合要求。
(3)桥架安装工艺是否正确,连接是否紧固可靠。
(4)桥架表面是否平整且无明显缺陷。
3. 检验批质量验收结果经对以上内容进行细致检查和测量,确认以下质量验收结果:(1)桥架安装位置准确,与设计要求一致。
(2)桥架尺寸和制作质量符合要求。
(3)桥架安装工艺正确,连接紧固可靠。
(4)桥架表面平整且无明显缺陷。
五、质量验收结论经检查和测量,本次桥架安装检验批质量验收结果合格。
施工单位按要求进行了桥架的安装,符合项目的设计和合同要求。
六、存在的问题及整改措施经质量验收发现,本次桥架安装存在以下问题:1. 部分桥架连接处未紧固到位。
2. 桥架表面存在局部划痕。
对于上述存在的问题,施工单位将采取以下整改措施进行处理:1. 对未紧固到位的桥架连接处进行重新检查和紧固,确保连接牢固可靠。
2. 对有划痕的桥架表面进行研磨修复,使其平整无缺。
七、质量验收总结本次桥架安装检验批质量验收工作按照相关规范和要求进行,经检查和测量,质量验收结果合格。
存在的问题已提出整改措施,施工单位将按照要求进行及时处理。
桥梁工程模板与支(拱)架制作和安装检验批质量
验收记录表
模板与支(拱)架制作和安装检验批质量验收记录填
表说明
主控项目
1、模板、支架和拱架制作及安装应符合施工设计图(施工方案)的规定,且牢固稳定,接缝严密,立柱基础有足够的支撑面和排水、防冻融措施。
检查数量:全数检查。
检查方法:观察和用钢尺量。
一般项目
注:1 H为构筑物高度(mm),L为计算长度(mm);
2支承面高程系指模板底模上表面支撑混凝土面得高程。
3、固定在模板上的预埋件、预留孔内模不得遗漏,且应按照牢固。
检查数量:全数检查。
检查方法:观察。
注:模板、支架和拱架分项工程不是工程实体项目,其检验资料不收入竣工资料,只作为过程控制的一种手段。
支架检验批质量验收记录一、项目背景为确保支架的质量符合要求,我公司特委托第三方机构进行支架检验批质量验收工作。
本次验收任务包括对支架的外观质量、尺寸精度、加工工艺等方面进行检验和测试。
二、验收范围1.支架外观检验。
主要检查支架的漆膜附着力、涂装均匀性、划痕等外观质量问题。
2.支架尺寸精度检测。
对支架的长度、宽度、高度等尺寸进行测量,检查其与设计要求是否一致。
3.支架加工工艺检验。
对支架的焊接工艺、铆接工艺、切割工艺等进行检验,确保加工工艺达到要求。
三、验收过程及结果记录1.外观质量检验:验收人员对支架的外观质量进行了检验,结果如下:(1)漆膜附着力:所有支架样品的漆膜附着力均符合要求,无起泡、剥落等问题。
(2)涂装均匀性:支架的涂装均匀性良好,无色差和刷痕现象。
(3)划痕:未发现支架存在明显的划痕问题。
2.尺寸精度检测:验收人员对支架的尺寸进行了测量,结果如下:(1) 支架长度:与设计要求的长度误差在±2mm以内。
(2) 支架宽度:与设计要求的宽度误差在±2mm以内。
(3) 支架高度:与设计要求的高度误差在±2mm以内。
3.加工工艺检验:验收人员对支架的焊接工艺、铆接工艺、切割工艺等进行了检验,结果如下:(1)焊接工艺:支架焊接工艺符合要求,焊缝牢固,无明显裂纹、气孔等问题。
(2)铆接工艺:支架铆接工艺符合要求,铆接点均匀、美观。
(3)切割工艺:支架切割工艺符合要求,切割边缘平整、无毛刺。
四、验收结论根据上述检验和测试结果,本次支架检验批质量验收工作顺利完成。
支架的外观质量、尺寸精度和加工工艺均符合设计要求。
我公司对支架的质量表示满意,可以进行下一步的工程施工。
五、检验人员签字检验人员1:__________检验日期:____年___月___日。
工程编号:分项名称:表号:
工序查验项目性质质量标准
单项质量查验结果
评定
型无明显歪曲,切口无
外观检查
卷边、毛刺钢
电检规格按设计规定查
缆电
缆架架
配
制预
埋
件
电
缆
支
吊
架
安
装
电缆支架层间允按 GB 50168 — 1992 中许最小距离表 4.0.2 规定
焊接主要坚固电缆托架配制按设计规定镀锌层完满
部署按设计规定
固定强度主要坚固部署及间距主要按设计规定
最上 ( 下)层横撑至沟顶或按 GB 50168 — 1992 中楼板距离表 4.0.3 规定
水平部署电缆架高低偏差
垂直部署电缆架左右偏差
≤ 5mm
在有坡度的电缆沟内或与电缆沟或建筑物建筑物上电缆架部署同坡度部署电缆架固定主要坚固
电缆托架安装按设计规定
工程编号:分项名称:表号:
工序查验项目性质质量标准
单项质量查验结果
评定
组
垂直偏差
装≤%竖井高度
mm
后
的
支架横撑水平偏差
钢≤%竖井宽度
mm
结
构对角线偏差
≤%竖井对角线长度
竖
mm
井
检
外观检查无损害,变形
查
其电缆架焊缝及竖井
完好
保护罩油漆
他电缆架全长接地坚固,全长导通优秀
查收结论:
质检机构质量查验评定建议署名
施工队年月日项目部年月日质检部年月日监理年月日。
中间交接验收签证书
编号:1-1-1-1 表码:001
注:参与交接的各方各执复印件一份,原件组织单位保存。
支架安装分部工程质量报验申请单
工程名称:xx光伏发电项目编号:1-1
注本表一式____份,由施工项目部填报,业主项目部、监理项目部各一份,施工项目部存____份。
表4.0.2支架安装分部工程质量验收评定表
支架安装分项报审表
工程名称:xx光伏发电项目编号:1-1-1-1
注本表由施工项目部填报,监理项目部存___份,施工项目部存___份。
表4.0.1 xx 支架安装分项质量验收记录
工程编号:1-1-1-1 表号:(DL/T5161.4 - 2002)表1.0.2修。
支架安装检验批质量验收记录
日期:XXXX年XX月XX日
一、项目概况
项目名称:XXXX工程
项目地点:XXX市XXX区
施工方:XXX施工有限公司
验收人员:XXX
二、安装检验内容
1.安装质量检查:包括支架安装是否符合设计要求、支架连接是否牢固、是否存在安装不规范或损坏等问题。
2.安全检查:包括支架是否满足安全要求、有无严重安全隐患等。
三、安装检验结果
1.安装质量检查
经过对支架的安装质量进行检查,结果如下:
1)支架安装符合设计要求,细节处理合理;
2)支架连接良好,无松动和变形现象;
3)无安装不规范或损坏等问题。
2.安全检查
经过对支架的安全性进行检查,结果如下:
1)支架满足安全要求,没有明显的安全隐患;
2)支架稳定可靠,不易倾倒;
3)支架上不存在杂物或其他危险因素。
四、发现的问题及处理措施
1.问题:支架一些连接点存在松动现象。
处理措施:及时加固连接点,确保连接牢固。
2.问题:支架处存在变形现象。
处理措施:重新调整支架,使其恢复正常状态。
五、质量验收结论
经过安装质量检查和安全检查,该支架安装质量满足设计要求,符合相关规范和标准的要求,安全性良好,无严重安全隐患。
根据以上的检验结果,对该支架的安装进行合格验收。
六、备注
1.经责任方确认,该支架安装及验收过程无施工质量异议。
2.验收结果将作为后续付款和结算的依据。
七、附件
1.安装图纸及相关报告
2.照片记录
备注:本次质量验收记录仅针对支架安装进行,对其他工程部分未涉及,另需根据相关规范和标准进行验收。