钢模板制作检验批质量验收记录表
- 格式:doc
- 大小:773.00 KB
- 文档页数:32
[墩台]
模板及支架检验批质量验收记录表
主控项目
1.模板及支架的材料质量及结构必须符合施工工艺设计要求。
检验数量:施工单位、监理单位全部检查。
检验方法:观察和尺量。
2.模板安装必须稳固牢靠,接缝严密,不得漏浆。
模板与混凝土的接触面必须清理干净并涂刷隔离剂。
浇筑混凝土前,模型内的积水和杂物应清理干净。
检验数量:施工单位、监理单位全部检查。
检验方法:观察。
3.拆除承重模板及支(拱)架时的混凝土强度应符合设计要求。
当设计无要求时,混凝土强度应符合下表的规定。
拆除承重模板时混凝土强度要求
检验数量:施工单位、监理单位全部检查。
检验方法:施工单位拆模前进行一组同条件养护试件强度试验。
监理单位检查强度试验报告或见证试验。
一般项目
1.模板及支架的允许偏差和检验方法应符合下表的规定。
墩台模板允许偏差和检验数量、检验方法
滑动钢模板允许偏差和检验数量、检验方法
爬模允许偏差和检验数量、检验方法
2.拆除非承重模板时,混凝土强度应保证其表面及棱角不受损伤。
检验数量:施工单位全部检查。
检验方法:观察。
模板及支架检验批质量验收记录表 02020162□□□□单位工程名称DK103+770-DK105+159涵洞工程分部工程名称地基及基础分项工程名称模板验收部位每个安装段施工单位中铁十一局集团有限公司安六铁路项目部项目负责人卢红雄施工质量验收标准名称及编号《铁路混凝土工程施工质量验收标准》(TB10424-2010)施工质量验收标准的规定施工单位检查评定记录监理单位验收记录主控项目1 材料质量和结构钢模板,结构尺寸正确,符合验标要求。
2 模板安装质量模板安装稳固牢靠,接缝严密,有防漏浆措施,模板涂刷有隔离剂,模板内无积水,无杂物,符合验标要求。
一般项目1允许偏差(mm)轴线位置15 X X X X X 表面平整度 5 X X X X X 高程±20 X X X X X 两模板内侧宽度+10-5X X X X X 相邻模板表面高低差2 X X X X X 2预留孔洞中心位置10 X X X X X尺寸+10X X X X X 预埋件中心位置 3 X X X X X外露长度+10X X X X X施工作业人员质量责任登记施工单位检查评定结果专职质量检查员年月日分项工程技术负责人年月日分项工程负责人年月日监理单位验收结论监理工程师年月日钢筋(原材料及加工)检验批质量验收记录表(Ⅰ) 02020163□□□□单位工程名称DK103+770-DK105+159涵洞工程分部工程名称地基及基础分项工程名称钢筋验收部位每个安装段施工单位中铁十一局集团有限公司安六铁路项目部项目负责人卢红雄施工质量验收标准名称及编号《铁路混凝土工程施工质量验收标准》(TB10424-2010)施工质量验收标准的规定施工单位检查评定记录监理单位验收记录主控项目1 钢筋材质HRB400,φ12,合格证1份,编号:XXX,试验报告1份,编号:ALTJ4-11J2-GJ-20160314-5。
HPB300,φ10,合格证1份,编号:XXX,试验报告1份,编号:ALTJ4-11J2-GJ-20160314-5。
钢材模板工程验收表1. 项目信息
- 项目名称:
- 项目地址:
- 建设单位:
- 施工单位:
- 设计单位:
- 验收日期:
- 编制人:
2. 验收内容
2.1 钢材模板工程构件及材料
- 钢模板是否符合设计图纸要求?
- 钢模板表面是否平整,无明显变形、裂缝等缺陷?- 断面尺寸是否符合设计要求?
- 钢模板安装是否牢固,连接紧密?
- 钢模板材料是否符合规范要求?
- 钢模板防腐处理是否符合要求?
2.2 钢材模板工程施工工艺
- 施工工艺是否符合设计要求?
- 钢模板的拆除和重新使用是否方便,不影响结构和质量?
- 施工过程中是否注意保护现场设备和其他工程设施?
2.3 钢材模板工程质量验收
- 钢模板工程是否符合国家相关标准和规范的要求?
- 钢模板工程质量是否合格?
- 是否存在质量隐患或需要修补的地方?
- 钢模板工程的外观和表面是否满足要求?
3. 验收结论
根据以上验收内容和实际情况,经过综合评定,我单位对钢材模板工程的验收结论如下:
- 钢材模板工程符合设计要求,质量合格。
- 钢材模板工程存在以下质量问题,需要修补:(列出具体问题)
- 钢材模板工程不符合设计要求或质量不合格,需要重新整改。
4. 验收人员签字
- 建设单位代表:
- 施工单位代表:
- 设计单位代表:
以上内容为钢材模板工程验收表,请各相关方认真填写,并确
保信息准确无误。
新增 9-34
钢模板检验批质量验收记录表
单位(子单位)工程名称
地铁里程合同编号分部(子分部)工程名称验收部位施工单位项目负责人施工执行标准名称及编号
施工质量验收规范的规定施工单位检查评定记录监理单位验收记录
钢模板及支架的材料质量及结构
1
必须符合施工工艺设计要求
主
钢模板安装必须稳固牢靠,拼缝
控严密,不得漏浆,与砼的接触面项2
必须清理干净并涂隔离剂,浇砼
目前,清理模具内的积水和杂物
3拆除承重模板及支架时的砼强度
应符合设计要求
检查频率
项目允许偏差( mm)
范围点数12345678910
1 节段两
整体钢
1 8 断表面
模板
高低差
一
表面平
般
2 钢模板 1 每 4
项整度
箱梁个
目
0.1%H
3 阶 4
垂直度(端
≯3段
面)
4 轴线尺箱梁外型±3 3
寸
5 轴线位移箱梁位移 1 1
专业工长(施工员)施工班组长施工单位检查评定结果
项目专业质量检查员:年月日监理单位验收结论
专业监理工程师 :年月日
注:节段梁的预制和拼装架设验收标准,是东莞轨道公司参照相应的地铁和铁路规范并结合设计及合同技术条款制定。
模板安装检验批质量验收记录一、检验批名称模板安装检验批二、施工单位施工单位:XXXX公司施工部位:XXXX楼三、检验内容1、现场模板安装是否符合设计要求2、模板板面的平整度是否符合要求3、模板的加固措施是否符合要求四、检验仪器设备1、 5m直尺2、接触式测高仪3、钢丝绳五、检验步骤及记录编号检验项目检验内容检验结果备注1 现场模板安装是否符合设计要求合格 / 不合格2 模板板面平整度是否符合要求合格 / 不合格3 模板加固措施是否符合要求合格 / 不合格1、现场模板安装是否符合设计要求实施检验时,检查模板搭设牢固是否平稳,模板是否有错拼,模板立杆、支撑圆孔是否对准,并作详细记录。
检验结果:检验项目检验内容检验结果备注现场模板安装是否符合设计要求合格 / 不合格2、模板板面平整度是否符合要求以5m直尺为主要依据,结合接触式测高仪对模板板面的平整度进行检验,着重检查垂直方向和水平方向,作详细记录。
检验结果:检验项目检验内容检验结果备注模板板面平整度是否符合要求合格 / 不合格3、模板加固措施是否符合要求主要检查临边模板加固和顶承模板加固措施是否在位、牢固,检查是否采用拉钢、大樘木、加强筋等进行加固。
作详细记录。
检验结果:检验项目检验内容检验结果备注模板加固措施是否符合要求合格 / 不合格六、检验评定经检验,各项指标均符合设计及规范要求,检验结果为合格,现场不必进行重新整改处置。
同时,要求施工单位在后续施工工作中,严格按照设计要求进行模板安装,保证施工质量。
七、检验人员检验验收人员:XXX、XXX检验日期:XXXX年XX月XX日八、附录无。
SG—T042
模板工程检验批质量验收记录
四川省建设厅制
SG—T042填写说明
一、本表适用于模板工程检验批质量验收记录。
二、本表由监理工程师(建设单位技术负责人)组织项目专业质量(技术)负责人等进行验收。
三、检验批的划分:
模板安装工程应与施互组织设计或施工方案相一致且便于控制施工质量的原则划分,按工作班、楼层、结构缝或施工段划分为若干个检验批。
四、检查数量:
1.表中主控项目的检查数量:全数检查。
2.表中一般项目中1~6项和12项:全数检查。
第7~11项:在同一检验批中,对梁柱和独立基础,应抽查构件数量的10%,且不少于3件,对墙和板,应按有代表性的自然间抽查10%,且不少于3间;对大空间结构,墙可按相邻轴线间高度5米左右划分检查面,板可按纵、横轴线划分检查面,抽查10%,且不少于3面。
3.检查底模与支架拆除时,混凝土强度应符合设计或表4.3.1规定。
五、表中主控项目的检查方法:
1.安装现浇结构的上层模板及其支架时,下层楼板应具有承受上层荷载的承载能力,或加设支架上;上、下层支架的立柱应对准,并铺设垫板:对照模板设计文件和施工技术方篥观察。
2.在涂刷模板隔离剂时,不得玷污钢筋和混凝土接槎处:观察。
3.检查轴线和中心线位置时,应沿纵、横两个方向量测,并取其中的较大值。
六、一般项目检查方法:钢尺、经纬仪、水准仪、塞尺等。
七、表中一般项目允许偏差值的单位为“mm”。
八、本表一式四份,建设、监理单位各存一份,施工单位两份。
精品文档.。
模板制作检验批质量验收记录表
模板制作检验批质量验收记录表
模板制作检验批质量验收记录表
模板制作检验批质量验收记录表
模板制作检验批质量验收记录表
模板制作检验批质量验收记录表
模板制作检验批质量验收记录表
模板制作检验批质量验收记录表
模板制作检验批质量验收记录表
模板制作检验批质量验收记录表
模板制作检验批质量验收记录表
模板制作检验批质量验收记录表
模板制作检验批质量验收记录表
模板制作检验批质量验收记录表
模板制作检验批质量验收记录表
模板制作检验批质量验收记录表
模板制作检验批质量验收记录表
模板制作检验批质量验收记录表
模板制作检验批质量验收记录表
模板制作检验批质量验收记录表
模板制作检验批质量验收记录表
模板制作检验批质量验收记录表
模板制作检验批质量验收记录表
模板制作检验批质量验收记录表
模板制作检验批质量验收记录表
模板制作检验批质量验收记录表
模板制作检验批质量验收记录表
模板制作检验批质量验收记录表
模板制作检验批质量验收记录表
模板制作检验批质量验收记录表
模板制作检验批质量验收记录表
模板制作检验批质量验收记录表。
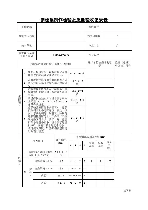
桥头搭板模板制作检验批质量验收记录表桥头搭板模板制作检验批质量验收记录表
工程名称施工单位分项工程名称施工班组长验收部位专业工长施工执行标准名称及编号项目经理检控
项目质量验收规范规定施工单位检查评定记录监理(建设)单位
验收记录主
控
项
目第5.4.1条模板、支架和拱架制作及安装应符合施工设计图(施工方案)的规定,且稳固牢靠,接缝严密,立柱基础有足够的支撑面和排水、防冻融措施。
一般项目项目(第5.4.2条之表5.4.2)允许偏差
(mm)量测值(mm)模
板
制
作
允
偏
差木
模
板模板的长度和宽度±5 不刨光模板相邻两板表面高低差 3 刨光模板和相邻两板表面高低差1 平板模板表面最大的局部不平(刨光模板) 3 平板模板表面最大的局部不平(不刨光模板) 5 榫槽嵌接紧密度 2 钢
模
板模板的长度和宽度 0
1 肋高±5 面板端偏斜 0.5 连接配件(螺栓、卡子等)的孔眼位置孔中心与板面的间距±0.3 板端孔中心与板端的间距 0
0.5 沿板长宽方向的孔±0.6 板面局部不平1.0 板面和板侧挠度±1.0 施工单位检查评定结果项目专业质量检查员:年月日监理(建设)单位验收结论专业监理工程师:
(建设单位项目专业技术负责人):年月日注:1.本表适用于现浇和预制的混凝土、钢筋混凝土、预应力混凝土和砌体所用的模板、拱架和支架的制作;
2.模板制作过程控制要点见【检查验收时执行的规范条目】附文。
669。
钢模板验收记录表
概述
本文档记录了钢模板的验收情况,旨在确保质量和安全标准符合要求。
本记录表适用于所有涉及钢模板的项目。
项目信息
- 项目名称:
- 项目地址:
- 项目负责人:
- 验收日期:
验收人员
- 验收人员姓名:
- 验收人员职位:
- 验收人员联系方式:
验收标准
以下是钢模板的验收标准,需根据项目要求进行设定。
尺寸要求
- 长度:
- 宽度:
- 厚度:
表面要求
- 平整度:
- 光洁度:
- 表面平整度:
强度要求
- 抗压强度:
- 抗弯强度:
验收结果
根据对钢模板的验收情况,填写以下结果。
- 验收结果:(通过/不通过)
- 不通过原因:(如果不通过,请填写原因)- 备注:
验收记录
在此处列出验收记录,包括验收日期、验收人、以及验收结果。
签名
请验收人员、项目负责人以及其他相关人员在此处签名确认本
次验收记录的准确性和完整性。
- 验收人员签名:
- 项目负责人签名:。
模板制作检验批质量验收记录表编号:__________模板制作检验批质量验收记录表编号:__________模板制作检验批质量验收记录表编号:__________模板制作检验批质量验收记录表编号:__________模板制作检验批质量验收记录表编号:__________模板制作检验批质量验收记录表编号:__________模板制作检验批质量验收记录表编号:__________模板制作检验批质量验收记录表编号:__________模板制作检验批质量验收记录表编号:__________模板制作检验批质量验收记录表编号:__________模板制作检验批质量验收记录表编号:__________模板制作检验批质量验收记录表编号:__________模板制作检验批质量验收记录表编号:__________模板制作检验批质量验收记录表编号:__________模板制作检验批质量验收记录表编号:__________模板制作检验批质量验收记录表编号:__________模板制作检验批质量验收记录表编号:__________模板制作检验批质量验收记录表编号:__________模板制作检验批质量验收记录表编号:__________模板制作检验批质量验收记录表编号:__________模板制作检验批质量验收记录表编号:__________模板制作检验批质量验收记录表编号:__________模板制作检验批质量验收记录表编号:__________模板制作检验批质量验收记录表编号:__________模板制作检验批质量验收记录表编号:__________模板制作检验批质量验收记录表编号:__________模板制作检验批质量验收记录表编号:__________模板制作检验批质量验收记录表编号:__________模板制作检验批质量验收记录表编号:__________模板制作检验批质量验收记录表编号:__________模板制作检验批质量验收记录表编号:__________模板制作检验批质量验收记录表编号:__________鞠躬尽瘁,死而后已。