桥梁工程检验批验收记录表汇总(doc 93页)
- 格式:doc
- 大小:3.68 MB
- 文档页数:92
桥梁工程质量验收记录表
项目信息
- 项目名称:[填写桥梁工程项目名称]
- 项目编号:[填写项目编号]
- 项目负责人:[填写项目负责人姓名]
- 施工单位:[填写施工单位名称]
- 设计单位:[填写设计单位名称]
- 验收时间:[填写验收时间]
质量验收记录
1. 施工质量
- 施工质量达到设计要求:[是/否]
- 施工材料质量合格:[是/否]
- 施工工艺符合规范要求:[是/否]
- 施工过程存在的问题及整改情况:[描述问题及整改情况]
2. 结构安全
- 结构稳定可靠:[是/否]
- 结构荷载承载能力满足要求:[是/否]
- 结构存在的问题及整改情况:[描述问题及整改情况]
3. 技术标准
- 施工符合相关技术标准:[是/否]
- 设备、仪器使用符合规范要求:[是/否]
- 技术操作符合规范要求:[是/否]
- 技术标准存在的问题及整改情况:[描述问题及整改情况]
4. 安全生产
- 施工过程安全措施落实:[是/否]
- 安全设施符合要求并有效:[是/否]
- 安全生产存在的问题及整改情况:[描述问题及整改情况]
5. 环境保护
- 施工过程环境保护措施落实:[是/否]
- 施工过程污染物排放符合标准:[是/否]
- 环境保护存在的问题及整改情况:[描述问题及整改情况] 6. 其他
- 其他需要记录的问题及整改情况:[描述其他问题及整改情况]
总结
- 本次桥梁工程质量验收情况总结:[简要总结]
- 验收结论:[验收合格/验收不合格]
- 验收人:[填写验收人姓名]
以上是对桥梁工程质量验收的记录表,根据具体情况进行填写并保存备案。
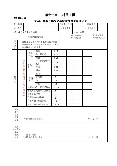
模板制作检查批质量验收记录市政质检·2·1第页,共页模板、支架和拱架安装检查批质量验收记录(一)市政质检·2·2-1页,共页模板、支架和拱架安装检查批质量验收记录(二)市政质检·2·2-2第页,共页钢筋加工检查批质量验收记录市政质检·2·3第页,共页钢筋成型和安装检查批质量验收记录(一)市政质检·2·4-1第页,共页钢筋成型和安装检查批质量验收记录(二)市政质检·2·4-2第页,共页混凝土检查批质量验收记录(一)市政质检·2·5-1第页,共页混凝土检查批质量验收记录(二)市政质检·2·5-2第页,共页预应力混凝土张拉检查批质量验收记录(一)市政质检·2·6-1第页,共页预应力混凝土张拉检查批质量验收记录(二)市政质检·2·6-2第页,共页砌体检查批质量验收记录市政质检·2·7第页,共页基坑开挖检查批质量验收记录市政质检·2·8第页,共页地基回填土方检查批质量验收记录市政质检·2·9第页,共页现浇混凝土基础检查批质量验收记录市政质检·2·10第页,共页砌体基础检查批质量验收记录市政质检·2·11 第页,共页预制混凝土桩预制检查批质量验收记录市政质检·2·12第页,共页钢管桩制作检查批质量验收记录市政质检·2·13第页,共页沉桩检查批质量验收记录市政质检·2·14第页,共页混凝土灌注桩检查批质量验收记录市政质检·2·15第页,共页沉井制作检查批质量检查记录市政质检·2·16第页,共页沉井下沉检查批质量验收记录市政质检·2·17第页,共页地下持续墙检查批质量验收记录市政质检·2·18第页,共页混凝土承台检查批质量验收记录市政质检·2·19第页,共页墩台砌体检查批质量验收记录市政质检·2·20第页,共页现浇混凝土墩台、柱、挡墙检查批质量验收记录市政质检·2·21第页,共页预制安装混凝土柱检查批质量验收记录市政质检·2·22第页,共页现浇混凝土盖梁检查批质量验收记录市政质检·2·23第页,共页人行天桥钢墩柱制作、安装检查批质量验收记录市政质检·2·24第页,共页台背填土检查批质量验收记录市政质检·2·25第页,共页支座安装检查批质量验收记录市政质检·2·26第页,共页支架上浇筑梁、板检查批质量验收记录市政质检·2·27第页,共页预制安装梁(板)检查批质量验收记录市政质检·2·28第页,共页预制梁、板安装检查批质量验收记录市政质检·2·29第页,共页悬臂浇筑预应力混凝土梁检查批质量验收记录市政质检·2·30第页,共页悬臂拼装预制梁段检查批质量验收记录市政质检·2·31第页,共页悬臂拼装预应力混凝土梁检查批质量验收记录市政质检·2·32第页,共页顶推施工梁检查批质量验收记录市政质检·2·33第页,共页钢板梁制作检查批质量验收记录(一)市政质检·2·34-1第页,共页钢板梁制作检查批质量验收记录(二)市政质检·2·34-2第页,共页钢桁梁节段制作检查批质量验收记录市政质检·2·35第页,共页钢箱形梁制作检查批质量验收记录市政质检·2·36第页,共页钢梁现场安装检查批质量检查记录市政质检·2·37第页,共页结合梁现浇混凝土构造检查批质量验收记录市政质检·2·38第页,共页砌筑拱圈检查批质量验收记录市政质检·2·39第页,共页现浇混凝土拱圈检查批质量验收记录市政质检·2·40第页,共页劲性骨架混凝土拱圈制作检查批质量验收记录市政质检·2·41第页,共页劲性骨架混凝土拱圈安装检查批质量验收记录市政质检·2·42第页,共页劲性骨架混凝土拱圈检查批质量验收记录市政质检·2·43第页,共页装配式混凝土拱部构造(预制拱圈)检查批质量验收记录市政质检·2·44第页,共页。
1师签字。
2注:本表由施工单位填报,监理单位、施工单位各存一份。
分部工程应有由监理工程师签字。
注:本表由施工单位填报,监理单位、施工单位各存一份。
分部工程应有由监理工程师签字。
注:本表由施工单位填报,监理单位、施工单位各存一份。
分部工程应有由监理工程师签字。
注:本表由施工单位填报,监理单位、施工单位各存一份。
分部工程应有由监理工程师签字。
注:本表供施工单位填写,城建档案馆、建设单位、施工单位留存。
注:本表由施工单位填报,监理单位、施工单位各存一份。
分部工程应有由监理工程师签字。
注:本表供施工单位填写,城建档案馆、建设单位、施工单位留存。
注:本表由施工单位填报,监理单位、施工单位各存一份。
分部工程应有由监理工程师签字。
注:本表供施工单位填写,城建档案馆、建设单位、施工单位留存。
注:本表由施工单位填报,监理单位、施工单位各存一份。
分部工程应有由监理工程师签字。
注:本表供施工单位填写,城建档案馆、建设单位、施工单位留存。
注:本表由施工单位填报,监理单位、施工单位各存一份。
分部工程应有由监理工程师签字。
注:本表供施工单位填写,城建档案馆、建设单位、施工单位留存。
注:本表由施工单位填报,监理单位、施工单位各存一份。
分部工程应有由监理工程师签字。
注:本表供施工单位填写,城建档案馆、建设单位、施工单位留存。
注:本表由施工单位填报,监理单位、施工单位各存一份。
分部工程应有由监理工程师签字。
注:本表供施工单位填写,城建档案馆、建设单位、施工单位留存。
注:本表由施工单位填报,监理单位、施工单位各存一份。
分部工程应有由监理工程师签字。
注:本表供施工单位填写,城建档案馆、建设单位、施工单位留存。
注:本表由施工单位填报,监理单位、施工单位各存一份。
分部工程应有由监理工程师签字。
注:本表供施工单位填写,城建档案馆、建设单位、施工单位留存。
注:本表由施工单位填报,监理单位、施工单位各存一份。
分部工程应有由监理工程师签字。
注:本表供施工单位填写,城建档案馆、建设单位、施工单位留存。
模板制作工程验收批质量验收记录质验表(桥)—1 建设单位:监理单位:合同号:南通市建设工程质量监督站监制模板、支架和拱架安装工程验收批质量验收记录(一)质验表(桥)—2.1 建设单位:监理单位:合同号:模板、支架和拱架安装工程验收批质量验收记录(二)质验表(桥)—2.2 建设单位:监理单位:合同号:钢筋加工工程验收批质量验收记录质验表(桥)—3 建设单位:监理单位:合同号:钢筋网工程验收批质量验收记录质验表(桥)—4 建设单位:监理单位:合同号:南通市建设工程质量监督站监制钢筋成形和安装工程验收批质量验收记录质验表(桥)— 5 建设单位:监理单位:合同号:南通市建设工程质量监督站监制混凝土工程验收批质量验收记录质验表(桥)—6 建设单位:监理单位:合同号:南通市建设工程质量监督站监制预应力张拉先张法工程验收批质量验收记录质验表(桥)—7 建设单位:监理单位:合同号:南通市建设工程质量监督站监制预应力张拉后张法工程验收批质量验收记录质验表(桥)—8 建设单位:监理单位:合同号:南通市建设工程质量监督站监制砌体工程验收批质量验收记录质验表(桥)—9 建设单位:监理单位:合同号:南通市建设工程质量监督站监制基坑开挖工程检验批质量验收记录质验表(桥)—10 建设单位:监理单位:合同号:南通市建设工程质量监督站监制现浇混凝土基础工程检验批质量验收记录质验表(桥)—11 建设单位:监理单位:合同号:南通市建设工程质量监督站监制砌体基础工程检验批质量验收记录质验表(桥)—12 建设单位:监理单位:合同号:南通市建设工程质量监督站监制钢筋混凝土和预应力混凝土桩的预制工程检验批质量验收记录质验表(桥)—13 建设单位:监理单位:合同号:南通市建设工程质量监督站监制钢管桩工程检验批质量验收记录质验表(桥)—14 建设单位:监理单位:合同号:南通市建设工程质量监督站监制沉桩工程检验批质量验收记录质验表(桥)—15 建设单位:监理单位:合同号:南通市建设工程质量监督站监制混凝土灌注桩工程检验批质量验收记录质验表(桥)—16 建设单位:监理单位:合同号:南通市建设工程质量监督站监制混凝土沉井工程检验批质量验收记录质验表(桥)—17 建设单位:监理单位:合同号:南通市建设工程质量监督站监制沉井下沉工程验收批质量验收记录质验表(桥)—18 建设单位:监理单位:合同号:南通市建设工程质量监督站监制地下连续墙工程验收批质量验收记录质验表(桥)—19 建设单位:监理单位:合同号:南通市建设工程质量监督站监制混凝土承台工程验收批质量验收记录质验表(桥)—20 建设单位:监理单位:合同号:南通市建设工程质量监督站监制砌筑墩台工程检验批质量验收记录质验表(桥)—21 建设单位:监理单位:合同号:现浇混凝土墩台工程检验批质量验收记录质验表(桥)—22 建设单位:监理单位:合同号:南通市建设工程质量监督站监制预制混凝土柱工程检验批质量验收记录质验表(桥)—23 建设单位:监理单位:合同号:南通市建设工程质量监督站监制预制柱安装工程检验批质量验收记录质验表(桥)—24 建设单位:监理单位:合同号:南通市建设工程质量监督站监制现浇混凝土盖梁工程检验批质量验收记录质验表(桥)—25 建设单位:监理单位:合同号:南通市建设工程质量监督站监制质验表(桥)—26 建设单位:监理单位:合同号:质验表(桥)—27 建设单位:监理单位:合同号:南通市建设工程质量监督站监制支座工程验收批质量验收记录质验表(桥梁)—28 建设单位:监理单位:合同号:南通市建设工程质量监督站监制整体浇筑梁(板)工程验收批质量验收记录质验表(桥梁)—29 建设单位:监理单位:合同号:预制梁(板)工程验收批质量验收记录质验表(桥梁)—30.1 建设单位:监理单位:合同号:预制梁(板)安装工程验收批质量验收记录质验表(桥梁)—30.2 建设单位:监理单位:合同号:南通市建设工程质量监督站监制悬臂浇筑预应力混凝土梁工程验收批质量验收记录质验表(桥梁)—31 建设单位:监理单位:合同号:南通市建设工程质量监督站监制悬臂拼装预应力混凝土梁工程验收批质量验收记录质验表(桥梁)—32 建设单位:监理单位:合同号:顶推施工梁工程验收批质量验收记录质验表(桥梁)—33 建设单位:监理单位:合同号:钢板梁制作工程验收批质量验收记录质验表(桥梁)—34.1 建设单位:监理单位:合同号:钢桁梁节段制作工程验收批质量验收记录质验表(桥梁)—34.2 建设单位:监理单位:合同号:钢箱形梁制作工程验收批质量验收记录质验表(桥梁)—34.3 建设单位:监理单位:合同号:钢梁安装工程验收批质量验收记录质验表(桥梁)—35 建设单位:监理单位:合同号:结合梁工程验收批质量验收记录质验表(桥梁)—36 建设单位:监理单位:合同号:南通市建设工程质量监督站监制砌筑拱圈工程验收批质量验收记录质验表(桥梁)—37 建设单位:监理单位:合同号:现浇混凝土拱圈工程验收批质量验收记录质验表(桥梁)—38 建设单位:监理单位:合同号:南通市建设工程质量监督站监制劲性骨架混凝土拱圈工程验收批质量验收记录质验表(桥梁)—39 建设单位:监理单位:合同号:南通市建设工程质量监督站监制建设单位:监理单位:合同号:南通市建设工程质量监督站监制建设单位:监理单位:合同号:南通市建设工程质量监督站监制质验表(桥梁)—40.3 建设单位:监理单位:合同号:南通市建设工程质量监督站监制质验表(桥梁)—41 建设单位:监理单位:合同号:南通市建设工程质量监督站监制中下承式拱吊杆和柔性系杆工程验收批质量验收记录质验表(桥梁)—42 建设单位:监理单位:合同号:南通市建设工程质量监督站监制转体施工拱工程验收批质量验收记录质验表(桥梁)—43 建设单位:监理单位:合同号:南通市建设工程质量监督站监制。
桥梁钢筋工程检验批质量验收记录表钢筋工程检验批质量验收记录填写说明主控项目1、材料应符合下列规定:①、钢筋、焊条的品种、牌号、规格和技术性能必须符合设计和规范要求。
检查数量:全数检查。
检验方法:检查产品合格证、出厂检验报告。
②、钢筋进场时,必须按批抽取试件作力学性能(屈服强度、抗拉强度和伸长率)和工艺性能(冷弯)试验,其质量必须符合《钢筋混凝土用热轧光圆钢筋》(GB13013)和《钢筋混凝土用热轧带肋钢筋》(GB1499)等现行国家标准的规定和设计要求。
检验数量:以同牌号、同炉罐号、同规格、同交货状态的钢筋,每60t为一批,不足60t也按一批计,每批抽检1次。
监理单位100﹪见证取样检测,30﹪须见证取样送检。
检验方法:施工单位检查每批质量证明书和进行试验。
监理单位检查全部质量证明书和试验报告并进行见证取样检测。
③、当钢筋出现脆断、焊接性能不良或力学性能显著不正常等现象时,应对该批钢筋进行化学成分分析或其他专项检验。
检验数量:该批钢筋全数检查。
检验方法:检查专项检验报告。
2、受力钢筋弯制和末端弯钩均应符合设计要求。
当设计未提出要求时,应符合下列规定:①、HPB235级别钢筋的末端应作180°弯钩,其弯曲直径D不得小于钢筋直径的2.5倍,钩端应留有不小于钢筋直径3倍的直线段。
②、当设计要求钢筋末端需作135°弯钩时,HRB335级、HRB400级钢筋的弯曲直径D分别不得小于钢筋直径的4倍、5倍,钩端应留有不小于钢筋直径5倍的直线段。
③、采用90°弯钩时,HRB335级、HRB400级钢筋的弯曲直径D分别不得小于钢筋直径的4倍、5倍,钩端应留有不小于钢筋直径10倍的直线段。
④、各类钢筋做不大于90°的中间弯制时,弯曲直径D不得小于钢筋直径的20倍。
检验数量:每工作日同一类型钢筋抽查不少于3件。
检验方法:用钢尺量。
3、箍筋末端弯钩的形式应符合设计要求。
当设计未提出要求时,应符合下列规定:①、弯钩的弯曲直径应大于受力钢筋直径,且HPB235级钢筋不得小于箍筋直径的2.5倍,HRB335不得小于箍筋直径的4倍;②、箍筋弯钩的弯折角度:对一般结构,不应小于90°;对有抗震等要求的结构,应为135°;③、箍筋弯后平直部分长度:对一般结构,不宜小于箍筋直径的5倍;对有抗震等要求的结构,不得小于箍筋直径的10倍。
3、桥梁工程验收资料用表单位(子单位)工程质量竣工验收记录单位(子单位)工程质量控制资料核查记录单位(子单位)工程安全和功能检验资料核查及主要功能抽查记录单位(子单位)工程观感质量检查记录分部(子分部)工程质量验收记录分项工程质量验收记录检验批质量验收记录检验批附表(通用)木模板制作检验批质量验收记录注:括号内数字为刨光模板的允许偏差,括号外数字为不刨光模板的允许偏差。
钢模板制作检验批质量验收记录注:括号内数字为刨光模板的允许偏差,括号外数字为不刨光模板的允许偏差。
C9-1第2页共2页单位工程名称编号Q1-2-顺序号分项工程名称模板、支架和拱架安装验收部位施工承包单位工程数量项目经理施工负责人技术负责人专业承包单位项目经理施工班组长施工执行的标准名称及编号城市桥梁工程施工与质量验收规程CJJ2-2008第5.4.3条施工质量验收规范的规定施工单位检查评定记录应测点数合格点数合格率(%)检查项目规定值或允许偏差(mm)1 2 3 4 5 6 7 8主控项目1模板支架拱架安装符合规范要求同上页一般项目16 对角线差17 侧向弯曲18纵轴线的平面偏位L/2000,且不大于3019 拱架高程+20,-1020预埋件、预留孔的设置平均合格率(%)施工单位检查评定结果:质量检查员年月日监理(建设)单位验收结论:监理工程师(建设单位项目专业技术负责人)年月日钢筋加工检验批质量验收记录末端弯钩为90和135弯曲直径允许偏差仅限于φ8-φ25。
钢筋网检验批质量验收记录钢筋成型和安装检验批质量验收记录混凝土原材料及配合比检验批质量验收记录括号内数字为工厂或搅拌站允许偏差(括号内数字为工地允许偏差)。
钢丝、钢绞线先张法检验批质量验收记录砌体工程检验批质量验收记录现浇混凝土基础检验批质量验收记录砌体基础检验批质量验收记录沉桩检验批质量验收记录接桩焊缝外观检验批质量验收记录混凝土灌注桩检验批质量验收记录沉井制作检验批质量验收记录就地制作沉井下沉检验批质量验收记录浮式沉井下沉检验批质量验收记录地下连续墙检验批质量验收记录混凝土承台检验批质量验收记录监理工程师(建设单位项目专业技术负责人)年月日浆砌块石砌筑墩台检验批质量验收记录监理工程师(建设单位项目专业技术负责人)年月日浆砌料石、砌块砌筑墩台检验批质量验收记录施工单位检查评定结果:质量检查员年月日监理(建设)单位验收结论:监理工程师(建设单位项目专业技术负责人)年月日现浇混凝土墩台检验批质量验收记录现浇混凝土柱检验批质量验收记录施工单位检查评定结果:质量检查员年月日监理(建设)单位验收结论:监理工程师(建设单位项目专业技术负责人)年月日现浇混凝土挡墙检验批质量验收记录预制安装混凝土柱检验批质量验收记录现浇混凝土盖梁检验批质量验收记录人行天桥钢墩柱制作检验批质量验收记录人行天桥钢墩柱安装检验批质量验收记录台背填土检验批质量验收记录支座安装检验批质量验收记录整体浇筑钢筋混凝土梁、板检验批质量验收记录质量检查员年月日监理(建设)单位验收结论:监理工程师(建设单位项目专业技术负责人)年月日预制梁、板检验批质量验收记录质量检查员年月日监理(建设)单位验收结论:监理工程师(建设单位项目专业技术负责人)年月日梁、板安装检验批质量验收记录悬臂浇筑预应力混凝土梁检验批质量验收记录。
桥梁工程质量验收记录表
1. 项目基本信息
- 项目名称:[填写项目名称]
- 项目编号:[填写项目编号]
- 施工单位:[填写施工单位名称]
- 验收单位:[填写验收单位名称]
- 验收人员:[填写验收人员姓名]
2. 验收内容
2.1 基础工程验收
- 基础开挖情况:[填写基础开挖情况,如是否达到设计要求] - 基础质量:[填写基础质量状况,如土方回填、砼浇筑情况等] - 基础防水:[填写基础防水情况,如防水层材料、施工质量等]
2.2 结构工程验收
- 主体结构:[填写主体结构验收情况,如砼浇筑质量、预应力张拉等]
- 沿线设备:[填写沿线设备验收情况,如安装质量、检测设备等]
- 钢结构:[填写钢结构验收情况,如连接件质量、防腐处理等]
2.3 安全工程验收
- 安全设施:[填写安全设施验收情况,如警示标识、护栏等]
- 紧急疏散通道:[填写紧急疏散通道验收情况,如通畅性、安全性等]
3. 验收结论
根据对以上内容的验收情况进行综合评定,结论如下:
- 项目整体质量:[填写整体质量评定,如优良、合格、不合格等]
- 验收意见:[填写验收意见,如需要整改的问题及具体要求]
4. 验收人员签字
- 施工单位负责人签字:___________________ - 验收单位负责人签字:___________________ - 验收人员签字:___________________。
城市桥梁工程检验批质量验收记录表2.1 模板、支架和拱架2.1.1 木模板制作检验批质量验收记录表2.1.2 钢模板制作检验批质量验收记录表2.1.3 模板、支架和拱架安装检验批质量验收记录表2.2 钢筋工程2.2.1 钢筋加工检验批质量验收记录表2.2.2 钢筋网加工检验批质量验收记录表2.2.3 钢筋成形和安装检验批质量验收记录表2.3 混凝土、预应力混凝土和砌体工程2.3.1 混凝土原材料及配合比检验批质量验收记录表2.3.2 预应力材料检验批质量验收记录表2.3.3 钢丝、钢绞线先张法施工检验批质量验收记录表2.3.4 钢筋先张法施工检验批质量验收记录表2.3.5 钢筋后张法施工检验批质量验收记录表2.3.6 砌体工程检验批质量验收记录表2.4 基础工程2.4.1 基坑、地基、回填土检验批质量验收记录表2.4.2 现浇混凝土基础检验批质量验收记录表2.4.3 砌体基础检验批质量验收记录表2.4.4 预制桩检验批质量验收记录表2.4.5 钢管桩制作检验批质量验收记录表2.4.6 沉桩检验批质量验收记录表2.4.7 混凝土灌注桩检验批质量验收记录表2.4.8 沉井制作检验批质量验收记录表2.4.9 沉井浮运下沉与清基封底检验批质量验收记录表2.4.10 地下连续墙检验批质量验收记录表2.4.11 现浇混凝土承台检验批质量验收记录表2.5 墩台和支座2.5.1 浆砌块石砌筑墩台检验批质量验收记录表2.5.2 浆砌料石、砌块砌筑墩台检验批质量验收记录表2.5.3 现浇混凝土墩台检验批质量验收记录表2.5.4 现浇混凝土(柱)检验批质量验收记录表2.5.5 现浇混凝土挡墙检验批质量验收记录表2.5.6 预制安装混凝土柱检验批质量验收记录表2.5.7 现浇混凝土盖梁检验批质量验收记录表2.5.8 人行天桥钢墩柱检验批质量验收记录表2.5.9 台背填土检验批质量验收记录表2.5.10 支座检验批质量验收记录表2.6 混凝土梁(板)2.6.1 支架上浇筑梁(板)检验批质量验收记录表2.6.2 混凝土梁(板)预制检验批质量验收记录表2.6.3 混凝土梁(板)安装质量验收记录表2.6.4 悬臂浇筑混凝土梁检验批质量验收记录表2.6.5 悬臂拼装预应力混凝土梁检验批质量验收记录表2.6.6 顶推施工预应力混凝土梁检验批质量验收记录表2.7 钢梁与结合梁2.7.1 钢桁梁节段制作检验批质量验收记录表2.7.2 钢板梁制作检验批质量验收记录表2.7.3 钢箱形梁制作检验批质量验收记录表2.7.4 钢梁现场安装检验批质量验收记录表2.7.5 钢-混凝土结合梁检验批质量验收记录表2.7.6 混凝土结合梁检验批质量验收记录表2.8 拱部与拱上结构2.8.1 砌筑拱圈检验批质量验收记录表2.8.2 现浇混凝土拱圈检验批质量验收记录表2.8.3 劲性骨架混凝土拱圈检验批质量验收记录表2.8.4 拱圈预制与安装检验批质量验收记录表2.8.5 悬臂拼装的桁架拱检验批质量验收记录表2.8.6 腹拱安装检验批质量验收记录表2.8.7 钢管混凝土拱检验批质量验收记录表2.8.8 中下承式拱吊杆和柔性系杆拱检验批质量验收记录表2.8.9 转体施工拱检验批质量验收记录表2.9 斜拉桥2.9.1 现浇混凝土索塔检验批质量验收记录表2.9.2 混凝土斜拉桥墩顶梁段检验批质量验收记录表2.9.3 支架上浇筑混凝土主梁检验批质量验收记录表2.9.4 悬臂浇筑混凝土主梁检验批质量验收记录表2.9.5 悬臂拼装混凝土主梁检验批质量验收记录表2.9.6 钢箱梁段制作检验批质量验收记录表2.9.7 悬臂拼装、在支架上安装检验批质量验收记录表2.9.8 结合梁的工字钢梁拼装检验批质量验收记录表2.9.9 结合梁的混凝土板施工检验批质量验收记录表2.9.10 斜拉索安装检验批质量验收记录表2.10 悬索桥2.10.1 现浇混凝土索塔检验批质量验收记录表2.10.2 锚碇锚固系统制作检验批质量验收记录表2.10.3 锚碇锚固系统安装检验批质量验收记录表2.10.4 锚碇混凝土施工检验批质量验收记录表2.10.5 预应力锚索张拉检验批质量验收记录表2.10.6 主索鞍安装检验批质量验收记录表2.10.7 散索鞍安装检验批质量验收记录表2.10.8 主缆架设与防护检验批质量验收记录表2.10.9 索夹和吊索安装检验批质量验收记录表2.10.10 悬索桥钢箱梁段拼装检验批质量验收记录表2.11 顶进箱涵2.11.1 滑板检验批质量验收记录表2.11.2 预制箱涵检验批质量验收记录表2.11.3 箱涵顶进检验批质量验收记录表2.12 桥面系2.12.1 排水设施检验批质量验收记录表2.12.2 桥面防水层检验批质量验收记录表2.12.3 水泥混凝土桥面铺装层检验批质量验收记录表2.12.4 沥青混凝土桥面铺装层检验批质量验收记录表2.12.5 人行天桥塑胶桥面铺装层检验批质量验收记录表2.12.6 伸缩装置检验批质量验收记录表2.12.7 地袱、缘石和挂板检验批质量验收记录表2.12.8 混凝土栏杆预制及安装检验批质量验收记录表2.12.9 金属栏杆、防护网检验批质量验收记录表2.12.10 防撞护栏、防撞墩、隔离墩检验批质量验收记录表2.12.11 人行道检验批质量验收记录表2.13 附属结构2.13.1 隔声装置安装检验批质量验收记录表2.13.2 防眩装置安装检验批质量验收记录表2.13.3 混凝土梯道安装检验批质量验收记录表2.13.4 钢梯道制作与安装检验批质量验收记录表2.13.5 桥头搭板检验批质量验收记录表2.13.6 防冲刷结构检验批质量验收记录表2.13.7 照明系统检验批质量验收记录表2.14 装饰与装修2.14.1 水泥砂浆普通抹面检验批质量验收记录表2.14.2 水磨石装饰抹面检验批质量验收记录表2.14.3 水刷石装饰抹面检验批质量验收记录表2.14.4 剁斧石装饰抹面检验批质量验收记录表2.14.5 镶天然石饰面板检验批质量验收记录表2.14.6 镶人造石饰面板检验批质量验收记录表2.14.7 贴饰面砖检验批质量验收记录表2.14.8 涂饰检验批质量验收记录表2.15 竣工验收2.15.1 工程竣工验收检验批质量验收记录表2.15.2 单位(子单位)工程观感检查记录木模板制作检验批质量验收记录表钢模板制作检验批质量验收记录表模板、支架和拱架安装检验批质量验收记录表钢筋加工检验批质量验收记录表钢筋网加工检验批质量验收记录表编钢筋成形和安装检验批质量验收记录表编混凝土原材料及配合比检验批质量验收记录表预应力材料检验批质量验收记录表钢丝、钢绞线先张法施工检验批质量验收记录表钢筋先张法施工检验批质量验收记录表钢筋后张法施工检验批质量验收记录表砌体工程检验批质量验收记录表编号:__________基坑、地基、回填土检验批质量验收记录表现浇混凝土基础检验批质量验收记录表砌体基础检验批质量验收记录表预制桩检验批质量验收记录表钢管桩制作检验批质量验收记录表沉桩检验批质量验收记录表混凝土灌注桩检验批质量验收记录表沉井制作检验批质量验收记录表沉井浮运下沉与清基封底检验批质量验收记录表地下连续墙检验批质量验收记录表现浇混凝土承台检验批质量验收记录表浆砌块石砌筑墩台检验批质量验收记录表编号:__________浆砌料石、砌块砌筑墩台检验批质量验收记录表现浇混凝土墩台检验批质量验收记录表现浇混凝土(柱)检验批质量验收记录表现浇混凝土挡墙检验批质量验收记录表预制安装混凝土柱检验批质量验收记录表现浇混凝土盖梁检验批质量验收记录表人行天桥钢墩柱检验批质量验收记录表台背填土检验批质量验收记录表。
工程竣工验收检验批质量验收记录表编号:__________编号:木模板制作检验批质量验收记录表编号:__________钢模板制作检验批质量验收记录表编号:__________模板、支架和拱架安装检验批质量验收记录表编号:__________钢筋加工检验批质量验收记录表编号:__________钢筋网加工检验批质量验收记录表编号:__________钢筋成形和安装检验批质量验收记录表编号:__________混凝土原材料及配合比检验批质量验收记录表编号:__________预应力材料检验批质量验收记录表编号:__________钢丝、钢绞线先张法施工检验批质量验收记录表编号:__________钢筋先张法施工检验批质量验收记录表编号:__________钢筋后张法施工检验批质量验收记录表编号:__________砌体工程检验批质量验收记录表编号:__________基坑、地基、回填土检验批质量验收记录表编号:__________现浇混凝土基础检验批质量验收记录表编号:__________砌体基础检验批质量验收记录表编号:__________预制桩检验批质量验收记录表编号:__________钢管桩制作检验批质量验收记录表编号:__________沉桩检验批质量验收记录表编号:__________混凝土灌注桩检验批质量验收记录表沉井制作检验批质量验收记录表沉井浮运下沉与清基封底检验批质量验收记录表编号:__________地下连续墙检验批质量验收记录表编号:__________现浇混凝土承台检验批质量验收记录表编号:__________浆砌块石砌筑墩台检验批质量验收记录表编号:__________浆砌料石、砌块砌筑墩台检验批质量验收记录表编号:__________现浇混凝土墩台检验批质量验收记录表编号:__________现浇混凝土(柱)检验批质量验收记录表编号:__________现浇混凝土挡墙检验批质量验收记录表编号:__________预制安装混凝土柱检验批质量验收记录表编号:__________现浇混凝土盖梁检验批质量验收记录表编号:__________人行天桥钢墩柱检验批质量验收记录表编号:__________台背填土检验批质量验收记录表编号:__________支座检验批质量验收记录表编号:__________支架上浇筑梁(板)检验批质量验收记录表编号:__________混凝土梁(板)预制检验批质量验收记录表编号:__________混凝土梁(板)安装检验批质量验收记录表编号:__________悬臂浇筑混凝土梁检验批质量验收记录表编号:__________悬臂拼装预应力混凝土梁检验批质量验收记录表编号:__________顶推施工预应力混凝土梁检验批质量验收记录表编号:__________钢桁梁节段制作检验批质量验收记录表编号:__________钢板梁制作检验批质量验收记录表编号:__________钢箱形梁制作检验批质量验收记录表编号:__________钢梁现场安装检验批质量验收记录表编号:__________钢-混凝土结合梁检验批质量验收记录表编号:__________砌筑拱圈检验批质量验收记录表编号:__________。