高支模重大危险源检查记录表 (1)
- 格式:doc
- 大小:55.50 KB
- 文档页数:1
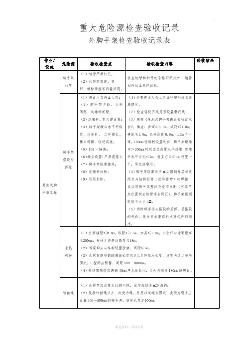
重大危险源安全监理巡视检查记录表工程名称: 施工单位:重大危险源——基坑围护周检(监理巡视)记录表重大危险源安全监理巡视检查记录表工程名称: 施工单位:重大危险源——模板及承重支模架周检(监理巡视)记录表重大危险源安全监理巡视检查记录表工程名称: 施工单位:重大危险源——大型施工机械(监理巡视)记录表作业设施危险源监理监控点监理措施强制性条文依据附着式塔式起重机塔吊安装与拆除(1)安拆单位资质;(2)塔吊基础验收;(3)塔吊使用年限;(4)安装时的天气条件;(5)变幅指示器、力矩限制器、起重量限制器等安全保护装置;(6)电气设备;(7)附着装置;(8)塔吊的四限位二保险是指:四限位:力矩、超高、变幅、行走限位;二保险:吊钩保险、卷筒保险.(1)审查安拆单位的专项资质证书.(2)审查安拆专项方案、应急预案、多塔作业防碰撞措施、外电防护措施.(3)安装、拆除均应报主管部门备案.(4)出厂时间超过10年的塔吊,应经有资质的机构评估合格后方可使用.(5)检查安装人员上岗证和安全技术交底情况.(6)检查塔吊基础验收记录表,包括桩基础、基础钢筋隐蔽验收、基础混凝土试件强度报告(≥C30)等资料是否符合施工方案.(7)检查基础节不能用标准节代替,不得重复使用.(8)检查安装作业应在白天进行,六级以上大风时应停止安装.(9)督促施工方报审《施工机械、安装设施验收核查表》,核查《浙江省建设工程施工现场机械安装验收合格证》,《建筑机械安装质量检测报告》.(10)检查附着装置是否按施工方案设置.JGJ 33-2001:(1) 4.4.6条(2) 2.0.9;4.1.8;(3)3.1.7;3.1.8;3.1.11;3.6.17;塔吊加节(1)加节时的天气条件;(2)加节后的自由高度.(1)检查加节作业是否在白天进行,四级以上大风应停止加节.(2)检查加节后的自由高度是否符合施工方案及规范的要求,检查《塔式起重机安装(加节)验收记录表》.吊装作业(1)操作人员持证上岗;(2)吊装安全事项;(3)维修保养.(1)巡视检查驾驶员、起重指挥的上岗证.(2)巡视检查是否有未执行“十不吊”和其他违章吊装情况.(3)每月检查施工维修保养记录,塔吊吊钩每半年检修一次,钢丝绳排列整齐、完好.JGJ 33-2001:(1)2.0.1;4.1.5;(2)2.0.8;4.1.10;4.1.12;4.1.16;4.2.6;4.2.10(3)2.0.9塔吊卸料平台重大危险源——大型施工机械(监理巡视)记录表重大危险源安全监理巡视检查记录表工程名称: 施工单位:重大危险源——脚手架周检(监理巡视)记录表扣件式脚手架工程(采用扣件式钢管) 脚手架材质(1)钢管严禁打孔;(2)扣件有裂缝、变形、螺栓滑丝等质量问题.核查钢管和扣件的合格证明文件、钢管扣件见证取样试验.JGJ-130-2001(2002年局部修订);(1)强制性条文3.1.3条(2)8.1.3条脚手架搭设与拆除(3)搭设人员持证上岗;(4)脚手架步距、立杆间距、连墙杆间距;(5)连墙杆、剪刀撑设置;(6)脚手架横向水平杆构造、扫地杆、二杆接长、横向斜撑、搭设高度;(7)四排一隔离;(8)独立设置(严禁混搭) ;(9)脚手架防雷接地;(10)连墙杆拆除;(11)逐层拆除.(1)检查搭设人员上岗证和安全技术交底情况.(2)检查搭设区域是否设置警戒线.(3)核查《落地式脚手架搭设验收记录表》,抽查:步高≤1.8米,纵距≤1.8米,横距≤1.5米,栏杆设置0.6米、1.2米各一道,180米米挡脚板设置到位;脚手架距墙体>200米米时应逐层设置水平封堵;连墙件水平方向≤7米,垂直方向≤4米设置一个,用红漆警示.(4)脚手架防雷采用φ12圆钢每层每边两点与结构防雷(或防雷带)相焊接,且必须脚手架整体导电不间断(可在节点位置刮去钢管漆来保证).脚手架摇测电阻不大于4Ω.JGJ-130-2001(2002年局部修订);(1) 9.1.1条(2)5.3.5条(3)6.2.2、6.3.2、6.3.5、6.4.2、6.4.4、6.4.5、6.6.2、6.6.3、7.3.1、7.3.8条(4)钢脚手架不得搭设在距离35KV以上的高压线路4.5米以内的区域和不得搭设在距离1~10KV高压线路2米以内的区域,否则使用期间应断电或拆除电源.过高的钢脚手架必须有防雷措施,钢脚手架的防雷措施是用接地装置与脚手架连接,一般每隔50米设置一处.最远点到接地装置脚手架上的过渡电阻不应超过10Ω.悬挑式脚手架工程悬挑构件(1)立杆橫距≤0.8米,纵距≤1.5米,步高≤1.8米,内立杆与墙面距离≤200米米,每段允许搭设高度≤18米.(2)每层均应与结构设置拉接,间距≤6米.(3)悬挑支撑型钢的锚固长度应≥1.5倍挑出长度,设置两道U型环固定,U型环应预埋,间距500—1000米米.(4)悬挑架底部应满铺40米米厚木板封闭,立杆内侧设180米米踢脚板.钢丝绳(1)悬挑架应设置反拉钢丝绳,固定端预埋ø20圆钢;(2)反拉钢丝绳分主、次受力绳,并用四道绳卡固定,次受力绳上应设置300—500米米的安全湾,留尾长度≥100米米.重大危险源——脚手架周检(监理巡视)记录表作业/设施危险源监理监控点监理措施强制性条文依据附件:工程施工现场应急预案及安全保证措施一、编制原则1、以人为本,安全第一原则。
单位工程名称施工单位XX建筑工程有限公司检查日期检查部门自检检查内容:1、土方工程2、临时用电3、三宝四口4、机具操作检查意见:土方工程开挖未按规范要求施工整改措施:土方开挖工程按规范要求施工,加强各方面危险源防范措施。
整改结果:经检查要解决的问题已解决。
安全负责人:单位工程名称施工单位XXX建筑工程有限公司检查日期检查部门自检检查内容:1、土方工程2、临时用电3、三宝四口4、机具操作检查意见:机具操作工未按操作规程操作整改措施:教育操作工要按规范要求操作机具,防止机具漏电伤人,加强各方面危险源防范措施。
整改结果:经检查要解决的问题已解决。
安全负责人:单位工程名称施工单位建筑工程有限公司检查日期检查部门自检检查内容:1、土方工程2、临时用电3、三宝四口4、机具操作检查意见:发现有工人未戴安全帽在现场施工整改措施:召集班组开安全教育会议,进入施工现场必须佩带安全帽,加强各方面危险源防范措施。
整改结果:经检查各班组施工人员进入施工现场都全部带好安全帽。
安全负责人:单位工程名称施工单位XXX建筑工程有限公司检查日期检查部门自检检查内容:1、土方工程2、临时用电3、三宝四口4、机具操作检查意见:临时用电系统跳闸整改措施:电工班立即更换开关,加强各方面危险源防范措施。
整改结果:经检查电工班更换开关,每天派专人在现场巡视临时用电线路。
安全负责人:单位工程名称施工单位建筑工程有限公司检查日期检查部门自检检查内容:1、土方工程2、临时用电3、三宝四口4、机具操作检查意见:土方开挖工程掏洞时不符合规范要求整改措施:教育挖机操作人员按规范要求作业,加强各方面危险源防范措施。
整改结果:经检查挖机操作工人已按规范要求施工安全负责人:单位工程名称施工单位筑工程有限公司检查日期检查部门自检检查内容:1、土方工程2、临时用电3、三宝四口4、机具操作5、模板工程检查意见:模板工程制模时木工平刨机防护罩脱落整改措施:由机电人员检查脱落的原因,采取有效措施并加固,加强各方面危险源防范措施。
楼高支模危大工程巡视记录
D-A2危险性较大的分部分项工程专项巡视检查记录
工程名称:***** 工程编号:01
危险性较大工程名称及巡视检查项目:3#楼二层轴高支模进行模板安装、支撑体系巡查
巡视检查情况:
1.按照工程建设强制性标准条文执行✔️
2.按照专项施工方案实施施工✔️
3.施工单位专职安全生产管理人员到岗工作✔️
4.高支模支撑体系、模板安装工程✔️
其他:
巡视部位情况:二层轴高支模
巡视内容:
1.巡查高支模扫地杆、立杆、纵横向水平杆、剪刀斜撑间距是否按照方案进行搭设;
2.巡查高支模支撑体系与模板接触位置顶塞是否满足方案要求;
3.巡查顶托安装是否满足要求、钢管支撑扣件是否满足紧固要求;
4.审查施工单位管理人员、特种作业人员是否持证上岗情况;
5.督促施工单位做好作业人员三级安全教育、安全技术交底工作情况是否满足要求。
存在问题及处理意见:
经巡视检查,未发现明显的问题。
建议施工单位继续做好现场安全管理工作,确保施工质量和安全。
高支模重大危险源检查记录表工程名称施工单位:检查标准及编号立柱材料和规格:钢管,壁厚2.75mm,直径48mm模板材料和规格:木模板1.22*2.44m 层高:10.2 m 检查部位:圣园大厦朝南门厅高支模安装日期:序号检查项目检查内容与要求实测实量实查检查结果一立柱稳定支架模板的立柱材料符合方案要求立柱基础必须坚固,满足立柱承载力要求立柱底部应铺设木垫块,钢管立柱应采用底座构件立柱间距必须按安全施工技术方偏差为15mm案(计算书)要求搭设,支架立杆应竖直设置2m高度的垂直允许上下层立柱接头应牢固可靠,接头宜采用穿心套接驳扣或臂扣锁紧。
接头在水平位置宜错开不少于15cm立柱与支撑模板的木坊或钢坊要有可靠的连接二水平拉杆与剪刀撑立柱在4.5m以下部分宜设置不少于二道的横水平拉,其中下道拉杆其间距地面20cm作为扫地杆设置,然后沿竖向每隔不大于1.5m设一道在立柱4.5m以上部分每增高1.5m相应增加一道水平拉杆,水平拉杆与立柱有可靠连接剪刀撑与地楼面一般成45度角,由地楼面一直驳到顶部,与立杠连接牢固支撑主梁的立柱必须按方案(设计书)中确定和加密间距搭设,并在立柱的两侧边设置剪刀撑,当结构跨度大于或等于10m时剪刀撑设置间距不得超过5m三附着支承机构模板上承受的荷载不得超过设计规定值.(荷载的类型包括:模板及其支架自重、新浇混凝土自重、钢筋自重、泵送混凝土垂直和水平荷载、混凝土输送泵的振动力,施工人员及施工设备荷载振动混凝土时产生的荷载,新浇筑混凝土对模板侧面的压力,倾倒混凝土时产生荷载等模板上的物料必须均匀摆放四作业环境模板及其系统在安装过程中,必须设置防倾覆的的临时固定设施高支模施工现场应搭设工作梯、作业人员不得爬支模上下高支模上高空临边有足够操作平台和安全防护作业面临边防护及孔洞封严措施应到位垂直交叉作业上下应有隔离防护措施检查结论:参加人员:年月日备注:每层或每区域(段)检查一次。
精品文档
A.0.18
危大工程巡视检查记录表(模板工程及
支撑)
工程名称:长三角国际研发社区启动区项目监理二标段编号:A.0.18-
危大工程部位施工单位中亿丰建设集团股份有限公司
巡视检查情况:
1、专职安全生产管理人员现场监督;符合;不符合
2、执行专项方案及强制性条文;符合;不符合
3、检查特种作业人员、工具;符合;不符合
4、立柱底部基础应符合要求;符合;不符合
5、垫木应满足设计要求;符合;不符合
6、底座位置应正确,顶托螺杆伸出长度应符合规定;符合;不符合
7、立柱的规格尺寸和垂直度应符合要求,不得出现偏心荷载和悬空;符合;不符合
8、立杆、扫地杆、水平杆、纵横向支撑、水平垂直剪刀撑等设置应符合规定,固定可靠;符
合;不符合
9、安全网和登高作业人员各种安全防护设施符合要求;符合;不符合
10、作业面、洞口要有临边防护;作业人员应佩戴防护用品;要有上下专用通道,不得攀爬
架体;符合;不符合11、模板支撑系统应为独立的系统,禁止与施工脚手架、机械设备等架体相连接;
符合;不符合12、浇筑过程应督促施工单位设专人对高大模板支撑系统进行观测,发现有松动、变形等情
况,必须立即停止浇筑,撤离作业人员,并采取相应的加固措施;符合;不符合发现问题及处理情况:
巡查人员(签字):
年月日
注: 1、本表用于现场监理人员对危险性较大分部分项的专项巡视检查。
2、本表一式一份,项目监理机构留存。
第六版表江苏省住房和城乡建设厅
.。
危大工程巡视检查记录表工程名称:宿州************工程编号:A.0.18—危大工程名称施工单位中铁**********有限公司巡视检查情况:巡视检查情况:L卸料平台、操作平台的设置符合规范及专项施工方案要求。
口符合口不符合.平台醒目位置应悬挂限重标志牌:标注限载吨位以及限定允许的作业人数、验收、维护、安装责任人等。
平台严禁超载或长期堆放材料,随堆随吊;堆放材料高度不得超过平台护栏高度;平台上的施工人员和物料的总重量,严禁超过设计的容许荷载。
口符合口不符合2.落地式操作平台:高度不应大于15米,高宽比不应大于3:1;当接料平台的施工荷载大于2KN/m2时,应进行专项设计。
口符合口不符合平台应与建筑物进行刚性连接或加设防倾措施,不得与脚手架连接。
口符合口不符合采用脚手架搭设平台时,其立杆间距、步距等应符合脚手架规范及专项方案要求,垫板、扫地杆、水平杆、外立面剪刀撑或斜撑等符合规范规定。
口符合口不符合操作平台应从底层第一步水平杆起逐层设置连墙件,且连墙件间距不应大于4米,并应设置水平剪刀撑;口符合口不符合平台一次搭设高度不应超过相邻连墙件以上两步。
口符合口不符合平台拆除应由上而下逐层拆除,严禁上下同时作业,连墙件应随施工进度逐层拆除。
口符合口不符合.悬挑式操作平台:平台的搁置点、拉结点、支撑点应设置在稳定的主体结构上,且应可靠连接。
严禁将操作平台设置在临时设施上。
操作平台的结构应稳定可靠,承载力应符合设计要求。
不得与脚手架连接,不得出现前后移动和左右摇晃现象。
平台外□应略高于内。
口符合口不符合采用斜拉方式的悬挑平台,平台两侧的连接吊环应与前后两道斜拉钢丝绳连接,每道钢丝绳应能承载该侧所有荷载,另一道作保险钢丝绳。
口符合口不符合采用支承方式的悬挑平台,应在钢平台下方设置不少于两道斜撑,斜撑的一端支承在平台主结构钢梁下,另一端支承在建筑物主体结构。
口符合口不符合平台应设置4个经过验算的吊环,吊环应用Q235钢筋制作。
高支模重大危险源检查记录表
工程名称:圣园大厦施工单位:江苏黄桥建设工程有限公司
检查标准及编号模板施工标准JGJ162-2008;安全检查标准IGJ59-2011;扣件式钢管脚手架标准JGJ130-2011
立柱材料和规格:钢管,壁厚2.75mm,直径48mm
模板材料和规格:木模板1.22*2.44m 层高:10.2 m 检查部位:圣园大厦朝南门厅高支模安装日期:
序号检查
项目
检查内容与要求
实测实量
实查
检查结果
一立
柱
稳
定
支架模板的立柱材料符合方案要求
立柱基础必须坚固,满足立柱承载力要求
立柱底部应铺设木垫块,钢管立柱应采用底座构件
立柱间距必须按安全施工技术方偏差为15mm案(计算书)要求搭设,支架立杆应竖直设置2m高度的垂直允许
上下层立柱接头应牢固可靠,接头宜采用穿心套接驳扣或臂扣锁紧。
接头在水平位置宜错开不少于15cm
立柱与支撑模板的木坊或钢坊要有可靠的连接
二水
平
拉
杆
与
剪
刀
撑
立柱在4.5m以下部分宜设置不少于二道的横水平拉,其中下道拉杆其间距地面20cm作为扫地杆设置,然后沿竖向每隔不大于1.5m设一道
在立柱4.5m以上部分每增高1.5m相应增加一道水平拉杆,水平拉杆与立柱有可靠连接
剪刀撑与地楼面一般成45度角,由地楼面一直驳到顶部,与立杠连接牢固
支撑主梁的立柱必须按方案(设计书)中确定和加密间距搭设,并在立柱的两侧边设置剪刀撑,当结构跨度大于或等于10m时剪刀撑设置间距不得超过5m
三附
着
支
承
机
构
模板上承受的荷载不得超过设计规定值.(荷载的类型包括:模板及其
支架自重、新浇混凝土自重、钢筋自重、泵送混凝土垂直和水平荷载、混凝土输送泵的振动力,施工人员及施工设备荷载振动混凝土时产生
的荷载,新浇筑混凝土对模板侧面的压力,倾倒混凝土时产生荷载等
模板上的物料必须均匀摆放
四作
业
环
境
模板及其系统在安装过程中,必须设置防倾覆的的临时固定设施高支模施工现场应搭设工作梯、作业人员不得爬支模上下
高支模上高空临边有足够操作平台和安全防护
作业面临边防护及孔洞封严措施应到位
垂直交叉作业上下应有隔离防护措施
检查结论:
参加人员:
年月日备注:每层或每区域(段)检查一次。