第四节空调房间的送风量和气流组织
- 格式:ppt
- 大小:5.97 MB
- 文档页数:40
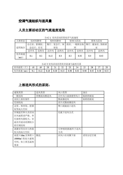
空调气流组织与送风量人员主要活动区的气流速度选取上部送风形式的原则:采用贴附侧送风方式时,应符合下列要求1、送风口上缘离吊顶距离较大时,送风口应设置上倾斜10°~20°的导流片;2、送风口应设置使射流不致左右偏斜的导流片3、射流途中不得有阻挡物。
采用散流器贴附顶送风时,应符合下列要求1、应根据空调房间吊顶高度、允许噪声值等确定散流器允许的最大候补送风速度,以及散流器的型式和数量;2、吊顶上部应该有安装风管和散流器风量调节阀的足够高度;3、布置散流器的平面位置时,应有利于送风气流对周围空气的又到,避免产生死角,蛇口途中不得有阻挡物。
采用孔板下送风方式时,应符合下列要求1、孔板上部稳压层的高度应经计算确定,且净高≥0.2m;2、向稳压层内送风的速度宜采用3~5m/s;当送风射程小于4m时,稳压层内可不设送风分布支管;在进风口处宜装设防止送风气流直接吹向孔板的导流片或挡板;3、孔板布置应与室内局部热源的分布相适应;4、利用吊顶上部空间做静压箱,在吊顶上直接射孔板或风口时,吊顶四周及顶部维护结构应保温密封,且不应大面积采用这种送风方式。
采用喷口送风方式时,应符合下列要求1、喷口送风的射程和速度、喷口直径及数量、喷口的安装高度,应根据空调区高度和回流区的分布位置等因素通过计算确定;2、应使人员活动区处于射流的回流区;3、兼作热风采暖时,应具有改变射流出口角度的可能性。
分层空调的气流组织设计,应符合下列要求1、空调区宜采用喷口侧送,侧送喷口高度宜距地4~5m;当空调区跨度大于25m时,宜采用双侧送风,回风口宜布置在送风口的同侧下方;2、侧送多股平行射流应互相搭接;当采用双侧喷口对送时,其射程可按两侧喷口重点距离的90%计算;3、应尽量减少非空调区想空调区的热转移,必要时,可在非空调区设置送、排风装置。
例如公共建筑的中庭等高大空间应能利用自然通风排除上部高温空气,必要时设置机械排风装置。
下部送风方式应按下列原则选择1、在高大空间中人员不长期停留的区域,例如问题建筑的高大休息厅廊等,可采用地板下送风方式;2、有大面积玻璃外墙的冬夏使用的游泳馆,宜采用沿外墙地面或窗台向上送风的方式;3、人员长期停留的区域,在满足下列条件时,可采用置换通风方式:1)热源以人员、设备(计算机、复印机等)、灯光为主,且人员密度变化不大,人员活动量较轻,显热负荷不超过120W/㎡;2)污染源与热源位置相近,浓度不大且稳定;3)房间(空间)的净高>2.4m;4)全年送冷的空调区域。