Ansys梁分析实例
- 格式:doc
- 大小:2.55 MB
- 文档页数:33
4.2 梁单元静力学分析当结构长度对横截面的比率超过10:1,沿长度方向的应力为主要分析对象,且横截面始终保持不变时,即应用梁单元。
梁单元可用于分析主要受侧向或横向载荷的结构,如建筑桁架、桥梁、螺栓等。
在WB中默认为铁摩辛柯(Timoshenko)梁单元,即Beam188和Beam189,可计算弯曲、轴向、扭转和横向剪切变形。
其中Beam188采用线性多项式作为形函数,Beam189采用二次多项式作为形函数,当WB的Mesh设置中Mesh-Element Midside Nodes为Dropped 时,即为Beam188;Mesh-Element Midside Nodes为Kept时,即为Beam189。
有限元对单元特性的描述包括单元形状、节点数目、自由度和形函数。
表4-2-1为Beam 单元的对比。
在WB中默认设置为二次单元。
一般来说,线性单元需要更多的网格数才能达到二次单元的精度。
选用二次单元可提高计算精度,这是因为二次单元的曲线或曲面边界能够更好地逼近结构的曲线和曲面边界,且二次插值函数可更高精度地逼近复杂场函数,所以当结构形状不规则、应力分布或变形很复杂时可以选用高阶单元。
但高阶单元的节点数较多,在网格数量相同的情况下由高阶单元组成的模型规模要大得多,计算内存消耗也多,因此,在使用时应权衡考虑计算精度和时间。
表4-2-1 Beam单元对比4.2.1 梁模型有限元计算用ProE建立一桁架模型,导入WB进行分析计算。
(1)ProE建模。
在草绘界面绘制一边长为30mm、40mm、50mm的三角形,然后选择投影命令将草绘图形投影到基准面上,另存为x_t文件(其他3D软件操作方法类似)。
(2)导入模型。
如图4-2-1所示,在Import设置中,Operation设为Add Frozen,Line Bodies 设为Yes。
– 65 –– 66 – 图4-2-1 Import ProE模型文件设置(3)梁截面赋值,并定义截面方向,最后用Form New Part将三根梁合并为一个部件,如图4-2-2所示。
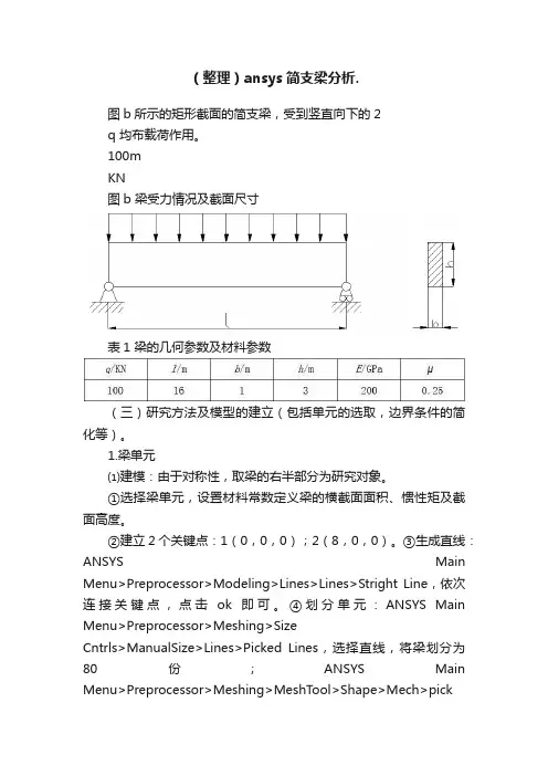
(整理)ansys简支梁分析.图b所示的矩形截面的简支梁,受到竖直向下的2q 均布载荷作用。
100mKN图b 梁受力情况及截面尺寸表1 梁的几何参数及材料参数(三)研究方法及模型的建立(包括单元的选取,边界条件的简化等)。
1.梁单元⑴建模:由于对称性,取梁的右半部分为研究对象。
①选择梁单元,设置材料常数定义梁的横截面面积、惯性矩及截面高度。
②建立2个关键点:1(0,0,0);2(8,0,0)。
③生成直线:ANSYS Main Menu>Preprocessor>Modeling>Lines>Lines>Stright Line,依次连接关键点,点击ok即可。
④划分单元:ANSYS Main Menu>Preprocessor>Meshing>SizeCntrls>ManualSize>Lines>Picked Lines,选择直线,将梁划分为80份;ANSYS Main Menu>Preprocessor>Meshing>MeshTool>Shape>Mech>pickall,完成划分。
⑤施加约束:ANSYS Main Menu>Solution>Difine Loads>Apply>Structural>Displacement>On Nodes,选取对称轴上的节点,施加x方向的约束;选取右下角的节点施加y方向约束。
⑥施加载荷:ANSYS Main Menu>Solution>Difine Loads>Apply>Pressure>On Beams>Pick All,V ALI Pressure Value at I输入100000,V ALJ Pressure Value at J输入100000,即施加了均布载荷。
建好的模型如图1.1所示。
工程介绍:某露天大型玻璃平面舞台的钢结构如图1所示,每个分格(图2中每个最小的矩形即为一个分格)x 方向尺寸为1m ,y 方向尺寸为1m 。
列数为8,行数为5。
钢结构的主梁(图1中黄色标记单元)为高140宽120厚14的方钢管,其空间摆放形式如图3所示;次梁(图1中紫色标记单元)为直径60厚10的圆钢管(单位为毫米),材料均为碳素结构钢Q235;该结构固定支撑点位于左右两端主梁和最中间(如不是正处于X 方向正中间,偏X 坐标小处布置)的次梁的两端,如图2中标记为xyz xyz U R 处。
主梁和次梁之间是固接的。
玻璃采用四点支撑与钢结构连接(采用四点支撑表明垂直作用于玻璃平面的面载荷将传递作用于玻璃所在钢结构分格四周的节点处,表现为点载荷;试对在垂直于玻璃平面方向的42/KN m 的面载荷(包括玻璃自重、钢结构自重、活载荷(人员与演出器械载荷)、风载荷等)作用下的舞台进行有限元分析。
(每分格面载荷对于每一支撑点的载荷可等效于1KN 的点载荷)。
作业提交的内容至少应包括下面几项:(1) 屏幕截图显示该结构的平面布置结构,图形中应反映所使用软件的部分界面,如图2; (2) 该结构每个支座的支座反力;(3) 该结构节点的最大位移及其所在位置;(4) 对该结构中最危险单元(杆件)进行强度校核。
图1图2图3题目分析:本操作中选用的单位为:(N,mm,MPa)。
具体操作及分析求解:1.更该工作文件和标题。
如图1.1-1.5所示图1.1图1.2图1.3图1.4图1.5图1.62.选择单元类型。
根据题目要求,选择单元类型为beam-3D-2node-188单元。
执行Main Menu→Preprocessor →Element Type→Add/Edit/Delete →Add ,选择beam-3D-2node-188。
如图2.1所示。
图2.13.定义材料属性该钢结构材料为碳素结构钢Q235,则将弹性模量设置为200GPa,泊松比设置为0.3。
AnsysWorkbench工程实例之——梁单元静力学分析本文可能是您能在网络上搜索到的关于Ansys Workbench梁单元介绍最详细全面的文章之一。
梁单元常用于简化长宽比超过10的梁与杆模型,比如建筑桁架、桥梁、螺栓、杠杆等。
Workbench中的梁单元有Beam188(默认)与Beam189两种,Beam188无中节点,Beam189有中节点。
在全局网格设置下,梁单元的中节点设置Element MIdside Nodes默认为dropped(无中节点),即默认使用Beam188单元,如果改为kept(有中节点),则将改变为Beam189单元。
类型单元形状中节点自由度形函数Beam188 3D梁无 6 线性Beam189 3D梁有 6 二次Beam188Beam1891 梁单元分析概要1.1 建模与模型导入线框模型可在DM中创建,也可导入stp/igs等模型。
以下分别介绍通过DM创建与通过CAD软件创建导入过程。
1.1.1 梁线体的创建方法1,简单的线体模型可以在DM中创建,一般在XY平面绘制草图或点,再通过Concept——Lines From Sketches、Lines From Points或3D Curve等创建。
区别在于Lines From Sketches是提取草图所有的线条,如果线条是相连接的,提取的结果为一个线几何体。
Lines From Points或3D Curve用于将草图的点(可以是草图线条的端点)连接成为线体,结合Add Frozen选项,可以创建多个线几何体。
操作3次后多个线条可以通过From New Part功能组合为一个几何体,组合后两条线共节点,相当于焊接在一起。
选中后右击方法2,通过CAD软件创建后导入。
如果读者使用的是creo建模,可在草图中创建点,退出草图后选择基准——曲线——通过点的曲线。
操作3次后输出时需要注意,可另存为stp或igs格式,在输出对话框中必须勾选基准曲线和点选项。
Ansys Workbench是一款广泛应用于工程领域的有限元分析软件,可以用于解决各种结构力学、流体动力学、电磁场等问题。
本文将以Ansys Workbench为例,介绍一个结构力学的例题,并详细讲解解题过程。
1. 问题描述假设有一个悬臂梁,在梁的自由端施加一个集中力,要求计算梁的应力分布和挠度。
2. 建模打开Ansys Workbench软件,新建一个静力学分析项目。
在几何模型中,画出悬臂梁的截面,并确定梁的长度、宽度和厚度。
在材料属性中,选择梁的材料,并输入对应的弹性模量和泊松比。
在约束条件中,将梁的支座固定,模拟悬臂梁的真实工况。
在外部荷载中,施加一个与梁垂直的集中力,确定力的大小和作用位置。
3. 网格划分在建模结束后,需要对悬臂梁进行网格划分。
在Ansys Workbench 中,可以选择合适的网格划分方式和密度,以保证计算结果的准确性和计算效率。
通常情况下,悬臂梁的截面可以采用正交结构网格划分,梁的长度方向可以采用梁单元网格划分。
4. 设置分析类型在网格划分完成后,需要设置分析类型为结构静力学。
在分析类型中,可以选择加载和约束条件,在求解器中,可以选择计算所需的结果类型,如应力、应变、位移等。
5. 求解和结果分析完成以上步骤后,可以提交计算任务进行求解。
Ansys Workbench软件会自动进行计算,并在计算完成后给出计算结果。
在结果分析中,可以查看悬臂梁的应力分布图和挠度图,进一步分析梁的受力情况和变形情况。
6. 参数化分析除了单一工况下的分析,Ansys Workbench还可以进行参数化分析。
用户可以改变材料属性、外部加载、几何尺寸等参数,快速地进行批量计算和结果对比分析,以得到最优的设计方案。
7. 结论通过Ansys Workbench对悬臂梁的结构分析,可以得到悬臂梁在外部加载下的应力分布和挠度情况,为工程设计和优化提供重要参考。
Ansys Workbench还具有丰富的后处理功能,可以绘制出直观的分析结果图,帮助工程师和研究人员更好地理解和使用分析结果。
分析1三维梁结构分析
1、概述
分析梁结构如图所示,
梁横截面为0.5m×0.5m矩形。
材料:弹性模量为150Gpa,
泊松比为0.25,密度2600KG/m3。
在载荷及自重的条件下,对其结构进行分析,采用beam188单元进行分析。
2、模型及约束情况
模型创建:
a.创建关键点
b.按模型连接关键点
网格划分:
a.设单元长度为1mm
b.用mesh进行网格划分
载荷及约束:
a .边界条件:支承点(4个红点处)自由度被完全约束。
b .顶部两关键点加载 N F N z 3031,1750F y -=-=
c..加自重载荷g=-9.8N/kg
3.分析结果
总变形云图:最大变形在图中红色区域,最大变形为0.169E-3m.
应力云图:最大von mises 应力在图中红色部分区域,最大von mises 应力为0.166E7Pa 。
(ii )纵向钢筋:PIPE20 (iii )横向箍筋:PIPE202.2 材料性质(i )、混凝土材料表5-4 混凝土材料的输入参数一览表[16~19]·单轴受压应力-应变曲线(εσ-曲线)在ANSYS ○R程序分析中,需要给出混凝土单轴受压下的应力应变曲线。
在本算例中,混凝土单轴受压下的应力应变采用Sargin 和Saenz 模型[17,18]:221⎪⎪⎭⎫ ⎝⎛+⎪⎪⎭⎫ ⎝⎛-+=c c s c c E E E εεεεεσ (5-30)式中取4'4')108.0028.1(c c c f f -=ε;断面图配筋图断面图配筋图断面图配筋图RCBEAM-01 RCBEAM-02 RCBEAM-03图5-12 各梁FEM模型断面图(a)单元网格图(b)钢筋单元划分图图5-13 算例(一)的FEM模型图2.4 模型求解在ANSYS○R程序中,对于非线性分析,求解步的设置很关键,对计算是否收敛关系很大,对于混凝土非线性有限元分析,在计算时间容许的情况下,较多的求解子步(Substeps)或较小的荷载步和一个非常大的最大子步数更容易导致收敛[2]。
在本算例中,设置了100个子步。
最终本算例收敛成功,在CPU为P41.6G、内存为256MB的微机上计算,耗时约为8小时。
2.5 计算结果及分析2.5.1 荷载—位移曲线图5-14为ANSYS○R程序所得到的各梁的荷载-跨中挠度曲线,从图中可以看出:(i)、梁RCBEAM-01:曲线形状能基本反映钢筋混凝土适筋梁剪切破坏的受力特点,而且荷载-跨中挠度曲线与钢筋混凝土梁的弯剪破坏形态非常类似,即当跨中弯矩最大截面的纵筋屈服后,由于裂缝的开展,压区混凝土的面积逐渐减小,在荷载几乎不增加的情况下,压区混凝土所受的正应力和剪应力还在不断增加,当应力达到混凝土强度极限时,剪切破坏发生,荷载突然降低。
(ii)、梁RCBEAM-02:荷载-跨中挠度曲线与超筋梁的试验荷载-跨中挠度曲线很相似,在荷载达到极限情况下,没有出现屈服平台,而是突然跌落。
基于ANSYS的悬臂梁剪力与弯矩图分析1、问题简介已知某外伸悬臂梁,受力情况如下所示,已知材料的容许正应力为80MPa。
梁截面为直径200mm的圆。
材料弹性模量为2.1e11,泊松比为0.3。
利用材料力学知识,画出结构的剪力和弯矩图,并进行强度校核,同时再采用有限元方法进行分析,与理论计算进行对比分析。
图1 结构及受力情况2、理论分析方案首先建立平衡方程:∑=0y∑A M=设A处支反力为RA,B处支反力为RB,假设初始方向为竖直向上,则:10*2-RA+20-RB=010*2*1-20*3+RB*4=0得到RA=30KN,RB=10KN。
假设梁的最左端为X轴0点,则OA段的剪力求解如下:q*x-Fx=0得到Fx=10*x,其中0<x<2,且方向向上在AC段,则2<x<5,剪力求解方程如下:10*2-RA+Fx=0得到:Fx=10KN,且方向向下。
在CB段,其中5<x<6,剪力求解方程如下:10*2-RA+20-FX=0得到FX=10KN,其中方向向上。
由上述计算可得剪力图如下所示,其中正好表示方向向上。
图2 剪力图假设梁的最左端为X轴0点,则弯矩图的求解过程如下所示:OA段:10*x*x/2-Mx=0得到Mx=5*x^2,其中方向为顺时针。
AC 段:10*2*(1+x)-RA*x-Mx=0得到:Mx==20-10xCB段:Mx=RB*(6-x)得到MX=60-10x由上述计算可知弯矩图如下所示,图3 弯矩图由图3可知,梁的最大正弯矩为Mc=10KN*m最大负弯矩为Ma=20KN*m 。
其中弯曲应力计算公式如下所示:3max max max max max 32d M W M I y M Z πσ=== 所以如上所示梁结构的最大弯曲应力发生在截面A 处,按照如上公式计算,知最大应力为25.478MPa ,材料许用正应力为80MPa ,此时安全系数为3.14,材料满足强度要求。
2.3 工字钢-ANSYS 实例分析 (三维实体结构)介绍三维实体结构的有限元分析。
一、问题描述图1所示为一工字钢梁,两端均为固定端,其截面尺寸为1.0,0.16,0.2,0.02,0.02l m a m b m c m d m =====。
试建立该工字钢梁的三维实体模型,并在考虑重力的情况下对其进行结构静力分析。
图1 工字钢结构示意图其他已知参数如下:弹性模量(也称杨式模量) E= 206GPa ;泊松比3.0=u ;材料密度3/7800m kg =ρ;重力加速度2/8.9s m g =; 作用力F y 作用于梁的上表面沿长度方向中线处,为分布力,其大小F y =-5000N 。
二、实训步骤(一) ANSYS10.0的启动与设置1、启动。
点击:开始>所有程序> ANSYS10.0> ANSYS ,即可进入ANSYS 图形用户主界面。
2、功能设置(过滤)。
点击主菜单中的“Preference”菜单(Main Menu > Preferences),弹出“参数设置”对话框,选中“Structural”复选框,点击“OK”按钮,关闭对话框,如图2所示。
本步骤的目的是过滤不必要的菜单,仅使用该软件的结构分析功能,以简化主菜单中各级子菜单的结构。
图2 Preference参数设置对话框3、系统单位设置。
由于ANSYS软件系统默认的单位为英制,因此,在分析之前,应将其设置成国际公制单位。
在命令输入栏中键入“/UNITS,SI”,然后回车即可(系统一般看不出反应,但可以在Output Window中查看到结果,如图3所示)。
(注:SI表示国际公制单位)设置完成后按主菜单中前处理器(在ANSYS中称为PREP7)设定的先后顺序进行,具体如图4所示。
图4 前处理器(PREP7)设定分析步骤(二) 单元类型、几何特性及材料特性定义1、定义单元类型。
点击主菜单中的“Preprocessor>Element Type >Add/Edit/Delete”,弹出对话框(图5)。
ANSYS 上机例题---变截面梁1 问题描述例:如图,一悬臂梁长1L m =,梁截面为实心圆截面,其中D 1200mm =,D2150mm =。
受均布载荷5q kN m =, q 方向向左。
梁材质为钢材,37850kg m ρ-=⋅, 112.110E Pa =⨯, 0.3μ=,用ANSYS 软件求解其应力分布情况(不计重力)。
图1 变截面悬臂梁2 求解步骤概述:前处理1)确定分析标题 2)设置菜单偏好 3)定义单元类型 4)定义材料类型 5)创建关键点6)创建关键点之间的梁,划分网格求解7)设置约束、施加载荷 8)求解后处理9)绘制梁的变形图10)绘制梁的应力图退出A N SYS3详细操作步骤:3.1进入ANSYS10.01 新建工作目录:在D盘新建一个文件夹xuanbiliang,作为ANSYS的工作目录,ANSYS 运行中产生的中间文件和结果文件将保存在这里。
文件名不要含有中文,以免产生乱码。
2开始>程序>ANSYS>ANSYS Product Launcher3 指定工作目录File Management(默认)>Working Directory>Browse选择工作目录为步骤1中新建的文件夹xuanbiliang>run3.2前处理4 确定分析标题:Utility Menu:File>Change Title<1>键入分析标题:“xuanbiliang”<2>OK5 设置单元偏好:Main Menu:Preference<1>仅仅打开“Structural”菜单过滤<2>OK2 输入工作名xuanbiliang 36 定义单元类型:Main Menu :Preprocessor>Element Type>Add/Edit/Delete <1>Add<2>选择beam189 <3>close7 定义材料特性MainMenu :Preprocessor>MaterialProps>MaterialModels>Structure>Linear>Elastic>Isotropic<2>在EX 项输入弹性模量:2.1e11 <3>在PRXY 项输入泊松比:0.31231 Add/Edit/Delete25<3>OK1234Main Menu:Preprocessor>Material Props>Material Models > Structure>Density<1>在DENS对画框键入:7850(定义钢材密度)<2>按“OK”完成1238 定义梁的截面Preprocessor>Sections>Beam>Common Sections<1>在BeamTool下拉菜单中选择实心圆截面,截面ID为1,输入对应尺寸R1=0.100,在name栏输入jm1,该截面取名为jm1<2>点击Apply后,定义截面ID为2,输入对应尺寸R2=0.075,在name 栏输入jm2,该截面取名为jm2<3>点“OK”2 取名jm11 Common sections349 建立梁的关键点Main Menu:Preprocessor>Modeling>Create>Key points>In Active CS<1>在关键点号菜单栏键入:1(关键点编号)<2>键入关键点1的X,Y,Z坐标:0,0,0(也可以用空着不填表示0)<3>按“Apply”完成关键点1的定义同理,按下表值建立所有关键点,在输入关键点3的坐标后,按OK键(而不是Apply)。
实验三简支梁的变形分析实验目的:了解和掌握简支梁的变形分析的方法和步骤。
实验内容:完成工字梁端面受力分析。
图1 是一工字梁受力简图,工字梁型号为32a,其跨度为1.0m,求其在集中力P1和P2作用下O点的挠度。
该工字梁材料的弹性模量为220GPa,泊松比为0.3,集中力P1=8000N,P2=5000N。
要求采用自顶向下的建模方法即采用3D体素建立起几何模型。
图1 工字梁受力简图该问题属于梁的弯曲问题。
由于该工字梁属于标准型材,在分析过程中选择图2所示的几何模型,通过选择相应的梁单元进行求解,这样就简化了3D模型复杂的建模过程和求解步骤。
图2 几何模型实验步骤:⒈定义工作文件名和工作标题1)选择Utility Menu→File→Change Jobname 命令,出现Change Jobname对话框,在[/FILNAM] Enter new jobname 输入栏中输入工作文件名exercise3,并将New log and error files 设置为Yes,单击【OK】按钮关闭该对话框。
2)选择Utility Menu→File→Change Title命令,出现Change Title对话框,在[/TITLE]Enter new title 栏中输入I BEAM SUBJECTED TO CONCENTRATED FORCE,单击【OK】按钮关闭该对话框。
⒉定义单元类型1)选择Main Menu→Preprocessor→ElementType→Add/Edit/Delete命令,出现ElementTypes 对话框,单击【Add】按钮, 出现Library of ElementTypes对话框。
2)在Library of ElementTypes复选框中选择Structural Beam 2D elastic 3,在Element type reference number 输入栏中输入1,如图3所示,单击【OK】按钮关闭该对话框。
工程介绍:
某露天大型玻璃平面舞台的钢结构如图1所示,每个分格(图2中每个最小的矩形即为一个分格)x方向尺寸为1m,y方向尺寸为1m;分格的列数(x向分格)=8,分格的行数(y向分格)=5。
钢结构的主梁(图1中黄色标记单元)为高140宽120厚14的方钢管,其空间摆放形式如图3所示;次梁(图1中紫色标记单元)为直径60厚10的圆钢管(单位为毫米),材料均为碳素结构钢Q235;该结构固定支撑点位于左右两端主梁和最中间(如不是正处于X方向正中间,偏X坐标小处布置)的次梁的两端,如图2中标记为
U R处。
主梁和次梁之间是固接的。
xyz xyz
玻璃采用四点支撑与钢结构连接(采用四点支撑表明垂直作用于玻璃平面的面载荷将传递作用于玻璃所在钢结构分格四周的节点处,表现为点载荷;试对在垂直于玻璃平面方向的42
KN m的面载荷(包括玻璃自重、钢结构自重、活载
/
荷(人员与演出器械载荷)、风载荷等)作用下的舞台进行有限元分析。
(每分格面载荷对于每一支撑点的载荷可等效于1KN的点载荷)。
作业提交的内容至少应包括下面几项:
(1)屏幕截图显示该结构的平面布置结构,图形中应反映所使用软件的部分界面,如图2;
(2)该结构每个支座的支座反力;
(3)该结构节点的最大位移及其所在位置;
(4)对该结构中最危险单元(杆件)进行强度校核。
图1
图2
图3 本操作中选用的单位为:(N,mm,MPa)。
具体操作及分析求解:
1.更该工作文件和标题。
如图1.1-1.5所示
图1.1 图1.2
图1.3 图1.4
图1.5
图1.6
2.选择单元类型。
根据题目要求,选择单元类型为beam-3D-2node-188单元。
执行Main Menu→Preprocessor →Element Type→Add/Edit/Delete →Add ,选择beam-3D-2node-188。
如图2.1所示。
图2.1
3.定义材料属性
该钢结构材料为碳素结构钢Q235,则将弹性模量设置为200GPa,泊松比设置为0.3。
执行Main Menu→Preprocessor →Material Props →Material Models →Structural →Linear →Elastic →Isotropic,在EX框中输入2.05e,在PRXY框中输入0.3。
操作步骤为如图3.1;3.2所示。
图3.1 图3.2
4.定义梁的截面
定义主梁和次梁的截面,执行Main Menu→Preprocessor →Sections →Beam →Common Sections,如图4.1;4.2。
图4.1
图4.2
5.创建实体模型
执行Preprocessor →Modeling →Create →Keypoints →In Active CS,如图5-1所示,首先创建一个关键点,输入坐标为(0,0,0),单击Apply,则第一个关键点创建成功。
通过复制关键点操作,形成6行9列的关键点。
然后通过1,2关键点和1,10关键点创建两条直线,再通过复制直线操作,形成5行8列个格子,具体操作步骤为5.1-5.16。
图5.1
图5.2 图5.3
图5.4 图5.5
图5.6 图5.7
图5.8 图5.9
图5.10 图5.11
图5.12 图5.13
图5.14 图5.15
图5.16
6.为实体模型分配单元属性并划分网格
首先,设置单元长度(设置为120mm),步骤为图6.1-6.4。
然后,对梁进行单元属性分配并划分网格,步骤如图6.5-6.13。
最后,合并节点,如图6.14。
图6.1
图6.2 图6.3
图6.4 图6.5
图6.6 图6.7
图6.8 图6.9
图6.10 图6.11
图6.12 图6.13
图6.14
7.定义分析类型并施加约束
有限元分析类型默认为static。
对模型施加约束,如图7.1-7.4。
图7.1
图7.2 图7.3 图7.4
8.施加载荷
对模型施加载荷时,因模型的一个格子内载荷为42/KN m ,可等效为4这个格子的四个支撑点的集中载荷各1KN 。
相邻处有四个格子的支撑点等效集中载荷为4KN ,相邻处有两个格子的支撑点等效集中载荷为2KN ,相邻处只有一个格子的支撑点等效集中载荷为1KN 。
具体步骤为8.1-8.6。
图8.1
图8.2
图8.3 图8.4 图8.5
图8.6
9.求解并分析
9.1 求解
首先执行Main Menu→Solution→Solve→Current LS→OK(如图9.1;9.2)进行求解。
然后分别求出支座反力,最大结点位移及所在位置,最大应力单元,最后进行强度校核。
图9.1
图9.2
9.2座反力
执行Main Menu→General Postproc→List Results→Reaction Solu→All struct force F→OK,如图9.3,求解结果如图9.4。
图9.3
图9.4
9.3 的最大位移及其所在位置。
首先将结果排序,执行Main Menu→General Postproc→List Results→Sorted Listing→Sort Nodes,如图9.5所示。
然后执行Main Menu→General Postproc→List Results→Nodal Solution,弹出List Nodal Solution,如图9.6,点OK之后弹出结点位移按顺序排列的结果,如图9.7。
由输出结果可知,结点最大位移位于756结点上,且其最大位移值为25.922mm。
图9.5
图9.6
图9.7
9.3 图形显示结果并进行强度校核
对该结构中最危险单元(杆件)进行强度校核,具体操作如图9.8-9.13。
图9.8
图9.9 图9.10
图9.11 图9.12
图9.13
强度校核结果:
材料是碳素结构钢Q235,其屈服极限是235MPa,由图9.13算结果可知最大应力为291.256MPa,所以材料强度不符合要求。