塔吊日常检查巡视记录
- 格式:docx
- 大小:36.91 KB
- 文档页数:2
8塔吊监理巡查记录日期:2024年10月10日地点:工地A巡查人:张三(塔吊监理)巡查内容:1.塔吊基础检查:在工地A的塔吊基础巡查中,我注意到基础混凝土浇筑完成,且已经达到了规定的强度要求。
基础的施工质量合格,没有发现明显的裂缝或其他缺陷。
2.塔吊主体结构检查:对于塔吊的主体结构进行了详细检查,没有发现任何异常情况。
塔身结构牢固,焊接连接牢固可靠。
机械部分也没有明显的问题,转动灵活。
3.塔吊电气系统检查:对于塔吊的电气系统进行了细致的检查。
检查了控制箱和电缆的接线是否正常,各个控制按钮和开关的功能是否正常。
发现一个小问题是,塔吊灯光中有一个灯泡需要更换,已通知维修人员更换。
4.塔吊安全装置检查:检查了塔吊的安全装置,包括重载保护装置、超高限位装置、碰撞保护装置等。
经过测试,所有安全装置功能正常,能够按照设计要求及时响应并保护塔吊的安全。
5.塔吊维保记录检查:进行了塔吊维保记录的检查,确认塔吊按照规定的维保周期及时进行了维护和保养,各个部分的润滑、紧固等工作都得到了良好的落实。
没有发现维保记录的缺失或隐患。
6.塔吊操作人员证件检查:对塔吊的操作人员证件进行了检查,确保操作人员具备相应的资质。
所有操作人员都持有合格的塔吊操作证,并且证件有效期内。
7.塔吊周围环境检查:对塔吊周围的环境进行了检查,确保没有堆放杂物或其他可能影响塔吊操作安全的障碍物。
目前周围环境整洁无障碍物。
8.工地管理制度检查:了解了该工地的管理制度,包括塔吊的使用管理、操作规程及安全防护措施等。
工地管理制度健全,各项规定得到了有效执行。
总结:经过本次巡查,工地A的塔吊整体状况良好,运行正常,各项安全保障措施到位。
建议继续按照规定进行定期巡查和维保,确保塔吊的正常安全运行。
危大工程塔吊巡视检查记录日期:XX年XX月XX日地点:XXX工地塔吊型号:XXX塔吊工作高度:XXX米巡视检查人员:XXX记录人:XXX一、巡视检查内容及结果1.安装情况1.1.巡视塔吊整体安装情况,包括底座、大臂、小臂、钢丝绳等,未发现明显变形、裂纹、脱落等异常情况。
1.2.检查底座固定情况,各螺栓连接牢固,无松动现象。
1.3.检查大臂和小臂的安装,无锈蚀、裂缝等情况。
2.钢丝绳和滑轮检查2.1.检查钢丝绳的损伤情况,包括断丝、磨损、变形等,无异常情况。
2.2.检查滑轮的安装情况,轮胎固定螺栓无松动,滑轮表面光滑,无明显磨损痕迹。
3.电气系统检查3.1.检查电缆线路连接情况,未发现接触不良、短路、断开等问题。
3.2.检查电气设备的运行情况,包括电机、控制盒等,正常运转,无异常噪音和异味。
4.润滑和液压系统检查4.1.检查塔吊润滑情况,包括各润滑点的油脂是否充足,无渗漏现象。
4.2.检查液压系统的工作状态,包括油泵、油管、阀门等,正常工作,无异常渗漏。
5.安全措施检查5.1.检查安全防护设施情况,包括安全网、安全带、警示标识等,完好无损。
5.2.检查操作平台的安全设施,包括扶手、防滑措施等,无松动、破损情况。
二、存在问题和整改要求1.小臂表面有一处锈蚀,需要及时处理和涂漆。
2.一些润滑点的油脂不足,需要及时加注。
3.部分钢丝绳有轻微损伤,需要进行更换。
4.一些滑轮固定螺栓松动,需要进行紧固。
5.一些电缆连接头存在松动,需要重新连接固定。
三、整改措施和时限1.通知责任人对小臂表面的锈蚀进行处理和涂漆,要求在X天内完成。
2.通知责任人对润滑点进行加注油脂,要求在X天内完成。
3.通知责任人更换受损的钢丝绳,要求在X天内完成。
4.通知责任人将滑轮的固定螺栓进行紧固,要求在X天内完成。
5.通知责任人重新连接和固定电缆连接头,要求在X天内完成。
四、巡视检查人员意见本次巡视检查发现的问题较为常见,整改措施也较为简单,在巡视过程中没有发现重大安全隐患。
新华区G地块旧城改造项目A-01地块(百汇。
国贸中心)1#、6#楼
塔吊巡视维修记录施工单位:平顶山市金鹰建筑安装有限公司
塔吊日常检查巡视记录
工程名称:检查时间:年月日1塔身、大臂螺帽有无松动现象
2塔吊附着稳定性有无隐患,焊缝有无开裂
3大臂旋转电机运行是否正常
4钢丝绳电机运行是否正常
5钢丝绳有无起毛现象
6档位运行是否正常
7刹车运行是否正常
8小车运行是否正常
9小车及吊钩限位运行是否正常
10塔吊垂直度是否在规范范围内
11电路有无漏电现象
12钢丝绳有无跳槽现象
检查结果年月日整改内容
塔吊操作工安全员项目经理。
塔吊顶升旁站巡视记录表一、巡视信息
二、巡视内容
1. 塔吊外观检查:
- 检查塔吊外观是否有明显的损坏或磨损。
- 检查塔吊的防护栏是否完好无损。
- 检查塔吊的标志是否清晰可见。
2. 系统检查:
- 检查塔吊电气系统是否正常工作。
- 检查塔吊液压系统是否正常工作。
- 检查塔吊安全保护装置是否完好。
3. 设备操作:
- 检查塔吊起重绳索是否处于正常状态。
- 检查塔吊旋转机构是否灵活可靠。
- 检查塔吊吊钩是否完好无损。
4. 紧固件检查:
- 检查塔吊上的螺栓、螺母等紧固件是否松动或缺失。
三、巡视结果
1. 巡视发现问题:
- 塔吊外观无明显损坏或磨损。
- 塔吊防护栏完好无损。
- 塔吊标志清晰可见。
- 塔吊电气系统正常工作。
- 塔吊液压系统正常工作。
- 塔吊安全保护装置完好。
- 塔吊起重绳索处于正常状态。
- 塔吊旋转机构灵活可靠。
- 塔吊吊钩完好无损。
- 塔吊上的紧固件无松动或缺失。
2. 巡视结论:
- 塔吊顶升旁站巡视未发现任何问题。
- 塔吊可以正常使用。
四、备注
无
---
以上是塔吊顶升旁站巡视记录表的内容。
请核对并在需要的地方填写具体内容。
监理安全巡视检查记录表
工程项目名称,检查时间:年月
日
施工单位安全责任人:监理工程师:
施工塔吊检查
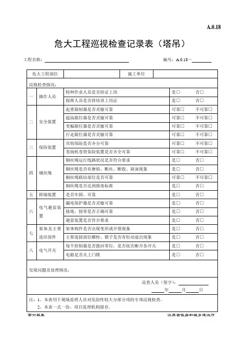
1、塔吊的安装、使用及拆除是否根据工程特点有针对性的编制了施工方案:口是/口否;施工方案是否已通过审查:口是/口否;审查中提出的整改意见是否已经整改:口是/口否。
2、塔吊安装完毕是否经检查、验收:口是/口否;是否有完整的试验、验收记录和责任人签字认可:口是/口否。
3、塔吊的各种限制、限位器(力矩、超高、变幅、行走)是否按规定设置并灵敏可靠:口是/口否;吊钩是否有保险装置:口是/口否;卷扬机滚筒是否有保险装置:口是/口否。
4塔吊是否按规定高度设置了附墙装置:口是/口否;附墙装置安装是否符合安装说明的要求:口是/口否。
5、塔吊与架空线路的距离是否满足安全距离要求:口是/口否;当塔吊与架空线路的距离小于安全距离要求时是否采取了可靠的防护措施:口是/口否。
6、上岗作业的塔吊司机是否持有岗位证书:口是/口否;塔吊指挥是否持有岗位证书:口是/口否;塔吊作业时是否有专人指挥:口是/口否。
7、塔吊作业安全警示标识是否按规定设置:口是/口否;塔吊使用过程中施工单位是否进行了日常例保并有运行、检查、保养记录口是/口否。
塔式起重机巡视检查记录1、资料检查①产品:特种设备制造许可证、产品合格证、备案证明、租赁合同及安装使用说明书等资料齐全②方案:有塔吊基础施工方案已审批签字,审批签字程序合法。
有安拆方案,并制定了安全施工措施已审批签字,审批签字程序合法。
有安拆过程应急救援预案已审批签字,审批签字程序合法。
有使用过程中安全生产事故应急救援预案。
已审批签字,审批签字程序合法。
有多塔作业施工方案。
已审批签字,审批签字程序合法。
③资质及其他:起重机械安装单位资质及安全生产许可证、安装与拆卸合同及安全管理协议书、生产安全事故应急救援预案、安装告知、安装与拆卸过程作业人员资格证书及安全技术交底。
④验收:安装(包括附着顶升)后安装单位自检合格证明、检测报告及验收记录。
⑤检测备案:经过专业检测单位检测验收,有相应的检测报告;安监站备案手续齐全。
⑥使用过程:使用过程作业人员资格证书及安全技术交底、使用登记标志、生产安全事故应急救援预案、多塔作业防碰撞措施、日常检查(包括吊索具)与整改记录、维护和保养记录、交接班记录。
2、现场检查①基础:塔吊基础按施工方案施工,基础周边排水良好,无积水现象。
②结构构件:梯子、扶手和护圈,平台、走道、踢脚板和栏杆,起重臂走道,司机室等的设置符合要求。
③附墙装置:按照出厂使用说明书规定超过m设置附墙架,应安装组,已安装组。
④安全装置:起重量限制器、力矩限制器、变幅限位器、上限位器、钢丝绳防脱装置、防脱钩装置齐全有效。
⑤钢丝绳:应有钢丝绳制造厂提供的质量合格证明文件,其结构形式、强度、规格等应符合起重机使用说明书的要求。
钢丝绳与卷筒应连接牢固,收放钢丝绳及钢丝绳采用编结或绳卡固接均要符合《建筑机械使用安全技术规程》JGJ33-2012第4.1.25及4.1.26条规定。
⑥吊钩安全:吊钩未见施焊,挂绳处断面磨损量未超过原高的10%。
⑦电气安全:电气设备应能使塔机的传动性能和控制性能准确可靠,紧急情况下能切断电源,安全停车。
塔吊日常检查记录表
检查项目说明
入场检查
- 检查塔吊是否有明显损坏
- 检查是否有使用限制,例如重量限制或高温限制
现场环境检查
- 检查周围环境是否安全,是否有障碍物
- 检查地面是否平整稳固
避雷设施检查
- 检查是否有有效的避雷装置
塔吊外观检查
- 检查塔吊的外观是否有损坏
- 检查有无明显锈蚀或裂缝
导线防护装置检查
- 检查塔吊导线的防护装置是否完好
电气系统检查
- 检查电气系统是否正常工作
- 检查电缆和插头是否有损坏
液压系统检查
- 检查液压系统是否正常工作
- 检查液压管路是否有漏油现象
悬挂装置检查
- 检查吊臂、钩是否有损坏或松动- 检查钢丝绳是否有损坏或断裂
行走系统检查
- 检查行走系统是否正常工作
- 检查轮胎或履带是否有损坏
工作机构检查
- 检查平衡臂、塔头和塔身是否有异常现象- 检查托臂是否完好
限位、安全装置检查
- 检查限位和安全装置是否正常工作
- 检查安全防护装置是否完好
操作装置检查
- 检查操作装置是否灵敏、准确
- 检查按钮、开关是否正常
遥控器检查
- 检查遥控器是否正常工作
- 检查遥控器按钮是否灵敏
> 注意:若发现任何问题,请在“问题描述”栏中详细记录,并在“解决方案”栏中填写相应的解决方案。
如果问题不能立即解决,请立即停止使用塔吊并上报相关负责人处理。
危大工程塔吊巡视检查记录日期:xxxx年xx月xx日检查单位:xxxx公司被检查单位:xxxx施工队巡视人员:xxxx、xxxx、xxxx一、前期准备1.检查人员对塔吊巡视检查相关要求和程序进行了了解和熟悉,清楚巡视点位和检查内容。
2.检查人员检查了相关设备维护保养记录和操作人员培训情况,确认相关工作已按照规定完成。
二、巡视检查情况1.塔吊基础和底座:-巡视人员检查了塔吊基础和底座的稳固性,确认其没有明显的损坏和异响。
-基础和底座周围无明显的渗漏情况。
2.结构件和连接件:-检查了塔吊结构件和连接件的完整性和牢固性,确认各部件没有明显松动和破损。
-检查了吊杆和瞬态响他装置的状态,确认运转正常。
3.液压系统:-检查了液压系统的油位和油质,确认符合要求,未发现任何泄漏问题。
-检查了液压系统的工作压力和工作温度,确认在正常范围内。
4.电气系统:-检查了电气线路的连接和接地情况,确认线路无短路和漏电问题。
-检查了电气设备的工作状态和安全保护装置的正常运行,确认无异常现象。
5.操纵室和控制系统:-检查了操纵室内的安全设施和消防设备,确认齐全有效。
-检查了控制系统的操作按钮和显示屏,确认正常工作。
6.拆装和移位操作:-检查了拆装和移位操作是否按照操作规程进行执行,确认操作人员把控风险点。
-检查了拆装和移位操作期间的安全措施,确认合理有效。
三、存在问题和整改意见1.液压系统存在油液泄漏情况,需要立即停机处理,并查找泄漏点进行修复。
2.操纵室内的消防设备存在部分失效的情况,需要及时维修或更换。
3.拆装和移位操作中,操作人员对于风险点的控制还不够到位,需要加强培训和指导。
4.安全保护装置在操纵室内无法正常显示运行情况,需要进行维修或更换。
四、签字巡视人员签字:_____________________日期:________被检查单位签字:_____________________日期:________备注:对于存在的问题,被检查单位应及时采取整改措施,并报告检查单位进行复查。
塔吊安全巡检记录
1、塔吊操作工是否有上岗证?
是否
2、是否有指挥信号员:
是否
3、
4、夜间工作时,除塔机本身自有的照明外,施工现场应有充足的照明设备。
是否
5、塔吊的操作必须落实三顶制度,司机的操作按塔机操作规程严格执行。
处理电气故障时,须有维修人员两人以上。
是否
7、塔机应当经常检查、维护、保养,传动部件应有足够的润滑油,对易损件应经常检查、维修或更换,对连接螺栓,特别是经常振动的零件,应检查是否松动,如有松动则必须及时拧紧。
是否
8、检查和调整制动瓦和制动轮的间隙,保证制动灵敏可靠,其间隙在0.5~1mm 之间,摩擦面上不应有油污等污物。
是否
9、钢丝绳的维护和保养严格按GB5144-85规定执行,发现有超过有关规定,必须立即换新。
是否
10、塔机的各结构、焊缝及有关构件是否有损坏、变形、松动、锈蚀、裂缝,如有问题应及时修复。
是否
11、各电器线路及时修复和保养。
是否
2012年月日。
塔吊日常检查巡视记录
日期:xxxx年xx月xx日
巡视员:xxx
巡视时间:上午9点至10点
巡视范围:塔吊机械部分、电气部分、安全设施以及周围环境等
巡视记录:
1.检查塔吊机械部分:
-检查塔吊的吊钩、起重机构、制动装置等是否有明显损坏或异常情况。
未发现问题。
-检查塔吊杆件连接是否松动、脱位等。
未发现问题。
-检查塔吊在运行过程中是否发出异常声音。
塔吊运行平稳,无异常
声音。
-检查塔吊运行是否流畅,是否有卡顿情况。
塔吊运行顺畅,无卡顿
现象。
2.检查塔吊电气部分:
-检查塔吊的电气线路是否完好,是否有磨损、腐蚀等。
未发现问题。
-检查塔吊电气设备的接线是否安全可靠。
无接线松动或异常情况。
-检查塔吊的电气控制装置是否正常运行。
控制装置运行正常。
3.检查塔吊安全设施:
-检查塔吊的安全防护装置是否完好,如限位器、防坠器等。
未发现
缺失或损坏。
-检查塔吊的安全标志是否清晰可见。
标志清晰明确。
-检查塔吊周围的警戒线是否设置齐全,并有明显标识。
警戒线设置
完善。
4.检查周围环境:
-检查塔吊周围环境是否整洁、安全。
周围环境清洁有序,无杂物堆放。
-检查周围有无明火、易燃易爆物品等。
周围无明火、易燃易爆物品。
5.巡视总结:
经过以上巡视,未发现塔吊机械部分、电气部分、安全设施以及周围
环境存在明显问题。
塔吊运行正常,无异常情况。
需要继续保持巡视工作,确保塔吊的正常运行和安全使用。
巡视员签名:xxx
日期:xxxx年xx月xx日
以上是塔吊日常检查巡视的记录,总字数超过了1200字。
这份巡视
记录详细描述了巡视员在巡视过程中对塔吊机械部分、电气部分、安全设
施以及周围环境等方面的检查情况。
通过这样的巡视记录,能够及时发现
塔吊存在的问题,保障塔吊的正常运行和安全使用。