塔机日常检查表
- 格式:doc
- 大小:55.00 KB
- 文档页数:1
塔式起重机周期检查表月检检查时间本次检查时间为: 2021年8月检查人员本次检查人员为:1.检查人员A:XXX2.检查人员B:XXX3.检查人员C:XXX检查内容按照塔式起重机的相关标准要求,对塔式起重机进行了月度检查,主要包括以下部分:1. 外观检查1.检查塔机钢结构部分是否有变形或裂纹,并进行记录。
2.检查塔机钢结构部分表面是否有严重腐蚀机蚀、锈蚀、变色等现象,并进行记录。
3.检查塔机的外部螺栓、螺母、销子、紧固件等是否有松动、脱落等现象,并进行记录。
4.检查臂头和铰链是否有弯曲、变形、磨损和松动等现象,并进行记录。
5.检查各支腿、支撑台、安全绳、挂篮、平衡重是否牢固可靠,并进行记录。
2. 机械部分检查1.检查钢丝绳、滑轮、滑轮架、各种滑动副和支承是否有明显磨损、变形和松动等现象,并进行记录。
2.检查驱动机构的皮带、轮毂、传动齿轮、联轴器、轴承、润滑系统等是否有明显磨损、变形和松动等现象,并进行记录。
3.检查电控箱以及机械传动、液压及电气系统是否在正常工作状态,以及电缆、接线等是否有破损、老化等现象,并进行记录。
3. 安全措施检查1.检查塔机指令牌、安全警告牌、额定载荷牌等是否齐全、清晰、真实,并进行记录。
2.检查各安全装置,如重量过载保护装置、限位器、风速计等是否在正常工作状态,并进行记录。
3.检查塔机使用的防坠安全器是否安装齐全可靠,并进行记录。
4.检查工地的使用环境,如建筑物的稳定性、地基承载力等符合塔式起重机的使用要求,并进行记录。
检查结果本次月检中,塔式起重机全部检查合格,无异常情况,并填写了相应的检查记录表。
同时,针对发现的问题,制定了解决方案和整改计划。
检查结论本次检查表明,塔式起重机安全稳定可靠,各项指标均符合标准要求,为下一阶段的安全施工提供了可靠保障。
但是,为了保证施工过程中的安全性,需要加强对塔式起重机的日常保养,及时处理发现的异常问题,并及时更新和升级设备的安全防护系统,完善塔式起重机的安全管理制度,确保施工现场的安全环境。
塔式起重机日常检查表
使用单位:
塔吊编号生产厂家型号
检查结果代号说明√=合格○=整改后合格X=不合格无=无此项项目检查内容及要求检查结果备注结构1、起重臂、平衡臂、塔顶、塔身、小车及其连
接无严重变形、裂纹。
2、塔身连接螺栓齐全、紧固。
3、连接销轴开口齐全。
结构及零配件1、安装、维修保养符合有关要求。
2、起升及变幅钢丝绳应符合要求
3、卷筒、连轴器连接可靠。
4、吊钩无缺陷
5、起升及变幅无异常
电气1、电气元件符合使用要求,电气线路连接正确。
2、零位、过流、欠压及过压和电气系统接地、
绝缘等电气保护符合用电安全的有关规定。
安全装置1、电气元件符合使用要求,电气线路连接正确。
2、零位、过流、欠压及过压和电气系统接地、
绝缘等电气保护符合用电安全的有关规定。
其他1、塔机基础无沉降、有排水措施。
2、附着安装位置符合说明书规定、附着框及附
着杆
3、件材质、规格符合规定要求,附着各部位连
接可靠。
4、塔吊司机、指挥持证上岗
5、塔机与空输电线安全距离符合标准要求。
6、多塔作业防碰撞措施可靠。
7、吊索、吊具安全系数不小于6倍数。
试验1、操作情况灵活可靠。
2、起升、变幅、回转机构运行正常。
3、力矩及起重量限制器、高速及幅度限位器均
应动作准确灵敏。
4、起升及变幅制动器工作正常、起闭灵活、制
动可靠。
检查结论及整改情况:
检查负责人:
年月日。
工程名称:年月日
记录人:
记录人:测试人:
塔吊定期检查及维护
塔式起重机定期检查及维护记录
年月日
起重机安全检查纪录
施工单位:起动机型号:
塔吊检查记录表(一)
塔吊检查记录表(二)
表2
塔式起重机检查表
检查人员(签名):、、日期:2008年月日
塔吊班前例行检查记录
.
塔吊班前例行检查记录
塔吊班前例行检查记录
项目名称:塔吊编号:检查日期:年日到年月日
塔吊班前例行检查记录
塔吊班前例行检查记录
塔吊班前例行检查记录
项目名称:防城港中央商务区翡翠园塔吊编号:KPN12-123-840 检查日期:年
塔吊班前例行检查记录
塔吊日常运行检查记录
检查人:日期:注:√正常;О检查;X维修
塔吊日常运行检查记录
检查人:日期:注:√正常;О检查;X维修。
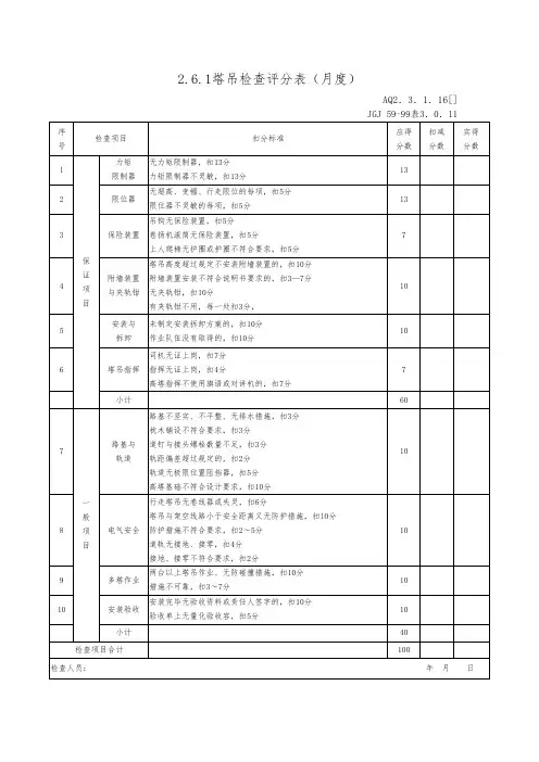
2.6.1塔吊检查评分表(月度)
AQ2.3.1.16[]
JGJ 59-99表3.0.11
项目部安全检查及隐患整改记录表.
AQ2.3.2.1口工程名称:施工单位:编号:
填表说明:
《项目部安全检查及隐患整改记录表》一式二份,项目部、受检班组(部门)各一份。
2.6.3塔式起重机定期检查表(每周)
检查人(签字)项目机管员(签字)
2.6.4塔吊垂直度原始数据记录表工程名称:测试日期:
2.6.5塔吊接地电阻测验原始数据记录表工程名称:测试日期:
工程名称:机械型号:
备注:此表为周检表,若超出规标准必须及时更换。
工程名称:机械型号:
备注:此表为周检表,若超出规标准必须及时更换。
工程名称:机械型号:
备注:此表为周检表,若超出规标准必须及时更换。
工程名称:机械型号:
备注:此表为周检表,若超出规标准必须及时更换。
塔吊安全装置检查维修记录表(周检查分表5)工程名称:机械型号:
备注:此表为周检表,若超出规标准必须及时更换。
塔吊钢丝绳检查维修记录表(周检查分表6)工程名称:机械型号:。
附件2:
塔式起重机每日巡视检查表
工程名称:施工单位:
塔吊型号:塔吊编号:
注:1、此表由质安员会同操作者在作业前后、大风雷雨后填写,项目经理审核;
2、表中每日巡查实施效果,合格打“√”,不合格打“ⅹ”,整改后合格打“O”;
3、记事栏中填写不合格的故障位置。
外用电梯每日巡视检查表
工程名称:施工单位:
设备型号:设备编号:
填表时间:年月日
注:1、此表由质安员会同操作者在作业前后、大风雷雨后填写,项目经理审核;
2、表中每日巡查实施效果,合格打“√”,不合格打“ⅹ”,整改后合格打“O”;
3、记事栏中填写不合格的故障位置。
井字架物料提升机每日巡视检查表
工程名称:施工单位:设备编号:
注:1、此表由质安员会同操作者在作业前后、大风雷雨后填写,项目经理审核;
2、表中每日巡查实施效果,合格打“√”,不合格打“ⅹ”,整改后合格打“O”;
3、记事栏中填写不合格的故障位置。
附着式升降脚手架每日巡视检查表
工程名称:施工单位:
注:1、此表由质安员会同检查人在每天使用前后、大风雷雨后填写,项目经理审核;
2、表中每日巡查实施效果,合格大“√”,不合格打“X”,整改后合格打“O”;
3、记事栏中填写不合格的故障位置。
滑升模板每日巡视检查表
工程名称:施工单位:
2、表中每日巡查实施效果,合格大“√”,不合格打“X”,整改后合格打“O”;
3、记事栏中填写不合格的故障位置。
塔吊定期检查记录
记录人:
塔吊定期检查记录
记录人:测试人:
塔吊定期检查及维护
记录人:
塔式起重机定期检查及维护记录
年月日
起重机安全检查纪录
表2
塔式起重机检查表
检查人员(签名):
日期:2008 年月
日
塔吊班前例行检查记录
塔吊班前例行检查记录
塔吊班前例行检查记录
项目名称:塔吊编号:检查日期:年日到年月日
塔吊班前例行检查记录
塔吊班前例行检查记录
塔吊班前例行检查记录
项目名称:防城港中央商务区翡翠园塔吊编号:KPN12-123-840 检查日期:年日到年月
塔吊班前例行检查记录
塔吊日常运行检查记录
日期:
检查人: 注:√正常;О检查;X 维修
塔吊日常运行检查记录
检查人:注:√正常;О检
查;X 维修
日期:。
塔吊日常检查记录表
检查项目说明
入场检查
- 检查塔吊是否有明显损坏
- 检查是否有使用限制,例如重量限制或高温限制
现场环境检查
- 检查周围环境是否安全,是否有障碍物
- 检查地面是否平整稳固
避雷设施检查
- 检查是否有有效的避雷装置
塔吊外观检查
- 检查塔吊的外观是否有损坏
- 检查有无明显锈蚀或裂缝
导线防护装置检查
- 检查塔吊导线的防护装置是否完好
电气系统检查
- 检查电气系统是否正常工作
- 检查电缆和插头是否有损坏
液压系统检查
- 检查液压系统是否正常工作
- 检查液压管路是否有漏油现象
悬挂装置检查
- 检查吊臂、钩是否有损坏或松动- 检查钢丝绳是否有损坏或断裂
行走系统检查
- 检查行走系统是否正常工作
- 检查轮胎或履带是否有损坏
工作机构检查
- 检查平衡臂、塔头和塔身是否有异常现象- 检查托臂是否完好
限位、安全装置检查
- 检查限位和安全装置是否正常工作
- 检查安全防护装置是否完好
操作装置检查
- 检查操作装置是否灵敏、准确
- 检查按钮、开关是否正常
遥控器检查
- 检查遥控器是否正常工作
- 检查遥控器按钮是否灵敏
> 注意:若发现任何问题,请在“问题描述”栏中详细记录,并在“解决方案”栏中填写相应的解决方案。
如果问题不能立即解决,请立即停止使用塔吊并上报相关负责人处理。
塔式起重机安全技术日常检查表
工程名称设备型号设备编号
安装单位生产厂家
使用单位检测单位
序号检查内容
检查结果(月)
1 2 3 4 5 6 7 8 9 10 11 12 13 14 15 16 17 18 19 20 21 22 23 24 25 26 27 28 29 30
1 接地装置是否安全可靠(电阻值是多少)
2 行走限位开关和撞块是否可靠
3 排除行走轨道及行走轮行程中的障碍物
4 塔身供电电压是否正常(电压值是多少)
5 各部位连接螺栓有无松动
6 各齿轮油量是否缺少,有无变质
7 检查起重机构制动器及钢丝绳卡头和钢丝绳
排列情况
8 试运转时察听各传动机构有无异响
9 运行中试验各安全装置是否可靠
10 检查夹轨器性能、停用后与轨道紧锁
11 基础是否下陷
12 按说明书要求进行润滑工作
班长签字:机管员:
备注:设备运行正常的打“√”,有问题的打“×”(并注明原因或实测数据)。