房屋建筑和政基础设施工程施工风险等级分级表
- 格式:doc
- 大小:507.00 KB
- 文档页数:8
工程安全风险评估等级
工程安全风险评估等级常用的有五级,分别为:
1. 一级风险:一级风险表示极高风险,即可能导致严重的人员伤亡、财产损失和环境破坏等重大事故或灾害。
该等级的风险需要立即采取有效措施进行管控和处理,并确保及时报警和事故应急响应措施的启动。
2. 二级风险:二级风险表示高风险,即可能导致严重的人员伤亡、财产损失和环境破坏等事故或灾害。
该等级的风险需要采取紧急措施进行管控和处理,并确保事故应急响应措施的启动。
3. 三级风险:三级风险表示较高风险,即可能导致较严重的人员伤亡、财产损失和环境破坏等事故或灾害。
该等级的风险需要采取相应措施进行管控和处理,并确保事故应急响应措施的启动。
4. 四级风险:四级风险表示中等风险,即可能导致一定程度的人员伤亡、财产损失和环境破坏等事故或灾害。
该等级的风险需要采取一定措施进行管控和处理,并确保问题得到及时解决。
5. 五级风险:五级风险表示低风险,即可能导致较小程度的人员伤亡、财产损失和环境破坏等事故或灾害。
该等级的风险需要采取一些简单的措施进行管控和处理,确保问题不会进一步恶化。
住建行业安全风险红橙黄蓝等级图表背景住建行业安全风险评估是对住房和城乡建设领域中存在的各种潜在风险进行评估和分类的过程。
该图表旨在通过红、橙、黄和蓝等级来表示不同风险程度,以帮助相关部门和企业更好地识别和应对安全风险。
安全风险等级根据风险的严重程度和可能性,我们将安全风险分为以下四个等级:- 红色:代表高风险。
这些风险是非常严重且具有高概率发生的,必须立即采取措施来消除或减轻其影响。
红色等级的风险可能导致人员伤亡、建筑倒塌等严重后果。
- 橙色:代表较高风险。
这些风险可能会对人员安全或建筑结构造成一定威胁,但其发生概率相对较低。
必须采取适当的措施来控制和减少这些风险的发生。
- 黄色:代表中等风险。
这些风险可能会对人员或建筑物造成一定程度的影响,但其严重性和发生概率相对较低。
需要进行风险管理和监测,以防止潜在的损害。
- 蓝色:代表低风险。
这些风险通常是较为常见或较为普遍的,但其严重性和影响范围相对较小。
对于蓝色等级的风险,可以采取一些预防性措施,但不需要过多的关注和投入。
使用建议在进行住建行业安全风险管理和决策时,以下是一些建议:1. 重点关注红色和橙色等级的风险:这些风险具有较高的严重性和可能性,需要优先处理和解决。
确保采取适当的措施来减少这些风险的发生。
2. 配置资源:根据风险等级,合理配置资源进行风险管理。
将更多的资源投入到高风险等级的风险防控和监测,以最大程度地减少潜在损害。
3. 定期评估和更新:安全风险是一个动态过程,需要定期评估和更新。
根据实际情况,对风险等级进行调整,并制定相应的风险管理策略。
4. 培训和意识提升:提高从业人员和相关人员的安全意识,加强培训和教育,以提高对安全风险的识别和应对能力。
结论住建行业安全风险红橙黄蓝等级图表是一个简单而有效的工具,可用于评估和管理住房和城乡建设领域中的安全风险。
通过将风险等级明确地表示出来,可以帮助相关部门和企业更好地认识和应对潜在的安全风险,以保障人员安全和建筑物的稳定。
北京市房屋建筑和市政基础设施工程施工安全风险分级管控技术指南(试行)二〇一八年九月目录1 总则 (1)2 编制依据 (2)3 术语 (3)4 工程项目参建单位施工安全风险管控职责 (4)4.1 一般规定 (4)4.2 建设单位职责 (4)4.3 施工单位职责 (4)4.4 监理单位职责 (5)4.5 勘察、设计单位职责 (5)5 风险识别 (6)5.1风险识别方法 (6)5.2风险识别范围 (6)5.3风险识别程序 (8)5.4风险源判别清单库 (9)6 风险分析 (12)6.1发生可能性分析 (12)6.2后果严重性分析 (15)7 风险评价定级 (19)7.1施工安全风险等级 (19)7.2风险等级矩阵法 (19)7.3风险评价方法 (19)8 施工安全风险管控 (20)8.1施工安全风险分级管控原则 (20)8.2施工安全风险源识别清单编制和公告 (20)8.3施工安全风险分级管控措施 (21)8.4监督检查 (21)8.5持续改进 (22)8.6文件与记录 (22)附录A 企业施工安全风险源判别清单库 (24)附录B 项目部施工安全风险源识别清单 (25)附录C 企业施工安全风险源识别清单 (26)附录D风险评估技术 (27)1 总则1.0.1为规范北京市建设工程施工安全风险管控工作,健全完善施工安全预防控制体系,提高施工安全整体预控能力和水平,有效遏制较大及其以上生产安全事故,压减一般生产安全事故,制定本指南。
1.0.2本指南适用于北京市行政区域内新建、扩建、改建的房屋建筑和市政基础设施工程施工安全风险分级管控工作。
轨道交通建设工程可以参照执行。
1.0.3施工安全风险管控工作遵循全面性、系统性、科学性、专业性、经济性、动态性和实效性原则。
1.0.4工程项目参建单位应建立健全施工安全风险管控的体制机制,制定工作制度,明确责任主体,采取有效措施,全面、系统识别风险,科学分析、评价风险,在工程项目活动全过程中对施工安全风险进行有效管控。
附件
1
2
3
4
5
注:1.低风险、一般风险、较大风险等级中,项目同时满足该等级所有风险因素要求,该等级即为项目对应的风险等级;2.重大风险等级中,项目满足其中任何一条风险因素要求(打“/”表示风险因素不限制的除外)即为重大风险;3.低风险、一般风险、较大风险等级中,项目不同时满足该等级所有风险因素要求时,先确定项目各风险因素对应的最低风险等级,然后选取其中的最高风险等级即为项目对应的风险等级。
6
7
8
9
10
注:1.风险因素是指“建筑规模、建造技术复杂程度、技术使用情况、所属区域、周边环境”;2.在判别风险级别时,对于不同风险因素满足不同风险等级时采取就高原则,对于同一风险因素满足不同风险等级时采取就低原则;3.同一项目包含不同使用性质工程时,以风险级别最高工程定义该项目。
11。
北京市房屋建筑和市政基础设施工程施工安全风险分级管控技术指南(试行)二〇一八年九月目录1 总则 (1)2 编制依据 (2)3 术语 (3)4 工程项目参建单位施工安全风险管控职责 (4)4.1 一般规定 (4)4.2 建设单位职责 (4)4.3 施工单位职责 (4)4.4 监理单位职责 (5)4.5 勘察、设计单位职责 (5)5 风险识别 (6)5.1 风险识别方法 (6)5.2 风险识别范围 (6)5.3 风险识别程序 (8)5.4 风险源判别清单库 (9)6 风险分析 (12)6.1 发生可能性分析 (12)6.2后果严重性分析 (15)7 风险评价定级 (19)7.1 施工安全风险等级 (19)7.2 风险等级矩阵法 (19)7.3 风险评价方法 (19)8 施工安全风险管控 (20)8.1 施工安全风险分级管控原则 (20)8.2 施工安全风险源识别清单编制和公告 (20)8.3 施工安全风险分级管控措施 (21)8.4 监督检查 (21)8.5 持续改进 (22)8.6 文件与记录 (22)附录A 企业施工安全风险源判别清单库 (24)附录B 项目部施工安全风险源识别清单 (25)附录C 企业施工安全风险源识别清单 (26)附录D 风险评估技术 (27)1 总则1.0.1为规范北京市建设工程施工安全风险管控工作,健全完善施工安全预防控制体系,提高施工安全整体预控能力和水平,有效遏制较大及其以上生产安全事故,压减一般生产安全事故,制定本指南。
1.0.2本指南适用于北京市行政区域内新建、扩建、改建的房屋建筑和市政基础设施工程施工安全风险分级管控工作。
轨道交通建设工程可以参照执行。
1.0.3施工安全风险管控工作遵循全面性、系统性、科学性、专业性、经济性、动态性和实效性原则。
1.0.4工程项目参建单位应建立健全施工安全风险管控的体制机制,制定工作制度,明确责任主体,采取有效措施,全面、系统识别风险,科学分析、评价风险,在工程项目活动全过程中对施工安全风险进行有效管控。
房屋建筑和政基础设施工程施工风险等级分级表1. 简介房屋建筑和政基础设施工程施工风险等级分级表是用于评估工程施工过程中可能面临的风险的工具。
该分级表以等级的形式对工程施工的风险进行分类,以帮助工程管理者识别潜在风险和采取相应的措施,从而降低风险的发生和影响。
2. 分级表介绍分级风险描述风险可能导致的影响控制措施1 风险级别最低,不会对工程进度、质量和安全造成影响对工程施工进度、质量和安全没有明显的影响1、严格按照施工规范和标准进行施工;2、全面考虑工程执行方案的可行性;3、严格把关材料质量和供货来源2 风险较低,可能对工程施工进度、质量和安全造成一定的影响对工程施工进度、质量和安全有一定的影响,但不会对整个工程产生严重的影响1、根据实际情况确定有效的应急预案;2、在进行施工前进行前期评估,制定适宜的施工方案和进度计划;3、采用可靠且有经验的承包商和供应商3 风险中等,可能对工程施工进度、质量和安全造成显著的影响对工程施工进度、质量和安全可能产生显著的影响,可能导致项目延误或部分损失1、建立完备的质量、进度和安全管理机制;2、采用识别、评估和跟踪的方式管理施工风险;3、加强现场施工监督和质量验收4 风险较高,可能对工程施工进度、质量和安全造成严重影响可能对整个工程施工进度、质量和安全产生严重影响,导致项目无法交付或需要重建1、全面分析和评估施工环境和施工过程存在的安全、质量、进度风险;2、实施可行的施工管理方案和施工策略;3、严格执行施工验收制度,对质量不符标准的部分进行返修或重建5 风险最高,可能对工程施工进度、质量和安全造成毁灭性的影响可能导致整个工程施工进度、质量和安全受到根本性的破坏,导致项目失败或无法继续进行1、建立灵活且高效的危机管理机制和预警体系;2、临时暂停风险项目或项目段的施工;3、采取紧急、果断的措施,保障现场施工和人员安全3. 结论通过上述分级表的设计和实施,可以有效识别和评估工程施工过程中存在的风险,从而选择有效的措施降低风险的发生和影响。
建筑施工安全危险等级划分表工程名称工程地址层次结构地上:层总高:米设计单位地下:层结构:建设单位施工单位监理单位勘察单位安全等级分部分项工程工程内容评识结论(有、无)Ⅰ级Ⅰ级一、人挖桩、深基坑及其他地下工程1、开挖深度超过5m(含5m)的基坑(槽)的土方开挖、支护、降水工程2、开挖深度虽未超过5m,但地质条件、周围环境和地下管线复杂,或影响毗邻建筑物、构筑物安全的基坑(槽)的土方开挖、支护、降水工程3、开挖深度超过16m的人工挖孔桩工程4、地下暗挖工程、顶管工程、水下作业工程二、模板工程及支撑体系1、工具式模板工程:包括滑模、爬模、飞模工程2、混凝土模板支撑工程:搭设高度8m及以上;搭设跨度18m及以上;施工总荷载15K N/m2及以上;集中线荷载20K N/m及以上3、承重支撑体系:用于钢结构安装等满堂支撑体系,承受单点集中荷载700kg以上三、起重吊装及安装拆卸工程1、采用非常规起重设备、方法、且单件起吊重量在100KN及以上的起重吊装工程2、起重量300KN及以上的起重设备安装工程;高度200m及以上内爬起重设备的拆除工程3、施工高度50m及以上的建筑幕墙安装工程4、跨度大于36m及以上的钢结构安装工程;跨度大于60m及以上的网架和索膜结构安装工程四、脚手架工程1、搭设高度50m及以上落地式钢管脚手架工程2、提升高度150m及以上附着式整体和分片提升脚手架工程3、架体高度20m及以上悬挑式脚手架工程五、拆除、爆破工程1、采用爆破拆除的工程2、码头、桥梁、高架、烟囱、水塔或拆除中容易引起有毒有害气(液)体或粉尘扩散、易燃易爆事故发生的特殊建筑物、构筑物的拆除工程3、可能影响行人、交通、电力设施、通讯设施或其他建筑物、构筑物安全的拆除工程4、文物保护建筑、优秀历史建筑或历史文化风貌区控制范围的拆除工程六、其他1、应划分危险等级Ⅰ级的采用新技术、新工艺、新材料、新设备及尚无相关技术标准的危险性较大的分部分项工程2、其他在建建筑工程施工过程中存在的、应划入危险等级Ⅰ级的可能导致作业人员群死群伤或造成重大不良社会影响的分部分项工程一、基坑支护、降水工程开挖深度超过3m(含3m)或虽未超过3m,但地质条件和周边环境复杂的基坑(槽)支护、降水工程二、土方开挖、人挖桩、地1、开挖深度超过3m(含3m)的基坑(槽)的土方开挖工程2、人工挖扩孔桩工程Ⅱ级下及水下作业工程3、地下暗挖、顶管及水下作业工程三、模板工程及支撑体系1、各类工具式模板工程:包括大模板、滑模、爬模、飞模等工程2、混凝土模板支撑工程:搭设高度5m及以上;搭设跨度10m及以上;施工总荷载10KN/m2及以上;集中线荷载15KN/m及以上;高度大于支撑水平投影宽度且相对独立无联系构件的混凝土模板支撑工程3、承重支撑体系;用于钢结构安装等满堂支撑体系四、起重吊装及安装拆卸工程1、采用非常规起重设备、方法,且单件起吊重量在10KN及以上的起重吊装工程2、采用起重机械进行安装的工程3、起重机械设备自身的安装、拆卸4、建筑幕墙安装工程5、钢结构、网架和索膜结构安装工程6、预应力工程五、脚手架工程1、搭设高度24m及以上的落地式钢管脚手架工程2、附着式整体和分片提升脚手架工程3、悬挑式脚手架工程4、吊篮脚手架工程5、自制卸料平台、移动操作平台工程6、新型及异型脚手架工程六、拆除、爆破工程1、建筑物、构筑物拆除工程2、采用爆破拆除工程七、其他1、应划入危险等级Ⅱ级的采用新技术、新工艺、新材料、新设备及尚无相关技术标准的分部分项工程2、其他建筑工程在施工过程中存在的应划入危险等级Ⅱ级的,可能是导致作业人员群死群伤或造成重大不良社会影响的分部分项工程Ⅲ级除Ⅰ级、Ⅱ级以外的其他工程施工内容建设单位:项目负责人:技术负责人:(公章)施工单位:项目经理:技术负责人:项目技术负责人:安全负责人:项目安全负责人:(公章)监理单位:项目总监:总监代表:专业监理工程师:(公章)涉及其它参建单位:项目负责人:技术负责人:(公章)年月日。
在建工程安全生产风险等级划分标准根据住建部对近三年房屋市政工程生产安全事故类型的分析,其中高处坠落事故占总数的54.37%; 物体打击事故总数的14.07%;起重伤害事故占总数的9.51%;坍塌事故占总数的8.37%;机械伤害、触电、车辆伤害等。
可见排名前几位的分别是高处坠落、物体打击、起重伤害、坍塌事故、机械伤害、触电、车辆伤害。
为此,根据风险源的类型及工程中存在风险源数量的多少,我们把各类工程安全生产风险等级划分为以下三级:
一级:(1)房屋建筑工程。
(2)钢结构工程。
(3)市政工程中有桥梁、涵洞、遂道、爆破以、深基坑施工、管道施工、临水施工以及在易滑坡易塌方地段施工的。
(4)市政工园林绿化工程中有起重吊装施工、大树种植的。
(5)在城市中心人员密集地段施工的各类工程。
(6)各类车辆机械使用数量较多的工程。
(7)对防火、用电等有特别要求的工程。
二级:一般的市政工程。
三级:一般的园林绿化工程。
对于风险等级一级的在建工程项目,各分管事业部应进行重点管控,严格按照公司文件的要求,落实安全生产责任、开展安全生产检查;对于一般工程,每季度应进行用电、消防以及文明施工等专项检查。
安全生产部
2017年4月20日。
附件A(规范性附录)安全风险评估分级判定标准表分项评估内容风险分级特征描述分级判定1工程规模建筑面积小,建筑高度低,造价低等级Ⅰ(低风险)建筑面积较小,建筑高度较低,造价较低等级Ⅱ(一般风险)建筑面积较大,建筑高度较高,造价较高等级Ⅲ(较大风险)建筑面积大,建筑高度高,造价高等级Ⅳ(重大风险)2工程复杂性不含危大工程,施工技术简单,施工工艺非常成熟等级Ⅰ(低风险)含有1项危大工程但未超一定规模,施工技术一般,施工工艺成熟等级Ⅱ(一般风险)含有1项以上超规模的危大工程,施工技术比较复杂,施工工艺较成熟等级Ⅲ(较大风险)含有3项以上超规模的危大工程,施工技术非常复杂,含有新施工工艺等级Ⅳ(重大风险)3人员管理项目部人员配置齐全,专业分包能力强,进场作业人员劳动技能好等级Ⅰ(低风险)项目部人员配置较齐全,专业分包能力较强,进场作业人员劳动技能较好等级Ⅱ(一般风险)项目部人员配置不全,专业分包能力较低,进场作业人员劳动技能较差等级Ⅲ(较大风险)项目部人员配置差,专业分包能力低,进场作业人员劳动技能差等级Ⅳ(重大风险)4机电设备进场设备全部验收合格,维保记录齐全完整,无特种设备等级Ⅰ(低风险)进场设备未验收率较低,维保记录比较齐全,特种设备1~2类等级Ⅱ(一般风险)进场设备未验收率较高,维保记录缺失严等级Ⅲ(较大风险)重,特种设备3~5类进场设备未验收率高,无维保记录,特种设备超5类以上等级Ⅳ(重大风险)5安全设施、材料承重支撑系统在监测允许范围内,外防护架在监测允许范围内,边坡支护在监测允许范围内,临边防护结构可以正常使用,警示标识种类齐全有效等级Ⅰ(低风险)承重支撑系统接近预警值,外防护架接近预警值,边坡支护接近预警值,临边防护结构需要维护加固,警示标识模糊不清等级Ⅱ(一般风险)承重支撑系统超过预警值,外防护架超过预警值,边坡支护超过预警值,临边防护结构部分缺失,警示标识种类不全等级Ⅲ(较大风险)承重支撑系统开始变形,外防护架开始变形,边坡支护开始变形,临边防护结构缺失严重,警示标识缺失等级Ⅳ(重大风险)6日常管控安全管理结构健全,人员配备齐全,安全制度健全,施组及方案审批及时,安全教育培训记录齐全,日常检查记录规范,应急救援预案完善,职业健康体系建设完善运行有效等级Ⅰ(低风险)安全管理结构较健全,人员配备较齐全,安全制度基本健全、施组及方案审批较及时,安全教育培训记录较齐全,日常检查记录齐全,应急救援预案较完善,职业健康体系建设基本完善运行有效等级Ⅱ(一般风险)安全管理结构不健全,安全管理人员配备不齐全,安全制度不健全,施组及方案审批不及时,安全教育培训记录不齐全,日常检查记录不齐全,应急救援预案不完善,职业健康体系建设不完善等级Ⅲ(较大风险)未设置安全管理结构,未配备专职安全管等级Ⅳ(重大风险)理人员,安全制度缺失,施组及方案审未审批、安全教育培训记录缺失,日常检查记录缺失,应急救援预案未编制,未建设职业健康体系7施工环境施工所在地举办地方级大型会议活动,自然灾害很少,突发事件四级预警,周边环境目标敏感度很低且种类单一等级Ⅰ(低风险)施工所在地举办省级大型会议活动,自然灾害偶发,突发事件三级预警,周边环境目标敏感度较低且种类单一等级Ⅱ(一般风险)施工所在地举办国内大型会议活动,自然灾害多发,突发事件二级预警,周边环境目标敏感度较高且种类较复杂等级Ⅲ(较大风险)施工所在地举办国际大型会议活动,自然灾害频繁发生,突发事件一级预警,周边环境目标敏感度高且种类复杂等级Ⅳ(重大风险)附件B(规范性附录)安全风险评估指标体系表评估对象评估指标分级基本分值(Rij)权重系数(γij)评估分值(Xij)说明分值范围取值工程规模X1建筑面积或造价X115万平米以上75分~100分R11γ11X11=R11*γ11工程建筑面积大,点多面广,风险存在的可能性就大。
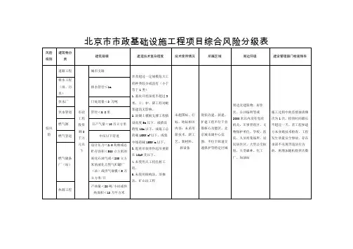
附件2房屋建筑和市政基础设施工程施工风险等级分级表施工内容施工风险等级一般风险较大风险重大风险基坑工程开挖深度不超过3m,且地质条件和周边环境较好的基坑(槽)支护、降水、土方开挖工程。
开挖深度超过3m(含3m)或虽未超过3m但地质条件和周边环境复杂的基坑(槽)支护、降水、土方开挖工程。
开挖深度超过5m(含5m)的基坑(槽)或开挖深度虽未超过5m,但地质条件、周围环境和地下管线复杂,或影响毗邻建筑(构筑)物安全的基坑(槽)的土方开挖、支护、降水工程。
脚手架工程搭设高度不足24m的落地式脚手架工程。
1、搭设高度24m及以上的落地式钢管脚手架工程。
2、附着式整体和分片提升脚手架工程。
3、悬挑式脚手架工程。
4、吊篮脚手架工程。
5、自制卸料平台、移动操作平台工程。
6、新型及异型脚手架工程。
1、搭设高度50m及以上落地式钢管脚手架工程。
2、提升高度150m及以上附着式整体和分片提升脚手架工程。
3、架体高度20m及以上悬挑式脚手架工程。
模板工程及支撑系统搭设高度不足5m的模板工程。
1、采用工具式大模板工程。
2、混凝土模板支撑工程:搭设高度5m及以上;搭设跨度10m及以上;施工总荷载10kN/m2及以上;集中线荷载15kN/m2及以上;高度大于支撑水平投影宽度且相对独立无联系构件的混凝土模板支撑工程。
3、承重支撑体系:用于钢结构安装等满堂支撑体系。
1、工具式模板工程:如滑模、爬模、飞模工程。
2、混凝土模板支撑工程:搭设高度8m及以上;搭设跨度18m及以上,施工总荷载15kN/m2及以上;集中线荷载20kN/m2及以上。
3、承重支撑体系:用于钢结构安装等满堂支撑体系,承受单点集中荷载700Kg以上。
起重吊装及安装拆卸工程采用常规起重设备、方法,且单件起吊重量在10KN及以下的起重吊装工程。
1、采用非常规起重设备、方法,且单件起吊重量在10KN及以上的起重吊装工程。
2、采用起重机械进行安装的工程。
3、起重机械设备自身的安装、拆卸。
北京市房屋建筑和市政基础设施工程施工安全风险分级管控技术指南(试行)二〇一八年九月目录1 总则 ...................................................................................................... 错误!未定义书签。
2 编制依据 .............................................................................................. 错误!未定义书签。
3 术语 ...................................................................................................... 错误!未定义书签。
4 工程项目参建单位施工安全风险管控职责 ...................................... 错误!未定义书签。
4.1 一般规定 ....................................................................................... 错误!未定义书签。
4.2 建设单位职责 ............................................................................... 错误!未定义书签。
4.3 施工单位职责 ............................................................................... 错误!未定义书签。
4.4 监理单位职责 ............................................................................... 错误!未定义书签。
住建行业安全风险红橙黄蓝等级图表简介本文档旨在提供一份住建行业安全风险红橙黄蓝等级图表,以帮助相关从业人员更好地了解和评估安全风险。
该图表将安全风险分为四个等级,分别为红、橙、黄和蓝,用以表示不同风险等级的程度。
安全风险等级说明以下是对每个安全风险等级的简要说明:红色等级- 描述:红色等级表示最高级别的安全风险。
- 特点:与生命安全直接相关的风险,可能导致严重的伤害或死亡。
- 示例:建筑物结构不稳定、存在严重的火灾隐患等。
橙色等级- 描述:橙色等级表示较高级别的安全风险。
- 特点:可能导致严重的财产损失或人员伤害。
- 示例:电气设备存在严重缺陷、施工现场安全措施不完善等。
黄色等级- 描述:黄色等级表示中等级别的安全风险。
- 特点:可能导致一定程度的财产损失或人员伤害。
- 示例:施工现场存在一些潜在的安全隐患、存在一些安全管理缺陷等。
蓝色等级- 描述:蓝色等级表示较低级别的安全风险。
- 特点:可能导致轻微的财产损失或人员伤害。
- 示例:施工现场存在一些小问题、存在一些操作不规范等。
使用方法使用该图表时,从业人员可以根据具体情况评估项目或工程的安全风险等级,并采取相应的措施来降低风险。
对于红色和橙色等级的风险,应立即采取紧急措施进行处理和改善。
对于黄色和蓝色等级的风险,也应及时采取相应的预防和管理措施,以保障工程的安全进行。
注意事项- 本图表仅供参考,具体的安全风险评估需要根据实际情况进行。
- 在使用该图表时,应结合相关法律法规和标准进行综合评估。
- 本文档不提供法律意见或法律咨询服务,仅供参考使用。
该文档为住建行业安全风险红橙黄蓝等级图表的说明,旨在提供一个简单的评估工具以辅助从业人员对安全风险的认识和管理。
基建施工风险定级序号工序作业内容风险级别一、公共部分1.施工用电1.1 施工用电架设架空线路 2 敷设直埋电缆 2 配电箱及开关箱安装 2 保护接地或接零 2 现场照明布置 2二、变电站土建工程部分1.桩基础施工1.1 施工前准备现场临时建筑物搭设 11.2 人工挖孔灌注桩施工挖第一节桩孔土方 1架设垂直运输系统 2深度5米以下逐层往下循环作业 3吊放钢筋笼 1浇筑桩身混凝土 11.3 螺旋钻孔压浆桩桩机就位准备 2 钻进成孔 2 高压注浆 1 钢筋笼安放、下补浆管 22.混凝土基础工程2.1 施工前准备现场作业准备及布置 1 主要机具检查 22.2 土方开挖深度超过5米(含5米)的深基坑挖土或未超过5米,但地质条件与周边环境复杂4 开挖深度在3米到5米之间的基坑挖土 3 开挖深度在1米到3米之间的基坑挖土 1 临空作业面(包括坠落高度1.5m 及以上的基坑)及直径大于1m孔洞没有防护22.3 模板工程组模 1 钢模板运输及拼装 1 模板拆除 22.4 钢筋工程钢筋加工 22.5 混凝土工程混凝土搅拌 2 混凝土浇筑 2 混凝土砂浆搅拌机 2 混凝土振捣器使用 23.主建筑物工程3.1 现场作业准备及布置现场作业准备与布置 1主要机具及材料配置 23.2 钢筋工程钢筋加工 2 钢筋搬运作业 2 钢筋安装作业 13.3 模板工程模板安装 3 模板拆除 3 高度超过8米或跨度超过18米的模板支撑系统 43.4 混凝土工程混凝土作业 1 3.5 砌筑工程主体填充墙砌筑 2 3.6 屋面工程屋面施工 23.7 室内外抹灰高处作业 24.防火墙工程4.1 现场作业准备及布置作业准备及布置 14.2 钢筋工程钢筋加工、安装 2 4.3 模板工程模板作业 2 4.4 混凝土工程混凝土施工 2 4.5 砌筑工程砌筑施工 2 4.6 抹灰工程抹灰施工 24.7 涂料工程涂料施工 25.构支架安装工程5.1 现场作业准备、布置施工现场准备工作 15.2 吊装一般起重吊装 2 重量达到起重机械额定负荷的95%;两台及以上起重机械抬吊同一物件;大件吊装;起重机械在输电线路下方或距带电体较近地点等的特殊起吊45.3 钢管、水泥杆构支架组立排杆 2电焊机焊接 1气焊机焊接 1横梁组装 1A型构架的吊装 3横梁吊装 3构支架、避雷针吊装及接地 2格构式构支架组立 16.电缆沟道工程6.1 现场作业准备及布置现场作业前准备及资源配置 16.2 预制电缆槽施工电缆沟预制盖板外框制作 1 预制构件混凝土浇筑 1 预制构件堆放 1 构件运输、安装 16.5 现浇式电缆沟施工电缆沟挖方 2电缆沟垫层施工 1钢筋加工及绑扎 2模板安装及拆除 2浇混凝土浇筑 27.站区道路及围墙工程7.1 现场作业准备及布置现场作业前准备及资源配置 17.2 站区三通一平、站区道路工程土方开挖 2土石方爆破 3路基填压施工 2 路面施工 27.3 围墙工程毛石基础施工 2 墙体砌筑 28.消防工程8.1 现场作业准备及布置现场作业前准备及资源配置 18.2 消防管道管网施工管道的土方开挖 2管道的下料、敷设与焊接 2管道连接和支架安装 2管道系统的水压试验 18.3 消防设备和控制设备安装消防设备安装 2消防控制设备的安装 2热敏电缆敷设 28.4 报警与消防水系统联合调试火灾报警系统单体调试 2消防系统的联合调试 29.电力隧道工程9.1 盾构盾构出洞 4 9.2 盾构盾构进洞 3 9.3 盾构隧道注浆 3 9.4 盾构机械设备维护 3 9.5 盾构隧道进洞 39.6 盾构联络通道 310.电力沉井盾构工程10.1 沉井桩基工程桩机作业 210.2 地基工程深度超过5米(含5米)、开挖深度超过7米(含7米)、地下室二层以上(含二层)的深基坑挖土4 内环以内深度不超过5米、开挖深度小于7米(含7米)、地下室在二层以下的深基坑挖土310.3 结构工程钢筋冷拉作业 210.4 模板工程水平混凝土构件模板高度超过8米、跨度超过18米、总载荷大于10千牛/平方米、集中线载荷大于5千牛/平方米的模板工程4水平混凝土构件模板高度4-8米、跨度不超过18米、总载荷小于10千牛/平方米、集中线载荷小于5千牛/平方米的模板工程3 拆模作业 3 地下混凝土支撑拆除 310.5 建筑机械大型机械装拆 3 施工机械操作 2 物料提升机 2 起重机械如吊车、升降车 2 起重吊装工程 310.6 脚手架工程高度超过24米的落地钢管脚手架、附着式升降脚手架、悬挑式脚手架、门型脚手架、悬挂脚手架、吊篮脚手架、卸料平台4 一般脚手架搭设与拆除 310.7 拆除工程采用机械、爆破的拆除改造工程(旧房、大型设备、构支架、基础等)310.8 沉井施工沉井下沉 210.9 沉井封底施工封底作业 211.地下变电站作业11.1 各项施工作业 311.2 地下变深基坑开挖基坑开挖支护 4基坑排水 3基坑支护变形、毗邻建筑物和重要管线道路沉降 3基坑流砂 4基坑垂直作业 4基坑支护爆破 412.钢管脚手架搭设12.1 现场准备工作现场作业准备及布置 1脚手架构件 212.2 钢管脚手架搭设搭设前准备 2 铺垫板安装 2 纵横向扫地杆安装 2 竖立杆安装 2 纵向水平杆安装 2 横向水平杆安装 2 搭上层脚手架安装 2 连墙件安装 2 剪刀撑安装 2 脚手板安装 2 人行、材料运输斜道安装 2 安全通道安装 2 临边防护安装 2 搭设高度没有超过24米的落地钢管脚手架、附着式升降脚手架、悬挑式脚手架、门型脚手架、悬挂脚手架、吊篮脚手架、卸料平台3搭设高度超过24米的落地钢管脚手架、附着式升降脚手架、悬挑式脚手架、门型脚手架、悬挂脚手架、吊篮脚手架、卸料平台412.3 其它专用脚手架模板支撑脚手架 2 防火墙脚手架 2 围墙及内装饰脚手架搭设 212.4 脚手架的验收与维护脚手架的验收与维护 212.5 脚手架拆除害脚手架拆除作业 3三、变电站电气工程部分1.变压器、电抗器安装1.1 油浸电力变压器、油浸电抗器施工作业现场作业准备及布置火灾、中毒 2绝缘油处理 2吊罩检查 3不吊罩检查 2附件安装 2抽真空及真空注油 1滤油 2试验电源 2门形组装式安全围栏安装 2 2.一次设备安装2.1 管母线安装现场作业准备及布置 2 管母线加工 2 焊接 2 支撑式安装 2 悬吊式安装 22.2 软母线安装档距测量及增量计算 2 下料 1 压接 2 母线安装 2 母线跳线安装 2 设备引下线安装 22.3 断路器安装搬运与开箱 2 本体安装 2 充SF6气体 22.4 隔离开关安装本体安装 2 静触头安装 2 机构箱安装 12.5 其他户外设备安装二次运输 2吊装 2互感器吊装 2耦合电容器、避雷器 2干式电抗器安装 2悬挂式阻波器安装 2座式阻波器安装 23.GIS组合电器安装3.1 现场作业准备及布置技术准备和现场布置 23.2 GIS组合电器安装室内外GIS就位 2GIS母线及母线筒对接 1抽真空、充气 2试验 24.二次系统工程4.1 开关柜、屏安装现场作业准备及布置 2 二次搬运 2 屏、柜就位 24.2 电缆敷设及二次接线现场作业准备及布置 2电缆装卸 2敷设及接线 24.3 试验电缆试验 25.改扩建工程5.1 现场作业准备及布置作业前的准备工作 25.2 户外作业土建间隔扩建施工 3 材料、设备搬运 2 邻近带电作业 35.3 户内作业设备安装 3 运行盘柜上二次接线 3 二次接入带电系统 36.地下变电站施工6.1 设备安装(地下变电站大型设备)起吊 36.2 其他作业 2四、输电线路工程部分1.项目驻地建设1.1 驻地临建临建搭拆 22.线路复测2.1 线路复桩定位通道清理 2 山区及森林作业 1 复杂地形作业 23.土石方工程3.1 一般土石方开挖人工开挖 2 机械开挖 23.2 掏挖基础基坑开挖孔口施工 2渣土提升 2深度大于5米的开挖 33.3 岩石基坑开挖人工成孔 1 机械钻孔 2 爆破作业 33.4 特殊基坑开挖作业泥沙流沙坑开挖 3水坑、沼泽地、冻土基坑开挖 23.5 机械钻孔灌注桩基础作业埋设护筒 2桩机就位 2钻进操作 2清孔及换浆 2钢筋笼制作与吊放 2导管安装与下放 2混凝土灌注 24.基础施工4.1 机料机具运输人力运输 2 机动车运输 2 水上运输 2 索道运输 34.2 模板安装和支护作业模板安装 2模板支护 24.3 钢筋绑扎安装作业钢筋绑扎 1扎筋组模 14.4 现场浇筑混凝土搭设浇筑平台 2作业搅拌系统布置(含施工电源) 2混凝土搅拌 2出料运输 2浇筑 2振捣 1拆模 1冬季养护 2 5.杆塔施工5.1 水泥杆及钢管塔施工水泥杆焊接 2钢管塔连接 2地锚坑选择及设置 3水泥杆吊装 25.2 悬浮抱杆分解组立吊装塔腿塔片 2临时接地 2抱杆系统布置 3地锚坑选择及设置 3起立抱杆 2地面塔片组装 1吊装塔片 2提升抱杆 2吊装塔头 3拆除抱杆 25.3 整体立塔施工地面组装 2 临时地锚布置 3 抱杆系统布置 2 初始起立 2 正式起立 2 慢速起立 3 停止牵引、调整塔身固定临时拉线 25.4 落地通天抱杆分解吊装组立(带牵引设备布置 2临时地锚布置 3摇臂)地面组装 2组立塔腿 3起立抱杆 3第一次倒装抱杆 2吊装塔段 3倒装抱杆 3酒杯塔上、下曲臂吊装 3吊装顶架、横担 3抱杆拆除 35.5 落地通天抱杆分解吊装组立(不带摇臂)牵引设备布置 2临时地锚布置 3地面组装 2组立塔腿 2起立抱杆 3第一次倒装抱杆 3吊装塔段 2倒装抱杆 2吊装塔片 2吊装塔头 3拆除抱杆 35.6 全倒装分解组立设置倒装架基础 3 临时地锚布置 3 安装倒装架 4 组立塔头 3 倒装架封口 3 塔段提升 2 塔段安装 35.7 起重机吊装立塔起重机械设备及工器具的选 3 杆塔吊装 36.架线施工6.1 跨越作业一般跨越架搭设和拆除 2跨越10千伏及以上带电运行电力线路、铁路、二级及以上公路等特殊跨越架搭设和拆除36.2 跨越电力线施工停电跨越作业 1 不停电跨越作业 46.3 绝缘子挂设挂绝缘子及放线滑车 26.4 导引绳展放人力展放导引绳 2 导引绳连接 3 动力伞、飞艇展放导引绳 36.5 牵引绳展放人力布置 2 机械牵引 26.6 张力放线牵引场布置 2 张力场布置 2 导地线运输、就位 2 架线工器具的准备 2 地锚坑的埋设 3 牵引绳连接 3 牵引绳换盘 1 牵引绳与导线连接 3 导线换盘 2 落地锚固 2 通讯联络 3 前、后过轮临锚布置 3 压接 3 导线升空 26.8 杆塔附件安装挂设保安接地线 2 提升工具的挂设 2 安全防护用具的使用 2 二道保险 2 安装悬垂线夹 2 安装其他附件 2 拆除多轮 36.9 间隔棒安装飞车作业 3 导线画印 26.10 跳线安装专用工具和安全用具进场 3 挂设保安接地线 3 安装跳线悬垂串 3 跳线压接 3注:本标准参照《国家电网公司电网工程施工安全风险识别、评估及控制办法》制定。