螺纹种类及标注
- 格式:doc
- 大小:196.00 KB
- 文档页数:16
第一章国标螺纹的一般知识一. 螺纹的分类1. 螺纹分内螺纹和外螺纹两种;2. 按牙形分可分为:1)三角形螺纹2)梯形螺纹3)矩形螺纹4)锯齿形螺纹;3. 按线数分单头螺纹和多头螺纹;4. 按旋入方向分左旋螺纹和右旋螺纹两种, 右旋不标注,左旋加LH,如M24×1.5LH;5. 按用途不同分有:米制普通螺纹、用螺纹密封的管螺纹、非螺纹密封的管螺纹、60°圆锥管螺纹、米制锥螺纹等二. 米制普通螺纹1. 米制普通螺纹用大写M表示,牙型角2α=60°(α表示牙型半角);2. 米制普通螺纹按螺距分粗牙普通螺纹和细牙普通螺纹两种;2.1. 粗牙普通螺纹标记一般不标明螺距,如M20表示粗牙螺纹;细牙螺纹标记必须标明螺距,如M30×1.5表示细牙螺纹、其中螺距为1.5。
2.2. 普通螺纹用于机械零件之间的连接和紧固,一般螺纹连接多用粗牙螺纹,细牙螺纹比同一公称直径的粗牙螺纹强度略高,自锁性能较好。
3. 米制普通螺纹的标记:M20-6H、M20×1.5LH-6g-40,其中M 表示米制普通螺纹,20表示螺纹的公称直径为20mm,1.5表示螺距,LH表示左旋,6H、6g表示螺纹精度等级,大写精度等级代号表示内螺纹,小写精度等级代号表示外螺纹,40表示旋合长度;3.1. 常用米制普通粗牙螺纹的螺距如下表(螺纹底孔直径:碳钢φ=公称直径-P;铸铁φ=公称直径-1.05~1.1P;加工外螺纹光杆直径取φ=公称直径-0.13P):表1 常用米制普通粗牙螺纹的直径/螺距3.2. 米制普通内螺纹的加工底孔直径可用下式作近似计算:d=D-1.0825P,其中D为公称直径,P为螺距。
三. 用螺纹密封的管螺纹(GB 7306与ISO7/1相同)1. 用螺纹密封的管螺纹不加填料或密封质就能防止渗漏。
用螺纹密封的管螺纹有圆柱内螺纹和圆锥外螺纹、圆锥内螺纹和圆锥外螺纹两种连接形式。
压力在5×105Pa以下时,用前一种连接已足够紧密,后一种连接通常只在高温及高压下采用。
管螺纹的种类代号及标注方法螺纹是一种常见的紧固连接方式,广泛应用于机械设备中。
根据螺纹的形状和用途不同,可以分为多种种类。
下面将介绍几种常用的螺纹种类、代号以及标注方法。
1. 三角牙螺纹:也称为国际通用螺纹,是最常见的螺纹类型之一、它的代号为ISO,并由三条等腰直角三角形组成的螺纹刀具加工而成。
标注方法为螺纹直径和螺距。
例如,M10 × 1.5表示螺纹直径为10mm,螺距为1.5mm。
2. 扁平牙螺纹:它的牙型刀具由两个斜面构成,分别为牙顶和牙底两个不对称的斜面。
它的代号为BSW,全名为British Standard Whitworth Thread,是英国标准螺纹。
它的标注方法为螺距和牙数。
例如,1/4 线表示螺距为1/4英寸,每英寸有12个牙。
3. 丝杠螺纹:主要用于传动装置,如液压机械、机床等。
它的代号为ACME,是一种方形螺纹,两牙的角度为29度。
标注方法为螺距和梢直径。
例如,ACME 1/4-10表示螺距为1/4英寸,梢直径为10mm。
4. 机床螺纹:主要用于机床设备的连接和传动,如进给螺纹、导程螺纹等。
它的代号为UNC/UNF,全名为Unified National Coarse/Fine Thread,是美国统一国际粗细螺纹。
标注方法为螺距和牙数。
例如,1/2-13 UNC表示螺距为1/2英寸,每英寸有13个牙。
5. 鹰嘴牙螺纹:主要用于管道连接。
它的代号为G,全名为German Thread,是一种锥度为1:30的螺纹。
标注方法为螺纹直径和螺距。
例如,G1/2表示螺纹直径为1/2英寸,螺距为19mm。
6. 电缆连接螺纹:主要用于电缆接头连接。
它的代号为PG,全名为Polyamid-Gewinde,是一种多孔牙螺纹。
标注方法为螺距和螺纹直径。
例如,PG7表示螺距为1mm,螺纹直径为12.5mm。
螺纹的代号和标注方法是根据各个国家和地区的标准和需求不同而定。
以上只是其中几种常用螺纹的代号和标注方法,还有其他类型的螺纹种类,如管螺纹、汽车螺纹等。
螺纹的种类和标记螺纹是机械零件中常见的一种连接方式,它以其牢固、可靠的特点被广泛应用于工程领域。
根据国际标准,螺纹的种类和标记被分为内螺纹和外螺纹两大类。
下面我们将分别介绍这两类螺纹的常见种类及其标记。
1.内螺纹内螺纹是指螺纹在零件内部形成的一种螺纹连接方式。
根据国际标准ISO,内螺纹的常见种类有以下几种:1.1常用螺纹常用螺纹是最常见且应用广泛的一种内螺纹,其标记方式为"M"加上螺距数值。
常用螺纹的主要种类包括M1.7、M2、M2.6、M3、M4、M5、M6等。
其中,螺距数值是指螺纹每英寸(英制)或每毫米(公制)上的螺纹数量。
1.2细牙螺纹细牙螺纹与常用螺纹相比,其螺距更小,可提供更高的紧固效果。
细牙螺纹的标记方式为"M"加上螺距数值,例如M1.4、M1.6等。
1.3粗牙螺纹粗牙螺纹与细牙螺纹相比,其螺距更大,适用于对紧固效果要求不高的场合。
粗牙螺纹的标记方式为"M"加上螺距数值,例如M8、M10等。
1.4锥度螺纹锥度螺纹是一种特殊形式的内螺纹,它具有锥形结构,适用于对紧固连接要求较高的场合。
根据锥度角度的不同,锥度螺纹又可分为60°角和30°角两类。
2.外螺纹外螺纹是指螺纹在零件外部形成的一种螺纹连接方式。
根据国际标准ISO,外螺纹的常见种类有以下几种:2.1U型螺纹U型螺纹是外螺纹中最常见的一种,其标记方式为"UN"加上直径尺寸,例如UNF1/4、UNC5/16等。
其中,UNF表示美国统一螺纹,UNC表示粗牙统一螺纹。
2.2特殊螺纹特殊螺纹是指与常用螺纹不同的、用途特殊的外螺纹。
特殊螺纹的标记方式一般为字母或数字加上螺距数值,例如G2.5、PG9等。
除了上述常见的内螺纹和外螺纹,还有一些特殊螺纹种类,如锁紧螺纹(Thread Locking),弹性螺纹(Thread Forming),自锁螺纹(Self-locking Thread)等。
螺纹的标注方法1、标准螺纹凡是牙型、直径和螺距都符合国家标准的螺纹称为标准螺纹。
下面仅介绍普通螺纹、梯形螺纹和非密封管螺纹。
由于螺纹采用了规定画法,没有完全表示出螺纹要素及其精度等,因此需要在图样中对螺纹进行标注。
标注螺纹的完整标注为:螺纹特征代号(牙型)、尺寸代号(大径、导程、螺距、线数)、公差带代号(顶径中径)、旋合长度代号(短、中、长三种)、旋向代号(左旋右旋)。
标准螺纹的代号直接作为尺寸文字标注,管螺纹的尺寸代号是定性的因此用引线引出标注,引出线从大径引出。
2、非标准螺纹牙型、直径等不符合标准的螺纹称为非标准螺纹。
非标准螺纹没有专用代号,需要标注每一个尺寸,技术要求等。
应当尽量采用标准螺纹。
普通螺纹的标注方法1、对于单线普通螺纹标注格式为(GB/T197-2003 2004年执行):对于粗牙普通螺纹,不标注螺距,如M16,表示为粗牙普通螺纹,螺距可以通过查阅标准获得。
细牙螺纹必须标注螺距,如M16X1.25表示为细牙普通螺纹,螺距为1.25。
公差代号按照:中径顶径的顺序标注,表示螺纹连接时的松紧程度,用数字字母表示,数字代表精度等级,数字越小、精度越高,制造越难。
字母代表尺寸与标准尺寸偏离的程度。
一般外螺纹(杆)要比内螺纹(孔)要小一些。
外螺纹用小写字母表示,只有e、f、g、h四个字母,离h越近,间隙越小。
内螺纹用大写表示,只有G, H两。
个字母。
如果中径和顶径的公差代号相同,标一个就可以了。
旋合长度分为短、中、长三种,代号分别用S、N、L表示。
一般中等旋合长度不用标注。
右旋螺纹不标注旋向,左旋标注 LH。
2、对于多线普通螺纹标注格式为:对于多线螺纹用Ph导程P(螺距)的标注方式表示,如M20XPh6P2。
螺纹的线数一般不用标注,隐含在导程和螺距之中,如果要表示的话,可在后面增加括号说明(例如双线为two starts;三线为three starts;四线为four starts),标注的线数必须使用英文。
螺纹规格大全.我找了好久.很有用.第一章国标螺纹的一般知识一. 螺纹的分类1. 螺纹分内螺纹和外螺纹两种;2. 按牙形分可分为:1)三角形螺纹2)梯形螺纹3)矩形螺纹4)锯齿形螺纹;3. 按线数分单头螺纹和多头螺纹;4. 按旋入方向分左旋螺纹和右旋螺纹两种, 右旋不标注,左旋加LH,如M24×1.5LH;5. 按用途不同分有:米制普通螺纹、用螺纹密封的管螺纹、非螺纹密封的管螺纹、60°圆锥管螺纹、米制锥螺纹等二. 米制普通螺纹1. 米制普通螺纹用大写M表示,牙型角2α=60°(α表示牙型半角);2. 米制普通螺纹按螺距分粗牙普通螺纹和细牙普通螺纹两种;2.1. 粗牙普通螺纹标记一般不标明螺距,如M20表示粗牙螺纹;细牙螺纹标记必须标明螺距,如M30×1.5表示细牙螺纹、其中螺距为1. 5。
2.2. 普通螺纹用于机械零件之间的连接和紧固,一般螺纹连接多用粗牙螺纹,细牙螺纹比同一公称直径的粗牙螺纹强度略高,自锁性能较好。
3. 米制普通螺纹的标记:M20-6H、M20×1.5LH-6g-40,其中M 表示米制普通螺纹,20表示螺纹的公称直径为20mm,1.5表示螺距,LH 表示左旋,6H、6g表示螺纹精度等级,大写精度等级代号表示内螺纹,小写精度等级代号表示外螺纹,40表示旋合长度;3.1. 常用米制普通粗牙螺纹的螺距如下表(螺纹底孔直径:碳钢φ=公称直径-P;铸铁φ=公称直径-1.05~1.1P;加工外螺纹光杆直径取φ=公称直径-0.13P):表1 常用米制普通粗牙螺纹的直径/螺距公称直径螺距P 铸铁底孔碳钢底孔外螺纹光杆直径M5 0.8 4.1 4.2 4.9 M24 3 20.8 21 23.7M6 1 4.9 5 5.9 M27 3 23.8 24 26.7M8 1.25 6.6 6.7 7.9 M30 3.5 26.3 26.5 29.6M10 1.5 8.3 8.5 9.8 M33 3.5 29.3 29.5 32.6M12 1.75 10.3 10.4 11.8 M36 4 31.7 32 35.5M14 2 11.7 12 13.7 M42 4.5 37.2 37.5 41.5M16 2 13.8 14 15.7 M48 5 42.5 43 47.5M18 2.5 15.3 15.5 17.7 M56 5.5 50 50.5 55.5M20 2.5 17.3 17.5 19.7 M64 6 57.5 58 63.53.2. 米制普通内螺纹的加工底孔直径可用下式作近似计算:d=D-1.08 25P,其中D为公称直径,P为螺距。
螺纹的种类及标注
非螺纹密封的(内、外)管螺纹与用螺纹密封的管螺纹的区别:
1.前者是圆柱管螺纹,后者是圆锥管螺纹,其密封性能是靠逐渐增大的螺纹直径紧密结
合来实现;
2.同样规格的内螺纹其钻孔底径不同,如规格1/2,非密封管螺纹钻孔底径是Φ19.0, 密
封管螺纹钻孔底径是Φ18.5;
3.螺纹公差不一样: ,非密封管螺纹公差规定大径、中径、小径公差值,如规格G1/2B, 中
径公差,外螺纹是-0.284,内螺纹是+0.541;而密封管螺纹规定了大径基准平面的轴向位移公差,如R C1/2基准平面的轴向位移公差极限偏差±2.3/1.25圈.。
注:1)原制图标准中的标记代号采用了汉语拼音的字头;而管螺纹标准规定的标记代号则采用了国际标准的规定。
2)由于管螺纹的尺寸单位已经全部采用了米制,因此现行标记的尺寸代号上没有表示英寸的符号(″),而老代号的尺寸是用(″)来表示的。
3)新标记R表示圆锥外螺纹,用Rc表示圆锥内螺纹,而老代号ZG既是内螺纹又是外螺纹。
4)在新标记中用Rp表示与圆锥外螺纹配合的圆柱内螺纹,而G既代表与圆柱外螺纹配合的圆柱内螺纹,又代表与圆锥外螺纹配合的圆柱内螺纹,既不区分GB/T7306和GB/T7307中的圆柱内螺纹,这是非常不合适的。
5)标记中增加了代表公差等级的符号。
但除了圆柱瓦楞螺纹分A、B两级外,其他各种管螺纹都是不分级的,因此只有一个公差等级。
国标螺纹的一般知识一. 螺纹的分类1. 螺纹分内螺纹和外螺纹两种;2. 按牙形分可分为:1)三角形螺纹2)梯形螺纹3)矩形螺纹4)锯齿形螺纹;3. 按线数分单头螺纹和多头螺纹;4. 按旋入方向分左旋螺纹和右旋螺纹两种, 右旋不标注,左旋加LH,如M24×1.5LH;5. 按用途不同分有:米制普通螺纹、用螺纹密封的管螺纹、非螺纹密封的管螺纹、60°圆锥管螺纹、米制锥螺纹等二. 米制普通螺纹1. 米制普通螺纹用大写M表示,牙型角2α=60°(α表示牙型半角);2. 米制普通螺纹按螺距分粗牙普通螺纹和细牙普通螺纹两种;2.1. 粗牙普通螺纹标记一般不标明螺距,如M20表示粗牙螺纹;细牙螺纹标记必须标明螺距,如M30×1.5表示细牙螺纹、其中螺距为1.5。
2.2. 普通螺纹用于机械零件之间的连接和紧固,一般螺纹连接多用粗牙螺纹,细牙螺纹比同一公称直径的粗牙螺纹强度略高,自锁性能较好。
3. 米制普通螺纹的标记:M20-6H、M20×1.5LH-6g-40,其中M 表示米制普通螺纹,20表示螺纹的公称直径为20mm,1.5表示螺距,LH 表示左旋,6H、6g表示螺纹精度等级,大写精度等级代号表示内螺纹,小写精度等级代号表示外螺纹,40表示旋合长度;3.1. 常用米制普通粗牙螺纹的螺距如下表(螺纹底孔直径:碳钢φ=公称直径-P;铸铁φ=公称直径-1.05~1.1P;加工外螺纹光杆直径取φ=公称直径-0.13P):表1 常用米制普通粗牙螺纹的直径/螺距3.2. 米制普通内螺纹的加工底孔直径可用下式作近似计算:d=D-1.0825P,其中D为公称直径,P为螺距。
螺纹螺丝螺母种类和标识规则指南螺纹螺丝螺母种类和标识规则指南1 螺纹的种类螺纹按用途可分为联接螺纹和传动螺纹两类。
常用标准螺纹的种类及用途可参看表1。
表1常用螺纹的种类和标注2 螺纹联接的画法如图2在剖视图中,内、外螺纹结合部分按外螺纹画,其余部分仍用各自的画法表示。
内、外螺纹的大、小径的粗细实线应分别对齐。
3 螺纹的代号标注在图样上螺纹需要用规定的螺纹代号标注,除管螺纹外,螺纹代号的标注格式为:特征代号公称直径×螺距(单线时)旋向导程(P螺距)(多线时)管螺纹的标注格式为:特征代号尺寸代号旋向其中,右旋螺纹省略不注,左旋用“LH”表示。
4 螺纹标记的标注当螺纹精度要求较高时,除标注螺纹代号外,还应标注螺纹公差带代号和螺纹旋合长度。
螺纹标记的标注格式为:螺纹代号—螺纹公差带代号(中径、顶径)—旋合长度有关标注内容的说明:1) 公差带代号由数字加字母表示(内螺纹用大写字母,外螺纹用小写字母),如7H、6g等,应特别指出,7H,6g等代表螺纹公差,而H7,g6代表圆柱体公差代号。
2) 旋合长度规定为短(用S表示)、中(用N表示)、长(用L表示)三种。
一般情况下,不标注螺纹旋合长度,其螺纹公差带按中等旋合长度(N)确定。
必要时,可加注旋合长度代号S或L,如“M20-5g6g-L”。
特殊需要时,可注明旋合长度的数值,如“M20-5g6g-30”。
5 螺纹标记在视图上的标注方法如表1中图例,除管螺纹外,在视图上螺纹标记的标注同线性尺寸标注方法相同;而管螺纹是用指引线的形式,指引线应从大径上引出,并且不应与剖面线平行。
表1中标注的说明:1) M 16-5g6g表示粗牙普通螺纹,公称直径16,右旋,螺纹公差带中径5g,大径6g,旋合长度按中等长度考虑。
2) M16×1 LH-6G表示细牙普通螺纹,公称直径16,螺距1,左旋,螺纹公差带中径、大径均为6G,旋合长度按中等长度考虑。
3) G1表示英制非螺纹密封管螺纹,尺寸代号1 in,右旋。
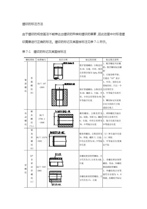
螺纹的标注方法由于螺纹的规定画法不能表达出螺纹的种类和螺纹的要素,因此在图中对标准螺纹需要进行正确的标注。
螺纹的标记及其图样标注见表7-1所示。
表7-1 螺纹的标记及其图样标注(续表)1.普通螺纹普通螺纹用尺寸标注形式注在内、外螺纹的大径上,其标注的具体项目和格式如下:普通螺纹的螺纹代号用字母“M”表示。
普通粗牙螺纹不必标注螺距,普通细牙螺纹必须标注螺距。
公称直径、导程和螺距数值的单位为mm。
右旋螺纹不必标注,左旋螺纹应标注字母“LH”。
中径公差带代号和顶径公差带代号由表示公差等级的数字和字母组成。
大写字母代表内螺纹,小写字母代表外螺纹。
顶径是指外螺纹的大径和内螺纹的小径,若两组公差带相同,则只写一组。
表示内、外螺纹旋合时,内螺纹公差带在前,外螺纹公差带在后,中间用“/”分开。
在特定情况下,中等公差精度螺纹不注公差带代号(内螺纹:5H,公称直径小于和等于1.4mm时;6H,公称直径大于和等于1.6mm时。
外螺纹:5h,公称直径小于和等于1.4mm时;6h,公称直径大于和等于1.6mm时。
)普通螺纹的旋合长度分为短、中、长三组,其代号分别是S、N、L。
若是中等旋合长度,其旋合代号N可省略。
如图7-12所示为普通螺纹标注示例。
图7-12 普通螺纹标注示例2.传动螺纹传动螺纹主要指梯形螺纹和锯齿形螺纹,它们也用尺寸标注形式,注在内外螺纹的大径上,其标注的具体项目及格式如下:梯形螺纹的螺纹代号用字母“Tr”表示,锯齿形螺纹的特征代号用字母“B”表示。
多线螺纹标注导程与螺距,单线螺纹只标注螺距。
右旋螺纹不标注代号,左旋螺纹标注字母“LH”。
传动螺纹只注中径公差带代号。
旋合长度只注“S”(短)、“L”(长),中等旋合长度代号“N”省略标注。
如图7-13所示为传动螺纹标注示例。
图7-13 传动螺纹标注示例3.管螺纹管螺纹的标记必须标注在大径的引出线上。
常用的管螺纹分为螺纹密封的管螺纹和非螺纹密封的管螺纹。
这里要注意,管螺纹的尺寸代号并不是指螺纹大径,也不是管螺纹本身任何一个直径,其大径和小径等参数可从有关标准中查出。
螺纹的标注普通螺纹普通螺纹的标注形式:螺纹代号-螺纹公差带代号-旋合长度代号螺纹代号粗牙普通螺纹用字母“M”及“公称直径”表示。
细牙普通螺纹用字母“M”及“公称直径x螺距”表示。
当螺纹为左旋要注“LH”字。
螺纹公差带代号包括中径公差带代号和顶径公差带代号,当两个公差带代号相同时只注写一个代号。
螺纹公差带是由表示其大小的公差等级数字和基本偏差的字母所组成(内螺纹用大写字母,外螺纹用小写字母),如6H、6g等。
常用的内外螺纹公差带规定如下:i,对内螺纹规定为G、H两种位置;对外螺纹规定为e、f、g、h四种位置。
ii,对内螺纹小径和中径规定为4、5、6、7、8五种公差等级;对外螺纹大径规定为4、6、8三种公差等级;对外螺纹中径规定为3、4、5、6、7、8、9七种公差等级。
内外螺纹旋合时,其公差带代号用斜线分开,如6H/6g、6H/5g6g等。
旋合长度代号对螺纹的旋合长度规定为短(S)、中(N)、长(L)三种。
代号为N时不必标注。
普通螺纹的标注示例表示外螺纹,通螺纹大径为旋,差带代号为合长度。
表示外螺纹、通螺纹,大径为右旋,6g7g表示内螺纹,通螺纹,大径为螺距为径和顶径的公差带为非螺纹密封的圆柱管螺纹、用螺纹密封的圆柱管螺纹及圆锥管螺纹标注通式:螺纹种类代号公称直径公差等级旋向管螺纹标注应标注螺纹符号和管子公称直径,直径单位为英寸。
非螺纹密封的圆柱管螺纹的外螺纹公差等级分A级和B级两种,A级为精密级,B级为粗糙级。
内螺纹只有一种公差带,故标注中不注内螺纹的公差等级,右旋不注旋向。
管螺纹的标注示例梯形螺纹与锯齿形螺纹标注通式与普通螺纹相同,即:螺纹代号--螺纹公差带代号--旋合长度代号其中单线螺纹代号为:螺纹种类代号公称直径x螺距旋向多线螺纹代号为:螺纹种类代号公称直径x导程(P螺距)旋向左旋螺纹应注LH,右旋螺纹不标注。
螺纹公差带代号:梯形螺纹只注中径公差带代号,内外螺纹常用的中径公差带代号分别为7H、7h、7e。
螺纹的种类和标注2、螺纹的种类和标注(l)螺纹的种类螺纹按用途可分为联接螺纹和传动螺纹两类。
常用标准螺纹的种类及用途可参看表1。
表1常用螺纹的种类和标注类型牙型放大图特征代号标注示例用途及说明普通螺纹粗牙 M 最常用的一种联接螺纹,直径相同时,细牙螺纹的螺距比粗牙螺纹的螺距小,粗牙螺纹不注螺距细牙管螺纹非螺纹密封 G管道联接中的常用螺纹,螺距及牙型均较小,其尺寸代号以in为单位,近似地等于管子的孔径。
螺纹的大径应从有关标准中查出,代号R表示圆锥外螺纹,Rc表示圆锥内螺纹, Rp表示圆柱内螺纹螺纹密封 RcRpR梯形螺纹 Tr 常用的两种传动螺纹,用于传递运动和动力,梯形螺纹可传递双向动力,锯齿形螺纹用来传递单向动力距齿形螺纹 B(2)螺纹联接的画法如图2在剖视图中,内、外螺纹结合部分按外螺纹画,其余部分仍用各自的画法表示。
内、外螺纹的大、小径的粗细实线应分别对齐。
(3)螺纹的代号标注在图样上螺纹需要用规定的螺纹代号标注,除管螺纹外,螺纹代号的标注格式为:螺距(单线时)特征代号公称直径×旋向导程(P螺距)(多线时)管螺纹的标注格式为:特征代号尺寸代号旋向其中,右旋螺纹省略不注,左旋用“ LH”表示。
(4)螺纹标记的标注当螺纹精度要求较高时,除标注螺纹代号外,还应标注螺纹公差带代号和螺纹旋合长度。
螺纹标记的标注格式为:螺纹代号——螺纹公差带代号(中径、顶径)——旋合长度有关标注内容的说明:l)公差带代号由数字加字母表示(内螺纹用大写字母,外螺纹用小写字母),如7H、6g等,应特别指出,7H,6g等代表螺纹公差,而H7,g6代表圆柱体公差代号。
2)旋合长度规定为短(用S表示)、中(用N表示)、长(用L表示)三种。
一般情况下,不标注螺纹旋合长度,其螺纹公差带按中等旋合长度(N)确定。
必要时,可加注旋合长度代号S或L,如“M20-5g6g-L”。
特殊需要时,可注明旋合长度的数值,如“M20-5g6g-30”。
螺纹的种类和标注
1.螺纹的种类
螺纹按用途分连接螺纹和传动螺纹两种。
(1)连接螺纹起连接作用的螺纹。
常用的有四种标准螺纹:粗牙普通螺纹、细牙普通螺纹、非螺纹密封的管螺纹和用螺纹密封的管螺纹。
(2)传动螺纹用于传递动力和运动的螺纹。
常用的有两种标准螺纹:梯形螺纹和锯齿形螺纹。
2.螺纹的标记和标注
螺纹采用规定画法后,在图上看不出它的牙型、螺距、线数和旋向等结构要素,这需要用标记加以说明。
各种常用螺纹的标记和标注方法见表12-1。
螺纹的种类和标注螺纹作为机械加工和装配领域中常见的连接方式之一,具有重要的作用。
螺纹的种类和标注主要有以下几种:1.常用螺纹种类常用的螺纹种类包括普通螺纹、精密螺纹和特殊螺纹。
普通螺纹是最常见的螺纹种类,适用于大多数情况下。
精密螺纹精度要求更高,主要用于需高精度的场合。
特殊螺纹主要是指非标准或定制的螺纹。
2.螺纹标注螺纹标注是为了方便加工和装配,准确的表示螺纹的参数和特性。
常见的螺纹标注包括螺纹规格、螺距、螺纹类型和螺纹方向等。
- 螺纹规格:螺纹规格指的是螺纹的直径或直径范围。
常见的螺纹规格有5mm、M6、1/4"等。
其中,5mm和M6表示螺纹直径为5mm,1/4"表示螺纹直径为1/4英寸。
-螺距:螺距是指螺纹每转一圈移动的距离。
常见的螺距有 1.0、1.5、2.0等。
通常使用P表示普通螺纹,F表示细螺纹。
-螺纹类型:螺纹类型主要包括内螺纹(内螺纹孔)和外螺纹(外螺纹柱)。
内螺纹用字母G标识,外螺纹用字母M标识。
-螺纹方向:螺纹方向表示螺纹的旋转方向,通常有右旋和左旋两种。
右旋的螺纹是指螺纹顺时针旋转拉近螺纹,左旋的螺纹是指螺纹逆时针旋转拉近螺纹。
右旋的螺纹用R表示,左旋的螺纹用L表示。
需要注意的是,螺纹标注的顺序一般为螺纹规格-螺距-螺纹类型-螺纹方向。
例如:M6×1.0表示螺纹直径为6mm,螺距为1.0mm,为外螺纹,右旋。
此外,还有一些特殊的螺纹标注,比如圆锥螺纹的标注常采用直径符号(如M8×1/8");特殊形状的螺纹标注通常加以说明,比如圆锥螺纹的角度。
总之,螺纹的种类和标注众多,根据不同需求和应用场合,选择适合的螺纹种类和标注,可以更好地满足机械加工和装配的要求。
(四)螺纹的标注(普通螺纹的标注、管螺纹的标注、梯形螺纹的标注、锯齿形螺纹的标注)螺纹的标注格式:螺纹代号 --螺纹公差带代号--螺纹旋合长度代号组成。
螺纹的精度由公差带代号和旋合长度代号来共同来决定,反映螺纹加工的难易。
1.普通螺纹的标注(1)螺纹代号螺纹特征代号 M 公称直径X螺距旋向粗牙普通螺纹的螺纹代号用牙型代号“ M”及“公称直径”表示;细牙普通螺纹的螺纹代号用牙型代号“M”及“公称直径X螺距”表示。
当螺纹为左旋时,在螺纹代号后加“LH”字。
(2)螺纹公差带代号包括中径公差带代号与顶径公差带代号。
螺纹公差带代号由表示其大小的公差等级数字和基本偏差字母组成。
如 6H、6g等。
中径公差带代号与顶径公差带代号不相同则要分别标注,如M20-5g6g;若两者相同,则只标注一个代号,如M20-6g。
(3)螺纹旋合长度代号按短 (S) 、中(N) 、长(L)有三组旋合长度。
在一般情况下,不标注旋合长度,按中等旋合长度(N)来确定;必要时加注旋合长度代号S或L。
如M20-6H-S,M20-5g6g-L。
有关常用的螺纹公差等级及基本偏差如表 14-1 .2.管螺纹的标注管螺纹的标注格式:螺纹特征代号尺寸代号公差等级旋向。
管螺纹的螺纹特征代号在前面已经介绍,尺寸代号为英寸单位;对非螺纹密封的外管螺纹可标注公差等级,公差等级有A,B两种,其它管螺纹的公差等级只有一种,可省略标注;旋向代号中,若为右旋可不标注,若为左旋,用“-LH”来注明。
[例]G1 1/2“ —LH 表示用于非螺纹密封的圆柱管螺纹,尺寸代号为1 1/2 英寸,为左旋。
R1 1/2“ —LH表示用于螺纹密封的左旋圆锥外管螺纹,尺寸代号为1 1/2 英寸。
注意,在对管螺纹的标注时,要用指引线的形式进行标注。
指引线应从大径线上引出,且不得与剖面线平行。
3.梯形螺纹的标注梯形螺纹的标注格式:螺纹代号 --螺纹公差带代号--螺纹旋合长度代号。
梯形螺纹的螺纹代号由牙型代号和尺寸规格组成,若为右旋可不标注,若为左旋,用“ -LH”来注明。
螺纹的表示法和标注螺纹若按真实投影作图,比较麻烦。
为了简化作图,国家标准《机械制图》GB/T4459.1—1995规定了螺纹的表示法。
按此表示法作图并加以标注,就能清楚地表示螺纹的类型、规格和尺寸。
(一)螺纹的表示法1、外螺纹的表示法(图9-8)图9-8 外螺纹的表示法(1)外螺纹不论其牙型如何,螺纹牙顶圆的投影用粗实线表示;牙底圆的投影用细实线表示,在螺杆的倒角或倒圆部分也应画出。
画图时小径尺寸可近似地取d l≈0.85d。
(2)有效螺纹的终止界线(简称螺纹终止线)在视图中用粗实线表示;在剖视图中则按图9-8b主视图的画法(即终止线只画螺纹牙型高的一小段),剖面线必须画到表示牙顶圆投影的粗实线为止。
(3)在垂直于螺纹轴线的投影面的视图(即投影为圆的视图)中,表示牙底圆的细实线只画约3/4圈(空出约1/4圈的位置不作规定),此时螺杆上的倒角投影不应画出。
2.内螺纹的表示法(图9-9、图9-10)图9-9 内螺纹的表示法(1)内螺纹不论其牙型如何,在剖视图中,螺纹牙顶圆的投影用粗实线表示,牙底圆的投影用细实线表示。
螺纹终止线用粗实线表示。
剖面线应画到表示牙顶圆投影的粗实线为止。
(2)在投影为圆的视图中,表示牙底圆的细实线只画约3/4圈,此时螺孔上的倒角投影不应画出。
(3)绘制不穿通的螺孔时,一般应将钻孔深度与螺纹部分的深度分别画出。
(4)当螺纹为不可见时,其所有图线用虚线绘制,如图9-10所示。
3、内、外螺纹连接的表示法(图9-11)内、外螺纹连接,一般用剖视图表示。
此时,它们的旋合部分应按外螺纹的画法绘制,其余部分仍按各自的画法表示。
画图时必须注意,表示外螺纹牙顶圆投影的粗实线、牙底圆投影的细实线,必须分别与表示内螺纹牙底圆投影的细实线、牙顶圆投影的粗实线对齐。
这与倒角大小无关,图9-10 不可见螺纹的表示法它表明内、外螺纹具有相同的大径和相同的小径。
按规定,当实心螺杆通过轴线剖切时按不剖处理,如图9-11a所示。
纹的种类和标注1 螺纹的种类螺纹按用途可分为联接螺纹和传动螺纹两类。
常用标准螺纹的种类及用途可参看表1。
表1常用螺纹的种类和标注2 螺纹联接的画法如图2在剖视图中,内、外螺纹结合部分按外螺纹画,其余部分仍用各自的画法表示。
内、外螺纹的大、小径的粗细实线应分别对齐。
3 螺纹的代号标注在图样上螺纹需要用规定的螺纹代号标注,除管螺纹外,螺纹代号的标注格式为:特征代号公称直径× 螺距(单线时)旋向导程(P螺距)(多线时)管螺纹的标注格式为:特征代号尺寸代号旋向其中,右旋螺纹省略不注,左旋用“ LH”表示。
4 螺纹标记的标注当螺纹精度要求较高时,除标注螺纹代号外,还应标注螺纹公差带代号和螺纹旋合长度。
螺纹标记的标注格式为:螺纹代号—螺纹公差带代号(中径、顶径)—旋合长度有关标注内容的说明:1) 公差带代号由数字加字母表示(内螺纹用大写字母,外螺纹用小写字母),如7H、6g等,应特别指出,7H,6g等代表螺纹公差,而H7,g6代表圆柱体公差代号。
2) 旋合长度规定为短(用S表示)、中(用N表示)、长(用L表示)三种。
一般情况下,不标注螺纹旋合长度,其螺纹公差带按中等旋合长度(N)确定。
必要时,可加注旋合长度代号S或L,如“M20-5g6g-L”。
特殊需要时,可注明旋合长度的数值,如“M20-5g6g-30”。
5 螺纹标记在视图上的标注方法如表1中图例,除管螺纹外,在视图上螺纹标记的标注同线性尺寸标注方法相同;而管螺纹是用指引线的形式,指引线应从大径上引出,并且不应与剖面线平行。
表1中标注的说明:M22x1.5-6gM是三角螺纹的代号,22是公称直径,1.5是螺距,6是公差等级,g是公差带代号.小写是外螺纹,大写是内螺纹.g属间隙配合.1) M 16-5g6g表示粗牙普通螺纹,公称直径16,右旋,螺纹公差带中径5g,大径6g,旋合长度按中等长度考虑。
2) M16×1 LH-6G表示细牙普通螺纹,公称直径16,螺距1,左旋,螺纹公差带中径、大径均为6G,旋合长度按中等长度考虑。
3) G1表示英制非螺纹密封管螺纹,尺寸代号1 in,右旋。
4) Rc 1/2表示英制螺纹密封锥管螺纹,尺寸代号1/2 in,右旋。
5) Tr20×8(P4)表示梯形螺纹,公称直径20,双线,导程8,螺距4,右旋。
6) B20×2LH表示锯齿形螺纹,公称直径20,单线,螺距2,左旋。
(end)1. 螺纹联接的拧紧绝大多数螺纹联接在安装时都必须拧紧。
其目的是为了增强联接的刚性,增加紧密性和提高防松能力。
对于受轴向拉力的螺栓联接,还可以提高螺栓的疲劳强度;对于受横向载荷的普通螺栓联接,有利于增大联接中接合面间的摩擦力。
图1拧紧螺母时,加在扳手上的力矩T,用来克服螺纹牙间的阻力矩T1和螺母支承面上的摩擦阻力矩T2 (图1),即T=T1+T2(1)螺纹阻力矩((2)螺母支承面上的摩擦阻力矩T2=μF`r f(3)故此处螺纹中径升角λ=arctan[np/πd2]当量摩擦角ρ`=arctan[μ/cosα]支承面摩擦半径上列各式中符号意义如下:F`为预紧力;d2为螺纹中径;μ为螺母与被联接件支承面之间的摩擦系数,无润滑时可取μ=0.15;n为螺纹头数;p为螺矩;α为牙侧角;D1和d0为承压面直径(图1)。
对于M10~M68的粗牙螺纹,若取ρ`actan0.15=及μ=0.15,则式(4)可简化为T≈0.2F`d Nmm(5)式中:d为螺纹公称直径,mm;F`为预紧力,N。
控制拧紧力矩有许多方法,例如:使用测力矩扳手或定力矩扳手,装配时测量螺栓的伸长,规定拧紧后的扳动角度或圈数。
对于大型联接,还可利用液力或加热使螺栓伸长到需要的变形量时把螺母拧到与被联接件相贴合。
近年来发展了利用微机通过轴力传感器获取数据并画出预紧力与所加拧紧力矩对应曲线的方法来控制拧紧力矩。
由于加在扳手上的力难于准确控制,有时可能拧得过紧而将螺栓拧断。
因此,对于要求拧紧的螺栓联接不宜用小于M12~M16的螺栓。
2. 螺纹联接的防松在静载荷和工作温度变化不大时,螺纹联接能满足自锁条件l防松的根本问题在于防止螺纹副的相对转动。
具体的防松方法和装置很多,就其工作原理来看,可分为利用摩擦、直接锁住和破坏螺纹副关系三种。
举例说明见表。
螺纹紧固件扭-拉关系试验方法标准介绍在螺纹紧固件的使用中应用的较广泛的是螺栓-螺母连接副的形式,应用的较多的是有预紧力的连接方式,预紧力的连接可以提高螺栓连接的可靠性、防松能力及螺栓的疲劳强度,并且能增强螺纹连接体的紧密性和刚度。
在螺纹紧固件的连接使用中,没有预紧力或预紧力不够时,起不到真正的连接作用,一般称之为欠拧;但过高的预紧力或者不可避免的超拧也会导致螺纹连接的失败。
众所周知,螺纹连接的可靠性是由预紧力来设计和判断的,但是,除在实验室可以测量外,在装配现场一般是不易直观的测量。
螺纹紧固件的预紧力则多是采用力矩或转角的手段来达到的。
因此,当设计确定了预紧力之后,安装时采用何种控制方法?如何规定拧紧力矩的指标?则成为关键重要问题,这就提出来了螺纹紧固件扭(矩)-拉(力)关系的研究课题。
螺纹紧固件扭-拉关系,不仅涉及到扭矩系数、摩擦系数(含螺纹摩擦系数和支撑面摩擦系数)、屈服紧固轴力、屈服紧固扭矩和极限紧固轴力等以一系列螺纹连接副的紧固特性的测试及计算方法,还涉及到螺纹紧固件的应力截面积和承载面积的计算方法等基础的术语、符号的规定。
并且也还必须给出螺纹紧固件紧固的基本规则、主要关系式以及典型的拧紧方法。
目前,这些内容ISO/TC2尚无相应的标准,德国工程师协会早在七十年代就发表了DVI2230《高强度螺栓连接的系统计算》技术准则。
日本也于1987和1990年发布了三项国家标准,尚未查到其他国家的标准。
国内尚未发现相应的行业标准,仅少数企业制定了企业标准。
尤其是随着引进技术的国产化不断的拓展和螺纹紧固件技术发展的需要,这一需求日趋迫切。
这也就是制定此项标准的初衷。
日本国家标准JIS B 1082-1987《螺纹紧固件应力截面积和承载面积》、JIS B 1083-1990《螺纹紧固件紧固通则》及JIS B 1084-1990《螺纹紧固件拧紧试验方法》三个标准,概括了国际上有关螺纹紧固件扭-拉关系的研究成果和应用经验,根据标准验证,对我国也是适用的。
因此,在制定标准时,在充分消化、分析日本标准的基础上,提出了等效采用的意见。
因此,本系列标准也包括了下列三个国家标准:1、GB/T16823.1-1997《螺纹紧固件应力截面积和承载面积》;2、GB/T16823.2-1997《螺纹紧固件紧固通则》;3、GB/T16823.3-1997《螺纹紧固件拧紧试验方法》一、GB/T16823.1-1997《螺纹紧固件应力截面积和承载面积》本标准等效采用JIS B 1082-1987《螺纹紧固件应力截面积和承载截面积》标准,本标准是设计螺纹紧固件扭-拉关系系列标准之一。
1、范围本标准规定的螺纹紧固件的应力截面积(As)适用于计算外螺纹紧固件的最小拉力载荷、保证载荷以及内螺纹紧固件的保证载荷。
外螺纹紧固件包括螺栓、螺钉和螺柱等标准件和专用件;内螺纹紧固件包括螺母标准件、专用件及机体中的螺孔。
其螺纹尺寸及公差均应符合GB/T193、GB/T196和GB/T197的规定。
本标准不适用于寸制螺纹、统一螺纹、惠氏螺纹等其他螺纹紧固件。
2、螺纹紧固件应力截面积计算公式本标准规定的螺纹紧固件应力截面积计算公式有两个,即公式(1)和公式(2)。
螺纹紧固件应力截面积计算公式(1)与已发布的国家标准,即GB/T3098.1《紧固件机械性能螺栓、螺钉和螺柱》、GB/T3098.2《紧固件机械性能螺母》、GB/T3098.4《紧固件机械性能细牙螺母》和GB/T3098.6《紧固件机械性能不锈钢螺栓、螺钉、螺柱和螺母》等标准的规定完全一致。
螺纹紧固件应力截面积计算公式(2)是参照JIS B 1082标准,首次推出的新的一种计算公式,这个公式是直接利用螺纹公称直径(d)和螺距(P)数据,求出螺纹紧固件应力截面积(As)。
公式(1)与公式(2)是等同的计算式,只不过是公式(2)比公式(1)计算更加方便。
美国ASTM619标准也采用了这一公式。
标准中规定“如无特殊要求,取3位有效数字”,如无特殊要求时,即一般应照此处理。
在已发布的紧固件机械性能国家标准中,也都是这样处理的。
也就是说,当As<1时,取小数点后3位数;当1≤As<10时,取小数点后2位数;当10≤As<100时,取小数点后1位数;当100≤As<1000时,取3位整数乘以10n。
3、螺纹紧固件应力截面积值标准根据GB/T193《普通螺纹直径与螺距系列》有关规定,在标准表1中给出了粗牙螺纹M1~M68和细牙螺纹M8×1~M130×6D的螺纹紧固件应力截面积值。
总之,标准表1给出的螺纹紧固件应力截面积值,完全能满足螺栓、螺钉、螺柱和螺母等螺纹紧固件产品现行国家标准的需要。
4、螺纹紧固件承载面积计算公式虽然螺纹紧固件产品品种,但是,按支撑面的形状大致可分为圆形、六角形和方形三种,因此,在标准表2中给出了这三种支撑面承载面积的计算公式。
承载面积应当是支撑面与被连接件实际接触部分的面积,产品品种不同,承载面积肯定不同,即使是同一批零件,承载面积也不一定完全相同,如在计算中将支撑面形状、尺寸公差、螺栓和螺钉通孔的尺寸和公差都予以考虑,无可非议,但是,给计算增加了麻烦,使用也不一定方便。
标准制定时确定了计算承载面积近似值的原则,故标准表2中所列出的螺纹紧固件承载面积计算公式的各变量均采用公称尺寸或极限尺寸。
螺纹紧固件承载面积的计算与螺纹紧固件应力截面积的计算一样,如无特殊要求,取3位有效数字。
5、面积比螺纹紧固件承载面积(Ab)值与螺纹紧固件应力截面积(As)之比,简称为面积比(Ab/As)。
当面积比小于1时,即螺纹紧固件应力截面积(As)值大于螺纹紧固件承载面积(Ab)值,则支撑面的压强过大,这对普通螺纹紧固件是不适宜的,尤其是对高强度螺纹紧固件更是不宜采用的。
6、典型螺纹紧固件的承载面积及面积比标准中图1~6及表3~表5列出了典型螺纹紧固件的种类、螺纹紧固件承载面积(Ab)值以及面积比(Ab/As)值。
其中有关参数均采用我国现行的紧固件基础标准和产品标准的规定,如:六角头螺栓的标准系列和加大系列按GB/T3104、方头螺栓按GB/T8、内六角头螺钉按GB/70、六角法兰面螺栓按GB/T5787及盘头螺钉按GB/67和GB/T818选取的。
7、应当说明的几个问题①、标准中虽然以螺栓、螺钉分类给出了计算更是及有关数据,但当螺母支撑面的形状、尺寸与表中六角头螺栓、方头螺栓、六角头发兰面螺栓相同时,表中的数据也适用于该螺母。