螺纹的种类和标记
- 格式:docx
- 大小:198.12 KB
- 文档页数:3
第一章国标螺纹的一般知识一. 螺纹的分类1. 螺纹分内螺纹和外螺纹两种;2. 按牙形分可分为:1)三角形螺纹2)梯形螺纹3)矩形螺纹4)锯齿形螺纹;3. 按线数分单头螺纹和多头螺纹;4. 按旋入方向分左旋螺纹和右旋螺纹两种, 右旋不标注,左旋加LH,如M24×1.5LH;5. 按用途不同分有:米制普通螺纹、用螺纹密封的管螺纹、非螺纹密封的管螺纹、60°圆锥管螺纹、米制锥螺纹等二. 米制普通螺纹1. 米制普通螺纹用大写M表示,牙型角2α=60°(α表示牙型半角);2. 米制普通螺纹按螺距分粗牙普通螺纹和细牙普通螺纹两种;2.1. 粗牙普通螺纹标记一般不标明螺距,如M20表示粗牙螺纹;细牙螺纹标记必须标明螺距,如M30×1.5表示细牙螺纹、其中螺距为1.5。
2.2. 普通螺纹用于机械零件之间的连接和紧固,一般螺纹连接多用粗牙螺纹,细牙螺纹比同一公称直径的粗牙螺纹强度略高,自锁性能较好。
3. 米制普通螺纹的标记:M20-6H、M20×1.5LH-6g-40,其中M 表示米制普通螺纹,20表示螺纹的公称直径为20mm,1.5表示螺距,LH表示左旋,6H、6g表示螺纹精度等级,大写精度等级代号表示内螺纹,小写精度等级代号表示外螺纹,40表示旋合长度;3.1. 常用米制普通粗牙螺纹的螺距如下表(螺纹底孔直径:碳钢φ=公称直径-P;铸铁φ=公称直径-1.05~1.1P;加工外螺纹光杆直径取φ=公称直径-0.13P):表1 常用米制普通粗牙螺纹的直径/螺距3.2. 米制普通内螺纹的加工底孔直径可用下式作近似计算:d=D-1.0825P,其中D为公称直径,P为螺距。
三. 用螺纹密封的管螺纹(GB 7306与ISO7/1相同)1. 用螺纹密封的管螺纹不加填料或密封质就能防止渗漏。
用螺纹密封的管螺纹有圆柱内螺纹和圆锥外螺纹、圆锥内螺纹和圆锥外螺纹两种连接形式。
压力在5×105Pa以下时,用前一种连接已足够紧密,后一种连接通常只在高温及高压下采用。
浅谈八种螺纹的标记山西长治清华机械厂口郭旭英(1)普通螺纹(GB/T197—1981)a)完整标记例:M10×1-5969—SGB/T197一198l《普通螺纹公差与配合(直径1~355mm)》规定南螺纹代号、螺纹公差带代号和螺纹旋合长度代号组成。
b)螺纹代号GB/T193一198l《普通螺纹直径与螺距系列(直径l。
600mm)》规定粗牙普通螺纹用“M”及公称直径表示;细牙普通螺纹用“M”及“公称直径×螺距”表示;左旋螺纹在代号后加“左”字(按GB/T4459.1--1995《机械制图螺纹及螺纹紧同件表示法》附录A的表A1,“左”应改为“LH”)。
C)公差带代号GB/T197—198l规定应标注中径公差带代号和顶径(指外螺纹大径和内螺纹小径)公差带代号,公差带代号由表示其大小的公差等级数字和表示其位置的字母组成,例如6H、69等。
标准对内螺纹规定了G和H两种位置,对外螺纹规定了e、f、g和h四种位置。
H(h)的基本偏差为零,G的基本偏差为正值,e、f和g的基本偏差为负值。
中径公差带与顶径公差带若不同则分别注出,中径公差带代号在前,顶径公差带代号在后;若相同只标注一个代号。
d)旋合长度代号普通螺纹旋合长度分为三组:L——长旋合长度代号,N——中等旋合长度代号,s一一短旋合长度代号。
一般选取中等旋合长度(N不标),必要时标出L或S。
特殊需要时直接标注出旋合长度的实际数值。
e)螺纹副标记例:M20X2-6H/69螺纹副的公差带要分别标注出内外螺纹公差带代号,内螺纹在左,外螺纹在右,中间用斜线分开。
(2)小螺纹(GB/T15054.4—1994公称直径O.3~1.4mm)a)完整标记例:S0.84H5GB/T15054.4一1994《小螺纹公差》规定由小螺纹代号和公差带代号组成。
b)螺纹代号GB/T15054.4规定小螺纹用“S”表示,尺寸规格用“公称直径”表示,左旋螺纹需在尺寸规格后加注“LH”,右旋不注出。
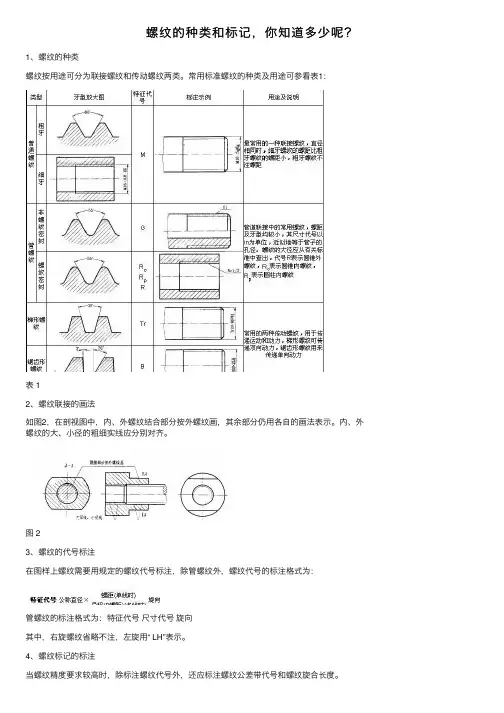
螺纹的种类和标记,你知道多少呢?1、螺纹的种类螺纹按⽤途可分为联接螺纹和传动螺纹两类。
常⽤标准螺纹的种类及⽤途可参看表1:表 12、螺纹联接的画法如图2,在剖视图中,内、外螺纹结合部分按外螺纹画,其余部分仍⽤各⾃的画法表⽰。
内、外螺纹的⼤、⼩径的粗细实线应分别对齐。
图 23、螺纹的代号标注在图样上螺纹需要⽤规定的螺纹代号标注,除管螺纹外,螺纹代号的标注格式为:管螺纹的标注格式为:特征代号尺⼨代号旋向其中,右旋螺纹省略不注,左旋⽤“ LH”表⽰。
4、螺纹标记的标注当螺纹精度要求较⾼时,除标注螺纹代号外,还应标注螺纹公差带代号和螺纹旋合长度。
螺纹标记的标注格式为:螺纹代号—螺纹公差带代号(中径、顶径)—旋合长度有关标注内容的说明:4.1 公差带代号由数字加字母表⽰(内螺纹⽤⼤写字母,外螺纹⽤⼩写字母),如7H、6g等,应特别指出,7H,6g等代表螺纹公差,⽽H7,g6代表圆柱体公差代号。
4.2 旋合长度规定为短(⽤S表⽰)、中(⽤N表⽰)、长(⽤L表⽰)三种。
⼀般情况下,不标注螺纹旋合长度,其螺纹公差带按中等旋合长度(N)确定。
必要时,可加注旋合长度代号S或L,如“M20-5g6g-L”。
特殊需要时,可注明旋合长度的数值,如“M20-5g6g-30”。
5、螺纹标记在视图上的标注⽅法如表1中图例,除管螺纹外,在视图上螺纹标记的标注同线性尺⼨标注⽅法相同;⽽管螺纹是⽤指引线的形式,指引线应从⼤径上引出,并且不应与剖⾯线平⾏。
表1中标注的说明:5.1 M 16-5g6g表⽰粗⽛普通螺纹,公称直径16,右旋,螺纹公差带中径5g,⼤径6g,旋合长度按中等长度考虑。
5.2 M16×1 LH-6G表⽰细⽛普通螺纹,公称直径16,螺距1,左旋,螺纹公差带中径、⼤径均为6G,旋合长度按中等长度考虑。
5.3 G1表⽰英制⾮螺纹密封管螺纹,尺⼨代号1 in,右旋。
5.4 Rc 12表⽰英制螺纹密封锥管螺纹,尺⼨代号12 in,右旋。
注:1)原制图标准中的标记代号采用了汉语拼音的字头;而管螺纹标准规定的标记代号则采用了国际标准的规定。
2)由于管螺纹的尺寸单位已经全部采用了米制,因此现行标记的尺寸代号上没有表示英寸的符号(″),而老代号的尺寸是用(″)来表示的。
3)新标记R表示圆锥外螺纹,用Rc表示圆锥内螺纹,而老代号ZG既是内螺纹又是外螺纹。
4)在新标记中用Rp表示与圆锥外螺纹配合的圆柱内螺纹,而G既代表与圆柱外螺纹配合的圆柱内螺纹,又代表与圆锥外螺纹配合的圆柱内螺纹,既不区分GB/T7306和GB/T7307中的圆柱内螺纹,这是非常不合适的。
5)标记中增加了代表公差等级的符号。
但除了圆柱瓦楞螺纹分A、B两级外,其他各种管螺纹都是不分级的,因此只有一个公差等级。
国标螺纹的一般知识一. 螺纹的分类1. 螺纹分内螺纹和外螺纹两种;2. 按牙形分可分为:1)三角形螺纹2)梯形螺纹3)矩形螺纹4)锯齿形螺纹;3. 按线数分单头螺纹和多头螺纹;4. 按旋入方向分左旋螺纹和右旋螺纹两种, 右旋不标注,左旋加LH,如M24×1.5LH;5. 按用途不同分有:米制普通螺纹、用螺纹密封的管螺纹、非螺纹密封的管螺纹、60°圆锥管螺纹、米制锥螺纹等二. 米制普通螺纹1. 米制普通螺纹用大写M表示,牙型角2α=60°(α表示牙型半角);2. 米制普通螺纹按螺距分粗牙普通螺纹和细牙普通螺纹两种;2.1. 粗牙普通螺纹标记一般不标明螺距,如M20表示粗牙螺纹;细牙螺纹标记必须标明螺距,如M30×1.5表示细牙螺纹、其中螺距为1.5。
2.2. 普通螺纹用于机械零件之间的连接和紧固,一般螺纹连接多用粗牙螺纹,细牙螺纹比同一公称直径的粗牙螺纹强度略高,自锁性能较好。
3. 米制普通螺纹的标记:M20-6H、M20×1.5LH-6g-40,其中M 表示米制普通螺纹,20表示螺纹的公称直径为20mm,1.5表示螺距,LH 表示左旋,6H、6g表示螺纹精度等级,大写精度等级代号表示内螺纹,小写精度等级代号表示外螺纹,40表示旋合长度;3.1. 常用米制普通粗牙螺纹的螺距如下表(螺纹底孔直径:碳钢φ=公称直径-P;铸铁φ=公称直径-1.05~1.1P;加工外螺纹光杆直径取φ=公称直径-0.13P):表1 常用米制普通粗牙螺纹的直径/螺距3.2. 米制普通内螺纹的加工底孔直径可用下式作近似计算:d=D-1.0825P,其中D为公称直径,P为螺距。
1 螺纹的种类螺纹按用途可分为联接螺纹和传动螺纹两类。
常用标准螺纹的种类及用途可参看表1。
表1常用螺纹的种类和标注2 螺纹联接的画法如图2在剖视图中,内、外螺纹结合部分按外螺纹画,其余部分仍用各自的画法表示。
内、外螺纹的大、小径的粗细实线应分别对齐。
3 螺纹的代号标注在图样上螺纹需要用规定的螺纹代号标注,除管螺纹外,螺纹代号的标注格式为:特征代号公称直径× 螺距(单线时)旋向导程(P螺距)(多线时)管螺纹的标注格式为:特征代号尺寸代号旋向其中,右旋螺纹省略不注,左旋用“LH”表示。
4 螺纹标记的标注当螺纹精度要求较高时,除标注螺纹代号外,还应标注螺纹公差带代号和螺纹旋合长度。
螺纹标记的标注格式为:螺纹代号—螺纹公差带代号(中径、顶径)—旋合长度有关标注内容的说明:1) 公差带代号由数字加字母表示(内螺纹用大写字母,外螺纹用小写字母),如7H、6g等,应特别指出,7H,6g等代表螺纹公差,而H7,g6代表圆柱体公差代号。
2) 旋合长度规定为短(用S表示)、中(用N表示)、长(用L表示)三种。
一般情况下,不标注螺纹旋合长度,其螺纹公差带按中等旋合长度(N)确定。
必要时,可加注旋合长度代号S或L,如“M20-5g6g-L”。
特殊需要时,可注明旋合长度的数值,如“M20-5g6g-30”。
5 螺纹标记在视图上的标注方法如表1中图例,除管螺纹外,在视图上螺纹标记的标注同线性尺寸标注方法相同;而管螺纹是用指引线的形式,指引线应从大径上引出,并且不应与剖面线平行。
表1中标注的说明:1) M 16-5g6g表示粗牙普通螺纹,公称直径16,右旋,螺纹公差带中径5g,大径6g,旋合长度按中等长度考虑。
2) M16×1 LH-6G表示细牙普通螺纹,公称直径16,螺距1,左旋,螺纹公差带中径、大径均为6G,旋合长度按中等长度考虑。
螺纹的配合等级和标记螺纹的配合等级二、螺纹配合等级:螺纹配合是旋合螺纹之间松或紧的大小,配合的等级是作用在内外螺纹上偏差和公差的规定组合。
(一)、对统一英制螺纹,外螺纹有三种螺纹等级:1A、2A和3A级,内螺纹有三种等级:1B、2B和3B级,全部都是间隙配合。
等级数字越高,配合越紧。
在英制螺纹中,偏差仅规定1A和2A级,3A级的偏差为零,而且1A和2A级的等级偏差是相等的。
等级数目越大公差越小,如图所示:1、1A和1B级,非常松的公差等级,其适用于内外螺纹的允差配合。
2、2A和2B级,是英制系列机械紧固件规定最通用的螺纹公差等级。
3、3A和3B级,旋合形成最紧的配合,适用于公差紧的紧固件,用于安全性的关键设计。
4、对外螺纹来说,1A和2A级有一个配合公差,3A级没有。
1A级公差比2A级公差大50%,比3A级大75%,对内螺纹来说,2B级公差比2A公差大30%。
1B级比2B级大50%,比3B级大75%。
(二)、公制螺纹,外螺纹有三种螺纹等级:4h、6h和6g,内螺纹有三种螺纹等级:5H、6 H、7H。
(日标螺纹精度等级分为I、II、III三级,通常状况下为II级)在公制螺纹中,H 和h的基本偏差为零。
G的基本偏差为正值,e、f和g的基本偏差为负值。
如图所示:1、H是内螺纹常用的公差带位置,一般不用作表面镀层,或用极薄的磷化层。
G位置基本偏差用于特殊场合,如较厚的镀层,一般很少用。
2、g常用来镀6-9um的薄镀层,如产品图纸要求是6h的螺栓,其镀前螺纹采用6g的公差带。
3、螺纹配合最好组合成H/g、H/h或G/h,对于螺栓、螺母等精制紧固件螺纹,标准推荐采用6H/6g的配合。
螺纹标记螺纹的完整标记由螺纹代号,螺纹公差代号和旋合长度三部分所组成。
装配图上,其螺纹代号用斜线分开,左表内螺纹,右表外螺纹公差带代号。
如:M20×2左—6H/5g6g在零件图上,如下标记外螺纹和内螺纹:M10 —5g 6g — L旋合长度代号(S-短N-中L-长)顶径公差带代号中径公差带代号螺纹代号(米制粗牙螺纹,公称直径10mm)M10 ×1 左-6H中径和顶径公差代号(相同)左旋螺纹(右旋不标)细牙螺纹螺纹代号(米制粗牙螺纹,公称直径10mm)。
螺纹特征代号
螺纹特征代号是用来标识不同螺纹的符号标记,主要用于工程螺纹绘图和制作。
它有助于我们更容易理解和识别不同螺纹的特征,在工程绘图中也有良好的使用效果。
螺纹特征代号通常由两部分组成,一部分是特征类型,另一部分是特征参数。
特征类型
1. 螺纹类型:M(普通螺纹)、W(扩孔螺纹)、F(平键螺纹)、S (拉伸螺纹)。
2. 螺纹型号:M2、M3、M4、M5、M6、M8、M10、M12、M14、M16、M18、M20、M22、M24、M30、M36、W2、W3、W4、W5、F2、F3、F4、F5、S2、S3、S4、S5。
特征参数
1. 螺纹规格:根据螺纹型号,如M2的螺纹规格是2mm,M39的螺纹规格是39mm;
2. 螺纹深度:根据螺纹的结构,如M2的螺纹深度是0.4mm,M39的螺纹深度是6.0mm;
3. 螺距:根据螺纹的结构,如M2的螺距是0.4mm,M39的螺距是6.0mm;
4. 内螺纹/外螺纹:一般情况下,内螺纹用N(内螺纹)表示,外螺纹用G(外螺纹)表示;
5. 螺纹轴向:一般情况下,螺纹轴向用Z(轴向)表示,横向用X(水平)表示;
6. 螺纹方向:指右旋螺纹还是左旋螺纹,一般情况下,右旋螺纹用R(右旋)表示,左旋螺纹用L(左旋)表示;
7. 螺纹特殊要求:有时候螺纹需要有特殊要求,如双螺纹、半满螺纹、收口螺纹等,则用D(双螺纹)、H(半满螺纹)、K(收口螺纹)来表示。
螺纹的正确标注从事机械设计工作时,在零件图中经常会有螺纹特征,除了要规范地画出螺纹,还需要正确地标注,以保证加工出的零件是你想要的,装配时不至出错。
此外,装配图中也经常会用到螺纹标准件,在明细表中同样需正确标记,以便采购部门正确购买。
在其他人员读机械图纸时,同样也需要看懂螺纹的标注。
所以,关于螺纹的标注知识是从事紧固件行业人员必备的技能。
本文将主要介绍各种螺纹的标注。
1 普通螺纹普通螺纹是生活和工作中使用最广泛的螺纹,螺纹紧固件(螺栓、螺柱、螺钉、螺母等零件)上的螺纹大多为普通螺纹。
普通螺纹分粗牙普通螺纹和细牙普通螺纹。
细牙普通螺纹多用于精密零件和薄壁零件上(如液压管接头中用的普通螺纹均为细牙)。
在螺纹的标记中,细牙普通螺纹的螺距必须注出,而粗牙普通螺纹的螺距一般不标注(因为同一直径的细牙普通螺纹可能有多种螺距,而粗牙的螺距是一定的)。
关于普通螺纹的螺距,在国标(GB/T 193 普通螺纹直径与螺距系列)中有详尽的说明。
普通螺纹的完整标记由五部分组成:例如:M10×1 ― 7H ― L ― LH(1)普通螺纹的特征代号和尺寸代号特征代号:M (表示普通螺纹) 。
尺寸代号:公称直径×螺距(多线螺纹的导程和螺距均要注出,单线粗牙普通螺纹螺距不标注)。
“M10”表示:公称直径为10 mm、螺距1.5 mm的单线粗牙普通螺纹。
“M10×1”表示:公称直径为10mm、螺距为1 mm的单线细牙普通螺纹。
(2)普通螺纹的公差带代号普通螺纹的公差带代号由公差等级(数字)和基本偏差(外螺纹用小写字母、内螺纹用大写字母表示)所组成,例如5g6g、6g、6H、7H。
当螺纹中径公差带与顶径公差带代号不同时,需分别注出,如:M10―5g6g(5g为中径公差带代号,6g为顶径公差带代号)。
当中径与顶径公差带代号相同时,只注一个代号,如:M10×1―7H。
公差带代号为6g或6H(公称直径≥ 1.6mm)时不标注(在普通螺纹的公差带不标时,均默认公差带为6g或6H)。
管螺纹常见管螺纹:1.美制管螺纹(布氏螺纹)。
牙型角60°,单位为英寸。
NPT是National(American)Pipe Thread 的缩写,是圆锥管螺纹(内或外),锥度1:16。
NPSC是圆柱内螺纹。
用于北美地区,国标查阅GB/T12716-2002。
2.英制管螺纹(源于英国惠氏螺纹)。
BSP为英制管螺纹总体代号,但是分为三种BSPP、BSPT和BSPF。
BSPP(British Standard Pipe Parallel(Thread))为英制圆柱管螺纹代号,只有内螺纹,相当于国内的55°圆柱(平行)管螺纹,即Rp(老代号为G)。
BSPT(British Standard Taper Pipe Thread)是英制圆锥管螺纹代号,螺纹具有1:16的锥度,相当于国内的55°圆锥管螺纹,即Rc(老代号为ZG)。
BSPF(British Standard Pipe Fine Hand Taps)为英制细牙管螺纹。
前面两者用于密封接合,后边一种用于一般的接合。
英制管螺纹多用于欧洲及英联邦国家(欧洲国家多用柱/锥管螺纹副),常用于水及煤气管行业,国标查阅GB/T7306-2000。
3.G是55°非螺纹密封管螺纹,属于惠氏螺纹家族。
标记为G代表圆柱螺纹。
国标查阅GB/T7307-2001。
管螺纹的标注1.密封管螺纹:圆柱内螺纹与圆锥外螺纹的标准GB/T7306.1-2000;圆锥内螺纹与圆锥外螺纹的标准GB/T7306.2-2000;(1)、圆锥外螺纹特征代号:与圆柱内螺纹配合(旋合)的圆锥外螺纹特征代号为:R1,如R13;与圆锥内螺纹配合(旋合)的圆锥外螺纹特征代号为:R2,如R23;(2)、圆锥内螺纹的特征代号为:Rc,如Rc3/4;圆柱内螺纹(55度管螺纹)的特征代号为:Rp,如Rp3/4。
(3)、内外管螺纹只有一种公差带代号,因此省略不标。
(4)、螺纹副:尺寸代号只注写一次。
注:1)原制图标准中的标记代号采用了汉语拼音的字头;而管螺纹标准规定的标记代号则采用了国际标准的规定。
2)由于管螺纹的尺寸单位已经全部采用了米制,因此现行标记的尺寸代号上没有表示英寸的符号(″),而老代号的尺寸是用(″)来表示的。
3)新标记R表示圆锥外螺纹,用Rc表示圆锥内螺纹,而老代号ZG既是内螺纹又是外螺纹。
4)在新标记中用Rp表示与圆锥外螺纹配合的圆柱内螺纹,而G既代表与圆柱外螺纹配合的圆柱内螺纹,又代表与圆锥外螺纹配合的圆柱内螺纹,既不区分GB/T7306和GB/T7307中的圆柱内螺纹,这是非常不合适的。
5)标记中增加了代表公差等级的符号。
但除了圆柱瓦楞螺纹分A、B两级外,其他各种管螺纹都是不分级的,因此只有一个公差等级。
国标螺纹的一般知识一. 螺纹的分类1. 螺纹分内螺纹和外螺纹两种;2. 按牙形分可分为:1)三角形螺纹2)梯形螺纹3)矩形螺纹4)锯齿形螺纹;3. 按线数分单头螺纹和多头螺纹;4. 按旋入方向分左旋螺纹和右旋螺纹两种, 右旋不标注,左旋加LH,如M24×1.5LH;5. 按用途不同分有:米制普通螺纹、用螺纹密封的管螺纹、非螺纹密封的管螺纹、60°圆锥管螺纹、米制锥螺纹等二. 米制普通螺纹1. 米制普通螺纹用大写M表示,牙型角2α=60°(α表示牙型半角);2. 米制普通螺纹按螺距分粗牙普通螺纹和细牙普通螺纹两种;2.1. 粗牙普通螺纹标记一般不标明螺距,如M20表示粗牙螺纹;细牙螺纹标记必须标明螺距,如M30×1.5表示细牙螺纹、其中螺距为1.5。
2.2. 普通螺纹用于机械零件之间的连接和紧固,一般螺纹连接多用粗牙螺纹,细牙螺纹比同一公称直径的粗牙螺纹强度略高,自锁性能较好。
3. 米制普通螺纹的标记:M20-6H、M20×1.5LH-6g-40,其中M 表示米制普通螺纹,20表示螺纹的公称直径为20mm,1.5表示螺距,LH 表示左旋,6H、6g表示螺纹精度等级,大写精度等级代号表示内螺纹,小写精度等级代号表示外螺纹,40表示旋合长度;3.1. 常用米制普通粗牙螺纹的螺距如下表(螺纹底孔直径:碳钢φ=公称直径-P;铸铁φ=公称直径-1.05~1.1P;加工外螺纹光杆直径取φ=公称直径-0.13P):表1 常用米制普通粗牙螺纹的直径/螺距3.2. 米制普通内螺纹的加工底孔直径可用下式作近似计算:d=D-1.0825P,其中D为公称直径,P为螺距。
公制、美制和英制螺纹标准NPT,PT,G 都是管螺纹.NPT是 National (American) Pipe Thread 的缩写,属于美国标准的60 度锥管螺纹,用于北美地区.国家标准可查阅 GB/T12716-1991PT是 Pipe Thread 的缩写,是 55 度密封圆锥管螺纹,属惠氏螺纹家族,多用于欧洲及英联邦国家.常用于水及煤气管行业,锥度规定为1:16.国家标准可查阅 GB/T7306-2000G是 55 度非螺纹密封管螺纹,属惠氏螺纹家族.标记为 G 代表圆柱螺纹.国家标准可查阅另外螺纹中的1/4、1/2、1/8 标记是指螺纹尺寸的直径,单位是英寸.行内人通常用分来称呼螺纹尺寸,一寸等于8分,1/4 寸就是2分,如此类推.G 好像就是管螺纹的统称(Guan),55,60度的划分属于功能性的,俗称管圆。
即螺纹由一圆柱面加工而成。
ZG俗称管锥,即螺纹由一圆锥面加工而成,一般的水管接头都是这样的 (Rc表示圆锥内螺纹,可以与ZG配合使用)ZG表示锥管螺纹,3/4"表示英寸的标注,就是3/4寸圆锥管螺纹,《五金手册》上有。
准确的来讲它的内径是19.05毫米,但这是老标准,现在已经不用了。
现在的国标规定ZG3/4〃螺纹内径是20毫米。
它的表示方法应该是:ZG3/4〃。
其中(〃)是英寸的代表符号。
一英寸等于25.4毫米。
一英寸等于8英分。
3/4的来历是6/8=3/4。
俗称6分。
同样ZG1/2〃螺纹的管子内径≈15毫米。
俗称4分。
ZG1〃螺纹的管子内径≈25毫米。
俗称1寸。
ZG11/2〃螺纹的管子内径≈32毫米。
俗称1寸半。
锥管螺纹只用于液压系统连接;而管螺纹G3/4〃只用于水管连接。
锥管螺纹与管螺纹极为相似,区别只在锥度上。
英国标准BS84一般用途螺纹BSPT 55度锥管螺纹简称PT牙型角55°B.S.W. 标准惠氏粗牙系列,一般用途圆柱螺纹B.S.F. 标准惠氏细牙系列,一般用途圆柱螺纹Whit.S 附加的惠氏可选择系列,一般用途圆柱螺纹Whit 惠氏牙型的非标准螺纹英国标准管螺纹BSPP 55度管螺纹牙型角55° BSPT英国标准管螺纹美国标准ANSI B1.10一般用途螺纹NPT 60 度锥管螺纹牙型角60°,牙底是平的或圆弧的内、外螺纹。
1螺纹的标注(1) 普通螺纹的标记普通螺纹的完整的标记格式为:注意:①普通螺纹的尺寸单线细牙为“公称直径×螺距”;单线粗牙为“公称直径”;多线螺纹为“公称直径×Ph 导程P 螺距”。
如果要进一步说明螺纹的线数,可在后面加括号用英文说明。
双线螺纹为“two starts ”、三线螺纹为“three starts ”。
普通螺纹的公差带代号由中径和顶径的公差带代号组成。
当中径和顶径公差带代号相同时,只注一个代号,例如:M10-5g 。
当公称直径≥1.6mm 时,6H 或6g公差带代号在标记中不标出,例如:M10。
③普通右旋螺纹的旋向代号不标,普通左旋螺纹的旋向要标“LH ”。
例如:单线:M 20×2-5g6g-S-LH多线:M 20×Ph4P2-5g6g-L-LH(2)梯形螺纹、锯齿形螺纹的标记梯形螺纹、锯齿形螺纹标注格式为:具体的标记说明如下:①螺纹代号部分:单线:多线:梯形螺纹的特征代号为Tr ,锯齿形螺纹的特征代号为B ;公称直径为螺纹的大径;左旋螺纹旋向代号为“LH”,右旋螺纹的旋向省略。
②中径公差带代号由公差等级数字和基本偏差代号组成,内螺纹的偏差代号用大写字母,外螺纹用小写字母。
③螺纹的旋合长度分为中等、长两种旋合长度,分别用代号N、L表示,中等旋合长度“N ” 不标出。
例如:Tr40×14(P7)LH-8e-L(3)管螺纹的标记管螺纹分为非螺纹密封管螺纹和用螺纹密封管螺纹。
非螺纹密封管螺纹的内外螺纹标记格式不同:外螺纹:内螺纹:具体的标记说明如下:①螺纹的特征代号为G。
②尺寸代号并不表示管螺纹的大径且以英寸为单位,标注时不标写单位,约等于管子的孔径,不得称为公称直径。
③外螺纹的公差等级分为A级、B级两种;内螺纹只有一种,不标注公差等级代号。
④左旋螺纹旋向代号为“LH”,右旋螺纹的旋向省略。
注意:用螺纹密封管螺纹的标记比非螺纹密封管螺纹外螺纹少公差等级代号这一项,因为它的内、外螺纹的公差等级都只有一种。
螺纹标记(公制、美制和英制)1,公制螺纹标记:.11标记方法完整的螺纹标记由螺纹特征代号、尺寸代号、公差代号及其他代号组成。
螺纹特征代号用“M”表示。
单线螺纹的尺寸代号为“公称直径╳螺距”,公称直径和螺距数值的单位为毫米。
对粗牙螺纹,可以省略标注其螺距项。
多线螺纹的尺寸代号为“公称直径╳Ph导程、P螺距“、公称直径、导程.和螺距数值的单位为毫米.可以在后面增加括号说明线数(英文).公差带代号包含中径和顶径公差带代号, 中径公差带代号在前, 顶径公差带代号在后.内螺纹用大写字母,外螺纹用小写字母,.如果中径公差带代号和顶径公差带代号相同,则只标注一个公差带代号,.螺纹尺寸代号与公差带间用”━”号分开.大批生产的紧固件螺纹(中等公差精度和中等旋合长度,6H/6g)不标注其公差带代号。
表示螺纹配合时, 内螺纹公差带代号在前, 外螺纹公差带代号在后,中间用斜线分开.对旋合长度为短组和长组的螺纹,在公差带代号后应分别标注”S”和:”L”代号.旋合长度代号和公差带间用”━”号分开。
中等旋合长度组不标注.旋合长度代号(N)。
左旋螺纹应在旋合长度代号之后标注“LH”代号。
旋合长度代号与旋向代号间用”━”号分开。
右旋螺纹不标注旋向代号。
1.2 标记示例1.2.1普通螺纹特征代号和尺寸代号部分的标注公称直径为8m m、螺距为1mm的单线细牙螺纹:M8×1公称直径为8m m、螺距为1.25mm的单线粗牙螺纹:M8公称直径为16mm、螺距为1.5mm、导程为3mm的双线螺纹:M16×Ph3P1.5或M16×Ph3P1.5(two starts)1.2.2 增加公差带代号后的标注中径公差带为5g、顶径公差带为6g的外螺纹:M10×1-5g6g中径公差带和顶径公差带为6g的粗牙外螺纹:M10-6g中径公差带为5H、顶径公差带为6H的内螺纹:M10×10-5H6H中径公差带和顶径公差带为6H的粗牙内螺纹:M10-6H中径公差带和顶径公差带均为6g、中等公差径精度的粗牙外螺纹:M10中径公差带和顶径公差带均为6g、中等公差径精度的粗牙内螺纹:M10公差带为6H的内螺纹与公差带为5g6g外螺纹组成配合:M20×2-6H/5g6g公差带为6H的内螺纹与公差带为6g的外螺纹组成配合(中等精度、粗牙):M201.2.3增加旋合长度代号后的标注短旋合长度的内螺纹:M20×2-5H-S长旋合长度的内、外螺纹:M6-7H/7g6g-L中等旋合长度的外螺纹(粗牙、中等精度的6g公差带):M61.2.4 增加旋向代号后的标注(完整标注)左旋螺纹:M8×1-LH(公差带代号和旋合长度代号被省略)M6×0.75-5h6h-S-LHM14×Ph6P2-L-LH 或M14×Ph6P2(threestarts)-L-LH右旋螺纹:M6(螺距、公差带代号和旋向代号被省略)2美制统一螺纹标注2.1美制统一螺纹的基本标记对标准系列、标准旋合长度和标准公差的统一螺纹,其标记包含五项基本内容。
螺纹常识一、螺纹种类•按牙型可分为三角形、梯形、矩形、锯齿形和圆弧螺纹;•按螺纹旋向可分为左旋和右旋;•按螺旋线条数可分为单线和多线;•按螺纹母体形状分为圆柱和圆锥等。
二、螺纹的要素螺纹包括五个要素:牙型、公称直径、线数、螺距(或导程)、旋向。
1. 牙型在通过螺纹轴线的剖面区域上,螺纹的轮廓形状称为牙型。
有三角形、梯形、锯齿形、圆弧和矩形等牙型。
螺纹的牙型比较:2. 直径螺纹有大径(d、D)、中径(d2、D2)、小径(d1、D1),在表示螺纹时采用的是公称直径,公称直径是代表螺纹尺寸的直径。
普通螺纹的公称直径就是大径。
3. 线数沿一条螺旋线形成的螺纹称为单线螺纹,沿轴向等距分布的两条或两条以上的螺旋线形成的螺纹称为多线螺纹。
4. 螺距和导程螺距(p)是相邻两牙在中径线上对应两点间的轴向距离。
导程(ph)是同一条螺旋线上的相邻两牙在中径线上对应两点间的轴向距离。
单线螺纹时,导程=螺距;多线螺纹时,导程=螺距×线数。
5. 旋向顺时针旋转时旋入的螺纹称为右旋螺纹;逆时针旋转时旋入的螺纹称为左旋螺纹。
三、螺纹的标记(1)普通螺纹普通螺纹用得最广泛,螺纹紧固件(螺栓、螺柱、螺钉、螺母等零件)上的螺纹一般均为普通螺纹。
普通螺纹分粗牙普通螺纹和细牙普通螺纹。
细牙普通螺纹多用于精密零件和薄壁零件上。
在螺纹的标记中,细牙普通螺纹的螺距必须注出,而粗牙普通螺纹的螺距一般不标注。
普通螺纹的标记由五部分组成:1)特征代号M (表示普通螺纹)2)尺寸代号尺寸代号:公称直径×螺距(多线螺纹的导程和螺距均要注出,单线粗牙普通螺纹螺距不标注)。
“M10”表示公称直径为10 mm、螺距1.5 mm的单线粗牙普通螺纹。
“M10×1”表示公称直径为10mm、螺距为1 mm的单线细牙普通螺纹。
3)普通螺纹的公差带代号由公差等级(数字)和基本偏差(外螺纹用小写字母、内螺纹用大写字母表示)所组成,例如5g6g、6g、6H、7H。
普通螺纹的基本参数与标记普通螺纹的基本参数与标记是机械工程中常用的一种连接元件。
它的设计与标记通常由以下几个方面确定:螺纹类型、螺纹尺寸、螺距、牙高、螺纹轮廓等。
下面将逐步回答这些问题,详细介绍普通螺纹的基本参数与标记。
第一步:螺纹类型普通螺纹根据其牙形可以分为三种类型:矩形螺纹、三角螺纹和梯形螺纹。
其中,矩形螺纹是一种常用的内、外螺纹,牙的截面是矩形的;三角螺纹,与矩形螺纹相比较,其牙截面多为等边三角形,用于传递力矩较大的场合;梯形螺纹由等边三角形的形状发展而来,属于一种传动螺纹。
第二步:螺纹尺寸螺纹尺寸指的是螺纹的直径与距离尺寸。
常见的标准中,螺纹尺寸以毫米(mm)为单位,如M10x1.5。
其中,M代表的是“metrique(法语)”的缩写,表示公制螺纹;10表示螺纹的直径为10mm;1.5表示螺距为1.5mm。
第三步:螺距螺距是指螺纹上相邻两个螺纹之间的距离。
它决定了螺纹的紧密程度。
螺距通常在螺纹尺寸的后面以数字表示,例如上述的M10x1.5中的1.5即表示螺距。
第四步:牙高牙高是指螺纹牙的高度。
在矩形螺纹和三角螺纹中,牙高等于螺纹高度。
而在梯形螺纹中,牙高等于螺纹高度的一半。
在标准中,牙高通常不作直接标明,可以通过螺纹尺寸和螺距计算得出。
第五步:螺纹轮廓螺纹轮廓是指螺纹牙的形状。
根据不同的牙形,螺纹轮廓也会有所不同。
矩形螺纹的轮廓为矩形,三角螺纹的轮廓为等边三角形,梯形螺纹的轮廓为梯形。
螺纹轮廓的选择与具体应用有关,常见的螺纹设计如公差要求和承受的载荷等。
最后,对于螺纹的标记,通常以图形的方式表示,并包含相关的标注文字。
螺纹标记可以包含螺纹类型、螺纹尺寸、螺距等信息。
在机械工程图纸中,螺纹标记常常以符号的形式出现,简化了信息表达,如常用的M10x1.5。
总结:普通螺纹的基本参数与标记包括螺纹类型、螺纹尺寸、螺距、牙高和螺纹轮廓。
螺纹标记通常以图形和符号的形式表示在机械工程图纸上。
了解和理解普通螺纹的基本参数与标记对于正确应用和设计螺纹连接至关重要。
螺纹的种类和标记
1.螺纹的种类
螺纹按用途可分为联接螺纹和传动螺纹两类。
常用标准螺纹的种类及用途可参看表1。
表1
2.螺纹联接的画法
如图在剖视图中,内、外螺纹结合部分按外螺纹画,其余部分仍用各自的画法表示。
内、外螺纹的大、小径的粗细实线应分别对齐。
3.螺纹的代号标注
在图样上螺纹需要用规定的螺纹代号标注,除管螺纹外,螺纹代号的标注格式为:
管螺纹的标注格式为:特征代号尺寸代号旋向
其中,右旋螺纹省略不注,左旋用“LH”表示。
4.螺纹标记的标注
当螺纹精度要求较高时,除标注螺纹代号外,还应标注螺纹公差带代号和螺纹旋合长度。
螺纹标记的标注格式为:螺纹代号—螺纹公差带代号(中径、顶径)—旋合长度
有关标注内容的说明:
(1)公差带代号由数字加字母表示(内螺纹用大写字母,外螺纹用小写字母),如7H、6g等,应特别指出,7H,6g等代表螺纹公差,而H7,g6代表圆柱体公差代号。
(2)旋合长度规定为短(用S表示)、中(用N表示)、长(用L表示)三种。
一般情况下,不标注螺纹旋合长度,其螺纹公差带按中等旋合长度(N)确定。
必要时,可加注旋合长度代号S或L,如“M20-5g6g-L”。
特殊需要时,可注明旋合长度的数值,如“M20-5g6g -30”。
5.螺纹标记在视图上的标注方法
如表1中图例,除管螺纹外,在视图上螺纹标记的标注同线性尺寸标注方法相同;而管螺纹是用指引线的形式,指引线应从大径上引出,并且不应与剖面线平行。
表1中标注的说明:
(1)M16-5g6g表示粗牙普通螺纹,公称直径16,右旋,螺纹公差带中径5g,大径6g,旋合长度按中等长度考虑。
(2)M16×1LH-6G表示细牙普通螺纹,公称直径16,螺距1,左旋,螺纹公差带中径、大径均为6G,旋合长度按中等长度考虑。
(3)G1表示英制非螺纹密封管螺纹,尺寸代号1in,右旋。
(4)Rc12表示英制螺纹密封锥管螺纹,尺寸代号12in,右旋。
(5)Tr20×8(P4)表示梯形螺纹,公称直径20,双线,导程8,螺距4,右旋。
(6)B20×2LH表示锯齿形螺纹,公称直径20,单线,螺距2,左旋。